碾砂机的传动装置设计说明书
- 格式:doc
- 大小:566.50 KB
- 文档页数:22
攀枝花学院学生课程设计(论文)题目:铸造车间碾砂机的传声筒装置设计学生姓名:蔡宇学号:200710601003所在院(系):机电工程学院专业:机械设计制造及其自动化班级:2007级机械设计制造及其自动化1班(电子一班)指导教师:翟秀云职称:博士2009年 1 月 9 日攀枝花学院教务处制减速器在国内外的状况:1.国内的发展概况国内的减速器多以齿轮传动、蜗杆传动为主,但普遍存在着功率与重量比小,或者传动比大而机械效率过低的问题。
另外,材料品质和工艺水平上还有许多弱点。
由于在传动的理论上、工艺水平和材料品质方面没有突破,因此,没能从根本上解决传递功率大、传动比大、体积小、重量轻、机械效率高等这些基本要求。
2.国外发展概况国外的减速器,以德国、丹麦和日本处于领先地位,特别在材料和制造工艺方面占据优势,减速器工作可靠性好,使用寿命长。
但其传动形式仍以定轴齿轮传动为主,体积和重量问题,也未解决好。
当今的减速器是向着大功率、大传动比、小体积、高机械效率以及使用寿命长的方向发展。
课题研究的内容及拟采取的技术、方法本设计是蜗轮蜗杆减速器的设计。
设计主要针对执行机构的运动展开。
为了达到要求的运动精度和生产率,必须要求传动系统具有一定的传动精度并且各传动元件之间应满足一定的关系,以实现各零部件的协调动作。
该设计均采用新国标,运用模块化设计,设计内容包括传动件的设计,执行机构的设计及设备零部件等的设计。
传动装置总体设计:1.传动方案的选择(1)(2)方案分析:对于方案1,因输入与输出轴垂直相交且输出轴在铅垂方向,则采用立式蜗杆蜗轮减速器(蜗杆侧置),又蜗杆蜗轮机构传动比大,零件数目少,故结构很紧凑;在蜗杆传动中,由于蜗杆齿是连续不断的螺旋齿。
它和蜗轮齿是逐渐啮合及逐渐退出啮合的,同时啮合的齿对又较多,故冲击载荷小,传动平稳,噪声低,虽然效率较低,但选择双头以上的蜗杆,效率还是可达到0.8以上;对于方案2,采用的是三级减速器,用于输入轴与输出轴相交而传动比较大的传动,传对比可达25~75,但是输出的转速只有29r/min ,由此算出的输入功率,没有较为合适的电机可供选择,而两级锥齿轮---圆柱齿轮减速器的传对比8~15,换算过后并不能满足要求。
目录中文摘要 (1)英文摘要 (2)前言 (3)设计任务书 (4)设计内容及要求和步骤 (5)第一章传动装置总体设计 (6)1.1系统总体方案的确定 (6)1.2 原动机选择 (7)1.3传动装置总体传动比的确定及各级传动比的分配 (8)第二章V带的设计计算 (10)2.1带传动的设计计算 (10)2.2带轮的设计 (12)第三章齿轮的设计计算 (14)3.1高速级齿轮的设计计算 (14)3.2低速级齿轮的设计计算 (18)第四章轴的设计 (24)4.1选择轴的材料及热处理 (24)4.2初估轴径 (24)4.3轴的结构设计 (24)第五章校核 (29)5.1轴的校核 (29)5.2键的校核 (32)5.3滚动轴承的校核 (33)第六章箱体的主要尺寸及附件 (34)6.1:箱体主要结构尺寸的确定 (34)6.2:箱体及其附件的结构 (36)第七章课程设计心得体会 (37)参考文献 (38)附表 (39)中文摘要本文主要进行铸造车间型砂输送机传动装置的设计。
传动装置的设计包括:传动装置的总体设计、V带的设计、齿轮的设计、轴的设计等设计内容,其中传动装置的总体设计中有两种方案预选比较,最终选择二级圆柱斜齿轮传动,然后选择好电动机进行传动比的计算,传动比设计好后进行V带和带轮的选择及设计,接着进入重要的环节,齿轮和轴的设计计算。
齿轮的设计主要是高速齿轮及低速齿轮的计算;轴的设计分为高速轴,低速轴和中间轴的结构设计与各轴段长度的计算。
最后是轴,键的校核。
本输送机的优点是采用多轴传动,提高了传动效率,缩短了运输周期,可以在大批大量生产中得到广泛运用。
关键字:电动机齿轮轴传送带箱体The summary of the design of mechanical design courseThe curricular design of machine design is one of the most important steps during the course of machine design curriculum .Improving the qualities of curricular design of machine design plays an important role in fostering students' ability to analyze and solve problems which is the embodiment in carrying out the educational reforms .In this paper, the foundry sand Transmission Device design. Transmission design includes: the overall design of transmission, V with the design, gear design, shaft design, design elements, which drives the overall design of the program, there are two pre-comparison, the final choice of Helical Gear , and then choose a good motor for the calculation of the transmission ratio, transmission ratio good design V belt and pulley after the selection and design, and then into the important part of the gear and shaft design calculations. The design of the main gear gear and low gear high-speed computing; shaft into the design of high speed shaft, low speed shaft and intermediate shaft structure design and calculation of the length of each axis. Finally, axis, the key check. The conveyor has the advantage of using multi-axis transmission, improve transmission efficiency and shorten the transport cycle, can be mass-produced in large numbers to be widely used.Keywords: motor gear box shaft belt前言机械设计是一门以机器为研究对象的学科。
课题名称:带式运输机传动装置的设计专业班级:机械电子工程03班学生学号:学生姓名:学生成绩:指导教师:课题工作时间:2014年12月22日至2015年1月9日武汉工程大学教务处目录第一章设计任务书——铸造车间型砂输送机的传动装置 (3)第二章传动装置总体设计 (5)1. 系统总体方案的确定 (5)2. 电动机的选择(Y系列三相交流异步电动机) (7)3. 传动装置的总传动比及其分配 (9)第三章传动零件的设计计算 (12)1. V带传动的设计计算 (12)2. 齿轮传动的设计计算 (16)第四章轴的设计计算 (24)1. 选择轴的材料及热处理 (24)2. 初估轴径 (24)3. 轴的结构设计 (25)4. 减速器零件的位置尺寸............................... 错误!未定义书签。
第五章润滑方式润滑油牌号及密封装置的选择....... 错误!未定义书签。
第六章箱体及其附件的结构设计............................... 错误!未定义书签。
第七章减速器的箱体的结构尺寸............................... 错误!未定义书签。
附:1.心得体会 (31)2.参考文献 (31)第一章设计任务书——铸造车间型砂输送机的传动装置1.设计题目:设计带式运输机的传动装置2.带式运输机的工作原理3.原始数据学号鼓轮直径D(mm)输送带速度v(m/s) 输出转矩T(N.m) 1203120310 350 0.85 3904.工作条件(已知条件)1)工作环境:一般条件,通风良好;2)载荷特性:连续工作、近于平稳、单向运转;3)使用期限:8年,大修期3年,每日两班制工作;4)卷筒效率:η=0.96;5)运输带允许速度误差:±5%;6)生产规模:成批生产。
5.设计内容1)设计传动方案;2)设计减速器部件装配图(A1);3)绘制轴、齿轮零件图各一张(高速级从动齿轮、高速轴);4)编写设计计算说明书一份(约7000字)。
铸造车间型砂输送设备的传动装置的设计方案一、课程设计目的课程设计是机械设计基础课程重要的实践性教学环节。
课程设计的基本目的是:1.综合运用机械设计基础和其它先修课程的知识,分析和解决机械设计问题,进一步巩固、加深和拓宽所学的知识。
2.通过设计实践,逐步树立正确的设计思想,增强创新意识和竞争意见,熟悉掌握机械设计的一般规律,培养分析问题和解决问题的能力。
3.通过设计计算、绘图以及运用技术标准、规、设计手册等有关设计资料,进行全面的机械设计基本技能的训练。
二、课程设计容课程设计的容主要包括:分析传动装置的总体方案;选择电动机;传动系统计算;传动零件、轴、轴承、联轴器等的设计计算和选择;装配图和零件图设计;编写设计计算说明书。
课程设计中要求完成以下工作:1.减速器装配图1(A1图纸);2.减速器零件图2(A3图纸);3.设计计算说明书1份。
(二)工作条件该传动装备单向传送,载荷平稳,空载起动,两班制工作,使用期限10年(每年按300天计算),运输带容许速度误差为5%。
(三)运动简图(四)设计计算说明书容0、封面(题目、班级、、学号、指导老师、时间)1、目录(标题、页次)2、设计任务书(装订原发的设计任务书)3、前言(题目分析、传动方案的拟订等)4、电动机的选择,传动系统计算(计算电动机所需的功率、选择电动机、分配各级传动比,计算各轴转速、功率和扭矩)5、传动零件的设计计算(确定带传动,齿轮传动的主要参数)6、轴的设计计算及校核7、轴承的选择和计算8、键联接的选择和校核9、联轴器的选择10、箱体的设计(主要结构和设计计算及必要的说明)11、润滑和密封的选择、润滑剂的型号及容量、减速器的附件及说明12、设计小结(设计体会、本次计的优缺点及改进意见等)13、参考资料(资料的编号[ ],作者,书名,出版单位和出版年、月)三、进度安排第1周周一电动机的选择和传动系统计算、带传动的设计计算周二齿轮传动的设计计算、低速轴的设计周三高速轴的设计,校核一根轴。
目录一、概述二、主要技术规格三、机器的结构与调整四、安装五、试车与操作六、轴承明细表七、润滑表八、维修保养与安全技术九、用户自备易损件目录概述S1114型辗轮式混砂机主要用于铸造车间混制各种芯砂,小型车间混制型砂,也适用于其他行业混制颗粒状物料;本机操作简单、方便、可靠。
本产品系高效辗轮式混砂机的系列产品,具有效率高、混砂性能好、体积小、重量轻、运转平衡、维修方便等优点。
一、主要技术规格1.盘径φ1400mm2.每次加料量250kg3.混辗时间 2.5~3min4.生产率(指含水量在5%以下的潮模单一砂) 4.5~6t5.电机1)型号Y160L-62)功率11kW3)转速970r.p.m6.主轴转速42r.p.m7.辗轮1)辗轮直径580mm2)辗轮宽度170mm8.一个辗轮的辗压力~2800N9.卸料门1)长度400mm2)宽度240mm10.机器重量~1.5t二、机器的结构和调整本机共分八个部分:机体、卸料门、传动机构、立柱、辗轮、TZ机构、内刮板、外刮板组成(图一)。
通过地脚螺栓固定在基础上(图四);卸料门、立柱分别与机体相连,辗轮内外刮板分别联系在立柱部分的十字头上。
该机由固定在机体上的电机通过弹性联轴器,带动传动机构运动并通过输出轴使混辗机构作逆时针旋转,卸料门开关通过手动把杆的推拉实现。
现将各部分概述如下:1.机体(图一)由机盆、取样门、底盘组成。
2.卸料门该机卸料门属于翻板式,由转轴、门体、门板、插销、把杆等组成。
卸料门关闭后应与底盘上平面的底板在同一水平面上,允差1mm。
3.传动机构(图二)此部分分为两级传动,电机通过联轴器,带动伞齿轮轴(2)及大伞齿轮(3)完成一级变速,再通过斜齿轮轴(4)带动立柱中的大齿轮达到传动目的。
斜齿轮轴从油管喷出在斜齿轮轴与立柱齿轮的啮合圆上,再通过齿轮箱上的回油孔润滑轴承及大小伞齿轮。
齿箱侧壁上装有长形油标(8)及观察窗(5)来监视齿箱内的油面高低及观察齿轮运转和润滑情况。
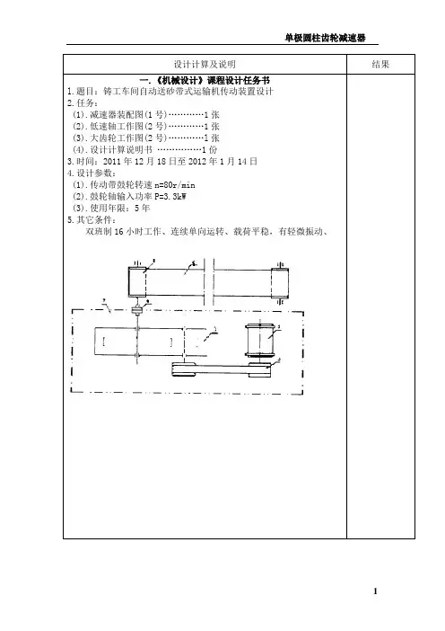
目录第一章设计任务书第二章电动机的选择第三章计算传动装置的运动和动力参数第四章传动件的设计计算第五章轴的设计计算第六章滚动轴承的选择及计算第七章键连接的选择第八章减速器附件的选择第九章润滑与密封第十章总结与致谢参考文献计算及说明结果一、设计任务书1题目:铸工车间自动送砂带式运输机传动装置设计2任务:(1)减速器装配图(1号)… …1张(2)低速轴工作图(3号)… …1张(3)大齿轮工作图(3号)… …1张(4)设计说明书………………….1份3 时间:2011年6月20日至2011年7月8日4 传动方案:1――电动机2――V带传动3――减速器4――联轴器5――传动带鼓轮6――传动带7――底座图S-5 传动方案示意图5 设计参数:(1)传动带鼓轮转速n=100r/min。
(2)鼓轮轴输入功率P=3kw。
(3)使用年限5年。
6 其它条件双班制工作,连续单向运转,有轻微振动,室内工作,有粉尘。
小批量生产,底座(为传动装置的独立底座)用型钢焊接。
第十一章总结与致谢通过本次设计课,使自己对所学的机械设计课程进一步加深了理解,对于各方面知识之间的联系有了实际的体会。
同时也深深感到自己初步掌握的知识与实际需要还有很大的距离,在今后还需要继续学习和实践。
本设计由于时间紧张,在设计中肯定会有许多欠缺,若想把它变成实际产品的话还需要反复的考虑和探讨。
但作为一次练习,确实给我们带来了很大的收获,通过设计计算、画草图、画正式图等提高了我对机械结构设计及电动机的选用等方面的认识和应用能力。
总之,本次设计让我受益非浅,各方面的能力得到了一定的提高。
另外还要感谢老师以及同班同学的帮助,在我遇到困难无法解决的时候,他们帮我解决了困惑,使我能顺利的完成本次设计课程,在这里对老师和同班同学说一声感谢!参考文献1、《机械设计、机械设计基础课程设计》,王昆等主编,高等教育出版社。
2、《机械设计基础(第五版)》,杨可桢等主编,高等教育出版社。
机械设计课程设计计算说明书设计题目:带式运输机传动装置的设计目录设计任务书 (2)一、传动方案拟定 (2)二、电动机的选择 (2)三、计算总传动比及分配各级的传动比 (4)四、运动参数及动力参数计算 (5)五、传动零件的设计计算 (6)六、轴的设计计算 (12)七、滚动轴承的选择及校核计算 (19)八、键联接的选择及计算 (22)九、连轴器的选择十、润滑方式及密封设计参考资料机械课程设计课程设计任务书题目:带式运输机传动装置设计条件:1.运输带工作拉力:F= 1500 KN(根据课本参数表和小组分配之后选取得到)2.运输带工作速度:V= 1.1 m/s。
(数据来源同上)3.滚筒直径:D= 220 mm4.滚筒效率:ή=0.96(包括滚筒与轴承的效率损失)。
5.工作情况:两班制,连续单向运转,载荷较平稳.6.使用寿命:8 年7.工作环境:室内工作,有灰尘,环境最高温度35度8.动力来源:电力,三相交流,电压380V/220V;9.检修间隔期:四年一次大修、二年一次中修,半年一次小修。
10.运输带速度允许误差:±5%;11.制造条件及生产批量:一般机械厂制造,小批量生产.设计要求:1.减速器装配图1张(A0或A1)2.轴零件图1张3.齿轮零件图1张4.编写设计说明书1份一传动方案的拟定根据小组分配,在各个传动方案中选择二级展开式圆柱齿轮减速器,其主要特点是:传动比一般为8~40,用斜齿、直齿或人字齿,其中高速级一般用斜齿,低速级可做成直齿,结构简单,应用广泛;它是二级齿轮减速器中应用最广泛的一种,齿轮相对轴承为不对称布置,因而沿齿向载荷分布不均,要求轴有较大的刚度,高速级常用圆柱斜齿轮,低速级可用直齿轮。
高速级齿轮布置应远离输入端,这样,轴的扭转变形将能减小轴的弯曲变形引起的载荷沿齿宽发布不均现象。
用于比较平稳的场合。
如下图为其传动方案简图:二电动机的选择1选择电动机类型:根据面前任务书给定的工作条件,选择Y系列全封闭自扇冷式笼型三相异步电机。
设计题目屠宰场设备中悬挂链式输送机的传动装置减速箱学院工学院专业年级姓名学号指导教师(20010年1月)中国农业大学教务处制目录设计任务书 (3)设计说明书 (4)一、整体方案设计 (4)二、运动参数计算 (5)●电动机的选择 (5)三、各主要零件的设计计算 (6)●高速级齿轮设计计算 (6)●低速级齿轮设计计算 (8)●轴承的选择与校核 (10)●初估轴径 (10)●轴承寿命校核 (10)●校核Ⅱ轴的强度 (12)●键的选择及强度校核 (14)四、减速器的润滑、密封及油量的计算 (15)五、减速器的机构特点及说明 (16)六、设计小结 (16)七、参考资料目录 (17)设计说明书一、整体方案设计方案一:两级齿轮传动方案二:带传动+齿轮传动方案三:链轮传动+一级齿轮传动方案分析及选定:一、带传动(皮带传动)特点(优点和缺点):① 构简单,适用于两轴中心距较大的传动场合;② 传动平稳无噪声,能缓冲、吸振;③ 过载时带将会在带轮上打滑,可防止薄弱零部件损坏,起到安全保护作用;④ 不能保证精确的传动比.带轮材料一般是铸铁等.二、链传动的特点:①和齿轮传动比较,它可以在两轴中心相距较远的情况下传递运动和动力;②能在低速、重载和高温条件下及灰土飞扬的不良环境中工作;③和带传动比较,它能保证准确的平均传动比,传递功率较大,且作用在轴和轴承上的力较小;④传递效率较高,一般可达0.95~0.97;⑤链条的铰链磨损后,使得节距变大造成脱落现象;⑥安装和维修要求较高.链轮材料一般是结构钢等.三、齿轮传动的特点:①能保证瞬时传动比恒定,平稳性较高,传递运动准确可靠;②传递的功率和速度范围较大;③结构紧凑、工作可靠,可实现较大的传动比;④传动效率高,使用寿命长;⑤齿轮的制造、安装要求较高.齿轮材料一般是铸铁等.考虑到最终需要的传动比较大,而用齿轮减速需要3~4级,结构十分复杂,而链传动对于安装和维修要求较高,对于屠宰场的输送机的减速箱不易采用。
一.《机械设计》课程设计任务书l.题目:铸工车间自动送砂带式运输机传动装置设计2.任务:(1).减速器装配图(1号)…………1张(2).低速轴工作图(2号)…………1张(3).大齿轮工作图(2号)…………l张(4).设计计算说明书……………1份3.时间:2011年12月18日至2012年1月14日4.设计参数:(1).传动带鼓轮转速n=80r/min(2).鼓轮轴输入功率P=3.3kW(3).使用年限:5年5.其它条件:双班制16小时工作、连续单向运转、载荷平稳,有轻微振动、二、传动方案2.1 传动方案说明一、选择传动机构类型的基本原则为:1.传递大功率时,应充分考虑提高传动装置的效率,以减少能耗、降低运行费用。
2.载荷多变和可能发生过载时,应考虑缓冲吸振及过载保护问题。
3.传动比要求严格、尺寸要求紧凑的场合,可选用齿轮传动或蜗杆传动。
4.在多粉尘、潮湿、易燃易爆场合,宜选用链传动、闭式齿轮传动或蜗杆传动。
根据本次课程设计的要求,此设计采用的传动方案为单级圆柱齿轮传动。
二、传动装置的合理布置传动装置布置的原则:1.传动能力小的带传动应布置在高速轴。
2.开式齿轮传动应布置在低速轴。
这样具有以下优点:1.适用于中心距较大的传动。
2.具有良好的挠性,可缓冲吸收振动。
3.过载时出现打滑现象,使传动失效,但可防止其他零件损坏。
4.结构简单成本低。
缺点:外廓尺寸大、无固定传动比、寿命短、传动效率低。
结论:对于此传动装置的要求,低速轴由于其要求以固定的传动比传动,且所需传动效率很高,所以齿轮传动适用。
设计计算及说明结果2.2 电动机的选择2.2.1 电动机的类型和结构型式类型:根据电源及工作机条件,选用卧式封闭型Y(IP44)系列的三相交流异步电动机ZBK22007-882.2.2选择电动机容量:(1)工作机所需功率PW=3.3kW(2)电动机的输出功率Pd Pd=PW/η电动机至工作机主动轴之间的总效率:η总=η1·η2·η3·η4…ηn根据辅导书P7表2-4:η总=η带·η滚动轴承·η齿轮·η滚动轴承·η连轴器 =0.95×0.97×0.98×0.98×0.97=0.86所以电动机输出功率:Pd = Pw÷η总=3.3÷0.86=3.837kW(3)确定电动机额定功率:Ped ≥Pd,根据《课程设计》P196选择电动机,电动机额定功率为Ped=4kW 2.2.3选择电动机的转速由《课程设计》书P4页表2-1:V带传动的单级传动比推荐值为2~4圆柱齿轮传动的单级传动比推荐值为3~6,鼓轮转速为80r/min。
目录§1机械设计课程设计任务书 (2)§2传动方案的分析 (3)§3电动机选择,传动系统运动和动力参数计算 (3)§4传动零件的设计计算 (5)§5轴的设计计算 (18)§6轴承的选择和校核 (28)§7键联接的选择和校核 (29)§8联轴器的选择 (30)§9减速器的润滑、密封和润滑牌号的选择 (30)§10减速器箱体设计及附件的选择和说明 (31)§11设计小结 (36)§12参考资料 (36)§1机械设计课程设计任务书设计题目:设计铸造车间型砂输送机的传动装置。
要求:输送机由电机驱动,经传动装置驱动输送带移动。
要求电机轴与工作机鼓轮轴平行,整机使用寿命为5年,每天两班制工作,每年工作300天,工作时不逆转,载荷平稳,允许输送带速度偏差为 5%。
工作机效率为0.95,要求有过载保护,按单件生产设计。
二、原始数据:学号1-6 7-12 13-18 19-24 25-30 31-36 37-41 输送带拉力F(N)2300 2500 2600 2800 3300 4000 4500输送带速度v(m/s) 1.1 1.1 1.1 1.4 1.2 1.5 1.2鼓轮直径D(mm)300 400 220 350 400 400 500 三、设计内容:1.设计传动方案;2.减速器部件装配图一张(0号图幅);3.绘制轴或齿轮零件图一张;4.编写设计计算说明书一份(>6000字)。
§2传动方案的分析§3电动机选择,传动系统运动和动力参数计算一、电动机的选择1.确定电动机类型按工作要求和条件,选用y 系列三相交流异步电动机。
2.确定电动机的容量(1)工作机卷筒上所需功率P wP W w = Fv/1000 =4000*1.5/1000kW=6kW (2)电动机所需的输出功率为了计算电动机的所需的输出功率P d ,先要确定从电动机到工作机之间的总功率η总。
上海工程技术大学《机械设计》课程设计说明书设计题目铸工车间自动送砂带式运输机传动装置设计飞行院(系)航空器械维修专业班级学号设计人周鹤卿指导老师张春燕完成时间 2014年1月10日《机械设计》课程设计任务书班级代号学生姓名周鹤卿指导教师张春燕下达日期 2013年 12月 29日1. 题目:铸工车间自动送砂带式运输机传动装置设计。
2. 设计任务:(1)减速器装配图(1号)······1张(2)低速轴工作图(3号)······1张(3)大齿轮工作图(3号)······1张(4)设计计算说明书···········1份(5) 设计草图·······1张3. 设计时间2013年1月29日至2014年1月10日4. 传动方案4. 设计参数(1)传动带鼓轮转速n w =95r/min(2)鼓轮轴输入功率P w =4.5kw(3)使用期限:6年5. 工作条件双班制工作、连续单向运转、有轻微振动、室内工作、有粉尘。
小批量生产、底座(为传动装置的独立底座)用型钢焊接。
目录一.传动方案 (1)1.1 电动机 (1)1.1.1 电动机的类型和结构选择 (1)1.1.2 电动机容量 (1)1.1.3 电动机的额定转速 (1)1.1.4 电动机型号机安装尺寸 (2)1.2 传动比分配 (3)1.2.1 传动装置应有的总传动比 (3)1.2.2 各级传动比的分配及其说明 (3)1.3 各轴转速、转矩及传递功率 (3)1.4 联轴器 (4)1.4.1 选型说明 (4)1.4.2 联轴器型号 (4)1.5传动方案说明 (5)二.各级传动 (6)2.1 V带传动 (6)2.1.1 V带传动设计计算 (6)2.1.2 带轮的结构设计 (8)2.2 齿轮传动 (8)2.2.1 齿轮结构设计 (11)三.轴及轴毂联接 (11)3.1 减速器各轴结构设计 (11)3.1.1 低速轴 (11)3.1.2 高速轴 (12)3.2 减速器各轴强度验算 (12)3.2.1 低速轴 (12)3.2.2 高速轴(略) (14)3.3 键联接工作能力验算 (14)3.3.1 轴与大齿轮周向固定的键 (15)3.3.3 轴与联轴器的周向固定的键 (15)四.轴承 (16)4.1 减速器各轴所用轴承 (16)4.2 高速轴轴承寿命验算 (16)4.2.1 预期寿命 (16)4.2.2 高速轴寿命计算 (16)五.减速器的润滑与密封 (17)5.1 齿轮传动的润滑方式 (17)5.2 滚动轴承的润滑方式 (17)5.3 减速器润滑油面高度的确定 (17)5.4 油量验算 (18)5.5 减速器各处密封方式 (18)六.减速器箱体及其附件 (19)6.1 箱体 (19)6.2 主要附件 (20)七.小结 (23)八.参考资料目录 (23)电动机型号尺寸H A B C D EF*CDG K AB ADACHDAABBHALY 13 2 m 2 -6 1322161788938810*833122821135315623818515 电动机外形示意图(图一)查书[2]/P196 表20-1电动机型号额定功率(KW)满载转速(r/min)堵转转矩额定功率最大转矩额定功率质量(Kg)Y132M2-6 5.5 960 2.0 2.2 84 1.2 传动比分配1.2.1传动装置应有的总传动比已知:电动机满载转速n m=960r/min传动带的鼓轮转速n=90 r/min i=10.1i带=2.5i齿=4n1=384r/min n2=96r/minP0=5.5kwP1=5.28kw PⅡ=5.04kw联轴器外形示意图(图二)联轴器外形及安装尺寸 (表四)型号公称扭矩Tn(N·m)许用转速[n](r/min)轴孔直径d(mm)轴孔长度J1型D(mm)转动惯量(kg·m2)许用补偿量L1L 轴向径向角向H L 3 635000 456112160 0.6 ±1 0.15≤0°30’1.5传动方案说明传动方案已由设计说明书给定,为V带-单级斜齿圆柱齿轮传动。
设计题目:型砂搅拌机的传动装置—两级圆柱齿轮减速器姓名:学号:专业班级:目录摘要………………………………………………………………………………第一章绪论引言…………………………………………………………………目的…………………………………………………………………第二章设计项目已知数据……………………………………………………………传动方案的选择……………………………………………………电动机的选择………………………………………………………传动比的计算与分派………………………………………………传动参数的计算……………………………………………………各级传动零件的设计计算…………………………………………轴的尺寸设计——按许用应力计算………………………………联轴器的选择………………………………………………………键的选择——按轴颈选择…………………………………………转动轴承的选择……………………………………………………箱体及减速器附件说明……………………………………………转动轴承的外部密封装置…………………………………………第三章装配图设计…………………………………………………………第四章零件图设计…………………………………………………………第五章个人小结……………………………………………………………第六章参考文献…………………………………………第一章绪论引言机械设计综合课程设计是对咱们一个学年内学习状况的考察,也是锻炼同窗自主创新、设计及试探的一项课题。
本次机械设计课程设计的主题为“二级展开式圆柱齿轮减速器”,在设计进程中涉及到了很多在过去的一年中咱们所学到的知识,例如齿轮、轴和与它们相关的知识。
这次是咱们第一次接触实际进行设计,相信无论对于咱们知识的强化仍是创新能力、试探能力都是一次锻炼和挑战。
1.2目的综合运用机械设计基础、机械制造基础的知识和画图技术,完成传动装置的测绘与分析,通过这一进程全面了解一个机械产品所涉及的结构、强度、制造、装配和表达等方面的知识,培育综合分析、实际解决工程问题的能力。
目录一、课程设计任务书 ......................................................................................................................... - 1 -二、传动方案的拟定 ......................................................................................................................... - 1 -三、电动机的选择 ............................................................................................................................. - 1 -四、确定传动装置的有关的参数 ..................................................................................................... - 3 -五、传动零件的设计计算 ................................................................................................................. - 5 -六、轴的设计计算 ........................................................................................................................... - 15 -七、滚动轴承的选择及校核计算 ................................................................................................... - 20 -八、连接件的选择 ........................................................................................................................... - 22 -九、减速箱的附件选择 ................................................................................................................... - 25 -十、润滑及密封 ............................................................................................................................... - 27 -十一、减速箱的附件选择 ............................................................................................................... - 28 -十二、课程设计小结 ....................................................................................................................... - 30 -十三、参考资料 ............................................................................................................................... - 31 -一、课程设计任务书1、设计题目:设计铸造车间碾砂机的传动装置2、设计条件:使用寿命为10年,每日三班制工作,每年300个工作日,每班工作4小时。
目录
一、课程设计任务书 ............................................................................................... 错误!未定义书签。
二、传动方案的拟定 ............................................................................................... 错误!未定义书签。
三、电动机的选择 ................................................................................................... 错误!未定义书签。
四、确定传动装置的有关的参数 ........................................................................... 错误!未定义书签。
五、传动零件的设计计算 ....................................................................................... 错误!未定义书签。
六、轴的设计计算 ................................................................................................... 错误!未定义书签。
七、滚动轴承的选择及校核计算 ........................................................................... 错误!未定义书签。
八、连接件的选择 ................................................................................................... 错误!未定义书签。
九、减速箱的附件选择 ........................................................................................... 错误!未定义书签。
十、润滑及密封 ....................................................................................................... 错误!未定义书签。
十一、减速箱的附件选择 ....................................................................................... 错误!未定义书签。
十二、课程设计小结 ............................................................................................... 错误!未定义书签。
十三、参考资料 ....................................................................................................... 错误!未定义书签。
一、课程设计任务书
1、设计题目:设计铸造车间碾砂机的传动装置
2、设计条件:使用寿命为10年,每日三班制工作,每年300个工作日,每班工作4小时。
允许转速偏差为5%。
3、工作原理图:
4、已知条件:
输送带工作拉力1.8(r/min)
输送带工作拉力1600(N)
二、传动方案的拟定
根据设计要求拟定了如下两种传动方案:
方案对比:
方案传动方式评价
a 电机一级圆柱斜齿
轮输出对轴刚度要求较大;结构简单;有较大冲击;外形尺寸太大。
b 电机联轴器二
级斜齿轮一级锥齿
输出
工艺简单,精度易于保
证,一般工厂均能制造,
适合于小批量生产。
根据题目要求:“连续单行运转,载荷较平稳,空载启动:
使用期10年,每年300个工作日,小批量生产,三班制工作,每班工作四小时,运输带允许转速偏差为5%”。
我们选用a方案。
三、电动机的选择
电动机特点
(1)选择电动机类型和结构形式
电动机分交流电动机和直流电动机两种。
由于直流电动机需要直流电源。
结构较复杂,价格较高,维护比较不方便。
,因此通常采用交流电动机。
生产单位一般用三相交流电源,其中以普通笼型异步电机应用最多。
在经常启动、制动和反转的场合(如起重机等),要求电机转动惯量小和过载能力大,应选用起重及冶金用三相异步电动机YZ型或YZR型(绕线型)。
电动机的额定电压一般为380V。
(2)选择电机的容量
电动机的容量(功率)选得合适与否,对电动机的工作和经济性都有影响。
容量小于工作要求,就不能保证工作的正常工作,或使长期过载而过早损坏;容量过大则电动机价格高,能力不能充分利用,由于经常不满载运行,效率和功率因素都较低,增加电能消耗,造成很大浪费。
(3)标准电动机的容量有额定功率表示。
所选电动机的额定功率应等于或稍大于工作要求的功率。
选择方案b η1=0.99
η2=0.99
η3=0.99
η=0.840
d
P=3.43kw
电动机型号:Y112M-4
i n=18.84
n=1440r/min 1
n=480r/min
2
n=115r/min
P=3.43KW
1
P=3.33KW
2
P=3.23KW
T=22.75 N m 1
T=66.25 N m
2
T=268.23N m III
T=259.93 N m
14
=
β°
T=4
10
4.73⨯
N mm
V=1.2m/s
b=48.96mm
nt
m=1.98mm
h=4.45mm
b/h=11.00。