电动空调匹配计算书
- 格式:docx
- 大小:397.92 KB
- 文档页数:16
暖通空调设备性能参数TEWI计算书1. 引言本文档旨在计算暖通空调设备的TEWI(Total Equivalent Warming Impact)值。
TEWI是评估冷冻与供热设备对全球变暖和臭氧层破坏的影响的综合性指标。
通过计算TEWI值,我们可以评估设备的环境影响,并寻求降低其环境负担的策略。
2. 计算方法TEWI的计算包括两个主要组成部分:全球变暖影响和臭氧层破坏影响。
下面介绍各个参数的计算方法。
2.1 全球变暖影响全球变暖影响主要由制冷剂的直接和间接排放引起。
计算方法如下:2.1.1 直接排放直接排放由设备中制冷剂的泄露引起。
根据设备的装填容量和泄漏率,可计算直接排放。
2.1.2 间接排放间接排放来自设备的电站和制冷系统所消耗的能源。
根据设备的制冷负荷和供冷系统的能效比,可以计算间接排放。
2.2 臭氧层破坏影响臭氧层破坏影响主要由制冷剂中的氯化氟烃(CFCs)和氢氟碳化物(HFCs)排放引起。
计算方法如下:2.2.1 CFCs 排放CFCs是对臭氧层破坏最严重的制冷剂。
根据设备中CFCs的含量和泄漏率,可以计算CFCs的排放量。
2.2.2 HFCs 排放HFCs是替代CFCs的制冷剂,虽然对臭氧层破坏影响较小,但其温室效应较大。
根据设备中HFCs的含量和泄漏率,可以计算HFCs的排放量。
3. 结果与讨论通过上述计算方法,我们可以得到暖通空调设备的TEWI值。
根据计算结果,我们可以评估设备在全球变暖和臭氧层破坏方面的环境影响程度。
在实际应用中,我们可以通过选择低TEWI值的设备,减少对环境的负荷。
4. 结论本文档介绍了暖通空调设备TEWI值的计算方法。
通过计算TEWI值,我们可以评估设备的环境影响,并采取相应措施减少其对环境的负荷。
在未来的设备设计和选择中,应更加关注TEWI值,促进环保和可持续发展。
5. 参考文献[1] Smith, L. T., & Partlow, R. C. (1998). Environmental performance of refrigerants-a life-cycle approach. HVAC&R Research,4(4), 333-349.。
【空调系统】空调系统匹配理论计算压焓图,指压力与焓值的曲线图。
压-焓(LgP-E)图中共有八种线条:等压线P(LgP) 、等焓线(Enthalpy) 、饱和液体线(Saturated Liquid) 、等熵线(Entropy)、等容线(Volume)、干饱和蒸汽线(Saturated Vapor) 、等干度线(Quality) 、等温线(Temperature),除了饱和液体线和饱和蒸汽线外,其他六条线均对应制冷剂的六个状态参数,任何两个参数确定,该点制冷剂的状态即可确定,同时可通过压焓图确定其他参数。
空调系统匹配计算即通过假定工况条件,结合经验值,同时运用压焓图,即可确定蒸发器、冷凝器、压缩机进出口状态,完成初步的系统理论匹配代号名称取值说明设计值单位一、设计工况Tw 车外环境温度设计环境35 ℃φw车外相对湿度50% /Tn 车内环境温度舒适要求27 ℃φn车内相对湿度50% /Tk 冷凝温度63 ℃Te 蒸发温度0 ℃Pk 冷凝压力查表1803.9 k PaPe 蒸发压力查表292.82 k Pa△T1过冷度经验取值 5 ℃△T2过热度经验取值 5 ℃△T3吸气过热度经验取值 5 ℃T前膨胀阀前温度T前=Tk-△T158 ℃T1 蒸发器出口温度T1=Te+△T2 5 ℃Ts 压缩机吸气温度Ts=T1+△T310 ℃n 压缩机额定转速选型假定1800 r pm△Ps吸气管路压阻经验取值67.26 k Pa△Pd排气管路压阻经验取值81 k PaQ 汽车计算热负荷3916.19 WQe.s 制冷系统所需制冷量Qe.s=1.1*Q 4307.809 W二、压缩机选型计算-压缩机额定工况Pd 压缩机排气压力Pd=Pk+△Pd1884.9 k PaPs 压缩机吸气压力Ps=Pe-△Ps225.56 k Pahs 压缩机吸气比焓根据Ps和Ts查表407.952 k J/kgvs 压缩机吸气比体积根据Ps和Ts查表0.0989 m³/kgss 压缩机吸气比熵根据Ps和Ts查表 1.782 k J/kg/Khds 压缩机等比熵压缩终了时的制冷剂比焓根据Ps和ss查表455.813 k J/kgηi 额定工况下压缩机的指示效率ηi=(Te+273.15)/(Tc+273.15)+bTe0.812583668hd 额定工况下压缩机的排气比焓hd=hs+(hds-hs)/ηi466.8517809 k J/kgTd 额定工况下的压缩机排气温度根据Pd和hd查表87.1 ℃h5 蒸发器进口制冷剂比焓根据T前查饱和状态参数279.312 k J/kgh1 蒸发器出口制冷剂比焓(饱和)根据T1和Pe查表404.4 k J/kgqe.s 蒸发器的单位制冷量qe.s=h1-h5 125.088 k J/kgqm.s 额定工况下制冷系统所需制冷剂的单位质量流量qm.s=Qe.s/qe.s/1000 0.034438227 k g/sqe.c 额定空调工况下压缩机的单位质量制冷量qe.c=hs-h5 128.64 k J/kgqv.c 额定空调工况下压缩机的单位体积制冷量qv.c=qe.c/vs 1300.707786 k J/m³qm.c 额定空调工况下压缩机的制冷剂质量流量qm.c=qm.s 0.034438227 k g/sQe.c 额定空调工况下压缩机所需制冷量Qe.c=qe.c*qm.c 4.430133584 k W三、压缩机选型计算-压缩机额定工况转换成测试工况(方便选型)Tc.t 测试工况冷凝温度测试工况60 ℃Te.t 测试工况蒸发温度测试工况 5 ℃△Tsc.t过冷度测试工况 5 ℃n 压缩机转速测试工况1800 rpm △Ps压缩机吸气管路压降测试工况67.26 kPa △Pd压缩机排气管路压降测试工况81 kPa Ts.t 压缩机吸气温度测试工况20 ℃Pk.t 测试工况冷凝压力查表1681.3 kPa Pe.t 测试工况蒸发压力查表349.63 kPaPd.t 测试工况压缩机排气压力Pd.t=Pk.t+△Pd1762.3 k PaPs.t 测试工况压缩机吸气压力Ps.t=Pe.t-△Ps282.37 k Pahs.t 测试工况压缩机吸气比焓根据Ps.t和Ts.t查表415.833 k J/kgvs.t 测试工况压缩机吸气比体积根据Ps.t和Ts.t查表0.0795 m³/kgss.t 测试工况压缩机吸气比熵根据Ps.t和Ts.t查表 1.791 k J/kg/KT4.t 测试工况阀前制冷剂液体温度T4.t=Tc.t-△Tsc.t55 ℃h4.t 测试工况阀前制冷剂液体比焓(饱和)根据T4.t查表287.397 k J/kgqe.t 测试工况压缩机的单位质量制冷量qe.t=hs.t-h4.t 128.436 k J/kgqv.t 测试工况压缩机的单位体积制冷量qv.t=qe.t/vs.t 1615.54717 k W 两种工况下输气系数相等λt=λcQe.t 测试工况下压缩机所需制冷量Qe.t=Qe.c(λt/λc) 4.430133584 k Wqm.t 测试工况压缩机所需制冷剂质量流量qm.t=Qe.t/qe.t 0.034492927 k g/shd.t 压缩机等比熵压缩终了时的制冷剂比焓根据Pd.t和ss.t查询458.272 k J/kgTd.t 压缩机等比熵压缩终了时的制冷剂温度根据Pd.t和ss.t查询86.6345 ℃Wtst 测试工况下压缩机单位等比熵压缩功Wtst=hd.t-hs.t 42.439 k WPtst 测试工况下压缩机的理论等比熵功率Ptst=Wts.t*qm.t 1.463845333 k Wηi.t 测试工况压缩机指示效率ηi=(Te+273.15)/(Tc+273.15)+bTe0.8449092Pit 测试工况压缩机指示功率Pit=Pts.t/ηi.t 1.732547513 k WPmt 测试工况下压缩机摩擦功率Pmt=1.3089D2SinPm/10^5 0.26 k WPet 测试工况下压缩机所需轴功率Pet=Pit+Pmt 1.992547513 k Wηm.t压缩机机械效率经验取值0.86Pet 测试工况下压缩机所需轴功率Pet=Pit/ηm.t 2.014590131 k W根据压缩机的转速n的指定值和Qet、Pet、qmt的计算结果粗选压缩机的型号四、压缩机的选型计算—选型压缩机实际参数(对比选型)压缩机型号SE5H14qvt 压缩机理论排量138 c cn 压缩机转速1800 r pmqvth 每小时压缩机理论输气量qvth=qvt*n*60/1000000 14.904 m³/hλ压缩机输气系数0.72 qvr 压缩机实际排气量qvr=qvt*λ10.73088 m³/h 标况下压缩机吸气饱和温度-1 ℃压缩机吸气温度9 ℃ 压缩机排气饱和温度 63 ℃ 制冷剂过冷温度63 ℃ v1 比体积根据压缩机吸气温度和吸气压力查询0.0718 m ³/kg h1 压缩机吸气比焓根据压缩机吸气温度和吸气压力查询406.88 k J/kg 压缩机等比熵压缩终了时比熵 根据压缩机吸气温度和吸气压力查询1.7597 k J/kg/K h2s 压缩机等比熵压缩终了时比焓 根据排气温度和等比熵压缩终了时的比熵查表 447.67 k J/kg h3 蒸发器阀前比焓 根据排气压力查询 292.42 k J/kg压缩机质量流量 qmr=qvr/v1 149.4551532 k g/h Qe 实际循环制冷量 Qe=qmr*(h1-h3)/3600 4.751843565 k Wηi 0.78 ηm 0.86 Pe压缩机功率Pe=qmr*(h2s-h1)/3600/ηi/ηm2.524463203 k W。
关于空调器的匹配压缩机选定标准空调能力=压缩机规格的能力值x 90%空调功率=压缩机规格功率1.制冷*冷凝器=室外热交换器蒸发器=室内热交换器吸气=排入(压缩机的入口配管)1)性能…GB标准条件(室内:干球温度27℃,湿球温度:19℃;室外:干球温度:35℃,湿球温度:24℃)如果能接近以下目标值是最好的匹配对策中有冷媒追加的内容,但从信赖性的观点出发,次方法应尽量避免(仅作为最后手段!!)a.排气温度目标值是85℃~90℃.对策:高于目标值,毛细管减短,追加冷媒.低于目标值,毛细管加长,放冷媒.b.冷凝器中部温度是45℃~50℃,冷凝器出口温度与中部温度差为-5℃~ -10℃左右为目标值,但是因室外温度是35℃,冷凝器出口温度最低为37℃~38℃.(若接近35℃,则冷凝器无法进行热交换)对策:高于目标值,毛细管减短,室外风量增加,冷凝器加大低于目标值,毛细管加长,追加冷媒/c.蒸发器中部温度–出口温度约为8℃~12℃为目标,但是如果中部温度与出口温度温差过大(如中部=8℃,出口=15℃)蒸发器没有有效使用,能力降低.对策:高于目标值,毛细管减短,追加冷媒.低于目标值,毛细管加长,室内风量增加蒸发器加大.d.吸气温度是与蒸发器出口温度相同的,可相差1℃~2℃.若蒸发器出口温度过高(如出口=10℃,吸气=20℃)是排气温度上升的原因,反之蒸发器出口温度过低(出口=10℃,吸入=5℃)是排气温度低的原因,这是应为冷媒在蒸发器中没有充分蒸发能力不足。
对策:高于目标值,毛细管减短,追加冷媒。
低于目标值,毛细管加长,放冷媒。
2)超负荷…GB最大运行(室内:干球温度32℃,湿球温度23℃;室外:干球温度43℃,湿球温度26℃)a.定额运转电压在(50HZ/220V)±10%可以运转.对策:不能运转时(IOL动作时)提高室外风量,另外冷媒增多,压缩机负荷增大,如果可能减少冷媒.*各公司为了控制室外噪音,有可能把风量设定低些,只是单纯增加转速,噪音也会加大.因此为了达到风量大,噪音低,有必要对风扇叶片的形状,喷管的形状,室外风机进行研究.b.压力(高压侧Pd)确保在26.5Kg/cm2以下(不只限于过负荷,任何情况下都是这样)对策:超过26.5Kg/cm2时按a.对策有效.**GTMC生产的压缩机,所有机种都是26.5Kg/cm2以下,26.5Kg/cm2=冷凝器中间温度65℃左右.c.压缩机排气温度不超过115℃,电机绕组温度(=排气温度+10℃)再高有可能烧断.对策:超过115℃时,追加冷媒(从信赖度观点出发不怎么提倡).另一对策是毛细管减短,但注意制冷能力的降低.2)低负荷….GB 最小运行(室内:干球温度21℃,湿球温度15℃;室外:干球温度21℃,湿球温度℃) a.蒸发器温度不能在0℃以下,到0℃以下时,蒸发器附着的除湿水分开始冻结,变得不能制冷.对策:毛细管加长,放冷媒.但需注意过负荷时排气温度上升.若室内噪音允许,加大风量是很好的.还有一个相应的对策:增加这样一个控制,即当蒸发器温度降到0℃以下时,压缩机停止,等蒸发温度上升到10℃以上时开始运转.b.确保△T(安定时5℃以上).若不能确保时,油被冷媒稀释(变薄),润滑油完全失去机能,这样压缩机滑动部分开始磨损,最终造成不能运转.对策:按a.同样毛细管加长,放冷媒,还有对压缩机加隔音绝热棉是一有效手段.*关于△T无论制冷制热,特别是室外低温至20℃以下时, △T很难确保,需注意.△T=壳体底部温度-冷凝中部温度(其测定点是壳体底部而非壳体下部或侧面因壳体底部温度<壳体下部或侧面温度)2.制热*冷凝器=室内热交换器蒸发器=室外热交换器吸气=排入(压缩机的入口配管)1)性能…GB标准条件(室外:干球温度20℃,湿球温度15℃;室内:干球温度7℃,湿球温度6℃)如能接近以下目标值是最好的.对策:追加冷媒(从信赖性的观点来看应尽量避免,仅作为最后手段)a.排气温度同制冷一样目标值是85℃~90℃.对策:高于目标值,毛细管减短,追加冷媒.低于目标值,毛细管加长放冷媒.b.冷凝器中间温度是45℃~50℃,冷凝器出口温度比中间温度低5℃~10℃左右但是若出风口温度低于10℃时, 以限制,在40℃以上为目标.对策:高于目标值,毛细管减短,室内风量增加,冷凝器加大低于目标值,毛细管加长,室内风量减小,冷凝器减小,追加冷媒.c.蒸发器中间温度–出口温度是0℃~1℃为目标,但是若低于0℃,制冷的低负荷同样开始冻结,要注意.蒸发器的中间温度同出口温度的关系在极限情况时,即当中间温度<出口温度时,同制冷一样,蒸发器不能有效使用,能力降低,其目标应该是出口温度=中间温度+0℃~1℃对策:高于目标值,毛细管减短,追加冷媒.低于目标值,毛细管加长,室外风量增加,蒸发器加大.d.吸入温度是和蒸发器出口温度相等或大1℃~2℃.如果高于蒸发器出口温度(如:出口=0℃,吸入=10℃)是排气温度上升的原因,反之低于蒸发器出口温度(出口=0℃,吸入= -5℃)因为液态冷媒没有在蒸发器中充分蒸发,能力不足,因此是导致排气温度低的原因.对策:高于目标值,毛细管减短,追加冷媒.低于目标值,毛细管加长,放冷媒.2)超负荷…GB最大运转(室内:干球温度27℃,湿球温度℃,室外:干球温度24℃,湿球温度18℃)a.定额运转电压(50HZ/220V)±10%时可以运转对策:不能运转时(IOL动作时)提高室外风量.另外,冷媒增多,对压缩机的负荷增大,如果可能减少冷媒.*各公司为了控制室外噪音,有可能把风量设定低些,只是单纯增加转速,噪音也会加大.因此为了达到风量大,噪音低,有必要对风扇叶片的形状,喷管的形状,室外风机进行研究.b. 压力(高压侧Pd)确保在26.5Kg/cm2以下(不只限于过负荷,任何情况下都是这样)对策:超过26.5Kg/cm2时按a.对策有效.进一步,冷凝器(室内热交换器)中间温度被测为不超过26.5Kg/cm2=65℃时,室外风机停止,但压缩机继续运转.压力22~24 Kg/cm2=冷凝器55~57℃时,室外风机再开始运转,这里需注意室外风机运转时有压力(冷凝器中间温度).室外风机停止时蒸发器不能热交换,大量液态冷媒流回压缩机,引起液压缩,△T等不能确保问题,所以室外风机不能长时间停止.实施室外风机运转/停止的控制可确保超负荷的正常运转.b.排气温度不能超过115℃,电机绕组温度(=排气温度+10℃)加热后有可能烧断.对策:如按a.对策实施可确保排气温度在115℃以下.c.低温…GB最小运行(室内:干球温度20℃,湿球温度℃;室外:干球温度2℃,湿球温度1℃)确保△T的方法和制冷的低负荷一样.d.除霜…GB自动除霜(室内:干球温度20℃,湿球温度℃;室外:干球温度2℃,湿球温度1℃) 不能除去残留的霜制热继续运行的情况.第一次除霜时,有少量的霜残留,第二次,第三次霜逐渐增加,制热继续运转就困难了.最后霜变成冰,冰影响室外风机,那么室外风机完全停止.室外风机一停就会出现所述的超负荷同样的现象,也成了压缩机的故障原因(在低温时此情况是很严重的)对策:除霜时间提前,但太快,除霜次数增多,不舒服需注意.一般是40分钟~1小时一次.变动室外热交换器温度检控器的位置可调节除霜次数,另外,同制冷低负荷一样,为压缩机加绝热隔音棉也是一有效手段(压缩机的热量是除霜的热源之一)信赖性的确认是不可缺少的,尽管其性能满足(GB标准条件)规定值,但因实际条件不能满足GB标准条件的规定值,压缩机也可能出现很多故障.1.实际条件的设定1)温度条件…根据GB确定的温度来决定最小~最大温度(制冷/制热)2)运转时间…根据一年中各地的气象数据来推断运行时的温度在根据一天的运转时间(约8小时)可算出耐久运转时间.3)使用的方法…可户使用空调的方法各式各样要选定特别严的条件(运转时间短的断续运转——>2分钟开/3分钟停)2.确认实验1)在第一项确定的全部条件下进行运转确认.2)对△T,油面,压力(循环温度)进行确认,对是否满足压缩机定的规格进行判定.3)根据判定,若不合格的情况下,进行再匹配直至合格.。
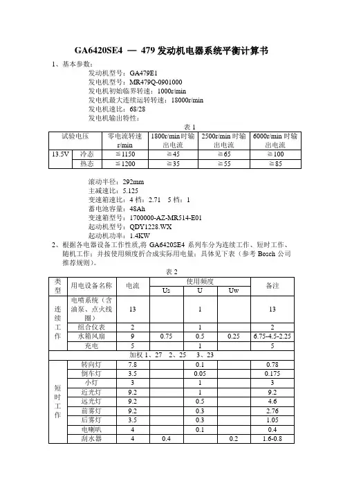
GA6420SE4 —479发动机电器系统平衡计算书1、基本参数:发动机型号:GA479E1发电机型号:MR479Q-0901000发电机初始临界转速:1000r/min发电机最大连续运转转速:18000r/min发电机速比:68/28发电机输出特性:滚动半径:292mm主减速比:5.125变速箱速比:4档:2.71 5档:1蓄电池容量:48Ah变速箱型号:1700000-AZ-MR514-E01起动机型号:QDY1228.WX起动机功率:1.4KW2、根据各电器设备工作性质,将GA6420SE4系列车分为连续工作、短时工作、随机工作;并按使用频度折合成实际用电量;具体见下表(参考Bosch公司推荐规则)。
3.由上表可知整车在不同季节和环境下整车电量不同,图1显示了GA6420SE4在不同工况下的用电量。
图1 整车电量统计表3. .下图为MR479Q-0901000发电机的输出特性曲线图24.表2、表3是GA6420SE4系列车在以5档行驶和怠速时发电机输出电流。
5. 由图2和表4得知GA6420SE4系列车发电机的在怠速时的发电量为45A,满足发动机电喷系统和行驶系统所需电量。
6. 考虑到保证用电设备供电量、提高电源系统的经济性和发动机动力性,发电机输出功率应保证汽车正常行驶时用电设备用电量和蓄电池的充电量,在恶劣天气等极限工况时允许蓄电池向用电设备并联供电。
从表2、表3和图1、图2中看出,MR479Q-0901000发电机热态最大输出电流为81A,超出夜间常用负荷的16A左右,完全满足使用要求。
当汽车以30-90km/h的速度行驶时发电机的输出功率大于夜间常用负荷,并有足够的余量向蓄电池充电,也可满足冬季夏季白天长时间使用空调的情况。
夏季雨夜是整车用电量的极限情况,此时允许蓄电池与发电机并联供电。
由此可见,选择MR479Q-0901000发电机完全满足GA6420SE4整车电气系统需要。
7. 蓄电池的选择蓄电池原则上只负责向起动机提供电源,蓄电池冷启动电流大于起动机冷启动电流,在计算时可按如下经验公式计算Q20=(450-600)×P U∕U其中:Q20:蓄电池容量单位AhP U :起动机额定功率单位KWU :起动机额定电压单位V蓄电池容量下限:Q20 =450×1.4/12=52.5Ah蓄电池容量上限:Q20 =600×1.4/12=70Ah图3 QDY1228.WX起动机标准特性曲线结合上图可以得出:蓄电池容量Q20应在52.5 Ah -70 Ah之间,且冷启动电流应大于300A。
目录1 概述 (1)2 车载DC/DC变换器的设计和选用原则 (1)2.1 车载DC/DC变换器输出电流的确定 (1)2.2 车载DC/DC变换器的功率选取 (3)3.蓄电池容量的确定 (3)3.1蓄电池容量估算 (3)3.2 蓄电池选取 (4)4.总结 (4)电气系统匹配与计算说明书1 概述纯电动汽车电气系统的匹配设计中,低压辅助电源系统的设计和选配对整车低压电气系统的工作产生重要影响,尤其是辅助蓄电池和车载DC/DC变换器之间的充、放电的动平衡将直接影响车辆的低压电器设备的正常使用。
2车载DC/DC变换器的设计和选用原则根据整车所有低压负载电流,确定车载DC/DC变换器的额定输出电流,使整车低压电流系统达到电能动态平衡。
2.1 车载DC/DC变换器输出电流的确定车载DC/DC变换器输出的电流,常用以下计算公式:Imax=(PW1+PW2+ PW3)/13.8式中:Imax——车载DC/DC变换器额定最大输出电流PW1——长期负荷消耗的电流。
PW2——连续负荷消耗的电流。
PW3——短期负荷消耗的电流。
根据整车低压用电设备不同的工作特性,将其分为长期接通、连续接通和短期接通三种状况。
根据整车低压所有负载电流之和确定车载DC/DC变换器的输出额定电流,保证整个低压电气系统的输入与输出总电量的动态平衡,不同公司赋予不同的权值,如下表:表1长期接通电器部件表2连续接通电器部件表3短期接通电器部件低压总功率P= PW1+PW2+ PW3整车低压所有负载电流Imax:I =P/U2.2 车载DC/DC变换器的功率选取为保证蓄电池可靠地充电,满足整车低压用电设备电量需要,达到整车低压充放电能量平衡, 车载DC/DC变换器输出电流要比整车低压负载电流稍大些,用来克服低压电路回路中存在的能量损失,故车载DC/DC变换器输出额定电流I=k×I(k为后备系数,一般k=1.2)。
以此选f定车型车载DC/DC变换器确定为XX实际选用的车载DC/DC变换器输出最大电流为145A,额定输出电流为110A。
第一部分冷负荷计算空调冷负荷 (冷负荷系数法)========================================================一.基本气象参数:1.地理位置: 上海市上海2.台站位置: 北纬 31.160 东经 121.4303.夏季大气压: 1005.30 hPa4.夏季室外计算干球温度: 34.00 ℃夏季空调日平均: 30.40 ℃夏季计算日较差: 6.90℃5.夏季室外湿球温度: 28.20 ℃6.夏季室外平均风速: 3.20 m/s二.主要计算公式:1.人体冷负荷:由显热散热造成的冷负荷 = 群集系数 * 计算时刻空调房间的总人数* 一名成年男子小时的显热散热量 * 人体显热散热量的冷负荷系数由潜热散热造成的冷负荷 = 群集系数 * 计算时刻空调房间的总人数* 一名成年男子小时的潜热散热量 * 人体潜热散热量的冷负荷系数2.人体湿负荷:湿负荷 = 0.001 * 群集系数 * 空调房间人数 * 一名成年男子小时散湿量3.灯光冷负荷:白炽灯和镇流器在空调房间外的荧光灯的冷负荷 = 1000 * 同时使用系数* 照明设备的安装功率 * 照明散热的冷负荷系数镇流器装在空调房间内的荧光灯的冷负荷 = 1200 * 同时使用系数* 照明设备的安装功率 * 照明散热的冷负荷系数暗装在吊顶玻璃罩内的荧光灯的冷负荷 = 1000 * 反射通风系数* 照明设备的安装功率 * 照明散热的冷负荷系数其它冷负荷 = 1000 * 照明实际散热量 * 照明散热量的冷负荷系数4.设备冷负荷:电热设备冷负荷 = 1000 * 同时使用系数 * 利用系数 * 小时平均实耗功率与设计最大功率之比 * 通风保温系数 * 设备安装总功率 * 设备器具散热的冷负荷系数电动机和工艺设备均在空调房间内的冷负荷 = 1000 * 同时使用系数 * 输入功率系数* 设备安装总功率 * 设备器具散热的冷负荷系数只有电动机在空调房间内的冷负荷 = 1000 * 同时使用系数 * 输入功率系数 * 设备安装总功率 * ( 1 - 电动机效率 ) * 设备器具散热的冷负荷系数只有工艺设备在空调房间的冷负荷同时使用系数 * 输入功率系数 * 设备安装总功率 * 电动机效率 * 设备器具散热的冷负荷系数其它冷负荷 = 1000 * 设备散热量 * 设备散热量的冷负荷系数5.新风冷负荷:新风全冷负荷Qq = md * 新风量 * (iw - in) / 3.6其中: md -- 夏季空调室外计算干球温度下的空气密度(1.13kg/m^3)iw -- 夏季室外计算参数下的焓值(kJ/kg)in -- 室内空气的焓值(kJ/kg)6.新风湿负荷:新风湿负荷Qq = md * 新风量 * (dw - dn) *0.001 (kg/h)其中: dw -- 夏季空调室外计算参数时的含湿量(g/kg)dn -- 室内空气的含湿量(g/kg)7.渗透冷负荷: 计算方法同新风冷负荷8.渗透湿负荷: 计算方法同新风湿负荷9.外墙和屋面冷负荷:冷负荷 CL = F * K( (tl + td) * Ka - tn )其中: F -- 外墙或屋面的面积K -- 外墙或屋面的传热系数tl-- 冷负荷计算温度的逐时值td-- 温度的地点修正值, 单位:度Ka-- 温度的由于外表面放热系数不同引起的温度修正系数, 无因次 tn-- 室内设计温度10.外窗和天窗冷负荷:该冷负荷可分为三部分: 直射冷负荷, 散射冷负荷, 传热冷负荷直射冷负荷 CL = Fz * Cz * Dj, max * Ccl其中:Fz -- 窗玻璃的直射面积Cz -- 窗玻璃的综合遮挡系数Dj, max -- 日射得热因数的最大值Ccl -- 冷负荷系数散射冷负荷 CL = Fs * Cz * Dj, max * Ccl其中:Fs -- 窗玻璃的散射面积传热冷负荷 CL = F * K( tl' - tn )11.内围护结构冷负荷: <注:内围护结构包括: 内门, 内窗, 内墙, 楼板>冷负荷 CL = F * K * Tls其中 Tls -- 邻室温差三.房间参数及计算结果:共有房间数目: 17各个房间冷负荷/湿负荷总计:---------------------------最大冷负荷(包括新风)出现在8点其冷负荷为: 932624 W修正后总冷负荷为:933*1.1=1026KW*** 房间编号: 101 ***---------------------------------------------------------------1.房间冷负荷/湿负荷总计---------------------------最大冷负荷(包括新风)出现在8点其冷负荷为: 428999 W2.房间设置:基本参数:当前房间人数: 1100. 人人均新风: 15.00 m^3/h设计温度: 26.00 ℃设计相对湿度 65.00 %群集系数: 0.890劳动强度轻---> 一名成年男子每小时显热散热量58.00 一名成年男子每小时潜热散热量123.0 人体/新风的冷负荷/湿负荷计算方式: 按最大值计算灯光冷负荷计算方式: 按最大值计算设备冷负荷计算方式: 按最大值计算负荷详细列表:---------------------------计算时刻 8点 9点 10点 11点 12点 13点 14点 15点 16点 17点 18点 19点 20点 21点显热冷系数 1.000 1.000 1.000 1.000 1.000 1.000 1.000 1.000 1.000 1.000 1.000 1.000 1.000 1.000人显热负荷 56782 56782 56782 56782 56782 56782 56782 56782 56782 56782 56782 56782 56782 56782是否有人是是是是是是是是是是是是是是人潜热负荷 120417 120417 120417 120417 120417 120417 120417 120417 120417 120417 120417 120417 120417 120417人体冷负荷 177199 177199 177199 177199 177199 177199 177199 177199 177199 177199 177199 177199 177199 177199------人体湿负荷 180.1 180.1 180.1 180.1 180.1 180.1 180.1 180.1 180.1 180.1 180.1 180.1 180.1 180.1新风冷负荷 152486 152486 152486 152486 152486 152486 152486 152486 152486 152486 152486 152486 152486 152486新风湿负荷 154.9 154.9 154.9 154.9 154.9 154.9 154.9 154.9 154.9 154.9 154.9 154.9 154.9 154.93.此房间没有围护结构!*** 房间编号: 201 ***---------------------------------------------------------------1.房间冷负荷/湿负荷总计---------------------------最大冷负荷(包括新风)出现在8点其冷负荷为: 399805 W2.房间设置:基本参数:当前房间人数: 800.0 人人均新风: 10.00 m^3/h设计温度: 26.00 ℃设计相对湿度 65.00 %群集系数: 0.890劳动强度轻---> 一名成年男子每小时显热散热量58.00 一名成年男子每小时潜热散热量123.0人体/新风的冷负荷/湿负荷计算方式: 按最大值计算灯光冷负荷计算方式: 按最大值计算设备冷负荷计算方式: 按最大值计算其它冷负荷:197000 W其它湿负荷:0.000 kg/h负荷详细列表:---------------------------计算时刻 8点 9点 10点 11点 12点 13点 14点 15点 16点 17点 18点 19点 20点 21点显热冷系数 1.000 1.000 1.000 1.000 1.000 1.000 1.000 1.000 1.000 1.000 1.000 1.000 1.000 1.000人显热负荷 41296 41296 41296 41296 41296 41296 41296 41296 41296 41296 41296 41296 41296 41296是否有人是是是是是是是是是是是是是是人潜热负荷 87576 87576 87576 87576 87576 87576 87576 87576 87576 87576 87576 87576 87576 87576人体冷负荷 128872 128872 128872 128872 128872 128872 128872 128872 128872 128872 128872 128872 128872 128872------人体湿负荷 131.0 131.0 131.0 131.0 131.0 131.0 131.0 131.0 131.0 131.0 131.0 131.0 131.0 131.0新风冷负荷 73933 73933 73933 73933 73933 73933 73933 73933 73933 73933 73933 73933 73933 739333.此房间没有围护结构!*** 房间编号: 301 ***---------------------------------------------------------------1.房间冷负荷/湿负荷总计---------------------------最大冷负荷(包括新风)出现在8点其冷负荷为: 3060. W2.房间设置:基本参数:当前房间人数: 0.000 人人均新风: 0.000 m^3/h设计温度: 25.00 ℃设计相对湿度 60.00 %群集系数: 0.890劳动强度轻---> 一名成年男子每小时显热散热量64.00 一名成年男子每小时潜热散热量117.0 人体/新风的冷负荷/湿负荷计算方式: 按最大值计算灯光冷负荷计算方式: 按最大值计算设备冷负荷计算方式: 按最大值计算其它冷负荷:3060. W其它湿负荷:0.000 kg/h3.此房间没有围护结构!*** 房间编号: 302 ***---------------------------------------------------------------1.房间冷负荷/湿负荷总计---------------------------最大冷负荷(包括新风)出现在8点其冷负荷为: 7200. W2.房间设置:基本参数:当前房间人数: 0.000 人人均新风: 0.000 m^3/h设计温度: 25.00 ℃设计相对湿度 60.00 %群集系数: 0.930劳动强度轻---> 一名成年男子每小时显热散热量64.00 一名成年男子每小时潜热散热量117.0 人体/新风的冷负荷/湿负荷计算方式: 按最大值计算灯光冷负荷计算方式: 按最大值计算设备冷负荷计算方式: 按最大值计算其它冷负荷:7200. W其它湿负荷:0.000 kg/h3.此房间没有围护结构!*** 房间编号: 303 ***---------------------------------------------------------------1.房间冷负荷/湿负荷总计---------------------------最大冷负荷(包括新风)出现在8点其冷负荷为: 7200. W2.房间设置:基本参数:当前房间人数: 0.000 人人均新风: 0.000 m^3/h设计温度: 25.00 ℃设计相对湿度 60.00 %群集系数: 0.930劳动强度轻---> 一名成年男子每小时显热散热量64.00 一名成年男子每小时潜热散热量117.0 人体/新风的冷负荷/湿负荷计算方式: 按最大值计算灯光冷负荷计算方式: 按最大值计算设备冷负荷计算方式: 按最大值计算其它冷负荷:7200. W其它湿负荷:0.000 kg/h3.此房间没有围护结构!*** 房间编号: 304 ***1.房间冷负荷/湿负荷总计---------------------------最大冷负荷(包括新风)出现在8点其冷负荷为: 3060. W2.房间设置:基本参数:当前房间人数: 0.000 人人均新风: 0.000 m^3/h设计温度: 25.00 ℃设计相对湿度 60.00 %群集系数: 0.890劳动强度轻---> 一名成年男子每小时显热散热量64.00 一名成年男子每小时潜热散热量117.0 人体/新风的冷负荷/湿负荷计算方式: 按最大值计算灯光冷负荷计算方式: 按最大值计算设备冷负荷计算方式: 按最大值计算其它冷负荷:3060. W其它湿负荷:0.000 kg/h3.此房间没有围护结构!*** 房间编号: 305 ***---------------------------------------------------------------1.房间冷负荷/湿负荷总计---------------------------最大冷负荷(包括新风)出现在8点其冷负荷为: 4500. W2.房间设置:基本参数:当前房间人数: 0.000 人人均新风: 0.000 m^3/h设计温度: 25.00 ℃设计相对湿度 60.00 %群集系数: 0.930劳动强度轻---> 一名成年男子每小时显热散热量64.00 一名成年男子每小时潜热散热量117.0 人体/新风的冷负荷/湿负荷计算方式: 按最大值计算灯光冷负荷计算方式: 按最大值计算设备冷负荷计算方式: 按最大值计算其它冷负荷:4500. W其它湿负荷:0.000 kg/h3.此房间没有围护结构!*** 房间编号: 306 ***---------------------------------------------------------------1.房间冷负荷/湿负荷总计---------------------------最大冷负荷(包括新风)出现在8点其冷负荷为: 27500 W2.房间设置:基本参数:当前房间人数人人均新风: 0.000 m^3/h设计温度: 25.00 ℃设计相对湿度 60.00 %群集系数: 0.930劳动强度轻---> 一名成年男子每小时显热散热量64.00 一名成年男子每小时潜热散热量117.0 人体/新风的冷负荷/湿负荷计算方式: 按最大值计算灯光冷负荷计算方式: 按最大值计算设备冷负荷计算方式: 按最大值计算其它冷负荷:27500 W其它湿负荷:0.000 kg/h3.此房间没有围护结构!*** 房间编号: 307 ***---------------------------------------------------------------1.房间冷负荷/湿负荷总计---------------------------最大冷负荷(包括新风)出现在8点其冷负荷为: 3600. W2.房间设置:基本参数:当前房间人数: 0.000 人人均新风: 0.000 m^3/h设计温度: 25.00 ℃设计相对湿度 60.00 %群集系数: 0.930劳动强度轻---> 一名成年男子每小时显热散热量64.00 一名成年男子每小时潜热散热量117.0 人体/新风的冷负荷/湿负荷计算方式: 按最大值计算灯光冷负荷计算方式: 按最大值计算设备冷负荷计算方式: 按最大值计算其它冷负荷:3600. W其它湿负荷:0.000 kg/h3.此房间没有围护结构!*** 房间编号: 308 ***---------------------------------------------------------------1.房间冷负荷/湿负荷总计---------------------------最大冷负荷(包括新风)出现在8点其冷负荷为: 7200. W2.房间设置:基本参数:当前房间人数: 0.000 人人均新风: 0.000 m^3/h设计温度: 25.00 ℃设计相对湿度 60.00 %群集系数: 0.930劳动强度轻---> 一名成年男子每小时显热散热量64.00 一名成年男子每小时潜热散热量117.0 人体/新风的冷负荷/湿负荷计算方式: 按最大值计算灯光冷负荷计算方式: 按最大值计算设备冷负荷计算方式: 按最大值计算其它冷负荷:7200. W其它湿负荷:0.000 kg/h3.此房间没有围护结构!*** 房间编号: 309 ***---------------------------------------------------------------1.房间冷负荷/湿负荷总计---------------------------最大冷负荷(包括新风)出现在8点其冷负荷为: 7200. W2.房间设置:基本参数:当前房间人数: 0.000 人人均新风: 0.000 m^3/h设计温度: 25.00 ℃设计相对湿度 60.00 %群集系数: 0.930劳动强度轻---> 一名成年男子每小时显热散热量64.00 一名成年男子每小时潜热散热量117.0 人体/新风的冷负荷/湿负荷计算方式: 按最大值计算灯光冷负荷计算方式: 按最大值计算设备冷负荷计算方式: 按最大值计算其它冷负荷:7200. W其它湿负荷:0.000 kg/h3.此房间没有围护结构!*** 房间编号: 310 ***---------------------------------------------------------------1.房间冷负荷/湿负荷总计---------------------------最大冷负荷(包括新风)出现在8点其冷负荷为: 7200. W2.房间设置:基本参数:当前房间人数: 0.000 人人均新风: 0.000 m^3/h设计温度: 25.00 ℃设计相对湿度 60.00 %群集系数: 0.930劳动强度轻---> 一名成年男子每小时显热散热量64.00 一名成年男子每小时潜热散热量117.0人体/新风的冷负荷/湿负荷计算方式: 按最大值计算灯光冷负荷计算方式: 按最大值计算设备冷负荷计算方式: 按最大值计算其它冷负荷:7200. W其它湿负荷:0.000 kg/h3.此房间没有围护结构!*** 房间编号: 311 ***---------------------------------------------------------------1.房间冷负荷/湿负荷总计---------------------------计算时刻 8点 9点 10点 11点 12点 13点 14点 15点 16点 17点 18点 19点 20点 21点冷负荷 3600. 3600. 3600. 3600. 3600. 3600. 3600. 3600. 3600. 3600. 3600. 3600. 3600. 3600.湿负荷 0.000 0.000 0.000 0.000 0.000 0.000 0.000 0.000 0.000 0.000 0.000 0.000 0.000 0.000最大冷负荷(包括新风)出现在8点其冷负荷为: 3600. W2.房间设置:基本参数:当前房间人数: 0.000 人人均新风: 0.000 m^3/h设计温度: 25.00 ℃设计相对湿度 60.00 %群集系数: 0.930劳动强度轻---> 一名成年男子每小时显热散热量64.00 一名成年男子每小时潜热散热量117.0人体/新风的冷负荷/湿负荷计算方式: 按最大值计算灯光冷负荷计算方式: 按最大值计算设备冷负荷计算方式: 按最大值计算其它冷负荷:3600. W其它湿负荷:0.000 kg/h3.此房间没有围护结构!*** 房间编号: 312 ***---------------------------------------------------------------1.房间冷负荷/湿负荷总计---------------------------计算时刻 8点 9点 10点 11点 12点 13点 14点 15点 16点 17点 18点 19点 20点 21点冷负荷 4500. 4500. 4500. 4500. 4500. 4500. 4500. 4500. 4500. 4500. 4500. 4500. 4500. 4500.湿负荷 0.000 0.000 0.000 0.000 0.000 0.000 0.000 0.000 0.000 0.000 0.000 0.000 0.000 0.000最大冷负荷(包括新风)出现在8点其冷负荷为: 4500. W2.房间设置:基本参数:当前房间人数: 0.000 人人均新风: 0.000 m^3/h设计温度: 25.00 ℃设计相对湿度 60.00 %群集系数: 0.930劳动强度轻---> 一名成年男子每小时显热散热量64.00 一名成年男子每小时潜热散热量117.0人体/新风的冷负荷/湿负荷计算方式: 按最大值计算灯光冷负荷计算方式: 按最大值计算设备冷负荷计算方式: 按最大值计算其它冷负荷:4500. W其它湿负荷:0.000 kg/h3.此房间没有围护结构!*** 房间编号: 313 ***---------------------------------------------------------------1.房间冷负荷/湿负荷总计---------------------------最大冷负荷(包括新风)出现在8点其冷负荷为: 7200. W2.房间设置:基本参数:当前房间人数: 0.000 人人均新风: 0.000 m^3/h设计温度: 25.00 ℃设计相对湿度 60.00 %群集系数: 0.930劳动强度轻---> 一名成年男子每小时显热散热量64.00 一名成年男子每小时潜热散热量117.0 人体/新风的冷负荷/湿负荷计算方式: 按最大值计算灯光冷负荷计算方式: 按最大值计算设备冷负荷计算方式: 按最大值计算其它冷负荷:7200. W其它湿负荷:0.000 kg/h3.此房间没有围护结构!*** 房间编号: 314 ***---------------------------------------------------------------1.房间冷负荷/湿负荷总计---------------------------最大冷负荷(包括新风)出现在8点其冷负荷为: 7200. W2.房间设置:基本参数:当前房间人数: 0.000 人人均新风: 0.000 m^3/h设计温度: 25.00 ℃设计相对湿度 60.00 %群集系数: 0.930劳动强度轻---> 一名成年男子每小时显热散热量64.00 一名成年男子每小时潜热散热量117.0 人体/新风的冷负荷/湿负荷计算方式: 按最大值计算灯光冷负荷计算方式: 按最大值计算设备冷负荷计算方式: 按最大值计算其它冷负荷:7200. W其它湿负荷:0.000 kg/h3.此房间没有围护结构!*** 房间编号: 315 ***---------------------------------------------------------------1.房间冷负荷/湿负荷总计---------------------------最大冷负荷(包括新风)出现在8点其冷负荷为: 3600. W2.房间设置:基本参数:当前房间人数: 0.000 人人均新风: 0.000 m^3/h设计温度: 25.00 ℃设计相对湿度 60.00 %群集系数: 0.930劳动强度轻---> 一名成年男子每小时显热散热量64.00 一名成年男子每小时潜热散热量117.0人体/新风的冷负荷/湿负荷计算方式: 按最大值计算灯光冷负荷计算方式: 按最大值计算设备冷负荷计算方式: 按最大值计算其它冷负荷:3600. W其它湿负荷:0.000 kg/h3.此房间没有围护结构!第二部分热负荷计算根据商场特点,总热负荷取总冷负荷的60%即可,即:Qr=1026*60%=615KW第三部分设备选型一、主机选型根据商场空调特点,不考虑同时使用系数,本工程主机采用风冷热泵主机。
电动空调匹配计算书电动空调匹配计算书前⾔根据已有电动空调系统设计规范,计算空调系统各项性能参数,保证空调系统能正常运⾏,符合克服使⽤要求并且经济、可靠。
本标准由产品开发技术中⼼提出,综合管理部归⼝。
本标准主要起草⼈:本标准审核⼈:本标准批准⼈:21概述随着新能源电动汽车技术的不断进步,电动汽车产业化的趋势越来越明显。
作为未来主要潜在车型,电动汽车也需要为驾乘⼈员提供舒适的环境,并且拥有⼀套节能⾼效的电动空调系统对电动汽车开拓市场也是⾄关重要的。
本设计包括:冷热负荷计算,电动压缩机选型计算,蒸发器、冷凝器、膨胀阀选型设计。
2电动空调匹配计算2.1热负荷计算N800系列驾驶室按尺⼨定义共有5个规格,空调系统制冷性能的需求可按最⼤驾驶室容积计算,也可按产量最⼤的驾驶室容积计算。
因⽬前没有明确的要求,暂按最⼤驾驶室容积计算空调系统制冷性能的需求。
2.1.1参数确定综合考虑夏季的⾼温酷暑和汽车空调系统经常使⽤环境,结合有关资料,确定计N800中体双排的车内外边界条件如下:空⽓流速v:v=2m/s⽇照强度:I⽔平=1000W/ m2 I垂直=160W/ m2 I散=40W/ m2图1 中体双排车车长图2 中体双排车车宽图3 中体双排车车⾼车长2.00m,车宽1.59m,驾驶室⾼1.38m(如图所⽰)2.1.2车外综合温度计算由于太阳辐射的影响,车⾝表⾯温度⽐环境温度⾼许多,为简化这部分热负荷计算,引⼊车外综合温度的概念,由于车顶和车侧的⽇照强度和热传导系数不⼀样,因此,车顶和车侧的综合温度也不⼀样,其中:车顶综合温度:tc顶=ρI顶/(α2+K顶)+t2车侧综合温度:tc侧=ρI侧/(α2+K侧)+t2式中:ρ:车外表⾯吸收系数,取;I顶:车顶太阳辐射强度,I顶= I⽔平=1000W/ m2;I侧:车侧太阳辐射强度,I侧= (I垂直+ I散)/2=(160+40)/2=100W/ m2;α2:车外空⽓与车表⾯的对流放热系数,取经验值:α2 =(m2·℃)K顶:车顶传热系数;K侧:车侧传热系数;t2:环境温度38℃。
电动空调匹配计算书-CAL-FENGHAI.-(YICAI)-Company One1电动空调匹配计算书前言根据已有电动空调系统设计规范,计算空调系统各项性能参数,保证空调系统能正常运行,符合克服使用要求并且经济、可靠。
本标准由产品开发技术中心提出,综合管理部归口。
本标准主要起草人:本标准审核人:本标准批准人:31概述随着新能源电动汽车技术的不断进步,电动汽车产业化的趋势越来越明显。
作为未来主要潜在车型,电动汽车也需要为驾乘人员提供舒适的环境,并且拥有一套节能高效的电动空调系统对电动汽车开拓市场也是至关重要的。
本设计包括:冷热负荷计算,电动压缩机选型计算,蒸发器、冷凝器、膨胀阀选型设计。
2电动空调匹配计算2.1热负荷计算N800系列驾驶室按尺寸定义共有5个规格,空调系统制冷性能的需求可按最大驾驶室容积计算,也可按产量最大的驾驶室容积计算。
因目前没有明确的要求,暂按最大驾驶室容积计算空调系统制冷性能的需求。
2.1.1参数确定综合考虑夏季的高温酷暑和汽车空调系统经常使用环境,结合有关资料,确定计N800中体双排的车内外边界条件如下:空气流速v:v=2m/s=1000W/ m2 I垂直=160W/ m2 I散=40W/ m2日照强度:I水平图1 中体双排车车长图2 中体双排车车宽图3 中体双排车车高车长2.00m,车宽1.59m,驾驶室高1.38m(如图所示)2.1.2车外综合温度计算由于太阳辐射的影响,车身表面温度比环境温度高许多,为简化这部分热负荷计算,引入车外综合温度的概念,由于车顶和车侧的日照强度和热传导系数不一样,因此,车顶和车侧的综合温度也不一样,其中:车顶综合温度:tc顶=ρI顶/(α2+K顶)+t2车侧综合温度:tc侧=ρI侧/(α2+K侧)+t2式中:ρ:车外表面吸收系数,取;I顶:车顶太阳辐射强度,I顶= I水平=1000W/ m2;I侧:车侧太阳辐射强度,I侧= (I垂直+ I散)/2=(160+40)/2=100W/ m2;α2:车外空气与车表面的对流放热系数,取经验值:α2 =(m2·℃)K顶:车顶传热系数;K侧:车侧传热系数;t2:环境温度38℃。
空调系统的设计计算书模板(完整版)1. 概述此文档为空调系统的设计计算书的模板,旨在提供一个完整的设计计算书的框架供参考和使用。
该模板适用于空调系统设计的各个阶段,包括需求分析、负荷计算、设备选择、管道布局等。
2. 需求分析在该部分中,应对所需的空调系统的基本要求进行详细的描述和分析。
包括但不限于以下方面:- 使用场所和用途- 温度要求和湿度要求- 人员数量和热源负荷- 空气质量要求- 其他特殊要求3. 负荷计算负荷计算是设计空调系统的关键步骤之一,该部分需要进行详细的负荷计算以确定所需的冷热负荷。
负荷计算可以采用常用的传热传质计算方法,如净热负荷法或经验法等。
负荷计算应包括以下内容:- 全年负荷计算- 最大负荷计算- 散热负荷计算- 湿负荷计算4. 设备选择根据负荷计算的结果,可以选择合适的空调设备。
在设备选择中需要考虑以下因素:- 制冷和供热能力需求- 设备功率和能效要求- 空间要求和布局- 控制方式和系统可靠性5. 管道布局管道布局是空调系统设计中的关键环节,合理的管道布局可以确保空气流通畅通、气流均匀。
在管道布局中需要考虑以下因素:- 管道长度和直径- 管道材料和绝缘- 管道连接方式- 管道阻力和压力损失6. 安全措施在设计空调系统的过程中,需要对系统进行安全评估并采取必要的安全措施。
可以考虑以下安全措施:- 防火设计和烟气处理- 电气安全措施- 空气质量控制- 废气排放控制7. 总结空调系统的设计计算书模板提供了一个完整的框架,帮助设计人员系统地进行空调系统设计。
根据具体项目的需求,可以在此基础上进行调整和补充。
通过合理的设计和计算,可以确保空调系统的高效运行和满足用户需求。
以上为空调系统的设计计算书模板的完整内容。
希望能对您的项目设计有所帮助!。
汽车空调系统匹配计算(五篇范文)第一篇:汽车空调系统匹配计算摘要汽车空调的普及,是提高汽车竞争能力的重要手段之一。
随着汽车工业的发展和人们物质生活水平的提高,人们对舒适性,可靠性,安全性的要求愈来愈高。
国内近年来,汽车生产厂家越来越多,产量越来越大,大量中高档车需要安装空调。
因此,对汽车空调的研究开发特别重要。
本论文针对吉利LG—1空调系统匹配设计,对普通轿车空调系统的设计开发原理和特点进行了比较系统的阐述.第一章概论1.1 汽车空调的作用及其发展汽车工业是我国的支柱产业之一,其发展必然会带动汽车空调产业的发展。
汽车空调作为空调技术在汽车上的应用,它能创造车室内热微环境的舒适性,保持车室内空气温度、湿度、流速、洁净度、噪声和余压等在热舒适的标准范围内,不仅有利于保护司乘人员的身心健康,提高其工作效率和生活质量,而且还对增加汽车行始安全性具有积极作用。
就世界上汽车空调技术发展的历史来看,其发展的速度也是惊人的。
1927年就诞生了较为简单的汽车空调装置,它只承担冬季向乘员供暖和为挡风玻璃除霜的任务。
直到1940年,由美国Packard公司生产出第一台装有制冷机的轿车。
1954年才真正将第一台冷暖一体化整体式设备安装在美国Nash牌小汽车上。
1964年,在Cadillac轿车中出现了第一台自动控温的汽车空调。
1979年,美国和日本共同推出了用微机控制的空调系统,实现了数字显示和最佳控制,标志着汽车空调已进入生产第四代产品的阶段。
汽车空调技术发展至今,其功能已日趋完善,能对车室进行制冷,采暖,通风换气,除霜(雾),空气净化等。
我国空调产业发长速度虽然较快,但是目前国内车用空调系统生产基本上仍是处于引进技术与开发、研究并举的阶段。
1.2 汽车空调的特点汽车空调使用的特殊性,决定了它在结构、材料、安装、布置、设计、技术要求等方面与普通空调,如建筑物空调,有着较大的差别:1)在动力源处理上,车用空调压缩机只能采用开启式的结构型式,这就带来空调系统轴封要求高,制冷剂容易泄漏的问题。
空调机组参数简要计算书项目名称:苏州科德宝机电安装项目(方案二:工艺设备单独送排风模式)项目地址:苏州室外气象参数:⚫ 夏季空调室外计算干球温度: 34.40℃⚫ 夏季空调室外计算湿球温度: 28.30℃⚫ 夏季空调室外计算日平均温度: 31.30℃⚫ 夏季通风室外计算干球温度: 31.30℃⚫ 冬季空调室外计算干球温度: -2.50℃⚫ 冬季空调室外计算相对湿度: 77%⚫ 冬季通风室外计算干球温度: 3.70℃⚫ 冬季采暖室外计算干球温度: -0.40℃室内工况参数:⚫ 夏季室内控制温度:22±2°C 夏季室内控制湿度:55±10%⚫ 冬季室内控制温度:22±2°C 冬季室内控制湿度:55±10%根据已知气象参数计算:焓值计算公式i=1.01t+(2500+1.84t)d :➢ 夏季室外空气焓值Hw1=92.662 KJ/KG➢ 冬季室外空气焓值Hw2=3.172 KJ/KG➢ 室内空气焓值 Hn=45.732 KJ/KG查焓湿图表得知:➢ 夏季室外空气含湿量:dw1=9.251 G/KG➢ 冬季室外空气含湿量:dw2=2.282 G/KG➢ 室内空气含湿量:dn=9.251 G/KG已知所需送风量40210m3/h (qm ),新风量(qm ,w ):10323 m3/h ,回风量:29887 m3/h ,混风点焓值及含湿量计算公式分别为:m Nxw m m w w m q h q q h q x )(hc ,,x −+=,m Nx w m m x w m q d q q dw q )(dc ,,x −+=从而计算所得:➢ 夏季混风点参数:hc1=57.348 KJ/KG ,dc1=12.563 G/KG 。
Tc1=25.1℃,Hc1=61.63%。
➢ 冬季混风点参数:hc2=34.051 KJ/KG ,dc1=7.338 G/KG 。
长沙理工大学,建环0901,罗勇强 1.课程设计的内容和要求: 一、原始资料制冷机房所在地:长沙某四层楼宾馆 所需冷量:采用建筑物面积计算法:面积A=4(19.4520.18.3555.223.427.9211.45)⨯⨯++⨯+++⨯+=1217.82m查,《暖通空调设计手册》表,q 可取1102/w m 所以,所需冷负荷0Q =1101217.8⨯=133.96kw冷冻水供回水温度:供水温度7℃. 回水温度12℃ 冷却水:自来水最高温度28℃ 冷冻水输送高度:6m 空调用户所需压头:10mH 2O 制冷机房与空调机房相距:20m 室外最热月室外空气平均温度29.4℃ 最热月室外空气平均露点温度25.4℃夏季主导风向:西南 湿球温度 28℃ 夏季室外平均风速:2.5m/s 夏季的大气压力:P=746mmHg 二、技术及工作要求本课程设计要求进行如下工作: 1.设备选择 2.制冷机房的布置 3.水力计算 3.保温与防腐设计 4.设备明细表 5.小结2.对课程设计成果的要求:1. 编写课程设计计算书2. 画出机房平面布置图3. 设备明细表 一、设备选择 1、制冷机房负荷:Q = Φ0 (1+10%)=133.96×(1+10%)=147.36 kw 冷凝器热负荷Q k由 冷凝温度:t k =37℃ 蒸发温度:t 0= 3℃ 对于其中的系数φ,可以有两种方面查的,可以查《中央空调设备选型手册》查图得:φ,对于采用全封闭的压缩机的制冷系统,冷凝器的热负荷等于制冷量与压缩机电功率之和,然后减去压缩机传导到外界介质的的热量。
采用全封闭压缩机的制冷系统的冷凝器热负荷计算式,根据前苏联B.B 雅克波松的实验数据,整理成为其与制冷量比值的形式:0()k k A Bt φφ=+=133.96×(0.86+0.0042×37)=136.02kw2、制冷系统设计工况1、①、冷凝温度(t k )的确定冷却水进口温度:t w1=28℃ 冷却水出口温度:t w2=33℃ 进出口温差:△t=5℃因为t k -t 1714=→,系统以水为冷却介质,冷凝温度t k 比冷却水进口温度t s1高约7~14℃,比出口温度t s2高约2~4℃,综合考虑,取冷凝温度t k =37℃。
江铃产品开发技术中心管理标准电动空调匹配计算书2014- - 发布2014- - 实施___________________________________________________ 江铃产品开发技术中心发布前言根据已有电动空调系统设计规范,计算空调系统各项性能参数,保证空调系统能正常运行,符合克服使用要求并且经济、可靠。
本标准由产品开发技术中心提出,综合管理部归口。
本标准主要起草人:本标准审核人:本标准批准人:江铃产品开发技术中心管理标准电动空调匹配计算书1概述随着新能源电动汽车技术的不断进步,电动汽车产业化的趋势越来越明显。
作为未来主要潜在车型,电动汽车也需要为驾乘人员提供舒适的环境,并且拥有一套节能高效的电动空调系统对电动汽车开拓市场也是至关重要的。
本设计包括:冷热负荷计算,电动压缩机选型计算,蒸发器、冷凝器、膨胀阀选型设计。
2电动空调匹配计算2.1热负荷计算N800系列驾驶室按尺寸定义共有5个规格,空调系统制冷性能的需求可按最大驾驶室容积计算,也可按产量最大的驾驶室容积计算。
因目前没有明确的要求,暂按最大驾驶室容积计算空调系统制冷性能的需求。
2.1.1参数确定综合考虑夏季的高温酷暑和汽车空调系统经常使用环境,结合有关资料,确定计N800中体双排的车内外边界条件如下:空气流速v:v=2m/s日照强度:I水平=1000W/ m2 I垂直=160W/ m2 I散=40W/ m2图1 中体双排车车长图2 中体双排车车宽图3 中体双排车车高车长2.00m,车宽1.59m,驾驶室高1.38m(如图所示)2.1.2车外综合温度计算由于太阳辐射的影响,车身表面温度比环境温度高许多,为简化这部分热负荷计算,引入车外综合温度的概念,由于车顶和车侧的日照强度和热传导系数不一样,因此,车顶和车侧的综合温度也不一样,其中:车顶综合温度:tc顶=ρI顶/(α2+K顶)+t2车侧综合温度:tc侧=ρI侧/(α2+K侧)+t2式中:ρ:车外表面吸收系数,取0.9;I顶:车顶太阳辐射强度,I顶= I水平=1000W/ m2;I侧:车侧太阳辐射强度,I侧= (I垂直+ I散)/2=(160+40)/2=100W/ m2;α2:车外空气与车表面的对流放热系数,取经验值:α2 =33.48W/(m2·℃)K顶:车顶传热系数;K侧:车侧传热系数;t2:环境温度38℃。
壁面传热基本公式:Q=KFΔt式中:K:传热系数;F:传热面积;Δt:温差。
为简化计算,车身各部分按多层均匀平壁考虑,根据传热学理论,有:K=1/((1/α1)+Σ(δi/λi)+ (1/α2))式中:α1:车内表面的对流放热系数,按自然循环考虑,其值取15 W/(m2·℃)δi:各层材料的厚度;λi:各层材料的传热系数。
车顶和车侧的传热系数计算见表1(表中与车体结构相关的参数为参考其它车型的估算值)。
表1 车顶和车侧传热系数车顶综合温度:t c顶=ρI顶/(α2+K顶)+t2=0.9×1000/(33.48+3.68)+38=62.22℃车侧综合温度:t c侧=ρI侧/(α2+K侧)+t2=0.9×100/(33.48+3.75)+38=40.42℃车地综合温度:t c地按41℃计算2.1.3热负荷计算1)通过车顶传入车内热负荷Q顶车顶面积约为3.2m2,则:Q顶= K顶F顶(t c顶- t1)=3.68×3.2×(62.22-25)=438.30W2)通过车侧传入车内的热负荷Q侧车侧面积约为7.7m2,则:Q侧= K侧F侧(t c侧- t1)=3.75×7.7×(40.42-25)=455.25W3)通过地板传入车内的热负荷Q发地板的传热系数约为:4.02W/(m2·℃),面积约为1.7 m2,温度约为75℃,则:Q发=4.02×1.7×(75-25)=341.7W4)通过窗玻璃传入车内的热负荷Q玻车窗玻璃面积见表2:图4 车体玻璃的面积1(红色区域)图5 车体玻璃的面积2(红色区域)表2 车窗玻璃面积(m 2)图6 前玻璃的垂直投影(红色区域)图7 前玻璃的水平投影(红色区域)其中前窗挡风玻璃并非垂直安装,其垂直方向投影面积约为0.2 m 2,水平方向投影面积约为0.9m 2。
玻璃传热系数为:K 玻=11.5 W/(m 2·℃) 则由于车内外温差而形成的热负荷为: Q 玻1=11.5×3.4×(38-25)=508.30W又太阳总辐射量为:U= I 侧(3.4-1.0+0.2)+ I 水平·0.9=100×2.6+1000×0.9=1160W则由于太阳辐射而形成的热负荷为:Q玻2=(η+ρα1/α2)U·S式中:η:太阳辐射透过玻璃的透入系数,取η=0.84;ρ:玻璃对太阳辐射热的吸收系数,取ρ=0.08;S :遮阳修正系数,取S=1.0。
Q玻2=(0.84+0.08×15/33.48)×1160×1.0=1015.97W总热负荷: Q玻= Q玻1+ Q玻2=508.3+1015.97=1524.27W5)乘员热负荷Q人乘员全热:108W司机全热:175W总热量:Q人=0.89×6×108+175=751.72W车内电机及照明灯等的热负荷Q附暖风机电机转换为热量的功率约为40W,收放机功率约为7W,照明灯等功率约为5W。
则:Q附=40+7+5=52W6)总热负荷:Q总= Q顶+Q侧+Q发+ Q玻+Q人 +Q附=3565.24W取整:Q总=3560W7)制热负荷冬季车外温度低于车内,热量会通过车身、车窗等传到车外。
忽略人体、电器散发热量。
Q热= Q顶+Q侧+Q发+ Q玻=2761.52W取整: Q热=2760W8)结论通过以上计算分析,总热负荷为3560W。
所以N800电动空调系统的制冷性能应不小于3560W。
同时上述分析尚有一些影响空调系统制冷性能的因素没有考虑,诸如整车密封性能、隔热措施的采用、室内新风吸入量等。
需要对样车或相关类似车型的空调系统进行详细的分析和测试,再结合理论分析和整车其它的限制因素,最终确定一个优化的系统制冷参数,进而确定系统各个部件的参数。
同时,由于不同车型(窄体单排、中体双排、宽体排半等)对空调制冷能力的需求也有所不同,对于这种情况,通常的做法是采用可变频一体式压缩机,而不改变空调系统的其它部件来达到空调系统与整车的匹配。
制热负荷为2760W,电动空调采暖和除霜采用PTC电加热,PTC能根据车内温度、风量自动调节发热量,制热负荷小于制冷负荷,只需根据需要选择适合的产品即可。
2.2电动压缩机选型计算2.2.1压缩机结构形式汽车空调压缩机是汽车空调系统的心脏,其作用是将来自于蒸发器的低温、低压的制冷剂气体压缩成高温、高压的气体,并将其送入冷凝器中,以保证制冷循环的正常进行。
压缩机性能的好坏与空调系统的能量消耗、噪声大小和运转可靠性都有直接关系。
电动汽车对车上辅助设备的能量消耗有严格的要求,因此在电动汽车上所使用的空调压缩机应具有较高的工作效率,使其在满足使用要求的情况下,能量消耗降到最低。
从汽车空调发展趋势来看,涡旋式压缩机将是未来汽车空调的主要机型,其原理是利用动、静涡旋片的相对公转运动形成闭死容积的连续变化,实现压缩制冷工质的目的。
涡旋式压缩机具有以下优点:1)效率高。
涡旋压缩机没有吸、排气阀及余隙容积,气体可以通畅的吸入并能被完全排出,容积效率高。
同时,动旋片上的所有点都以很小半径作同步转动,摩擦损失小。
同活塞式压缩机相比较,其效率约高10%〜15%。
2)运转平稳。
多腔室连续工作,数个不同相位的工作循环同时进行,气流脉动小, 扭矩变化均匀。
3)没有吸、排气阀,运转可靠,寿命长,且特别适应于变速运转。
4)转动惯量小,涡旋的结构型式使压缩机可以实现高速旋转,最高转速可达 13000rpm左右,因此,涡旋式压缩机体积小、重量轻。
5)由于吸气过程几乎连续进行,振动噪声低。
2.2.2压缩机驱动电机结构形式为了最大限度地降低制冷剂的泄漏量,电动空调压缩机往往会做成不可拆卸的全封闭系统,这给电机的保养和维修带来了麻烦,传统的直流电动机,因其工作离不开换向器和碳刷,转动的换向器和碳刷始终处于接触的摩擦状态,很容易磨损,需经常保养维护,故不能釆用。
另一方面,为了提高空调系统的工作品质并降低其能量消耗,电动压缩机的驱动电机应具有良好的调速性能,基于不同的调速原理,三相异步电动机和无刷直流电动机都能满足这一要求,但比较这两种电机,由于无刷直流电机转子是永磁的,不用供给电流,没有激磁损耗,效率更高。
同时,其还具有体积小、重量轻、振动噪声低、无电磁干扰及控制系统简单等优点,因此在电动空调系统上的应用具有更广阔的前景。
2.2.3空调制冷剂热力循环压焓图对于汽车空调制冷系统,由前面计算得到的空调制冷负荷,从空调制冷原理出发,结合空调制冷系统热力循环图,就可以计算得到电动压缩机功率、冷凝器换热量等空调制冷系统匹配参数。
电动汽车空调制冷系统制冷剂的压焓图如图8所示。
空调的制冷循环,主要由下列四个过程组成:图8 空调制冷过程压-焓图1) 压缩过程 低温低压的制冷剂气体被压缩机吸入,并压缩成高温高压的制冷剂气体。
这一过程是以消耗机械功作为补偿,压缩增压,以便气体液化。
在图8中用线段1-2表示。
2) 冷凝过程 制冷剂气体由压缩机排出后进入冷凝器。
这一过程在压力和温度不变得情况下,制冷剂由气态逐渐向液态转变。
用线段2-3-4表示。
3) 节流膨胀过程 高温高压的制冷剂液体经膨胀阀节流降温降压后进入蒸发器。
该过程的作用是制冷剂降温降压、调节流量、控制制冷能力。
用线段4-5表示。
4) 蒸发过程 制冷剂液体经膨胀阀降温降压后进入蒸发器,吸热制冷后从蒸发器出口被压缩机吸入。
此过程的特点是在压力不变的情况下,制冷剂由液态变为气态。
用线段5-0表示。
过程0-1为在蒸发器和压缩机之间,产生吸气过热的阶段,是通过回热循环,利用节流前的制冷剂液体来加热回到压缩机的气体,从而产生液体过冷和吸气过热两种结果。
液体过冷可以避免因节流损失使少量制冷剂蒸发而产生的闪气现象。
吸气过热可防止液滴被带入压缩机气缸内,从而避免气缸中的液击。
过程l-2s 为等熵过程,是理论上的压缩机绝热变化过程,但实际上,压缩过程不是完全的绝热过程,其绝热指数也是不断变化的。
因此,压缩机的实际工作过程为1-2,状态点2的焓值可用下式进行计算:h 2=(h 2s −h 1)ηi+h 1式中:h 1—压缩机进气口的制冷剂焓值,kJ/kg ;h 2、h 2s—压缩机排除制冷剂的实际、理论焓值,kJ/kg;ηi—压缩的指示效率。