真空泵吸力计算
- 格式:doc
- 大小:49.50 KB
- 文档页数:4
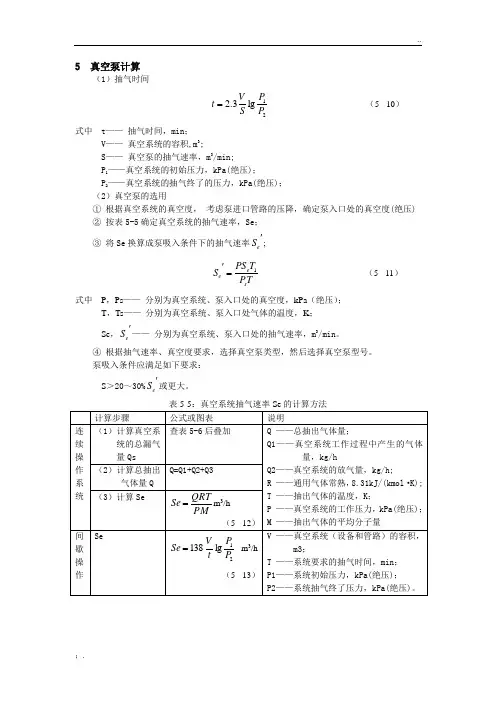
5 真空泵计算(1)抽气时间21lg 3.2P PS V t = (5 - 10) 式中 t —— 抽气时间,min ;V —— 真空系统的容积,m 3;S —— 真空泵的抽气速率,m 3/min;P 1——真空系统的初始压力,kPa(绝压);P 2——真空系统的抽气终了的压力,kPa(绝压); (2)真空泵的选用① 根据真空系统的真空度, 考虑泵进口管路的压降,确定泵入口处的真空度(绝压) ② 按表5-5确定真空系统的抽气速率,Se ;③ 将Se 换算成泵吸入条件下的抽气速率'e S ; TP T PS S s e e 1='(5 - 11) 式中 P ,Ps —— 分别为真空系统、泵入口处的真空度,kPa (绝压);T ,Ts —— 分别为真空系统、泵入口处气体的温度,K ;Se ,'e S —— 分别为真空系统、泵入口处的抽气速率,m 3/min 。
④ 根据抽气速率、真空度要求,选择真空泵类型,然后选择真空泵型号。
泵吸入条件应满足如下要求: S >20~30%'e S 或更大。
表5-6 逸入真空系统的空气泄漏量的估算例1 某发酵装置需选用液环真空泵一台,参数如下:真空装置容积50m 3,密封长度30m ,压力20kPa ,温度30℃,来自工艺系统的空气为60kg ,泵设计进入温度30℃。
解:(1)根据密封长度,真空容积确定真空系统总漏气量 a. 根据密封长度估计泄露量假设装置密封情况正常,取k=0.2kg/(h.m) b. 根据真空容积估算泄露量查表5-6,3Q =8kg/h (2)计算总抽气量Q321Q Q Q Q ++==60+8=68kg/h(3)计算抽气速率e S 空气的相对分子质量M=28.96MP T QR S S S e )273(+=96.2820)30273(31.868⨯+⨯⨯==295.6h m /3(4)将e S 换算成泵厂样本规定条件下的抽气速率/e S[]73.0704.105.1)543.020ln 27.0(20243.405.1)543.020ln 27.0(2005.1)543.0ln 27.0(05.1)543.0ln 27.0(1=⨯-+⨯⨯-+⨯=⨯-+⨯-+=v s s v s s P P P P P P k022.130273)2030(66.01273)20(66.012=+-+=+-+=W S T T kh m k k S S e e /3.396022.173.06.295321/=⨯==(5) 根据抽气速率和真空度要求,拟选用2BE1 153—0液环真空泵,泵转速1620r/min,电机功率18.5kw 。
真空泵选型原则及相关计算公式真空泵是一种将气体抽出封闭容器内部形成真空的设备,广泛应用于化工、医药、电子、航天等领域。
在选型过程中,需要考虑以下几个原则:1.最大抽气速度:真空泵的最大抽气速度应能满足设备的工艺要求。
抽气速度的计算公式为:S=(Q2-Q1)/(P2-P1),其中S为抽气速度,Q为流量,P为压力。
2.极限压力:真空泵的极限压力应低于设备所需的真空度。
极限压力的计算公式为:P=(P1V1)/V2,其中P为极限压力,V为容器的体积。
3.工作条件:选择真空泵时需要考虑工作介质的性质以及工作温度等条件。
4.功率和能耗:选用真空泵时要考虑其相应的功率和能耗,以保证在节能的前提下满足工艺需求。
5.维护和保养:真空泵的维护和保养成本也需要考虑在内。
除了以上原则外,还需要考虑一些具体的技术参数,如转速、排气量、冷却方式等。
常见的真空泵类型有:1.机械泵:主要分为旋片式、涡轮式和离心式机械泵。
旋片式机械泵具有体积小、结构简单、价格低廉等优点;涡轮式机械泵适用于高真空条件下的抽气工作;离心式机械泵适用于较大流量和比较低真空度的条件。
2.分子泵:分子泵是真空泵中的高真空泵,其工作原理是通过高速旋转的叶轮把分子和原子推向出口方向。
分子泵适用于高真空和超高真空条件下的抽气工作。
3.扩散泵:扩散泵利用分子在热扩散作用下的运动来抽气。
扩散泵适用于中等真空和高真空条件下的抽气工作。
4.涡旋泵:涡旋泵是一种基于离心力原理工作的真空泵。
涡旋泵适用于高真空和超高真空条件下的抽气工作。
根据不同的工艺要求和实际情况,选型时需要综合考虑各个方面的因素,权衡各个参数和条件,选择最适合的真空泵。
真空泵的常用参数计算公式介绍真空泵的常用参数计算公式介绍真空常用公式1、玻义尔定律体积V,压强P,PV=常数一定质量的气体,当温度不变时,气体的压强与气体的体积成反比。
即P1/P2=V2/V12、盖吕萨克定律当压强P不变时,一定质量的气体,其体积V与绝对温度T成正比:V1/V2=T1/T2=常数当压强不变时,一定质量的气体,温度每升高(或P降低)1℃,则它的体积比原来增加(或缩小)1/273。
3、查理定律当气体的体积V保持不变,一定质量的气体,压强P与其他绝对温度T成正比,即:P1/P2=T1/T2在一定的体积下,一定质量的气体,温度每升高(或降低)1℃,它的压强比原来增加(或减少)1/273。
4、平均自由程:λ=(5×10-3)/P (cm)5、抽速:S=dv/dt (升/秒)或S=Q/PQ=流量(托升/秒) P=压强(托)V=体积(升) t=时间(秒)6、通导:C=Q/(P2-P1) (升/秒)7、真空抽气时间:对于从大气压到1托抽气时间计算式:t=8V/S (经验公式)V为体积,S为抽气速率,通常t在5~10分钟内选择。
8、维持泵选择:S维=S前/109、扩散泵抽速估算:S=3D2 (D=直径cm)10、罗茨泵的前级抽速:S=(0.1~0.2)S罗(l/s)11、漏率:Q漏=V(P2-P1)/(t2-t1)Q漏-系统漏率(mmHgl/s)V-系统容积(l)P1-真空泵停止时系统中压强(mmHg)P2-真空室经过时间t后达到的压强(mmHg)t-压强从P1升到P2经过的时间(s)12、粗抽泵的抽速选择:S=Q1/P预(l/s)S=2.3Vlg(Pa/P预)/tS-机械泵有效抽速Q1-真空系统漏气率(托升/秒)P预-需要达到的预真空度(托)V-真空系统容积(升)t-达到P预时所需要的时间Pa-大气压值(托)13、前级泵抽速选择:排气口压力低于一个大气压的传输泵如扩散泵、油增压泵、罗茨泵、涡轮分子泵等,它们工作时需要前级泵来维持其前级压力低于临界值,选用的前级泵必须能将主泵的最大气体量排走,根据管路中,各截面流量恒等的原则有:PnSg≥PgS 或Sg≥Pgs/PnSg-前级泵的有效抽速(l/s)Pn-主泵临界前级压强(最大排气压强)(l/s)Pg-真空室最高工作压强(托)S-主泵工作时在Pg时的有效抽速。
真空吸力计算公式
真空吸力是指在真空条件下,通过真空泵或其他真空设备产生的吸引力。
吸引力的大小取决于真空系统的参数以及吸附物体的表面积、形状等因素。
在理想情况下,真空吸力可以通过以下公式进行估算:F=P⋅A
其中:
•F是吸引力(牛顿,N)。
•P是真空度(帕斯卡,Pa)。
•A是被吸引物体的表面积(平方米,m²)。
这个公式基于真空系统的基本原理:真空度越高,吸引力越大;被吸引物体的表面积越大,吸引力也越大。
需要注意的是,这个公式是一个理论估算,实际情况可能会受到多种因素的影响,包括系统的设计、泄漏、温度等。
在实际应用中,通常需要考虑更复杂的因素,并根据具体情况进行调整和校正。
如果您在特定的应用中需要准确的吸力计算,建议咨询真空系统制造商或使用专业的真空计算工具。
真空泵的常用参数计算公式介绍真空常用公式1、玻义尔定律体积V,压强P, PV=常数一定质量的气体,当温度不变时,气体的压强与气体的体积成反比。
即P1/P2=V2/V12、盖吕萨克定律当压强P不变时,一定质量的气体,其体积V与绝对温度T成正比:V1/V2 =T1/T2=常数当压强不变时,一定质量的气体,温度每升高(或P降低)1°C,则它的体积比原来增加(或缩小)1/273。
3、查理定律当气体的体积V保持不变,一定质量的气体,压强P与其他绝对温度T成正比,即:P1/P古T1/T2在一定的体积下,一定质量的气体,温度每升高(或降低)1 C,它的压强比原来增加(或减少)1/273。
4、平均自由程:A (5 X0-3)/P (cm)5、抽速:S=dv/dt 升/秒)或 S=Q/PQ =流量(托升/秒)P=压强(托)V =体积(升)t=时间(秒)6、通导:C=Q/(P2-P1)升/秒)7、真空抽气时间:对于从大气压到 1 托抽气时间计算式:t = 8V/S经验公式)V为体积,S为抽气速率,通常t在5~10分钟内选择。
8、维持泵选择:S维=S前/109、扩散泵抽速估算:S=3D2 (D=直径 cm)10、罗茨泵的前级抽速:S=(0.1~0.2)S罗(l/s)11、漏率:Q 漏=V(P2-P1)/(t2-t1)Q漏—系统漏率(mmHgl/s)V —系统容积(I)P1 —真空泵停止时系统中压强(mmHg)P2—真空室经过时间t后达到的压强(mmHg)t —压强从P1升到P2经过的时间(s)12、粗抽泵的抽速选择:S=Q1/P预(l/s)S=2.3Vlg(Pa/P预)/tS-机械泵有效抽速Q1-真空系统漏气率(托升/秒)P预—需要达到的预真空度(托)V —真空系统容积(升)t—达到P预时所需要的时间Pa-大气压值(托)13、前级泵抽速选择:排气口压力低于一个大气压的传输泵如扩散泵、油增压泵、罗茨泵、涡轮分子泵等,它们工作时需要前级泵来维持其前级压力低于临界值,选用的前级泵必须能将主泵的最大气体量排走,根据管路中,各截面流量恒等的原则有:PnSg> Pg或Sg> Pgs/P nSg-前级泵的有效抽速(l/s)Pn-主泵临界前级压强(最大排气压强)(l/s)Pg—真空室最高工作压强(托)S—主泵工作时在Pg时的有效抽速。
真空吸附力的计算方法
真空吸力的计算公式
●真空吸着
真空抽吸是通过利用真空和大气压之间的压差将物体抽吸到真空侧。
大气压为1kg / cm 2。
因此,在绝对真空(真空压力为0)的情况下,由压差引起的力为1kg / cm 2,在真空压力为50,662Pa(1/2大气压)的情况下,为0.5kg / cm 2。
●实际吸附
在实际吸附时,通常使用吸附垫或吸附块。
真空吸力的大小取决于真空泵的性能以及吸盘和吸盘的吸力面积。
[在抽吸垫的情况下抽吸面积A的概念]
[多孔块的情况下的吸附面积A的概念]
计算公式如下。
●实际公式
【例1】
从顶面吸取0.5千克工件时,吸盘的面积是多少? 吸垫的压力为40,000 Pa。
真空泵的常用参数计算公式介绍-CAL-FENGHAI.-(YICAI)-Company One1真空泵的常用参数计算公式介绍真空常用公式1、玻义尔定律体积V,压强P,PV=常数一定质量的气体,当温度不变时,气体的压强与气体的体积成反比。
即P1/P2=V2/V12、盖吕萨克定律当压强P不变时,一定质量的气体,其体积V与绝对温度T成正比:V1/V2=T1/T2=常数当压强不变时,一定质量的气体,温度每升高(或P降低)1℃,则它的体积比原来增加(或缩小)1/273。
3、查理定律当气体的体积V保持不变,一定质量的气体,压强P与其他绝对温度T成正比,即:P1/P2=T1/T2在一定的体积下,一定质量的气体,温度每升高(或降低)1℃,它的压强比原来增加(或减少)1/273。
4、平均自由程:λ=(5×10-3)/P (cm)5、抽速:S=dv/dt (升/秒)或 S=Q/PQ=流量(托升/秒) P=压强(托)V=体积(升) t=时间(秒)6、通导: C=Q/(P2-P1) (升/秒)7、真空抽气时间:对于从大气压到1托抽气时间计算式:t=8V/S (经验公式)V为体积,S为抽气速率,通常t在5~10分钟内选择。
8、维持泵选择:S维=S前/109、扩散泵抽速估算:S=3D2 (D=直径cm)10、罗茨泵的前级抽速:S=~S罗 (l/s)11、漏率:Q漏=V(P2-P1)/(t2-t1)Q漏-系统漏率(mmHgl/s)V-系统容积(l)P1-真空泵停止时系统中压强(mmHg)P2-真空室经过时间t后达到的压强(mmHg)t-压强从P1升到P2经过的时间(s)12、粗抽泵的抽速选择:S=Q1/P预 (l/s)S=(Pa/P预)/tS-机械泵有效抽速Q1-真空系统漏气率(托升/秒)P预-需要达到的预真空度(托)V-真空系统容积(升)t-达到P预时所需要的时间Pa-大气压值(托)13、前级泵抽速选择:排气口压力低于一个大气压的传输泵如扩散泵、油增压泵、罗茨泵、涡轮分子泵等,它们工作时需要前级泵来维持其前级压力低于临界值,选用的前级泵必须能将主泵的最大气体量排走,根据管路中,各截面流量恒等的原则有:PnSg≥PgS 或Sg≥Pgs/PnSg-前级泵的有效抽速(l/s)Pn-主泵临界前级压强(最大排气压强)(l/s)Pg-真空室最高工作压强(托)S-主泵工作时在Pg时的有效抽速。
5 真空泵计算(1)抽气时间21lg 3.2P PS V t = (5 - 10) 式中 t —— 抽气时间,min ;V —— 真空系统的容积,m 3;S —— 真空泵的抽气速率,m 3/min;P 1——真空系统的初始压力,kPa(绝压);P 2——真空系统的抽气终了的压力,kPa(绝压); (2)真空泵的选用① 根据真空系统的真空度, 考虑泵进口管路的压降,确定泵入口处的真空度(绝压) ② 按表5-5确定真空系统的抽气速率,Se ;③ 将Se 换算成泵吸入条件下的抽气速率'e S ; TP T PS S s e e 1='(5 - 11) 式中 P ,Ps —— 分别为真空系统、泵入口处的真空度,kPa (绝压);T ,Ts —— 分别为真空系统、泵入口处气体的温度,K ;Se ,'e S —— 分别为真空系统、泵入口处的抽气速率,m 3/min 。
④ 根据抽气速率、真空度要求,选择真空泵类型,然后选择真空泵型号。
泵吸入条件应满足如下要求: S >20~30%'e S 或更大。
表5-6 逸入真空系统的空气泄漏量的估算例1 某发酵装置需选用液环真空泵一台,参数如下:真空装置容积50m 3,密封长度30m ,压力20kPa ,温度30℃,来自工艺系统的空气为60kg ,泵设计进入温度30℃。
解:(1)根据密封长度,真空容积确定真空系统总漏气量 a. 根据密封长度估计泄露量假设装置密封情况正常,取k=0.2kg/(h.m) b. 根据真空容积估算泄露量查表5-6,3Q =8kg/h (2)计算总抽气量Q321Q Q Q Q ++==60+8=68kg/h(3)计算抽气速率e S 空气的相对分子质量M=28.96MP T QR S S S e )273(+=96.2820)30273(31.868⨯+⨯⨯==295.6h m /3(4)将e S 换算成泵厂样本规定条件下的抽气速率/e S[]73.0704.105.1)543.020ln 27.0(20243.405.1)543.020ln 27.0(2005.1)543.0ln 27.0(05.1)543.0ln 27.0(1=⨯-+⨯⨯-+⨯=⨯-+⨯-+=v s s v s s P P P P P P k022.130273)2030(66.01273)20(66.012=+-+=+-+=W S T T kh m k k S S e e /3.396022.173.06.295321/=⨯==(5) 根据抽气速率和真空度要求,拟选用2BE1 153—0液环真空泵,泵转速1620r/min,电机功率18.5kw 。
.
;. 真空吸盘吸力计算
其中:S--吸盘面积(cm2),P 为气压(kg/cm2),μ为安全系数>=2.5
例:真空度-750mbar,吸盘直径∮80mm时,单个吸盘的吸力为12.56KG。
该计算条件为:真空度为-750mbar,等于0.75kg/cm2.,μ安全系数=3
吸盘水平吸持物体,物体表面平整
粗略经验公式:半径(cm)平方值即吸力(Kg)
单位换算:1MPa=10bar=10 kg/cm2,(1 bar=0.1MPa= 1 kg/cm2)
1Kpa=10 mbar=0.01 kg/cm2= 1 0g/cm2,
1 mbar =0.1Kpa=0.001 kg/cm2= 1 g/cm2,
理论起吊力(吸附力)
1)水平起吊时,根据真空压力计算起吊力:
F=0.1×A×P
F:理论起吊力(N) A:吸盘的吸附面积(cm2) P:真空压力(-kPa)
2)垂直起吊时
真空压力的吸附力与吸附物和吸盘的吸附面的摩擦力即为维持物体的力(吸附力)
F=μ×0.1×A×P
F:理论起吊力(N)μ:摩擦系数
A:吸盘的吸附面积(cm2) P:真空压力(-kPa)
摩擦力根据吸附物,吸盘的材质,吸附物的表面的粗糙程度等会有很大变化。
实际使用时建议通过实验测试。
静摩擦 f=F 作用力与反作用力
动摩擦f=μ Fn μ动摩擦因素由两个物体本身属性决定
Fn正压力就是垂直与f的力
F=摩擦系数X重直于接触面的压力
滑动摩擦力公式f=uN
其中N是压力,在水平地面的时候N=mg
u是滑动摩擦因数,与材料有关。
.
;. 真空吸盘吸力计算
其中:S--吸盘面积(cm2),P 为气压(kg/cm2),μ为安全系数>=2.5
例:真空度-750mbar,吸盘直径∮80mm时,单个吸盘的吸力为12.56KG。
该计算条件为:真空度为-750mbar,等于0.75kg/cm2.,μ安全系数=3
吸盘水平吸持物体,物体表面平整
粗略经验公式:半径(cm)平方值即吸力(Kg)
单位换算:1MPa=10bar=10 kg/cm2,(1 bar=0.1MPa= 1 kg/cm2)
1Kpa=10 mbar=0.01 kg/cm2= 1 0g/cm2,
1 mbar =0.1Kpa=0.001 kg/cm2= 1 g/cm2,
理论起吊力(吸附力)
1)水平起吊时,根据真空压力计算起吊力:
F=0.1×A×P
F:理论起吊力(N) A:吸盘的吸附面积(cm2) P:真空压力(-kPa)
2)垂直起吊时
真空压力的吸附力与吸附物和吸盘的吸附面的摩擦力即为维持物体的力(吸附力)
F=μ×0.1×A×P
F:理论起吊力(N)μ:摩擦系数
A:吸盘的吸附面积(cm2) P:真空压力(-kPa)
摩擦力根据吸附物,吸盘的材质,吸附物的表面的粗糙程度等会有很大变化。
实际使用时建议通过实验测试。
静摩擦 f=F 作用力与反作用力
动摩擦f=μ Fn μ动摩擦因素由两个物体本身属性决定
Fn正压力就是垂直与f的力
F=摩擦系数X重直于接触面的压力
滑动摩擦力公式f=uN
其中N是压力,在水平地面的时候N=mg
u是滑动摩擦因数,与材料有关。
真空吸盘吸力计算公式计算吸盘的吸力:吸力=S * P / μ其中:S--吸盘面积(cm2),P 为气压(kg/cm2),μ为安全系数>=2.5例:真空度-750mbar,吸盘直径∮80mm时,单个吸盘的吸力为12.56KG。
该计算条件为:真空度为-750mbar,等于0.75kg/cm2.,μ安全系数=3 吸盘水平吸持物体,物体表面平整粗略经验公式:半径(cm)平方值即吸力(Kg)单位换算:1MPa=10bar=10 kg/cm2,(1 bar=0.1MPa= 1 kg/cm2)1Kpa=10 mbar=0.01 kg/cm2= 1 0g/cm2,1 mbar =0.1Kpa=0.001 kg/cm2= 1 g/cm2,理论起吊力(吸附力)1)水平起吊时,根据真空压力计算起吊力:F=0.1×A×PF:理论起吊力(N)A:吸盘的吸附面积(cm2)P:真空压力(-kPa)2)垂直起吊时真空压力的吸附力与吸附物和吸盘的吸附面的摩擦力即为维持物体的力(吸附力)F=μ×0.1×A×PF:理论起吊力(N)μ:摩擦系数A:吸盘的吸附面积(cm2)P:真空压力(-kPa)摩擦力根据吸附物,吸盘的材质,吸附物的表面的粗糙程度等会有很大变化。
实际使用时建议通过实验测试。
静摩擦f=F 作用力与反作用力动摩擦f=μ Fn μ动摩擦因素由两个物体本身属性决定Fn正压力就是垂直与f的力F=摩擦系数X重直于接触面的压力滑动摩擦力公式f=u N其中N是压力,在水平地面的时候N=mg u是滑动摩擦因数,与材料有关。
真空吸盘形状和类型的说明,真空吸盘的理论吸力计算方法:利用真空吸盘面积和使用该吸盘时可产生的真空度求力理论吸力:W=PxC/760W=理论吸力(KG)C=吸盘面积(CM2)P=真空度(-MMHG)柔软吸盘的理论吸力和用公式计算的不同海绵吸盘的理论吸力,在计算时,应用吸盘内径进行计算。
真空吸盘吸力计算真空吸盘是一种利用空气压力差产生吸力的装置,广泛应用于各种机械设备中,用于吸附和搬运各种物体。
真空吸盘的吸力计算是评估其吸附能力和适用范围的重要因素之一首先,我们需要了解真空吸盘的工作原理。
真空吸盘通过排空吸盘内部的空气,建立与外部环境的压力差,从而产生吸力。
通过对排气速度和吸盘面积的控制,可以调节吸力的大小。
吸力的大小与真空吸盘的设计参数、吸盘与被吸附物体的接触性能和表面形状等因素有关。
接下来,我们来详细讨论真空吸盘吸力的计算方法。
1.真空系统参数计算在计算吸力之前,我们首先需要确定真空系统的参数。
这些参数包括真空泵的流量和真空度,以及导管的直径和长度等。
真空泵的流量代表单位时间内泵取空气的能力,通常以立方米/小时或立方英尺/分钟表示。
真空度代表真空系统的极限压强,常用帕斯卡或毫巴表示。
2.吸盘面积计算吸盘面积是计算吸力的重要参数之一、吸盘的面积越大,可以提供的吸力也越大。
吸盘面积的计算取决于吸盘的形状,可以是圆形、椭圆形或矩形等。
吸盘的面积通常以平方米或平方英寸表示。
3.接触性能和表面形状计算吸力的大小还与吸盘与被吸附物体的接触性能和表面形状有关。
接触性能通常通过吸盘与被吸附物体的硬度、表面材料和几何形状等因素来衡量。
表面形状的计算可以采用吸附物体的曲面半径、高低变化等参数进行。
4.吸力计算公式根据以上参数,可以使用以下公式来计算真空吸盘的吸力:F=A×P其中,F表示吸力(牛顿),A表示吸盘的面积(平方米),P表示压力差(帕)。
需要注意的是,这个公式中的吸力是指理论吸力,不考虑外界的影响因素。
实际应用中,可能会存在各种因素的损耗,如漏气、表面间隙等,影响吸力的减小。
此外,可以通过实验来验证计算结果。
通过在实际环境中测试吸附力和吸附持久力,可以对计算结果进行验证。
总结起来,真空吸盘的吸力计算涉及多个参数,包括真空系统的参数、吸盘面积、接触性能和表面形状等因素。
通过合理计算和实验验证,可以确定真空吸盘的吸力,进而评估其适用范围和吸附能力。
真空计算常用公式1、玻义尔定律体积V,压强P,P·V=常数(一定质量的气体,当温度不变时,气体的压强与气体的体积成反比。
即P1/P2=V2/V1)2、盖·吕萨克定律当压强P不变时,一定质量的气体,其体积V与绝对温度T成正比:(V1/V2=T1/T2=常数)当压强不变时,一定质量的气体,温度每升高(或P降低)1℃,则它的体积比原来增加(或缩小)1/273。
3、查理定律当气体的体积V保持不变,一定质量的气体,压强P与其他绝对温度T成正比,即:P1/P2=T1/T2在一定的体积下,一定质量的气体,温度每升高(或降低)1℃,它的压强比原来增加(或减少)1/273。
4、平均自由程:λ=(5×10-3)/P (cm)5、抽速:S=dv/dt (升/秒)或 S=Q/PQ=流量(托·升/秒) P=压强(托) V=体积(升) t=时间(秒)6、通导: C=Q/(P2-P1) (升/秒)7、真空抽气时间:对于从大气压到1托抽气时间计算式: t=8V/S (经验公式)(V为体积,S为抽气速率,通常t在5~10分钟内选择。
)8、维持泵选择:S维=S前/109、扩散泵抽速估算:S=3D2 (D=直径cm)10、罗茨泵的前级抽速:S=(0.1~0.2)S罗 (l/s)11、漏率:Q漏=V(P2-P1)/(t2-t1)Q漏-系统漏率(mmHg·l/s) V-系统容积(l)P1-真空泵停止时系统中压强(mmHg)P2-真空室经过时间t后达到的压强(mmHg)t-压强从P1升到P2经过的时间(s)12、粗抽泵的抽速选择:S=Q1/P预 (l/s)S=2.3V·lg(Pa/P预)/tS-机械泵有效抽速 Q1-真空系统漏气率(托·升/秒)P预-需要达到的预真空度(托) V-真空系统容积(升)t-达到P预时所需要的时间 Pa-大气压值(托)13、前级泵抽速选择:排气口压力低于一个大气压的传输泵如扩散泵、油增压泵、罗茨泵、涡轮分子泵等,它们工作时需要前级泵来维持其前级压力低于临界值,选用的前级泵必须能将主泵的最大气体量排走,根据管路中,各截面流量恒等的原则有:PnSg≥PgS 或 Sg≥Pgs/PnSg-前级泵的有效抽速(l/s) Pn-主泵临界前级压强(最大排气压强)(l/s)Pg-真空室最高工作压强(托) S-主泵工作时在Pg时的有效抽速。
真空马达(吸尘器电动机)真空度(吸力)的计算公式及单位
工作原理:主要由起尘、吸尘、滤尘三局部组成,普通包括串激整流子电动机、离心式风机、滤尘器(袋)和吸尘附件。
普通吸尘器的功率为1000W-1200W或更高,工业吸尘吸水机的功率普通为1000W及其以上,吸尘器靠电动机高速驱动风机叶轮旋转,使空气高速排出,而风机前端吸尘局部的空气不时地补充风机中的空气,致使吸尘器内部产生瞬时真空,和外界大气压构成负压差,在此压差的作用下,吸入含灰尘的空气,经滤尘器过滤,排出清净的空气,负压差越大风量越大,则吸尘才能也越大吸尘器又称真空吸尘器,主要部件是真空泵、集尘袋、软管及各种形状不同的管嘴,它有一个电动抽风机,通电后高速运转,使吸尘器内部形成瞬间真空,使内部的气压大大低于外界的气压,在这个气压差的作用下,尘埃和脏物随着气流进入吸尘器桶体内,再经过集尘袋的过滤,尘垢留在集尘袋,净化后的空气则经过电动机重新逸入室内,起到冷却电机、净化空气的作用。
真空洗尘器电动机的吸入功率是 P = Q * hs
吸入功率等于风量( l/s) 与真空度(Kpa)的乘积
P = Q * hs
P(W) : 吸率 { Joule/Sec = N* m/sec = (Kg * m/Sec2) * (m/Sec) = Kg * m2 / Sec }
Q : 风量( m3 / min )
hs : 静压 (真空度) { mmH2 O = Pascal = N/m2 )。
科研、医疗、实验室、仪器仪表等行业常常要采用微型气泵来进行物体吸附,但微型气泵有微型真空泵、气体取样泵、微型气体循环泵、微型抽气打气两用泵等多种形式,具体该怎么选型呢?把微型真空泵用于物体吸附时,实际上是用泵对吸盘抽真空后吸住物体,因此,必须选择真正意义上的微型真空泵,如VAA、PK、PC、VCA、VCH、PH等系列产品,而不能选用气体取样泵。
从理论上可以计算吸附力的大小。
公式如下:F≈10-2(101-P绝对压力)S吸盘面积上式中,F:理论吸附力大小,单位:Kgf(公斤力)P:绝对压力:为微型真空泵的绝对真空度,单位取:KPa(千帕)S:吸盘面积:为吸盘有效面积,单位取:cm2(平方厘米)例如:有种微型高负压泵VCH,它的绝对压力(真空度)为:10KPa,假设吸盘有效面积为:1平方厘米,则理论上能提供的抽吸力压强就是:0.01×(101-10) ×1=0.11 Kgf/ cm2即用这个吸盘,VCH理论上能在垂直方向吸附住0.91公斤重的物体!如果吸盘有效面积为:2平方厘米,则可以吸附住0.91×2公斤重的物体;……如果换成PH,则理论上能提供的抽吸力压强就是:0.01×(101-25) ×1=0.76 Kgf/ cm2实际使用中,常常有人用微型真空泵来吸附纸片等轻薄物体,则可以用VM、VAA(等真空度低一些的。
另外,从上式可以看到,吸附力的大小理论上与泵的流量无关,但在实际使用中与流量参数是相关的。
原因如下:因为气路系统不可能做到理论密封,总有一定的泄漏。
在这种情况下,微型真空泵的流量越大,泄漏量所占的比例越小,越有利于泵维持较高的真空度,从而得到更大的吸附力。
比如,有2台极限真空度相同的泵,A泵流量为1 L/min,B泵流量为20 L/min,同样在0.1 L/min的泄漏情况下,A泵的真空度会降低很多,因为0.1 L/min的泄漏对它而言太大了。
真空泵选择相关计算公式1、玻义尔定律体积V,压强P,P·V=常数一定质量的气体,当温度不变时,气体的压强与气体的体积成反比。
即P1/P2=V2/V12、盖·吕萨克定律当压强P不变时,一定质量的气体,其体积V 与绝对温度T成正比:V1/V2=T1/T2=常数当压强不变时,一定质量的气体,温度每升高(或P 降低)1℃,则它的体积比原来增加(或缩小)1/273。
3、查理定律当气体的体积V保持不变,一定质量的气体,压强P与其绝对温度T成正比,即:P1/P2=T1/T2在一定的体积下,一定质量的气体,温度每升高(或降低)1℃,它的压强比原来增加(或减少)1/273。
4、平均自由程:λ=(5×10-3)/P (cm)5、抽速:S=d v/d t (升/秒)或S=Q/PQ=流量(托·升/秒) P=压强(托) V=体积(升) t=时间(秒)6、通导:C=Q/(P2-P1) (升/秒)7、真空抽气时间:对于从大气压到1托抽气时间计算式:t=8V/S (经验公式)V为体积,S为抽气速率,通常t在5~10分钟内选择。
8、维持泵选择:S 维=S 前/109、扩散泵抽速估算:S=3D2 (D=直径cm)10、罗茨泵的前级抽速:S=(0.1~0.2)S 罗(l/s)11、漏率:Q 漏=V(P2-P1)/(t2-t1)Q 漏-系统漏率(mmHg·l/s)V-系统容积(l)P1-真空泵停止时系统中压强(mmHg)P2-真空室经过时间t后达到的压强(mmHg)t-压强从P1升到P2经过的时间(s)12、粗抽泵的抽速选择:S=Q1/P 预(l/s)S=2.3V·lg(P a/P 预)/tS-机械泵有效抽速Q1-真空系统漏气率(托·升/秒)P 预-需要达到的预真空度(托)V-真空系统容积(升)t-达到P 预时所需要的时间Pa-大气压值(托)13、前级泵抽速选择:排气口压力低于一个大气压的传输泵如扩散泵、油增压泵、罗茨泵、涡轮分子泵等,它们工作时需要前级泵来维持其前级压力低于临界值,选用的前级泵必须能将主泵的最大气体量排走,根据管路中,各截面流量恒等的原则有:P n S g≥P g S 或S g≥P gs/P nS g-前级泵的有效抽速(l/s)P n-主泵临界前级压强(最大排气压强)(l/s)P g-真空室最高工作压强(托)S-主泵工作时在P g时的有效抽速。
真空泵的作用就是从真空室中抽除气体分子,降低真空室内的气体压力,使之达到要求的真空度。
概括地讲从大气到极高真空有一个很大的范围,至今为止还没有一种真空系统能覆盖这个范围。
因此,为达到不同产品的工艺指标、工作效率和设备工作寿命要求、不同的真空区段需要选择不同的真空系统配置。
为达到最佳配置,选择真空系统时,应考虑下述各点:确定工作真空范围: 首先必须检查确定每一种工艺要求的真空度。
因为每一种工艺都有其适应的真空度范围,必须认真研究确定之。
确定极限真空度在确定了工艺要求的真空度的基础上检查真空泵系统的极限真空度,因为系统的极限真空度决定了系统的最佳工作真空度。
一般来讲,系统的极限真空度比系统的工作真空度低20%,比前级泵的极限真空度低50%。
被抽气体种类与抽气量检查确定工艺要求的抽气种类与抽气量。
因为如果被抽气体种类与泵内液体发生反应,泵系统将被污染。
同时必须考虑确定合适的排气时间与抽气过程中产生的气体量。
真空容积检查确定达到要求的真空度所需要的时间、真空管道的流阻与泄漏。
考虑达到要求真空度后在一定工艺要求条件下维持真空需要的抽气速率。
主真空泵的选择计算S=2.303V/tLog(P1/P2) 其中:S为真空泵抽气速率(L/s) V为真空室容积(L)t为达到要求真空度所需时间(s) P1为初始真空度(Torr) P2为要求真空度(Torr) 例如:V=500L t=30s P1=760Torr P2=50Torr 则: S=2.303V/t Log(P1/P2) =2.303x500/30xLog(760/50) =35.4L/s 当然上式只是理论计算结果,还有若干变量因素未考虑进去,如管道流阻、泄漏、过滤器的流阻、被抽气体温度等。
实际上还应当将安全系数考虑在内。
抽气速率:在一定的压强和温度下,单位时间内由泵进气口处抽走的气体称为抽气速率,简称抽速。
S=dv/dt (升/秒)或S=Q/PQ为真空室的总气体量(Pa·L/S)P为真空室要求的工作压力(Pa)V=体积(L)t=时间(S)Q通常由三部分组成:Q=Q1+Q2+Q3(Pa·L/S)Q1为真空室工作过程中产生的气体量Q2为真空室及真空元件的放气量Q3为真空室的总漏气量真空度只和抽气速率及抽真空操作的时间有关S=V/t*ln(P1/P2)S——真空泵抽气能力m3/hV——容积m3t——所需时间hP1——初始压力P2——最终压力推导过程S=dV/dt;水环式真空泵对气体的压缩是等温的,由玻义尔定律: P•V=常数对时间t微分d(PV)/dt=0,展开PdV/dt+VdP/dt=0PS=- VdP/dtSdt=-Vdp/P,积分(t:0—t1—P2)得公式S=V/t*ln(P1/P2)需要说明的是,水环式真空泵的抽气速率只和泵的结构有关,泵结构确定之后且忽略泵工作时的泄露,真空度可以用上述公式计算;但是这个真空度不是无限正比于时间的函数,真空度的极限值(即真空极限)是受真空泵工作液的对应温度下饱和蒸汽压限制de。
科研、医疗、实验室、仪器仪表等行业常常要采用微型气泵来进行物体吸附,但微型气泵有微型真空泵、气体取样泵、微型气体循环泵、微型抽气打气两用泵等多种形式,具体该怎么选型呢?
把微型真空泵用于物体吸附时,实际上是用泵对吸盘抽真空后吸住物体,因此,必须选择真正意义上的微型真空泵,如VAA、PK、PC、VCA、VCH、PH等系列产品,而不能选用气体取样泵。
从理论上可以计算吸附力的大小。
公式如下:
F≈10-2(101-P绝对压力)S吸盘面积
上式中,
F:理论吸附力大小,单位:Kgf(公斤力)
P:绝对压力:为微型真空泵的绝对真空度,单位取:KPa(千帕)
S:吸盘面积:为吸盘有效面积,单位取:cm2(平方厘米)
例如:有种微型高负压泵VCH,它的绝对压力(真空度)为:10KPa,假设吸盘有效面积为:1平方厘米,则理论上能提供的抽吸力压强就是:
0.01×(101-10) ×1=0.11 Kgf/ cm2
即用这个吸盘,VCH理论上能在垂直方向吸附住0.91公斤重的物体!
如果吸盘有效面积为:2平方厘米,则可以吸附住0.91×2公斤重的物体;
……
如果换成PH,则理论上能提供的抽吸力压强就是:
0.01×(101-25) ×1=0.76 Kgf/ cm2
实际使用中,常常有人用微型真空泵来吸附纸片等轻薄物体,则可以用VM、VAA(等真空度低一些的。
另外,从上式可以看到,吸附力的大小理论上与泵的流量无关,但在实际使用中与流量参数是相关的。
原因如下:因为气路系统不可能做到理论密封,总有一定的泄漏。
在这种情况下,微型真空泵的流量越大,泄漏量所占的比例越小,越有利于泵维持较高的真空度,从而得到更大的吸附力。
比如,有2台极限真空度相同的泵,A泵流量为1 L/min,B泵流量为20 L/min,同样在0.1 L/min的泄漏情况下,A泵的真空度会降低很多,因为0.1 L/min的泄漏对它而言太大了。
但0.1 L/min的泄漏对B泵来说不算什么,仍然可以维持较高的真空度。
因此,虽然二者真空度相同,但在实际中,B泵产生的吸附力更大。
因此,泵选型时必须同时考虑真空度和流量两个指标,只重视真空度指标是不切实际的。
参考资料:
其他回答按时间排序按投票数排序
龙行蓝天2009-6-17 10:11:30 121.70.178.* 举报
把微型真空泵用于物体吸附时,实际上是用泵对吸盘抽真空后吸住物体,因此,必须选择真正意义上的微型真空泵,如PK、PC系列产品
(详见/product.html),而不能选用气体取样泵。
从理论上可以计算吸附力的大小。
方法如下:
F≈10-2(101-P绝对压力)S吸盘面积
上式中,
F:理论吸附力大小,单位:Kgf(公斤力)
P绝对压力:为微型真空泵的绝对真空度,单位取:KPa(千帕)
S吸盘面积:为吸盘有效面积,单位取:cm2(平方厘米)
关于单位换算问题详见/ziliao/danwei.html从上式可以看到,吸附力的大小理论上与泵的流量无关,但
在实际使用中与流量参数是相关的。
原因如下:因为气路系统不可能做到理论密封,总有一定的泄漏。
在这种情况下,微型真空
泵的流量越大,泄漏量所占的比例越小,越有利于泵维持较高的真空度,从而得到更大的吸附力。
比如,有2台极限真空度相同
的泵,A泵流量为1 L/min,B泵流量为20 L/min,同样在0.1 L/min的泄漏情况下,A泵的真空度会降低很多,因为0.1 L/min的泄
漏对它而言太大了。
但0.1 L/min的泄漏对B泵来说不算什么,仍然可以维持较高的真空度。
因此,虽然二者真空度相同,但在实
际中,B泵产生的吸附力更大。
因此,泵选型时必须同时考虑真空度和流量两个指标,只重视真空度指标是不切实际的。
关于吸
附时间快慢问题可参见:/expe/vaccum-t.html关于物体被吸住后的释放
问题。
当需要释放被吸住的物体时
,首先必须使泵停机,不要继续抽真空。
泵停机后,物体不一定会立即脱落,因为泵都有一定的保压能力,真空还将继续维持一
会儿。
要想立即释放,气路系统应再增加一条支路,连接一开关阀,泵停机并同时打开阀门,立即消除气路系统真空,这样才能
可靠地释放物体。
参考资料:/ziliao/xifuwuti.html
吸尘器的吸力如何计算
悬赏分:20 - 解决时间:2010-5-3 20:35
吸尘器的吸力计算,这是我们课程设计的题,请那位高手帮忙计算下
提问者:就似就似- 四级
最佳答案
给你一个专业级回答:
1、风量最大的时候其吸尘效率最高。
2、随着真空度的增加,其吸尘效率逐步降低。
3、由上述两点可知道,计算吸尘器的吸力基本没有任何意义,最佳吸力是通过实验得出的一个结论,通常来说,这个最佳值在一个大气压到-0.03MPa(G)之间,当压力进一步低的时候,其吸尘效率就会逐步大幅降低。
吸尘器之所以能够吸尘,并不是因为真空产生的吸力,而是由压差带动气体分子的流动来携(注意,不是吸)尘的,由此,就决定了气体分子密度越大,其携尘能力越高,而真空下,随着真空度的增加,气体分子密度会越来越少,所以,其携尘能力会随真空度的增加而减小。
做一个简单的类比,能吸一些灰尘和吸上一枚硬币的区别,仅仅在于吸取一枚硬币需要更多气体分子带动这枚硬币。
吸力的唯一作用就是在吸取硬币时通过克服阻力,以获得足够多的气量在单位时间内通过吸尘管,而最佳吸力(压力)值是通过实验确定的了~
吸尘器是很简单的技术,根本无需探讨!基本上没什么技术含量。
设计吸尘器无需计算吸力值,如果你们老师告诉你说吸力值是影响吸尘器的一个重要数据,那说明你们老师不懂。
另外注意区分吸尘器和吸盘的原理技术,这两种技术原理是不同的。
你计算就计算在各压力点下流经管道的流速可以了。
楼下你根本就是无知~~对真空知识无知,对真空输送无知。
别在这里丢人现眼了~
1
回答者:scitcwb - 四级。