电压互感器接线图及含义
- 格式:doc
- 大小:358.00 KB
- 文档页数:6
前言,电压互感器电力系统中通常有四种接线方式,电压互感器接线接地、相位等必须按严格的接法,并且电压互感器二次侧严禁短路。
1)Vv接线方式:广泛用于中性点绝缘系统或经消弧线圈接地的35KV及以下的高压三相系统,特别是10KV三相系统,接线来源于三角形接线,只是“口”没闭住,称为Vv接,此接线方式可以节省一台电压互感器,可满足三相有功、无功电能计量的要求,但不能用于测量相电压,不能接入监视系统绝缘状况的电压表。
(2)Y,yn接线方式:主要采用三铁芯柱三相电压互感器,多用于小电流接地的高压三相系统,二次侧中性接线引出接地,此接线为了防止高压侧单相接地故障,高压侧中性点不允许接地,故不能测量对地电压。
信息请登录:输配电设备网(3)YN,yn接线方式:多用于大电流接地系统。
(4)YN,yn,do接线方式:也称为开口三角接线,在正常运行状态下,开口三角的输出端上的电压均为零,如果系统发生一相接地时,其余两个输出端的出口电压为每相剩余电压绕组二次电压的3倍,这样便于交流绝缘监视电压继电器的电压整定,但此接线方式在10KV及以下的系统中不采用。
一、一个单相电压互感器接线方式一个单相电压互感器接线方式一个单相电压互感器的接线,用于对称的三相电路,二次侧可接仪表和继电器。
二、两个单相电压互感器互V/V型的接线方式两个单相电压互感器互V/V型的接线方式两个单相电压互感器的V/V形接线,可测量线电压,但不能测相电压,它广泛应用在20kV以下中性点不接地或经消弧线图接地的电网中。
电压互感器接线图之vv接法实物图:JDZ-10电压互感器JDZJ-10电压互感器接线实物图JDZX9-10G电压互感器、JDZ9-10电压互感器实物接线图三、三个单相电压互感器Y0/Y0型的接线方式三个单相电压互感器Y0/Y0型的接线方式可供给要求测量线电压的仪表和继电器,以及要求供给相电压的绝缘监察电压表。
四、三个单相三绕组电压互感器或一个三相五柱式三绕组电压互感器接成Y0/Y0/Δ型三个单相三绕组电压互感器或一个三相五柱式三绕组电压互感器接成Y0/Y0/Δ型接成Y0形的二次线圈供电给仪表、继电器及绝缘监察电压表等。
电压互感器接线图电压互感器(Potential Transformer 简称PT,Voltage Transformer简称VT)和变压器类似,是用来变换电压的仪器。
但变压器变换电压的目的是方便输送电能,因此容量很大,一般都是以千伏安或兆伏安为计算单位;而电压互感器变换电压的目的,主要是用来给测量仪表和继电保护装置供电,用来测量线路的电压、功率和电能,或者用来在线路发生故障时保护线路中的贵重设备、电机和变压器,因此电压互感器的容量很小,一般都只有几伏安、几十伏安,最大也不超过一千伏安。
词条介绍了其基本结构、工作原理、主要类型、接线方式、注意事项、异常与处理、以及铁磁谐振等。
民熔电压互感器简介:JDZ-10高压电压互感器10kv半封闭式0.5级羊角型特点:体积小精度高纯铜线圈一体成型安全可靠环氧材质优质钢片电压互感器的电力系统通常有四种接线方式。
电压互感器的接地和相位必须严格连接,严禁电压互感器二次侧短路。
1、单相电压互感器接线方式一个单相电压互感器接线方式一个单相电压互感器的接线,用于对称的三相电路,二次侧可接仪表和继电器。
二、两个单相电压互感器互V/V型的接线方式两台单相电压互感器的V/V接线方式可以测量线电压,但不能测量相电压。
广泛应用于20kV以下中性点不接地或经消弧图接地的电网。
3、三台单相电压互感器Y0/Y0接线方式三个单相电压互感器Y0/Y0型的接线方式可供给要求测量线电压的仪表和继电器,以及要求供给相电压的绝缘监察电压表。
四、三个单相三绕组电压互感器或一个三相五柱式三绕组电压互感器接成Y0/Y0/Δ型三台单相三绕组电压互感器或一台三相五柱三绕组电压互感器接Y0/Y0/Δ型,接Y0型二次线圈,向仪表、继电器和绝缘监测电压表供电。
辅助次级线圈连接成一个开放的三角形,为绝缘监测电压继电器供电。
三相系统正常工作时,三相电压平衡,开三角形两端电压为零。
当一相接地时,开三角形两端出现零序电压,使绝缘监测电压继电器动作并发出信号。
校验线路见图:
1.双级电压互感器校电压互感器接线图
2.电压互感器校电压互感器接线图
3.电压互感器自校接线图
4.电压互感器校电压互感器接线图
35kV,0.05级以下电压互感器,可用于校验0.1级以下电压互感器,校验变化,35 kV /100V、35kV/3/100/3 V。
常见异常
(1)三相电压指示不平衡:一相降低(可为零),另两相正常,线电压不正常,或伴有声、光信号,可能是互感器高压或低压熔断器熔断;
(2)中性点非有效接地系统,三相电压指示不平衡:一相降低(可为零),另两相升高(可达线电压)或指针摆动,可能是单相接地故障或基频谐振,如三相电压同时升高,并超过线电压(指针可摆到头),则可能是分频或高频谐振;
(3)高压熔断器多次熔断,可能是内部绝缘严重损坏,如绕组层间或匝间短路故障;
(4)中性点有效接地系统,母线倒闸操作时,出现相电压升高并以低频摆动,一般为串联谐振现象;若无任何操作,突然出现相电压异常升高或降低,则可能是互感器内部绝缘损坏,如绝缘支架绕、绕组层间或匝间短路故障;
(5)中性点有效接地系统,电压互感器投运时出现电压表指示不稳定,可能
是高压绕组N(X)端接地接触不良。
(6)悬浮电位放电,可能是穿芯螺栓和铁芯连接松动,造成螺栓处于悬浮电位;金属异物处于悬浮电位放电;绝缘支架螺母电位悬浮;
(7)电弧放电,可以是串级绕组对铁芯放电,绝缘支持架不良而放电;绝缘进水受潮;一次绕组末端未接地;
(8)过热性故障。
电流互感器作用及工作原理_电压互感器的作用及工作原理_电压互感器和电流互感器的区别电力系统为了传输电能,往往采用交流电压、大电流回路把电力送往用户,无法用仪表进展直接测量。
互感器的作用,就是将交流电压和大电流按比例降到可以用仪表直接测量的数值,便于仪表直接测量,同时为继电保护和自动装置提供电源,所以说电压互感器与电流互感器在电力系统中起到了非常的大的作用,而本文要介绍的就是电压互感器与电流互感器的区别以及如何使用电压互感器测量交流电路线电压。
电流互感器作用及工作原理电流互感器的主要所用是用来将交流电路中的大电流转换为一定比例的小电流〔我国标准为5安倍〕,以供测量和继电保护只之用。
大家应该知道在发电、变电、输电、配电过程中由于用电设备的不同,电流往往从几十安到几万安都有,而且这些电路还可能伴随高压。
则为了能够对这些线路的电路进展监控、测量,同时又要解决高压、高电流带来的危险,这时就需要用到电流互感器了。
有些人可能见过电工用的钳形表,这是一种用来测量交流电流的设备,它那个"钳〞便是穿心式电流互感器。
电流互感器的构造如下列图所示,可用它扩大交流电流表的量程。
在使用时,它的原线圈应与待测电流的负载线路相串联,副边线圈则与电流表串接成闭合回路,如图中右边的电路图所示。
电流互感器的原线圈是用粗导线绕成,其匝数只有一匝或几匝,因而它的阻抗极小。
原线圈串接在待测电路中时,它两端的电压降极小。
副线圈的匝数虽多,但在正常情况下,它的电动势E2并不高,大约只有几伏。
由于I1/I2=Ki〔Ki称为变流比〕所以I1=Ki*I2由此可见,通过负载的电流就等于副边线圈所测得的电流与变流比Ki之乘积。
如果电流表同一只专用的电流互感器配套使用,则这安培表的刻度就可按大电流电路中的电流值标出。
电流互感器次级电流最大值,通常设计为标准值5A。
不同的电流的电路所配用的电流互感器是不同的,其变流比有10/5、20/5、30/5、50/5、75/5、100/5等等。
电压互感器、电流互感器、电能表的接线和原理图1、电压互感器,V/V接法电压互感器,V/V接法原理图
电压互感器,V/V接法3D图
2、电压互感器,Y/Y接法
电压互感器,Y/Y接法原理图
电压互感器,Y/Y接法3D图3、电流互感器,不完全星型接法
电流互感器,不完全星型接法原理图
电流互感器,不完全星型接法3D图4、电流互感器,星型接法
电流互感器,星型接法原理图
电流互感器,星型接法3D图(S2需要接地)
5、电能表接线示意图
三相三线电能表组合接线示意图(3*100V电能表+3*100V专变采集终端)
三相四线电能表组合接线示意图(3*57.7V电能表+3*100V专变采集终端)
三相四线电能表组合接线示意图(3*220V电能表+3*220V专变采集终端)6、单变比计量箱原理图
两元件计量,输出6端钮
两元件计量,输出7端钮
三元件计量,输出10端钮7、双变比计量箱原理图
两元件计量,输出6端钮
两元件计量,输出7端钮
两元件计量,输出9端钮8、端钮与接线盒之间的接线图
6端钮接线示意图
7端钮接线示意图
9端钮接线示意图
10端钮接线示意图。
1、电压互感器V/V接法
V/V接法原理图
V/V接法3D示意图
2、电压互感器Y/Y接法Y/Y接法3D示意图
3、电流互感器不完全星型接法
电流互感器不完全星型接法原理图
电流互感器不完全星型接法3D示意图
4、电流互感器星型接法
星型接法原理图(适用10kV以上)
星型接法原理图(适用400V)
星型接法3D示意图(400V)5、电能表接线示意图
三相三线电能表组合接线示意图
(3*100V电能表+3*100V专变采集终端)
三相四线电能表组合接线示意图
(3*57.7V电能表+3*100V专变采集终端)
三相四线电能表组合接线示意图
(3*220V电能表+3*220V专变采集终端)。
电压互感器接线图及含义电压互感器的含义:双绕组和三绕组电压互感器的结构:供测量用的电压互感器,一般都做成单相双绕组结构.当两端绝缘等级相同时,可以单相使用,也可以组合起来作三相使用。
对这种电压互感器的主要技术要求是保证必要的准确级。
供接地保护用的电压互感器还具有一个辅助二次绕组,称三绕组电压互感器。
三相的辅助二次绕组结成开口三角形,一旦系统发生单相接地时中性点出现位移,辅助二次绕组上会出现一个零序电压,所以辅助二次绕组现称零序电压线组。
三绕组电压互感器一般做成单相,做成三相时应采用三相五拄式(三相三柱旁扼式)铁心,且电压在10kv及以下,这是为了提供零序磁通的回路。
对于这种电压互感器,零序电压绕组的准确级要求不高,一般为3B级或6B级,以保证开口三角端子电压在一定范围之内,但要求具有一定的过励磁特性。
三相五柱式电压互感器与单相电压互感器:三相五柱设计是高压侧Y0接线,低压侧是Y0(三柱) +开口三角(两柱)低压侧是Y0(三柱)用于线电压和相电压的测量,中性点接地系统。
不接地系统只能测线电压,无专用计量PT时,供计量表计电压量。
开口三角(两柱)在开口三角接有电压继电器,用于监视开口三角电压,检测系统的整体绝缘,用来反映系统发生接地时的零序电压。
当开口三角电压达到启动值时,提供给保护需要的零序电压。
小接地电流系统通常用于发信号。
这种互感器只限制制成10KV以下电压等级。
应用于10KV以下系统。
其优点是投资小,接线简单,操作及运行维护方便;其缺点是只发出系统接地的无选择性预告信号,不能确切判定发生接地的故障线路,运行人员需要通过拉路分割电网的方法来进一步判定故障线路,影响了非故障线路的连续供电。
该装置的优点是以牺牲非故障线路的供电可靠性为代价的。
当然两个或三个同型号同规格单相互感器也可以组合来测量线电压、相电压或继电器保护之用。
以及和电度表、功率表组合量电用。
电压等级可以比集成的五柱式做得更高,且可以灵活配置,适用范围更广。
电压互感器V-V接线正确与错误接法(图)发布日期:2008-5-21 浏览次数:622图1、图2是正确的Vv接法,但图3是VΛ接法,AB、CB两相电压反向了180°,所以V变成v后,反相成对顶状态。
故,图3不是Vv接法。
常用电压互感器的接线电压互感器在三相电路中常用的接线方式有四种,如下图1.一个单相电压互感器的接线,用于对称的三相电路,二次侧可接仪表和继电器,如图1(a)。
2.两个单相电压互感器的V/V形接线,可测量线电压,但不能测相电压,它广泛应用在20kV以下中性点不接地或经消弧线图接地的电网中。
如图1(b)。
3.三个单相电压互感器接成Y0/Y0形,如图1(c)。
可供给要求测量线电压的仪表和继电器,以及要求供给相电压的绝缘监察电压表。
4.一台三相五芯柱电压互感器接成Y0/Y0/Δ(开口三角形),如图1(d)所示。
接成Y0形的二次线圈供电给仪表、继电器及绝缘监察电压表等。
辅助二次线圈接成开口三角形,供电给绝缘监察电压继电器。
当三相系统正常工作时,三相电压平衡,开口三角形两端电压为零。
当某一相接地时,开口三角形两端出现零序电压,使绝缘监察电压继电器动作,发出信号。
V/V型的接线图分析V/V连接的两个电压互感器二次侧两个开口端之间的电压与其一次侧的两个开口端电压存在对应的相量关系。
也就是说,二次侧两个开口端及公共端之间的电压也同样满足电源三相电压的关系。
因此,虽然“B相无电压”(未施加任何电压),输出端的电量仍然是三相电量。
左图是正确接线,从相量图看三相平衡;右图是错误接线,从相量图看三相不平衡。
根据ab和ub的线电压可以计算出ca线电压,。
若二次侧ab相接反,从相量图看,则ca线电压变为。
电压互感器几种常见接地点的作用一次侧中性点接地由三只单相电压互感器组成星形接线时,其一次侧中性点必须接地。
如下图所示。
因为电压互感器在系统中不仅有电压测量,而且还起继电保护的作用。
当系统中发生单相接地时,系统中会出现零序电流。
电压互感器接线图及含义电压互感器的含义:
双绕组和三绕组电压互感器的结构:
供测量用的电压互感器,一般都做成单相双绕组结构.当两端绝缘等级相同时,可以单相使用,也可以组合起来作三相使用。
对这种电压互感器的主要技术要求是保证必要的准确级。
供接地保护用的电压互感器还具有一个辅助二次绕组,称三绕组电压互感器。
三相的辅助二次绕组结成开口三角形,一旦系统发生单相接地时中性点出现位移,辅助二次绕组上会出现一个零序电压,所以辅助二次绕组现称零序电压线组。
三绕组电压互感器一般做成单相,做成三相时应采用三相五拄式(三相三柱旁扼式)铁心,且电压在10kv及以下,这是为了提供零序磁通的回路。
对于这种电压互感器,零序电压绕组的准确级要求不高,一般为3B级或6B级,以保证开口三角端子电压在一定范围之内,但要求具有一定的过励磁特性。
三相五柱式电压互感器与单相电压互感器:
三相五柱设计是高压侧Y0接线,低压侧是Y0(三柱) +开口三角(两柱)
低压侧是Y0(三柱)用于线电压和相电压的测量,中性点接地系统。
不接地系统只能测线电压,无专用计量PT时,供计量表计电压量。
开口三角(两柱)在开口三角接有电压继电器,用于监视开口三角电压,检测系统的整体绝缘,用来反映系统发生接地时的零序电压。
当开口三角电压达到启动值时,提供给保护需要的零序电压。
小接地电流系统通常用于发信号。
这种互感器只限制制成10KV以下电压等级。
应用于10KV以下系统。
其优点是投资小,接线简单,操作及运行维护方便;其缺点是只发出系统接地的无选择性预告信号,不能确切判定发生接地的故障线路,运行人员需要通过拉路分割电网的方法来进一步判定故障线路,影响了非故障线路的连续供电。
该装置的优点是以牺牲非故障线路的供电可靠性为代价的。
当然两个或三个同型号同规格单相互感器也可以组合来测量线电压、相电压或继电器保护之用。
以及和电度表、功率表组合量电用。
电压等级可以比集成的五柱式做得更高,且可以灵活配置,适用范围更广。
电压互感器接线图及方式:
电压互感器的接线方式很多,常见的有以下几种:电压互感器
(1)用一台单相电压互感器来测量某一相对地电压或相间电压的接线方式
(2)用两台单相互感器接成不完全星形,也称V—V接线,用来测量各相间电压,但不能测相对地电压,广泛应用在20KV以下中性点不接地或经消弧线圈接地的电网中。
(3)用三台单相三绕组电压互感器构成YN,yn,d0或YN,y,d0的接线形式,广泛应用于3~220KV系统中,其二次绕组用于测量相间电压和相对地电压,辅助二次绕组接成开口三角形,供接入交流电网绝缘监视仪表和继电器用。
用一台三相五柱式电压互感器代替上述三个单相三绕组电压互感器构成的接线,除铁芯外,其形式与图3基本相同,一般只用于3~15KV 系统。
(4)电容式电压互感器接线形式。
在中性点不接地或经消弧线圈接地的系统中,为了测量相对地电压,PT一次绕组必须接成星形接地的方式。
在3~60KV电网中,通常采用三只单相三绕组电压互感器或者一只三相五柱式电压互感器的接线形式。
必须指出,不能用三相三柱式电压互感器做这种测量。
当系统发生单相接地短路时,在互感器的三相中将有零序电流通过,产生大小相等、相位相同的零序磁通。
在三相三柱式互感器中,零序磁通只能通过磁阻很大的气隙和铁外壳形成闭合磁路,零序电流很大,使互感器绕组过热甚至损坏设备。
而在三相五柱式电压互感器中,零序磁通可通过两侧的铁芯构成回路,磁阻较小,所以零序电流值不大,对互感器不造成损害。
使用须知
1.电压互感器在投入运行前要按照规程规定的项目进行试验检查。
例如,测极性、连接组别、摇绝缘、核相序等。
2.电压互感器的接线应保证其正确性,一次绕组和被测电路并联,二次绕组应和所接的测量仪表、继电压互感器电保护装置或自动装置的电压线圈并联,同时要注意极性的正确性。
3.接在电压互感器二次侧负荷的容量应合适,接在电压互感器二次侧的负荷不应超过其额定容量,否则,会使互感器的误差增大,难以达到测量的正确性。
4.电压互感器二次侧不允许短路。
由于电压互感器内阻抗很小,若二次回路短路时,会出现
很大的电流,将损坏二次设备甚至危及人身安全。
电压互感器可以在二次侧装设熔断器以保护其自身不因二次侧短路而损坏。
在可能的情况下,一次侧也应装设熔断器以保护高压电网不因互感器高压绕组或引线故障危及一次系统的安全。
5.为了确保人在接触测量仪表和继电器时的安全,电压互感器二次绕组必须有一点接地。
因为接地后,当一次和二次绕组间的绝缘损坏时,可以防止仪表和继电器出现高电压危及人身安全。
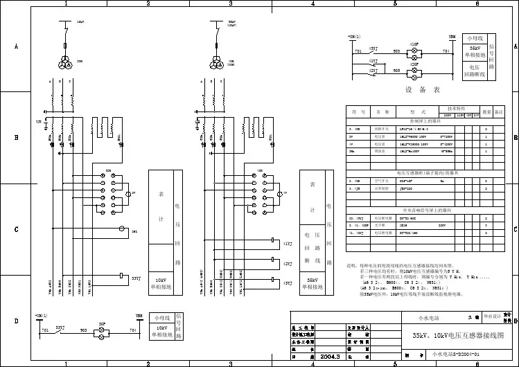
三台单相三绕组电压互感器接线图:
用三台单相三绕组电压互感器构成YN,yn,d0或YN,y,d0的接线形式,广泛应用于3~220KV 系统中,其二次绕组用于测量相间电压和相对地电压,辅助二次绕组接成开口三角形,供接
入交流电网绝缘监视仪表和继电器用。
用一台三相五柱式电压互感器代替上述三个单相三绕组电压互感器构成的接线,除铁芯外,其形式与图3基本相同,一般只用于3~15KV系统。
三相五柱式电压互感器:
图a 三台单相电压互感器或三相五柱式电压互感器的接线
图b 三台单相电压互感器或三相五柱式电压互感器的相量
图c 三台单相电压互感器或三相五柱电压互感器C相接地的相量。