许继103规约详解
- 格式:doc
- 大小:505.00 KB
- 文档页数:30
许继103规约报文详解IEC60870-5-103(DL/T667-1999)报文详解一、800系列装置串口IEC60870-5-103部分一、引用标准IEC60870-5-103:1997 继电保护设备信息接口配套标准,DL/T667-1999 远动设备及系统第5 部分传输规约第103 篇继电保护设备信息接口配套标准。
二、通信接口1.接口标准:RS232 或RS485。
2.通信格式:异步,1 位启始位,8 位数据位,1 位偶校验,1 位停止位。
3.通信速率:9600 bit/s。
4.通信方式:主从式,装置为从站。
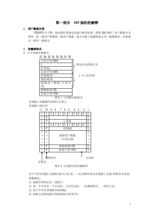
三、报文格式IEC60870-5-103 通信规约有固定帧长和可变帧长两种报文格式。
前者用于传送“复位、召唤、确认、无所要求、链路状态/响应、忙帧”等信息。
后者主要用于传送“命令、数据”等信息。
b.接受校验:每帧报文的启动位,停止位、偶校验位。
接受校验的字符有启动字符、帧校验和、结束字符,若检出一个差错,舍弃此帧数据,若无差错,数据有效。
256的模和)。
b. ASDU 链路用户数据包的具体格式详见下文介绍c. Length=ASDU 链路用户数据包的字节数+2(2为控制域、地址域的长度),长度为控制域、地址域、链路用户数据的8位位组的个数,即字节个数。
d. 接受校验:每帧报文的启动位,停止位、偶校验位。
接受校验的字符有启动字符、两个长度字符Length应一致、接受字符总数为L+6(两个启动字符、两个长度字符、校验字符及结束字符16)、帧校验和、结束字符,若检出一个差错,舍弃此帧数据,若无差错,数据有效。
注:固定帧长报文主站和子站之间的确认;而可变帧长用于主站和子站之间传输数据。
3、控制域控制域分“主-->从”和“从-->主”两种情况。
(1)“主-->从”报文的控制域D7 D6 D5 D4 D3 D2 D1 D0备用 PRM FCB FCV FUNCTION CODE0或1 1 功能码(见下表)注: a、启动报文位PRM为1时,表示是由控制系统向继电保护设备(或间隔单元)传输,控制系统为启动站,启动报文位PRM为0时,表示是由继电保护设备(或间隔单元)向控制系统传输,。
103规约详解⼀、DL/T667-1999(IEC60870-5-103)通信规约基本要点1. 通信接⼝1.1 接⼝标准:RS232、RS485、光纤。
1.2 通信格式:异步,1位起始位,8位数据位,1位偶校验位,1位停⽌位。
字符和字节传输由低⾄⾼。
线路空闲状态为1,字符间⽆需线路空闲间隔,两帧之间线路空闲间隔⾄少33位(3个字节)1.3 通信速率:可变。
1.4 通信⽅式:主从⼀对多,Polling⽅式。
2. 报⽂格式870-5-103通信规约有固定帧长报⽂和可变帧长报⽂两种报⽂格式,前者主要⽤于传送“召唤、命令、确认、应答”等信息,后者主要⽤于传送“命令”和“数据”等信息。
2.1 固定帧长报⽂启动字符控制域地址域代码和结束字符注:代码和=控制域+地址域(不考虑溢出位,即256模和)2.2————启动字符1(1byte)————长度(1byte)————长度(重复)(1byte)————启动字符2(重复)(1byte)————控制域(1byte)————地址域(1byte)————链路⽤户数据[(length-2)byte]————代码和(1byte)————结束字符(1byte)注:(1)代码和=控制域+地址域+ ASDU代码和(不考虑溢出位,即256模和)(2)ASDU为“链路⽤户数据”包,具体格式将在下⽂介绍(3)Length=ASDU字节数+22.3 控制域控制域分“主从”和“从主”两种情况。
(1)“主从”报⽂的控制域D7 D6 D5 D4 D3 D2 D1 D0备⽤PRM FCB FCV 功能码0 11(A)PRM(启动报⽂位)表明信息传输⽅向,PRM=1由主站⾄⼦站;PRM=0由⼦站⾄主站。
(B)FCB(桢记数位)。
FCB = 0 / 1——主站每向从站发送新⼀轮的“发送/确认”或“请求/响应”传输服务时,将FCB取反。
主站为每个从站保存⼀个FCB的拷贝,若超时未收到应答,则主站重发,重发报⽂的FCB保持不变,重发次数最多不超过3次。
许继IEC-103规约报文实例详解68 09 09 68 73 2B 07 81 09 01 FF 00 01 30 16 //总召唤第一扇区10 20 2B 4B 1610 5A 2B 85 1668 0E 0E 68 28 2B 01 81 09 01 B2 B7 01 AB 55 28 0E 01 80 16 //asdu1 10 7A 2B A5 1668 0E 0E 68 28 2B 01 81 09 01 B2 B1 02 44 56 28 0E 01 15 1610 5A 2B 85 1668 0E 0E 68 28 2B 01 81 09 01 B2 B8 01 DA 56 28 0E 01 B1 1610 7A 2B A5 1668 0E 0E 68 28 2B 01 81 09 01 B2 BD 01 65 57 28 0E 01 42 1610 5A 2B 85 1668 0E 0E 68 28 2B 01 81 09 01 B2 EE 02 F3 57 28 0E 01 02 1610 7A 2B A5 1668 0E 0E 68 28 2B 01 81 09 01 B2 B0 02 9E 58 28 0E 01 70 1610 5A 2B 85 1668 0E 0E 68 28 2B 01 81 09 01 B2 BC 02 25 59 28 0E 01 04 1610 7A 2B A5 1668 0E 0E 68 28 2B 01 81 09 01 B2 BB 02 B3 59 28 0E 01 91 1610 5A 2B 85 1668 0E 0E 68 28 2B 01 81 09 01 B2 BA 02 36 5A 28 0E 01 14 1610 7A 2B A5 1668 0E 0E 68 28 2B 01 81 09 01 B2 CB 02 CF 5A 28 0E 01 BE 1610 5A 2B 85 1668 0E 0E 68 28 2B 01 81 09 01 B2 DE 01 66 5B 28 0E 01 68 1610 7A 2B A5 1668 0E 0E 68 28 2B 01 81 09 01 B2 FC 01 FA 5B 28 0E 01 1A 1610 5A 2B 85 1668 0E 0E 68 28 2B 01 81 09 01 B2 DF 01 8E 5C 28 0E 01 92 1610 7A 2B A5 1668 0E 0E 68 28 2B 01 81 09 01 B2 C9 01 27 5D 28 0E 01 16 1610 5A 2B 85 1668 0E 0E 68 28 2B 01 81 09 01 B2 C5 01 BB 5D 28 0E 01 A6 1610 7A 2B A5 1668 0E 0E 68 28 2B 01 81 09 01 B2 26 01 45 5E 28 0E 01 92 1610 5A 2B 85 1668 0E 0E 68 28 2B 01 81 09 01 B2 E9 01 CC 5E 28 0E 01 DC 1610 7A 2B A5 1668 0E 0E 68 28 2B 01 81 09 01 B2 DA 01 5A 5F 28 0E 01 5C 1610 5A 2B 85 1668 0E 0E 68 28 2B 01 81 09 01 B2 85 01 F8 5F 28 0E 01 A5 1610 7A 2B A5 1668 0E 0E 68 28 2B 01 81 09 01 B2 C4 01 88 60 28 0E 01 75 1610 5A 2B 85 1668 09 09 68 08 2B 08 81 0A 01 B2 00 01 7A 16 //第一扇区召唤结束68 09 09 68 73 2B 07 81 09 02 FF 00 01 31 16 //开始召唤第2扇区10 20 2B 4B 1610 5A 2B 85 1668 17 17 68 28 2B 2A 0E 09 02 01 95 02 01 01 01 01 01 01 00 00 00 00 00 00 01 01 36 16 10 7A 2B A5 1668 13 13 68 28 2B 28 0A 09 02 01 A3 01 00 00 00 00 00 00 00 00 00 01 36 1610 5A 2B 85 1668 09 09 68 08 2B 08 81 0A 02 B2 00 01 7B 16 // 第二扇区召唤结束68 09 09 68 73 2B 07 81 09 FF FF 00 01 2E 16 //召唤255扇区10 20 2B 4B 1610 5A 2B 85 1668 09 09 68 08 2B 08 81 0A FF B2 00 01 78 16 //255扇区召唤结束遥控执行过程:68 0A 0A 68 73 2B 40 81 0C 02 B2 30 82 00 D1 16 //ASDU64断路器遥控选择下行10 20 2B 4B 16 //回答确认桢,并告知有一级数据上行10 5A 2B 85 16 //召唤一级数据下行68 0A 0A 68 08 2B 40 01 0C 02 01 30 82 00 35 16 //ASDU64断路器遥控选择返回上行68 0A 0A 68 73 2B 40 81 0C 02 01 30 02 00 A0 16 //ASDU64断路器遥控遥控执行下行10 20 2B 4B 16 //回答确认桢,并告知有一级数据上行10 5A 2B 85 16 //召唤一级数据下行68 0A 0A 68 28 2B 40 01 0C 02 01 30 02 00 D5 16 //ASDU64断路器遥控执行返回上行10 7A 2B A5 16 //召唤一级数据下行10 29 2B 54 16 //回答确认桢,并告知有一级数据上行10 5A 2B 85 16 //召唤一级数据下行10 09 2B 34 16 //回答确认桢,并告知无数据上送上行68 0A 0A 68 53 22 58 81 02 01 B2 00 05 00 08 16 10 20 22 42 1610 7A 22 9C 1668 0A 0A 68 08 22 58 81 42 01 01 00 00 00 47 16董玉玲于2006年8月。
许继103规约使用说明一.规约使用范围使用范围:9793装置296扩展板装置类型:保护测控通讯介质:串口运行程序:CM1423.hex规约号号:77装置名称:许继公司保护装置。
二.规约转换内容本规约具有转换硬压板、软压板、动作事件、运行告警、遥测、定值、定值区号、系统对时、信号复归。
三.装置相关信息CPU个数=1CPU1地址号=1 //根据CPU个数对应CPU序号,下面同定值区号组号=5定值组号=10定值个数_CPU1=5动作元件组号=25动作元件个数_CPU1=5动作元件条目_CPU1=146,147,156,157,161,运行告警组号=15运行告警个数_CPU1=7运行告警条目_CPU1=44,45,46,47,48,49,50,硬压板组号=40硬压板个数_CPU1=2硬压板条目_CPU1=40,45,软压板组号=50软压板个数_CPU1=3软压板条目_CPU1=77,78,89,修改软压板个数_CPU1=3 // 指修改软压板时ASDU20中所指明的INF个数,下面是具体条目修改软压板条目_CPU1=118,31,112,遥测组号=30 //缺省值为0, 如果有遥测才定义遥测个数_CPU1=5遥测个数_CPU2=10装置总召唤定时(秒)=600请求二级数据定时(秒)=0事件加恢复报文=0 //如果=1,表示收到装置事件自动加恢复报文总召唤填CPU地址标志=1 //总召唤是否区分CPU地址。
缺省值=0,软压板数据类型_9=1 //指软压板组态中是否采用数据类型9,=1采用,=0不采用,缺省值=0招定值采用CPU地址=1 //指召唤定值的时候是否采用CPU地址号使用定值序号=1 //指装置定值报文中排列组号是否采用其序号序号从0开始=1 //指装置定值报文中定值序号是否从0开始修改定值允许=0 //指是否支持修改软压板(暂不支持修改定值,出问题不好分清责任)单条修改定值=1//如果保护支持单条修改定值,将此置1;如果保护支持多条修改定值,则将此置0。
ASDU单元公共地址保护功能为01,测控功能为02FUN的值,178(0XB2)为线路保护时间同步报文:68 0F 0F 68 64 FF 06 81 08 FF FF 00 00 00 30 0F 18 0A 0A 5B 1610 40 2C 6C 16 -----复位CU(31 ms)10 20 2C 4C 16 -----有可召唤的一级数据10 5A 2C 86 16 -----召唤一级数据(31 ms)68 15 15 68 28 2C 05 81 04 01 B2 03 02 57 58 48 2D 38 32 33 00 52 02 2E 0E E7 16 ------复位CU响应报文10 7A 2C A6 16 ------继续召唤一级数据(31 ms)68 15 15 68 08 2C 05 81 05 01 B2 04 02 57 58 48 2D 38 32 33 00 52 02 2E 0E C9 16 ------启动重新启动报文10 5A 2C 86 16 ------继续召唤一级数据,FCB=0(31 ms)10 09 2C 35 16 ------无召唤数据68 0F 0F 68 64 FF 06 81 08 FF FF 00 00 00 26 0F 18 0A 0A 51 16 ------时间同步,FCB=168 09 09 68 73 2C 07 81 09 01 FF 00 00 30 16 ------总召唤启动,FCB=1,错误(31 ms)10 09 2C 35 1668 09 09 68 53 2C 07 81 09 01 FF 00 00 10 16 ----总召唤启动,FCB=0 (47 ms)10 20 2C 4C 16 ------有可召唤的一级数据10 7A 2C A6 16 ------召唤一级数据,FCB=1(31 ms)68 0E 0E 68 28 2C 01 81 09 01 B2 B7 01 99 C2 27 0F 00 DB 16------ASDU_1,COMADD=01H,FUN=B2H(178),INF=B7H(183)低电压保护压板,DPI=01H10 5A 2C 86 16 ------继续召唤一级数据(31 ms)68 0E 0E 68 28 2C 01 81 09 01 B2 B1 02 B8 DA 27 0F 00 0D 16------INF=B1H(177)过负荷保护压板10 7A 2C A6 16(31 ms)68 0E 0E 68 28 2C 01 81 09 01 B2 B8 01 AE E9 27 0F 00 18 16------INF=B8H(184)零序保护压板10 5A 2C 86 16(32 ms)68 0E 0E 68 28 2C 01 81 09 01 B2 BD 01 BA 0C 28 0F 00 4D 16------INF=BDH(189)低周压板10 7A 2C A6 16(31 ms)68 0E 0E 68 28 2C 01 81 09 01 B2 EE 01 AC 18 28 0F 00 7C 16 ------INF=EEH(238)重合闸压板10 5A 2C 86 16(31 ms)68 0E 0E 68 28 2C 01 81 09 01 B2 B0 02 12 29 28 0F 00 B6 16 ------INF=B0H(176)过流加速保护压板10 7A 2C A6 16(31 ms)68 0E 0E 68 28 2C 01 81 09 01 B2 BC 02 61 39 28 0F 00 21 16 ------INF=BCH(188)电流III段压板10 5A 2C 86 16(46 ms)68 0E 0E 68 28 2C 01 81 09 01 B2 BB 02 62 66 28 0F 00 4E 16 ------INF=BBH(187)电流II段压板10 7A 2C A6 16(32 ms)68 0E 0E 68 28 2C 01 81 09 01 B2 BA 02 DC 73 28 0F 00 D4 16 ------INF=BAH(186)电流I段压板10 5A 2C 86 16(32 ms)68 0E 0E 68 28 2C 01 81 09 01 B2 B9 01 E1 7F 28 0F 00 E3 16 ------INF=B9H(185)零序电压保护压板10 7A 2C A6 16(31 ms)68 0E 0E 68 28 2C 01 81 09 01 B2 E2 01 88 89 28 0F 00 BD 16 ------INF=E2H(226)差动通讯中断告警10 5A 2C 86 16(47 ms)68 0E 0E 68 28 2C 01 81 09 01 B2 CB 01 CD 9E 28 0F 00 00 16 ------INF=CBH(203)控制回路异常告警10 7A 2C A6 16(31 ms)68 0E 0E 68 28 2C 01 81 09 01 B2 DE 01 31 AA 28 0F 00 83 16 ------INF=DEH(222)定值出错告警10 5A 2C 86 16(47 ms)68 0E 0E 68 28 2C 01 81 09 01 B2 FC 01 01 B8 28 0F 00 7F 16 ------INF=FCH(252)装置参数出错告警10 7A 2C A6 16(31 ms)68 0E 0E 68 28 2C 01 81 09 01 B2 DF 01 32 CC 28 0F 00 A7 16------INF=DFH(223)定值区号出错告警10 5A 2C 86 16(31 ms)68 0E 0E 68 28 2C 01 81 09 01 B2 C9 01 7B E1 28 0F 00 EF 16------INF=C9H(201)开出出错告警10 7A 2C A6 16(32 ms)68 0E 0E 68 28 2C 01 81 09 01 B2 C5 01 4C 08 29 0F 00 E4 16------INF=C5H(197)A/D出错告警10 5A 2C 86 16(31 ms)68 0E 0E 68 28 2C 01 81 09 01 B2 26 01 66 15 29 0F 00 6C 16------INF=26H(38)母线PT断线告警10 7A 2C A6 16(47 ms)68 0E 0E 68 28 2C 01 81 09 01 B2 E9 01 3D 22 29 0F 00 13 16------INF=E9H(233)过负荷告警10 5A 2C 86 16(31 ms)68 0E 0E 68 28 2C 01 81 09 01 B2 E2 01 F9 2C 29 0F 00 D2 16------INF=E2H(226)差动通信中断告警10 7A 2C A6 16(32 ms)68 0E 0E 68 28 2C 01 81 09 01 B2 DA 01 9C 38 29 0F 00 79 16------INF=DAH(218)零序过流告警10 5A 2C 86 16(31 ms)68 0E 0E 68 28 2C 01 81 09 01 B2 CE 01 67 43 29 0F 00 43 16------INF=CEH(206)TA断线告警10 7A 2C A6 16(32 ms)68 0E 0E 68 28 2C 01 81 09 01 B2 85 02 E2 4E 29 0F 00 81 16------INF=85H(133)线路PT断线告警10 5A 2C 86 16(32 ms)68 0E 0E 68 28 2C 01 81 09 01 B2 C4 01 3E 5D 29 0F 00 2A 16------INF=C4H(196)EPROM出错告警10 7A 2C A6 16(32 ms)68 09 09 68 08 2C 08 81 0A 01 B2 00 00 7A 16 ------总召唤结束响应报文10 5A 2C 86 16(47 ms)10 09 2C 35 1610 7B 2C A7 16 ------召唤二级数据(32 ms)68 10 10 68 08 2C 32 04 02 02 01 65 02 00 00 00 36 FF B0 01 BC 16 ------ASDU_50,COMADD=02H,FUN=01H(1),INF=65H(101):3I0实部、3I0虚部,3U0实部、3U0虚部10 40 2C 6C 16(31 ms)10 20 2C 4C 1610 5A 2C 86 16(47 ms)68 15 15 68 28 2C 05 81 04 01 B2 03 02 57 58 48 2D 38 32 33 00 52 02 2E 0E E7 1610 7A 2C A6 16(31 ms)68 15 15 68 08 2C 05 81 05 01 B2 04 02 57 58 48 2D 38 32 33 00 52 02 2E 0E C9 1610 5A 2C 86 16(15 ms)10 09 2C 35 1668 09 09 68 73 2C 07 81 09 02 FF 00 00 31 16 ------召唤第二扇区一级数据(47 ms)10 20 2C 4C 1610 5A 2C 86 16(31 ms)68 17 17 68 28 2C 2A 0E 09 02 01 95 01 01 02 01 01 01 01 00 00 00 00 00 00 02 00 37 16 ------ASDU_42,COMADD=02H,FUN=01H(1),INF=95H(149),信息序号:149~16210 7A 2C A6 16(31 ms)68 13 13 68 28 2C 28 0A 09 02 01 A3 01 00 00 00 00 00 00 00 00 00 00 36 16 ------ ASDU_40,COMADD=02H,FUN=01H(1),INF=A3H(163),信息序号:163~17210 5A 2C 86 16(31 ms)68 09 09 68 08 2C 08 81 0A 02 B2 00 00 7B 1610 7A 2C A6 16(31 ms)10 09 2C 35 1610 5B 2C 87 16(31 ms)68 10 10 68 08 2C 32 04 02 02 01 65 FE FF 04 00 93 00 C6 01 2F 16------ ASDU_50,COMADD=02H,FUN=01H(1),INF=65H(101),信息序号:COS¢、 Uab、Ubc、Uca、Ux(wxh822)、3I0实部、3I0虚部,3U0实部、3U0虚部,3I0五次谐波实部、3I0五次谐波虚部, 3U0五次谐波实部、3U0五次谐波虚部10 7B 2C A7 16(31 ms)68 1A 1A 68 08 2C 09 09 02 01 B2 94 00 00 00 00 00 00 F9 72 C7 76 DC 75 00 00 00 00 D6 00 5E 16------ASDU_09,COMADD=01H,FUN=B2H(178),INF=94H(148),信息序号:Ia,Ib,Ic,Ua,Ub,Uc,P,Q,f10 5B 2C 87 16(47 ms)68 10 10 68 08 2C 32 04 02 02 01 65 FF FF 09 00 9A 01 0E FF 83 16。
103和104规约103规约:1. 为确保电力系统的稳定运行,103规约规定了典型的通信协议和数据格式,用于实时监测和控制。
2. 103规约主要应用于远程站点与主站之间的通信,例如变电站与调度中心之间的通信。
3. 在103规约中,数据传输是基于二进制格式的,具有高效的传输速度和较低的通信延迟。
4. 103规约支持双向通信,允许主站向远程站点发送控制命令,并接收远程站点的状态反馈。
5. 103规约采用了多种数据传输方式,包括串行通信、以太网通信和无线通信。
6. 103规约具有较强的灵活性,能够适应不同类型的电力系统,并能通过配置文件进行定制化设置。
7. 103规约还提供了数据完整性和安全性的保护机制,确保通信数据的可靠性和机密性。
8. 103规约还支持数据的历史存储和远程访问,方便用户进行数据分析和故障诊断。
104规约:1. 104规约是一种高可靠性、高速度的通信协议,广泛应用于电力、水利、交通等领域的监控与控制系统中。
2. 104规约采用了面向报文的通信方式,能够实现可靠的数据传输和时间同步。
3. 104规约支持多点通信拓扑结构,可以同时连接多个远程站点。
4. 104规约具有较强的抗干扰能力,能够适应恶劣的环境条件和复杂的通信网络。
5. 104规约采用了独特的传输机制和数据分组方法,能够提高数据传输的效率和可靠性。
6. 104规约提供了丰富的功能,包括故障检测、事件记录、远程诊断等,能够满足复杂的监控与控制需求。
7. 104规约支持数据的实时传输和批量传输,可以根据用户需求进行灵活配置。
8. 104规约还具备灵活的扩展性,能够与其他通信协议进行互操作,实现系统的互联互通。
103和104规约在电力系统中具有重要的作用,它们通过高效、可靠的通信机制,提高了电力系统的运行效率和安全性。
无论是103规约还是104规约,在实际应用中都取得了良好的效果,并得到了广泛的认可和应用。
未来,随着电力系统的进一步发展和智能化升级,103和104规约将继续发挥重要的作用,为电力行业的发展做出更大的贡献。
一、DL/T667-1999(IEC60870-5-103)通信规约基本要点1. 通信接口1.1 接口标准:RS232、RS485、光纤。
1.2 通信格式:异步,1位起始位,8位数据位,1位偶校验位,1位停止位。
字符和字节传输由低至高。
线路空闲状态为1,字符间无需线路空闲间隔,两帧之间线路空闲间隔至少33位(3个字节)1.3 通信速率:可变。
1.4 通信方式:主从一对多,Polling方式。
2. 报文格式870-5-103通信规约有固定帧长报文和可变帧长报文两种报文格式,前者主要用于传送“召唤、命令、确认、应答”等信息,后者主要用于传送“命令”和“数据”等信息。
2.1 固定帧长报文启动字符控制域地址域代码和结束字符注:代码和=控制域+地址域(不考虑溢出位,即256模和)————启动字符1(1byte)————长度(1byte)————长度(重复)(1byte)————启动字符2(重复)(1byte)————控制域(1byte)————地址域(1byte)————链路用户数据[(length-2)byte]————代码和(1byte)————结束字符(1byte)注:(1)代码和=控制域+地址域+ ASDU代码和(不考虑溢出位,即256模和)(2)ASDU为“链路用户数据”包,具体格式将在下文介绍(3)Length=ASDU字节数+22.3 控制域控制域分“主∧从”和“从∧主”两种情况。
(1)“主∧从”报文的控制域D7 D6 D5 D4 D3 D2 D1 D0备用PRM FCB FCV 功能码0 11(A)PRM(启动报文位)表明信息传输方向,PRM=1由主站至子站;PRM=0由子站至主站。
(B ) FCB (桢记数位)。
FCB = 0 / 1——主站每向从站发送新一轮的“发送/确认”或“请求/响应”传输服务时,将FCB 取反。
主站为每个从站保存一个FCB 的拷贝,若超时未收到应答,则主站重发,重发报文的FCB 保持不变,重发次数最多不超过3次。
WGB-601A微机测控装置1 IEC60870-5-103规约点表1.1 告警信号信息点名称 报文类型 INF FUN 公共地址A/D故障 ASDU_1 197 1 1开出回路故障 ASDU_1 201 1 1定值自检故障 ASDU_1 222 1 1定值区号故障 ASDU_1 223 1 1定值区变化 ASDU_1 224 1 1事故总信号(总动作信号) ASDU_1 212 1 1预告总信号(总告警信号) ASDU_1 191 1 11.2 状态信号信息点名称 报文类型 INF FUN 公共地址检修压板开入 ASDU_1 64 1 0开入1/档位1-1 ASDU_41 168 1 2开入2/档位1-2 ASDU_41 178 1 2开入3/档位1-3 ASDU_41 179 1 2开入4/档位1-4 ASDU_41 180 1 2开入5/档位1-5 ASDU_41 170 1 2开入6/档位1-6 ASDU_41 171 1 2开入7/档位2-1 ASDU_41 172 1 2开入8/档位2-2 ASDU_41 173 1 2开入9/档位2-3 ASDU_41 174 1 2开入10/档位2-4 ASDU_41 175 1 2开入11/档位2-5 ASDU_41 176 1 2开入12/档位2-6 ASDU_41 177 1 2开入13 ASDU_41 181 1 2开入14 ASDU_41 182 1 2开入15 ASDU_41 183 1 2开入16 ASDU_41 184 1 2开入17 ASDU_41 185 1 2开入18 ASDU_41 186 1 2开入19 ASDU_41 187 1 2开入20 ASDU_41 188 1 2开入21 ASDU_41 189 1 2开入22 ASDU_41 190 1 2开入23 ASDU_41 191 1 2开入24 ASDU_41 192 1 2开入25 ASDU_41 193 1 2开入26 ASDU_41 194 1 2远方/就地 ASDU_41 163 1 2档位1 ASDU_39 76 1 2档位2 ASDU_39 77 1 21.3 控制遥控对象 报文类型 INF FUN 公共地址信号复归 ASDU_20 19 199 1定值区切换 ASDU_20 100~107199 1断路器1 ASDU_64 48 1 2断路器2 ASDU_64 49 1 2断路器3 ASDU_64 50 1 2断路器4 ASDU_64 51 1 2有载调压1 ASDU_65 72 1 2有载调压2 ASDU_65 73 1 21.4 遥测遥测对象 报文类型INF FUN 公共地址 IA1,IB1,IC1,UA1,UB1,UC1,P1,Q1,f ,COSφ1,3U01实部、3U01虚部、IA2,IB2,IC2,ASDU_50 92 1 2 UA2,UB2,UC2,P2,Q2,COSφ2,3U02实部、3U02虚部,DC1,DC2,DC3,DC41.5 电度遥脉对象 报文类型 INF FUN 公共地址正向有功电度 ASDU_36 6 1 2反向有功电度 ASDU_36 7 1 2正向无功电度 ASDU_36 8 1 2反向无功电度 ASDU_36 9 1 21.6 总召唤信息ASDU_1的INF(注意:定值区变化在总召唤时不上送);ASDU_41的INF(注意:ASDU_41的INF在总召唤时改成对应的ASDU_40上送)。
北京四方网络103装置规约一.规约简介使用范围:许继以太网103规约装置接入9793、9794。
只用于CPU3。
通讯通讯介质:网络许继103规约说明:A.网口采用TCP。
B.链路层采用104;C.应用层采用103规约,通用分类服务,及ASDU1,2,3,4,9,23~31,40,41等。
二.规约转换内容●当前功能本规约具有转换YC、YX、YM、YK功能●修改记录三.TCP连接配置端口号= 0000 :没有使用服务器IP = 000.000.000.000 :没有使用四.规约相关信息●当前信息转换方: :BYTE=4<4-4> :必须设置成4网口1TCP端口号:INT=1048<0-10000>:根据许继装置的要求设定网口2TCP端口号:INT=1048<0-10000>:根据许继装置的要求设定双网选择:BYTE=0<0-4>:暂时未用对时间隔(分):INT=20<0-10000>:暂时未用●修改记录五.装置相关信息●当前信息1)和9793-CM1400程序使用的装置配置文本基本一样。
2)由于许继保护同一台装置有多个CPU,不同CPU的信息(FUN_INF)可能不同,为了保证不同CPU的信息正常上送,必须认为CPU0的信息包含所有其他CPU的信息,也就是要将其他CPU有的信息而CPU0没有的信息也认为CPU0有,这样在填写[装置相关信息]内容时,只需要按照CM1400的格式填写CPU0的内容就可以了。
3)其他CPU的组号=CPU0的组号+CPU号×5;4)请参见归档的配置文本。
需要注意的是,如果需要遥控,必须在装置配置文本的[装置相关信息]的‘信息个数=’之前增加一行遥控FUN=1,其中数值需和保护的遥控FUN号保持一致,如果默认的遥控FUN为1,则不需要添加该行,程序在读不到该行后,采用默认值1。
●修改记录六.可变装置相关信息●当前信息遥控FUN=1 装置遥控使用的FUN号装置通信状态INF=192 该INF号表示装置的通信状态装置IP1=192.168.1.155 许继装置的网口1的IP地址装置IP2=192.168.2.155 许继装置的网口2的IP地址CPU个数=5 表示该装置的CPU个数,与以下行数对应。
WXH801(802)微机线路保护装置的信息(103-规约,版本1.3,日期2004-10-10)WXH-801(802)微机线路保护配有4个CPU :CPU1,CPU2、CPU3、CPU4分别是高频、距离、零序、重合闸。
1. 故障信号信 号 报文类型INF FUN 保护动作结果纵联启动 2 211 178距离启动 2 212 178零序启动 2 213 178纵联正序出口 2、70 169 178 选相、3I1、定值纵联距离出口 2、70 167 178 选相、R 、X 、定值R 、X纵联零序出口 2、70 166 178 选相、3I0、定值纵联突变量出口 2 176 178纵联单跳失败 2 179 178纵联三跳失败 2 180 178纵联永跳失败 2 175 178纵联手合出口 2 178 178纵联合后出口 2 171 178突变量距离出口 2、70 181 178 选相纵联负序出口 2、70 170 178 选相、3I2、定值纵联弱馈出口 2、70 182 178 选相纵联后备出口 2、70 177 178 选相接地距离Ⅰ段出口 2、70 98 178 选相、R 、X 、定值R 、X接地距离Ⅱ段出口 2、70 99 178 选相、R 、X 、定值R 、X接地距离Ⅲ段出口 2、70 100 178 选相、R 、X 、定值R 、X相间距离Ⅰ段出口 2、70 78 178 选相、Z 、θ、定值Z 、θ 相间距离Ⅱ段出口 2、70 79 178 选相、Z 、θ、定值Z 、θ 相间距离Ⅲ段出口 2、70 80 178 选相、Z 、θ、定值Z 、θ 距离Ⅰ段延时加速出口 2 107 178距离Ⅱ段延时加速出口 2 185 178合后距离Ⅲ段(加速)出口 2 105 178距离手合出口 2 111 178距离加速Ⅱ段出口 2 104 178距离Ⅲ段延时加速出口 2 186 178距离转换性出口 2 108 178距离单跳失败 2 187 178距离三跳失败 2 188 178距离永跳失败 2 189 178测距 4 73 178 故障位置,单位:公里零序Ⅰ段出口 2、70 54 178 选相、I0、定值零序Ⅱ段出口 2、70 55 178 选相、I0、定值零序Ⅲ段出口 2、70 56 178 选相、I0、定值零序IV 段出口 2、70 57 178 选相、I0、定值全相零序不灵敏Ⅰ段出口 2、70 68 178 选相、I0、定值全相零序不灵敏Ⅱ段出口 2、70 69 178 选相、I0、定值零序不灵敏Ⅰ段出口 2、70 58 178 I0、定值零序不灵敏Ⅱ段出口 2、70 59 178 I0、定值非全相零序Ⅰ段出口 2、70 64 178 I0、定值非全相零序Ⅱ段出口 2、70 65 178 I0、定值非全相零序Ⅲ段出口 2、70 66 178 I0、定值非全相零序IV段出口2、70 67 178 I0、定值零序手合出口 2 190 178178 零序Ⅱ段加速出口 2 155178 零序Ⅲ段加速出口 2 156178 零序IV段加速出口 2 157过流Ⅰ段出口2、70 94 178 IA、IB、IC、定值过流Ⅱ段出口2、70 95 178 IA、IB、IC、定值零序单跳失败 2 96 178178 零序三跳失败 2 97178 零序永跳失败 2 153单跳启动重合闸 2 135 178178 三跳启动重合闸 2 136178 不对应启动重合闸 2 137178 重合出口 2 128178 不同期不重合 2 138重合闸未充满不重合 2 139 178178 单重方式三跳不重合 2 140178 停用方式不重合 2 141178 电压低不重合 2 1432. 告警信号信号报文类型INF FUN定值区号错ASDU_1 223 178开出测试失败ASDU_1 200 178TA回路异常ASDU_1 206 178TV断线ASDU_1 38 178过负荷ASDU_1 230 178定值自检错ASDU_1 222 178软压板自检错ASDU_1 162 178开入异常ASDU_1 234 178高频通道异常ASDU_1 252 178闭锁重合闸ASDU_1 130 178检同期方式合位不同期ASDU_1 134 178抽取电压TV断线ASDU_1 133 178压力低闭锁重合闸ASDU_1 131 178零序TV反相序ASDU_1 35 178零序TA反相序ASDU_1 34 178保护上电ASDU_5 5 178 3. 状态信号信号报文类型INF FUNASDU_1 71 178 纵联正序软压板(801)纵联距离软压板(802)纵联零序软压板ASDU_1 72 178接地距离Ⅰ段软压板ASDU_1 74 178接地距离Ⅱ段软压板ASDU_1 75 178接地距离Ⅲ段软压板ASDU_1 76 178相间距离Ⅰ段软压板ASDU_1 81 178相间距离Ⅱ段软压板ASDU_1 82 178相间距离Ⅲ段软压板ASDU_1 83 178零序Ⅰ段软压板ASDU_1 84 178零序Ⅱ段软压板ASDU_1 85 178零序Ⅲ段软压板ASDU_1 86 178零序Ⅳ段软压板ASDU_1 87 178全相零序不灵敏Ⅰ段软压板ASDU_1 88 178全相零序不灵敏Ⅱ段软压板ASDU_1 89 178过流Ⅰ段软压板ASDU_1 41 178过流Ⅱ段软压板ASDU_1 42 178零序不灵敏Ⅰ段软压板ASDU_1 43 178零序不灵敏Ⅱ段软压板ASDU_1 44 178非全相零序Ⅰ段软压板ASDU_1 45 178非全相零序Ⅱ段软压板ASDU_1 46 178非全相零序Ⅲ段软压板ASDU_1 47 178非全相零序Ⅳ段软压板ASDU_1 48 178重合闸软压板ASDU_1 238 178纵联硬压板ASDU_1 31 178距离Ⅰ段硬压板ASDU_1 32 178距离ⅡⅢ段硬压板ASDU_1 33 178零序I段硬压板ASDU_1 36 178零序其它段硬压板ASDU_1 37 178单重方式ASDU_1 90 178综重方式ASDU_1 91 178三重方式ASDU_1 92 178停用方式ASDU_1 93 178长延时硬压板ASDU_1 129 178检修压板ASDU_1 64 255 4. 软压板控制遥控对象报文类型INF FUN 信号复归ASDU_2019 178ASDU_2031 178 纵联正序软压板(801)纵联距离软压板(802)纵联零序软压板ASDU_2032 178相间距离I段软压板ASDU_2035 178相间距离II段软压板ASDU_2036 178相间距离III段软压板ASDU_2037 178接地距离I段软压板ASDU_2039 178接地距离II段软压板ASDU_2040 178接地距离III段软压板ASDU_2041 178零序I段软压板ASDU_2043 178零序II段软压板ASDU_2044 178零序III段软压板ASDU_2045 178零序IV段软压板ASDU_2046 178零序不灵敏I段软压板ASDU_2047 178零序不灵敏II段软压板ASDU_2048 178非全相零序I段软压板ASDU_2054 178非全相零序II段软压板ASDU_2055 178非全相零序III段软压板ASDU_2056 178非全相零序IV段软压板ASDU_2057 178全相零序不灵敏I段软压板ASDU_2058 178全相零序不灵敏II段软压板ASDU_2059 178过流I段软压板ASDU_2050 178过流II段软压板ASDU_2051 178重合闸ASDU_2016 1785. 录波量模拟量信号ACC1 Ia 12 Ib 23 Ic 34 I0 45 Ua 56 Ub 67 Uc 7开关量信号INF FUN1 单跳201 2552 三跳202 2553 动作203 2554 收信204 2555 停信205 255总召唤信息所有状态信号及部分告警信号通用分类服务数据:通用分类服务标识序号分为下列组类型,每组可定义256个条目,并规定00号条目为组标题。
103规约转出软件实验报告(改进版)1、初始化●主站发: 10 40 04 44 16目的:给地址为04的装置发复位通信单元命令。
10 //固定帧长起始字符40 //控制域04 //4416子站回答:10 20 04 24 16目的: ACD位置1,表明子站向主站请求1级数据上送。
●主站发: 10 7a 04 7e 16目的:向地址为04的装置发请求1级数据命令。
子站回答:68 15 15 68 28 04 05 81 04 04 b2 03 03 c4 cf c8 f0 bc cc b1 a3 0100 01 00 9b 16 (ASDU5,CON=28,COT=4)68 //启动字符15 //报文长度15 //报文长度68 //启动字符//控制域, 地址域, 类型标识, 可变结构限定词, 传送原因, 公共地址28 04 05 81 04 04//功能类型,信息序号, 兼容级别,8个ASCIIb2 03 03 c4 cf c8 f0 bc cc b1 a3//4个自由赋值01 00 01 00/////////////////////////////////////////////////////连路用户数据9b //校验和16 //结束字符(ASDU5,CON=28,COT=4)80 00目的:子站以ASDU5(复位通信单元)响应主站的召唤。
并ACD位置1,表明子站继续向主站请求1级数据上送。
●主站发:10 5a 04 5e 16目的:向地址为04的装置发请求1级数据命令。
子站回答:68 15 15 68 08 04 05 81 05 04 b2 04 03 c4 cf c8 f0 bc cc b1 a3 0100 01 00 7d 16 (ASDU5,CON = 08,COT=5)目的:子站以ASDU5(启动/重新启动)响应主站的召唤。
ACD 位置回0。
后面跟随时间同步和总查询。
结果分析:程序的行为完全正确。
许继103规约报文详解IEC60870-5-103(DL/T667-1999)报文详解一、800系列装置串口IEC60870-5-103部分一、引用标准IEC60870-5-103:1997 继电保护设备信息接口配套标准,DL/T667-1999 远动设备及系统第5 部分传输规约第103 篇继电保护设备信息接口配套标准。
二、通信接口1.接口标准:RS232 或RS485。
2.通信格式:异步,1 位启始位,8 位数据位,1 位偶校验,1 位停止位。
3.通信速率:9600 bit/s。
4.通信方式:主从式,装置为从站。
三、报文格式IEC60870-5-103 通信规约有固定帧长和可变帧长两种报文格式。
前者用于传送“复位、召唤、确认、无所要求、链路状态/响应、忙帧”等信息。
后者主要用于传送“命令、数据”等信息。
b.接受校验:每帧报文的启动位,停止位、偶校验位。
接受校验的字符有启动字符、帧校验和、结束字符,若检出一个差错,舍弃此帧数据,若无差错,数据有效。
256的模和)。
b. ASDU 链路用户数据包的具体格式详见下文介绍c. Length=ASDU 链路用户数据包的字节数+2(2为控制域、地址域的长度),长度为控制域、地址域、链路用户数据的8位位组的个数,即字节个数。
d. 接受校验:每帧报文的启动位,停止位、偶校验位。
接受校验的字符有启动字符、两个长度字符Length应一致、接受字符总数为L+6(两个启动字符、两个长度字符、校验字符及结束字符16)、帧校验和、结束字符,若检出一个差错,舍弃此帧数据,若无差错,数据有效。
注:固定帧长报文主站和子站之间的确认;而可变帧长用于主站和子站之间传输数据。
3、控制域控制域分“主-->从”和“从-->主”两种情况。
(1)“主-->从”报文的控制域D7 D6 D5 D4 D3 D2 D1 D0备用 PRM FCB FCV FUNCTION CODE0或1 1 功能码(见下表)注: a、启动报文位PRM为1时,表示是由控制系统向继电保护设备(或间隔单元)传输,控制系统为启动站,启动报文位PRM为0时,表示是由继电保护设备(或间隔单元)向控制系统传输,。
b、当FCV=1时FCB 有效,当FCV=0 时FCB 无效。
c、帧计数位FCB=0/1:主站每向从站发送新一轮的“发送/确认”“请求/响应”传输服务时,将FCB 取反。
主站为每个从站保存一个FCB的上一个状态,若超时未收到回答,主站重发报文,重发报文的FCB保持不变,重发次数最多为3 次,若3 次未收到应答,结束本次传输服务。
d、功能码(FUNCTION CODE)许继电气许继103 通信规约主-->从功能码(2)“从-->主”报文的控制域D7 D6 D5 D4 D3 D2 D1 D0备用 PRM ACD DFC FUNCTION CODE0或1 0注: a. ACD从站要求访问标志位,当ACD=1时,通知主站,从站有一级数据请求传送。
b. DFC数据流控制位, DFC=0表示从站可以接受数据。
DFC=1表示从站缓冲区已满,从站无再法接受数据。
c. 功能码FUNCTION CODE许继电气许继103 通信规约(从——主方向功能码)8的报文为可变帧长报文。
4、地址域:= 装置地址地址域:=0FFH, 表示广播地址。
5、链路用户数据ASDU的一般格式就是指ASDU的报文类型TYPE),每种格式的报文都对应不同的ASDU类型。
②、VSQ可变结构限定词:规定了信息元素的个数和寻址方式D7 D6 D5 D4 D3 D2 D1 D0S 信息元素的数目iS=0:表示一个信息体地址内是顺序的信息元素的第一个信息元素的地址,后续信息元素地址在第一个信息元素地址的基础上顺序加1。
S=1:表示由信息体地址寻址的单个信息元素或综合信息元素,即由INF来决定。
③、COT传输原因主-->从时,信息传送原因定义:8---时间同步9---总召唤启动20(14H)---一般命令31(1FH)---扰动数据的传输从-->主时,信息传送原因定义:1---自发(突发)2---循环3---复位FCB4---复位CU5---启动/重新启动6---电源合上7---测试模式8---时间同步9---总召唤10(0AH)---总召唤终止11(0BH)---当地操作12(0EH)---远方操作20(14H)---命令的肯定认可21(15H)---命令的否定认可31(1FH)---扰动数据的传输④、应用服务数据单元公共地址:COMADDR许继电气股份有限公司对应用服务数据单元公共地址COMADRR作了扩展,具体规定如下:0≤COMADDR≤255(FFHex)1~254(FEHex)为装置扇区号,255(FFHex)为广播地址;0为MMI用⑤FUN:= 功能类型1---BU12---BU23---BU34---BU45---BU56---BU6178(B2H)---线路保护194(C2H)---变压器保护210(D2H)---母线保护⑥、INF:= 信息序号信息序号具体参照各装置说明书或许继103点表注:功能类型FUN、信息序号INF合称为信息元素标识。
⑦、信息元素具体的遥信状态、遥测值、遥脉值、遥控状态等等。
四、通信报文的传输过程当装置与控制系统刚开始通信时开始初始化。
控制系统首先交替发送“复位FCB”命令或“复位CU”命令,等待装置回答确认报文。
其实继电保护设备(或间隔单元)本身的复位与通讯功能复位是相区别的。
当出现以下情况时控制系统(主站)下发初始化通讯复位命令:控制系统(主站)被初始化间隔装置退出运行间隔装置退出网络间隔装置本身被初始化间隔装置与控制系统通讯中断后恢复1、控制系统与装置的通信开始通信初始化过程,控制系统依次发送“复位FCB(帧计数位)”命令或“复位CU(通讯单元)”命令 -->“时间同步”命令 -->“总召唤启动” 命令,装置依次回答相应的响应报文。
在完成以上通信初始化过程后,则进入循环召唤过程。
①、装置接收复位位FCB命令主-->从方向:控制系统复位FCB命令(C_RFB_NA_3命令, 数据格式:10H,CODE,ADDR,CS,16H)。
10 47 19 60 16首字符控制域地址域校验和结束符CODE:=01000111主向从发功能码为7(复位FCB帧计数位)从-->主方向(响应步骤如下):回答M_CON_NA_3确认帧,数据格式:10H ,CODE,ADDR,CS,16H。
装置链路规约数据单元的链路控制信息控制域: CODE:= 0 0 ACD DFC 0 0 0 0 形成“复位FCB”一级数据,以ASDU_5上传,在接收到召唤一级数据命令时回答。
不清除传输缓冲区的内容。
10 20 19 39 16首字符控制域地址域校验和结束符控制域:D7为备用设置为0,启动报文位(主站发送为1,子站返回为0)D6=0,D5 要求访问位ACD=1,数据流控制位D4 DFC=0,功能码FUNCTION=0(确认复位帧计数位FCB)。
(ACD位置1,表明子站向主站请求1级数据上送)。
②、装置接收复位CU命令主-->从方向:控制系统复位CU命令(C_RCU_NA_3命令, 数据格式:10H,CODE,ADDR,CS,16H)。
控制系统链路规约数据单元的链路控制信息控制域: CODE:= 0 1 0 0 0 0 0 010 40 19 59 16(给链路地址为19H的装置发复位通信单元命令)首字符控制域地址域校验和结束符控制域:D7为备用设置为0,D6 PRM=1,D5 帧技术位FCB=0,帧计数有效位D4 FCV=0,功能码FUNCTION=0(发送复位通信单元 CU)注:当帧计数有效位D4 FCV=1时D5 帧技术位FCB才有效。
FCB=0/1:主站每向从站发送新一轮的“发送/确认”“请求/响应”传输服务时,将FCB取反。
若超时未收到回答,主站重发报文,重发报文的FCB保持不变,重发次数最多为3次,若3次未收到应答,结束本次传输服务。
从-->主方向:响应步骤如下:a、答M_CON_NA_3确认帧,数据格式:10H ,CODE,ADDR,CS,16H。
装置链路规约数据单元的链路控制信息控制域: CODE:= 0 0 ACD DFC 0 0 0 0b、形成“复位CU”一级数据,以ASDU_5上传,在接收到召唤一级数据命令时回答。
清除传输缓冲区的内容,并且“复位CU”一级数据将是接收到复位命令后的第一个发送的一级数据。
10 20 19 39 16(ACD位置1,表明子站向主站请求1级数据上送。
)首字符控制域地址域校验和结束符控制域:D7为备用设置为0,D6=0,D5 要求访问位ACD=1,数据流控制位D4 DFC=0,功能码FUNCTION=0(确认复位通信单元 CU)注:复位命令不会影响保护装置的通讯。
③、请求一级数据:10 7A 19 93 16④、响应 ASDU-5:BCD码表示,第一字节为小数部分,第二字节为整数部分;CRC(ROM和)为16位二进制数。
68 15 15 6828 19 05 81 04 00 C2 03控制域地址域 ASDU5 S=8表示单个信息元素复位CU comaddr FUN INF(复位CU)还有一级可变结构限定词传输原因单元公共地址数据02 57 42 48 2D 38 30 30 20 01 08 6E 47兼容级别 8个字节的信息元素,为ASCII字符 2个字节的版本号 2个字节的CRC码16 16校验结束(子站以ASDU5(复位通信单元)响应主站的召唤。
并ACD位置1,表明子站继续向主站请求1级数据上送,功能码8表示数据包响应。
)⑤、主站继续请求一级数据:10 5A 19 73 16⑥、响应ASDU-5:68 15 15 68 08 19 05 81 05(启动重新启动) 00 C2 04(启动重新启动) 02 57 42 48 2D 38 30 30 20 01 08 6E 47F8 16子站以ASDU5(启动/重新启动)响应主站的召唤。
ACD 位置回0,一级数据上送结束。
⑦、时间同步:SU=<1>夏时制68 0F 0F 6864 FF 06 81 08 FF FF 00 70 9407 0F 01 06 04CODE ADDR ASDU VSQ COT FAN FUN INF 2004-6-1 15点07分38秒,即38000毫秒1516(广播命令:2004-6-1 15点07分38秒,即38000毫秒)广播对时可以对所有装置对时,装置无响应报文向单装置发对时命令:68 0f 0f 6873 19 06 81 08 ff ff 00 70 94 07 0f 01 06 04 3e 16CODE ADDR ASDU VSQ COT FAN FUN INF 2004-6-1 15点07分38秒装置响应如下:10 20 19 39 16⑧、总召唤总召唤启动: 68 09 09 6853 19 07 81 09 01 FF 00控制域地址域类型标识可变结构限定词传输原因公共地址功能类型信息序号00 FD 16信息元素(信息序号)校验和结束符确认帧:10 20 19 39 16 ACD=1确认有数据上送在完成以上通讯初始化过程后,则进入循环召唤过程⑨、请求一级数据:主-->从方向:10 7A 19 93 16首字符控制域地址域校验和结束符控制域解释:7A0 1 1 1 A(1 0 1 1)备用启动报文位(主)帧计数位FCB 帧计数有效位功能码10(召唤一级用户数据)⑩、从-->主方向(响应ASDU-5):68 15 15 68 28 19启动字符长度重复长度启动字符控制域地址域5 81 4(复位CU) 0 C2 3(复位CU)报文类型可变结构限定词传输原因单元公共地址(扇区) 保护功能码信息序号2 57 42 48 2D 38 30 30 20兼容级别装置型号WBH-80008 01 47 6E 16 16版本号1.08 CRC码6E47 校验码结束符注:子站以ASDU5(复位通信单元)响应主站的召唤。