siemensT103规约使用指南参考解析
- 格式:doc
- 大小:549.50 KB
- 文档页数:19
变电站自动化系统站内通讯应用层规范1.前言本规范参考了IEC60870-5-103(继电保护设备信息接口配套标准)传输规约(以下简称103规约),采用103规约的应用服务数据单元,本规范对103规约的通用服务作了具体的规定,采用本规范的主站系统要求实现本规范的全部内容,采用本规范的子站设备可以只实现部份功能。
2.报文类型及用途应用层报文的最大长度为240字节。
2.1.由主站发往子站的报文(控制方向)2.2. 由子站发往主站的报文(监视方向)3. 标识报文注:注站的软件板本显示为两位固定小数。
0XFFFFH 表示上送所有的数据。
4.通用分类服务本章内容根据IEC60870-5-103配套标准中所定义的通用分类服务对传输帧报文进行自描述,具有开放性。
本规范中,通用服务的访问基于组的标题及条目的标题,内容相同的条目在不同的设备中,它的GIN可能会不同。
条目描述的M/O栏中M表示该项必须实现,O 表示该项可选择实现。
数据类型栏中列出了可能实现的类型。
通用分类服务标识序号分为下列组类型,每组可定义256个条目,并规定00号条目为组标题。
X表示该项可为任意值,同时应满足相关的约束条件,如每一组的组号都应不同。
描述名称的最大长度小于等于32字节。
4.1装置描述该组用来存放装置的固定描述,其内容可以由主站读取但不可被修改,具体的条目定义如下:制造厂家装置型号Ex. RCS-9611B装置名称装置类别(同ASDU5中)版本号(同ASDU5中)版本号的值按两位固定小数显示, ex. 3.110功能描述程序形成时间校验码4.2 装置参数该组用来存放装置的系列参数,可以由主站读写,具体的条目定义如下:4. 3 定值区号该组用来存放装置的定值区号的属性,具体的条目定义如下:运行定值区(M):指该定值区中定值正在运行,可被主站召唤或修改。
4. 4 定值该组用来存放装置当前定值区中的定值,可以由主站读写,具体的条目定义如下:4. 5 动作元件该组用来存放装置动作信息,当装置有保护动作事件发生时,装置将该信息主动报告给主站,主站对该组不可以写。
103规约详解⼀、DL/T667-1999(IEC60870-5-103)通信规约基本要点1. 通信接⼝1.1 接⼝标准:RS232、RS485、光纤。
1.2 通信格式:异步,1位起始位,8位数据位,1位偶校验位,1位停⽌位。
字符和字节传输由低⾄⾼。
线路空闲状态为1,字符间⽆需线路空闲间隔,两帧之间线路空闲间隔⾄少33位(3个字节)1.3 通信速率:可变。
1.4 通信⽅式:主从⼀对多,Polling⽅式。
2. 报⽂格式870-5-103通信规约有固定帧长报⽂和可变帧长报⽂两种报⽂格式,前者主要⽤于传送“召唤、命令、确认、应答”等信息,后者主要⽤于传送“命令”和“数据”等信息。
2.1 固定帧长报⽂启动字符控制域地址域代码和结束字符注:代码和=控制域+地址域(不考虑溢出位,即256模和)2.2————启动字符1(1byte)————长度(1byte)————长度(重复)(1byte)————启动字符2(重复)(1byte)————控制域(1byte)————地址域(1byte)————链路⽤户数据[(length-2)byte]————代码和(1byte)————结束字符(1byte)注:(1)代码和=控制域+地址域+ ASDU代码和(不考虑溢出位,即256模和)(2)ASDU为“链路⽤户数据”包,具体格式将在下⽂介绍(3)Length=ASDU字节数+22.3 控制域控制域分“主从”和“从主”两种情况。
(1)“主从”报⽂的控制域D7 D6 D5 D4 D3 D2 D1 D0备⽤PRM FCB FCV 功能码0 11(A)PRM(启动报⽂位)表明信息传输⽅向,PRM=1由主站⾄⼦站;PRM=0由⼦站⾄主站。
(B)FCB(桢记数位)。
FCB = 0 / 1——主站每向从站发送新⼀轮的“发送/确认”或“请求/响应”传输服务时,将FCB取反。
主站为每个从站保存⼀个FCB的拷贝,若超时未收到应答,则主站重发,重发报⽂的FCB保持不变,重发次数最多不超过3次。
第一部分 103规约的解释1. 用户数据分类IEC60870-5-103:继电保护设备信息接口配套标准(简称103规约)用户数据分为两类,即一级用户数据和二级用户数据。
我公司除了遥测量报文用二级数据外,其他报文一律用一级报文。
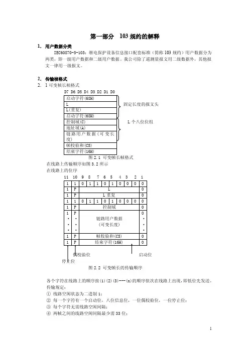
2. 传输桢格式2. 1可变桢长桢格式D7 D6 D5 D4 D3 D2 D1 D0固定长度的报文头 个八位位组在线路上传输顺序如图3.2所示 在线路上的位序11 10 9 8 7 6 5 4 3 2 1图2.2 可变帧长的传输顺序各个字符在线路上的顺序按(1)(2)(3)---(n)的顺序依次在线路上出现,即低位先发送。
传输规定:① 线路空闲状态为二进制1;② 每一个字符有一个启动位,八位信息位,一位偶校验位,一位停止位; ③ 每个字符无需线路空闲间隔;④ 两帧之间的线路空闲间隔最少需33位;⑤长度L包括控制域、地址域,用户数据区的8位位组的个数,为二进制数;⑥帧校验和复控制、地址、用户数据区八位位组的算术和(不考虑溢出位即256模和);⑦接受校验 (A) 每个字符的启动位、停止位、偶校验位;(B) 检验两个启动字符、两个L值应一致、接受字符数为L+6、帧校验和、结束字符,若检出一个差错,舍弃此帧数据,并检验空闲间隔。
2.2固定帧长帧格式D7 D6 D5 D4 D3 D2 D1 D0图2.3固定帧长帧格式在线路上传送位序11 10 9 8 7 6 5 4 3 2 1图2.4固定帧长帧格式传输顺序各个字符在线路上的顺序按(1)(2)(3)---(n)的顺序依次在线路上出现,即低位先发。
传输规定:①-④同可变帧长的传输规定①-④;⑤此种帧无帧长;⑥帧校验和是控制、地址的算术和(不考虑溢出位即256模和);⑦接受校验:(A) 每个字符的启动位、停止位、偶校验位;(B) 校验启动字符、帧校验和、结束字符,若检出一个差错,舍弃此帧数据,并校验空闲间隔;(C) 在校验中,如无差错数据有效。
103规约下测控功能处理一、预备知识103和104规约转换公式104规约中只判别公共地址(扇区地址)和信息序号,103规约中判别公共地址、报文类型、功能类型和信息序号,103和104规约转换公式如表1所示,表中数据除特殊说明外均为十进制数据。
注:ASDU_41的INF在总召唤时改成对应的ASDU_40上送,ASDU_43的INF在总召唤时改成对应的ASDU_42上送。
装置告警和事件信息按照测控单点遥信ASDU_41上送。
二、遥控功能1、应用程序函数1)INT FCK_RcmdHandle( void * pPara, int sta )函数功能:遥控功能主函数,定义“联锁/解锁”和“手合同期开入”管脚。
调用Receive_RemoteCommand(遥控命令接收)、Handle_RemoteOutput(遥控开出处理)、State_OverTimer_Check(遥控超时判定)和Check_mmi_Relay_Reply(MMI 的启动继电器报文回复监视)函数。
2)INT Receive_RemoteCommand( INT nHandSynChn )函数功能:遥控命令接收处理,包括手合同期命令处理。
调用平台函数XJ_ReadCommand 读取命令,响应各类遥控命令,触发遥控操作记录报文,并根据遥控类型判别选择、执行和撤销操作条件是否满足并上送返校信息。
3)INT Handle_RemoteOutput()函数功能:依据逻辑判定的结果,遥控开出。
调用Fck_Output_Output执行开出。
4)INT State_OverTimer_Check()函数功能:遥控超时判定,超时时间固定为30s。
5)void KeepReomteOpRecord( GW_COMMAND temp, StruVldRcmd * pVldRcmd ) 函数功能:更具遥控类型和遥控名称组合遥控操作记录报文。
6)UNSIGNED VerifyRemoteSta( StruVldRcmd * pVldRcmd )函数功能:根据是否配置闭锁开入以及闭锁开入状态确认远方状态。
103规约简单说明一、UDP广播信息通知保护单元,测控单元,主机的IP地址并可以建立TCP/IP连接。
1.综自后台UDP广播信息若IP=172.20.10.30,172.20.10.30:1032 --每次相同收:ff 00 00 00 00 00 00 00 00 00 6c 33 65 33 78 36 00 00 00 00 00 00 00 .........l3e3x6.......00 00 00 00 00 00 00 00 00 00 00 00 00 00 00 00 00 00 00 00...................2.PSX600广播信息IP=172.20.20.23:1032 --每次不同收:ff 01 db 7c 37 0e 90 0a 03 50 53 58 20 36 30 30 30 20 56 31 2e 30 37 ...|7....psx 600 v1.0700 00 00 00 00 00 00 00 00 00 00 00 00 00 00 00 00 00 00 00 ...................收:ff 01 7b 09 38 0e 90 0a 03 50 53 58 20 36 30 30 30 20 56 31 2e 30 37 ..}.8....psx 600 v1.0700 00 00 00 00 00 00 00 00 00 00 00 00 00 00 00 00 00 00 00 ...................二、103帧格式数据单元标识符(4字节)={TYP,VSQ,COT,公共地址};其中前两项=数据单元类型。
信息体={信息体标识符2字节,信息元素集,信息体时标(任选)4字节};信息体标识符={功能类型FUN,信息序号INF};信息体时标={时标ms,时标min,时标hour}。
实际应用中使用通用分类服务功能:应用服务数据单元公共地址=<0>不用; <1~254> 某单元的CPU号<255>广播地址。
变电站保护和测控系统站内传输规约一. 前言1.本规约参考了IEC60870-5-103(继电保护设备信息接口配套标准)传输规约(以下简称103规约),采用103规约的应用服务数据单元。
根据103规约的要求,新研制的保护、测量、控制设备必须采用该配套标准的兼容范围,不能满足的部分采用通用分类服务完成。
因此本协议适用于新研制的产品。
对于对等网形式多主站或单主站的网络结构,为充分发挥网络的优势,自(特)发事件及变化数据必须主动上传,因此在103规约的基础上(仅采用103规约的应用服务数据单元),链路层采用网络传输规则(包含源和目的地址、数据是否有效传送等)。
2.传输帧格式采用可变帧长帧格式。
3.应用服务数据单元本规约采用103规约定义的应用服务数据单元,链路规约数据单元中不得包含多于一个的应用服务数据单元。
4.报文信息的分类及优先级5.本协议将主站和子站的报文信息按照发送的优先级分为以下几种类型图1-2报文的优先级5.链路服务级别本标准采用3级链路服务级别,如图1-3所示图1-3通信采用的链路服务级别6.链路传输规则:采用平衡和非平衡两种传输方式。
由主站启动的传输服务,采用窗口尺寸为1的非平衡传输方式。
由子站启动触发的传输服务,采用链路服务级别s1(发送/无回答)的服务方式遥信变位、遥测变化、SOE事件、操作结果、循环传送的测量量和状态量等采用子站启动触发的传输服务规则。
子站无数据变化或无事件发生时,不主动发生事件启动触发传输服务,只按非平衡式链路传输规则进行传输。
子站循环传送的测量量和状态量,也可由主站总查询。
二.报文类型及用途1.1 由主站发往子站的报文(控制方向)三.报文定义可变帧长报文说明:应用服务数据单元公共地址<0~255>:多CPU时作为CPU分地址,第1个地址从1开始,依次递增,但不等于<255>。
<255>为广播地址。
1.1下行报文(控制方向)1.1.1 兼容报文1注1:实时时钟采用二进制表示。
第一篇兼容范围本标准提供了继电保护设备(或测控设备)的信息接口规范。
本标准适用于将继电保护和测量控制功能组合在一个设备内,只有一个通讯口的设备的信息接口,以及继电保护和测量控制功能分别由不同设备完成其功能的设备的信息接口。
本规约属于问答式规约。
在任何情况下,子站都不准主动向主站发送信息。
注:本配套标准定义的继电保护信息的兼容级别2的专用范围的类型标识和信息序号,只适应于国内已经生产的那些继电保护设备,在硬件方面改动比较困难时,可以使用本配套标准的专用范围,对于新的继电保护设备如果兼容范围还不能满足,不能满足要求的部分必须采用通用服务来实现。
控制功能采用本配套标准的通用服务来完成。
国内已经生产的测量,控制智能终端只有在硬件方面较难适应通用服务的要求时,才可使用本配套标准所定义的专用范围。
第一章通信帧说明通讯帧格式如下所示:1·固定帧长帧格式2·可变帧长帧格式传输规定:a) 线路空闲状态为二进制1。
b) 每一个字符有一个启动位,八位信息位,一位偶校验位,一位停止位。
c) 每个字符间无需线路空闲间隔。
d) 两帧之间的线路空闲间隔最少为33位。
e) 长度L 包括控制域,地址域,链路用户数据区的8位位组的个数,为二进制数。
f) 帧校验和是控制域,地址域,链路用户数据区的8位位组的算术和(不考虑溢出位)。
g) 接受校验:1)每个字符的启动位、停止位、偶校验位2) 校验两个启动字符,两个L 值应一致,接受字符数为L+6、帧校验和、结束字符。
若检出一个差错,舍弃此帧数据,并校验空闲间隔。
3) 在校验中,如无差错则数据有效。
1·启动报文位:PRM=1,表示是由控制系统向继电保护设备传输,控制系统为启动站。
PRM=0,表示由继电保护设备向控制系统传输,继电保护设备为从动站。
2· 帧计数位FCB :控制系统向同一个继电保护设备传输新一轮...的发送/确认或请求/响应传输服务时,将帧计数位FCB 取反..,控制系统为每一个继电保护设备保留一个帧计数位的拷贝,若超时未从继电保护设备收到所期望的报文,或接受出现差错,则控制系统不改变帧计数位FCB 的状态,重传原报文,重传次数为3次,若控制系统正确收到继电保护设备的报文,则该一轮的发送/确认或请求/响应传输服务结束。
许继103规约使用说明一.规约使用范围使用范围:9793装置296扩展板装置类型:保护测控通讯介质:串口运行程序:CM1423.hex规约号号:77装置名称:许继公司保护装置。
二.规约转换内容本规约具有转换硬压板、软压板、动作事件、运行告警、遥测、定值、定值区号、系统对时、信号复归。
三.装置相关信息CPU个数=1CPU1地址号=1 //根据CPU个数对应CPU序号,下面同定值区号组号=5定值组号=10定值个数_CPU1=5动作元件组号=25动作元件个数_CPU1=5动作元件条目_CPU1=146,147,156,157,161,运行告警组号=15运行告警个数_CPU1=7运行告警条目_CPU1=44,45,46,47,48,49,50,硬压板组号=40硬压板个数_CPU1=2硬压板条目_CPU1=40,45,软压板组号=50软压板个数_CPU1=3软压板条目_CPU1=77,78,89,修改软压板个数_CPU1=3 // 指修改软压板时ASDU20中所指明的INF个数,下面是具体条目修改软压板条目_CPU1=118,31,112,遥测组号=30 //缺省值为0, 如果有遥测才定义遥测个数_CPU1=5遥测个数_CPU2=10装置总召唤定时(秒)=600请求二级数据定时(秒)=0事件加恢复报文=0 //如果=1,表示收到装置事件自动加恢复报文总召唤填CPU地址标志=1 //总召唤是否区分CPU地址。
缺省值=0,软压板数据类型_9=1 //指软压板组态中是否采用数据类型9,=1采用,=0不采用,缺省值=0招定值采用CPU地址=1 //指召唤定值的时候是否采用CPU地址号使用定值序号=1 //指装置定值报文中排列组号是否采用其序号序号从0开始=1 //指装置定值报文中定值序号是否从0开始修改定值允许=0 //指是否支持修改软压板(暂不支持修改定值,出问题不好分清责任)单条修改定值=1//如果保护支持单条修改定值,将此置1;如果保护支持多条修改定值,则将此置0。
四方保护与测控装置103规约实施细则(V1.00)四方保护与测控装置103规约实施细则(V1.00)编制:李继晟、谭燕、叶艳军、张晓光校核:武芳瑛标准化审查:田蘅审定:高峰版本号:V1.00文件代号:0SF.499.002出版日期:2005-6-17目录1 前言 (1)2 物理接口 (1)2.1 串行通信方式 (1)2.2 以太网通信方式 (1)3 链路层 (1)3.1 FT1.2帧格式 (1)3.1.1 固定帧长格式 (1)3.1.2 可变帧长格式 (1)3.2 传输规定 (1)3.2.1 控制域 (2)3.2.2 功能码 (2)3.2.3 地址域 (3)4 链路规约数据单元(LDPU) (3)4.1 固定帧长的链路规约数据单元 (3)4.1.1 控制方向 (3)4.1.2 监视方向 (4)4.2 可变帧长的链路规约数据单元 (5)4.2.1 类型标识 (5)4.2.2 可变结构限定词 (6)4.2.3 传送原因 (6)4.2.4 功能类型和信息序号 (7)4.2.5 信息元素 (8)4.2.5.1 实际通道(ACC) (8)4.2.5.2 ASCII字符(ASC) (9)4.2.5.3 兼容级别(COL) (9)4.2.5.4 双命令(DCO)(见IEC 371-03-03) (9)4.2.5.5 双点信息(DPI)(见IEV 371-03-08) (9)4.2.5.6 故障序号(FAN) (9)4.2.5.7 信息元素之间间隔(INT) (9)4.2.5.8 带品质描述词的被测值(MEA) (9)4.2.5.9 应用服务数据单元的第一个信息元素的序号(NFE) (10)4.2.5.10 通道数目(NOC) (10)4.2.5.11 一个通道信息元素的数目(NOE) (10)4.2.5.12 电网故障序号(NOF) (10)4.2.5.13 带标志的状态变位数目(NOT) (10)4.2.5.14 每个应用服务数据单元有关联扰动值的数目(NDV) (10)4.2.5.15 相对时间(RET) (10)4.2.5.16 参比因子(RFA) (11)4.2.5.17 额定一次值(RPV) (11)4.2.5.18 额定二次值(RSV) (11)4.2.5.19 返回信息标识符(RII) (11)4.2.5.20 短路位置(SCL) (11)4.2.5.21 扫瞄序号(SCN) (11)4.2.5.22 单个扰动值(SDV) (11)4.2.5.23 附加信息(SIN) (11)4.2.5.24 故障的状态(SOF) (12)4.2.5.25 带标志的状态变位的位置(TAP) (12)4.2.5.26 命令类型(TOO) (12)4.2.5.27 扰动值的类型(TOV) (13)4.2.5.28 四个八位位组的二进制时间 (13)4.2.5.29 七个八位位组的二进制时间 (13)4.2.5.30 通用分类数据集数目(NGD) (14)4.2.5.31 通用分类标识序号(GIN) (14)4.2.5.32 通用分类数据描述(GDD) (14)4.2.5.33 通用分类标识数据(GID) (16)4.2.5.34 描述的类别(KOD) (16)4.2.5.35 描述元素的数目 (18)4.2.5.36 通用分类回答码 (18)4.2.5.37 通用分类标识数目 (19)5 常用ASDUs的定义和表示法 (19)5.1 初始化及总召唤 (19)5.1.1 传输过程说明 (19)5.1.2 ASDU解释 (19)5.1.2.1 ASDU5标识报文 (19)5.1.2.2 ASDU6对时 (20)5.1.2.3 ASDU7启动总查询 (20)5.1.2.4 ASDU8总查询结束(终止) (20)5.1.2.5 ASDU21启动通用分类服务总查询 (21)5.1.2.6 ASDU10通用分类服务总查询结束 (21)5.1.3 报文示例 (21)5.2 遥信 (23)5.2.1 传输过程说明 (23)5.2.2 ASDU解释 (23)5.2.2.1 ASDU1开入、压板、告警事件 (23)5.2.2.2 ASDU42上送全遥信(保护、测控一体设备) (23)5.2.2.3 ASDU2上送保护动作信息 (24)5.2.3 报文示例 (24)5.2.3.1 全遥信收集 (24)5.2.3.2 变位遥信 (25)5.3 遥测 (26)5.3.1 传输过程说明 (26)5.3.2 ASDU解释 (26)5.3.2.1 ASDU21通用分类读命令(读一个组的值) (26)5.3.2.2 ASDU10上送遥测量 (26)5.3.2.3 ASDU21启动通用分类服务总查询 (27)5.3.2.4 ASDU10通用分类服务总查询结束 (27)5.3.3 报文示例 (27)5.4 分接头 (28)5.4.1 传输过程说明 (28)5.4.2 ASDU解释 (28)5.4.2.1 ASDU38分接头 (28)5.4.3 报文示例 (28)5.5 电度 (28)5.5.1 传输过程说明 (28)5.5.2 ASDU解释 (29)5.5.2.1 ASDU21组召唤 (29)5.5.2.2 ASDU10响应组召唤 (29)5.5.3 报文示例 (29)5.6 时钟同步 (29)5.6.1 传输过程说明 (29)5.6.2 ASDU解释 (29)5.6.2.1 ASDU6时钟同步 (29)5.6.2.2 ASDU6响应时钟同步 (29)5.6.3 报文示例 (29)5.6.3.1 广播方式 (29)5.6.3.2 点对点方式 (30)5.7 复归LED (30)5.7.1 传输过程说明 (30)5.7.2 ASDU解释 (30)5.7.2.1 ASDU20复归LED (30)5.7.2.2 ASDU1响应一般命令 (30)5.7.3 报文示例 (31)5.7.3.1 广播方式 (31)5.7.3.2 点对点 (31)5.8 定值 (31)5.8.1 传输过程说明 (31)5.8.2 ASDU解释 (32)5.8.2.1 ASDU21定值召唤 (32)5.8.2.2 ASDU10定值上传 (33)5.8.2.3 ASDU10定值下传(带确认写) (33)5.8.2.4 ASDU10响应定值下传(带确认写) (34)5.8.2.5 ASDU10定值修改(带执行写) (34)5.8.2.6 ASDU10响应定值修改(带执行写) (35)5.8.2.7 ASDU21定值区号召唤 (35)5.8.2.8 ASDU10定值区号上传 (36)5.8.2.9 ASDU10定值区切换 (36)5.8.3 报文示例 (36)5.8.3.1 读取一个CPU的所有定值 (36)5.8.3.2 读取单条定值 (37)5.8.3.3 读当前定值区号 (38)5.8.3.4 修改定值 (38)5.8.3.5 切换当前定值区 (38)5.9 遥控(遥控开出与遥控软压板) (38)5.9.1 传输过程说明 (38)5.9.2 ASDU解释 (39)5.9.2.1 ASDU10遥控选择(带确认写) (39)5.9.2.2 ASDU10响应遥控选择(带确认写) (39)5.9.2.3 ASDU10遥控执行(带执行写) (40)5.9.2.4 ASDU10响应遥控选择(带执行写) (40)5.9.3 报文示例 (40)5.10 分接头升降 (41)5.10.1 传输过程说明 (41)5.10.2 报文示例 (41)5.11 扰动数据的传输 (41)5.11.1 传输过程说明 (41)5.11.2 ASDU解释 (42)5.11.2.1 ASDU23被记录的扰动表 (42)5.11.2.2 ASDU24扰动数据传输的命令 (42)5.11.2.3 ASDU26扰动数据传输准备就绪 (43)5.11.2.4 ASDU28带标志的状态变位传输准备就绪 (44)5.11.2.5 ASDU29带标志的状态变位传输 (44)5.11.2.6 ASDU31扰动数据传输结束 (44)5.11.2.7 ASDU27被记录的通道传输准备就绪 (45)5.11.2.8 ASDU30传输扰动值 (45)5.11.2.9 ASDU25扰动数据传输的认可 (46)5.11.3 报文示例 (46)5.12 保护事件参数 (49)5.12.1 传输过程说明 (49)5.12.2 ASDU解释 (49)5.12.2.1 保护事件参数ASDU10 (49)5.12.3 报文示例 (52)1 前言本细则是基于电力行业标准DL/T 667-1999 ( idt. IEC 60870-5-103)下的通信接口规范,适用于四方产品范围内继电保护和测量控制功能一体化的设备、以及继电保护和测量控制功能分别由不同装置完成的设备。
变电站保护和测控系统站内传输规约一. 前言1.本规约参考了IEC60870-5-103(继电保护设备信息接口配套标准)传输规约(以下简称103规约),针对不同的网络结构,提出了2种链路传输方式,但都采用103规约的应用服务数据单元。
根据103规约的要求,新研制的保护、测量、控制设备必须采用该配套标准的兼容范围,不能满足的部分采用通用分类服务完成。
因此本协议适用于新研制的产品。
1.1 标准的103规约传输方式(以下简称方式1)本方式只适用于一主多从的网络结构,如:多点星形、多点环形、多点共线;当然也适用于点对点和多个点对点。
其链路传输规则采用窗口尺寸为1的非平衡传输方式。
传统的RS-485网络采用本方式。
2.2 扩充的103规约传输方式(以下简称方式2)对于对等网形式多主站或单主站的网络结构,为充分发挥网络的优势,自(特)发事件及变化数据必须主动上传,因此在方式1的基础上(仅采用103规约的应用服务数据单元),链路层采用网络传输规则(包含源和目的地址、数据是否有效传送等)。
以太网结构可采用本方式。
2.传输帧格式方式1采用两种形式的帧格式FT1.2(P85):固定帧长帧格式和可变帧长帧格式。
固定帧长帧格式是一种简化的非标准的传输帧格式,用于提高本方式下的传输效率。
方式2采用可变帧长帧格式。
3.应用服务数据单元P8本规约采用103规约定义的应用服务数据单元,链路规约数据单元中不得包含多于一个的应用服务数据单元。
兼容范围的应用服务数据单元中:类型标识TYP=<1~31>(见P10);传送原因CON=<1~63>(P11);应用服务数据单元公共地址:<0~254>为站地址、<255>为广播地址;功能类型FUN=<128>距离保护、<160>过流保护、<176>变压器差动保护、<192>线路差动保护、<254>通用分类功能类型、<255>全局功能类型;信息序号INF(P12~17,表8~18);兼容范围内的信息优先使用,以提高报文的响应速度。
四方多地址103规约使用说明一.规约使用范围使用范围:9793装置296扩展板装置类型:保护测控通讯介质:串口运行程序:CM1510.hex规约号号:232装置名称:四方多地址103规约二.规约转换内容本规约具有转换遥信、遥测、遥控、遥脉、动作元件、运行告警、定值、定值区号、硬压板、软压板、保护测量、波形、接地试跳功能。
支持双机功能。
三.装置相关信息CM1500格式=1 // 1=使用CM1500的组态文本格式(配置文本名称:r103_xxx-1.00.ini)//使用CM1510.hex程序,设置“CM1500格式=1”,按CM1500格式组态。
//下面的组态文本格式说明只针对CM1510.hex程序!公司名称=四方公司装置名称=CSC-336A3规约号=232//下面配置为配置全表,项目有且不为缺省值时才定义,否则不定义。
电网故障序号=0 //有波形转送需要定义过路组数=3 //装置支持过路组方式使用,与下面转发组定义一致转发组=1转发组=4转发组=9FUN 定义= 210,211硬压板组号=12,13 //可以分多组,与fun对应硬压板条目_1=3,4,5,6,7,8,9,246,硬压板条目_2=3,4,5,6,7,8,9,246,运行告警组号=14,18 //可以分多组,与fun对应运行告警条目_1=38,39,40,41,42,43,44,45,46,47,48,49,50,51,52,53,运行告警条目_2=44,88动作元件组号=13,17, //可以分多组,与fun对应动作元件条目_1=10,11,12,14,16,17,动作元件条目_2=116,117,遥信组号=22,23 //可以分多组,与fun对应遥信个数_1=23遥信条目_1=190遥信个数_2=16遥信条目_2=90过滤遥信变位=0 //缺省值为0。
如果asdu40且cot为1,过虑不上送(soe可能送2次)。
定值区号组号=4定值组号=1,2,3定值个数=6,18,7 //如果需要定值缓存才定义。
二、103规约在Siprotec 中的具体应用1、103规约采用两种信息交换方法:一种方法是基于严格规定的应用服务数据单元(ASDU )和标准化的报文传输应用过程、方法;另一种方法是采用通用分类服务。
2、 主要的通讯过程 2.1 遥测a) 采集过程Station Unit 平时依次对每个间隔单元召唤2级用户数据(遥测值),测控装置以ASDU9 (09H ) 或者ASDU3 (03H )响应。
ASDU3 只可以传送4个值,ASDU9为16个。
具体可以见 《Additional Information for users of the IEC 60870-5-103 Communication Interface in SIPROTEC Protection Relays 》。
b) ASDU 解释c) 报文示例:10 5b 0f 01 16 Station Unit 对地址为1的装置要2级数据有16个模拟量 测量值1被测值计算说明: OV : [1] <0~1> , <0>:= 无溢出, <1> := 溢出ER: [2]<0~1> , <0> := 数值有效, <1>:= 数值无效 RES: [3] 未用S:[4] <0~1> <0>:= 正数, <1> := 负数数值部分采用为满码值的百分比, 对于siprotec 4 的装置,最大值为2! " =+/- 4096 = +/-240% , 即最大值对应满码值.,最大值与装置型号有关.。
公式如下:额定值 X 240% = 二次值(12位) 4096 报文(除了三位 品质描述+ 1位符号位)我做了实验以后,找出了简单的方法,但只是针对正数有效。
例如:测量值1 =1530h , 解释为“正数,有效, 无错误”, 1530缩小8倍后,再除上满码值1706,即公式为报文值*二次额定值/(8*1706), 该值为二次侧的2724倍.1530h = 5424/2724 = 2, 即二次侧为2A ,略有偏差;测量值5 =3558h , 解释为“正数,有效, 无错误”, 经过测试总结, 该值为二次侧的236倍.3558h = 5424/236 = 2, 即二次侧为57.73V ,略有偏差;当然, DIGSI中的Power_Data_system1 Power_Data_system2 的CT与PT需要定义一致。
一.报文定义1.固定帧长报文1.1由主站发往子站的报文1.2 由子站应答报文(功能码)1.1 下行报文(控制方向)1.1.1 复位帧计数位、复位通信单元P941.1.2召唤1级用户数据P951.1.3召唤2级用户数据P951.1.41.2 上行报文(监视方向)P95~96 1.2.11.2.21.2.31.2.42.可变帧长报文2.1下行报文(控制方向)2.1.1 兼容报文2注1:实时时钟采用二进制表示。
2.1.1.2 总查询(总召唤)的启动ASDU722.1.2 通用报文22.1.2.2 通用分类命令ASDU212.2 上行报文(监视方向)2.2.1 兼容报文2.2.1.5 标识报文P2722注:本报文反映了1个条目的1个值或多个属性。
2.3通用分类服务标识序号分类通用分类服务标识序号分为下列组类型,每组可定义256个条目,并规定00号条目为组标题。
组标题有2个属性:“条目数”-UI,在本组中已定义的条目数,含组标题本身;“描述”-OS8ASCII,组标题名)组号功能00H 系统类(所有保护及自动装置的系统参数及功能、定值区切换)01H 系统类02H 定值类03H 定值类04H 事件类(动作及状态事件)05H 事件类(如告警事件)06H 遥测类(保护测量值)07H 遥测类(如电流、电压、功率、频率、水位、温度等)08H 遥信类(如刀闸、开关、信号、状态等)09H 遥信类0AH 电量类0BH 遥控开关类(跳/合)0CH 遥控分头类(升/降)0DH 遥调类(DA输出)0EH 遥控压板类(保护功能投/退)0FH 调试及操作信息类(用于装置的调试及操作记录)10H 小电流接地选线类信息11H 报告类信息18H 带时标的遥信类(如刀闸、开关、信号、状态等)对于测量一类的数据,如遥测类、遥信类、电量类等,可用通用报文读;对于控制一类的数据,如定值类、遥控类、遥调类、定值切换类等,可用通用报文带确认写三、报文示例装置发0aH通用报文回答对遥信类:对遥测类:其余依此类推3.2主动上送主动上送报文标识为:0aH 81H 01H… 格式及意义与上述总查询装置上送报文相同.条件: 如有事件发生或保护动作时上送.报文解释:0A 81 01 14 FE F4 00 01 18 0B 01 12 06 01 01 5D B6 14 11 00 14 000A 81 01----- 主动上传事件14 ------装置CPU地址号为20FE F4 00------不特殊说明,同上。
103规约-初始化过程(示例)2007-06-2710:34以下是我中心与某厂家装置通信过程初始化报文,对部分报文加以分析,与各位分享。
M->S1Phy1040014116Dat PRM=1FCV=0Reset CU Address=01App注:主站复位通信单元,子站应删除缓冲区内的报文.S->M2Phy1020012116Dat PRM=0ACD=1DFC=0ACK Address=01AppM->S3Phy107A017B16Dat PRM=1FCB=1FCV=1Request user data class1Addre ss=01AppS->M4Phy6816166828010A810101FE F40001017B011206 010********C00E916Dat L=22PRM=0ACD=1DFC=0User data Address=01 Link user data=0A81...0C00App Generic data(=10)SQ=1Number of elements=1Cause of transmission:Spontaneous(=1)Common address=01Function type=254(Generic function type)INF=244(Read value or attribute of a single entry)Return information identifier(RII)=0Number of generic data sets(NGD):no=1,count=0,cont=0Generic identification number(GIN):group=1,entry=123 (ENTRY identifier)Kind of description(KOD):Actual value Generic data description:(datatype=18,datasize=6,number=1,cont=0)General identification data:(DPI=ON Time:valid, standard,12:17:29.974Supplementary information(SIN)=0)注:错误-采用通用分类服务上送的事件信息,在复位CU命令下仍然能够传输.按照规约,此时子站清空发送缓冲区,且应马上回复复位确认信息(ASDU5).M->S5Phy105A015B16Dat PRM=1FCB=0FCV=1Request user data class1Addre ss=01AppS->M6Phy6816166828010A810101FE F400010172011206 010********C00D716Dat L=22PRM=0ACD=1DFC=0User data Address=01 Link user data=0A81...0C00App Generic data(=10)SQ=1Number of elements=1Cause of transmission:Spontaneous(=1)Common address=01Function type=254(Generic function type) INF=244(Read value or attribute of a single entry)Return information identifier(RII)=0Number of generic data sets(NGD):no=1,count=0,cont=0Generic identification number(GIN):group=1,entry=114(ENTR Y identifier)Kind of description(KOD):Actual value Generic data description:(datatype=18,datasize=6,number=1,cont=0)General identification data:(DPI=ON Time:valid,stan dard,12:17:33.025Supplementary information(SIN)=0)M->S7Phy107A017B16Dat PRM=1FCB=1FCV=1Request user data class1Addre ss=01AppS->M8Phy6816166828010A810101FE F40001017F011206 010********C00E416Dat L=22PRM=0ACD=1DFC=0User data Address=01 Link user data=0A81...0C00App Generic data(=10)SQ=1Number of elements=1Cause of transmission:Spontaneous(=1)Common address=01Function type=254(Generic function type)INF=244(Read value or attribute of a single entry)Return information identifier(RII)=0Number of generic data sets(NGD):no=1,count=0,cont=0Generic identification number(GIN):group=1,entry=127 (ENTRY identifier)Kind of description(KOD):Actual value Generic data description:(datatype=18,datasize=6,number=1,cont=0)General identification data:(DPI=ON Time:valid, standard,12:17:33.025Supplementary information(SIN)=0)M->S9Phy105A015B16Dat PRM=1FCB=0FCV=1Request user data class1Addre ss=01AppS->M10Phy6816166828010A810101FE F40001017B011206 010235B7110C004A16Dat L=22PRM=0ACD=1DFC=0User data Address=01 Link user data=0A81...0C00App Generic data(=10)SQ=1Number of elements=1Cause of transmission:Spontaneous(=1)Common address=01Function type=254(Generic function type)INF=244(Read value or attribute of a single entry)Return information identifier(RII)=0Number of generic data sets(NGD):no=1,count=0,cont=0Generic identification number(GIN):group=1,entry=123 (ENTRY identifier)Kind of description(KOD):Actual value Generic data description:(datatype=18,datasize=6,number=1,cont=0)General identification data:(DPI=ON Time:valid, standard,12:17:46.901Supplementary information(SIN)=0)M->S11Phy107A017B16Dat PRM=1FCB=1FCV=1Request user data class1Add ress=01AppS->M12Phy6816166828010A810101FE F400010172011206 010189B7110C009416Dat L=22PRM=0ACD=1DFC=0User data Address=01 Link user data=0A81...0C00App Generic data(=10)SQ=1Number of elements=1Cause of transmission:Spontaneous(=1)Common address=01Function type=254(Generic function type)INF=244(Read value or attribute of a single entry)Return information identifier(RII)=0Number of generic data sets(NGD):no=1,count=0,cont=0Generic identification number(GIN):group=1,entry=114 (ENTRY identifier)Kind of description(KOD):Actual value Generic data description:(datatype=18,datasize=6,number=1,cont=0)General identification data:(DPI=OFF Time:valid, standard,12:17:46.985Supplementary information(SIN)=0)M->S13Phy105A015B16Dat PRM=1FCB=0FCV=1Request user data class1Addr ess=01AppS->M14Phy6816166828010A810101FE F40001017F011206 0101A4B7110C00BC16Dat L=22PRM=0ACD=1DFC=0User data Address=01 Link user data=0A81...0C00App Generic data(=10)SQ=1Number of elements=1Cause of transmission:Spontaneous(=1)Common address=01Function type=254(Generic function type) INF=244(Read value or attribute of a single entry)Return information identifier(RII)=0Number of generic data sets(NGD):no=1,count=0,cont=0Generic identification number(GIN):group=1,entry=127(ENT RY identifier)Kind of description(KOD):Actual value Generic data description:(datatype=18,datasize=6,number=1,cont=0)General identification data:(DPI=OFF Time:valid,st andard,12:17:47.012Supplementary information(SIN)=0)M->S15Phy107A017B16Dat PRM=1FCB=1FCV=1Request user data class1Addr ess=01AppS->M16Phy68151568280105810401010303554E49544544 203939313141B916Dat L=21PRM=0ACD=1DFC=0User data Address=01 Link user data=0581 (3141)App Identification(=5)SQ=1Number of elements=1Cause of transmission:Reset communication unit (CU)(=4)Common address=01unction type=1(Private)INF=3 (Reset CU)Compatibility level(COL)=3(With use of generic services)ASCII=XXXXManufacturer's internal software identification=XXX注:采用传输原因4回复主站复位CU命令.但响应优先级应较高(即在发送缓冲区内所有信息之前).M->S17Phy105A015B16Dat PRM=1FCB=0FCV=1Request user data class1Add ress=01AppS->M18Phy68151568080105810501010403554E495445 442039393131419B16Dat L=21PRM=0ACD=0DFC=0User data Address=01 Link user data=0581 (3141)App Identification(=5)SQ=1Number of elements=1Cause of transmission:Start/restart(=5)Common address=01Function type=1(Private)INF=4 (Start/restart)Compatibility level(COL)=3(With use of generic services)ASCII=UNITED9Manufacturer's internal software identification=911A 注:上送"启动/重启动"信号,其功能采用自定义功能类型FUN=1.M->S19Phy680F0F68730106810801FF00792D120C B60A04 8B16Dat L=15PRM=1FCB=1FCV=1User data/confirm expected Address=01Link user data=0681...0A04App Time synchronisation(=6)SQ=1Number of elements=1Cause of transmission:Time synchronisation(=8)Common address=01Function type=255(Global function type)INF=0(Initiation/End of general interrogation/Time synchronisation)Time:valid,standard,Fri22-10-200412:18:11.641注:初始化后主站发送时钟同步命令.S->M20Phy1020012116Dat PRM=0ACD=1DFC=0ACK Address=01AppM->S21Phy105A015B16Dat PRM=1FCB=0FCV=1Request user data class1Addr ess=01AppS->M22Phy680F0F68080106810801FF00792D120C B60A04 2016Dat L=15PRM=0ACD=0DFC=0User data Address=01 Link user data=0681...0A04App Time synchronisation(=6)SQ=1Number of elements=1Cause of transmission:Time synchronisation(=8)Common address=01Function type=255(Global function type)INF=0(Initiation/End of general interrogation/Time synchronisation)Time:valid,standard,Fri22-10-200412:18:11.641注:子站回应时间与主站一致,值得推敲.因为按标准规定时钟同步命令响应报文时间应为子站收到命令一刻的当地时间,也就说,一般响应报文和主站发的报文时间基本是不一样的.国内许多厂家都简单处理为一致,严格讲不符合规约的规定.M->S23Phy68090968730107810901FF00010616Dat L=9PRM=1FCB=1FCV=1User data/confirm expected Address=01Link user data=0781 (0001)App General interrogation(=7)SQ=1Number of elements=1Cause of transmission:Initiation of general interrogation(=9)Common address=01Function type=255(Global function type)INF=0(Initiation/End of general interrogation/Time synchronisation)Scan number(SCN)=1注:站初始化后的总召唤过程,值得注意的是很多厂家都不关心SCN扫描序号.实际上它很重要,子站可以根据不同的SCN区分主站不同批次的召唤命令并灵活处理.扫描序号的变化方式并没有规定,也就是说每次不同即可.S->M24Phy1020012116Dat PRM=0ACD=1DFC=0ACK Address=01AppM->S25Phy105A015B16Dat PRM=1FCB=0FCV=1Request user data class1AddrAppS->M26Phy680E0E68280101810901011202843E120C01AB 16Dat L=14PRM=0ACD=1DFC=0User data Address=01 Link user data=0181...0C01App Time-tagged message(=1)SQ=1Number of elements=1Cause of transmission:General interrogation(=9)Common address=01unction type=1(Private)INF=18 (Protection active)DPI=ONTime:valid,standard,12:18:16.004Supplementary information(SIN)=1(SIN means Scan number of the GI)注:很多人认为用ASDU1传送遥信效率不高(1次传1个点),但事实上规约就是这样的.当然行标对此进行了改进,采用了ASDU40/42/44/46作为总召唤用,可一帧传多个遥信.另外,行标还定义了ASDU41/43,作为传送状态变位报文,也是一帧多个遥信的,提高了通信效率,当然也加大了国内产品和国外产品的互联难度.M->S27Phy107A017B16Dat PRM=1FCB=1FCV=1Request user data class1Addr ess=01AppS->M28Phy68090968080108810A01FF00019D16Dat L=9PRM=0ACD=0DFC=0User data Address=01 Link user data=0881 (0001)App General interrogation termination(=8)SQ=1Number of elements=1Cause of transmission:Termination of general interrogation(=10)Common address=01Function type=255(Global function type)INF=0(Initiation/End of general interrogation/Time synchronisation)Scan number(SCN)=1注:总召唤结束,SCN扫描序号应与主站命令中相同.另外以上总召唤响应报文中的SIN(补充信息)也是与主站的SCN是相同的,这同样也便于了主站识别子站上送召唤信息的批次.M->S29Phy105B015C16Dat PRM=1FCB=0FCV=1Request user data class2AddrAppS->M30Phy1009010A16Dat PRM=0ACD=0DFC=0NACK:data not available Addre ss=01App以上是一个103规约站初始化的实例,有部分错误.反映出的主要问题就是:1.复位命令下设备发送缓冲区的清除问题.2.总召唤命令SCN与SIN/RII等的对应问题.3.复位命令响应的优先级问题.4.总召唤上送的状态量信息采用何种ASDU的效率问题.5.时钟同步命令应答帧的时标时间问题.6.自定义功能类型FUN所可能带来的互操作困难问题.。
103规约转出软件实验报告(改进版)1、初始化●主站发: 10 40 04 44 16目的:给地址为04的装置发复位通信单元命令。
10 //固定帧长起始字符40 //控制域04 //4416子站回答:10 20 04 24 16目的: ACD位置1,表明子站向主站请求1级数据上送。
●主站发: 10 7a 04 7e 16目的:向地址为04的装置发请求1级数据命令。
子站回答:68 15 15 68 28 04 05 81 04 04 b2 03 03 c4 cf c8 f0 bc cc b1 a3 0100 01 00 9b 16 (ASDU5,CON=28,COT=4)68 //启动字符15 //报文长度15 //报文长度68 //启动字符//控制域, 地址域, 类型标识, 可变结构限定词, 传送原因, 公共地址28 04 05 81 04 04//功能类型,信息序号, 兼容级别,8个ASCIIb2 03 03 c4 cf c8 f0 bc cc b1 a3//4个自由赋值01 00 01 00/////////////////////////////////////////////////////连路用户数据9b //校验和16 //结束字符(ASDU5,CON=28,COT=4)80 00目的:子站以ASDU5(复位通信单元)响应主站的召唤。
并ACD位置1,表明子站继续向主站请求1级数据上送。
●主站发:10 5a 04 5e 16目的:向地址为04的装置发请求1级数据命令。
子站回答:68 15 15 68 08 04 05 81 05 04 b2 04 03 c4 cf c8 f0 bc cc b1 a3 0100 01 00 7d 16 (ASDU5,CON = 08,COT=5)目的:子站以ASDU5(启动/重新启动)响应主站的召唤。
ACD 位置回0。
后面跟随时间同步和总查询。
结果分析:程序的行为完全正确。
103网关使用说明书1.概述103网关分串口103网关和网络103规约两种,采用西安丙坤103通信规约。
规约通道:串口103网关:串口1和串口2。
网络103网关:网口。
2.网页设置1)基本配置页面网关基本配置页面如图1所示。
其中第1、4、5、7项由程序自动生成,表明网关的类型、版本的基本信息。
必须设置的选项如下:a)网关地址:范围1、2、8。
b)电笛、电铃告警时间:范围1~99。
其它的可按照图中所示设置。
2)通信参数设置。
首先设置网口设置。
图中的IP地址是192.168.1.181,其中第四个参数181是180加网关地址,即180+1=181。
其中装置总数是指网络103连接的下属装置的数量。
可根据实际情况填写。
其它可按图中配置。
对于串口1和串口2 的配置,网络103没有使用,但使用的过程中应该按照下述的串口103的配置方法配置。
串口103网关可使用两个串口和下属保护装置进行通信。
串口1和串口2的通信参数分别在图1中的“串口一配置”和“串口二配置”中进行配置。
首先配置串口参数和下属装置相同,波特率可选2400bps、4800bps和9600bps三种速率。
注意下属保护装置的校验方式固定时“偶校验”方式。
然后根据实际情况填写各串口下面的“装置总数”。
串口103网关需要配置的选项是“串口一配置”和“串口二配置”。
推荐配置如下:a)串口参数:9600,8,1,偶。
如图所示。
b)根据实际情况填写“装置总数”。
如果“串口一配置”中,“装置总数”配了2个,“串口二配置”中,“连接装置总数”配了2个,那么串口一连接的装置地址应该为:1-2,串口二连接的装置地址应该为:3-4。
串口1和串口2是两个独立的网络。
c)其它可按照图中配置。
图1:基本配置页面图2:通信参数配置3)网口配置页面网口配置页面主要针对网络103网关。
如图3所示。
图中“装置X”表示装置地址为X的装置,第二项“IP地址”填写该装置的IP地址,第三项“备用地址”填写装置的地址,对于第一项“装置X”中的X。
一、DL/T667-1999(IEC60870-5-103)通信规约1. 通信接口1.1 接口标准:RS232、RS485、光纤。
1.2 通信格式:异步,1位起始位,8位数据位,1位偶校验位,1位停止位。
字符和字节传输由低至高。
线路空闲状态为1。
1.3 通信速率:可变。
默认96001.4 通信方式:主从一对多,Polling方式。
2. 报文格式60870-5-103通信规约有固定帧长报文和可变帧长报文两种报文格式,前者主要用于传送“召唤、命令、确认、应答”等信息,后者主要用于传送“命令”和“数据”等信息。
2.1 固定帧长报文10 H 启动字符CODE 控制域ADDR 地址域C S 代码和16 H 结束字符注:代码和=控制域+地址域(不考虑溢出位,即256模和)2.268 H ————启动字符1(1byte)Length ————长度(1byte)Length ————长度(重复)(1byte)68 H ————启动字符2(重复)(1byte)CODE ————控制域(1byte)ADDR ————地址域(1byte)ASDU ————链路用户数据[(length-2)byte]C S————代码和(1byte)16 H ————结束字符(1byte)注:(1)代码和=控制域+地址域+ ASDU代码和(不考虑溢出位,即256模和)(2)ASDU为“链路用户数据”包,具体格式将在下文介绍(3)Length=ASDU字节数+22.3 控制域控制域分“主从”和“从主”两种情况。
(1)“主从”报文的控制域D7 D6 D5 D4 D3 D2 D1 D0备用PRM FCB FCV 功能码0 11(A)PRM(启动报文位)表明信息传输方向,PRM=1由主站至子站;PRM=0由子站至主站。
(B)FCB(桢记数位)。
FCB = 0 / 1——主站每向从站发送新一轮的“发送/确认”或“请求/响应”传输服务时,将FCB取反。
主站为每个从站保存一个FCB的拷贝,若超时未收到应答,则主站重发,重发报文的FCB保持不变,重发次数最多不超过3次。
若重发3次后仍未收到预期应答,则结束本轮传输服务。
(C)FCV (桢记数有效位),FCV= 0表明FCB的变化无效,FCV=1表明FCB的变化有效。
发送/无回答服务、广播报文不考虑报文丢失和重复传输,无需改变FCB状态,这些桢FCV常为0(功能码帧类型功能描述FCV状态0 发送/确认帧复位通信单元03 发送/确认帧传送数据 14 发送/无回答帧传送数据07 复位帧计数位传送数据09 请求/响应帧召唤链路状态010 请求/响应帧召唤1级数据 111 请求/响应帧召唤2级数据 1(2) “从主”报文的控制域D7 D6 D5 D4 D3 D2 D1 D0备用PRM ACD DFC 功能码0 0(A) ACD(要求访问位)。
ACD = 1,通知主站,从站有I级数据请求传送。
(B) DFC(数据流控制位)。
DFC = 0表示从站可以接受数据,DFC =1表示从站缓冲区已满,无法接受新数据。
(C) 功能码(从---主方向)功能码帧类型功能0 确认帧确认1 确认帧链路忙,未收到报文8 响应帧以数据包响应请求帧9 响应帧从站没有所召唤的数据11 响应帧从站以链路状态响应主站请求2.4地址域地址域为主站与之通信的从站地址。
2.5 链路用户数据(ASDU)(1)ASDU数据单元标识符TYPE ASDU类型标识(1 byte) VSQ 可变结构限定词COT 传送原因ASDU_ADDR 应用服务数据单元公共地址信息体FUN 功能类型INF 信息序号信息元……(A) ASDUASDU的类型标识号,870-5-103通信规约出于传送各种不同类型信息的需要,规定了很多种格式的ASDU,每一种格式的信息体都不一样,并且都有一个唯一的标识号。
(B) 可变结构限定词(VSQ)它规定了ASDU信息体中信息元的个数和寻址方式D7 D6 D5 D4 D3 D2 D1 D0SQ 信息元数目SQ=1,信息体中只含单个元素或综合信息元,信息体地址(FUN和INF)即信息元地址SQ=0,信息体地址是顺序排列的信息元素的第一个信息元地址,后续信息元地址从这个地址起顺序加1。
(C) 传送原因(COT)。
指出报文的性质,分“主从”和“从主”两种情况。
“主从”传送方向8——同时同步31——扰动数据的传输9——总查询(总召唤)的启动40——通用分类写命令20——一般命令42——通用分类读命令“从主”传送方向1——自发(突发)报文11——当地操作2——循环传送12——远方操作3——复位帧计算位(FCB)20——命令的肯定认可4——复位通信单元(CU)21——命令的否定认可5——启动/重新启动31——扰动数据的传送6——电源合上40——通用分类写命令的肯定认可7——测试模式41——通用分类写命令的否定认可8——时间同步42——通用分类读命令的有效数据响应9——总查询(总召唤)43——通用分类读命令的无效数据响应10——总查询(总召唤)终止44——通用分类写确认(D) 应用服务数据单元公共地址(ASDU_ADDR)对于一般的装置,ASDU_ADDR =装置的物理地址;对于保护管理机,ASDU_ADDR =产生信号的保护装置的物理地址。
ASDU_ADDR的取值范围为:0~254(E) 信息元标识符(FUN、INF)信息元标识符包括两个部分即功能类型(FUN)和信息序号(INF)。
对于继电保护装置,每个动作元件(如Ⅰ段距离动作)、报警信号和压板状态等都有一个唯一的FUN和INF与之对应。
具体名称见各保护装置说明书的附录部分。
(F) 信息元以一定格式表示的信息的状态或数值(如遥信状态、遥测值等等)。
具体解释见后续具体ASDU。
二、103规约在PAS 系统中的具体应用1、 103规约采用两种信息交换方法:一种方法是基于严格规定的应用服务数据单元(ASDU )和标准化的报文传输应用过程、方法;另一种方法是采用通用分类服务。
SIEMENS 只采用前者。
2、 总控单元同测控装置(如SIEMENS SIPROTEC 4 7SJ62,68等)之间主要的通讯过程 2.1 遥测a) 采集过程总控单元平时依次对每个间隔单元召唤2级用户数据(遥测值),测控装置以ASDU03或ASDU09响应。
b) ASDU 解释c) 报文示例:10 5b 04 5F 16 总控对地址为15的装置(9603)要2级数据68 0C 0C 68 08 04 09 02 04 86 76 19 16COT2个测量量2.2 遥信a)采集过程测控装置的全遥信通过总控对装置的总查询上送。
当总控或测控装置初始化过程中启动总查询,以收集带有总查询标志的信息。
总查询过程:总控单元向测控装置发总查询命令(采用ASDU 7),装置以确认桢回答后,再将总查询信息转成1级用户数据后,在当前上送报文里的要求访问位(ACD )置1。
总控收到ACD=1后,向装置查询1级数据。
装置以 ASDU 01(02)上送全遥信。
运行正常以后,总控单元按一定时间间隔(约15分钟)启动总查询。
在两次总查询间隔过程中,总控轮询各装置2级数据,装置一旦检测到发生遥信变位,则把上送2级数据报文ACD 置1,通知主站查询1级数据。
装置通过ASDU 01(01H )上送变位遥信和ASDU02(02H )上送SOE 。
b) ASDU 解释ASDU01(01H )上送压板及告警等开关量状态c)总查询1) 68 09 09040704 FF 00 EB 16总控对地址为04的装置启动总查询FUN,INF发送确认桢SCN2) 10 20 04 24 16装置04确认总查询。
3) 10 7A 04 7E 16 总控对装置要1级数据。
4) 68 0E 0E 04 01 09 04 01 00 72 16COT SINVSQ FUN, INF 时标5) 10 7a 0f 89 16 要1级数据。
6) 68 12 12 68 28 04 81 04 28 0F 01 00 00 00 90 16DPI FAN SINFUN INFCOT RET传送原因相对时间总查询。
变位遥信及SOE 上送:1) 10 5b 04 5F 16 正常状态, 总控对装置不断查询2级数据。
2) 68 0C 0C 68030202 04A091 00 00 00 00 68 16 ,装置请求总控查询1级数据。
3) 10 7a 04 7E 16 总控要1级数据。
4) 68 12 12 68 28 04 04 3C 4B 01 07 00 00 43 16DPI FAN SINFUN INF RET传送原因 相对时间 绝对时间 突发报文 状态为分5) 10 5a 0f 69 16 因为ACD 置1,所以总控继续要1级数据。
6) 68 0E 0E 68 08 04 81 04 F0 A0 01 00 E3 16 ACD=0 FUN INF SIN 突发报文2.3 脉冲量采集a) 采集过程脉冲电度采取一级数据上送。
装置定时(默认1分钟)将要求访问位ACD 置1。
总控向间隔单元查询1级数据,间隔单元以ASDU205把脉冲电度上送。
ASDU 解释ASDU205(CDH ) 电能脉冲量b) 报文示例1) 10 5a 04 5E 16 总控要1级数据。
2) 68 10 10 68 28 04 CD 81 01 04 97 16 ASDU 1组脉冲FUN 、 脉冲计数值 时标脉冲计数值与实际值的转换公式:60000个脉冲值= P(额定功率)X1(小时)所以公式如下:一次电量= 3Un(电压一次额定值)×In(电流一次额定值)×1小时×脉冲计数值÷600002.4 遥控a) 遥控过程控制系统向间隔单元发遥控桢(ASDU20)。
间隔单元正确接收以后,回答确认,并执行操作。
此过程并不需要反校。
操作成功,发送遥信变位报文。
b) ASDU解释c) 报文示例遥控选择1)68 0A 0A 68 53 04 14 81 14 04 F0 A0 01 00 95 16 总控下发遥控选择命令遥控分远方操作FUN及INF(与对应的遥信点一致)2)10 00 04 04 16 装置确认并执行操作(没有反校)3)10 7B 04 7F 16//主站召唤二级数据4)68 0C 0C 68 28 04 03 02 02 04 A0 91 00 00 00 00 68 16 //装置回答有一级数据5)10 5A 04 5E 16//主站召唤一级数据6)68 0E 0E 68 28 04 01 81 14 04 F0 A0 01 F2 7F 2C 05 00 F9 16//装置上送变位遥信7)10 7A 04 7E 16 //主站召唤一级数据8)68 0E 0E 68 08 04 01 81 0C 04 F0 A0 01 0E 80 2C 05 00 EE 16//装置上送变位遥信2.5装置初始化过程a)103规约是一点对多点的主从Polling(问答)方式。