工程试验仪器设备校验方法XXXX版下册
- 格式:docx
- 大小:73.71 KB
- 文档页数:63
工程试验仪器设备校验方法XXXX版下册工程试验仪器设备校验方法XXXX版下册混凝土动弹性模量测仪校验记录表校验编号:表TGX028仪器名称规格型号管理编号校验地点校验条件温度(℃)湿度(%RH)其他校验用标准器具序号标准器具名称管理编号准确度校验项目技术要求校验数据结果单值代表值外观应有铭牌、外观完整,开关、旋钮操作灵活,功能正常工作频率﹤±5%200Hz 1000Hz 2000Hz 3000Hz 4000Hz 5000Hz 6000Hz 7000Hz 8000Hz 10000Hz频率稳定性4h变化率﹤0.2%2000Hz4000Hz6000Hz输入灵敏度﹤5mV 输入功率﹥3W自振频率误差﹤5Hz纵向法横向法结论:校验人:核验人:校验日期:下次校核验日期维勃稠度仪校验记录表校验编号:表TGX029仪器名称规格型号管理编号校验地点校验条件温度(℃)湿度(%RH)其他校验用标准器具序号标准器具名称管理编号准确度校验项目技术要求校验数据结果单值代表值外观应有铭牌、测杆应镀铬,在筒内滑动灵活。
带有控制器,绝缘性能良好,机壳留地脚螺丝孔振动台频率50Hz±2Hz振幅0.5mm±0.02mm水平振幅≤0.10mm台面长度380mm±3mm台面宽度260mm±2mm容器内径240mm±2mm内侧高度240mm±2mm外侧高度筒底厚ó2≥7.5mm壁厚ó1≥3mm内壁与底面垂直度应≤1.0mm旋转架透明盘直径230mm±2mm透明盘厚度10mm±2mm荷重总2750g±50g透明圆盘与容器间隙对称位置之差≤2mm结论:校验人:核验人:校验日期:下次校核验日期:凝土标准养护室校验记录表校验编号:表TGX30仪器名称规格型号管理编号校验地点校验条件温度(℃)湿度(%RH)其他校验用标准器具序号标准器具名称管理编号准确度校验项目技术要求校验数据结果外观及环境条件应有铭牌、探头位置应合理,应安装漏电保护装置和防水照明灯具加湿方式必须雾化控制器灵敏性正常运转温、湿度测试位置温度(℃) 湿度(RH%)12345校验人:核验人:校验日期:下次校核验日期:凝土劈裂夹具校验记录表校验编号:表TGX31设备名称规格型号管理编号校验地点校验条件温度(℃)湿度(%RH)其他校验用标准器具序号标准器具名称管理编号准确度校验项目技术要求校验数据结果1 2 3 平均值外观质量材质、部件符合要求垫块厚度20mm±0.2mm玄长102mm±0.4mm校验人:核验人:校验日期:下次校核验日期:混泥土抗折夹具校验记录表校验编号表TGX032仪器名称规格型号管理编号校验地点校验条件温度(℃)湿度(%RH)其他校验用标准器具序号标准器具名称管理编号准确度校验项目技术要求校验数据结果1 2 3 代表值外观质量材质硬钢,支座立脚点为固定铰点,其他为滚动支点。
水泥净浆搅拌机校验记录TGX001-2008雷氏膨胀测定仪校验记录TGX002-2008雷氏夹校验记录TGX003-2008TGX004-2008TGX005-2008TGX006-2008TGX007-2008TGX008-2008沥青路面用粗集料压碎值仪校验记录TGX009-2008水泥混凝土用粗集料压碎值仪校验记录TGX010-2008建筑用砂、石容量筒校验记录TGX011-2008混凝土拌和物容量筒校验记录TGX012-2008TGX013-2008TGX014-2008轻粗骨料承压筒校验记录TGX015-2008振筛机校验记录TGX016-2008砂当量测定仪校验记录TGX017-2008细集料棱角性测定仪校验记录TGX018-2008集料冲击试验机校验记录TGX019-2008坍落度筒、捣棒校验记录TGX020-2008TGX021-2008TGX022-2008TGX023-2008TGX024-2008砼贯入阻力仪校验记录TGX025-2008气压式含气量测定仪校验记录TGX026-2008维勃稠度仪校验记录TGX027-2008混凝土成型用标准振动台校验记录TGX028-2008TGX029-2008TGX030-2008TGX031-2008TGX032-2008TGX033-2008TGX034-2008混凝土动弹模量测定仪校验记录TGX035-2008测长仪校验记录TGX036-2008混凝土碳化箱校验记录TGX037-2008TGX038-2008TGX039-2008土工用环刀校验记录TGX040-2008光电式液塑限联合测定仪校验记录TGX041-2008天然坡度仪校验记录TGX042-2008土工电动及手动击实仪校验记录TGX043-2008表面振动压实仪校验记录TGX044-2008无侧限抗压试模校验记录TGX045-2008相对密度试验仪校验记录TGX046-2008灌砂仪校验记录TGX047-2008渗透仪器设备校验记录TGX048-2008土工布透水性测定仪器设备校验记录TGX049-2008道碴筛校验记录TGX050-2008。
混凝土动弹性模量测仪校验记录表
维勃稠度仪校验记录表
氯离子扩散系数测试仪(RCM装置)校验记录表
混泥土电通量测试仪校验记录表
真空饱水机校验记录表
混凝土徐变室校验记录表
混凝土、砂浆测长仪校验记录表
混泥土抗裂实验箱校验记录表
混凝土与钢筋握裹力实验夹具校验记录表
混凝土钢筋锈蚀仪校验记录表
混凝土碳化箱校验记录表
试验室用砂浆搅拌机校验记录表
砂浆凝结时间测定仪校验记录表
钢筋标距仪校验记录表
钢筋冷弯弯芯校验记录表
洛杉矶磨耗机校验记录表
钻心取样机校验记录表
环刀校验记录表
灌砂仪校验记录表
量瓶校验记录表
液塑限联合测定仪校验记录表
土工标准筛校验记录表
击实仪校验记录表
表面振动压实仪校验记录表
路面材料强度试验仪校验记录表
无侧限试模校验记录表
动力触探(标准贯入)仪校验记录表
渗透仪校验记录表
相对密度仪校验记录表。
工程试验仪器设备校验方法XX版上册
水泥沸煮校验记录表
雷氏夹膨胀值测量仪校验记录表
雷氏夹校验记录表
测氯蒸馏装置校验记录表
游离氧化钙测定仪校验记录表
水泥抗压夹具校验记录表
水泥标准恒温恒湿养护箱校验记录表
砂试验标准筛校验记录表
表TGX009-1(续)
表TGX009-1(续)
石子试验筛校验记录表
电热鼓风干燥箱校验记录表
表TGX010(续)
振筛机校验记录表
叶轮搅拌器校验记录表
三角网篮校验记录表
集料压碎值仪校验记录表
砂石碱活性测长仪校验记录表
容量筒校验记录表
气孔结构分析仪校验记录表
试验室用强制式混凝土搅拌机校验记录表
坍落度筒及捣棒校验方法
混凝土含气量测定仪校验记录表
混凝土贯入阻力仪校验记录表
混凝土快速冻融试验箱校验记录表。
砂石筛校验方法TGX009—20121适用范围1.1本方法适用于新购置和使用中的建筑用砂石试验标准筛的校验。
2技术要求2。
1砂筛2。
1.1外观(1)应有铭牌,标明网(筛)孔基本尺寸、执行标准、金属丝和筛框的材料、制造企业的名称及标识等。
(2)筛框应平整光滑,无变形及折痕。
(3)丝(筛)网与筛框间的连接应能防止待筛分物料的泄漏.(4)丝(筛)网应无明显的缺陷,包括编织缺陷、折痕和杂质。
2.1。
2筛孔尺寸(1)砂筛为方孔筛,一套包括7个筛及筛底和筛盖,筛框内径300mm,试验筛基本尺寸如表009-1。
表009-1(2)网孔尺寸偏差应符合表009—2的要求,筛孔尺寸偏差应符合009—3的要求.(3)网孔平均尺寸不能大于W(基本尺寸)+Y(平均尺寸偏差),并不得小于W-Y。
(4)网孔尺寸在“W+X"和“W+Z”之间的网孔数目不得超过网孔总数的6%,当筛孔数少于50个时,网孔尺寸在“W+X”和“W+Z”之间的网孔数目不得超过3个。
2。
2碎石筛2.2。
1外观(1)筛框上应有金属铭牌,包括筛孔的形状和基本尺寸、执行标准、金属板和筛框的材料、制造企业的名称及标识.(2)筛板应平整无毛刺,安装时冲孔面朝上。
7表009—32。
2.2筛孔尺寸石子试验筛为方孔筛,一套12个筛及筛底、筛盖,筛框内径均为300mm 。
筛孔尺寸及偏差见表009-4。
表009—43 校验项目3.1外观。
3。
2筛孔尺寸。
4 环境条件及校验用标准器具4。
1环境条件温度20℃±10℃,湿度不大于85%,校验现场应清洁,无影响工作的振动和腐蚀性气体存在。
4.2校验用标准器具4。
2.1刻度放大镜:放大倍数40倍,测量精度0。
01.4。
2。
2游标卡尺:量程300mm,分度值0。
02m。
5 校验方法5。
1砂筛5.1.1外观用感官检查5.1。
2筛孔尺寸(1)平均网孔尺寸和平均丝径的测量在丝网的经向和纬向上应至少含有10个网孔。
(2)筛孔尺寸的测量:在筛板上选定的任一区域沿着夹角为90°的角两边直线方向测量,每条线至少100mm长,每个方向上5个筛孔.用刻度放大镜测量。
工地试验室常用仪器校验方法环刀校验方法环刀用于测量土的密度及制备土工试验所要求的土样。
1、技术要求容积精确度:土1%。
2、校验用仪器2.1游标卡尺:量程200mm,精度0.02mm。
2.2电子天平:量程式20g,精度0.001g。
3、校验方法3.1环刀质量将环刀内、外壁擦拭干净,放在电子天平上称其质量,准确至0.01g。
3.2环刀直径D用游标卡尺在环刀两端各取相互垂直的两个方向测量其直径Di,准确至0.02mm;以所测四个直径的平均值作为直径D。
3.3环刀高度H用游标卡尺在环刀圆周上选取相互垂直的四个方向测量其高度H i,准确至0.02mm;以这四个高度的平均值作为环刀高度H。
3.4环刀容积V按公式V=(π×D2/4)×H计算环刀容积,准确至0.01cm3。
4、结果判定当所校验的环刀容积与其额定容积的偏差不超过土1%时,判为合格,可以继续使用,否则该环刀停用报废。
5、此仪器应校验合格后方可使用。
6、在使用过程中如有异常情况时,应还定时校验。
7、检验周期(半年)灌砂法测定密度前的自校方法1、目的标定灌砂筒的锥体体积,提高试验数据的准确率。
2、范围灌砂筒锥体体积。
3、工作内容3.1确定灌帮筒下部圆锥体内砂的重量。
3.1.1在储砂筒内装漏砂、筒内砂的高度与筒顶的距离不超过15mm,称取筒内砂的质量m,准确至1g;3.1.2将开关打开,让砂流出,并使流出砂的体积与工地所挖试坑的体积相当,(或等于标定灌的容积),然后关上开关,并称量砂筒内砂重m1,准确至1g;3.1.3将灌砂筒放在玻璃板上,将开关打开,让砂流出,直到筒内砂不再下流时,关上开关,取走灌砂筒;3.1.4称留在玻璃板上的砂重,准确至1g;3.1.5重复上述测量至少三次,取其平均值m2,此值即为圆锥体内砂重。
3.2定砂的单位重。
3.2.1用水确定标定罐容积(cm3)。
3.2.2在灌砂筒内装上重量为m1的砂,并将灌砂筒放在标定罐上,将开关打开,让砂流出,直到储砂筒内的砂不再下流时,将开关关闭。
工程试验仪器校验检验方法刘小农摘要:对于建筑工地常用的仪器设备来说,除了要定期的对仪器进行维护保养,还要通过校验来验证仪器的使用性能是否符合技术要求,笔者结合自身工作实际,介绍了几种工地上常用的设备的校验方法,例如砂试验筛、石子试验筛、水泥净浆搅拌机、水泥煮沸箱、砂浆稠度仪等,旨在为验证工地试验仪器的使用性能提供一些理论性的参考。
关键词:工程;试验仪器;校验引言建筑工程需要使用非常多的仪器,仪器自出厂之日起,随着使用时间的增长,会使仪器的性能发生改变,不可否认的是,仪器的检定必须由专业机构执行,但是仪器的日常校验对仪器的性能检验也是非常重要的,因为成本的要求,仪器不可能随时接受专业机构的检定,只有通过日常的校验来验证仪器的性能是否符合使用要求,因此,作为建筑工程的仪器保管人员,除了要定期对仪器进行维护保养外,还要定期对试验仪器进行日常校验,以保证仪器的使用效果[1]。
1、砂试验筛校验方法1.1技术要求包括(外观、制造厂商、规格、型号等信息),筛的边框应该平整,可以和其他筛紧密的重叠,然后筛框和筛网能够紧密的连接,以此确保待筛物料的漏出。
圆孔试验筛的基本尺寸和允许偏差见表1.方筛筛孔尺寸及偏差应符合表2要求。
1.2校验项目:外观、内径,筛孔大小。
1.3校验用器具:游标卡尺、刻度放大镜、钢直尺。
1.4校验方法:按照技术要求对标准筛进行外观检查。
按照表1、表2,使用直尺和游标卡尺对筛的基本尺寸和筛孔尺寸进行检查,5mm以上的筛孔测孔数必须大于总数的五分之一,5mm以下的筛孔测孔数不得小于40个[2]。
1.5校验结果处理:检测结果符合要求算合格。
2、石子试验筛校验方法2.1技术要求外观整洁,有制造厂、规格、型号等信息,筛框必须平整而且光滑,可以和其他筛紧密的重叠,然后筛框和筛网能够紧密的连接,以此确保待筛物料的漏出。
碎石或者鹅卵石的圆孔筛筛孔直径应符合表3要求,方筛基本尺寸应符合表4要求。
2.2校验项目:外观、内径,筛孔大小。
工程试验检测中心击实仪校验方法
本检验方法,实用于击实仪的检定。
一、概述
击实仪是试验室专用设备,夯锤的选用与土壤含水量有关。
适用于水利、公路、铁路、机场及建筑地基的填土工程作击实试验(轻型击实和重型击实)。
本标准击实功能下测点的含水量和干容重之间的关系,从而检定土样的最佳含水量与相应的最大干容重。
二、检验项目和检验条件、工具
三、校验要求和校验方法
1、外观
(1)要求:各部位不应有伤痕、锈迹以及影响外观质量的缺陷。
仪器必须有制造厂名(或商标)、出厂编号、使用维修后的仪器允许有不影响使用质量用准确度的外观缺陷。
(2)校验方法:目力观察
2、绝缘强度
(1)要求:仪器的电器部分、电源线,应绝缘良好,线路绝缘层不应有外观的老化损坏,踊裂现象,机器接地良好、动力线与仪器外壳绝缘值应在5MN以上(20±1℃)。
(2)校验方法:用目力观察和50V欧表检查。
3、夯锤工作高度
(1)要求:夯锤高度应符合轻型305mm、重型457mm。
(2)检验方法:将仪器电源断开拆开电机后盖,用手转
动叶轮直至夯锤升到最高度,最后测夯锤高度。
4、夯锤重量(包括齿条)
(1)要求:夯锤重量应符合轻型2.5kg、重型4.5kg。
(2)将仪器夯锤撤卸,包括固定螺母齿条重量分别为3kg 和5kg案称称重。
5、工作台转动状况
(1)要求:转动一圈沿圆周击8次,然后工作台移动击圆心。
(2)检验方法:目力观察。
四、校验记录见下表:
校验:复核:审核:。
工程试验仪器设备校验方法及格1. 引言工程试验仪器设备的校验是确保其准确性和可靠性的重要步骤。
本文将介绍一种有效的工程试验仪器设备校验方法,以确保其性能达到规定的标准。
2. 校验对象工程试验仪器设备校验的对象包括但不限于以下方面:•机械试验设备(如拉伸试验机、冲击试验机等)•电子试验设备(如示波器、信号发生器等)•光学试验设备(如光谱仪、显微镜等)3. 校验基本要求在进行工程试验仪器设备校验时,需要满足以下基本要求:•操作简便:校验过程应简单明了,操作人员可以快速完成。
•准确性高:校验方法应具备高准确性,能够准确判断设备的性能是否合格。
•可追溯性:校验结果应能够追溯至国家或国际标准,确保校验的可靠性。
•重复性好:校验方法应具备良好的重复性,不同操作人员在相同条件下进行校验应得到一致结果。
•安全可靠:校验过程中应注意安全防护,确保操作人员和设备的安全。
4. 校验方法4.1 校验前的准备工作在进行工程试验仪器设备校验之前,需要进行以下准备工作:1.校验仪器的准备:确保校验所需的仪器设备完整、无损坏。
2.环境条件的准备:校验通常需要在固定的环境条件下进行,如温度、湿度等。
3.校验样品的选择:根据校验的目的和要求,选择适当的校验样品。
4.2 校验方法的具体步骤校验方法的具体步骤根据校验对象的不同可能有所差异,下面以拉伸试验机为例进行介绍:1.校验仪器设备的零点:将拉伸试验机负荷传感器表示零点,确保其准确性。
2.校验负荷测量范围:使用标准校验负荷块逐个加载到拉伸试验机上,记录负荷计示数值,与标准负荷值进行比对,评估仪器的负荷测量准确性。
3.校验位移测量准确性:使用位移测量仪测量标准位移量和拉伸试验机显示的位移量进行比对,评估仪器的位移测量准确性。
4.校验速度控制准确性:将拉伸试验机设置为不同的拉伸速度,记录实际拉伸速度并与设定速度进行比对,评估仪器的速度控制准确性。
5.校验保护装置的可靠性:测试拉伸试验机的保护装置是否正常工作,如过载、位移限制等。
水泥负压筛析仪自检校验方法ZML-001一、技术要求1、数显时间控制器误差2min±5s2、筛析仪性能,要求求密封良好,负压可调范围为4000~6000Pa。
3、水泥细度筛,筛网不得有堵塞、破洞现象,其校正系数应在0.80~1.20范围内。
二、校验项目及条件1、校验项目(1)数显时间控制器误差(2)筛析仪性能(3)水泥细度筛2、校验用器具(1)电子计时表(2)天平:称量100g,分度值0.05g(3)水泥细度标准粉三、校验方法1、采用电子计时表测试数显时间控制器是否准确。
2、用目测检查橡胶密封圈是否老化、损坏,确定筛析仪的密封程度。
3、按动电源开关,旋转调压风门,使仪器空运转是否能达到负压4000~6000Pa。
若达不到,说明抽气效率不够,应打开抽尘器,抖动布袋,将吸附在布袋上的水泥抖下,使布孔畅通,至负压正常为止。
4、将水泥细度筛筛网对着光照看,观察筛网是否有堵塞破洞现象。
5、水泥细度筛修正系数测定方法:(1)用一种已知80μm标准筛筛余百分数的水泥细度标准粉(该试样受环境影响筛余百分数不发生变化)作为标准样。
按负压筛析法操作程序测定标准样在水泥细度筛上的筛余百分数。
(2)试验筛修正系数按下式计算:C = F n / F t式中:C—试验筛修正系数;F n─标准样给定的筛余百分数,%F t—标准样试验筛上的筛余百分数,%修正系数计算至0.01。
(3)水泥试样筛余百分数结果修正按下式计算:F c = C²F式中:C—试验筛修正系数;F—水泥试样筛修正前的筛余百分数,%四、校验结果处理全部项目均符合技术要求为合格。
五、校验周期、记录与证书校验周期为6个月,或使用前校验。
校验记录格式见下表,校验证书格式见附录Ⅰ。
水泥负压筛析仪校验记录ZML-001水泥沸煮箱自检校验方法ZML-002一、技术要求a)应有产品合格证和产品说明书b)仪器外表完好,无锈蚀、无漏水现象。
c)程序控制器控制时间为:加热至沸腾时间30±5min;维持沸腾时间180±5mind)仪器应有接地线,沸煮箱、程控器不得漏电。
工程试验仪器设备校准方法
工程试验仪器设备校准方法通常包括以下几个步骤:
1. 确定校准标准:根据仪器设备的测量范围和准确度要求,选择合适的校准标准。
校准标准可以是已知精度的物理量,例如标准器或已校准的仪器设备。
2. 准备校准装置:根据所选的校准标准,准备相应的校准装置。
校准装置通常由标准装置、连接器、校准电路等组成,并确保装置的准确度和稳定性。
3. 进行校准操作:将待校准的仪器设备连接到校准装置,并按照校准装置的操作说明进行校准操作。
一般校准会涉及测量数值和所设定的标准值之间的比较,或者通过调整仪器设备内部的零点、增益等参数来使其测量结果与标准值相符合。
4. 校准结果分析:完成校准操作后,对校准结果进行分析和评估。
比较仪器设备的测量结果与标准值,计算校准误差,评估仪器设备是否能满足要求的测量准确度。
5. 校准记录和认证:根据校准结果,编制校准报告或记录,并签署校准人员的名称、日期等信息。
对仪器设备进行认证,标识校准的合格性和有效期限。
需要注意的是,不同类型的仪器设备可能有不同的校准方法和要求。
校准方法的选择应根据具体仪器设备的类型和特点进行。
同时,校准应定期进行,以确保仪器设备的准确度和可靠性。
工程试验仪器设备校验方法(第二版)实施时间(最新版3篇)目录(篇1)I.校验仪器设备的重要性II.校验仪器设备的具体方法III.如何正确使用校验仪器设备IV.校验仪器设备的维护保养正文(篇1)随着工程试验的不断发展,工程试验仪器设备的使用越来越广泛。
为了保证试验数据的准确性和可靠性,对工程试验仪器设备进行校验是非常必要的。
本文将介绍工程试验仪器设备的校验方法,以及如何正确使用和维护保养这些设备。
一、校验仪器设备的重要性工程试验仪器设备是进行试验的基础设施,其准确性和可靠性直接影响到试验数据的准确性。
如果仪器设备未经过校验或者校验不准确,将会导致试验结果出现误差,甚至出现错误的结果。
因此,对工程试验仪器设备进行校验是非常必要的。
二、校验仪器设备的具体方法1.外观检查:对仪器设备的外观进行检查,包括设备的完整性、清洁度、连接处的紧固情况等。
2.零点校验:使用零点校验仪对仪器设备的零点进行校验,确保设备的零点与实际值相符。
3.示值校验:使用示值校验仪对仪器设备的示值进行校验,确保设备的示值与实际值相符。
4.稳定性校验:对仪器设备的稳定性进行校验,确保设备在使用过程中不会出现不稳定的情况。
三、如何正确使用校验仪器设备1.使用前检查:在使用仪器设备前,应对设备的外观、零点、示值和稳定性进行检查,确保设备处于正常工作状态。
2.使用方法:按照仪器设备的使用说明书正确使用设备,避免因操作不当导致设备损坏或数据误差。
3.使用后保养:使用后应及时对设备进行清洁保养,确保设备处于良好的工作状态。
四、校验仪器设备的维护保养1.定期保养:按照设备的使用说明书定期进行保养,包括外观清洁、零点校验、示值校验和稳定性校验等。
2.更换部件:对于磨损或损坏的部件应及时更换,确保设备的正常运行。
目录(篇2)I.引言A.背景介绍B.目的和意义C.范围和适用领域II.校验方法A.校验概述B.校验流程和方法C.校验注意事项III.仪器设备A.仪器设备介绍B.仪器设备使用和维护C.仪器设备校验周期IV.校验结果处理A.校验结果分析B.校验结果报告C.校验结果处理和反馈V.结论A.总结校验方法的重要性和应用价值B.对未来仪器设备校验工作的建议和展望正文(篇2)工程试验仪器设备校验方法(第二版)旨在为工程试验领域提供一套完整的仪器设备校验方法。
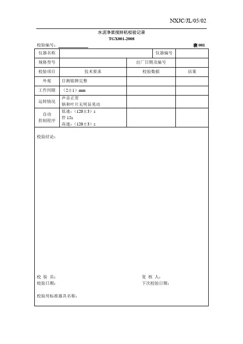
工程试验仪器校验检验方法水泥类一、水泥净浆搅拌机校验方法TGX001-20081范围1.1 本方法适用于新购、使用中的以及检修后的水泥净浆搅拌机的校验。
1.2 水泥净浆搅拌机系用于按《水泥标准稠度用水量、凝结时间、安定性校验方法》GB/T1346-2001标准规定水泥和水混合后搅拌成均匀的试验用净浆、供测定水泥标准稠度、凝结时间及制作安定性试件的专用设备,它的制造应符合《水泥净浆搅拌机》JC/T29-2005标准要求。
2 技术要求2.1 应有铭牌,其中包括名称、制造厂名、型号及出厂编号与合格证。
2.2 净浆搅拌机的工作程序:低速搅拌(120±3)s,停15s,高速搅拌(120±3)s。
2.3 搅拌机运转时声音正常,锅和叶片不得有明显的晃动现象。
2.4 搅拌叶片与搅拌锅之间工作间隙:(2±1)mm。
3 校验项目3.1 检查外观。
3.2 自动控制程序。
3.3 叶片与搅拌锅的工作间隙。
4 环境条件及校验用标准器具4.1 环境条件温度20℃±10℃,环境相对湿度不大于85%,校验现场周围应清洁,无影响工作的振动和腐蚀性气体存在。
4.2 校验用标准器具4.2.1秒表:分度值0.1s。
4.2.2 塞尺1.0m m~2.5mm。
5 检验方法5.1开动搅拌机听声音是否正常,看锅和叶片运转是否平稳,目测铭牌是否完整。
5.2 自动控制程序:用秒表测量各阶段所需时间,重复两边。
5.3 叶片与搅拌锅的工作间隙测量:人工转动叶片,用塞尺检测间隙,检测点至少为不重复的6点。
6 检验结果处理6.1 被校验的搅拌机各项指标均应达到本方法的技术要求,如达不到技术要求,应及时调整或更换。
66.2 校验周期为12个月。
7 附录7.1校验记录格式如表001所示。
水泥净浆搅拌机校验记录TGX001-2008二、雷氏膨胀测定仪校验方法TGX002-20081 范围1.1本方法适用于新购和使用中以及检修后的雷氏膨胀测定仪的校验。
公路工程试验专用仪器校验方法2001年元月目录1、混凝土坍落度筒校验方法 (3)2、混凝土及砂浆试模校验方法 (5)3、砂浆分层度测定仪校验方法 (7)4、砂浆稠度仪校验方法 (9)5、砂浆密度测定仪校验方法 (11)6、跳桌校验方法 (12)7、砂浆捣棒校验方法 (14)8、沥清针入度仪校验方法 (16)9、沥清延度仪校验方法 (18)10、沥清软化点仪校验方法 (20)11、碎石和卵石针状规准仪校验方法 (22)12、碎石和卵石片状规准仪校验方法 (24)13、集料容量筒校验方法 (26)14、碎石和卵石压碎指标仪校验方法 (28)15、轻骨料承压筒校验方法 (30)16、建筑用砂试验筛检校验方法 (32)17、建筑用石子试验筛检校验方法 (35)18、水泥试模检校验方法 (37)19、砖抗折器〔支架〕校验方法 (39)20、钢筋冷弯弯心校验方法 (41)21、金属线材反复弯曲试验机校验方法 (42)22、光电式液塑限测定仪校验方法 (43)23、击实仪校验方法 (45)24、最大密度试验仪校验方法 (46)25、环刀校验方法 (47)26、比重瓶校验方法 (48)27、等应变直剪仪校验方法 (50)28、混凝土容量筒校验方法 (51)29、水泥透气比外表积测定仪校验方法 (52)30、刮平刀校验方法 (54)31、雷氏夹校验方法 (56)32、净浆标准稠度与凝结时间测定仪校验方法 (59)附录:校验证书2一、混凝土坍落度筒校验方法本方法适用于新购和使用中的以及检修后的混凝土坍落度筒及维勃稠度仪用的坍落度筒的校验。
1、概述坍落度筒是混凝土拌合物稠度试验的专用设备,用于骨料最大粒径不大于40mm,坍落度值不小于10mm的混凝土拌合物稠度测定。
2、技术要求2.1坍落度筒应为薄钢板或其他金属制成的圆台形筒。
内壁光滑,无凹凸部位。
底面和顶面应互相平行并与锥体的轴线垂直。
2.2坍落度筒筒外三分之二高度处应焊两个手把,下端应焊脚踏板。
水泥净浆搅拌机校验记录TGX001-2019雷氏膨胀测定仪校验记录TGX002-2019雷氏夹校验记录TGX003-2019水泥沸煮箱校验记录TGX004-2019校验编号:表004水泥抗压夹具校验记录TGX005-2019恒温恒湿养护箱校验记录TGX006-2019砂试验标准筛校验记录TGX007-2019石试验标准筛校验记录TGX008-2019TGX009-2019水泥混凝土用粗集料压碎值仪校验记录TGX010-2019TGX011-2019混凝土拌和物容量筒校验记录TGX012-2019TGX013-2019碎石或卵石片状规准仪校验记录TGX014-2019轻粗骨料承压筒校验记录TGX015-2019振筛机校验记录TGX016-2019砂当量测定仪校验记录TGX017-2019细集料棱角性测定仪校验记录TGX018-2019TGX019-2019坍落度筒、捣棒校验记录TGX020-2019砂浆稠度仪校验记录TGX021-2019砂浆分层度仪校验记录TGX022-2019试验室用混凝土搅拌机校验记录TGX023-2019试验室用砂浆搅拌机校验记录TGX024-2019砼贯入阻力仪校验记录TGX025-2019TGX026-2019维勃稠度仪校验记录TGX027-2019混凝土成型用标准振动台校验记录TGX028-2019试模校验记录TGX029-2019混凝土抗渗试模校验记录TGX030-2019混凝土抗裂试模校验记录TGX031-2019混凝土标准养护室校验记录TGX032-2019TGX033-2019混凝土抗渗仪校验记录TGX034-2019混凝土动弹模量测定仪校验记录TGX035-2019测长仪校验记录TGX036-2019混凝土碳化箱校验记录TGX037-2019混凝土碳化深度测量仪校验记录TGX038-2019TGX039-2019TGX040-2019TGX041-2019天然坡度仪校验记录TGX042-2019TGX043-2019表面振动压实仪校验记录TGX044-2019TGX045-2019相对密度试验仪校验记录TGX046-2019灌砂仪校验记录TGX047-2019渗透仪器设备校验记录TGX048-2019土工布透水性测定仪器设备校验记录TGX049-2019道碴筛校验记录TGX050-2019TGX051-2019。
水泥负压筛析仪校验记录送校单位:中国水电路桥试验检测中心仪器编号:111 生产厂家:无锡锡仪送校单位:中国水电路桥试验检测中心仪器编号:117a 生产厂家:无锡锡仪送校单位:中国水电路桥试验检测中心仪器编号:117b 生产厂家:无锡锡仪送校单位:中国水电路桥试验检测中心仪器编号:117c 生产厂家:无锡锡仪送校单位:中国水电路桥试验检测中心仪器编号:117d 生产厂家:无锡锡仪雷氏膨胀测定仪校验记录送校单位:中国水电路桥试验检测中心仪器编号:102 生产厂家:无锡锡仪雷氏夹校验记录送校单位:中国水电路桥试验检测中心仪器编号:101 生产厂家:无锡锡仪水泥抗压夹具校验记录送校单位:中国水电路桥试验检测中心仪器编号:116 生产厂家:无锡锡仪振筛机校验记录送校单位:中国水电路桥试验检测中心仪器编号:302 生产厂家:无锡锡仪压碎值测定仪校验记录送校单位:中国水电路桥试验检测中心仪器编号:301 生产厂家:无锡锡仪碎石或卵石针状规准仪校验记录送校单位:中国水电路桥试验检测中心仪器编号:303 生产厂家:无锡锡仪混凝土坍落度筒校验记录送校单位:中国水电路桥试验检测中心仪器编号:403 生产厂家:浙江上于砂浆试模校验记录送校单位:中国水电路桥试验检测中心仪器编号:414a 生产厂家:河北北方砂浆稠度仪校验记录送校单位:中国水电路桥试验检测中心仪器编号:409 生产厂家:北京锡路达砂浆试模校验记录送校单位:中国水电路桥试验检测中心仪器编号:414b 生产厂家:河北北方水泥胶砂试模校验记录送校单位:中国水电路桥试验检测中心仪器编号:117e 生产厂家:无锡锡仪砂浆试模校验记录送校单位:中国水电路桥试验检测中心仪器编号:414c 生产厂家:河北北方。
水泥试验筛校验记录表水泥沸煮箱校验记录表雷氏夹膨胀值测量仪校验记录表雷氏夹校验记录表测氯蒸馏装置校验记录表校验编号表游离氧化钙测定仪校验记录表校验编号表1X^X006水泥抗压夹具校验记录表水泥标准恒温恒湿养护箱校验记录表砂试验标准筛校验记录表表TGX009-1(续)石子试验筛校验记录表表TGX009-2(续)工程碰仪豁確校验方法电热鼓风干燥箱校验记录表表振筛机校验记录表工程,仪器【^校验方法叶轮搅拌1 !1校验记录表校验编号表丁0X012集料压碎值仪校验记录表6^5碱活性测长仪校验方法砂石碱活性测长仪校验记录表校验编号表一容量筒校验记录表集料针状规准仪校验记录表集料片状规准仪校验记录表工程劃郷骚校跪方法气孔结构分析仪校验记录表校验编号表试验室用强制式混凝土搅拌机校验记录表坍落度筒及捣棒校验记录表混凝土含气量测定仪校验记录表混凝土标准振动台校验记录表混凝土压力泌水仪校验记录表混凝土及砂浆试模校验记录表混凝土贯入阻力仪校验记录表混凝土快速冻融自箱校3^法混凝土快速冻融试验箱校验记录表校验编号表工程翻仪器 1 確校跪方法一工程碰仪^^校鹏法混凝土动弹性模量测定仪校验记录表校验编号表维勃稠度仪校验记录表校验编号凝土标准养护室校验记录表工程删义器设备校验方法混凝土,劈裂夹具校验记录泰校验编号混凝土抗折夹具校验记录表混凝土抗渗仪校验记录表氯离子扩散系数测试仪(议0\1装置)校验记录表校验编号表混凝土电通量测试仪校验记录表校验编号表真空饱水難验方法真空饱水机校验记录表校验编号表工程,仪器设备校验方法混凝土徐变室校验记录表校验编号表混凝土、砂浆测长仪校验方法混凝土、砂浆测长仪校验记录表校验编号表工程難仪器鹏校跪方法混凝土抗裂试验箱校验记录表校验编号表^混凝土与钢筋握裹力,夹具校驰方法混凝土与钢筋握裹力试验夹具校验记录表校验编号表。
混凝土动弹性模量测仪校验记录表
校验编号:表TGX028
维勃稠度仪校验记录表
校验编号:表TGX029
凝土标准养护室校验记录表
校验编号:表TGX30
凝土劈裂夹具校验记录表
校验编号:表TGX31
混泥土抗折夹具校验记录表
校验编号表TGX032
混泥土抗渗仪校验记录表
校验编号表TGX033
氯离子扩散系数测试仪(RCM装置)校验记录表
校验编号表TGX034
混泥土电通量测试仪校验记录表
校验编号表TGX035
真空饱水机校验记录表
校验编号表TGX036
混凝土徐变室校验记录表
校验编号表TGX037
混凝土、砂浆测长仪校验记录表
校验编号表TGX038
混泥土抗裂实验箱校验记录表
校验编号表TGX039
混凝土与钢筋握裹力实验夹具校验记录表
校验编号表TGX040
混凝土钢筋锈蚀仪校验记录表
校验编号表TGX041
混凝土碳化箱校验记录表
校验编号表TGX042
试验室用砂浆搅拌机校验记录表
校验编号表TGX043
砂浆稠度仪校验记录表
校验编号: 表TGX044
砂浆稠度仪校验记录表
校验编号表TGX045
砂浆分层度仪校验记录表
校验编号: 表TGX046
砂浆凝结时间测定仪校验记录表
校验编号: 表TGX047
水泥净浆流动锥校验记录表
校验编号: 表TGX048
水毛细泌水实验筒校验记录表
校验编号: 表TGX049
孔道压浆压力泌水仪校验记录表
校验编号: 表TGX050
钢筋标距仪校验记录表
校验编号:表TGX053
钢筋冷弯弯芯校验记录表
校验编号:表TGX054
洛杉矶磨耗机校验记录表
校验编号:表TGX064
钻心取样机校验记录表
校验编号:表TGX068
环刀校验记录表
校验编号:表TGX071
灌砂仪校验记录表
校验编号:表TGX072
量瓶校验记录表
校验编号:表TGX073。