XXG2005射线探伤机
- 格式:doc
- 大小:15.99 KB
- 文档页数:3
X射线探伤机操作规程
1.X射线探伤机在搬运、装卸时应尽可能地轻拿轻放。
放置及运输中应将射线柜带插座端向上直立放置,控制台应平放,运输过程中应固定。
必要时射线柜下端加弹簧减振装置。
严格避免剧烈的振动及晃动。
2.实际透照前先检查电缆、电源线、插头、插座是否完好,发现有缺损、断裂等情况时不得使用,更换或维修后方可使用。
3.确认电源为220V容量不小于5A时方可连接电源。
当电源电压不明或为380V时严禁与探伤机连接。
4.操作控制台与电源,射线柜连接好后(并有可靠接地),先将电源开关置于“开”的位置,待电源指示灯亮后方可进行下一步操作。
5.电源指示灯亮后,定时器按需要设置完成。
6.定时设置完成后,选择预定的管电压值设置完成。
7.管电压定时设置全部完成后,将高压开关置于“开”的位置,此时X射线机透照开始。
8.待定时器恢复到“零”位,高压自动断开,此时一次透照完成。
9.一次透照完成后,探伤机操作台不移动,仅射线柜移动位置可按第4条至第8条进行第二次透照。
如操作平台与射线柜均需移位时。
应先将电源开置于“关”的位置,将电源插头拔下。
10.先将电源线与操作台断开、然后将电缆与操作台、射线柜断开,方可移动操作台及射线柜。
11.当操作台与射线柜移动位置完成后按第3条至第10条进行。
12.现场透照完毕应将射线机擦拭干净,放置在仪器室
指定位置。
13.按探伤机岀厂说明书规定操作。
•技术参数•便携式XXQ-120 X射线探伤机X射线管电压: 40-120KvX射线管电流: 3mA焦点尺寸: 1.5×1.5mm最大穿透A3钢: 10mm(5分钟曝光,D≥1.5)管电压稳定度: 优于±5%管电流稳定度: 优于±5%发生器外形尺寸: ф130×560mm发生器重量: 8kg控制器外形尺寸: 390×380×170mm(包括手柄)控制器重量: 12kg输入电源: 220V±10%;AC 50Hz, 容量≥1.5kVA 允许使用的环境温度: -20℃~+40℃便携式XXQ-160 X射线探伤机X射线管电压: 70-160KvX射线管电流: 5mA焦点尺寸: 1.5×1.5mm最大穿透A3钢: 19mm(5分钟曝光,D≥1.5)管电压稳定度: 优于±5%管电流稳定度: 优于±5%发生器外形尺寸: ф180×590mm发生器重量: 16kg控制器外形尺寸: 390×380×170mm(包括手柄)控制器重量: 12kg输入电源: 220V±10%;AC 50Hz, 容量≥2.0kVA 允许使用的环境温度: -20℃~+40℃便携式XXQ-200 X射线探伤机X射线管电压: 120—200KvX射线管电流: 5mA焦点尺寸: 1.5×1.5mm最大穿透A3钢: 29mm(5分钟曝光,D≥1.5)管电压稳定度: 优于±5%管电流稳定度: 优于±5%发生器外形尺寸: 285×285×650mm(包括手柄) 发生器重量: 23kg控制器外形尺寸: 390×380×170mm(包括手柄) 控制器重量: 12kg输入电源: 220V±10%;AC 50Hz, 容量≥2.5kVA 允许使用的环境温度: -20℃~+40℃便携式XXQ-250 X射线探伤机X射线管电压: 150—250KvX射线管电流: 5mA焦点尺寸: 2.0×2.0mm最大穿透A3钢: 39mm(5分钟曝光,D≥1.5)管电压稳定度: 优于±5%管电流稳定度: 优于±5%发生器外形尺寸: 330×330×750mm(包括手柄) 发生器重量: 34kg控制器外形尺寸: 390×380×170mm(包括手柄) 控制器重量: 12kg输入电源: 220V±10%;AC 50Hz, 容量≥3.6kVA 允许使用的环境温度: -20℃~+40℃便携式XXQ-300 X射线探伤机X射线管电压: 170—300KvX射线管电流: 5mA焦点尺寸: 3.5×3.5mm最大穿透A3钢: 50mm(5分钟曝光,D≥1.5)管电压稳定度: 优于±5%管电流稳定度: 优于±5%发生器外形尺寸: 330×330×840mm发生器重量: 40kg控制器外形尺寸: 390×380×170mm控制器重量: 12kg输入电源: 220V±10%;AC 50Hz, 容量≥3.6kVA 便携式XXQ-320 X射线探伤机X射线管电压: 170—320KvX射线管电流: 5mA焦点尺寸: 2.5×2.5mm最大穿透A3钢: 60mm(5分钟曝光,D≥1.5)管电压稳定度: 优于±5%管电流稳定度: 优于±5%发生器外形尺寸: 320×320×820mm发生器重量: 43kg控制器外形尺寸: 390×380×170mm(包括手柄)控制器重量: 12kg输入电源: 220V±10%;AC 50Hz, 容量≥3.6kVA•主要特点•便携式X射线机分为XXQ\XXG\XXH三大系列,XXQ与XXG为定向辐射,XXH为周向辐射,其中定向辐射中XXQ为玻璃管,机器型号从XXQ1205-XXQ3205;XXG为陶瓷管,机器型号从XXG1605-XXG2505;而XXH周向辐射玻璃管与陶瓷管均有,机器型号从1205-3005。
射线探伤机技术参数
各级级别对接焊接接头允许的条形缺陷长度
缺陷、根部内凹、根部咬边共八类。
质量分级的一般规定:
I级对接焊接接头内不允许存在裂纹、未熔合、未焊透、夹铜、条形缺陷、圆形缺陷、根部内凹、根部咬边。
II 级和III级对接焊接接头内不允许存在裂纹、未熔合、双面焊以及加垫板单面焊中的未焊透、夹铜。
管外径0>100mm时不加垫板单面焊未焊
小径管透照次数(D
说明:
注①小径管采用双壁双影透照布置,当同时满足下列两条件时应采用倾斜透照方式椭圆成像;
a)T(壁厚)≤8mm;
/4;
b)g(焊缝宽度)≤D
椭圆成像时,应控制影像的开口宽度(上下焊缝投影最大间距)在1倍焊缝宽度左右。
不满足上述条件或椭圆成像有困难时可采用垂直透照方式重叠成像。
②由于结构原因不能进行多次透照时,可采用椭圆成像和重叠成像方式透照一次。
JB/T4730-2005>100~400mm管最少透照次数
JB/T4730-2005最少透照次数。
XXG-3005适用范围及设备主要参数X射线探伤机主要应用范围:对非金属、轻金属、铸造件、各种合金、压力容器等进行X射线无损检测。
主要检测焊接缺陷(裂纹、气孔、夹渣、未溶合、未焊透等)。
型号:XXG-3005输出电压(KV):170-300输入(KW):3.0焦点尺寸(mm):2.3×2.5辐射角度:40+5°最大穿透(mm):50(A3钢)重量(kg)发生器:37控制器:11.0尺寸(mm)发生器:Φ340×340×720控制器:320×280×150XXG-3205适用范围及设备主要参数X射线探伤机主要应用范围:对非金属、轻金属、铸造件、各种合金、压力容器等进行X射线无损检测。
主要检测焊接缺陷(裂纹、气孔、夹渣、未溶合、未焊透等)。
型号:XXG-3205输出电压(KV):170-320输入(KW):3.5焦点尺寸(mm):2.3×2.5辐射角度:40+5°最大穿透(mm):56(A3钢)重量(kg)发生器:37控制器:11.0尺寸(mm)发生器:Φ340×340×670控制器:320×280×150XXG-3005适用范围及设备主要参数X射线探伤机主要应用范围:对非金属、轻金属、铸造件、各种合金、压力容器等进行X射线无损检测。
主要检测焊接缺陷(裂纹、气孔、夹渣、未溶合、未焊透等)。
型号:XXG-3005输出电压(KV):170-300输入(KW):3.0焦点尺寸(mm):2.3×2.5辐射角度:40+5°最大穿透(mm):50(A3钢)重量(kg)发生器:37控制器:11.0尺寸(mm)发生器:Φ340×340×720控制器:320×280×150适用范围及设备主要参数X射线探伤机主要应用范围:对非金属、轻金属、铸造件、各种合金、压力容器等进行X射线无损检测。
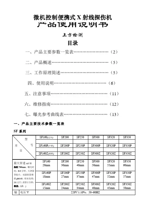
上方检测目录一、产品主要参数一览表 (2)二、产品概述 (5)三、工作原理简述 (5)四、使用说明 (6)五、注意事项 (11)六、维修指南 (12)七、曝光参考曲线表 (13)一、产品主要技术参数一览表SF系列XXG、XXQ系列二、产品概述我公司生产的SF系列X射线探伤机和XXQ、XXG系列X射线探伤机,采用变频和恒频脉冲式控制技术,具有结构新颖、携带方便、功能齐全等特点,系统采用微机控制和调节,模块化结构,保证了整机的稳定性与可靠性,并且维修特别方便,具有齐全的保护功能,适用范围宽;各种参数设定、工作状态、保护动作都有语言用汉语提示,方便了用户的使用,防止各种违章操作,设备设有训机功能,提高了整机的使用寿命。
本机的X射线发生器采用气体绝缘强迫风冷阳极接地式,具有体积小、重量轻等优点。
该产品适用于高空作业、薄钢材、小型、中型、大型容器类焊接工程、造船业、锅炉管道焊缝、石化工程、飞机制造、维修业、汽车工业、国防工业等部门的无损检测。
整机特点可归纳如下:●采用微机控制,模块化结构,自动化程度高,抗干扰能力强,工作可靠;●参数设置、工作过程、故障指示采用LED数码管和LED指示灯,同时配以汉语语音提示;●自带训机键,可方便对设备老练;●XXG、XXQ曝光时间与休息时间严格按1:1进行;SF系列X射线探伤机为连续工作型。
●根据不同的输出电压,采用不同的启动频率,提高工作效率。
●防尘防水彩色薄膜面板,语言提示键盘,可以迅速准确地选择曝光参数;●具有灵敏的过压、欠压、过流、欠流、超温等保护功能;●独特的安全锁设计,使操作人员免受意外的射线伤害;●配有安全射线指示灯插座,可接射线指示灯●配有探伤室用门机连锁接线端子,可随时连接铅门开关,确保人员安全。
●具有宽的千伏选择范围,解决了其它系列探伤机透照厚度范围窄的难题;●延时曝光功能,可设置小于10分钟的延时曝光时间,以便操作人员远离现场;●自动测试电网电压特性,故可配接各种发电机可靠工作,●采用探伤机专用快速接插件、及特种高强度连接电缆。
X射线探伤机、X射线探伤仪设备安全操作规定前言X射线探伤机和X射线探伤仪是一种常用的无损检测设备。
在工业生产、科研实验等领域中,它们都有着广泛的应用。
然而,如果使用不当,可能会对人体和环境造成潜在的危害。
为了保障工作人员的安全和设备的正常运行,制定本安全操作规定。
设备基本知识X射线探伤机X射线探伤机是一种利用X射线对材料进行探伤的机器。
它主要由X射线发生器、衰减后的探伤光线、探伤件、接收器和成像系统等组成。
X射线发生器通过加速器将电子加速到极高的速度并与靶的原子发生相互作用,产生X射线。
然后,经过控制和调整,X射线对材料进行探伤,并将成像信息通过接收器传输到成像系统中,形成影像。
X射线探伤仪X射线探伤仪是一种适用于小件探伤的装置。
它与X射线探伤机相比,体积更小、功率更低、成本更低,但是探伤精度有一定的限制。
X 射线探伤仪主要由X射线发生器、探伤光线、探头、接收器和成像系统等组成。
X射线发生器通过电源将电能转化成X射线能量,在控制下对被检测物体进行探伤。
其中,探头是一个重要的组成部分,它需要与被测物体紧密接触,以确保探测精度。
安全操作规定维护设备完好性设备使用前应进行全面检查,确保各部件完好无损,工作面板干净整洁。
在正常的使用中,应每隔一段时间对设备的关键部件进行检修和保养。
设备维护过程中,必须确保电源已切断,避免触电事故。
同时,在设备维护过程中,必须使用专业工具,避免手工操作。
防护措施X射线探伤机和X射线探伤仪在正常的使用中,会产生一定强度的X射线辐射。
因此,操作人员应佩戴防护服、防护手套、防护眼镜和防护鞋,以减少辐射对身体的损害。
在操作时应确保身体周围无其他人员,避免对他人造成辐射伤害。
操作程序在使用X射线探伤机和X射线探伤仪时,必须按照操作程序进行操作,以确保正常工作和安全。
具体操作程序如下:正确接线设备接线时,应按照说明书上的接线图进行连接,确保接线正确无误。
设备开机设备开机前,应检查设备电源和控制系统是否正常。
便携式KMTXXQ-1003 X射线探伤机1、技术参数:X射线管电压: 60~100kVX射线管电流: 3mA焦点尺寸: 0.8×0.8mm最大穿透A钢(5分钟曝光,D≧1.5):8mm3管电压稳定度: 优于±5%管电流稳定度: 优于±5%发生器外形尺寸: Ф130×550mm发生器重量: 10kg控制器外形尺寸:350×300×120mm控制器重量: 11kg输入电源: 220±10%;AC50Hz,容量≧1.2KVA允许使用的环境温度:-20℃~+40℃2、主要配置:X射线发生器:1台控制器:1台连接电缆:1根电源电缆:1根信号灯:1盏接地线:1根产品使用说明书:1本1、技术参数:X射线管电压: 50~100kVX射线管电流: 5mA焦点尺寸: 1.0×3.5mm钢(5分钟曝光,D≧1.5):6mm最大穿透A3管电压稳定度: 优于±5%管电流稳定度: 优于±5%发生器外形尺寸: 160×160×490mm发生器重量: 10kg控制器外形尺寸:350×300×120mm控制器重量: 11kg输入电源: 220±10%;AC50Hz,容量≧1.2KVA 允许使用的环境温度:-20℃~+40℃2、主要配置:X射线发生器:1台控制器:1台连接电缆:1根电源电缆:1根信号灯:1盏接地线:1根产品使用说明书:1本1、技术参数:X射线管电压: 60~160kVX射线管电流: 5mA焦点尺寸: 1.5×1.5mm钢(5分钟曝光,D≧1.5):18mm最大穿透A3管电压稳定度: 优于±5%管电流稳定度: 优于±5%发生器外形尺寸: Ф185×600mm发生器重量: 16kg控制器外形尺寸:350×300×120mm控制器重量: 11kg输入电源: 220±10%;AC50Hz,容量≧1.5KVA 允许使用的环境温度:-20℃~+40℃2、主要配置:X射线发生器:1台控制器:1台连接电缆:1根电源电缆:1根信号灯:1盏接地线:1根产品使用说明书:1本1、技术参数:X射线管电压: 60~160kVX射线管电流: 5mA焦点尺寸: 0.8×0.8mm钢(5分钟曝光,D≧1.5):20mm最大穿透A3管电压稳定度: 优于±5%管电流稳定度: 优于±5%发生器外形尺寸: 190×190×520mm发生器重量: 18kg控制器外形尺寸:350×300×120mm控制器重量: 11kg输入电源: 220±10%;AC50Hz,容量≧1.5KVA 允许使用的环境温度:-20℃~+40℃2、主要配置:X射线发生器:1台控制器:1台连接电缆:1根电源电缆:1根信号灯:1盏接地线:1根产品使用说明书:1本1、技术参数:X射线管电压: 60~160kVX射线管电流: 5mA焦点尺寸: 1.0×2.5mm钢(5分钟曝光,D≧1.5):15mm最大穿透A3管电压稳定度: 优于±5%管电流稳定度: 优于±5%发生器外形尺寸: 225×225×580mm发生器重量: 15kg控制器外形尺寸:350×300×120mm控制器重量: 11kg输入电源: 220±10%;AC50Hz,容量≧1.5KVA 允许使用的环境温度:-20℃~+40℃2、主要配置:X射线发生器:1台控制器:1台连接电缆:1根电源电缆:1根信号灯:1盏接地线:1根产品使用说明书:1本1、技术参数:X射线管电压: 60~160kVX射线管电流: 5mA焦点尺寸: 1.0×2.5mm钢(5分钟曝光,D≧1.5):14mm最大穿透A3管电压稳定度: 优于±5%管电流稳定度: 优于±5%发生器外形尺寸: 190×190×520mm发生器重量: 18kg控制器外形尺寸:350×300×120mm控制器重量: 11kg输入电源: 220±10%;AC50Hz,容量≧1.5KVA 允许使用的环境温度:-20℃~+40℃2、主要配置:X射线发生器:1台控制器:1台连接电缆:1根电源电缆:1根信号灯:1盏接地线:1根产品使用说明书:1本1、技术参数:X射线管电压: 100~200kVX射线管电流: 5mA焦点尺寸: 1.5×1.5mm钢(5分钟曝光,D≧1.5):30mm最大穿透A3管电压稳定度: 优于±5%管电流稳定度: 优于±5%发生器外形尺寸: 280×280×640mm发生器重量: 22kg控制器外形尺寸:350×300×120mm控制器重量: 11kg输入电源: 220±10%;AC50Hz,容量≧2.0KVA 允许使用的环境温度:-20℃~+40℃2、主要配置:X射线发生器:1台控制器:1台连接电缆:1根电源电缆:1根信号灯:1盏接地线:1根产品使用说明书:1本1、技术参数:X射线管电压: 100~200kVX射线管电流: 5mA焦点尺寸: 1.5×1.5mm钢(5分钟曝光,D≧1.5):30mm最大穿透A3管电压稳定度: 优于±5%管电流稳定度: 优于±5%发生器外形尺寸: 225×225×580mm发生器重量: 22kg控制器外形尺寸: 350×300×120mm控制器重量: 11kg输入电源: 220±10%;AC50Hz,容量≧2.0KVA 允许使用的环境温度:-20℃~+40℃2、主要配置:X射线发生器:1台控制器:1台连接电缆:1根电源电缆:1根信号灯:1盏接地线:1根产品使用说明书:1本1、技术参数:X射线管电压: 70~200kVX射线管电流: 5mA焦点尺寸: 1.0×3.5mm钢(5分钟曝光,D≧1.5):25mm最大穿透A3管电压稳定度: 优于±5%管电流稳定度: 优于±5%发生器外形尺寸:320×320×750mm发生器重量: 36kg控制器外形尺寸: 350×300×120mm控制器重量: 11kg输入电源: 220±10%;AC50Hz,容量≧2.0KVA 允许使用的环境温度:-20℃~+40℃2、主要配置:X射线发生器:1台控制器:1台连接电缆:1根电源电缆:1根信号灯:1盏接地线:1根产品使用说明书:1本1、技术参数:X射线管电压: 100~200kVX射线管电流: 5mA焦点尺寸: 1.0×2.0mm钢(5分钟曝光,D≧1.5):27mm最大穿透A3管电压稳定度: 优于±5%管电流稳定度: 优于±5%发生器外形尺寸: 280×280×620mm发生器重量: 22kg控制器外形尺寸: 350×300×120mm控制器重量: 11kg输入电源: 220±10%;AC50Hz,容量≧2.0KVA 允许使用的环境温度:-20℃~+40℃2、主要配置:X射线发生器:1台控制器:1台连接电缆:1根电源电缆:1根信号灯:1盏接地线:1根产品使用说明书:1本1、技术参数:X射线管电压: 150~250kVX射线管电流: 5mA焦点尺寸: 2.0×2.0mm钢(5分钟曝光,D≧1.5):40mm最大穿透A3管电压稳定度: 优于±5%管电流稳定度: 优于±5%发生器外形尺寸: 320×320×750mm发生器重量: 36kg控制器外形尺寸: 350×300×120mm控制器重量: 11kg输入电源: 220±10%;AC50Hz,容量≧2.5KVA 允许使用的环境温度:-20℃~+40℃2、主要配置:X射线发生器:1台控制器:1台连接电缆:1根电源电缆:1根信号灯:1盏接地线:1根产品使用说明书:1本1、技术参数:X射线管电压: 150~250kVX射线管电流: 5mA焦点尺寸: 2.0×2.0mm钢(5分钟曝光,D≧1.5):40mm最大穿透A3管电压稳定度: 优于±5%管电流稳定度: 优于±5%发生器外形尺寸: 320×320×640mm发生器重量: 30kg控制器外形尺寸: 350×300×120mm控制器重量: 11kg输入电源: 220±10%;AC50Hz,容量≧2.5KVA 允许使用的环境温度:-20℃~+40℃2、主要配置:X射线发生器:1台控制器:1台连接电缆:1根电源电缆:1根信号灯:1盏接地线:1根产品使用说明书:1本1、技术参数:X射线管电压: 150~250kVX射线管电流: 5mA焦点尺寸: 1.0×2.5mm,钢(5分钟曝光,D≧1.5):38mm最大穿透A3管电压稳定度: 优于±5%管电流稳定度: 优于±5%发生器外形尺寸: 320×320×750mm发生器重量: 35kg控制器外形尺寸: 350×300×120mm控制器重量: 11kg输入电源: 220±10%;AC50Hz,容量≧2.5KVA 允许使用的环境温度:-20℃~+40℃2、主要配置:X射线发生器:1台控制器:1台连接电缆:1根电源电缆:1根信号灯:1盏接地线:1根产品使用说明书:1本1、技术参数:X射线管电压: 150~250kVX射线管电流: 5mA焦点尺寸: 1.0×3.5mm钢(5分钟曝光,D≧1.5):33mm最大穿透A3管电压稳定度: 优于±5%管电流稳定度: 优于±5%发生器外形尺寸: 330×330×750mm发生器重量: 38kg控制器外形尺寸: 350×300×120mm控制器重量: 11kg输入电源: 220±10%;AC50Hz,容量≧2.5KVA 允许使用的环境温度:-20℃~+40℃端环底部与射线窗口中心距离:240mm2、主要配置:X射线发生器:1台控制器:1台连接电缆:1根电源电缆:1根信号灯:1盏接地线:1根产品使用说明书:1本便携式KMTXXGH-2505 X射线探伤机1、技术参数:X射线管电压: 150~250kVX射线管电流: 5mA焦点尺寸: 1.0×2.5mm最大穿透A钢(5分钟曝光,D≧1.5):35mm3管电压稳定度: 优于±5%管电流稳定度: 优于±5%发生器外形尺寸: 320×320×660mm发生器重量: 32kg控制器外形尺寸:350×300×120mm控制器重量: 11kg输入电源: 220±10%;AC50Hz,容量≧2.5KVA允许使用的环境温度:-20℃~+40℃2、主要配置:X射线发生器:1台控制器:1台连接电缆:1根电源电缆:1根信号灯:1盏接地线:1根产品使用说明书:1本1、技术参数:X射线管电压: 170~300kVX射线管电流: 5mA焦点尺寸: 2.5×2.5mm钢(5分钟曝光,D≧1.5):50mm最大穿透A3管电压稳定度: 优于±5%管电流稳定度: 优于±5%发生器外形尺寸: 330×330×685mm发生器重量: 35kg控制器外形尺寸: 350×300×120mm控制器重量: 11kg输入电源: 220±10%;AC50Hz,容量≧3.0KVA 允许使用的环境温度:-20℃~+40℃2、主要配置:X射线发生器:1台控制器:1台连接电缆:1根电源电缆:1根信号灯:1盏接地线:1根产品使用说明书:1本1、技术参数:X射线管电压: 170~300kVX射线管电流: 5mA焦点尺寸: 3.0×3.0mm钢(5分钟曝光,D≧1.5):50mm最大穿透A3管电压稳定度: 优于±5%管电流稳定度: 优于±5%发生器外形尺寸: 330×330×840mm发生器重量: 35kg控制器外形尺寸: 350×300×120mm控制器重量: 11kg输入电源: 220±10%;AC50Hz,容量≧3.0KVA 允许使用的环境温度:-20℃~+40℃2、主要配置:X射线发生器:1台控制器:1台连接电缆:1根电源电缆:1根信号灯:1盏接地线:1根产品使用说明书:1本1、技术参数:X射线管电压: 170~300kVX射线管电流: 5mA焦点尺寸: 1.0×3.5mm钢(5分钟曝光,D≧1.5):45mm,最大穿透A3管电压稳定度: 优于±5%管电流稳定度: 优于±5%发生器外形尺寸: 330×330×840mm发生器重量: 42kg控制器外形尺寸: 350×300×120mm控制器重量: 11kg输入电源: 220±10%;AC50Hz,容量≧3.0KVA 允许使用的环境温度:-20℃~+40℃2、主要配置:X射线发生器:1台控制器:1台连接电缆:1根电源电缆:1根信号灯:1盏接地线:1根产品使用说明书:1本1、技术参数:X射线管电压: 170~300kVX射线管电流: 5mA焦点尺寸: 1.0×3.5mm钢(5分钟曝光,D≧1.5):42mm最大穿透A3管电压稳定度: 优于±5%管电流稳定度: 优于±5%发生器外形尺寸: 345×345×800mm发生器重量: 42kg控制器外形尺寸: 350×300×120mm控制器重量: 11kg输入电源: 220±10%;AC50Hz,容量≧3.0KVA 允许使用的环境温度:-20℃~+40℃2、主要配置:X射线发生器:1台控制器:1台连接电缆:1根电源电缆:1根信号灯:1盏接地线:1根产品使用说明书:1本1、技术参数:X射线管电压: 170~300kVX射线管电流: 5mA焦点尺寸: 1.0×2.5mm钢(5分钟曝光,D≧1.5):45mm最大穿透A3管电压稳定度: 优于±5%管电流稳定度: 优于±5%发生器外形尺寸: 330×330×690mm发生器重量: 36kg控制器外形尺寸: 350×300×120mm控制器重量: 11kg输入电源: 220±10%;AC50Hz,容量≧3.0KVA 允许使用的环境温度:-20℃~+40℃2、主要配置:X射线发生器:1台控制器:1台连接电缆:1根电源电缆:1根信号灯:1盏接地线:1根产品使用说明书:1本1、技术参数:X射线管电压: 190~320kVX射线管电流: 5mA焦点尺寸: 2.5×2.5mm钢(5分钟曝光,D≧1.5):55mm最大穿透A3管电压稳定度: 优于±5%管电流稳定度: 优于±5%发生器外形尺寸: 330×330×700mm发生器重量: 39kg控制器外形尺寸: 350×300×120mm控制器重量: 11kg输入电源: 220±10%;AC50Hz,容量≧3.2KVA 允许使用的环境温度:-20℃~+40℃2、主要配置:X射线发生器:1台控制器:1台连接电缆:1根电源电缆:1根信号灯:1盏接地线:1根产品使用说明书:1本1、技术参数:X射线管电压: 190~320kVX射线管电流: 5mA焦点尺寸: 1.0×5.0mm钢(5分钟曝光,D≧1.5):45mm最大穿透A3管电压稳定度: 优于±5%管电流稳定度: 优于±5%发生器外形尺寸: 330×330×840mm发生器重量: 42kg控制器外形尺寸: 350×300×120mm控制器重量: 11kg输入电源: 220±10%;AC50Hz,容量≧3.2KVA 允许使用的环境温度:-20℃~+40℃2、主要配置:X射线发生器:1台控制器:1台连接电缆:1根电源电缆:1根信号灯:1盏接地线:1根1、技术参数:X射线管电压: 170~320kVX射线管电流: 5mA焦点尺寸: 1.0×5.0mm钢(5分钟曝光,D≧1.5):50mm最大穿透A3管电压稳定度: 优于±5%管电流稳定度: 优于±5%发生器外形尺寸: 330×330×840mm发生器重量: 42kg控制器外形尺寸: 350×300×120mm控制器重量: 11kg输入电源: 220±10%;AC50Hz,容量≧3.2KVA 允许使用的环境温度:-20℃~+40℃2、主要配置:X射线发生器:1台控制器:1台连接电缆:1根电源电缆:1根信号灯:1盏接地线:1根1、技术参数:X射线管电压: 170~320kVX射线管电流: 5mA焦点尺寸: 1.0×2.5mm钢(5分钟曝光,D≧1.5):50mm最大穿透A3管电压稳定度: 优于±5%管电流稳定度: 优于±5%发生器外形尺寸: 330×330×700mm发生器重量: 36kg控制器外形尺寸: 350×300×120mm控制器重量: 11kg输入电源: 220±10%;AC50Hz,容量≧3.2KVA 允许使用的环境温度:-20℃~+40℃2、主要配置:X射线发生器:1台控制器:1台连接电缆:1根电源电缆:1根信号灯:1盏接地线:1根1、技术参数:X射线管电压: 190~350kVX射线管电流: 5mA焦点尺寸: 3.0×3.0mm钢(5分钟,D≧1.5):60mm最大穿透A3管电压稳定度: 优于±5%管电流稳定度: 优于±5%辐射角: 40°发生器外形尺寸: 330×330×840mm发生器重量: 45 kg控制器外形尺寸: 350×300×120mm控制器重量: 11kg输入电源: 220±10%;AC50Hz,容量≧3.5KVA允许使用的环境温度:-20℃~+40℃端环离射线窗口的高度:280mm内部采用高磁通量铁芯,进口导线,使之桶内产生的热量减少。
射线探伤机探伤机安全操作及保养规程射线探伤机是一种用来检测材料内部缺陷的仪器,具有高精度、高可靠性、非破坏性、能够在不接触被探测物体的情况下完成检测。
在使用射线探伤机进行探测时,必须严格遵守操作规程,以确保安全性和探测效果。
本文将介绍射线探伤机的安全操作及保养规程。
一、基本安全注意事项1.1 仪器安全在使用射线探伤机时,必须确保仪器本身的安全性,以确保人员不会接触到射线。
操作人员必须根据使用手册的规定正确操作仪器,不可随意调整射线频率或其他参数。
1.2 环境安全使用射线探伤机时,必须选择在无人或少有人的地方进行操作,不可在人员密集区域或空气流动不良的环境中使用。
操作地点必须有防护设施,包括隔离区或安全帷幕。
1.3 人员安全使用射线探伤机时,必须保证操作人员及其他人员的安全,操作人员必须佩戴合适的防护服和防护手套。
其他人员必须坚决遵守操作人员的指示,不可随意进入操作区域。
二、安全操作流程2.1 前期准备在进行射线探伤机探测之前,必须做好前期准备工作,包括:•对探测目标进行彻底检查,排除可能会影响探测准确性的因素;•调整仪器参数,确保仪器的最佳工作状态;•检查是否符合环境安全标准和是否有需求隔离区或安全帷幕;•确定操作人员以及指令和救援人员的位置和角色。
2.2 操作流程在进行射线探测机探测时,必须坚持以下操作流程:•将探测目标放置在操作平台上,确保稳定并分配好工作任务和责任;•开始探测后,请不要轻易中断或调整参数,并且必须符合仪器使用说明书上的指令、特定标准或简单文本方案;•操作过程中,必须保持警惕并及时监控测量过程的参数和结果。
在出现异常时,必须及时停止操作并协调查找原因并调整处理方法;•操作结束后,必须对仪器进行按照规程进行仪器的清洁、维护工作,并确保探测目标的安全彻底完成。
三、保养规程3.1 定期维护射线探伤机作为精密电子设备,需要定期进行维护和保养。
具体包括:•对仪器的X射线放射线性系数进行定期检查,确保仪器的放射性仍然是符合要求的;•对射线探测机各项系统的电气连等系以及外观等进行定期检查和清洁工作;•进行日常除尘清理,避免仪器内部积尘或雾霭等;•定期储存相关数据,以备后期进行对数据的参照分析。
x射线探伤机及探伤室应用项目验收x射线探伤机及探伤室是一种用于检测材料缺陷的重要设备,被广泛应用于航空航天、核能、石化、机械制造等领域。
它能够通过对物体的射线透过能力进行分析,快速准确地检测出内部缺陷,确保产品的质量达到标准要求。
在项目验收中,需要对x射线探伤机及探伤室进行各项测试和评估,确保其功能完善、使用安全。
首先,在验收过程中,需要对x射线探伤机的性能进行全面测试。
测试内容包括:射线源的稳定性和强度、射线束的展宽和聚焦度、成像分辨率、低敏感性等。
通过这些测试可以评估射线探伤机的成像质量和故障检测能力,确保其满足技术要求。
其次,还需要对探伤室的结构和功能进行评估。
探伤室应具备良好的防护性能,有效阻挡射线的泄漏,保护工作人员的安全。
在验收中,还需要对排风系统、防护门、射线源的安装位置等进行检测和评价,确保探伤室符合相关的安全标准。
在项目验收过程中,还需要进行一系列的性能验证测试。
这些测试包括:对不同类型的物体进行探测,比对扫描结果和真实缺陷进行校对;测试探伤机的自动扫描、图像录制和回放功能,以验证其操作便捷性;测试在不同工况下的性能表现,包括环境温度、湿度等因素的影响。
此外,在项目验收中还需要验证设备的质量管理体系,包括射线源的管理、安全事故应急处置措施等。
同时,也需要验收合同履行情况,检查设备的标识和使用说明书是否完善。
最后,在项目验收的过程中,还需要对探伤机和探伤室的培训情况进行评估。
对操作人员进行培训,使其能够熟练掌握设备的操作流程和安全注意事项,减少操作风险。
总结起来,x射线探伤机及探伤室应用项目的验收是一项系统性的工作,涉及到设备性能测试、结构评估、性能验证、质量管理体系及培训等各个方面。
通过这些评估和测试,可以确保设备性能达到预期,为实际应用提供可靠的技术支持。
X射线探伤机安全操作规程
编制:
审核:
批准:
山东东岳能源有限责任公司泰山铝业分公司
X射线探伤机安全操作规程
1、操作X射线探伤机必须严格执行操作规程,严守安全防护措施。
2、X射线探伤机应保持清洁整齐,并应有足够的照明。
射线机配电盘应装有指示灯。
3、X射线探伤机人员要根据工作情况,穿戴合适的防护用品。
包括工作服、口罩、手套、铅玻璃眼镜等,操作前应进行检查,操作后进行清洗。
4、操作中不得饮食、吸烟。
如发现头昏等现象,应及时通风、治疗。
工作完毕后,应及时清洗手、脸或淋浴。
5、一人不得单独作业,至少要有二人以上,一人操作一人负责监护。
6、探伤室安装良好的通风设备,每天开始工作前,和工作进行过程中必须注意换气,并保持清洁。
7、 X射线探伤机操作前,应将外壳安全接地,防止操作者触电。
8、X射线试验室的门上应装置闭门接触器,关门供电,开门断电。
同时门面上应装置红色警告牌,防止他人无意打开门时,受到射线损害。
9、长期不用的X射线探伤机要按说明书进行训机操作,方可工作。
10、X射线探伤机工作后要严格经过冷却休息方能继续工作,严谨违规操作。
X射线探伤机操作规程1、适用范围:本规程适用于母材厚度为8-60mm的对接全熔透焊缝,包括手工电弧焊、熔化极气体保护焊及埋弧自动焊。
检测仪器为定向便携式X射线探伤机,采用胶片法检测。
2、检测人员2.1 从事射线检测的人员必须经过严格培训,并持有国家有关权威部门颁发的资格证书,在允许的范围内检测。
必须经培训,考核合格才能上岗,严禁无证上岗操作。
2.2 评片人员的矫正视力不得低于1.0,并要求距离400mm能读出高为0.5mm、间隔0.5mm的一组印刷体字母;3、工件3.1 焊缝及热影响区的表面质量(包括余高高度)应经外观检查合格,表面的不规则状态在底片上的图像应不掩盖焊缝中的缺陷或与之相混淆。
3.2 探伤时机必须满足以下几个条件:在焊接完全冷却24小时,所有热处理、水压试验、膨胀和校正等影响最终检测质量的工序完成之后进行;4、为获得良好的照射灵敏度,应选用尽可能低的管电压。
5. 射线胶片系统和增感屏5.1 射线照相检测所使用的胶片系统类别应按ISO11699-1和EN584-1进行选择。
5.2 采用不同射线源及不同检验等级,所选用的增感屏和胶片见表1和表2.5.3 使用增感屏时,胶片和增感屏之间应接触良好。
则认为散射线防护合格。
若在较黑的部位显示较淡的“B”则认为散射线防护不合格,此底片作废。
7、透照方式7. 1 一般规定7. 2射线透照布置可采用1.单壁单影法2.双壁双影法3.双壁单影法。
优先选用以前行之有效的方法。
7.3外径D>100mm,厚度t>8mm,焊缝宽大于D/4的管对接环缝,不得用双壁双影法。
7. 4采用双壁双影法透照布置时,射线入射角应尽可能小一些,但两侧焊缝影像不得重叠,最好相隔一倍焊缝间隔。
8、射线底片上的定位及其他标记8. 1被检工件的每一透照区段,均须放置高密度材料的识别标记。
如:本公司标志、产品编号、部位编号、中心标记、返修标记、透照日期等。
8. 2 当射线底片上无法清晰地显示焊缝边界时,应在焊缝两侧放置高密度材料的边界识别标记。
型射线探伤机安全操作及保养规程在工业生产中,型射线探伤机是一种常用的无损检测设备,可以用于检测各种工业材料的缺陷情况,例如管道、储罐、焊缝等。
在使用型射线探伤机的过程中,操作人员需要掌握其安全操作及保养规程,以确保人员安全和设备正常运行。
一、安全操作规程1.1 操作前的准备在使用型射线探伤机之前,需要进行以下准备工作:1.确认射线源装置是否牢固地安装在指定位置,并保证不会移动;2.保证探头和辐射计处于正常工作状态,并确认测量装置的测量范围是否正确;3.确认检测场所是否符合条件,并定位需要检测的区域;4.确认周围的人员已经全部撤离,并使用标示区域进行隔离。
1.2 操作中的注意事项在使用型射线探伤机的时候,需要遵循以下操作规程:1.操作人员必须戴防护手套、防护眼镜和防护服等防护装备;2.操作人员必须保持一定的距离,避免接触射线源;3.操作人员必须使用辐射计监控射线剂量,确保不会超出安全范围;4.操作人员不得长时间直接接触屏幕,避免造成辐射伤害。
1.3 操作后的处理在使用型射线探伤机之后,需要进行以下处理工作:1.确认射线源被安全地封开,并恢复现场场地;2.确认设备已经全部关闭;3.将防护装备进行消毒处理,并重新放置。
二、保养规程2.1 设备外观清洁在使用型射线探伤机的时候,需要确保设备外观清洁,避免尘埃和腐蚀等环境因素的影响。
可以使用干净的抹布或毛刷清洁设备外部。
2.2 设备存放当型射线探伤机不使用时,需要存放在干燥通风的地方,避免氧化和辐射等因素对设备的影响。
2.3 设备维护在使用型射线探伤机的过程中,需要进行以下维护工作:1.每次使用后,需要对设备进行检查,确保所有部件的运作正常;2.定期更换辐射计和射线源,避免设备使用寿命和射线强度的下降导致效果的受影响;3.注意设备的温度和湿度变化,避免造成设备损坏或性能下降;4.对于设备的故障问题,需要及时进行维修或更换。
结语以上就是关于型射线探伤机的安全操作及保养规程的详细介绍。
X射线探伤机特点简介X射线探伤主要技术参数:
—主要用途:检测铝钢铸件、铝镁合金铸件、铝合金
铸件以及铸钢、铸铁件内部缺陷,如:气孔、缩孔、
疏松、裂纹等。
— X射线探伤机容量:350KV,20mA
— X射线探伤机频率:40KHz
—最大穿透能力:110mm(Al)
—冷却方式:采用封闭制冷方式,具有强制冷却、流量保护、温度保护等各种自我保护功能射线管体温
度≤40℃,制冷量能确保设备连续工作。
— 9"射线实时成像系统(XSC9B型)
—系统灵敏度:动态灵敏度优于2.8%,静态灵敏度优于1.6%~2.0%。
—系统分辨率:16~24LP/cm
—可进行X射线拍片和实时成像显示两种方式工作。
图像处理系统主要功能:
—具有多幅图像的存储和调出功能,图像可以保存。
—伪彩色输出功能
—图像打印功能
—图像放大和缩小及放大镜功能
—图像上叠加字符和汉字功能
—灰度显示功能
—对被测工件的缺陷几何测量功能
—窗口窗位技术
—边缘增强及负像功能
—平均降噪(多帧选择)
—在静态单幅图像状态下,可实现测量工件缺陷及打印统计工作。
设备全貌
X射线检测台
X射线操作台X射线实时成像系统。
产品使用说明书上方检测目录一、产品主要参数一览表 (2)二、产品概述 (5)三、工作原理简述 (5)四、使用说明 (6)五、注意事项 (11)六、维修指南 (12)七、曝光参考曲线表 (13)一、产品主要技术参数一览表SF系列XXG、XXQ系列二、产品概述我公司生产的SF系列X射线探伤机和XXQ、XXG系列X射线探伤机,采用变频和恒频脉冲式控制技术,具有结构新颖、携带方便、功能齐全等特点,系统采用微机控制和调节,模块化结构,保证了整机的稳定性与可靠性,并且维修特别方便,具有齐全的保护功能,适用范围宽;各种参数设定、工作状态、保护动作都有语言用汉语提示,方便了用户的使用,防止各种违章操作,设备设有训机功能,提高了整机的使用寿命。
本机的X射线发生器采用气体绝缘强迫风冷阳极接地式,具有体积小、重量轻等优点。
该产品适用于高空作业、薄钢材、小型、中型、大型容器类焊接工程、造船业、锅炉管道焊缝、石化工程、飞机制造、维修业、汽车工业、国防工业等部门的无损检测。
整机特点可归纳如下:●采用微机控制,模块化结构,自动化程度高,抗干扰能力强,工作可靠;●参数设置、工作过程、故障指示采用LED数码管和LED指示灯,同时配以汉语语音提示;●自带训机键,可方便对设备老练;●XXG、XXQ曝光时间与休息时间严格按1:1进行;SF系列X射线探伤机为连续工作型。
●根据不同的输出电压,采用不同的启动频率,提高工作效率。
●防尘防水彩色薄膜面板,语言提示键盘,可以迅速准确地选择曝光参数;●具有灵敏的过压、欠压、过流、欠流、超温等保护功能;●独特的安全锁设计,使操作人员免受意外的射线伤害;●配有安全射线指示灯插座,可接射线指示灯●配有探伤室用门机连锁接线端子,可随时连接铅门开关,确保人员安全。
●具有宽的千伏选择范围,解决了其它系列探伤机透照厚度范围窄的难题;●延时曝光功能,可设置小于10分钟的延时曝光时间,以便操作人员远离现场;●自动测试电网电压特性,故可配接各种发电机可靠工作,●采用探伤机专用快速接插件、及特种高强度连接电缆。