镍基合金钢的化学成份对照表
- 格式:doc
- 大小:59.00 KB
- 文档页数:2
Incoloy330(N08830)镍基合金材料牌号:镍铬铁合金330镍基异体ÿ美国等级:UNS N08830一、Incoloy 330(N08830)镍基合金概述:Incoloy 330 (N08330) 是一种镍铁铬奥氏体合金,专门设计用于在高温环境中抵抗氧化和渗碳。
34%-37%的镍含量使该材料对氯化物应力腐蚀开裂和σ相析出脆化具有很强的抵抗力。
该材料通过不锈钢和镍合金的标准加工程序进行加工。
广泛用于循环加热和渗碳环境下的耐腐蚀性能。
二、化学成分:见表1:表格1 %三、物理特性:1. 密度:(1) 8.08 克/立方厘米(2) 0.292 磅/英寸 32.比热容:(1) 0.11 BTU/磅/°F(32 - 212°F)(2) 460 焦耳/公斤/°C (0 - 100°C)3. 磁导率:1.02 at 70 °F / 20 °C (RT)。
4、电加热特性:四、耐腐蚀性能:Incoloy 330 (N08830) 具有出色的耐腐蚀性,尤其是在氧化、渗碳和渗氮环境下。
在水介质环境中,330的铬成分能抵抗氧化环境的腐蚀,镍成分能增强抗还原腐蚀的能力。
该合金的高镍含量使其对氯化物应力腐蚀开裂和σ相脆化具有很强的抵抗力。
五、抗氧化性:Incoloy 330(N08830)在高达2000°F(1095°C)的温度下具有优异的抗氧化性和良好的防垢能力。
任何水垢形成后,都会紧紧地粘附在材料表面,尤其是在冷热交替循环的条件下。
六、抗渗碳性能:35%的镍和一定量的硅使材料具有优良的抗渗碳性能。
合金330 在渗碳和氧化的交替环境中表现出优异的抗“绿腐”能力。
1 / 142 / 143 / 144 / 145 / 146 / 147 / 148 / 14蒙乃尔400蒙乃尔400合金的组织为高强度的单相固溶体,它是一种用量最大、用途最广、综合性能极佳的耐蚀合金。
此合金在氢氟酸和氟气介质中具有优异的耐蚀性,对热浓碱液也有优良的耐蚀性。
同时还耐中性溶液、水、海水、大气、有机化合物等的腐蚀。
该合金的一个重要特征是一般不产生应力腐蚀裂纹,切削性能良好。
耐蚀性能该合金在氟气、盐酸、硫酸、氢氟酸以与它们的派生物中有极优秀的耐蚀性。
同时在海水中比铜基合金更具耐蚀性。
酸介质:M400在浓度小于85%的硫酸中都是耐蚀的。
M400是可耐氢氟酸中为数极少的重要材料之一。
水腐蚀:M400合金在多数水腐蚀情况下,不仅耐蚀性极佳,而且孔蚀、应力腐蚀等也很少发现,腐蚀速度小于0.025高温腐蚀:M400在空气中连续工作的最高温度一般在600℃左右,在高温蒸汽中,腐蚀速度小于0.026。
氨:由于蒙乃尔400合金镍含量高,故可耐585℃以下无水氨和氨化条件下的腐蚀。
9 / 14产品应用动力工厂中的无缝输水管、蒸汽管海水交换器和蒸发器硫酸和盐酸环境原油蒸馏在海水使用设备的泵轴和螺旋桨核工业用于制造铀提炼和同位素分离的设备制造生产盐酸设备使用的泵和阀蒙乃尔 K500蒙乃尔K500合金除具有高强度、耐腐蚀、无磁性等优异的机械性能外,还具有蒙乃尔400同样的耐蚀性。
能作为泵轴材料,适用于较恶劣的高硫、高蜡油层的地质开采条件下工作。
由于该合金没有塑-脆转变温度,所以非常适用于各种低温设备。
此合金主要用于泵轴和阀杆、输送器刮刀、油井钻环、弹性部件、阀垫等。
适用于石油、化工、造船、制药、电子部门。
化学成分该合金的化学成分大体与蒙乃尔400相同,最大的差别是含有2.3-3.15%的和0.30-1.00%的,此合金的组织特点除有弥散的3()沉淀相析出外,其他与蒙乃尔400相同。
10 / 14耐蚀性能一般固溶态的蒙乃尔K500耐蚀性与蒙乃尔400合金基本相同,因此,有关蒙乃尔400的耐蚀性数据完全可以适用于蒙乃尔K500合金。
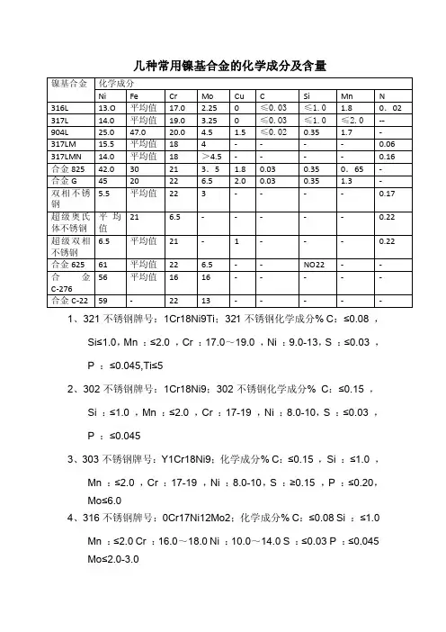
几种常用镍基合金的化学成分及含量1、321不锈钢牌号:1Cr18Ni9Ti;321不锈钢化学成分% C:≤0.08 ,Si≤1.0,Mn :≤2.0 ,Cr :17.0~19.0 ,Ni :9.0-13,S :≤0.03 ,P :≤0.045,Ti≤52、302不锈钢牌号:1Cr18Ni9;302不锈钢化学成分% C:≤0.15 ,Si :≤1.0 ,Mn :≤2.0 ,Cr :17-19 ,Ni :8.0-10,S :≤0.03 ,P :≤0.0453、303不锈钢牌号:Y1Cr18Ni9;化学成分% C:≤0.15 ,Si :≤1.0 ,Mn :≤2.0 ,Cr :17-19 ,Ni :8.0-10,S :≥0.15 ,P :≤0.20,Mo≤6.04、316不锈钢牌号:0Cr17Ni12Mo2;化学成分% C:≤0.08 Si :≤1.0Mn :≤2.0 Cr :16.0~18.0 Ni :10.0~14.0 S :≤0.03 P :≤0.045 Mo≤2.0-3.05、316L不锈钢牌号:00Cr17Ni14Mo2;化学成分% C:≤0.03 Si :≤1.0Mn :≤2.0 Cr :16.0~18.0 Ni :12.0~15.0 S :≤0.03 P :≤0.045 Mo:2.0~3.0。
6、310不锈钢化学成分% C:≤0.25 Si :≤1.5 Mn :≤2.0 Cr :24.0~26.0 Ni :19.0~22.0 S :≤0.03 P :≤0.0457、310S不锈钢牌号:0Cr25Ni20/1Cr25Ni20Si2;310S不锈钢化学成分% C:≤0.08 Si :≤1.5 Mn :≤2.0 Cr :23.0~26.0 Ni :19.0~22.0 S :≤0.03 P :≤0.0458、317L不锈钢牌号:0Cr19Ni13Mo3 ;317L不锈钢化学成分%:C≤0.02 N ≤0.14 Cr ≤17.8 Ni ≤12.7 Mo≤ 4.19、309S不锈钢牌号0Cr23Ni13 ;309S不锈钢化学成分:C:≤0.08 ,Si :≤1.0 ,Mn :≤2.0 ,Cr :22-24 ,Ni :12-15,S :≤0.03 ,P :≤0.04510、314不锈钢牌号1Cr25ni20Si2;314不锈钢化学成分% :C≤0.25,Si1.5-3.0,Mn≤2.00 ,P ≤0.04,S≤0.03,Ni:19-22,Cr:23-26 11、321不锈钢牌号:1Cr18Ni9Ti;321不锈钢化学成分% C:≤0.08 ,Si≤1.0,Mn :≤2.0 ,Cr :17.0~19.0 ,Ni :9.0-13,S :≤0.03 ,P :≤0.045,Ti≤512、840的在国内可以用2520的代替,主要是含镍比例高,抗氧化性强;840不锈钢化学成分% : C:≤0.07,Si ≤1.5, Mn ≤2.0, Cr :18.0~22.0,Ni :18~23.0,S≤0.03,P0.045,Al:0.35,Ti:0.3113、630不锈钢牌号0Cr17Ni4Cu4Nb/05Cr17Ni4Cu4Nb ;630不锈钢化学成分% :C≤0.07,Si≤1.00,Mn≤1.00 ,P ≤0.035,S≤0.030,Ni3.00-5.00,Cr15.5-17.5,Cu3.00-5.00,Nb0.15-0.4514、631不锈钢又叫17-7PH不锈钢;631不锈钢化学成分% :C≤0.09,Si≤1.00,Mn≤1.00 ,P ≤0.04,S≤0.030,Ni 6.5-8.5,Cr116-18,Al 0.75-1.515、904L不锈钢牌号:00Cr20Ni25Mo4.5Cu;904L不锈钢化学成分%C≤0.03,Si≤1.00 ,Mn≤2.00,P≤0.035,S≤0.03,Ni:23.0-28.0,Cr:18.0-23.0,Mo:5-6,Cu:1.0-2.0,N≤0.1。
关于常用镍基合金牌号的化学成分的文章常用镍基合金牌号的化学成分镍基合金是一类以镍为主要成分的合金材料,具有优异的耐腐蚀性、高温强度和良好的可加工性。
在工业领域中,常用的镍基合金牌号有许多种,每种牌号都有其独特的化学成分。
首先,我们来介绍一下常用的镍基合金牌号Inconel 600。
它是一种含有72%镍、14%铬和8%铁的合金。
此外,它还含有少量的硅、锰和碳等元素。
Inconel 600具有优异的耐腐蚀性能,在高温下仍然能够保持较好的强度和韧性。
另一个常见的镍基合金牌号是Inconel 625。
它主要由61%镍、21.5%铬和9%钼组成。
此外,它还含有少量的铁、钛和铝等元素。
Inconel 625具有出色的耐腐蚀性能,在高温下仍然能够保持较好的强度和韧性。
因此,它广泛应用于海洋工程、化工设备等领域。
除了上述两种常见的镍基合金牌号,还有一种被广泛使用的是Hastelloy C276。
它主要由55%镍、16%钼和16%铬组成。
此外,它还含有少量的铁、钨和铜等元素。
Hastelloy C276具有出色的耐腐蚀性能,在强酸、强碱和高温环境下都能够表现出良好的稳定性。
此外,还有一种常用的镍基合金牌号是Monel 400。
它主要由67%镍和30%铜组成。
此外,它还含有少量的铁、锰和硅等元素。
Monel 400具有良好的耐腐蚀性能,在海水中具有优异的抗腐蚀性能,因此被广泛应用于海洋工程领域。
总结起来,常用的镍基合金牌号具有不同的化学成分,但都具备优异的耐腐蚀性能和高温强度。
这些合金在航空航天、化工、海洋工程等领域中发挥着重要作用,并为各行各业提供了可靠的材料选择。
镍基高温合金牌号成分表摘要:1.镍基高温合金概述2.镍基高温合金的优点3.镍基高温合金的组织结构4.镍基高温合金的成分及其性能5.镍基高温合金的应用领域正文:1.镍基高温合金概述镍基高温合金是一种以镍为主体的高温合金,具有优异的高温强度、抗氧化性和抗腐蚀性能。
它在整个高温合金领域占有举足轻重的地位,广泛应用于航空喷气发动机、各种工业燃气轮机最热端部件等高温环境。
2.镍基高温合金的优点相较于其他高温合金,镍基高温合金具有以下优点:(1)镍基合金中可以溶解较多合金元素,且能保持较好的组织稳定性;(2)可以形成共格有序的a3b 型金属间化合物[ni3(al,ti)] 相作为强化相,使合金得到有效的强化,获得比铁基高温合金和钴基高温合金更高的高温强度;(3)含铬的镍基合金具有比铁基高温合金更好的抗氧化和抗燃气腐蚀能力。
3.镍基高温合金的组织结构镍基高温合金的组织结构由固溶体、碳化物和相组成。
随着温度的升高,合金中的相数量逐渐增多,尺寸逐渐增大,并由球状变成立方体。
同一合金中出现尺寸和形态不相同的相,这些组织的变化改善了合金的性能。
4.镍基高温合金的成分及其性能镍基高温合金含有十多种元素,其中Cr 主要起抗氧化和抗腐蚀作用,其他元素主要起强化作用。
合金的成分和性能如下:(1)镍(Ni):主要元素,决定合金的基体性能;(2)铬(Cr):主要起抗氧化和抗腐蚀作用;(3)铝(Al)、钛(Ti):形成有序的a3b 型金属间化合物[ni3(al,ti)] 相,提高合金的高温强度;(4)钨(W)、钼(Mo)、钴(Co)、铁(Fe):提高合金的强度和硬度;(5)碳(C):形成碳化物,提高合金的硬度和耐磨性。
5.镍基高温合金的应用领域镍基高温合金广泛应用于航空喷气发动机、各种工业燃气轮机最热端部件、舰船燃气轮机、柴油机喷嘴等高温环境。
上海钢研-张工:158–O185-9914Incoloy 330材料牌号:Incoloy 330镍基合金美国牌号:UNS N08830一、Incoloy 330(N08830)镍基合金概述:Incoloy 330 (N08330)是一种镍铁铬奥氏体合金,专门用于高温环境下抗氧化和渗碳作用。
34%-37%的镍含量使材料具有高抗氯化物应力腐蚀开裂和西格玛相沉淀脆化的能力。
材料通过不锈钢和镍合金标准的加工程序加工而成。
广泛用于循环加热和渗碳作用结合的环境下抗腐蚀。
二、Incoloy 330(N08830)镍基合金化学成分:见表-1:表-1%C≤Si≤Mn≤P≤S≤Cr≥Ni≥Mo≥Cu≤0.0 8 0.75-1.52.00 0.030.0317.0-20.34.0-37.1.0-1.751.0(1)8.08 g/cm3 (克/立方厘米)。
(2) 0.292 lb/in3 (磅/立方英寸)。
2、Incoloy 330(N08830)镍基合金比热:量)。
四、Incoloy 330(N08830)镍基合金机械性能:境具有耐蚀性。
在水介质环境下,330的铬成分能抵抗氧化环境腐蚀,镍成分能增强抗还原腐蚀性。
合金的高镍成分让材料具有相当强的抗氯化物应力腐蚀开裂和西格玛相脆化作用。
六、Incoloy 330(N08830)镍基合金抗氧化性:Incoloy 330(N08830)具有优异的抗氧化性,温度高至2000°F (1095°C)条件下抗结垢能力很好。
任何氧化皮形成后都会紧紧地附着在材料表面上,特别是在冷热循环交替条件下。
七、Incoloy 330(N08830)镍基合金抗渗碳性:35%的镍和一定量的硅使材料具有优异的抗渗碳作用。
在渗碳作用和氧化作用交替环境下,合金330表现出极佳的抗“绿腐病”现象。
八、Incoloy 330(N08830)镍基合金热处理:Incoloy 330(N08830)是一种奥氏体不锈钢,它不能通过热处理进行硬化。
镍基合金成分
镍基合金是一种由镍为主要成分的合金,通常还包括其他元素如铬、钼、钨、铜、铁等。
这些元素的加入可以改善合金的力学性能、耐腐蚀性能和高温性能等。
以下是常见的镍基合金成分:
1. 镍:镍是镍基合金的主要组成部分,通常占总重量的50%以上。
它具有优异的耐腐蚀性和高温强度,可以提高合金的抗氧化性和耐热性能。
2. 铬:铬是一种重要的添加元素,可以提高镍基合金的抗氧化性和耐腐蚀性能。
一般含量在10-30%之间。
3. 钼:钼是一种重要的强化元素,可以提高镍基合金的强度和硬度。
同时还可以提高其抗热疲劳和抗裂纹扩展性。
4. 钨:钨是一种重要的添加元素,可以提高镍基合金的强度和硬度,并且具有良好的高温稳定性。
5. 铜:铜是一种优秀的加工硬化元素,在镍基合金中起到了很好的强
化作用。
同时还可以提高其耐腐蚀性能。
6. 铁:铁是一种常见的杂质元素,虽然含量较低,但会对镍基合金的性能产生影响。
过高的铁含量会导致合金的塑性和韧性降低。
除了上述元素外,镍基合金中还可能包括其他元素如锆、钛、铌等。
这些元素的加入可以改善合金的性能,例如提高其耐热性能和抗腐蚀性能等。
总之,镍基合金成分复杂多样,不同成分的组合可以得到不同性能的合金。
在实际应用中,需要根据具体要求选择适当的镍基合金。
3.5Ni镍系低温钢板各标准对应牌号的化学成分和力学性能分析1、3.5Ni钢材质分析3.5Ni低温压力容器用镍合金钢板、3.5Ni船舶及海洋工程用低温韧性钢、08Ni3DR低温压力容器用钢板、SA203GrD,SA203GrE,SA203GrF美标压力容器用镍合金钢板这六种材质都是3.5Ni钢,3.5Ni钢是含镍量为3.5%左右的低温环境用钢。
2、3.5Ni钢执行标准:3.5Ni低温压力容器用镍合金钢板执行标准:GB/T 24510(本标准适用于液化气体储运装置用厚度不大于150mm的镍合金钢板)3.5Ni船舶及海洋工程用低温韧性钢执行标准:GB/T37602-2019(本标准适用于液化气体运输船、极地船及低温海洋工程用碳锰低温钢和镍系低温钢,适用于厚度不大于60mm的钢板)08Ni3DR低温压力容器用钢板执行标准:GB 3531-2014(本标准适用于制造-196℃~-20℃低温压力容器用厚度为5mm~120mm的钢板)SA203GrD,SA203GrE,SA203GrF美标压力容器用镍合金钢板执行标准:ASME SA203/SA203M(本标准中的镍合金钢板主要适用于焊接压力容器,这级别的钢板上限厚度为100mm)3、3.5Ni钢交货状态:1> 3.5Ni低温压力容器用镍合金钢板应以调质状态交货,经需方同意,厚度不大于12mm的钢板也可以采用正火、正火+回火状态交货2> 3.5Ni船舶及海洋工程用低温韧性钢可以以热机械轧制(TMCP)、正火、正火+回火或淬火+回火状态交货3> 08Ni3DR低温压力容器用钢板以正火或正火+回火状态,或淬火+回火状态交货,回火应温度不低于600℃4> SA203GrD美标压力容器用镍合金钢板应以正火状态交货,经需方同意,为了改善钢的韧性,也可以淬火+回火状态交货,回火温度应不低于595℃4、3.5Ni各牌号化学成分附:表中SA203GrD、E、F表中所列成分都是钢板厚度在50mm 及以下的成分,50mm以上时,SA203GrD中C≤0.20,Mn≤0.80,SA203GrE、F中C≤0.23,Mn≤0.805、3.5Ni各牌号力学性能3.5Ni低温压力容器用镍合金钢板力学性能08Ni3DR低温压力容器用钢板力学性能SA203GrD,SA203GrE,SA203GrF美标压力容器用镍合金钢板力学性能。
上海商虎/张工:158 –0185 -9914材料类别:镍铬铌铁高温合金化学成分(分量百分比)C(%):≤0.10硅(百分比):1.90~2.60锰(%):0.80~1.50P(%)≤:0.025S(%)≤:0.015Cr(%):17.0~19.0镍(%):34.0~41.0钼(%):-一氧化碳百分比:-分量百分比:-铝(%):-铜(%):≤0.50Ti(%):≤0.20铁(百分比):39.5~45.0典型机械性能抗拉强度,σb/≥MPa:550~750屈服强度,σ0.2/MPa:215延伸率δ≥(%):30.0断面收缩率,Φ≥(%):-热处理硬度/HBW:223典型使用高温合金广泛使用于航空、舰船、工业等范畴的燃气轮机高温部件,如涡轮叶片、导叶、涡轮盘、高压压气机盘、燃烧室等,也可用于出产航天飞机、火箭发动机、核反应堆等能量转换装置,石油化工设备、煤转化等。
该合金一般采用AOD/VOD/VIM法出产,必要时采用电渣精炼(ESR)/VAR法出产。
钢筋和锻件(如适用)应根据买方的要求进行不同级别的超声波查看。
在固溶退火条件下,棒材一般具有光亮的表面。
最终热处理-固溶+老化或两层老化。
形状和形状圆钢(直径):5.50~450mm方钢/扁钢:3~350mm盘条(直径):0.10~16mm冷轧钢带:T0.1-3mm X W5-650mm X L(或卷形)锻件:根据原始设备制造商的不同形状。
可提供其他尺度以满足特定要求。
产品:哈氏合金、高温合金、铜镍合金、英科耐尔、蒙乃尔、钛合金、沉淀硬化钢等各种中高端不锈钢,镍基合金等。
高温合金:GH3030、GH4169、GH3128、GH145、GH3039、GH3044、GH4099、GH605、GH5188等软磁合金:1J06、1J12、1J22、1J27、1J30、1J36、1J50、1J79、1J85等弹性合金:3J01、3J09、3J21、3J35等。
蒙乃尔合金:Monel 400(N04400)、Monel K500(N05500)等膨胀合金:4J28、4J29(与玻璃烧结)、4J32、4J33、4J34、4J36、(与陶瓷烧结)4J38、4J42、4J50等耐蚀合金:Inconel 600、601、617、625、686、690、713C、718、Inconel X-750等因科洛伊合金:Incoloy 20、330、718、800、800H、800HT、825、925、Inconel 926【N08926/1.4529】等哈氏合金:Hastelloy C、C-4、C-22(N06022)、C-276、C-2000、Hastelloy B、B-2、B-3等纯镍 / 钛合金:N4、N5(N02201)N6、N7(N02200)TA1、TA2、TA9、TA10、TC4等沉淀硬化钢/双相不锈钢17-4PH(sus630)、17-7PH(sus631)、15-5PH/ 2205、2507、904L、254SMO、20#(N08020)生产工艺:热轧、锻轧、精扎、机轧、挤压、连铸、冷拔、浇铸、冷拉等供应规格:棒材、板材、管材、带材、毛细管、丝材及块料。
镍基高温合金元素成分
镍基高温合金是一种具有优异耐热性能的特种合金材料,广泛应用于航空发动机、燃气轮机等高温工况领域。
这些合金的主要基体元素是镍(Ni),通常含量在50%以上。
除此之外,还包含了以下重要元素: 1. 铬(Cr)
铬是镍基高温合金中的关键合金元素,含量通常在15-25%。
它可以形成稳定的氧化层,提高合金的耐热性和抗氧化性能。
2. 铝(Al)
铝含量通常在5-6%左右,可以与镍、铬等元素形成高温下稳定的γ'相和β相等加强相,大幅提高合金的高温强度。
3. 钛(Ti)
钛含量约为3-5%,与铝一起形成γ'相,同时也可以提高合金的抗氧化性能。
4. 钴(Co)
钴通常含量在5-20%,可提高合金的高温强度和延性。
5. 钼(Mo)
钼含量在3-8%,它可以固化基体,形成碳化物和金属间化合物,从而进一步提高合金的高温强度。
6. 钨(W)
钨含量在3-8%,与钼类似,对提高合金的高温强度也有帮助。
7. 铪(Re)
铪是一种较昂贵的元素,但当含量在3-6%时,可显著提高合金的长期高温力学性能。
除上述主要元素外,还可能含有一定量的铁(Fe)、硼(B)、碳(C)、锆(Zr)等元素,通过微调元素含量和形成适当的相组织,可以获得理想的高温力学性能和耐蚀性。
中国高温合金钢牌号及成分-回复中国高温合金钢是一种特殊的钢材,具有优异的高温强度和耐腐蚀性能。
它主要由铁、碳、铬、镍、钼、钒等元素组成,常见的牌号有GH4145、GH4169、GH4033等。
本文将一步一步地介绍这些高温合金钢的牌号及其成分。
一、GH4145牌号及成分GH4145是一种镍基高温合金钢,其成分如下所示:- 碳(C)含量介于0.07%至0.12%之间,提供抗腐蚀性能和强度;- 硅(Si)含量不超过0.50%,具有热膨胀系数适中的特点;- 锰(Mn)含量不超过0.50%,用于提高强度和耐蚀性;- 磷(P)和硫(S)的含量都应小于0.015%,以提高锻造和加工的可行性;- 铬(Cr)含量在14.00%至17.00%之间,用于提高抗氧化和耐腐蚀性能;- 铜(Cu)含量不超过0.50%,用于提高抗腐蚀性能;- 钴(Co)的含量介于1.0%至3.0%之间,提高高温强度和耐磨性;- 铝(Al)的含量在0.10%至1.50%之间,用于提高高温强度和可塑性;- 钛(Ti)的含量介于1.5%至3.0%之间,用于提供高温强度和稳定性;- 铌(Nb)的含量可调整,用于提高高温强度和抗热腐蚀性。
二、GH4169牌号及成分GH4169是一种常用的高温合金钢,其成分如下:- 碳(C)含量不超过0.08%,提供高温强度和耐蚀性;- 硅(Si)含量不超过0.35%,具有良好的高温氧化和抗腐蚀能力;- 锰(Mn)含量不超过0.35%,用于提高强度和抗腐蚀性;- 磷(P)和硫(S)的含量都应小于0.015%,以提高锻造和加工的可行性;- 铬(Cr)含量在17.0%至21.0%之间,提供优异的抗氧化和耐高温腐蚀性能;- 铜(Cu)含量不超过0.30%,提高耐腐蚀性;- 钴(Co)含量在1.0%至2.50%之间,提高高温强度和耐磨性;- 铝(Al)含量在0.20%至0.80%之间,用于提高高温强度和可塑性;- 钛(Ti)和铌(Nb)的含量可调整,提供高温强度和稳定性;- 镍(Ni)含量在50.00%至55.00%之间,为基础元素,提供高温强度和良好的耐腐蚀性。
0Cr20Ni32AlTi镍基合金成分一:牌号:0Cr20Ni32AlTi二:化学成分:碳(C)≤0.10,锰(Mn)≤1.5,镍(Ni)30.0~bai35.0,硅(Si)≤1.0,磷(P)≤0.02,硫(S)≤0.015,铬du(Cr)19.0~23.0,铁(Fe) ≥ 22.0,铝(Al) 0.15~0.6,钛(Ti) 0.15~0.6,铜(Cu) ≤0.75三:应用范围应用领域:常年现货库存圆棒板材无缝管卷带!化学工业,核发生器,硝酸冷却器、醋酐裂化管,换热设备,换热管,甑式炉,马弗炉及热处理夹具和料筐,真空炉装置,高工作温度华氏1000度氯化设备,二氧化钛工厂,甑式炉,脂肪酸工艺中的加热器、蒸馏器、泡罩塔和冷凝器,硫化钠制造工艺中的蒸发器管、管板和压片盘,纸浆制造中的松香酸四:物理性能:密度:8.1g/cm3,熔点:1357-1385 ℃,磁性:无。
热处理:980-1150℃之间保温2小时,快速水冷。
机械性能:抗拉强度:σb≥450Mpa,屈服强度σb≥175Mpa:延伸率:δ≥30%,硬度;HB135-179五:概况:INCOLOY800/800H/800HT三者的化学成分十分相似,因此都具有很好的耐还原、氧化、氮化介质腐蚀以及耐氧化还原交替变化介质腐蚀的性能,且在高温长期应用中具有高的冶金稳定性。
但由于三者的(Al+Ti)含量不同,致使三种材料运用的环境有所不同,具体表现在:INCOLOY 800在零下、室温和600℃高温下各种性能都会发挥出来。
INCOLOY 800H由于(Al+Ti) 的含量不高于0.7% ,在600℃以上具有很好的抗拉强度,并且在700℃以下长时间工作时仍然具有较好的韧性。
INCOLOY 800HT在700℃以上时具有优秀的屈服强度。
关于常用镍基合金牌号的化学成分的文章常用镍基合金牌号的化学成分镍基合金是一类以镍为主要成分的合金材料,具有优异的耐腐蚀性、高温强度和良好的可加工性。
在工业领域中,常用的镍基合金牌号有很多,每种牌号都有其独特的化学成分。
首先,我们来介绍一下常用的镍基合金牌号Inconel 600。
它是一种含有72%镍、14%铬和8%铁的合金。
此外,它还含有少量的硅、锰和碳等元素。
Inconel 600具有优异的耐腐蚀性能,在高温下仍然能够保持较好的力学性能。
另一个常见的镍基合金牌号是Inconel 625。
它主要由61%镍、21.5%铬和9%钼组成。
此外,它还含有少量的铁、钛和铝等元素。
Inconel 625具有出色的耐腐蚀性能,在高温和强酸环境下表现出色。
除了上述两种常见牌号外,还有一种被广泛应用于航空航天领域的镍基合金牌号是Inconel 718。
它主要由50%镍、18.6%铬和18.5%铁组成。
此外,它还含有少量的钼、钛和铝等元素。
Inconel 718具有出色的高温强度和耐腐蚀性能,被广泛应用于航空发动机等高温环境下的零部件制造。
此外,还有一种常见的镍基合金牌号是Hastelloy C276。
它主要由55%镍、16%钼和16%铬组成。
此外,它还含有少量的铁、钴和钛等元素。
Hastelloy C276具有出色的耐腐蚀性能,在强酸和高温环境下表现出色。
总之,常用的镍基合金牌号具有不同的化学成分,但都具有优异的耐腐蚀性能和高温强度。
这些合金在航空航天、化工、石油等领域中得到广泛应用,为各行各业提供了可靠的材料选择。
601合金棒601合金化学成分a1a3a1a6a6a3a6a8a1a9a9aInconel 601材料牌号:Inconel 601镍基合金美国牌号:UNS N06601德国牌号:2.4851一、Inconel 601(N06601)镍基合金概述:Inconel 601 (UNS N06601)镍基合金含铬量21.0-25.0%,含镍量约为72% 的高温镍基合金,Inconel 601 (UNS N06601)镍基合金材料具有较强的抗氧化性、耐高温及耐腐蚀性能,在高温下它也具有较高的力学性能。
Inconel 601 (UNS N06601)镍基合金高温强度大,具有优良的耐氧化性、耐渗碳性、耐渗硫性。
特别是在温度变化剧烈、反复氧化的环境下具有优异的耐氧化皮剥离性,因此,被广泛应用于各种热处理炉构件、柴油汽车电热塞部件等。
二、Inconel 601(N06601)镍基合金化学成分:见表-1:表-1 %C≤Si≤Mn≤P≤S≤Cr≥Ni≥Mo≥Cu≤0.1 0.5 1 0.02 0.015 21.0-25.0 72 1其他N≤Al≤Ti≤Fe≤Co≤V≤W≤Nb≤1.00-1.70 余量三、Inconel 601(N06601)镍基合金物理性能(退火):1、Inconel 601(UNS N06601)镍基合金密度:8.42 g/cm3 (克/立方厘米)。
2、Inconel 601(UNS N06601)镍基合金弹性模量: 124.7-206.5GPa。
3、Inconel 601(UNS N06601)镍基合金金熔点:1360-1411°C。
4、Inconel 601(UNS N06601)镍基合金热膨胀系数( 20 - 100°C):13.75μ m/m °C。
5、Inconel 601(UNS N06601)镍基合金比热(J/kg�1�71�1�71K):451。
四、Inconel 601(N06601)镍基合金机械性能:1、抗拉强度(MPA):Rm N/mm2 ≥ 550。