使 用 说 明 书doc
- 格式:pdf
- 大小:101.79 KB
- 文档页数:7
使用说明书印刷要求标准随着科技的进步,使用说明书在我们的日常生活中扮演着越来越重要的角色。
无论是电子产品,家居用品还是医药产品,使用说明书都是不可或缺的一部分。
然而,为了确保使用说明书的质量和可读性,印刷要求标准显得尤为重要。
本文将详细介绍使用说明书的印刷要求标准,以帮助读者更好地理解和应用这些标准。
一、纸张选择使用说明书通常需要选择适合的纸张,以保证印刷质量和使用寿命。
在选择纸张时,需要考虑以下几个因素:1.1 纸张材质常用的纸张材质包括铜版纸、双胶纸、胶版纸等。
其中,铜版纸和双胶纸适用于彩色印刷,胶版纸适用于黑白印刷。
根据使用说明书的具体需求,选择适合的纸张材质。
1.2 纸张光泽光泽是指纸张表面的反射光亮度。
根据使用说明书的具体要求,可选择哑光、亮光或半光纸张。
一般来说,在有大量图片或图表的说明书中,亮光纸张可以更好地展示图像的色彩鲜艳度。
1.3 纸张厚度纸张厚度主要影响使用说明书的耐久性和质感。
一般情况下,选择适中的纸张厚度,既能保证使用说明书的寿命,又能保持适合的灵活性。
二、文字排版良好的文字排版能提高使用说明书的可读性和专业性。
下面是几个关键要点:2.1 字体选择选择常用字体,如宋体、黑体等。
字体大小宜在9号到12号之间,以确保文字清晰可读。
此外,文字间距的设置也要合适,以免过于密集或过于稀疏。
2.2 标题和小标题使用说明书中的标题和小标题应该明确、准确地反映内容,并使用适当的字体和字号加以突出。
标题应该简洁明了,小标题可用于分段说明,但不要过多使用,以免过分分散读者的注意力。
2.3 段落分隔通过适当的段落分隔,可以使使用说明书的内容更加清晰明了。
在分隔时,可以使用空行或缩进等方式,但要保持整体的一致性和美观性,不要过度分隔或过于拥挤。
三、图片和图表插入插入图片和图表可以使使用说明书更加生动形象。
以下是一些插入图片和图表的要求:3.1 图片和图表清晰度插入的图片和图表应清晰明了,以确保读者能够正确理解内容。
说明书范文|说明书格式|说明书模板篇一迟到情况讲明书傅老师:你好,非常不幸我迟到了,非常幸运这让您认识了我,然而事实上我是非常不希望如此被您认识的。
我不是一个善于解释的人,事实上迟到是没有理由的,迟到本身事件而言,这就是一个结果,结果发生了,中间有任何借口都没有用。
因此,关于什么缘故迟到,我想讲不讲都差不多既成事实,就不讲了吧,不然就成了强词夺理。
最后我想检讨书后面要加保证,但是我不能保证我以后永久都不迟到,因为您明白,永久赶不上变化,那个世界是瞬息万变的,唯一不变的就是变,因此,我向您保证,上傅老师您的课,我一定认真听讲,尽管我迟到了,然而我能够保证效率,尽管有人不迟到,然而还不如不来上课呢,因此我虽迟到然而我保证人在心在,人迟到心先报到。
最后感谢老师让我们听课,让我们学习,让我们成长。
XXX年月日篇二残疾家庭困难情况讲明尊敬的各位领导:我是二级残疾人的父亲,现将我的家庭情况讲明如下:XX出生于20XX年,当时由于医疗事故造成小孩小脑萎缩,为此我们四处借钞票带小孩到xx、xx、xx、xx等各大都市看病,通过治疗梅?的病情并没有什么好转,大笔的医疗费用使我的家庭不堪重负,致使家庭经济十分困难。
我们是机床厂的职工,几年后厂里又给了生二胎的指标,又有了二亲小孩。
由于小孩不间断的吃药看病,厂里为了照顾我们,厂领导让我们业余时刻做些擦机器的布子挣点钞票贴补家用,由于手续咨询题必须开税票,我们就办了营业执照。
有一次税务局领导春节慰咨询困难群众时看到我家有一个残疾小孩就讲把户名改成梅?的名字能免些税,事实上关于一个二级残疾人来讲,他连正常的吃饭和语言交流都无法做到何谈去挣钞票!后来随着小孩的长大,在亲属的关心下给梅?介绍了对象,为了使梅?能成家,我们又向亲属和银行借钞票买了红树林的房子,至今仍有外债和贷款未还清,梅?成家后又生下了一个男孩,现在一家三口无任何收入来源都由我们二老养活,我是一名下岗职工,由于年龄过大,寻不上工作,擦机布的生意也越来越不行,一年到头也只挣一万元,现在二亲小孩又在读研究生,这点微薄的收入全然无法维持生活。
证明书格式证明书格式开证明的格式及范文证明书格式一、证明书的基本要素证明书是一种用于证明某种事实或情况真实性的文书,通常由相关部门或机构出具。
为了使证明书具备法律效力和可信度,需要遵循一定的格式要求。
下面是一份证明书的标准格式,包括以下基本要素:1. 标题:在纸张的顶部居中位置,用粗体字写上“证明书”字样。
2. 证明机关:在标题下方,左对齐写上出具证明的机关或部门的全称。
3. 证明日期:在证明机关下方,左对齐写上证明书的出具日期,格式为“年月日”。
4. 收件人信息:在证明日期下方,左对齐写上收件人的姓名、职务和单位名称。
5. 正文:正文是证明书的核心内容,用于陈述被证明事实或情况的真实性。
正文应简明扼要、清晰明了,并注明证明的事实或情况的来源和依据。
6. 证明人签名:在正文下方留出足够的空白,右对齐写上证明人的姓名和职务,并在其右侧留出足够的空白供证明人签名。
7. 证明机关章:在证明人签名下方,左对齐写上证明机关的公章或专用章。
8. 联系方式:在证明机关章下方,左对齐写上证明机关的地址、电话和传真号码,以便收件人在需要时与证明机关联系。
二、证明书的范文下面是一份关于某人工作经历的证明书的范文,仅供参考:证明书XXX证明证明日期:2022年1月1日收件人:张三(职务:销售经理,单位:ABC公司)根据张三先生的要求,本公司特此出具证明,确认张三先生在ABC公司担任销售经理的工作经历。
具体情况如下:1. 张三先生于2010年1月1日加入ABC公司,至今已连续工作了12年。
2. 在ABC公司任职期间,张三先生表现出色,工作认真负责,为公司带来了可观的业绩。
3. 张三先生在销售工作中展现出卓越的能力和出色的业务素质,多次获得公司的表彰和奖励。
4. 张三先生与同事们相处融洽,具备良好的团队合作精神,能够有效地协调各方利益。
5. 张三先生具备良好的沟通能力和人际交往能力,能够与客户建立良好的合作关系,赢得客户的信任和支持。
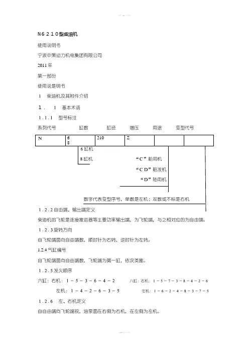
N6210型柴油机使用说明书宁波中策动力机电集团有限公司2011年第一部份使用说是明书1柴油机及其附件介绍1.1基本术语1.1.1型号标注系列代号缸数缸径增压用途变型代号柴油机的飞轮是连接推进器等主要功率输出端,为飞轮端,与之相对应的为自由端。
1.2.3旋转方向自飞轮端面向自由端数,顺时针为右转,逆时针为左转。
1.2.4气缸编号自飞轮端面向自由端数,飞轮端为第一缸,依次类推。
1.2.5发火顺序六缸:右机:1-5-3-6-4-2八缸:右机:1-5-7-3-8-4-2-6左机:1-4-2-6-3-5左机:1-6-2-4-8-3-7-51.2.6左、右机定义自自由端向飞轮端视,油泵面在右侧为右机,在左侧为左机。
1.2柴油机的技术特点N210系列柴油机是消化吸由国外同类柴油机的先进技术基础上,采用现代先进计算机模拟技术,自主研制的新一代节能、环保型、能燃用重油的中速柴油机,是公司系列柴油机成轼进入市场后,其产品发展战略的延续。
其功率范围为396~1471KW,转速为600~1000r\min,可燃用3500S以下粘度的重油,性能指标先进,工作可靠,维修方便,外型美观,在相同的功率范围内该系列柴油机具有高度低、长度短、结构紧溱的优点。
N210柴油机为直列式、四冲程、增压中冷、直接喷射、不可逆转的柴油机,可以提供右机右转,右机左转、左机右转、左机左转。
其主要零部件有以下特点:1)机体采用曲轴悬挂式结构和零档轴承设计方式,机器振动小,曲轴饶曲小,传动精度高;2)曲轴为全平衡设计,有效减轻轴瓦的负荷,可以带前端输出;3)主轴瓦和连杆轴瓦采用最新的铜铅双层电镀合金技术,疲劳强度大大提高;4)伟分理处齿轮箱与机体铸为一体,机体采用水冷结构设计,凸轮轴操纵侧布置,机体整体铸造有气腔、水道、油道等,使得外围管路减少,减少了三漏的产生。
5)缸套上沿设计火焰环解镶圈,有效清除活塞头部积炭,减轻缸套的磨损,减少机油、燃油消耗,提高燃用重油的适用性,采用机体冷却水冷却;6)活塞顶的形式采用平顶浅W设计,适应燃油高压喷射的要求,环槽全部淬火硬提高燃重油的适应性;7)活塞环外围全部镀铬或CKS处理,提高燃重油的适应性;8)连杆采用船用三段式连杆,有效增加连杆轴颈,增加曲轴重叠度,提高曲轴强度,同时吊缸高度更低;9)气缸盖结构采用同侧进排气布置形式,采用V形盆腔,有效增加底板强度,减少热负荷;10)排气阀座强制水冷却,降低阀面温度,适应燃烧重油;11)凸轮轴采用分式结构布置,轴颈粗,刚性好,减小抽出长度;12)前端将机油、淡水冷却器、滤清器、调温阀布置一个模块里,用管路将水泵、机油泵联结;13)后侧布置气动启动马达,带有预啮合装置,启动安全可靠;14)中冷器布置在前端,设计壳体装配中冷器,支撑增压器,可根据用户要求需求安装在飞轮端;15)排气管船机采用脉冲,达到能量的良好利用,发电机组采用定压、采用独立支撑;16)燃油系统采用国外知名公司的设计,泵端压力达到150MPa,喷油器启喷压力达到38~45MPa,使燃油得到充分的雾化,油气混合均匀,提高燃油经济性;17)主要螺栓全部采用液压拉伸器紧固,螺栓受力均匀,零件的受力变形均匀;良好的设计有更高的可靠性和可维护性,众多的先进技术确保其有较长的吊缸间隔及较低的燃油和机油消耗率,N6210系列柴油机满足船舶入级建造规范和IMO组织对NOx排放的要求,适宜用于长江航运、拖轮、顶推轮、客货轮、工程船、渔船、船舶辅机,也可以用作陆用电站和其他动力装置。
产品使用说明书随着现代科技的不断发展,我们的生活变得越来越方便,但同时也带来了越来越多的产品。
在使用这些产品的过程中,一份清晰明了的产品使用说明书变得尤为重要。
本文将从产品使用说明书的作用、特点、编写要点及使用中的注意事项等方面进行探讨。
一、产品使用说明书的作用产品使用说明书一般作为产品的一部分附带在产品中。
它是生产商与消费者之间的桥梁,通过指导消费者正确地使用产品,保证了产品的质量和使用效果。
另一方面,产品使用说明书也能够告诉消费者如何维护和保养产品,延长产品的使用寿命。
因此,产品使用说明书是消费者正确使用和维护产品的重要依据,也是生产商推广产品的必要手段。
二、产品使用说明书的特点1. 明确简洁:产品使用说明书应使用简单清晰的语言,避免使用过于专业的术语和复杂的句式,以便消费者易于理解。
2. 全面细致:产品使用说明书要覆盖到所有可能的使用情况,详细说明产品的特点及使用方法。
3. 图文并茂:产品使用说明书要使用图文并茂的形式,给出具体的图示,使消费者更容易理解和操作。
4. 简单易懂:产品使用说明书应该遵循“简洁易懂”的原则,让人容易明白其中的关键知识点。
三、产品使用说明书的编写要点1. 目录与索引:为了方便消费者找到所需信息,产品使用说明书应该配备详细的目录和索引,并将其放于说明书的前几页。
2. 特点和规格:产品使用说明书应该介绍产品的主要特点和规格,方便消费者了解产品的性能和功能。
3. 使用方法:产品使用说明书应该详细介绍如何正确地使用产品,包括安装步骤、开机方法、使用方法、故障解决方案等。
4. 安全警示:为了保障用户的安全,产品使用说明书应该详细介绍产品的安全注意事项,包括电池的安全、电气产品的使用注意事项等。
5. 维护注意事项:为了延长产品的使用寿命,产品使用说明书应该详细介绍产品的维护方法和保养步骤。
四、产品使用说明书的使用中的注意事项1. 详细阅读:消费者在使用产品前,务必仔细阅读产品使用说明书,并按说明书的要求操作。
住所使用证明书尊敬的相关部门/单位:我谨以此证明,位于具体地址的住所,为使用者姓名合法使用。
该住所的基本情况如下:房屋的面积为具体面积平方米,房屋的结构为结构类型,如砖混、框架等,房屋的用途为居住、商用等。
该住所具备完善的生活设施,包括但不限于供水、供电、供暖、供气等。
周边的交通便利,附近有列举主要的交通设施,如公交站、地铁站等,便于出行。
周边的配套设施也较为齐全,有列举周边的主要配套设施,如超市、医院、学校等,能够满足日常生活的各种需求。
使用者姓名使用该住所的原因是详细说明使用原因,如工作需要、家庭居住等。
自开始使用的时间起,使用者姓名便一直在此居住/使用,至今已有使用时长。
在使用期间,使用者姓名严格遵守相关法律法规和规章制度,未从事任何违法违规的活动。
同时,也按时缴纳了各项费用,如水电费、物业费等,无任何欠费记录。
为了进一步证明该住所的使用情况,以下是相关的证明材料:1、房屋租赁合同/产权证明:如有租赁合同,需说明租赁期限、租金等相关信息;如有产权证明,需提供产权人的相关信息2、水电费缴费凭证:提供最近几个月的水电费缴费凭证,以证明实际使用情况3、物业费缴费凭证:提供相关的物业费缴费凭证在此,我郑重声明,以上所提供的信息真实有效,如有虚假,愿意承担相应的法律责任。
特此证明!证明人:证明人的姓名证明日期:具体日期另外,如果使用者是因为工作原因使用该住所,还可以提供工作证明、单位介绍信等相关材料来加强证明的可信度。
如果住所是用于商业经营,那么营业执照、税务登记证等也是重要的证明材料。
在实际撰写住所使用证明书时,要确保语言简洁明了、逻辑清晰,重点突出住所的合法性、使用者的合规性以及证明材料的真实性和有效性。
同时,要注意证明书的格式规范,包括字体、字号、行距、页边距等,使其看起来整洁、专业。
比如,如果是打印的证明书,一般使用 A4 纸张,字体可以选择宋体或黑体,字号根据内容的重要性进行区分,标题一般使用较大的字号,如小二或小三,正文部分可以使用小四或五号字。
说明书的格式及范本说明书作为一种常见的书面文档,被广泛用于向用户提供产品或服务的详细说明和操作指南。
为了使说明书更易读、易懂、易操作,以下是关于说明书的格式及一个范本供参考。
一、格式要求1. 标题:在说明书的开头,使用较大的字号,并加粗或使用特殊字体来突出标题。
标题应简洁明了,准确描述产品或服务的名称。
2. 副标题:副标题可用于进一步说明产品或服务的特点或功能。
副标题可以使用较小的字号,并放在主标题下方。
3. 版权信息:在说明书的底部或背面,标注版权信息,包括文档的制作时间、版权所有者和版权声明。
4. 目录:如果说明书较长或需要涵盖多个部分,可以编写一个目录,列出各个部分的标题或页码供读者参考。
5. 章节:根据说明书内容的不同,可以分成多个章节来讲解不同的内容。
每个章节应有明确的标题,并使用标准编号来表示顺序,以便读者更好地了解文档结构。
6. 正文:详细介绍产品或服务的相关信息,包括特点、功能、使用方法、操作步骤等。
正文内容应简明扼要,语句通顺,段落清晰,避免使用复杂的专业术语和难以理解的句子结构。
7. 图片和图表:为了更好地帮助读者理解,可以在说明书中插入相关的图片和图表。
图片应清晰可见,图表应简洁明了,配以简要的说明。
8. 注意事项:在使用说明书过程中,可能存在一些需要特别注意的事项或警示信息。
这些内容应以醒目的方式标识出来,例如使用特殊字体、加粗、缩进或使用特殊符号等。
9. 附录:在说明书的结尾,可以添加一些辅助资料,如常见问题解答、故障排除指南等,供读者参考。
二、说明书范本请注意,以下范本仅为参考,具体格式、内容和结构可能根据不同的产品或服务而有所不同。
-----------------------------说明书范本标题:手机X使用说明书版权所有:2022年,手机X公司目录:1. 产品概述2. 功能介绍3. 使用方法3.1 开机与关机3.2 解锁与锁屏3.3 主界面操作...4. 常见问题解答5. 版权信息1. 产品概述手机X是一款功能强大的智能手机,集通信、娱乐、工作于一体。
便携式多媒体音响 portable multimedia acoustics使用说明书 user’s manual专注于完美音质的追求?? concentrate on perfect sound pursuit?感谢您使用本公司出品的数码产品,为了让您轻松体验产品,我们随机配备了内容详尽的使用说明,您从中可以获取有关产品的介绍,使用方法等方面的知识。
在您开始使用本机之前请先仔细阅读说明书,以便您能正确的使用本机,如有任何印刷错误或翻译失误望广大用户谅解,当涉及内容有所更改时,恕不另行通知。
一、产品概述 general information本机是一款外观小巧,设计精美、携带方便多媒体小音响,适用于家居、户外旅游、办公室等场所,随时随地享受音乐带来的轻松,为您的电脑、数码音乐播放器、手机等视听产品提供超值完美的音质。
二、功能特点 function overview【mp3播放】直接播放tf卡及u盘mp3文件。
[mp3 player] enable directly playing mp3 files in tf memory card and u disk.【fm收音机】fm数字立体声收音机,电台记忆播放。
(可选机型,功能以实物为准) [fm radio] a fm digital stereo radio; enable mnemonic radio channel playing.【外挂耳机】本机配置标准耳机插孔,可选配耳机聆听音乐。
[ext earphone] a standard earphone jack included; enable listening with earphone.【断点记忆】自动记忆上次退出时的曲目播放。
[memory function] memorize the item played last time automatically.【可充锂电】内置可充电锂电池,环保、节约、实用。
小家电说明书家用电器使用说明书Casarte使用说明书........................................................................................ . (1)致用户公开信........................................................................................ . (1)产品特点........................................................................................ .. (2)产品组成结构........................................................................................ . (3)安全标志........................................................................................ .. (3)安全注意事项........................................................................................ . (4)放置环环境........................................................................................ .. (5)功能介绍........................................................................................ .. (6)Casarte使用说明书家用用电冰箱BCD-316WS TABCD-316W W S LABCD-318WS LBCD-316W W LBCD-318WL使用前请仔细阅读本说明书请妥善保存,以备参阅本产品只适合在中国大陆销售和和使用致用户公开信尊敬的卡萨帝用户:感谢您选择择、使用卡萨帝产品。
电器说明书范文(必备精选10篇电器产品说明书篇一电器说明附页原20xx年6月图上有商铺24间,匀带有小配电箱。
明档位25个,其中带小配电箱的有4个。
公共照明用,65W节能灯10盏。
现场实有商铺31间,明档25个。
同时应市场管理员要求,所有商铺和明档匀装小配电箱,和新增插座1个。
并办公室新增插座4个,公共照灯增至16盏并加装时控开关控制。
现场确定后共新增加了:商铺电度表及配电线路7套。
,新增小配电箱合计28套,新增加插座60套,公共照明灯新增加6套并加装时控开关1套。
因此原有配电线路须相应增容。
以原20xx年6月图为基础尽量不增加16mm2线和电度表箱数量,于现有表箱中增加电度表以满足须要。
所增加情况如下:AW1由原8位增至10位,AW4,AW7原4位增至5位,AW5原3位增至4位,AW6原3位增至5位,AW2,AW3,AW8-AW12原4位不变。
ALg开关箱由原12位增大至20以便加装时控,所有小配电箱由原C4开关箱改为C4+2X86开关箱。
电度表箱及公共线路增容后如修改后图。
并装原报价中改出线路用于新增和修改上,不足部份列于《外村市场电气增加线路安装工程》中。
电器说明书篇二活动目标1、了解常用家用电器的用途和使用方法。
2、制作家用电器小模型,发展动手操作能力和小肌肉动作的灵活性。
3、培养幼儿对事物的好奇心,乐于大胆探究和实验。
4、培养幼儿对科学现象进行探索的兴趣。
5、充分体验“科学就在身边”,产生在生活中发现、探索和交流的兴趣。
活动准备1、幼儿自备家庭电器的图片。
2、各种奶盒、纸盒、电光纸、皱纹纸、纸杯、水彩笔等等。
3、标有不同家用电器的盒子。
活动过程1、请幼儿出示图片,说明图片上家用电器的名称、功能以及使用注意事项,提醒小朋友小心使用。
2、请幼儿将手中家用电器图片放入标有不同家用电器标志的盒内。
3、游戏:你来说我来猜。
幼儿抽图片,按照图片描述电器的样子及功能,请其他幼儿说出电器的名称。
4、鼓励幼儿一起合作,用废品旧纸盒制作某种家用电器,做好后请幼儿分享、交流,最后放入展览区。
产品说明书怎么写(共篇)产品说明书怎么写产品说明书是一种将产品的特点、使用方法、技术参数以及其他相关信息整理并写成的文档,目的是为了向用户提供详尽的产品信息,帮助用户了解和正确使用产品。
本文将介绍产品说明书的基本格式和内容要点,以及如何以清晰、精准、易读的方式编写产品说明书。
一、产品说明书的基本格式1. 封面:包含产品名称、型号、Logo等基本信息,以及适当的美观配图。
2. 目录:列出各个章节及各个小节的标题和页码。
3. 引言/简介:对产品进行简要介绍,包括产品的用途、特点、适用对象等。
4. 产品特点:详细描述产品的特点、特色和优势,可以采用项目符号或编号进行逐条列举。
5. 技术参数:列出产品的技术规格、尺寸、重量、功率等详细数据,以表格形式呈现清晰易读。
6. 安装和使用说明:提供产品的安装方法、步骤以及使用指南,可配以图文并茂的方式展示。
7. 故障排除:列举可能出现的故障及解决办法,帮助用户快速解决常见问题。
8. 常见问题:列出一些用户经常咨询的问题及解答,提供用户参考。
9. 保修和售后服务:说明产品的保修期限、售后服务政策以及联系方式,增加用户的信任和满意度。
10. 免责声明:明确指出产品使用过程中的责任与义务,避免对用户带来不必要的误导。
11. 附录:包括产品的配件清单、相关认证文件、质量保证书等。
二、产品说明书的内容要点1. 简明扼要:注意精简语言,突出重点,避免文不达意或过于冗长。
2. 客观真实:准确介绍产品,不夸大宣传,避免虚假宣传导致用户误解。
3. 结构清晰:采用标题、编号、图表等工具,帮助用户更好地理解和查找所需信息。
4. 图文并茂:通过插图、图片、表格等形式直观地展示产品的外观、功能和操作步骤。
5. 重点突出:将产品的重要特点、优势等信息置于醒目位置,方便用户快速了解。
6. 使用者角度:站在用户的角度思考,关注用户的需求和使用体验,用简单易懂的语言进行解读。
7. 引导操作:提供明确的操作指导,避免用户使用错误或造成损坏。
台灯使用说明书篇一:台灯使用说明书L ED铜陵三极照明科技有限责任公司安徽省铜陵市狮子山区曹山路358LE D台灯简介LE D台灯就是以L ED(L ig htE mi tt in gDi od e)既发光二极管为光源的台灯,LE D是一种固态的半导体器件,它可以直接把电能转化为光能。
L ED照明又称固态照明,作为继白炽灯荧光灯后的第三代照明技术,具有节能环保安全可靠的特点,固态光源是被业界看好的未来十年替换传统照明器具极具潜力的新型光源,代表着照明技术的未来。
发展新固态照明,不仅是照明领域的革命,而且符合当前政府提出的“建设资源节约型和环境友好型社会”的要求。
LE D台灯采用的是直流供电,无频闪,超长寿命,功率很低,显色性很好,更方便读书和学习。
L ED光源属冷光源,光源处无高温部分,无红外线或紫外线辐射,对儿童使用比目前的台灯更安全,由于L ED是无眩光结构,对上网时间较长的用户,可大大减少视力疲劳,LE D台灯是真正的护眼保健节能台灯。
外接开关电源规格:电源频率:5060Hz输入电压:A C110V-220V输出电压:D C12V输出端带D C插头灯头(LE D组)供电为恒流驱动带音乐播放LE D台灯操作介绍:请勿在高温、易燃物体表面或潮湿环境使用本灯具,以免损坏或发生短路。
篇一:应用文写作之说明书英语专业考研 mti翻译硕士专四专八日语考研等说明书写作的注意事项说明书的格式和写法说明书多种多样,说明书的写作格式也不拘一格,不可一概而论。
说明书各种各样。
(一)产品说明书产品说明书主要指关于那些日常生产、生活产品的说明书。
它主要是对某一产品的所有情况的介绍,诸如其组成材料、性能、存贮方式、注意事项、主要用途等的介绍。
(二)使用说明书使用说明书是向人们介绍具体的关于某产品的使用方法和步骤的说明书。
(三)安装说明书安装说明书主要介绍如何将一堆分散的产品零件安装成一个可以使用的完整的产品。
我们知道,为了运输的方便,许多产品都是拆开分装的。
这样用户在购买到产品之后,需要将散装部件合理地安装在一起。
这样在产品的说明书中就需要有一个具体翔实的安装说明书。
(四)戏剧演出说明书戏剧演出说明书是一种比较散文化的说明书,它的主要目的在于介绍戏剧、影视的主要故事情节,同时也是为了向观众推荐该影剧。
说明书的作用(一)解释说明的作用英语专业考研 mti翻译硕士专四专八日语考研等到许多各种各样的生产产品和生活消费品。
科技的发展,更是使这些产品、消费品包含了很强的科技成分,所以为了使人民群众能很好地使用这些产品,真正为人民的生活服务,各生产厂家均会准备一本通俗是易懂的产品或生活日用消费品的说明书,给用户的使用以切实的指导和帮助。
(二)广告宣传的作用商品经济的今天,说明书的广告宣传作用也是不可忽略的。
(三)传播知识的作用说明书对某种知识和技术有传播作用。
例子:cd—rom安装说明书cd—rom安装说明书硬体安装5.将电源线由电源供应器接至光碟机。
7.将配件中的音源线插在cd-rom光碟机背板的analog audio插座上,音源线另一端连接至音效卡的cd输入端上。
软件安装软件安装可分为两大类,第一类是系统内需要一个装置驱动程式(device driver),例如dos或是windows 3 1。
另一类是系统已经有内部的装置驱动程式,不需要再安装光碟机包装内的驱动程式,此类系统包括windows 95/98/2000及windows nt。
叉车使用说明书使用说明书感谢您选择我们的叉车产品!本使用说明书将详细介绍叉车的使用方法和注意事项,以确保您正确、安全地操作叉车。
一、产品概述叉车是一种用于搬运和堆放物品的机械设备。
它由车体、驾驶室、货叉和控制系统等组成。
叉车具有便捷、高效的特点,广泛应用于仓储、物流等领域。
二、安全操作指南1. 操作前的准备:a. 确保您已经接受过叉车的相关培训并获得资格证书;b. 穿戴好符合安全要求的工作服和防护装备;c. 检查叉车的工作状态,包括润滑油、离合器、刹车和灯光等。
2. 叉车的起动:a. 前进和倒退时,应先调整好座椅和镜子,确保视野清晰;b. 踩下离合器并放慢速度,逐渐踩下油门,使叉车缓慢起步;c. 在起步前,确认周围无人,并使用喇叭示意。
3. 载物操作:a. 载物前,确认货物牢固且集中在货叉上,以确保平衡;b. 起重过程中,要保持平稳的速度,避免急停急启导致货物掉落;c. 抵达目的地时,将货物轻轻放置并卸下。
4. 安全停止:a. 在停车前,预先查看停车区域,确保不会阻碍交通;b. 停车时,使用刹车和手制动器,并将叉车的机械系统彻底关闭;c. 离开叉车前,关闭电源,并将叉车锁定。
5. 其他安全注意事项:a. 严禁超载使用叉车,超载可能会导致不稳定和事故;b. 注意驾驶速度,根据实际工作环境和道路状况合理控制速度;c. 在斜坡上行驶时特别小心,确保安全。
三、维护保养1. 日常维护:a. 定期检查润滑油、冷却液、液压油等液体的量和质量,并根据要求进行更换;b. 清洁叉车的车身、驾驶室和货叉,确保设备整洁;c. 定期清理和更换过滤器,保证设备的正常运行。
2. 故障排除:a. 如遇到异常情况或故障,应立即停机并通知负责人员;b. 不得私自拆卸或修理叉车的部件,应由专业人员进行维修。
四、环境保护1. 合理使用叉车,节约能源,减少废气和噪音的产生;2. 定期清洗废气排放系统,保持其通畅;3. 处理废旧电池和液压油时,应当依法进行分类和处理。
如何编写一份完整的说明书一、说明书的概念和作用说明书是一种用来介绍产品、装置、系统或过程的详细信息和操作步骤的文档。
它的作用是帮助用户正确地了解和使用所购买的产品或服务,提供必要的操作指导和技术支持。
二、编写说明书的步骤1. 确定受众群体:在编写说明书之前,首先要明确目标受众是谁。
不同的受众有不同的知识背景和需求,因此要根据受众的特点选择合适的表达方式和措辞。
2. 收集产品信息:收集与产品相关的所有信息,例如功能、特点、规格、使用注意事项等。
通过与产品设计师、工程师或其他相关人员的沟通,确保准确获取所需信息。
3. 划分章节和段落:根据产品的结构和功能,将信息划分为不同的章节和段落,以便用户能够轻松地理解和查找所需内容。
4. 清晰明了的语言:使用简洁明了的语言,避免使用太多的专业术语,以确保用户能够轻松理解。
使用图表、图片、表格等辅助工具,使说明更加直观易懂。
5. 提供操作步骤:对于使用产品的操作过程,应提供详细的步骤和图示,确保用户能够按照步骤正确操作。
如果可能,可以提供示例和实际演示。
6. 注意安全警示:对于可能存在潜在危险的操作或使用场景,应提供明确的安全警示,以保证用户和他人的安全。
7. 识别常见问题和解决方案:在说明书中列出常见问题和解决方案,以帮助用户在遇到问题时能够快速找到解决办法。
8. 修订和更新:产品或服务可能会在使用过程中发生变化,因此说明书也需要进行修订和更新。
确保说明书与最新版本的产品或服务相匹配,并告知用户如何获取最新版本的说明书。
三、说明书的格式和要求1. 封面和目录:在封面上标明产品名称、型号、版本号和制作日期等信息。
目录要清晰明了,列出各个章节和页码,方便用户查找信息。
2. 章节结构:每个章节都应有一个明确的标题,并按照逻辑顺序组织内容。
可以使用编号、标签或其他方式进行层次划分,以使结构清晰。
3. 表格和图示:使用表格、图示和图表等辅助工具来呈现信息,使用户更容易理解。
关于使用文明用语倡议书___:网络低俗语言违反语言规范,污染社会环境,损害公序良俗,误导广大受众,遏制网络低俗语言向社会蔓延的趋势,是媒体应尽之责。
我们向新闻媒体和网站倡议:抵制网络低俗语言,倡导文明用语,营造积极、健康的舆论环境和社会文化氛围。
一、增强责任意识,自觉使用规范文明用语。
新闻媒体和网站要坚持为人民服务,为社会主义服务,为党和国家大局服务,大力弘扬社会主义核心价值观,积极传递社会正能量;始终保持积极健康向上的格调,报道和言论客观、理性、文明、干净,做到有质量、有品位、有担当;努力传承中华民族优秀传统文化,倡导准确、鲜明、生动的文风,注意维护祖国语言的纯洁性。
二、增强底线意识,坚决抵制网络低俗语言。
新闻媒体和网站要严格遵守国家法律法规,严守社会主义伦理道德底线,全面准确认识新闻价值,准确把握通俗与低俗的本质区别,坚决抵制粗鄙恶俗语言和格调低下词汇,绝不为追求利润丧失原则立场,绝不以低俗取悦受众,绝不迎合猎奇和不健康心理,绝不用色情和粗俗语句报道新闻。
三、增强导向意识,积极主动引领公众舆论。
新闻媒体和网站既要满腔热情为受众服务,又要切实肩负起引领公众舆论的主体责任。
大力宣传文明、规范用语的重要意义,深入分析网络低俗语言泛滥的社会危害,积极推荐具有中国特色、体现主流价值、反映时代特征、符合语言规范的网络词汇,引导公众自觉维护良好的舆论氛围,推动全社会共建、共享网络文明。
四、增强阵地意识,建设高素质的新闻队伍。
新闻媒体和网站要认真学习贯彻系列重要讲话精神,牢固树立马克思主义新闻观;全面了解中华民族传统文化,熟练掌握祖国语言文字,增强弘扬真善美、鞭挞假恶丑的能力和本领;明确主体责任,健全工作制度,加强新闻报道、评论审核把关,做好跟帖、论坛、贴吧、微博、微信等网上互动环节管理,不为格调低下、内容粗鄙的网络低俗语言提供传播渠道。
新闻媒体和网站担负着宣传社会主义核心价值观、引导舆论、弘扬正气、凝聚人心的重要使命。
使用说明书
前序
本指导手册为配置上海格什特螺杆科技有限公司AW系列螺杆空气压缩机主机的用户提供帮助。
使用该类型主机的公司制定操作手册时,应充分考虑本手册中所有与操作安全有关的信息和资料。
目录
1主机外形图 (1)
2转速-空气流量图 (2)
3转速-功率图 (3)
4 设备的安全运行指导 (4)
5 润滑油的使用指导 (5)
6 安装指导 (7)
7 投入运行前的准备 (8)
8 联系方式 (9)
设备的安全运行指导
1 保证主机运行时吸入纯净气体,无易燃、易爆、有毒的气体。
2 运行时系统内的空气、油和电都具有危险性。
3 不得使用具有腐蚀性的化学溶剂来清洗主机。
4 排气温度允许的最高温度为110℃,必须进行温度监控。
5 最小排气温度应该高于露点温度,否则空气中的水蒸气会冷凝
下来。
润滑油中水含量累积起来时会影响润滑效果,并可能导致轴承损伤。
6 润滑油喷入量的调整可能会影响排气温度的高低。
7 主机内的喷油是靠油气分离器罐和主机内的压力差来实现循环
的,无需另配油泵。
8 油气分离器罐的大小决定了初次把油从压缩空气中分离出来的
程度。
油气分离器罐大时,流速较小,油气分离效果好。
9 为了在启动时尽可能快的达到所需的润滑油压力,最小压力阀
应安装在油气分离器罐的后面。
10 如果启动方式以星三角为主的,在星三角转换时,控制应该平
稳过渡。
11 对系统的设计要求:当电机停止工作时,必须提前释放系统内
的压力,主机不能在带压的情况下负载启动。
润滑油的使用指导
润滑油对喷油螺杆压缩机主机的性能具有决定性的影响。
如使用不当或错误,都将导致压缩机的严重损坏,所以应遵守以下条例:1 本公司特别推荐螺杆压缩机用油牌号如表1。
表1
2 润滑油使用注意事项
2.1 油品应符合要求。
切勿把不同厂家、不同型号的润滑油混合使
用,切忌使用假油、再生油。
2.2 油的性能要求如下:抗氧化、抗泡沫、抗腐蚀及抗磨性好,分
水性强,粘度适当,闪点高,倾点低。
2.3 不要让润滑油超过油品的使用寿命,否则油的品质下降,其闪
点也将随着降低,易形成油品自燃,从而发生烧毁机组事故。
2.4 遵守换油周期。
为了根据实际情况确定换油周期,建议在前两
年的时间内按3至6个月的时间间隔,定期抽取油的样本进行分析,我方也会提供相应的技术指导,以确定润滑油实际所需要的换油周期,不致浪费油品。
[注意]机组首次磨合运行时间大约500小时应予与换油。
2.5 压缩机在使用两年之后,最好用润滑油做一次“系统清洗”,
方法是连续两次换油,第一次换油运行6小时之后再进行第二次。
2.6 换油时必须一起更换油过滤器。
3 影响换油时间的因素
3.1 通风不良,环境温度过高。
3.2 高湿度环境或雨季。
3.3 灰尘多的环境。
3.4 将不同牌号的润滑油混用。
安装指导
该主机的配套机组建议采用V-皮带轮驱动,要求带轮的韧性好,并且能够保持动态平衡。
建议使用的带轮平衡等级不低于G2.5级,根据ISO 8821中的“半滑键方法”来平衡。
该方法在进行平衡时,把与内径轮廓对应的半滑键插入凹槽。
在皮带驱动中,两带轮的中心连线应同水平线或铅垂线的夹角限制在0~30°的范围内,以使主机的轴承寿命最长。
在使用皮带驱动时,若需要更具体的技术资料,请与我们技术部门联系。
投入运行前的准备
1 设备应安装在水平的地面上,尽量远离热源和灰尘很多的地方。
2 如果不可避免地要把装置倾斜放置,要特别注意润滑油的供给,
确保主机在有油的情况下运行。
3 在加入润滑油时,一定要保证润滑油的量在要求的范围内,确保
润滑油系统的其他部件在有油的状况下运行,检查储油罐的油位,油位必须达到预先规定的液位。
4 在最初启动前或长时间停机(超过3个月)后,应通过入口管道
给主机注入一定量的润滑油。
5 驱动电机的运转方向一定要和主机的旋转方向一致,否则短短的
十几秒钟就能够导致主机损坏。