深基坑支护施工工艺
- 格式:docx
- 大小:37.23 KB
- 文档页数:2
深基坑土层锚杆支护施工工艺标准1. 适用范围:本工艺标准适用于建筑工程中粘土、粉质粘土及含少量砂、石粘土层,杂填土土质的基坑,且地下水位较低的挡土支护,但不宜用于软弱地基淤泥质土的基坑支护。
2。
施工准备2.1 材料准备2。
1.1 水泥:宜采用32。
5级~42。
5级普通硅酸盐水泥或矿渣硅酸盐水泥。
2.1。
2 砂:中砂或细砂,粒径不大于2.5㎜,含泥量不大于5%。
2.1。
3 锚杆:粗钢筋须符合设计要求,宜选用钢筋(HPB335)或3号钢筋(HPB235),有出厂证明书及复试报告.2。
1。
4 锚头:应符合设计要求,且锚固力不应低于50KN;2.1.5 水:应用自来水或不含有害物质的洁净水;2。
1.6 外加剂:外加剂应通过试验选用。
2。
2 机具准备2。
2。
1 钻孔机具:粘土、砂性土可选用回转式钻孔机;2.2.2 灌浆机具:活塞型或隔膜式压浆泵、搅拌机、磅秤;2.2。
3 张拉机具:夹具、油压千斤顶(如YC-60)、百分表等;2.2。
4 搅拌及运输机具:砼搅拌机、手推车、机动小翻斗车装卸砂浆或运土。
2。
3 作业条件及人员准备2.3.1 施工前应根据地质资料进行土层锚杆的施工设计,并收集类似工程施工资料,编制详细的施工方案。
2.3。
2 进行土方开挖,使锚杆施工作业面低于锚杆高50~60㎝,并平整好操作范围内的场地。
2。
3.3 采用湿作业施工时,要挖好排水沟、沉淀池、集水坑,准备好潜水泵,使成孔时排出的泥水通过排水沟排到沉淀池,再从沉淀池排入集水坑用水泵排走。
同时要准备好钻孔用水.2.3.4 其它准备,包括电源准备、锚杆、注浆管、分隔器、腰梁、预应力张拉设备等准备.3. 工艺流程3。
1 施工顺序:3.1.1 干作业施工顺序:施工准备→移机就位→校正孔位调正角度→钻孔→安螺旋钻杆继续钻孔到预定深度→退旋螺钻杆→插放钢筋→插入注浆管→灌水泥浆→养护→上锚头→预应力张拉→紧螺栓→锚杆工序完毕→继续挖土。
3.1。
2 湿作业施工顺序:施工准备→移机就位→安钻杆校正孔位调正倾角→打开水源→钻孔→反复提内钻杆冲洗→接内套管钻杆及外套管→继续钻进→反复提内钻杆冲洗到预定深度→反复提内钻杆冲洗至孔内出清水→停水→拔内钻杆→插放锚杆及注浆管→灌浆→用拔管机拔外套管→二次灌浆→养护→安装钢腰梁→安锚头→张拉.3.2 锚杆挡土桩(墙)支护须经符合资质等级要求的勘察、设计单位进行地质勘察和施工图设计。
深基坑支护与开挖专项施工方案深基坑支护与开挖作为一项重要的土木工程施工工序,在城市建设和地下工程建设中起到了至关重要的作用。
为了确保施工的顺利进行和安全性,需要制定一套专项施工方案。
本文将从基坑支护和开挖两个方面来详细阐述深基坑支护与开挖专项施工方案。
一、基坑支护部分1.基坑支护材料与设备:首先需要确定基坑支护所需要的材料与设备,如钢支撑、钢板桩、钢筋混凝土等。
根据实际情况选择合适的材料与设备,确保支护效果。
2.基坑支护的施工工艺:基坑支护的施工工艺通常包括浅挖法、深挖法和顶升法等。
根据具体情况选择合适的支护工艺,确保支护效果以及施工的顺利进行。
3.基坑支护的监测与管理:在施工过程中,需要对基坑支护进行监测和管理。
监测内容包括基坑土体的变形、支撑结构的变形、地下水位等。
及时发现问题并采取措施,确保支护的稳定性和安全性。
二、基坑开挖部分1.开挖方式和顺序:根据实际情况选择合适的开挖方式,如机械开挖、人工开挖等。
确定开挖的顺序,以确保施工的顺利进行。
2.开挖深度与边坡稳定:根据基坑开挖的需求确定开挖深度,并采取合适的边坡支护措施,确保开挖的稳定性。
3.废土的处理与清运:开挖过程中产生的废土需要及时清除和处理,以确保施工现场的整洁和环境的卫生。
4.地下管线的保护:在施工过程中需要保护地下的管线,如电缆、自来水管道等,避免对其造成损坏,确保施工安全和无障碍。
5.施工现场的安全与环境保护:在施工过程中需要采取相应的安全措施,确保施工现场的安全和工人的生命财产安全。
同时也需要注意环境保护,避免对周边环境造成污染和破坏。
总结深基坑支护与开挖是一项复杂而又关键的施工工序,需要详细规划和专项施工方案,并采取相应的措施确保施工的顺利进行和安全性。
在制定专项施工方案时,需要考虑基坑支护材料、工艺、监测与管理等方面,同时也要关注基坑开挖的方式和顺序、边坡稳定、废土处理与清运、地下管线保护、施工现场的安全与环境保护等问题。
深基坑土方开挖及基坑支护专项施工方案一、工程概况该项目为深基坑土方开挖及基坑支护施工工程,涉及到基坑土方开挖和基坑支护两个方面。
基坑的开挖深度为10米,土方开挖后需进行基坑支护,以保证工程施工的安全和稳定性。
二、施工方法与工艺流程1.土方开挖阶段:(1)准备工作:布设现场标志牌和警示标志,确定开挖范围和桩基位置。
(2)土方开挖:采用机械开挖方法,根据设计要求逐层进行开挖。
注意控制开挖深度和坡度,保证开挖的平整度。
(3)土方的运输和堆放:开挖的土方通过挖掘机装车,用卡车运输至指定地点堆放,遵守环境保护要求,防止对周边环境造成污染。
(4)土方的处理:根据设计要求,对挖掘的土方进行分类处理,包括回填、利用等。
2.基坑支护阶段:(1)施工准备:确定基坑支护方案,并进行详细的施工方案编制。
(2)地下水处理:根据地下水情况,采取合适的地下水处理措施,包括抽水、降水等。
(3)基坑支护结构施工:根据设计要求,采用钢支撑或混凝土支护结构进行支护。
安装支撑结构前需进行检查和试验以保证结构的质量。
(4)土方的回填:待地下水处理和基坑支护结构完工后,对基坑进行土方的回填,并逐层夯实。
(5)支护结构拆除:待土方回填夯实完成后,根据设计要求,拆除不需要保留的支护结构。
三、安全措施1.定期检查土方开挖施工机械设备的运行状况,确保其安全可靠。
2.在开挖过程中,对土层的稳定性进行监测和评估,对应急情况采取相应的措施。
3.在开挖深度超过5米时,进行合理的斜坡设计和加固,防止土方塌方。
4.对地下水进行监测,采取必要的排水措施,以确保基坑施工过程中的安全。
5.完善现场安全管理,配备专人负责现场管理和安全监督。
四、环境保护措施1.在土方开挖和基坑支护过程中,防止扬尘污染,采用喷雾降尘措施。
2.合理管理土方开挖和基坑支护产生的废弃物,及时清理并进行分类处理。
3.防止地下水受到污染,对排出的地下水进行必要的处理和监测。
4.在施工过程中,合理利用水资源,降低对环境的影响。
深基坑土钉墙支护施工方案一、工程概况二、工程要求1.确保施工过程中的安全性,避免地质灾害发生。
2.保证施工质量,确保墙体稳定、不松动。
3.合理控制成本,提高施工效率。
三、施工方案1.前期准备工作(1)勘察评估:对该区域进行详细勘察评估,确定土钉墙的设计方案、土体稳定性等。
(2)设计方案:根据勘察评估结果,设计土钉墙的结构参数、钢筋配置等。
(3)土壤处理:对土体进行加固处理,采用灌浆封固工艺,提高土壤的稳定性和强度。
2.施工工艺(1)钢筋焊接:根据设计要求,按照钢筋配置图进行钢筋的焊接。
(2)土钉制作:根据设计方案,制作预埋土钉,用钢筋焊接地下挖掘机械,确保土钉的稳定性和可靠性。
(3)地下开挖:采用挖掘机械进行地下开挖,按照设计要求控制基坑的深度和坡度。
(4)土钉支护:在地下开挖的同时,进行土钉支护墙的施工,将土钉埋入地下土体中,与钢筋焊接固定墙体,以达到支护墙的稳定和耐久性。
(5)灌浆充填:在土钉墙施工后,进行灌浆充填,以提高土体稳定性和强度。
(6)表面处理:对土钉墙的表面进行修整和处理,以确保墙体光滑、美观。
3.安全措施(1)施工现场设置施工围护网和警示标志,确保施工区域的安全。
(2)对施工人员进行安全培训,提高安全意识。
(3)严格按照施工方案进行施工,不得擅自改变施工工艺和措施。
四、施工进度安排1.前期准备工作:2天。
2.钢筋焊接及土钉制作:5天。
3.地下开挖及土钉支护:10天。
4.灌浆充填及表面处理:3天。
五、成本控制1.合理选择优质材料,确保施工质量的同时,降低材料成本。
2.合理安排施工进度,避免出现时间浪费和资源浪费。
3.严格控制施工过程中的各项费用,及时发现并纠正不合理的费用。
六、施工质量控制1.施工过程中,根据设计方案进行严格监控和检测,确保施工质量达到设计要求。
2.及时处理施工过程中出现的问题和安全隐患,防止工程质量事故的发生。
3.施工结束后对土钉墙进行检查和验收,确保墙体的稳定性和耐久性。
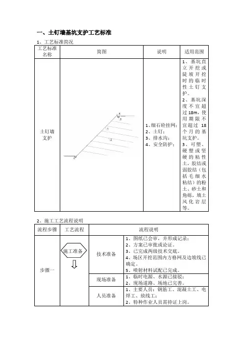
目录第一节总则 (2)一、适用范围 (2)二、编制参考标准及规范 (2)第二节术语 (3)第三节基本规定 (4)第四节施工准备 (5)一、技术准备,锚杆与土钉支护施工前必须具备下列文件: (5)二、材料要求 (6)三、主要机具设备 (6)四、作业条件 (7)第五节材料和质量要点 (7)一、材料的关键要求 (7)二、技术关键要求 (8)三、质量关键要求 (9)四、职业健康安全关键要求 (10)五、环境关键要求 (10)第六节施工工艺 (10)一、工艺流程 (10)二、操作工艺 (11)第七节质量标准 (15)第八节成品保护 (16)第九节安全环保措施 (17)第十节质量记录 (17)第一节总则一、适用范围1.锚杆支护结构是挡土结构与外拉系统相结合的一种深基坑组合式支护结构。
其挡土结构与悬臂式或内撑式支护结构相同,诸如:钻孔灌注桩、钢板桩、预制混凝土桩、地下连续墙等。
适用于较密实的砂土、粉土、硬塑到坚硬的黏性土层或岩层中的大型、较深、邻近有建(构)筑物而不允许有较大变形的基坑和不允许设内支撑的基坑。
存在有地下埋设物而不允许损坏的场地不宜采用。
2.土钉墙适用于地下水位以上或经人工降低地下水位后的人工填土、黏性土和弱胶结砂土的基坑支护或边坡加固。
土钉墙宜用于深度不大于12m 的基坑支护或边坡加固,当土钉墙与有限放坡、预应力锚杆联合使用时,深度可增加;不宜用于含水丰富的粉细砂层、砂砾卵石层和淤泥质土;不得用于没有自稳能力的淤泥和饱和软弱土层。
二、编制参考标准及规范1.中华人民共和国国家标准《建筑工程施工质量验收统一标准》(GB 50300—2001);2.中华人民共和国国家标准《建筑地基基础工程施工质量验收规范》(GB 50202—2002)3.中华人民共和国行业标准《建筑基坑支护技术规程》(JGJ 120—99);4.中华人民共和国国家标准《建筑边坡工程技术规范》(GB 50330—2002)。
第二节术语1.锚杆:由锚固段、自由段、锚头组成的,一端与支护挡土结构相连,一端与土层相锚固的细长杆件。
深基坑边坡支护施工方案1工艺流程(1)锚杆及土钉墙施工工艺流程:锚杆及土钉墙施工工艺流程:基坑开挖→修整边壁→测量、放线→人工洛阳铲钻孔→插杆筋→压力注浆→养护→边坡立面平整→绑扎钢筋网片→进行喷射混凝土作业→混凝土面层养护→裸露主筋除锈→上横梁(或预应力锚件)→焊锚具→张拉(仅限于预应力锚杆)→锚头(锚具)锁定。
(2)排桩施工工艺流程:桩位测量放线→安装钻机并定位→钻进成孔→清孔并检查成孔质量→下放钢筋笼、导管→灌注混凝土→拔出护筒→孔口回填→桩机移位→桩养护2 操作工艺(1)排桩墙施工桩位测量放线:根据现场坐标基准点及高程基准点测出桩位中心,打入定位桩.锅锥钻机就位:移动钻机,使转盘中心与桩位中心重合,再找平垫实,使机座周正水平。
使桩位偏差<50mm,竖向偏差〈1%。
钻进成孔:锅锥顺钻杆滑落孔底后,钻杆回转带动锅锥回转,锅底的锅齿将土刮入锅中.锅装满土后卷扬机将锅顺杆提升到孔口,卸掉泥土,反复进行直达设计孔深。
一次清孔:钻进到设计孔深后,将钻具略微提起,慢速回转,测到终孔孔深才能提钻,否则继续清孔。
(2)基坑开挖基坑开挖应按设计规定以每2。
5m为一层,分段开挖,做到随时开挖,随时支护,随时喷混凝土,在完成上层作业面的锚杆预应力张拉或土钉与喷射混凝土以前,不宜进行下一层土的开挖。
本基坑南北间距约为132m,东西间距约为72m,当上一层土钉或锚杆未完时,允许在距离四周边坡10m的基坑中部自由开挖,但应注意与分层作业区的开挖相协调;严禁边壁出现超挖或造成边壁土体松动或挡土结构的破坏。
(3)排水锚杆、土钉支护宜在排除作业层地下水的情况下进行施工.基坑东、南侧坡顶地面采用C20混凝土硬化至围墙脚部;基坑北侧坡顶向外延伸2m范围内用C20混凝土硬化,并且里高外低,便于径流远离边坡。
坡顶排水沟与基坑边缘的距离为2。
0m,沟底和两侧找平砂浆中掺入5%的防水剂。
为了排除积聚在基坑内的渗水和雨水,在坑底设置排水沟和集水坑,坑内积水应及时抽出,排水沟和积水坑宜用砖砌并用砂浆抹面以防止渗漏。
深基坑施工工法深基坑施工工法是在建筑施工中常见的一种重要工法,用于处理土方开挖和深基坑支护的技术和方法。
本文将介绍深基坑施工的一般步骤、常用的支护形式以及注意事项。
一、深基坑施工步骤1. 研究设计:在进行深基坑施工前,必须进行详细的研究设计工作。
这包括对地质环境的调查和分析、施工条件的评估以及合理的工程方案的选择等。
2. 土方开挖:根据设计要求,进行土方开挖。
深基坑的土方开挖一般采用机械开挖,如挖掘机、铲斗等。
在土方开挖过程中,应注意斜坡的稳定和安全。
3. 基坑支护:支护是深基坑施工中非常关键的步骤。
常见的基坑支护形式包括土钉墙、桩墙、拱形支撑等。
支护的选择应根据土壤的性质、周围环境以及承载力要求等因素进行决策。
4. 排水处理:在基坑施工过程中,水的排除是必要的。
采用合适的排水措施和设备,如水泵、管道等,确保基坑内的水分得到及时排除。
5. 基坑地下连续墙施工:对于一些高层建筑或者需要更加稳定的深基坑,需要进行地下连续墙的施工。
常见的连续墙施工工艺有静力压桩法、连续墙钻孔灌注桩法等。
6. 基坑地下连续墙顶梁和地板施工:在完成连续墙的施工后,还需要对基坑进行顶梁和地板的施工,以保证基坑的整体结构的稳定性和安全性。
7. 基坑周边环境处理:在基坑施工完成后,需要对基坑周边的环境进行处理。
这包括回填土方、道路修复等工作。
二、深基坑施工常用支护形式1. 土钉墙:土钉墙是一种常见的基坑支护形式。
它通过在土体中安装钢筋混凝土土钉,并进行预应力张拉,以提供土体的支撑力,防止土体坍塌。
2. 桩墙:桩墙是通过在基坑周围设置钢筋混凝土桩来支护土体。
桩墙的桩与桩之间可以采用横梁连接,形成一个整体的支撑结构。
3. 拱形支撑:拱形支撑是一种常用的基坑支护形式,它通过在基坑周围设置拱形支撑结构,将地下土体受力转移到支撑结构上。
4. 钻孔桩支护:钻孔桩支护是一种常用的深基坑支护形式。
它通过在基坑周围钻孔,并注入水泥浆体,形成钻孔桩,起到支护土体的作用。
深基坑支护工程的技术要求和关键施工工艺【1】深基坑支护工程的技术要求和关键施工工艺【2】背景介绍及基坑支护的重要性深基坑支护工程是城市建设中不可或缺的一部分。
在城市发展过程中,基坑常常需要挖掘得很深,以便满足市区的土地需求。
然而,深基坑工程涉及到地下水位的调控、土体的稳定以及施工期间的安全保障,需要严格的技术要求和关键施工工艺。
【3】土体分析和设计要求首先,进行土体分析是基坑支护工程的关键步骤。
通过对土壤的勘探,工程师可以了解土壤的物理特性、力学性质以及水文情况。
这些信息对于设计合理的支护结构和施工工艺至关重要。
设计要求包括侧壁稳定、顶部稳定以及底部稳定等方面,以确保基坑在施工过程中不发生坍塌或其他安全问题。
【4】支护结构的选用和施工工艺的优化基坑支护结构的选用也是技术要求的一部分。
根据土体分析的结果,工程师可以选择适当的支护结构,如护坡、垂直支撑、横向支撑等。
每种结构都有其适用的场景和施工工艺,需要根据具体情况进行优化。
优化施工工艺也是保证基坑支护工程质量和安全的关键。
施工工艺包括挖土和支护两部分。
在挖土过程中,应注意土壤的渐进开挖,以避免土体失稳。
同时,挖土过程中要留意地下水位的调控,防止渗水引起的地面沉降或坍塌。
支护施工则需严格按照设计要求进行,确保支撑结构的稳定性和耐久性。
【5】地下水位的调控和排水工程地下水位的调控对于深基坑支护工程至关重要。
在挖掘基坑之前,需要采取一系列的水利工程措施,如设置水平抽水井、立式井和井中井等,以将地下水位降至可接受范围。
此外,还需要进行地下水的集中处理,以保持施工现场的干燥。
排水工程的设计和施工也是重要的环节。
基坑支护施工期间,地下水的排泄需要高效的排水系统来保持基坑的稳定。
该系统应能够迅速排除地下水,防止水压对支护结构造成不稳定或破坏。
【6】施工期间的安全保障和监控措施在深基坑支护工程的施工期间,安全保障和监控措施至关重要。
施工现场应设立专门的监控系统,对基坑支护结构进行实时监测。
深基坑开挖支护土钉墙施工方案工艺流程1.边坡修整土方开挖至土钉设计标高下0.5m后,应人工及时修整坡面。
坡面平整度允许偏差±20mm。
2.成孔采用洛阳铲人工成孔,俩人一组。
成孔过程中注意控制倾角及孔径,成孔后对孔深、孔径、倾角进行检查验收,做好施工记录及隐检记录。
土钉墙施工允许偏差3.按设计要求制作钢管杆体,并按设计要求加焊定位支架。
4.注浆按设计要求水灰比搅拌水泥浆,注浆时,注浆管应插至孔底,在一次注浆完成2.0小时内进行二次补浆,并将孔口封堵。
水泥浆须拌合均匀,随拌随用,一次拌合的水泥浆须在初凝前用完,锚管均为对齐布置,平均每延米锚管注浆量不少于50kg。
5.钢筋网片制作与安装钢筋网片按设计要求制作,网片规格φ6.5@250×250,网节点采用点焊或绑扎,网片搭接长度不少于300mm。
网片外侧按设计要求加焊加强筋。
6.土钉头焊接土钉钢筋按设计要求焊接在钢筋网片的加强钢筋上,加强钢筋与土钉钢筋的焊接长度不小于200mm。
7.面层喷射砼喷射砼施工过程中严格计量配比,喷射作业应分段进行,同一分段内喷射顺序应自下而上,喷射时喷头与受喷面应保持垂直。
喷射射距0.8~1.5m,喷射砼终凝2小时后应喷水养护。
每层土钉喷射砼施工时,作一组砼试块,标养28天后进行检验。
喷射砼厚度允许偏差±10mm。
8.杂填土中土钉锚杆质量保证措施土钉墙施工完成后现场选取土钉总数的5%,且不少于3根作现场拉拔试验,试验的抗拉力不少于其承载力设计值。
如遇现场土钉施工时不满足要求,则应通过与设计院沟通,采取二次灌浆工艺,一方面确保土钉抗拔设计值小于满足设计要求;另一方面通过加压注浆,有效填充杂填土层中的空隙,改善土层力学性能,从而提高边坡自身稳定性。
9.填土层中土钉遇流塑状淤泥的加强措施淤泥层开挖每段不超过6m,并采用跳槽开挖,下层土体应在上层土钉墙注浆3d后方可开挖,每层开挖出作业面后,应立即进行支护。
深基坑支护及监测施工工艺标准一、使用条件及范围1、复合土钉墙的使用条件本施工工艺标准适用于地下水位以上或进行人工降水后可塑、硬塑或坚硬的粘性土、胶结或弱胶结粉土、填土,随着土钉墙理论与施工技术的不断成熟,土钉支护在杂填土、松散土、软弱土也得以应用,并可与混凝土灌注桩、微型钢管桩等配合进行支护,但土钉墙支护的基坑深度不易超过18米。
2、复合土钉墙的使用范围①、基坑或竖井的支挡②、基坑工程抢险③、斜坡面的稳定④、与预应力锚杆结合做斜面的防护二、施工准备1、深基坑支护材料要求:①、土钉杆体材料采用HRB400 Φ22、Φ25、Φ28钢筋,土钉墙面采用Q235 Φ6.5钢筋网,复合土钉锚索采用15。
2钢绞线(1860级),锚索端部在水平方向上采用腰梁(14#槽钢)。
②、土钉墙面层土钉灌浆采用P C 42.5R的水泥。
③、微型钢管桩采用Q235B 114×3.5钢管,灌注桩砼强度等级为C30。
④、钢筋、钢绞线、水泥、钢管必须有出厂检验报告,并及时抽样送检,合格后方可用于工程中。
槽钢必须有出厂检验报告.三、主要机具设备和监测仪器1、深基坑支护机具设备①、反循环钻机、台式电钻、电焊机、切割机、灰浆搅拌机、高压注浆泵、高压注浆管等施工机具。
2、深基坑监测仪器①、基坑竖向位移、周边环境沉降观测使用美国产天宝DINI03数字水准仪配一对2m条码尺。
②、基坑水平位移观测使用日本产索佳SET220K型全站仪进行观测。
四、复合土钉支护施工工艺1、施工准备:a、认真学习规范,熟悉设计图纸,根据甲方提供的地下障碍物和周边管线位置图.b、编制施工方案,经集团公司总工审批,报淄博市住建局专家论证后,方可进行施工.c、施工前应确定基坑开挖线、轴线定位点、水准基点、变形观测点等,并在设置后妥善保护。
d、施工前,由技术人员对班组进行技术和安全交底.2、工艺流程(1)、微型钢管桩支护施工工艺流程:平整场地→钢管桩制作焊接→测量放线→孔距定位→机械开挖循环集水坑、水沟和水坑→钻孔机就位钻孔→清洗钻孔→注浆机安装→安装下放钢管→安装注浆管→拌制水泥浆→注水泥浆→多次补浆直至上口翻浆。
深基坑支护(放坡)施工方案深基坑支护工程是指在狭小空间内采用支护结构,用以保障地面和周围建筑物的安全。
在开挖深基坑时,为防止周围土体和建筑物的坍塌,需要进行深基坑支护放坡工程。
本文从设计方案、施工步骤、安全措施等方面详细介绍深基坑支护放坡施工方案。
设计方案1. 地质勘察在进行深基坑支护(放坡)施工前,必须进行详细地质勘察,了解地层情况、土层性质、地下水位等信息,从而为设计合理的支护方案提供依据。
2. 支护结构设计根据地质勘察结果和基坑周围环境情况,设计合理的深基坑支护结构。
支护结构可采用钢支撑、混凝土支撑、土方支撑等形式,根据具体情况选择最适合的支护方式。
施工步骤1. 准备工作在进行深基坑支护放坡施工前,需要进行场地清理、标定基坑边界、搭建施工设施等准备工作,确保施工顺利进行。
2. 放坡施工放坡施工是深基坑支护工程的关键环节,要根据设计要求和支护结构安排,合理安排放坡工艺,在保障施工质量的同时尽量减少风险。
3. 安全检查在施工过程中,要定期进行安全检查,确保施工操作符合安全规范,及时消除安全隐患,保障施工人员和周围环境安全。
安全措施1. 施工人员安全严格执行安全操作规程,配备必要的安全设备,进行安全教育培训,提高施工人员的安全意识,避免发生意外。
2. 施工现场安全确保施工现场有良好的照明、通风条件,设置明显的安全警示标识,定期清理施工现场,消除绊倒、滑倒等危险因素。
3. 监测与应急措施设置合适的监测方案,监测基坑支护(放坡)施工过程中的变化,发现异常情况及时采取应急措施,避免事故发生。
经过严谨的设计和科学的施工方案,深基坑支护放坡工程可以达到预期的效果,保障周围建筑物和地面的安全,为城市建设提供有力支撑。
建筑工程深基坑支护施工技术建筑工程深基坑支护施工技术是指在建设深度较大的基坑时,为了保证基坑的稳定和施工的安全,采取的一系列支护措施和施工方法。
深基坑的支护施工技术主要包括以下几个方面:1. 土方开挖:在深基坑施工中,首先需要进行土方开挖。
常见的土方开挖方法有传统削土法、爆破法、机械挖掘法等。
不同的土质和工程要求会选择不同的开挖方法。
2. 土方支护:在土方开挖之后,为了保证基坑的稳定,需要进行土方支护。
常见的土方支护方法有钢支撑法、钢筋混凝土墙支护法、预应力锚杆支护法等。
这些方法可以有效地防止土方的坍塌和滑移。
3. 地下水的控制:在深基坑施工中,地下水的控制是十分关键的。
常见的地下水控制方法有水平排水法、插屏法、隔离墙法等。
这些方法可以有效地控制地下水位,防止地下水渗入基坑。
4. 混凝土浇筑:在基坑支护完成之后,需要进行混凝土浇筑。
混凝土浇筑要选择合适的浇筑方法和浇筑工艺,确保混凝土的质量和强度。
5. 地表和周边建筑物的保护:在深基坑施工过程中,需要注意地表和周边建筑物的保护。
常见的保护措施有振动监测和控制、沉降监测和控制等。
这些措施可以有效地保护周边建筑物的安全。
6. 监测和检测:在深基坑施工过程中,需要进行监测和检测,及时发现和处理问题。
常见的监测和检测项目有地表沉降、地下水位、土体位移等。
通过监测和检测,可以及时采取措施,保证施工的安全。
建筑工程深基坑支护施工技术是建设深基坑时必不可少的一项技术。
通过合理选择支护方法和施工工艺,可以保证施工的安全和质量,同时也能有效地保护周边环境和建筑物的安全。
深基坑基坑支护施工方案深基坑支护是指在施工过程中遇到较深的地下基坑时采取的各种措施,以确保基坑的稳定和安全施工。
深基坑支护施工方案的制定是基于地质条件、基坑尺寸以及施工工艺等因素进行综合考虑的。
一、基坑支护设计原则1.安全性:支护结构要能够承受施工荷载和地下水压力等外力,确保施工期间的安全性。
2.经济性:支护结构的设计要符合经济合理性,既能满足基坑施工的要求,又能降低成本。
3.可持续性:支护结构的选择要便于拆除和再利用,以减少对环境的影响。
二、常用的基坑支护结构和施工方法1.土方开挖与支护:在开挖基坑时,可以采用截水墙、支撑桩、栅格支护等方式保持坑壁的稳定,并采取排水系统控制地下水位。
2.深层开挖与支护:对于较深的基坑,可以采用连续墙、拱形支撑等结构进行支护,并结合施工方法控制地下水位。
3.基坑周边的边坡稳定:在进行基坑支护时,需要对基坑周边的边坡进行稳定处理,可以采用边坡支护结构、边坡防护网等方式。
4.地下水控制:在进行基坑支护时,需要对地下水进行控制,可以采用抽水井、水驳等方式将地下水位降低到可控制的范围内。
三、实际案例:上海地铁工程的基坑支护方案1.地质条件:该地区为软黏土和砂土层,地下水位较高。
2.基坑尺寸:基坑深度约为30米,周长约为150米。
3.支护结构和施工方法:采用桩墙+斜支撑的结构,先施工钢管桩,再设置支撑体系,最后进行土方开挖。
同时设置排水系统进行地下水位控制。
4.边坡稳定:基坑周边边坡采用预应力锚杆和剪切墙的结构进行稳定处理。
5.地下水控制:采用抽水井和水驳进行地下水位的降低和控制。
在深基坑支护施工中,需要结合具体的工程条件和要求进行方案设计,从而确保基坑支护的稳定和安全。
同时,在施工期间需要进行实时监控和风险评估,以及采取相应的安全措施,保证施工人员和周边环境的安全。
深基坑施工工艺流程及注意事项一、深基坑施工工艺流程深基坑施工是指在建筑、隧道等工程中所需的深基坑的开挖与支护工作。
深基坑施工的过程涉及到复杂的工艺流程和多项注意事项。
下面将对深基坑施工工艺流程进行详细介绍。
1. 前期准备深基坑施工前,首先需要进行项目勘察,包括地质勘察、水文勘察、土质勘察等。
根据勘察结果,制定详细的施工方案和施工图纸。
同时,还需要审查和申请相应的手续和证件,如施工许可证等。
2. 周边环境保护在深基坑施工前,需要进行周边环境的保护措施。
采取防尘、防噪音、防振动等措施,减少施工对周边环境的影响,确保施工过程安全、正常进行。
3. 开挖基坑根据设计图纸,按照规定的规格和尺寸开挖基坑。
开挖过程中需注意地下管线、地下设施等隐患,采取相应的措施进行保护。
对于地质条件复杂的区域,还需采用辅助手段,如冻土、土钉墙等。
4. 土方支护开挖基坑后,需要进行土方支护。
根据设计要求,采用不同的支护形式,如钢支撑、混凝土墙、桩墙等,以保证挖坑壁面的稳定。
同时,还需进行土体加固,避免因土体滑坡或下沉而导致的事故。
5. 土方回填完成基坑施工后,需要进行土方回填。
回填土方应选用符合规范要求的土质,按照设计要求进行均匀填充,以保证整个土体的稳定。
6. 测量与监测深基坑施工过程中,需进行测量与监测工作。
通过使用测量仪器,监测基坑的水平和垂直度,以及土体的变形等情况。
根据监测结果,及时调整施工方案,确保施工工艺的可行性和安全性。
二、深基坑施工的注意事项深基坑施工过程中需注意以下事项,以确保工作安全、顺利进行。
1. 施工人员安全施工人员需经过培训,掌握相关的安全操作规程。
在施工现场设置安全警示标志,并配备必要的个人防护装备,如安全帽、安全绳等,以确保施工人员的人身安全。
2. 地质条件评估深基坑施工前,需对地质条件进行评估,包括地质构造、岩性、地下水位等因素。
对于地质条件较差的地区,需制定相应的防治措施,以保证施工的稳定性和安全性。
深基坑预制桩支护施工方案1. 引言在城市建设中,深基坑施工经常会遇到土层松软、水位高等复杂地质条件,为了确保基坑施工的安全和效率,预制桩支护技术被广泛应用。
本文将介绍深基坑预制桩支护施工方案,包括施工前的准备工作、预制桩的安装方法以及支护墙的施工工艺。
2. 施工前的准备工作在正式进行深基坑预制桩支护施工前,需要进行一系列的准备工作,包括以下几个方面:2.1 地质勘察和设计方案在施工前,需要进行地质勘察,了解地下土层的情况以及存在的地质灾害风险,同时制定相应的设计方案,包括预制桩的数量、尺寸和间距等。
2.2 周边环境调查在进行深基坑预制桩支护施工前,需要进行周边环境的调查,包括临近建筑物、管线等的位置,确保施工不会对周边环境造成影响。
2.3 施工设备准备根据设计方案,准备好所需的施工设备,包括预制桩安装设备、吊车等。
3. 预制桩的安装方法在深基坑预制桩支护施工中,预制桩的安装是施工的重要环节。
下面将介绍两种常用的预制桩安装方法:3.1 钻孔法钻孔法是预制桩安装的常用方法之一。
具体步骤如下:1.使用钻孔设备,根据设计方案确定的桩的位置和间距,在地面打好孔。
2.通过土方开挖或者其他方法清理孔内杂物,确保孔内的纯净度。
3.在孔内放置钢筋笼或者其他加固材料。
4.将预制桩通过吊车等设备放入孔内。
5.在桩顶固定设置桩帽,确保桩的稳定性。
3.2 预拔孔法预拔孔法也是预制桩安装的一种常见方法。
具体步骤如下:1.在地面预先打好孔,孔的深度略大于预制桩的长度。
2.在孔内放置预制桩。
3.使用专用设备将预制桩和土壤一起拔出,同时加固桩体,以保证桩的竖直度。
4.在桩顶固定设置桩帽。
4. 支护墙的施工工艺在预制桩安装完成后,需要进行支护墙的施工。
支护墙可以采用钢板桩、混凝土墙等不同材料。
以下介绍一种常见的支护墙施工工艺:1.在预制桩的间距上,挖掘支护墙的基坑。
2.在基坑内安装支护墙的支撑结构。
3.根据设计要求,搭设支护墙的模板。
深基坑支护施工工艺
深基坑支护是指在建筑工程中,为了保证周围建筑物的安全及地下
施工的顺利进行,采取一系列工艺和措施对基坑进行支护的过程。
深
基坑支护施工工艺是指在具体的深基坑支护施工中所采取的工艺方法
和步骤。
本文将探讨深基坑支护施工工艺。
一、前期准备
在进行深基坑支护施工之前,需要进行充分的前期准备工作。
首先,需要对施工现场进行详细的勘察和测量,以确定施工的范围和条件。
其次,还需要制定详细的施工方案和施工计划,并编制相应的施工图
纸和设计文件。
此外,还需要安排好施工所需的人力、物力和材料资源,以确保施工的顺利进行。
二、开挖基坑
开挖基坑是深基坑支护的第一步。
在进行基坑开挖时,需要根据设
计要求和土质条件选择合适的施工方法和施工机械。
常见的基坑开挖
方法包括机械开挖、爆破开挖和人工开挖等。
开挖基坑时,还需注意
及时清理坑内泥土和水分,防止因积水和松土而影响支护工程的施工。
三、基坑支护
在基坑开挖完成后,需要进行基坑支护工程。
根据基坑的不同情况
和设计要求,可以采取不同的支护方法。
常见的基坑支护方法包括桩
墙支护、钢支撑支护、土钉支护和喷射混凝土支护等。
支护工程的施
工需要严格按照设计要求进行,确保支护结构的牢固性和稳定性。
四、灌浆加固
在基坑支护施工过程中,为了提高土体的强度和稳定性,常常需要进行灌浆加固。
灌浆加固是通过注入适量的灌浆材料,将松散地层固化并形成坚固的土体。
灌浆加固的方法包括胶浆灌注、水泥浆注浆和化学灌浆等。
在进行灌浆加固时,需要根据土体的性质和施工环境选择合适的灌浆材料和方法。
五、周边建筑物保护
深基坑支护施工过程中,需要特别注意周边建筑物的保护。
在进行基坑支护工程时,需采取有效的措施防止基坑的变形和沉降对周边建筑物造成的影响。
常用的建筑物保护措施包括设置支撑结构、加固建筑物基础和监测周边建筑物的变形等。
六、施工安全防护
深基坑支护施工过程中,施工安全是至关重要的。
需要在施工现场设置合理的安全警示标志和安全防护设施,严格遵守相关的安全规定和操作规程。
同时,还需要对施工人员进行安全教育和培训,提高施工人员的安全意识和安全操作技能。
综上所述,深基坑支护施工工艺是确保深基坑工程施工安全和质量的关键。
在施工过程中,需要进行前期准备、基坑开挖、基坑支护、灌浆加固、周边建筑物保护和施工安全防护等一系列工艺步骤。
通过合理的工艺和措施,可以保证基坑支护工程的顺利进行,同时保障周边建筑物的安全。