××矿架空乘人装置设计计算说明书
- 格式:doc
- 大小:39.00 KB
- 文档页数:5
贵州XXXX有限公司兴仁县XXX煤矿一采区运输下山架空乘人装置专项设计XXXX有限公司二〇二〇年六月贵州XXX有限公司XXXX煤矿一采区运输下山架空乘人装置专项设计总经理:总工程师:项目负责人:贵州贵煤矿山技术咨询有限公司二〇二〇年六月目录第一章矿井概况 (1)第二章编制依据 (2)第三章架空乘人装置 (3)第一章矿井概况祥隆煤矿(兼并重组)生产规模为30万 t/a,服务年限为15年。
采用斜井开拓,矿井划分一个水平(+1470m)三个采区,F4断层以北+1200m标高以上为一采区,F4断层以南与F6断层以北+1335m标高以上为二采区,F7断层东+1175m标高以上为三采区采区。
改造利用主斜井担负矿井煤炭的运输、人员的进出、同时担负进风、管线铺设任务。
新建利用副斜井担负矿井主要担负矿井材料、设备辅助运输、进风及排矸任务。
新建回风斜井担负矿井一采区的回风任务。
设计采用走向长壁后退式采煤法,布置一个走向长壁式综采工作面,全部垮落法管理顶板;矿井投产时,共配备1个高档普采工作面,3个掘进工作面,采掘比为1:3;井下煤炭运输采用胶带输送机,辅助运输为提升绞车,人员运输采用架空乘人装置,矿井采用并列式通风方式,通风方法机械抽出式,井下机械排水。
一、人员运输线路地面→主斜井(步行)→一采区运输下山(架空乘人装置)→各工作面。
二、一采区运输下山概况一采区运输下山平均倾角20°,斜长1060m,井筒净断面13.4m2,基岩段采用锚喷支护。
井筒内铺设胶带输送机及架空乘人装置,敷设部分动力电缆和通讯信号电缆等部分管线,担负矿井煤炭、人员的运输任务,设置行人台阶和扶手,同时兼进风及矿井的安全出口。
第二章编制依据1、《煤炭工业矿井设计规范》(GB50215-2015)2、《煤矿安全规程》(2016版)3、《煤矿井下辅助运输设计规范》(GB50533-2009)4、《煤矿用架空乘人装置安全检验规范》(AQ1038-2007)5、《煤矿用架空乘人装置》(MT/T1117-2011)6、《煤矿固定抱索器架空乘人装置技术条件》(MT/T873-2000)7、《地下矿用架空索道设计规范》(GB/T25652-2010)8、国家安全监管总局、国家煤矿安监局关于印发《煤矿安全规程执行说明(2016)》的通知(安监总煤装〔2016〕95号)第三章 架空乘人装置一、一采区运输下山架空乘人装置一)、设备选型一采区运输下山已安装一台-RJKY55—25/1350W (A )型煤矿固定抱索器架空乘人装置。
架空乘人装置设计计算一.已知参数:斜长:L=460m坡度:α=240二.主要参数的确定:1.预选电动机: YB2-250M-6 P e=37kw n e=980r/min2.预选驱动轮:D=1.4m3.预选减速机:TPS315-63-3F i=63 T e=16615N.m则:钢丝绳运行速度:V=K.π.D.n e60.i =0.98×3.14×1.4×98060×63=1.1m/s式中:K-钢丝绳运行时蠕动系数;4.预选钢丝绳:6×19S-φ22-16701)钢丝绳每米重量q0=1.78kg/m;2)钢丝绳抗拉强度σ=1670MPa;3)最小钢丝破断拉力总和F k=2666.6kN5.设定吊椅间距λ1=10m,则运输效率:Q r=3600Vλ1=366/h6.托轮间距:λ2=0.85λ1=8.5m,取λ2=8m;7.驱动轮绳槽与牵引钢丝绳的摩擦系数μ=0.25;钢丝绳与托轮间的阻力系数,动力运行时取ω1=0.02;制动运行时取ω2=0.015.8.钢丝绳在驱动轮上的围抱角β=1800三.钢丝绳张力的计算:架空乘人装置运行示意图如下:1.最小张力点的计算:F min=C×q0g=1000×1.78×9.8=17444 N式中:F min-钢丝绳最小张力点的张力NC-钢丝绳的挠度系数;取1000g-重力加速度2.各点张力的计算:1).当下放侧无人乘坐而上升侧满员时(动力运行状态),线路运行阻力为:﹚×﹙ω1cosα+sinα﹚LgF上=﹙q0+Q1+Q2λ1﹚×﹙0.02×cos240+sin240﹚×460×9.8 =﹙1.78+85+1510=20313 NF下=﹙q0+Q2﹚×﹙ω1cosα-sinα﹚Lgλ1=﹙1.78+15﹚×﹙0.02×cos240-sin240﹚×460×9.810=﹣5743 N各点张力:F3=F min=17444 N F4=1.01F3=17678 NF1=F4+F上=37991 N F2=F3-F下=23187 N 运行时的驱动力为:S1-S2=14804 N式中:F1-驱动轮进绳侧钢丝绳张力F2-驱动轮出绳侧钢丝绳张力F3-迂回轮进绳侧钢丝绳张力F4-迂回轮出绳侧钢丝绳张力Q1-每人人体重量和所带;取85kgQ2-吊椅重量;取15kgL-巷道斜长;2).当下放侧满员乘坐而上升侧无人时(制动运行状态),线路运行阻力为:﹚×﹙ω2cosα+sinα﹚LgF上=﹙q0+Q2λ1﹚×﹙0.015×cos240+sin240﹚×460×9.8 =﹙1.78+1510=6284 N﹚×﹙ω2cosα-sinα﹚ LgF下=﹙q0+Q1+Q2λ1=﹙1.78+85+15﹚×﹙0.015×cos240-sin240﹚×460×9.810=-18758 N各点张力:F3=F min=17444 N F4=1.01F3=17678 N F1=F4+F上=23902 N F2=F3-F下=36202 N 四.驱动轮防滑校验:动力运行状态:F1-F2>0且F1/F2=1.64<eμα(2.19);符合要求。
井底人员运输采用架空乘人装置根据最大班下井工人200人,轨道斜巷运行距离137m,倾角 a=29°;东一采区运行距离约775m,倾角 a=19~30°。
分别选用一台架空乘人装置,功率N=30kW,速度V=1.12m/s。
驱动装置为防爆型。
按东一采区运行参数进行架空乘人装置选型计算,轨道斜巷运距较短,可同样选型。
选型计算如下:已知参数:斜长:L= 775 m,坡度:最大α= 30°1)主要参数的确定:⑴预选电动机:YB225M-6,30kW,Ne= 980 转/分⑵钢丝绳运行速度:取V=1.12 m/s⑶预选钢丝绳: 6×19-¢20(q0=1.47 Kg/m)⑷设吊椅间距为:λ1= 12 m则运输效率: Qr=3600×V/λ1=336人次/h⑸驱动轮绳槽与牵引钢丝绳间的摩擦系数μ=0.02⑹牵引绳在驱动轮上的围包角а=180°2)牵引钢丝绳张力的计算:最小点张力的计算Smin=C×q0×g式中:Smin--最小张力点的张力,N;C---钢绳的挠度系数,取C=1000q0---预选牵引钢绳的每米质量1.47Kg/mg---重力加速度g=9.81m/sSmin=C×q0×g=14420.7 N各点张力的计算⑴当下放侧无人乘坐而上升侧满员时:(动力运行状态)线路运行阻力:W4-1 =[q0+(Q1+Q2)/λ1]×(ωCOSα+SINα)Lg= 13788.18NW2-3 =[q0+Q2/λ1]×(ωCOSα-SINα)Lg = -8328N各点张力:S3=Smin= 14420.7NS4=1.01Smin= 14564.9NS1=S4+W4-1= 28353.1NS2=S3-W2-3= 22748N式中:q0--每米钢丝绳质量1.47Kg/mQ1--每人人体重量:取Q1= 75KgQ2--每把吊椅重量:取Q2= 15Kgω--牵引钢丝绳运行阻力系数,动力运行时.取ω=0.02,制动运行时:取ω=0.015L――井筒斜长⑵当下放侧满员而上升侧无人时时:(制动运行状态)线路运行阻力:W4-1 =[q0+Q2/λ1]×(ωCOSα+SINα)Lg =4386.7NW2-3 =[q0+(Q1+Q2)/λ1]×(ωCOSα-SINα)Lg = -10136.9N各点张力:S3=Smin= 14420.7NS4=1.01Smin= 14564.9NS1=S4+W4-1=18951.6NS2=S3-W2-3=24557.6N3)驱动轮防滑校验当下放侧无人乘座而上升侧满员乘座时,处于动力运行状态且S1-S2>0,S1/S2=1.25< eμ[1.87]当下放侧满员而上升侧无人时时:(制动运行状态)且S2-S1>0, S2/S1=1.30< eμ[1.87]式中μ--钢丝绳与驱动轮衬垫摩擦系数.取μ=0.02α--钢丝绳在驱动轮上的围包角。
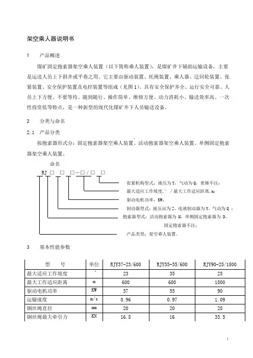
架空乘人器说明书1 产品概述煤矿固定抱索器架空乘人装置(以下简称乘人装置),是煤矿井下辅助运输设备,主要是运送人员上下斜井或平巷之用。
它主要由驱动装置、托绳装置、乘人器、迂回轮装置、张紧装置、安全保护装置及电控装置等组成(见图1)。
具有安全保护齐全、运行安全可靠、人员上下方便、不要等待、随到随行、操作简单、维修方便、动力消耗小、输送效率高、一次性投资低等特点,是一种新型的现代化煤矿井下人员输送设备。
2 分类与命名2.1 产品分类按抱索器形式分:固定抱索器架空乘人装置、活动抱索器架空乘人装置、单侧固定抱索器架空乘人装置。
命名RJ □□□-□/□□张紧机构型式;液压为Y,气动为Q,重锤不注;最大适应工作坡度,°/最大工作适应距离,m;驱动电机功率,KW;制动器型式:液压站为Z,电液制动器为Y,气动为Q ;抱索器型式:活动抱索器为H,单侧固定抱索器为D,固定抱索器不注;产品类型:架空乘人装置。
3 基本性能参数124 使用环境条件4.1 海拔高度不超过2500m;4.2 周围介质温度不高于40℃;4.3 周围空气相对湿度不大于95%;4.4 无强烈振动、冲击和明显淋水的环境;4.5 巷道变形严重的不适用;4.6 一般用于交流电源50HZ、380/660V。
5 结构特征和工作原理5.1 结构特征(见图1)5.2 乘人装置的工作原理是:将钢丝绳安装在驱动轮、托绳轮、压绳轮、迂回轮上,并经设有重锤的张紧装置拉紧后,由驱动装置的电动机输出动力带动减速机构上的驱动轮和钢丝绳作循环无极运动,吊椅则通过抱索器与钢丝绳摩擦锁紧在运行的钢丝绳上,随钢丝绳上行或下行,从而实现输送矿工的目的。
其中钢丝绳通过尾部张紧装置张紧后,以维持钢丝绳在托绳轮之间的挠度和张力。
35.3 该设备由驱动装置、托绳轮装置、压绳轮装置、迂回轮装置、乘人器、牵引索、张紧索、电气控制装置等组成。
5.4 该设备的电动机、减速器、制动器、电控器材及钢丝绳由我公司提出设计要求,并由具备相应资质的厂家外协定购,横梁由用户自购配套,其余均为我公司自制件。
架空乘人装置方案说明及产品介绍书RJKY37-27/1000(B)系列夏阔坦煤矿(执行标准:GB21008-2007 AQ1038-2007 MT/T 1117-2011 )正规、高效、创新、精忠我们致力成为全球矿山索道的巨人版本:01/2012 编制:长沙正忠科技发展有限公司一、产品的主要技术参数1.安装斜长:400m2.巷道平均坡度:18°3.考虑架空乘人装置运行的平稳可靠和巷道条件,驱动装置安装在平巷道内,尾部及张紧装置都安装井底平巷内。
机头安装采用悬空安装方式,下部空间大,运行平稳等特点,该处巷道高度拓高至4.5m,宽度不变。
尾部安装高度3.2m,宽度不变。
根据要求,驱动轮直径选1200mm。
据此计算结果如下:4.运行速度:0.96m/s5.电机功率:37kw6.乘人间距:16m7.运输效率:215人/h8.牵引力:9193N9.钢丝绳最大张力:139285N10.重锤重量:750kg11.拉紧行程:7m12.驱动轮直径:1200mm13.钢丝绳规格:6×19S +FC-Ø20-1670-右同、线接触、无油。
一、产品的技术先进和可靠性1.产品的主要性能:1)钢丝绳运行速度≤1.2m/s,乘人离地0.35米,满足《中国煤矿安全规程》要求。
使用十分安全2)对运行巷道无特殊要求,设备一次性投入低3)乘人装置无极运行,随到随行,不要等待4)设备易于操作,便于维护5)设备耗能少、噪音低、无污染、运送能力大2.驱动装置2、1技术说明:a)驱动装置整体采用架空式安装,纵向布置。
驱动装置主要包括防爆电机、电力液压块式制动器、联轴器、减速机、驱动轮、机架等。
其结构紧凑、运行平稳、输出扭矩大、运行噪音低、维护简单等,维修驱动轮时,直接拆除驱动轮而不需拆除减速机。
b)驱动轮轮衬采用K25高强度耐磨轮衬。
该轮衬耐油、耐水、耐磨、摩擦系数大(可达0.25)、能有效提高牵引力、减小系统张力、提高钢丝绳寿命。
架空乘人装置设计说明设计说明:架空乘人装置一、引言二、设计原理1.线路:架空乘人装置行驶在一系列特殊设计的线路上,包括直线段、弯道和上下坡。
2.载具:乘人装置的载具使用轻质且强度高的材料,具有良好的空气动力学特性和电磁悬浮能力。
3.电磁悬浮系统:乘人装置通过电磁悬浮系统悬浮在线路上,同时利用电磁力进行前进和制动。
4.推进系统:乘人装置通过推进系统提供动力,包括电动机和能量储存装置。
三、设计要点1.安全性:乘人装置的设计应确保安全性是首要考虑因素。
应设置多重安全保护装置,包括制动系统、防护栏杆以及紧急停车装置。
同时,应设置全程监控系统,实时监测乘人装置的状态。
2.舒适性:乘人装置内部应提供良好的舒适感,包括座椅、空调系统和噪音减少装置。
同时,在设计过程中应考虑载客量和乘客流动性。
3.效率性:乘人装置应能够快速、高效地运输乘客。
因此,应确保设计的线路合理,最大程度减少弯道和坡道,同时提高推进系统的效率。
4.节能环保:乘人装置应采用节能环保的设计理念,包括智能能量管理系统、再生能源利用以及材料的再生利用。
四、技术挑战在设计架空乘人装置的过程中,面临一些技术挑战,如下:1.线路设计:线路应考虑不同地形和建筑物的高度差,同时确保线路的稳定性和安全性。
2.载具设计:载具应具有良好的空气动力学特性和稳定性,能够适应高速行驶和制动的要求。
3.电磁悬浮系统:电磁悬浮系统需要具备高精度、高效能的性能,能够实现快速的悬浮和制动。
4.推进系统:推进系统需要提供足够的动力,同时能够高效转换能源并减少能量损耗。
五、市场前景同时,架空乘人装置还具有一定的环保优势,可以减少对环境的污染,节约能源的消耗。
这符合当前社会对可持续发展的需求和重视程度。
六、结论在设计过程中,需重点考虑安全性、舒适性、效率性和节能环保等方面的要求。
同时,还面临一些技术挑战,如线路设计、载具设计、电磁悬浮系统和推进系统等。
由于其巨大的市场潜力和环保优势,架空乘人装置在城市交通和物流运输领域具有广阔的市场前景,并能满足可持续发展的需求。
1一、已知参数:斜长:L =500m坡度:α=28°二、主要参数的确定:1、预选电动机:YB2-280S-837kwNe=740转/分2、预选驱动轮:直径D=1.25m3、预选减速机:CWS280-50i=50钢丝绳运行速度:V=K×(πD/60)×Ne/i=1.07×(3.14×1.25/60)×740/50=1m/s4、预选钢丝绳6×19S+FC-φ20-1870(q 0=1.47KG /M )5、设定乘坐间距为λ1=10m 运送效率Qr =3600×V/λ1=360人次/h6、托轮间距取λ2=6m7、驱动轮绳槽与牵引钢丝绳的摩擦系数μ=0.258、牵引绳在驱动轮上的围包角α=1800三、牵引钢丝绳张力的计算1、最小张力S min =C×q 0×gS min --最小张力点的张力,N C--钢丝绳的挠度系数,取C=900q 0--预选牵引钢绳的每米质量,1.47kg/mS2S3S4S1Ze on P D F D r i v e rT ri a l ww w.z e on .c o m .t w D oc uC o mP DF T r i alw ww .p d f w iz a r d .c o m2g--重力加速度,g=9.8m/s 2S min =900×1.47×9.8=12965N 2、各点张力①当下放侧无人乘坐而上升侧满员时,线路运行阻力.(动力运行状态)W 4-1=[q 0+(Q 1+Q 2+Q 3)/λ1]×(ωcosα+sinα)Lg=[1.47+(75+15+10)/10]×(0.02×cos28°+sin28°)×500×9.8=27378NW 2-3=(q 0+Q 2/λ1)×(ωcosα-sinα)Lg=(1.47+15/10)×(0.02×cos28°-sin28°)×500×9.8=-6508.8N各点张力:S 3=S min =12965N S 4=1.01S 3=13095NS 1=S 4+W 4-1=40473N S 2=S 3-W 2-3=19473.8Nω—牵引钢丝绳运行阻力系数,动力运行时,取ω=0.015~0.02制动运行时,取ω=0.008~0.012②当下放侧满员乘坐而上升侧无人乘坐时.(制动运行状态)W 4-1=(q 0+Q 2/λ1)×(ωcosα+sinα)Lg=(1.47+15/10)×(0.012×cos28°+sin28°)×500×9.8=6986NW 2-3=[q 0+(Q 1+Q 2+Q 3)/λ1]×(ωcosα-sinα)Lg=[1.47+(75+15+10)/10]×(0.012×cos28°-sin28°)×500×9.8=-25790N各点张力:S 3=S min =12965NS 4=1.01S 3=13095NZe on P D F e rT ri a l ww w.z e on .D o c uC o mF T r i alw ww .p d f w iz o m3S 1=S 4+W 4-1=20081N S 2=S 3-W 2-3=38755N四、驱动轮防滑校验:当下放侧无人乘坐而上升侧满员乘坐时,处于动力运行状态,且S 1-S 2>0S 1/S 2=40473/19473.8=2.08<e μα(2.19)符合要求当下放侧满座乘坐而上升侧无人乘坐时,处于制动运行状态,且S 1-S 2<0S 2/S 1=38755/20081=1.93<e μα(2.19)符合要求式中μ—钢丝绳与驱动轮衬垫摩擦系数,取μ=0.25α—钢丝绳在驱动轮上的围包角。
煤矿可摘挂抱索器架空乘人装置(RJKY37-11/556)设计计算书根据提供的巷道技术参数,经双方商定,选择可摘挂抱索器架空乘人装置,具体设计方案见总图,设计依据和计算如下:一、已知参数坡度:11°斜长: 476(m)吊椅间距: λ1=15(m)电动机:YB2型,Ne=980(r/min)每米钢丝绳重量:q0=1.47(kg/m)钢丝绳抗拉强度:〔б〕=1670(MPa)钢丝绳直径:d=φ20(mm)二、主要参数的确定1、按实际巷道条件,所以选取直径为1200mm的驱动轮和尾轮。
2、选配减速器速比:根据实际情况和业主要求,常用的速比i=63,核算实际运行速度:V= K×(πD/60)×N e/i=0.98×(3.14×1.2/60) ×980/63=0.96(m/s)符合《煤矿安全法规》要求(V≤1.2m/s)3、实际运输能力Q实=3600×V/λ1=3600×0.96/15=230(人/h)4、托轮间距:λ2=0.85λ1=0.85×15=12.75(m)取λ2=8(m)5、托绳轮直径D3的确定D3=(7~12)d 取D3=8d 则D3=8×20=160(mm)选取直径为180mm的托绳轮.三、按GB50127-2007《架空索道工程技术规范》标准中7.3.4的规定,计算钢丝绳的牵引力1、运载索(即牵引钢丝绳)的最小拉力,不宜小于重车重力的20倍。
重车重力计(每位乘员950N.吊椅(含抱索器)取150N)最小点张力的计算:Smin=C×q0×g式中Smin――最小张力点的张力,N;C―――钢丝绳的挠度系数,取C=1000;q0―――预选牵引钢丝绳的每米质量,1.47kg/m;g―――重力加速度,g=9.8m/S2。
Smin=1000×1.47×9.8=14406(N)乘人装置的运动简图如下:Q1――人员及载物重量, 取95 kg(人均体重取75kg、载物20 kg)Q2――每把吊椅重量.取15kgω――牵引钢丝绳运行阻力系数,取ω=0.02L――井筒斜长T min――运载索(即牵引钢丝绳)的最小拉力G――重车力2、驱动轮各点张力的计算①当重车上行,空车下行时:(动力运行状态)线路运行阻力(W4-1):下式中:q0――每米钢丝绳质量Q1――人员及载物重量, 取95 kg(人均体重取75kg、载物20 kg)Q2――每把吊椅重量.取15kgω――牵引钢丝绳运行阻力系数,动力运行时.取ω=0.02;制动运行时.取ω=0.015 L――井筒斜长斜巷上的阻力为(W4-1):W4-1=[q0+(Q1+Q2)/λ1]×(ωcosα+sinα)Lg =(1.47+110/15)×(0.02xcos110+sin110)×476×9.8=8642(N)W2-3=[q0+Q2/λ1]×(ωcosα-sinα)Lg=(1.47+15/15)×(0.02xcos110-sin110)×476×9.8=-1972(N)所以各点张力:S3=Smin=14406(N) S4=1.01S3=14550(N)S1=S4+W4-1=14550+8642=23192(N)S2=S3-W2-3=14406+1972=16378(N)②当空车上行,重车下行时:(制动运行状态)线路运行阻力:W4-1=[q0+Q2/λ1]×(ωcosα+sinα)Lg=(1.47+15/15)×(0.015xcos110+sin110)×476×9.8=2368(N)W2-3=[q0+(Q1+Q2)/λ1]×(ωcosα-sinα)Lg =(1.47+110/15)×(0.015xcos110-sin110)×476×9.8=-7231(N)S3=Smin=14406(N) S4=1.01S3=14550(N)S1=S4+W4-1=14550+2368=16918(N)S2=S3-W2-3=14406+7231=21637(N)③当重车上行,重车下行时:(动力运行状态)W4-1=[q0+(Q1+Q2)/λ1]×(ωcosα+sinα)Lg =(1.47+110/15)×(0.02xcos110+sin110)×476×9.8=8642(N)W2-3=[q0+(Q1+Q2)/λ1]×(ωcosα-sinα)Lg =(1.47+110/15)×(0.02xcos110-sin110)×476×9.8=-7029(N)所以各点张力:S3=Smin=14406(N) S4=1.01S3=14550(N)S1=S4+W4-1=14550+8642=23192(N)S2=S3-W2-3=14406+7029=21435(N)④当空车上行,空车下行时:(动力运行状态)线路运行阻力:W4-1=q0×(ωcosα+sinα)Lg=1.47×(0.02xcos110+sin110)×476×9.8=1443(N)W2-3=q0×(ωcosα-sinα)Lg= 1.47×(0.02xcos110-sin110)×476×9.8=-1174(N)S3=Smin=14406(N) S4=1.01S3=14550(N)S1=S4+W4-1=14550+1443=15993(N)S2=S3-W2-3=14406+1174=15580(N)3、摩擦式驱动轮防滑校验(GB12141-2008)防滑安全系数在正常运行时不应小于是 1.5;在最不利载荷情况下启动或制动时不应小于1.25,按如下公式计算:式中:μ=0.25是驱动轮绳槽与牵引钢丝绳间的摩擦系数S2――最不利载荷情况下,正常(启.制)动时驱动轮出侧或入侧运载索的最小张力,单位为牛(N)S1――最不利载荷情况下,正常(启.制)动时驱动轮出侧或入侧运载索的最大张力,单位为牛(N)e――自然对数的底α――牵引钢丝绳在驱动轮上的包角, 单位为弧度(rad) 当①重车上行,空车下行时符合上述要求:符合要求4、驱动轮衬垫的比压(GB12141-2008)应按以下公式校核:式中: S1――驱动轮入侧运载索张力,单位为牛(N)S2――驱动轮出侧运载索张力,单位为牛(N)D――驱动轮直径,单位为毫米(mm)d――运载索直径,单位为毫米(mm)――驱动轮衬垫的允许比压,单位为兆帕(Map),本公司选用的允许比压:4(Map)符合要求四、电动机功率的计算1、动力运行时:Nе=Kъ(S1-S2)υ/1000η式中:Kъ――电动机功率备用系数.一般取Kъ=1.15~1.5 η――传动功率.取η=0.70,Nе=14.0(kw)2、阻力运行时:Nе=Kъ(S2-S1)υ/1000η式中:Kъ――电动机功率备用系数.一般取Kъ=1.15~1.5 η――传动功率.取η=0.70Nе=9.7(kw)根据用户发展要求,选取电动机功率为37kw五、选择减速器查阅减速器选取表,选用减速器的型号为:3SV09-63-C。
+1220m一采架空人车1、架空乘人装置数据:巷道最大长度450米,最大坡度25°,电机功率55KW,电机转速990r/min,减速机传动比I-71,驱动轮与尾轮直径1.5米,设定乘坐间距λ取13米,钢丝绳选用6×19-Φ24.5(qo=2.37kg/m)。
2、钢丝绳运行速度校验:V=ΠDn/60iV=3.14×1.5×990/60×71V≈1.09m/S符合《煤矿安全规程》三百八十三条之运行速度不得超过1.2m/S规定。
3、最大运行效率人/h=3600×1.09/13≈3014、牵引钢丝绳最大张紧力计算:1)下行侧无载荷,上行侧满员时线路运行阻力:最小点张力的计算;Smin=C×qo×g=1000×2.37×9.81=23249N式中Smin--最小张力点张力C--钢丝绳挠度系数取1000qo--牵引钢丝绳每米质量g--重力加速度9.81m/SW(4-1)=〔qo+Q1+Q2+Q3/λ〕(ωCosβ+Sinβ)L=〔2.37+75+15+20/13〕(0.025×0.906+0.422)450 =2167kg=21236NW(2-3)=〔qo+Q2/λ〕(ωCosβ-Sinβ)L=〔2.37+15/13〕(0.025×0.906-0.422)450=-633kg=-6203N各点张力:S3=Smin=23249NS4=1.03S3=23946NS1=S4+W(4-1)=23946+21236=45185NS2=S3-W(2-3)=23249+6203=29452N2)下行侧满员,上行侧无载荷时线路运行阻力;W(2-3)=〔qo+Q1+Q2+Q3/λ〕(ωCosβ-Sinβ)L=〔2.37+75+15+20/13〕(0.025×0.906-0.422)450 =-1946kg=-19074NW(4-1)=〔qo+Q3/λ〕(ωCosβ+Sinβ)L=〔2.37+15/13〕(0.025×0.906+0.422)450=706kg=6926N各点张力:S3=Smin=23249NS4=1.03S3=23946NS1=S4+W(4-1)=23946+6926=30872NS2=S3-W(2-3)=23249+19074=42323N3)两侧满员时线路运行阻力;W(2-3)=〔qo+Q1+Q2+Q3/λ〕(ωCosβ-Sinβ)L=〔2.37+75+15+20/13〕(0.025×0.906-0.422)450 =-1899kg=-19074NW(4-1)=〔qo+Q1+Q2+Q3/λ〕(ωCosβ+Sinβ)L=〔2.37+75+15+20/13〕(0.025×0.906+0.422)450 =2167kg=21238N各点张力:S3=Smin=23249NS4=1.03S3=23946NS1=S4+W(4-1)=23946+21238=45185NS2=S3-W(2-3)=23249+19074=42323N5、驱动轮防滑校验:1)下行侧无载荷,上行侧满员时处于动力运行状态:S1-S2>0 S1/S2=45185/29452=1.53<eμα(1.87)2)下行侧满员,上行侧无载荷时处于制动运行状态;S2-S1>0 S2/S1=42323/30872=1.37<eμα(1.87)式中:钢丝绳与驱动轮衬垫摩擦系数μ取0.2钢丝绳在驱动轮上围包角α取180°6、电动机功率校验;1)下行侧无载荷,上行侧满员时;N=K(S1-S2)V/1000η=1.15×(45185-29452)×1.02/1000×0.8=23.1KW2)下行侧满员,上行侧无载荷时;N=K(S2-S1)V/1000η=1.15×(42323-30872)×1.02/1000×0.8=16.79KW3)两侧满员时;N=K(S1-S2)V/1000η=1.15×(45185-42323)×1.02/1000×0.8=4.19KW 符合要求式中;电动机功率因数K取1.15--1.2传功效率η取0.8钢丝绳运行速度V取计算数值1.027、牵引钢丝绳校验:S=m Smαx=6×45185=271110N故使用的6×19-Φ26钢丝绳其破断拉力401KN,公称抗拉强度1670Mpa符合要求。
煤矿固定抱索器架空乘人装置产品使用说明书目录1、产品概述 (1)2、基本参数表 (2)3、结构特征与工作原理 (2)4、机械系统安装 (8)5、电气控制系统 (10)6、技术要求 (16)7、安全警示 (16)8、常见故障及处理方法 (17)9、安全操作规程 (19)10、乘坐人员须知 (20)11、日常维护保养 (21)煤矿固定抱索器架空乘人装置产品使用说明书1.产品概述煤矿架空乘人装置(以下简称乘人装置), 是煤矿井下辅助运输设备,主要是运送人员上下斜井或平巷之用。
它主要由驱动装置、托(压)绳装置、乘人器、尾轮装置、张紧装置、安全保护装置及电控装置等组成(见图1)。
乘人装置钢丝绳运行速度低,乘人离地不高,具有运行安全可靠、人员上下方便、随到随行、不需等待、一次性投入低、动力消耗小、操作简单、便于维护、工作人员少和运送效率高等特点,是一种新型的现代化煤矿井下人员输送设备。
1.1产品分类产品按抱索器型式分:煤矿固定抱索器架空乘人装置、煤矿活动抱索器架空乘人装置、煤矿大坡度可摘挂抱索器架空乘人装置、煤矿单向活动抱索器架空乘人装置、煤矿单向大坡度可摘挂抱索器架空乘人装置、煤矿单向固定抱索器架空乘人装置。
本说明书主要描述RJY系列煤矿固定抱索器架空乘人装置。
1.2产品的规格型号如下:RJ □□□-□/□□□□修改序号驱动方式:变频调速为P,直流调速为Z,液压调速为U,开关磁阻为D,交流电机不注张紧方式:液压张紧(Y),重锤张紧不注补充参数:最大适用倾角,单位为度(°)/最大运输距离,单位为米(m)。
主参数:驱动功率,单位为千瓦(kW)制动方式:液压站为Z,电液制动器为Y,气动为Q乘人装置类别:双向活动抱索器(H),双向大坡度可摘挂抱索器(K),双向固定抱索器不注,单向活动抱索器(DH),单向大坡度可摘挂抱索器(DK),单向固定抱索器(D)产品类型:架空乘人装置示例1:采用电液制动器制动和重锤张紧,最大适用倾角25°,最大运输距离1800m,功率为90kW的交流电机驱动,固定抱索器架空乘人装置: RJY90-25/1800。
盘州市鸿辉煤矿架空乘人装置专项设计方案鸿辉煤矿机电科2019年设计方案一、设计方案及说明1、巷道原始资料1.1运输长度约 770 米1.2平均坡度 16 度1.3下平巷长 20 米2、设计方案2.1主要参数的选择1)最大运行速度 0.96 m/s2)同时乘坐人数:50人3)最大输出效率:172人/h4)钢丝绳直径:20.5mm5)驱动装置功率:37KW6)托轮间距:8m7)乘人间距:20m8)驱动轮直径:1200mm9)尾轮直直径:1200mm10)尾轮涨紧行程:11m11)钢丝绳最低安全系数:612)钢丝绳破断拉力总和:267KN2.2我国《煤矿安全规程》(2016年版)中对架空乘人装置有关规定如下第383条规定:吊椅中心至巷道一侧突出部分距离不得小于0.7m,双向同时运送人员时钢丝绳间距不得小于0.8m,固定抱索器的钢丝绳间距不得小于 1.0m。
乘人吊椅距底板的高度不得小于0.2m,在上下人站处不大于0.5m,乘坐间距不应小于牵引钢丝绳5s的运行距离,且不得小于6m。
固定抱索器最大运行坡度不得超过28℃,可摘挂抱索器最在运行坡度不得超过25℃。
运行速度超过1.2m/s时,不得采用固定抱索器;运行速度超过1.4m/s 时,应当设置调速装置,并实现静止状态上下人员,严禁人员在非乘人站上下车。
鸿辉煤矿采用可摘挂抱索器,运行速度0.96m/s,坡度160。
2.3设计说明1)电机功率计算驱动功率,考虑增加运量、速度、变坡多等因素选定电机功率为 37 KW。
(详见二设计计算5)2)选用钢丝绳6x19+NF-20.5mm,其安全系数为 10.7 (详见二设计计算6),满足《煤矿安全规程》第408条规定:“架空乘人装置钢丝绳悬挂时的安全系数的最低值为6”。
为加大驱动摩擦系数,要求钢丝绳定期涂增摩脂。
2.4横梁的安装方案一)、下图为贯通梁。
安装中有一端掏洞为梁插入壁深的2倍,但该方式牢固可靠,外形整齐,条件允许者为首选方式。
果子山金硕煤矿架空乘人设 计(说 明 书)一、三采区轨道上山题 目:架空式乘人装置设计姓 名:编 号: m j s华坪县焱光实业有限公司果子山金硕煤矿2019 年 5月2日摘要煤矿架空乘人装置(俗称猴车)是一种新型的采用PLC可编程序控制的矿井斜巷或平巷辅助运输设备,本文介绍架空乘人装置结构设计、计算方法等。
该装置具有运行安全可靠、人员上下方便、随到随行、不需等待、一次性投入低、动力消耗小、操作简单、便于维护、工作人员少和运送效率高等特点。
关键词:结构设计程序控制装置结构。
目录摘要 (1)ABSTRACT ......................................... 错误!未定义书签。
第一章绪论.. (3)1.1 煤矿架空乘人装置定义 (3)1.2 煤矿架空乘人装置的构成 (3)1.3 煤矿架空乘人装置结构特点及其布置 (3)第二章工作原理 (6)第三章基本结构设计 (7)3.1 驱动部分 (7)3.1.1 电动器 (7)3.1.2 减速器 (7)3.1.3 制动器的确定 (12)3.2乘人部分 (12)3.3托绳部分 (13)3.4 尾轮及张紧装置 (14)3.4.1 尾轮 (14)3.4.2 张紧绞车部分 (14)3.4.3 配重锤部分 (15)3.5 电控系统 (15)3.5.1电气控制及信号系统 (15)3.5.2保护功能 (16)第四章架空乘人装置设计计算 (17)4.1原始数据(以下数据为例计算) (17)4.2主要预选参数的确定 (18)4.3主要参数的计算及器型的选择 (19)第五章设计存在的问题及结构的改进 (25)5.1架空乘人车装置设计存在问题 (25)5.1.1架空乘人车设计的临界值和防滑验算 (25)5.1.2吊座间距 (26)5.2架空乘人车装置结构的改进 (26)5.2.1刹车装置的研制及应用 (26)5.2.2吊座与钢丝绳连接装置的改进 (26)第一章绪论1.1 煤矿架空乘人装置定义矿用索道(架空乘人装置)主要用于矿井斜巷,平巷运送人员,其工作原理类似于地面旅游索道。
架空乘⼈装置技术规格书XXX煤矿架空乘⼈装置技术规格书责任单位:XXX主管单位:XXX2017年8⽉架空乘⼈装置技术规格书⼀、概述架空乘⼈装置适⽤于XX煤矿XX⼈员运输,架空⼈车各部尺⼨应满⾜下井、运输、安装、使⽤要求。
巷道总安装长度1500⽶,宽度为4m,⾼度为3.2m,巷道最⼤坡度为12°,平均坡度为6°,巷道为架空⼈车专⽤巷道。
★⼆、使⽤条件和基础数据架空乘⼈装置满⾜于井下⾼⽡斯环境使⽤要求,环境温度0-40℃,相对湿度未超过90%;巷道最⼤坡度15o;★三、技术要求1、设备参数:(1)、运⾏速度:0-1.7m/s,变频调速。
(2)、运输能⼒:单向不⼩于550⼈/h。
(3)、乘⼈间距:⼤于15m。
(4)、托绳轮间距:8m。
(5)、主驱动轮直径:1.6m。
(6)、回绳轮直径:1.6m。
(7)、钢丝绳距地板⾼度:2.1m。
(8)、托轮横梁底⾯安装⾼度(垂直巷道腰线⽅向)2.35m。
(9)、吊椅长度:1700mm。
(10)、钢丝绳型号:20NAT6×19S+NF1670ZS ⽆油芯预张拉。
(11)、电动机额定功率:110kW,660/1140V 防爆变频电机。
(12)、减速机:螺旋锥齿轮-斜齿轮减速器。
(13)、绳间距:1200mm。
(14)、安全制动器安装驱动轮上,由液压泵站控制,液压打开、碟簧制动。
(15)、⼯作制动器安装在⾼速端联轴器上,选⽤电液制动器。
(16)、驱动装置结构形式:落地双轮结构。
(17)驱动轴直径不⼩于180mm,材料性能不低于40Cr。
(18)、变频器选⽤四象限变频器,功率132kW,系统供电电压为660V,容量:≧150KVA。
2、设备要求:设备有煤安证书,整套设备电控系统煤安证,⽣产许可证,煤安标志。
2.1 驱动轮、回绳轮的选取井下架空乘⼈装置的驱动轮、回绳轮直径不得⼩于钢丝绳直径的60倍,驱动轮直径不得⼩于最粗钢丝直径的900倍;驱动轮轮衬应选⽤摩擦系数⼤、抗静电、阻燃、耐磨性好,耐油、耐⽔的K25材料的轮衬,该轮衬与钢丝绳的摩擦系数应达到0.25以上。
达竹柏林矿暗副斜井架空乘人装置计算书一、计算说明已知参数:斜长:L=300坡度:α=21.00主要参数的确定:1、预选电动机:YB-225M-630Ne=9802、预选驱动轮:直径=13、预选减速机:TB3HV07-56i=56钢丝绳运行速度:V=K×(πD/60)×Ne/i=0.90 m/sK--钢丝绳运行时蠕动系数.取K=0.984、预选钢丝绳: 6×19S-¢22 (q0= 1.785、设吊椅间距为:λ1=10则运输效率: Qr=3600×V/λ1=323 人次/h6、托轮间距: λ2=87、驱动轮绳槽与牵引钢丝绳间的摩擦系数 μ=0.28、牵引绳在驱动轮上的围包角а=180°二、牵引钢丝绳张力的计算:架空乘人装置力学模型图最小点张力的计算Smin=C×q0×g式中:Smin--最小张力点的张力,N;C---钢绳的挠度系数, 取C=1000q0---预选牵引钢绳的每米质量 1.78Kg/mg---重力加速度 g=9.81m/sSmin=C×q0×g =17461.8°mm mkW Kg/m)m 转/分各点张力的计算1、当下放侧无人乘坐而上升侧满员时:(动力运行状态)线路运行阻力:W4-1 =[q0+(Q1+Q2)/λ1]×(ωCOS α+SIN α)Lg=11961.78W2-3 =[q0+Q2/λ1]×(ωCOS α-SIN α)Lg=-3279.10各点张力:S3=Smin=17461.8S4=1.01Smin=17636.4S1=S4+W4-1=29598.20S2=S3-W2-3=20740.90式中:q0--每米钢丝绳质量 1.78Kg/mQ1--每人人体重量 取Q1=75KgQ2--每把吊椅重量 取Q2=15Kgω--牵引钢丝绳运行阻力系数,动力运行时. 取ω=0.02制动运行时. 取ω=0.015L――井筒斜长2、当下放侧满员而上升侧无人时时:(制动运行状态)线路运行阻力:W4-1 =[q0+(Q2/λ1]×(ωCOS α+SIN α)Lg=3594.52W2-3 =[q0+(Q1+Q2)/λ1]×(ωCOS α-SIN α)Lg=-10925.14各点张力:S3=Smin=17461.8S4=1.01Smin=17636.4S1=S4+W4-1=21230.94S2=S3-W2-3=28386.94三、驱动轮防滑校验当下放侧无人乘座而上升侧满员乘座时,处于动力运行状态且S1-S2>0 S1/S2= 1.43 <е[1.87]当下放侧满员而上升侧无人时时:(制动运行状态)且S2-S1>0 S2/S1= 1.34 <е[1.87]式中μ--钢丝绳与驱动轮衬垫摩擦系数. 取μ=0.2α--钢丝绳在驱动轮上的围包角。
RJY37-36°/500 煤矿架空乘人装置设计方案贵阳高原矿山机械有限公司设计方案一、设计方案及说明1、巷道原始资料1.1斜长约500 米1.2平均坡度36 度(a=sin-1头尾高差/巷道全长)1.3最大坡度36 度1.4上平巷长10 米1.5下平巷长20 米1.6断面(头、尾、中间巷)1.7巷道支护情况(主、副、出风井实测图等)1.8用户其他要求2、设计方案2.1主要参数的选择,计算的结果:2.1.1运行速度0.8 m/s2.1.2单边(上或下)运人效率:180 人/小时2.1.3单边最大同时乘人数:27 人2.1.4钢丝绳最大受力36 KN(一般为S1)2.1.5驱动力16 KN(S1~S2)2.1.6选用钢丝绳型号6*19φ20 ——右交,无油,麻芯。
2.1.7钢丝绳安全系数:6.92.1.8驱动轮衬垫比压:T1+T2/D·d=278N/cm22.1.9计算驱动功率:22 KW2.1.10所选电机型号:YB2-225M-630KW2.1.11驱动轮直径φ1.0 米2.1.12变速器型号:B3HV07-632.2我国《煤矿安全规程》(2010年版)中对架空乘人装置有关规定如下:第368条第(二)款要求:“蹬座中心至巷道一侧的距离不得小于0.7米,运行速度不得超过1.2米/秒,乘座间距不得小于5米”。
第416条第(三)款:“井下架空乘人装置的主导轮和尾导轮、围包角大于90o C的天轮”,其直径不得小于钢丝绳直径的60倍。
第400条规定:“架空乘人装置钢丝绳悬挂时的安全系数的最低值为6”。
2.3设计说明2.3.1电机功率计算驱动功率为22 KW,考虑增加运量、速度、变坡多等因素选定电机功率为30 KW。
2.3.2由计算可知选用钢丝绳6*19—20 1670右同钢丝绳,其安全系数为 6.9 。
为加大驱动摩擦系数,要求绳不涂油,钢丝涂增摩剂。
2.3.3根据主动轮与钢丝绳直径,本方案选用驱动轮直径为 1.0 米。
重庆南川龙台矿乘人装置计算说明书
一、计算说明
已知参数:
斜长:L=460M坡度:平均а=26°
主要参数的确定:
1、预选电动机:YB250M-637KWNe=980转/分。
2、预选驱动轮:直径=1M
3、预选减速机:TB3HV08-45i=45
钢丝绳运行速度:
V=K×(πD/60)×Ne/i=1.12M/S
K――钢丝绳运行时蠕动系数.取K=0.98
4、预选钢丝绳:6×19-φ20(q0=1.47Kg/M)
5、所以依据设λ1=12M则运输效率:
Qr=3600×V/λ1
=3600×1.12/12=335人/h
6、托轮间距:λ2=8M
7、驱动轮绳槽与牵引钢丝绳间的摩擦系数μ=0.20
8、牵引绳在驱动轮上的围包角а=180°.
二、牵引钢丝绳张力的计算:
最小点张力的计算
Smin=C×q0×g
式中Smin――最小张力点的张力,N;
没,C―――钢绳的挠度系数,取C=1000;
q0―――预选牵引钢绳的每米质量,1.47Kg/M;
g―――重力加速度,g=9.81M/S2。
Smin=1000×1.78×9.81=14421N
各点张力的计算
①当下放侧无人乘坐而上升侧满员时:(动力运行状态)
线路运行阻力:
W4-1=[q0+(Q1+Q2)/λ1]×(ωcosα0+sinα0)Lg =[1.47+(75+15)/12](0.02×cos26°+sin26°)×460×9.81=18472N
W2-3=[q0+Q2/λ1]×(ωcosα0-sinα0)Lg
=[1.47+15/12]×(0.02×cos26°-sin26°)×460
×9.81= -5160N
各点张力:
S3=Smin=14421NS4=1.01S3=14565N
S1=S4+W4-1=14565+18472=33037N
S2=S3-W2-3=14421+5160=19581N
式中:q0――每米钢丝绳质量
Q1――每人人体重量.取Q1=75kg
Q2――每把吊椅重量.取Q2=15kg
ω――牵引钢丝绳运行阻力系数,动力运行时.取ω=0.02
制动运行时.取ω=0.015L――井筒斜长。
2.当下放侧满员而上升侧无人时时:(制动运行状态)
线路运行阻力:
W4-1=[q0+Q2/λ1]×(ωcosα0+sinα0)Lg =[1.47+75/12](0.015×cos26°+
Sin26°)×460×9.81 =5546N
W2-3=[q0+(Q2+Q)/λ1]×(ωcosα0-sinα0)Lg =[1.47+(75+15)/12](0.015×cos26°-
Sin26°)×460×9.81=-17199N
各点张力:
S3=Smin=14421NS4=1.01S3=14565N
S1=S4+W4-1=14565+5546=20111N
S2=S3-W2-3=14421+17199=31619N
三、驱动轮防滑校验
当下放侧无人乘座而上升侧满员乘座时,处于动力运行状态
且S1-S2>0S1/S2=33037/19581=1.69<еμα
(1.87)
当下放侧满员而上升侧无人时时:(制动运行状态)
且S2-S1>0S2/S1=31619/20111=1.57<еμα
(1.87)符合要求式中μ――钢丝绳与驱动轮衬垫摩擦系数.取μ=0.20 α――钢丝绳在驱动轮上的围包角。
四、电动机功率的计算
动力运行时:Nе=Kъ(S1-S2)υ/1000η
=1.5(33037-19581)×1.12/1000×0.85
=28.18KW
式中:Kъ――电动机功率备用系数.一般取Kъ=1.5
η――传动功率. η=0.85
制动运行时:Nе=Kъ(S2-S1)υ/1000η
=1.5(31619-20111)×1.12/1000×0.85
=24.10KW
选取电动机功率为37KW.
型号为:YB250M-6 37KWNe=980转/分。
额定电压380/660伏
五、牵引钢丝绳计算
SK=m×Smax
式中:SK--钢丝绳破断拉力总和.
m――钢丝绳的最低安全系数.取m=6Smax――最大张力点张力SK=6×33036.93=198222N
因此,选择钢丝绳6×19-Ф20
其钢丝绳破断拉力总和:207 KN 公称抗拉强度1570MPa。
六、重锤拉力计算
Si=S3+S4=14421+14565=28986N
采用双滑轮四绳牵引重锤:拉紧重锤重量为750kg
每块重锤重50Kg,共15块。
六、拉紧行程确定
Li=0.005LX2=0.005×460×2=4.6M
考虑富裕系数.,最终确定L=5M。