5S管理及看板管理
- 格式:ppt
- 大小:865.00 KB
- 文档页数:45
5S管理工具介绍1、看板管理看板就是表示出某工序何时需要何数量的某种物料的卡片,是传递信号的工具。
现场人员借助于看板,可以实现目视化管理,并利用形象直观,色彩适宜的各种视觉感知信息(表格、图形、数据、颜色)来组织、管理和改善现场生产活动,同时可以一目了然地发现异常状态及问题点的管理方式的一种管理工具——“用眼睛来管理”。
5S管理2、定点摄影是使用同一部相机站在同一地点、同一方向,将工厂的死角、不安全之处,不符合5S原则之处拍摄下来并张贴在大家都看得到的地方,激发大家改善的医院,并将改善后的结果再予以拍摄下来公布,使大家了解改善的成果。
3、油漆作战6S咨询服务中心油漆作战主要适用于清扫活动。
其实施要点是彻底清扫、修理修复、全面油漆,以创造清新宜人的工作场所,使老旧的场所、设备、用具等恢复如新,给员工以信心。
(1)油漆作战的准备和标准的制定通常包括以下几点内容:①、决定定向区域、设备等;②、对处理前的状况进行记录、照相等;③、标准的决定,即进行区域、通道的规划,决定不同场所所用尤其的颜色等;④、工具、材料的准备;⑤、参与人员和责任分档;⑥、学习涂刷油漆的方法等。
涂刷油漆的工作看似简单,实际操作起来还有很多具体的问题要解决。
比如涂刷油漆方法的学习就是很重要的一个方面,最好的办法是具体咨询油漆厂家,并根据专家指导制作一个油漆使用方法指导书,对涂刷前的处理、涂装用具、溶剂、涂层的厚度、干燥的时间、配色等方面进行说明。
(2)试验---示范区域、示范设备的实验。
在全面涂刷油漆之前,要选定一个示范区域或示范设备,按照事先决定的标准进行试验。
实验的目的是为了确定计划阶段所做的标准是否合适,实验后可以在听取多方面意见的基础上对计划中所列的标准进行修改。
(3)推广(2)(4)总结。
4、红牌作战红牌作战的实施没有一定的定势。
每个企业应该结合自身的实际特点与企业文化来推行红牌作战,具体确定本企业红牌作战的实施对象和实施方(1)红牌作战的实施对象红牌作战的实施对象是违反“三定原则”(定物、定位、定量)的问题,具体包括:工作场所中不要的物品、需要改善的事、地、物(设备、搬运车、踏板、工夹具、刀具、桌、椅、资料、模具、备品、材料、产品、空间等),有油污、不清洁的设备以及卫生死角。
生产现场5S管理规定生产现场5S管理规定XXXXX有限公司生产现场5s管理规定一、目的:为了营造一个舒适、清洁、和谐的工作环境和办公环境,打造一目了然的现场管理,规范员工的行为,进一步强化质量意识。
二、范围:适应公司所有部门和全体员工。
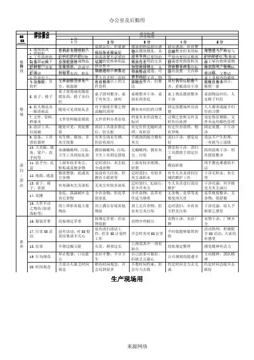
三、检查项目:1、制度建设:1.1、所有主管级的部门(办公楼各部门除外)皆有7S推行的组织结构,明确5S推行的人员,明确责任区域划分;1.2、根据公司现场管理规定,结合本部门的实际情况,可考虑建立适合本部门的现场管理规定,在现场管理规定上应明确检查要求、检查频次、检查记录表和违反规定的处罚措施;1.3、结合“事事有人管,人人有事管”的原则,每个部门的每件设备、工具、小车(周转车)、消防设施、门窗、水电、门锁等皆有明确的管理责任人,同时明确检查的频次。
2、地面清洁:2.1、所有地面24小时保持清洁,不允许存在超过5平方厘米的垃圾、头尾料、废弃物存在;2.2、生产过程中产生的铜粉,加工过程中产生飞屑、地面的余料在交接班时应及时清理;2.3、各种周转框、产成品搬迁后地面遗留垃圾在5分钟内清理完毕;2.4、办公室墙角没有蜘蛛网;2.5、红冲车间及机加工车间的模具、夹具、检具、各类产品等不能直接放置在地面上,需要通过胶皮、木方等物品垫住;3、物品摆放:3.1、严格按照划分区域、定点、定量、定容的要求摆放物品,并加以明显的标示;3.2、严禁私人物品,例如雨伞、工作服、水杯、手套等直接摆放在产品上,或直接放置在工作台上,应放在指定的位置,例如茶杯必须放入茶杯柜或架上,雨伞、雨衣等必须放入密封的箱子里面等;3.3、生产现场不允许带入零食、炒粉、盒饭等;允许带入液体饮料,但也必须放在抽屉里或箱子里面,不能直接放在桌面上或工作台上;3.4、车间内部各类周转工具、物品严禁占用通道,如果确属场地紧张需要临时摆放卸货也必须在5分钟内处理完毕,各部门的废料、铜糠铜屑要合理摆放,不可堆于机动车道或通道上;3.5、公共区域的各类通道严禁停车,确属工作需要,驾驶员必须在现场要做到随时开走;3.6、清洁用扫帚、拖把等在清洁后必须及时清洁,并悬挂摆放;3.7、仓库摆放的物品严禁有灰尘和脚印,物料按区域分开摆放;3.8、在检查过程中,发现随意、到处停放的小车、头尾料、各类周转工具等,未放到规定的位置,无人管理,直接处罚责任归属的主管,若已经明确被借用,直接处罚借用部门主管;4、看板管理:4.1、各部门看板(包含)确保真实、实时并且有效,不允许出现敷衍了事,看板不及时刷新、维护的现象;4.2、看板上应粘贴员工月度考核情况,近期质量状况,公司下发的各项管理制度和报表通知(制度下发的一周以内),让员工通过看板了解公司动态和管理者的要求等情况;5、物品清理:5.1、生产过程中产生的尾料、屑粉、压余(边角料)等应及时清理,当班结束后必须全部清理完毕;5.2、垃圾筒装满后不允许再堆放或溢出四周,当班结束时必须清理垃圾筒;5.3、调试模具、维修设备、生产结束时必须整理随身携带的工具和现场不使用的物品;5.4、不允许生产现场出现多余的垃圾桶、碎砖头、铁件等杂物;5.5、清理的铜屑铜粉中不能混有刀具、夹具、烟头等废弃物,必须保持铜屑铜粉的纯洁度;5.6、每个责任区域的玻璃必须干净,无破损,不允许出现大量灰尘现象;5.7、不允许随意把垃圾、废铁件、废夹具、废模具、废刀具等废弃物品乱倒、乱扔;6、员工行为:6.1、严格按照公司下发的《员工守则》、员工行为规范、厂服穿着与厂牌佩戴等管理制度执行;6.2、严禁人员坐在机台、办公桌及操作垫板上,严禁人员坐在周转车上或周转框内;6.3、质检人员进入工作现场必须佩戴”QC“标牌;6.4、红冲模具必须放置在专用运输车或手拿,严禁在地上滚动,决不允许用脚踢着走;6.5、严禁在上班时间内,员工围在一起聊天、抽烟、打闹等违反劳动纪律的行为;6.6、生产车间,不允许把板凳放倒坐,不允许直接坐在产品上,不允许直接坐在地上或蹲在地上等状态下工作;7、设备(计量器具)管理:7.1、除设备维护正常用油外,设备其余地方确保干净、整洁;7.2、长期不使用的设备、工装夹具等用塑料袋、帆布盖好;7.3、设备附近及表面有油污的,请及时用化油剂或除油粉清洗、擦干净;7.4、计测器具:例如磅称、卡尺、千分尺、仪表等必须经过计量或校准合格后才可以投入使用;7.5、其它具体参照相关设备管理制度;8、消防管理:8.1、每个车间消防栓确保有水,灭火器确保有效;8.2、灭火器应及时清扫,确保灭火器干净、整洁;8.3、红冲车间应该配置二个或以上的小型灭火器和沙子;各车间按照消防规定配置灭火器和沙子,确保有效;8.4、按照相关规定,消防器材应由保安队员负责点检,并留下点检记录;8.5、各个责任区域的消防栓不出现漏水,不允许私自撕下封条,不允许出现破损现象,若出现类似现象第一时间向公司行政部门报修;8.6、公司各部门的消防应急设备包括应急灯等要确保正常,在应急情况下可正常使用;9、后勤管理:9.1、宿舍区域各楼层垃圾每日清理,厂区内部公共厕所和宿舍区公共卫生间必须干净、无异味;9.2、饭堂、厨房内部、公共区域、公共休息区域应清洁、干净,地面无积水和垃圾;9.3、所有公共通道均无垃圾,无严重灰尘;9.4、所有公共厕所、公共卫生间、公共休息区域等需要点检场所,必须执行点检,确保设施的正常运行;9.5、其它具体参照相关宿舍管理规定;10、环保管理:10.1、每天排污要按程序对污水进行处理,不可直接排放;10.2、红冲车间不能出现严重黑色浓烟,不能因搓灰或排气等工作造成灰尘满天飞扬;10.3、生产各类用油(如:润滑油、液压油、柴油、乳化油等)不得直接排入水沟,生产过程中必须严密监控各设备的运行情况,发现问题及时处理,防止油污流入水沟,造成污染严肃处理;11、重点、基础工作的检查与执行:11.1、产品包装、标识管理规定(后续补充)执行检查物料包装及标识; 11.2、工艺流程纪律管理制度(后续补充)执行工艺流程、物料流通检查; 11.3、产品自检、巡检、抽检(后续补充)执行品质流程检查;11.4、其它规定后续补充完善;12、办公室5S检查内容:12.1、办公室桌面始终保持清洁、整齐,抽屉里物品分类摆放(包括车间办公室);12.2、文件夹用统一字体标识,文件夹内不允许存在灰尘,废弃作废、过时的文件,应及时清理;12.3、办公室里面不允许出现垃圾及废纸片,通道必须干净、整洁; 12.4、办公楼参照公司其它相关管理规定;四、检查与整改:1、由现场稽查小组带队,检查到某一区域,该区域负责人陪同,并现场解答问题,每周检查3次;2、检查过程中,用数码相机拍照,由公司现场管理稽查小组将进行书面整改报告发往责任部门,如果发生争议可以直接查找彩色相片(在收到整改报告后一个工作日内可查看);3、责任部门收到书面通报后立即组织整改,不得以任何理由或借口拒不进行整改;4、现场稽查小组负责相关需要整改工作的时间和结果的跟进;5、检查过程中发现不合格项目直接罚款,不再扣分:5.1、其中1至12项中一项不符合项扣责任主管10元,第二次检查仍未整改另扣责任主管20元;5.2、发现检查项目中关于环保管理不符合规定的,请示总经理处理,或者根据公司另行的制度处罚;5.3、发现检查项目中关于重点、基础工作的检查不符合规定时,按相关原制度处罚;五、评比与奖罚:1、所有处罚先期按以下方法执行:第一次只发整改通告,要求其限期整改,第二次检查时发现仍未进行整改者下发通报批评,并再次下发整改通知,要求限期整改,第三次检查时发现未进行整改者,处以2倍以上的罚款;从开始执行现场稽查制度计算三个月后为后期,按取消第二次通告批评,直接采取罚款处理;2、被稽查部门因违反相关制度被稽查小组责成罚款后,应主动在3个工作日张贴范围:公司各宣传橱窗发放范围:主任级以上人员、公司各级管理部门一线员工印发1份存档1份。
5S与目视化管理概论5S与目视化管理是两种在生产制造和服务领域中非常重要的管理方法。
5S管理是指将工作场所标准化、清洁化、整理化、条件性维护化、视觉化的管理方式,即整理、整顿、清扫、清洁、纪律5个关键词的缩写。
目视化管理,也被称为“看板管理”或“可视化管理”,是指通过使用各种视觉工具和技术来传递信息、监测和改善业绩的一种管理方法。
5S管理的目标是通过创建和维护一个有序、安全、高效的工作环境,来改善工作效率和质量。
通过整理、整顿、清扫、清洁和遵守纪律这五个步骤,消除潜在的浪费和隐患,并建立一个可视化的工作环境,使得员工能够快速找到需要的物品和信息。
5S管理强调持续改进和团队合作,使得整个团队都参与到管理和改善工作环境的过程中。
目视化管理则是通过使用各种工具和技术,如看板、流程图、图表和指示牌等,将关键信息和指示可视化展示出来。
这样可以帮助员工更好地理解工作流程和要求,及时发现问题和异常情况,并采取相应的措施加以解决。
目视化管理可以提高员工的意识和责任感,使得员工能够更好地管理自己的工作和任务,从而提高工作效率和质量。
5S和目视化管理之间存在着密切的联系和相互依赖。
5S管理提供了一个有序和干净的工作环境,为目视化管理提供了一个良好的基础。
而目视化管理则通过可视化展示关键信息和指示,帮助实现5S管理的目标和要求。
两者相辅相成,共同促进了组织的运作和绩效改善。
综上所述,5S和目视化管理是两种在生产制造和服务领域中非常重要的管理方法。
它们通过整理、整顿、清扫、清洁、纪律以及可视化展示关键信息和指示,帮助组织实现工作环境的有序、安全、高效,并提高工作效率和质量。
这两种管理方法相互依赖、相互促进,对于组织的运作和绩效改善具有重要的作用。
5S与目视化管理是现代企业管理中非常重要的两种方法,它们都以提高工作效率、降低成本和提升质量为目标,是实现精益生产和持续改进的重要工具。
首先,5S管理强调工作场所的整理、整顿、清扫、清洁和纪律。
5S考核评比五、安生有保障:建立一个安全及健康的工作环境,从而减少工
伤、杜绝火灾隐患;六、提升工作效率:优雅的工作环境、良好的工作气氛、高素养
的工作伙伴,让员工心情舒畅、工作潜力最大化;
七、品质有保障:杜绝马虎的工作态度、树立严谨认真的工作作风,降低产品不合格率。
5S推行方针板 (某某)公司会致力通过5S 活动,为员工建立既安全又舒适的工作环境,公司在不断开拓客户提高管理水平的同时,亦会致力确保员工的安全和健康;并希望借此促进同事间的互相了解、改善沟通及建立团队精神。
推进小组组长负责推行公司的5S活动,所有员工都要齐心协力对工作场所整理负有责任,大家必须同心协力,不断改善工作环境安全及健康。
5S推行目标一、提升企业形象:成为同行业的姣姣者、增强顾客的满意度;二、增强员工的归属感:通过5S 活动形成团队凝聚力,使员工树立:以厂为家的观念;三、组织活力化:提升员工的工作热情、积极性,从而改变员工的精神面貌;四、减少浪费、降低成本:体现在人力、场所、时间等方面,从而为公司增加利润;5管S 理看全员做清扫,环境真美好人人做整理,场地有条理。
5S管理看板在现代企业管理中,5S管理是一种旨在改善工作环境和提高工作效率的方法。
5S管理包括整理、整顿、清扫、清洁和素养,通过合理布置工作场所、规范操作流程和培养良好的工作习惯,实现工作环境的整洁有序和效率的提升。
而5S管理看板则是5S管理过程中不可或缺的工具之一,它既可以提供信息,又可以激发员工积极性,使得5S管理得以全面落实。
一、什么是5S管理看板5S管理看板是指在工作场所中用于显示、传达和记录有关5S管理的信息的看板。
它通常由一块固定在墙上、桌面上或设备上的看板板材,上面标注着关于5S管理相关的信息,并包括功能、责任、操作流程、改善计划等内容。
通过5S管理看板,管理者可以直观地了解到5S 管理的进展情况,员工也能够清晰地知道各项工作的具体要求。
二、5S管理看板的重要性5S管理看板在5S管理中扮演着至关重要的角色。
首先,5S管理看板可以提供必要的信息。
例如,在整理阶段,看板上可以标注物品归置的规范和要求;在整顿阶段,看板上可以列出各项工作任务和责任人员;在清扫和清洁阶段,看板上可以显示清洁工具的摆放位置等。
这些信息能够指导员工进行工作,确保5S管理的落实。
其次,5S管理看板可以激发员工积极性。
通过看板上的信息,员工能够清晰地知道各项工作的意义和重要性,增强责任感和工作动力。
看板上还可以统计和反馈工作的成果和改进情况,激发员工参与5S管理的积极性,形成良好的工作氛围。
三、5S管理看板的设计原则设计一块有效的5S管理看板需要符合一定的原则。
首先,简洁明了。
看板上的信息应该简洁明了,便于员工阅读和理解。
使用简练的文字和直观的图像,避免过于复杂的表达方式,确保信息传达的准确性和清晰性。
其次,醒目可见。
看板应该放置在员工易于看到的位置,例如工作区域的墙壁上或设备旁边。
看板上的字体和颜色也应该鲜明,以便员工自觉地关注和遵循相关的规范和要求。
再次,及时更新。
5S管理是一个不断改进和持续进行的过程,因此,看板上的信息应该及时更新,反映最新的工作进展和改进计划。
生产车间5S管理制度一、概述5S管理制度是一种基于“整理、整顿、清扫、清洁、素养”的管理方法,旨在提高生产车间的整体管理水平和工作环境,达到提高效率、降低成本、提升质量的目标。
二、内容1. 整理:(1)及时清理生产车间内的废弃物、杂物和不必要的工具、设备,确保工作区域整洁有序;(2)为每个物品设定固定位置,指定责任人进行管理,并及时进行更新记录;(3)减少无用的存货和备品备件,保持库房的整洁和有序,实行“先进先出”的原则。
2. 整顿:(1)对工作区域进行布置和标识,使工作区域的功能和流程清晰明了;(2)根据工作的需要,合理布置工具、设备和材料,提高工作效率;(3)使用标识牌和标志,明确工作区域的用途,标明工作标准和要求。
3. 清扫:(1)每天进行生产车间的日常清扫,保持工作环境的整洁和有序;(2)对设备、工具进行定期的清洗和养护,确保设备的正常运行和良好的使用状态;(3)对生产车间进行定期的灰尘和污垢清除,保持空气清新。
4. 清洁:(1)建立定期保养和维护设备的制度,减少故障和停机时间;(2)对生产设备进行定期的润滑、检查,确保设备的正常运行和延长使用寿命;(3)加强设备运行参数的监控和记录,及时发现问题并采取相应的措施。
5. 素养:(1)员工应接受相关的培训,了解5S管理制度的目的和重要性;(2)员工应按照规定的工作程序和标准进行工作,保持高度的工作纪律和责任心;(3)员工应主动参与和提出改进意见,共同提高生产车间的工作效率和质量。
三、执行1. 生产车间5S管理制度的执行由专门的管理人员负责,制定具体的工作计划和实施方案;2. 通过培训和宣传,提高员工对5S管理制度的认识和理解;3. 定期组织5S检查和评估,发现问题及时整改;4. 建立奖惩制度,激励员工积极主动参与5S管理;5. 不断改进和完善5S管理制度,提高管理水平和工作效率。
四、总结通过实施生产车间5S管理制度,可以提高生产车间的整体管理水平和工作环境,提高效率、降低成本、提升质量。
5s管理工具主要有哪些?
关于5S管理活动就是在现场改善活动中,对于最重要的因素企业的前途员工共同进行参与的观点,也就是以联系性改善作为其基础来开展5S活动。
所以5S管理的推行并不是口头上喊喊“整理”、“整顿”、“清扫”、“清洁”、“素养”,或者就其口号贴在墙上。
5S 的推行需要员工对其进行真正的了解,这一点非常重要,而在推行的过程中一些工具的使用也尤为重要。
下面就为大家介绍下5S管理的主要工具。
1、定置管理:所谓定置管理,就是对同一地点,面对同一方向,进行持续性的照相,其目的就是把现场不合理现象,包括作业、设备、流程与工作方法予以定点拍摄,并且进行连续性改善的一种手法。
2、红牌作战:所谓红牌作战就是使用红牌子,使工作人员都能一目了然地知道工厂的缺点在那里的整理方式,而贴红单的对象,包括库存、机器、设备及空间,使各级主管都能一眼看出什么东西是必须品,什么东西是多余的。
3、看板管理:所谓看板管理就是使工作现场人员,都能一眼就知道何处有什么东西,有多少的数量,同时亦可将整体管理的内容、流程以及订货、交货日程与工作排程,制作成看板,使工作人员易于了解,以进行必要的作业。
4、颜色管理:所谓颜色管理指的就是企业运用员工对颜色的分辨能力以及其中特有的联想力,将企业中复杂的管理问题用不同的颜色进行区分,以目视的方法以呈现这些问题的本质与问题的改善状况,从而使每一个员工都能够对问题拥有相同的认识以及了解。
5S管理看板规划简介5S管理是一种用于改善工作环境和提高工作效率的管理方法。
它源于日本制造业的实践,通过整理、排序、清洁、标准化和纪律化的方式来提高工作场所的组织、效率和安全性。
在5S管理中,看板是一种重要的工具,用于可视化工作流程、指示工作任务和跟踪绩效。
本文将介绍5S管理看板的规划过程,以帮助您有效地管理工作流程和提高团队的效率。
步骤一:确定需求在规划5S管理看板之前,首先需要明确您的需求和目标。
考虑以下问题来帮助您确定需求:1.您想要管理哪些工作流程或任务?2.您想要通过看板实现什么样的效果?3.您希望整理、排序、清洁、标准化和纪律化的目标是什么?4.您是否已经有一些想法或需求,例如提高生产力、减少错误或改善工作环境?对这些问题进行思考和讨论,并确保团队成员对需求和目标达成一致。
步骤二:设计看板布局一旦您明确了需求和目标,接下来需要设计看板的布局。
以下是一些设计看板布局的要点:1.确定看板的位置:看板应该放置在工作场所的易于访问和可见的位置,以便团队成员能够方便地查看和更新信息。
2.划分看板区域:可以将看板分为不同的区域,每个区域用于不同的工作流程或任务。
这样可以更好地组织信息并提高可读性。
3.确定看板的列和行:列代表不同的工作阶段或状态,行代表不同的任务或工作项。
根据您的需求和工作流程的特点,设计适合的列和行。
4.使用颜色和标记:使用不同的颜色和标记来区分不同类型的任务、工作优先级或其他相关信息。
这样可以更好地分类和识别任务。
5.添加头部和尾部:在看板的头部添加标题和说明,可以帮助团队成员快速了解看板的目的和使用方法。
在看板的尾部添加绩效指标或其他评估工具,可以帮助跟踪绩效和改进工作流程。
步骤三:创建看板卡片设计好看板的布局后,接下来需要创建看板卡片来表示不同的任务或工作项。
以下是一些建议:1.使用卡片代表任务:每个任务或工作项都应该用一个独立的卡片来表示。
卡片上应该包含任务的相关信息,例如任务名称、负责人、截止日期等。
5S管理工具之看板管理在企业管理中,5S管理工具是一种简单而有效的方法,可用于提升工作场所的整体效率和组织能力。
其中之一重要的工具就是看板管理。
看板管理是一种基于可视化的方式,以便团队成员可以迅速了解工作任务和进度,并促进信息的流通和沟通。
本文将介绍看板管理的基本概念、实施步骤和使用方法,以帮助企业更好地运用5S管理工具。
看板管理最初起源于丰田生产系统,用于管理生产线上的工作进度和任务分配。
后来,它被广泛运用于各类工作环境,包括生产制造、项目管理、办公室等。
看板管理的核心思想是通过可视化的方式,提供清晰的信息和指示,以便团队成员能够快速了解工作任务和进度,并且能够及时反馈问题和解决方案。
要实施看板管理,首先需要准备好适当的看板。
看板可以是物理的,如在墙上挂起的大型白板;也可以是电子的,如使用项目管理软件或在线工具。
看板上通常会分为不同的区域,代表不同的工作阶段或任务类型。
每个任务或工作项会用卡片或便签的形式表示,包括工作描述、负责人、进度等信息。
团队成员可以根据需要自由地移动和调整卡片的位置,以反映工作的进展情况。
在使用看板管理的过程中,有几个关键的步骤需要注意。
首先是确定工作流程和任务的分类。
根据具体的工作环境和需求,将任务按照不同的阶段或类型进行分类,并在看板上相应地创建不同的区域。
这样可以帮助团队成员更清楚地了解工作进展和任务的依赖关系。
第二个步骤是明确任务的描述和标准。
每个任务或工作项应该具有清晰的描述和明确的标准,以便团队成员能够准确理解和执行。
这可以避免任务执行过程中的误解和偏差,提高工作的准确性和效率。
第三个步骤是设定任务的优先级和截止日期。
根据任务的重要性和紧急性,为每个任务设定相应的优先级和截止日期。
这可以帮助团队成员更好地安排工作,避免任务拖延或交叉进行。
第四个步骤是定期进行看板的更新和维护。
看板是一个动态的工具,需要根据任务的完成情况和变化进行及时更新。
团队成员应该定期检查看板,更新任务的进度和状态,并及时反馈问题和解决方案。