企业在建工程项目汇总表
- 格式:doc
- 大小:84.00 KB
- 文档页数:5
四川省建筑施工企业安全生产标准化考评办法第一条为深入推进我省建筑施工安全生产标准化建设,提高全省建筑施工企业及施工项目安全生产管理水平,根据《安全生产许可证条例》、《国务院关于进一步加强企业安全生产工作的通知》(国发[]号)、《住房城乡建设部办公厅关于开展建筑施工安全生产标准化考评工作的指导意见》(建办质[]号)等文件和相关标准规范要求,制定本办法。
第二条我省建筑施工企业及外省入川施工企业在川承接的在建项目的安全生产标准化考评适用本办法。
第三条本办法所称建筑施工企业安全生产标准化,是指建筑施工企业通过建立安全生产责任制,制定安全管理制度和操作规程,排查治理隐患和监控重大危险源,建立预防机制,规范生产行为,使各生产环节符合有关安全生产法律法规和标准规范的要求,人、机、物、环处于良好的生产状态,并持续改进,不断加强企业安全生产规范化建设。
第四条本办法所称建筑施工企业安全生产标准化考评(以下简称施工企业安全标准化考评),是指县级以上住房城乡建设行政主管部门(以下简称考评主管部门),依据《建设工程安全生产管理条例》等法律法规以及《施工企业安全生产管理规范》()、《施工企业安全生产评价标准》()、《建筑施工安全检查标准》()和《企业安全生产标准化基本规范》()等现行标准规范,对建筑施工企业安全生产和在建项目安全生产标准化进行检查考评,促进建筑施工企业逐步实现安全生产标准化达标。
第五条建筑施工企业安全标准化考评按照属地管理和层级监督相结合的原则进行。
省住房城乡建设行政主管部门负责特级、省属一级建筑施工企业和在省工商局注册的建筑施工企业的安全标准化的考评,具体工作委托省建设工程质量安全监督总站负责实施。
市(州)、县级住房城乡建设行政主管部门负责在本行政区域内工商注册的建筑施工企业的安全标准化考评,具体工作委托当地建设工程安全监督机构负责实施。
第六条建筑施工企业安全标准化考评按照企业自评、申请、考评、公示的程序进行。
表一:建筑工程项目基本情况表
填写人:王振填写日期:2015年7月27日审核人:
审核日期:
表二:建筑工程项目汇总表
表三:建筑工程项目前期检查表
项目名称:亳州市谯城区工业园区临时汽车客运西站
单项工程名称:亳州市临时客运西站场地硬化工程单项工程编号:表三-1
表三:建筑工程项目前期检查表
项目名称:亳州市谯城区工业园区临时汽车客运西站
单项工程名称:亳州市临时客运西站房建及排水工程单项工程编号:表三-2
表四:建筑工程项目实施阶段检查表
项目名称:亳州市谯城区工业园区临时汽车客运西站 单项工程名称:亳州市临时客运西站场地硬化工程 标段名称:临时客运西站场地硬化工程
招
标
投
标
单项工程编号:表三-1 标段工程编号:表四-1
表四:建筑工程项目实施阶段检查表
项目名称:亳州市谯城区工业园区临时汽车客运西站 单项工程名称:房建及排水工程 标段名称:亳州市临时客运西站房建及排水工程
招
标
投
标
单项工程编号:表三-2 标段工程编号:表四-2
表五:建筑工程项目竣工验收检查表
项目名称:亳州市谯城区工业园区临时汽车客运西站单项工程名称:亳州市临时客运西站土地硬化
项目竣工
验收阶段
表五:建筑工程项目竣工验收检查表
项目名称:亳州市谯城区工业园区临时汽车客运西站单项工程名称:亳州市临时客运西站房建及排水
项目竣工
验收阶段。
附表1-1建筑施工安全生产标准化工程项目月自评情况汇总表(_年_月)工程项目名称:自评机构检查时间年月日注:1、本表应按《建筑施工安全检查标准》(JGJ59)进行检查,附相应《建筑施工安全分项检查评分表》,如《安全管理检查评分表》等。
- 20 -2、本表一式两份,项目部、施工企业各一份,从“工程项目监管系统”中下载打印。
附表1-2建筑施工企业施工项目安全生产标准化工作季度检查表(_年第_季度)工程项目名称:西兴楼(B)地块建筑施工企业安全生产管理机构检查时间年月- 21 -注:1、本表应按《建筑施工安全检查标准》(JGJ59)进行检查,附相应《建筑施工安全分项检查评分表》,如《安全管理检查评分表》等。
2、本表一式三份,项目部、施工企业、项目考评主体各一份。
- 22 -附表1-3福建省建筑施工安全生产标准化项目自评表项目名称:项目地点:申请单位:(盖章)提交日期:年月日福建省住房和城乡建设厅注:1、本表一式两份:施工企业、项目考评机构各一份,从“工程项目监管系统”中下载打印。
2、提交时间以“工程项目监管系统”确认的时间为准。
附表1-4福建省建筑施工安全生产标准化项目考评申请表项目名称:项目地点:自评单位:(盖章)提交日期:年月日福建省住房和城乡建设厅注:1、本表一式两份:施工企业、项目考评主体各一份,从“工程项目监管系统”下载。
2、惩戒情况:包括限期改正及全面或局部停工整改、通报批评和行政处罚等。
3、提交日期以“工程项目监管系统”确认的时间为准。
附表1-5福建省建筑施工安全生产标准化项目考评结果公示书(编号:)(责任单位):你单位报送的项目,在你单位自评基础上,依据“工程项目监管系统”归集的考评有关材料,对项目安全生产标准化工作进行评定,经考评,该项目考评结果为:,现予以公示,公示期为年月日至年月日。
不合格理由:考评单位(公章):年月日注:1、本公示书可从“工程项目监管系统”下载。
2、建筑施工企业对公示的考评结果有异议的应按本《实施细则》第十七条提出异议申请。
建筑业企业施工总承包特级资质标准信息化考评细则一、考评原则1.应用为主、功能为辅。
考评企业信息化,不要过分追求系统功能,只要企业达到考评标准的主要功能要求,重在考察企业信息系统的应用情况。
对于那些企业投入大量资金建立的信息系统,而在企业日常管理中得不到真正应用的现象,尤其是只为申报企业资质建立信息系统的行为,要坚决反对。
2.强调效果。
考评企业信息化,重在考察信息化对企业工作效率、管理水平等方面的提升,防止将企业信息化做成“面子工程"。
3.注重内容,避免教条.考评企业信息化,主要评价企业信息系统的功能及其内涵是否满足本标准的要求.对于那些功能名称和按照各自企业的管理流程建立的,且与本标准功能编排不一致的信息系统,以及能够达到本标准功能主要要求且非本标准限定的基础设施、网络环境和安全保障等,都不应作为扣分的依据。
4.重视规划,建好标准.考评企业信息化,不仅要考察企业的应用成效、系统功能,还应考评企业信息化建设规划以及标准体系。
5.保证数据真实可靠。
考评时应采用必要的科学、实用手段,认真检查系统数据与实际业务数据的一致性,防止伪造系统数据。
6.遵守诚信.企业必须按照考评要求,如实提供企业信息化资料。
对于提供虚假资料的企业,信息化考评专家组应及时上报有关主管部门,情况严重者,可以直接判定其信息化考评不达标。
7.考评为主,汇报为辅。
考评企业信息化,考评专家应亲临企业,进入信息系统进行操作检查,不能只听企业的口头汇报。
二、考评程序考评专家组将按照如下的程序对企业信息化进行考评(考评顺序由专家组自行决定)。
1.阅读企业上报的企业信息化建设情况介绍,审查企业填报的信息化考评自评表,通过企业网站了解企业基本情况,同时检查企业网站各栏目设置和内容更新情况。
2。
实地考察:1)听取企业信息化总体情况介绍,主要包括以下几方面的内容:①信息化建设的基本情况:包括企业信息化整体规划及实施情况、信息化标准建设及编码体系建设等。
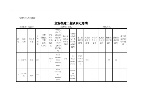
企业在建工程项目汇总表1. 引言企业在建工程项目汇总表是企业管理在建工程的一种基本手段,项目汇总表可以帮助企业全面了解在建项目的情况,高效、有序地展开项目的组织、管理、监督和验收等工作。
本文将为读者介绍企业在建工程项目汇总表的主要内容与格式。
2. 企业在建工程项目汇总表的主要内容2.1 项目基本信息在企业在建工程项目汇总表中,每项在建工程项目都应包括如下基本信息:项目名称、建设地点、项目基础条件、项目编号、立项时间、建设单位、施工单位、主要工程量、计划完成时间、实际进度、项目负责人以及在建状态等。
2.2 项目经济情况在建工程项目的经济情况是企业关注的重点,因为这直接关系到企业的利益。
因此,企业在建工程项目汇总表中还需要包括如下信息:总投资、工程造价、实际成本、结算情况、财务状况等。
2.3 项目进度和质量情况在建工程项目汇总表中,需要记录如下内容:规划进度、阶段性进度、实际进度、整体质量评估和质量问题整改等。
项目进度和质量是项目的关键指标,企业在建工程项目汇总表在监督和整改上面应及时更新,及时处理确保项目运行顺利。
2.4 项目特殊情况在建工程项目中有时候会发生一些特殊情况,如:自然灾害、人为因素、法律问题等。
企业在建工程项目汇总表也需要包括针对项目特殊情况的记录。
这些记录有利于项目的追溯和质量评估,并且可以为项目管理提供实际参考价值。
3. 企业在建工程项目汇总表的格式3.1 汇总表的主要构成企业在建工程项目汇总表应该由以下几个部分构成:表头、表格、项目明细等。
表头:包括企业名称、所属单位、填报日期、表头标题等基本信息。
表格:由若干个列组成,每列代表一个字段。
常见字段包括:项目名称、项目编号、建设地点、总投资、施工单位、负责人、实际进度等。
项目明细:为详细记录项目的各项信息,包括质量问题,监理整改等。
3.2 表格的设计企业在建工程项目汇总表的表格应该满足如下要求:•设计简洁,明确列况;•列宽适当,便于阅读;•居中对齐,整齐美观;•给予不同的项目不同的颜色标识4.企业在建工程项目汇总表是企业重要的管理工具,可以帮助企业有效地进行在建工程的监督、管理、验收等工作。
公司在建工程项目汇总表公司名称:(盖印)邵阳市建华建筑工程有限公司在建项目个数:4个工程工动工时间项目负责人及专职安全员及安全生产规模及技术负责人序项目所程建筑师证注册编号、施工员及 质量员及项目名称工程 及形象进 及职称证书安全生产查核标准化考 号在地类度 安全生产查核合格合格证编号证书编号证书编号造价 编号评状况别证编号(万元)总建筑面夏正杰,建筑师证注黄庆,安全生产查核新华茗苑积合格证编号:湘建安C房册编号:湘(2015)090000368冒城,证书编号:(原汽制2016年4夏芳云,证书编号:1邵阳市屋三村棚户㎡,工程月18日罗钰夏炎,安全生产查核合格双清区 建生产查核合格证编合格证编号:湘建安黄志军:证书编号:区改造安造价号:湘建安B(2014)C筑(2014)090000047置小区)090000134万元邵阳市荷总建筑面张有能,建筑师证注 曾德民,安全生产查核园小区1#、积王强 合格证编号:湘建安C房册编号:湘2#、3#、职称证书编 (2014)090000194 张莹,证书编号:243131323159,安全邵阳市屋2016年10 号::08031赵涛,安全生产查核张颗祥,证书编号:24#-a 、建㎡,工程生产查核合格证编 呙海波,证书编号: 合格大祥区月8日05000000014#-b 、5#、筑造价号:湘建安B(2013)合格证编号:湘建安C6#楼及地51(2015)090000956090000411下车库3万元总建筑面吴艾军,建筑师证注邓宇峰,安全生产查核黄睿波,证书编号:积李蜀 合格证编号:湘建安 C祥铁新苑房册编号:湘职称证书编(2014)090000192左丹丹,证书编号:243111215875,安全邵阳市 屋 2015年10夏梦琦,证书编号:31#院住所建㎡,工程 生产查核合格证编 号:姚丽君,安全生产查核合格大祥区月15日B081130101 合格证编号:湘建安潘艳华,证书编号:小区造价号:湘建安B(2012)C筑17021064 00000087(2014)090000397陈志方,证书编号:090000122万元总建筑面朱思梦,安全生产查核邵阳市体肖硕建,建筑师证注 合格证编号:湘建安 C育中心安 积蒋连昆(2015)090000367房册编号:湘置小区(紫 邵阳市2016年4 职称证书编 呙海蛟,安全生产查核 黄华飞,证书编号: 龙鹏,证书编号:屋 ,安全4大祥区㎡,工程 月19日号: 合格证编号:湘建安合格霞星苑7# 建 生产查核合格证编造价B080930105(2011)090000555楼施工工筑号:湘建安B(2014)2686655200000159程).41万元090000280。
建筑业企业施工总承包特级资质标准信息化考评细则一、考评原则1. 应用为主、功能为辅。
考评企业信息化~不要过分追求系统功能~只要企业达到考评标准的主要功能要求~重在考察企业信息系统的应用情况。
对于那些企业投入大量资金建立的信息系统~而在企业日常管理中得不到真正应用的现象~尤其是只为申报企业资质~建立信息系统的行为~要坚决反对。
2. 强调效果。
考评企业信息化~重在考察信息化对企业工作效率、管理水平等方面的提升~防止将企业信息化做成‚面子工程?。
3. 注重内容~避免教条。
考评企业信息化~主要评价企业信息系统的功能及其内涵是否满足本标准的要求。
对于那些功能名称和按照各自企业的管理流程建立的~且与本标准功能编排不一致的信息系统~以及能够达到本标准功能主要要求且非本标准限定的基础设施、网络环境和安全保障等~都不应作为扣分的依据。
4. 重视规划~建好标准。
考评企业信息化~不仅要考察企业的应用成效、系统功能~还应考评企业信息化建设规划以及标准体系。
5. 保证数据真实可靠。
考评时应采用必要的可以采用的科学、实用手段~认真检查系统数据与实际业务数据的一致性~防止伪造系统数据。
6. 遵守诚信。
企业必须按照考评要求~如实提供企业信息化资料。
对于提供虚假资料的企业~信息化考评专家组应及时上报有关主管部门~情况严重者~可以直接判定其信息化考评不达标。
7. 考评为主~汇报为辅。
考评企业信息化~考评专家应亲临企业~进入信息系统进行操作检查~不能只听企业的口头汇报。
二、考评程序1、阅读企业上报的企业信息化建设情况介绍~通过企业网站了解企业基本情况~同时检查企业网站各栏目设臵和内容更新情况。
2、实地考察:1、听取企业信息化总体情况介绍~主要包括以下几方面的内容:1,信息化建设的基本情况:包括企业信息化整体规划及实施情况、信息化标准建设及编码体系建设等。
2,应用效果:企业实施信息化后的工作效率及管理效益的提升等。
12、系统检查:企业对照标准介绍系统功能~专家质疑并根据系统运行情况进行打分。
建筑公司工程施工计划表项目名称:XXX建筑项目项目地址:XXX地区项目总工期:XXX天项目负责人:XXX施工单位:XXX建筑公司施工单位负责人:XXX一、项目概况本项目是一座商业综合体建设项目,总建筑面积XXX平方米,包括商业街、写字楼、酒店及停车场等多个功能区域。
项目的设计符合环保节能的原则,预计施工周期为XXX天。
二、施工准备阶段1.勘察阶段(第1-10天)1)完成现场勘察、土质分析等准备工作;2)制定施工方案、技术标准及施工计划;3)与设计单位、监理单位、相关部门进行沟通、协调。
2.设计审核阶段(第11-20天)1)对设计方案进行详细审查、修改;2)开展安全评估、环保评估等工作;3)编制施工图、施工图审批。
3.物资采购阶段(第21-30天)1)制定采购计划,预先统筹物资采购;2)与供应商签订合同,确定供货时间;3)安排负责人监督物资采购进度。
三、施工阶段1.土建施工(第31-100天)1)进行场地平整、基础施工等土建工程;2)开展主体结构施工,确保结构安全稳定;3)安排专人监督现场施工过程,确保工程质量。
2.装饰施工(第101-180天)1)进行室内外装饰装修工程;2)安排专业团队进行布线、安装等工作;3)确保装修材料符合环保标准。
3.设备安装(第181-220天)1)安装空调、消防设备等设备;2)调试设备,确保设备正常运行;3)进行设备验收、保养等工作。
四、收尾阶段1.设备调试(第221-230天)1)进行设备的系统联调,保障设备运行正常;2)进行系统性能测试,协助用户进行操作培训;3)编制设备使用说明书,交付用户。
2.工程验收(第231-240天)1)对整体工程进行验收;2)整理施工资料,归档存档;3)协助用户开展移交工作。
3.项目竣工阶段(第241-250天)1)撤离施工人员,清理施工现场;2)进行项目总结、经验反馈;3)组织竣工验收,完成相关手续。
五、风险管理1.遇到恶劣天气,采取适当措施保障施工进度;2.严格执行安全生产规定,确保施工现场安全;3.监督施工材料质量,防止假冒伪劣产品进入工地。
企业在建工程项目汇总表企业名称:资兴市东江建筑发展有限公司(盖章)在建项目个数:4 填报时间:2014.3.25序号项目名称项目所在地工程类别工程规模及工程造价(万元)开工时间及形象进度项目负责人及建造师证注册编号、安全生产考核合格证编号技术负责人及职称证书编号专职安全员及安全生产考核合格证编号施工员及证书编号质量员及证书编号标准员及证书编号机械员及证书编号材料员及证书编号资料员及证书编号施工现场达标验收情况1 郴州兴荣高新科技园综合楼工程资兴江北工业园房建7700㎡/6972013.7/装饰装修王伟生湘243111217171湘建安B(2012)060000184邵湘民A0802119936000044罗湘煌湘建安C(2012)060000083刘永飞111011101165陈平昌111041100641夏剑111101100216王任华111071200014罗湘志111091100454肖伟民1110611004282 鲤鱼江栗脚村荷基塘组城中村改造项目资兴市鲤鱼江房建30000㎡/18002013.11.18/基础刘丰华湘243060803455湘建安B(2009)060000036王任华B08083011200000079李丽芳湘建安C(2012)060000085黄戊祥111021200028何二平111041100600彭壁可111101100297李勇111071100177谢峰111091100462彭玉周1110611002253 资兴市机关事务管理局公租房资兴市新区房建1800㎡/1842013.12/主体一层张猷进湘243060803458湘建安B(20)邵义果B08021100000000376张锟鹏湘建安C(2005)060000469廖资敢111011101155邵方敏111041300144何跃胜111101100215廖志力111091100448邓光宙111091100457廖剑斌1110611004234 资兴市中央下放煤矿十七标资兴市新区房建12800㎡/8062013.5/装饰装修蒋宏伟湘243091012027湘建安(B)060000130张仁义B08011100000000247谭波湘建安C(2010)060000171吴红兵111011101173王宏111041100602周智锋111101100298黄勇111071100176欧阳华117091101870罗湘志111061100425企业未开工、停工、完工项目汇总表企业名称:资兴市东江建筑发展有限公司(盖章)在建项目个数: 4 填报时间:2014.3.25序号项目名称项目所在地工程类别工程规模及工程造价(万元)开工时间及形象进度项目负责人及建造师证注册编号、安全生产考核合格证编号技术负责人及职称证书编号专职安全员及安全生产考核合格证编号施工员及证书编号质量员及证书编号标准员及证书编号机械员及证书编号材料员及证书编号资料员及证书编号施工现场达标验收情况1 雄森豪廷酒店多功能厅资兴市鲤鱼江房建900㎡/2002013.9.8完工王伟生湘243111217171湘建安B(2012)060000184邵湘民A08021919936000044罗湘煌湘建安C(2012)060000083邵利华111011200210邵方敏111041300144何跃胜111101100215王任华111071200014邵义果111091100447彭玉周111061100225合格2 桂园山庄4#-6#栋资兴市凉树湾房建8569㎡/4792011.11.21完工罗湘志湘243060803456湘建安B(2004)06000397肖伟民B08083011200000091袁伍学湘建安C(2010)060000170罗湘煌111011101170王伟生111041100606陈平昌111101100218王任华111071200014邓光宙111091100457彭玉周111061100225合格3 桂园山庄7#、8#、9#栋资兴市凉树湾房建17087㎡/14692012.11.21罗湘志湘243060803456湘建安B(2004)06000397肖伟民B08083011200000091袁伍学湘建安C(2010)060000170罗湘煌111011101170王伟生111041100606陈平昌111101100218王任华111071200014邓光宙111091100457彭玉周11106110022合格公司完工工程无备案资料项目一览表序号工程名称建设单位项目属地所在地施工企业名称合格价格合同日期开工安全日期竣工日期1 桂园山庄7#、8#、9#栋资兴市鸿辉房地产有限公司资兴资兴市凉树湾资兴市东江建筑发展有限公司1469万元2012.11.21 2013.10.212 雄森豪廷酒店多功能厅资兴市鸿亿地产开发有限公司资兴资兴市鲤鱼江资兴市东江建筑发展有限公司200万元2013.9.8 2013.11.83 桂园山庄4#-6#栋资兴市鸿辉房地产有限公司资兴资兴市凉树湾资兴市东江建筑发展有限公司479万元2011.11.21 2012.8.1建筑施工安全检查评分汇总表企业名称:经济类型:资质等级:单位工程(施工现场)名称建筑面积(㎡)结构类型总计得分(满分分值100分)项目名称及分值安全管理(满分分值为10分)文明施工(满分分值为20分)脚手架(满分分值为 10分)基坑支护与模板工程(满分分值为 10分)“三宝”、“四口”防护(满分分值为 10分)施工用电(满分分值为10分)物料提升机与外用电梯(满分分值为10分)塔吊(满分分值为10分)起重吊装(满分分值为5分)施工机具(满分分值为5分)评语:检查单位负责人受检项目项目经理年月日建筑施工现场安全质量标准化阶段性评定表申报单位:申报时间:年月日工程名称频道阶段景结构形式工程规模部分工程完成比例工程项目自查以及整改情况附自查和整改汇总目录:项目负责人:(签字)施工企业现场考核意见附施工企业考核评分汇总表:达标考核组组长组员:企业负责人:(签字)建设单位评价意见建设单位现场代表:(签章)工程监理评价意见总监理工程师:(签章)日常监督评价情况下发隐患整改通知次数:下发停工整改通知次数:记录一般不良行为次数:记录严重不良行为次数:项目安全监督工程师:验收评定小组阶段性评定结果复查时间复查评分最终评分根据《建筑施工安全检查标准》(JGJ59-99)该项目施工阶段性动态评定等级为:达标验收组组长:安全监督机构:(签章)组员:注:本表1式3份,施工企业、监督科室、评定小组办公室各留存1份。