防水涂料检验批质量验收记录表
- 格式:docx
- 大小:25.83 KB
- 文档页数:25
φεδχβ外墙砂浆防水报审、报验表B 2001工程名称项目工程致:(项目监理机构)我方已完成某某建设项目外墙砂浆防水工作,请予以审查或验收。
附件:φεδχβ隐蔽工程质量检验资料φεδχβ检验批质量检验资料φεδχβ分项工程质量检验资料φεδχβ施工试验室证明资料φεδχβ其他施工项目经理部(盖章)项目技术负责人(签字):年 月 日审查或验收意见:项目监理机构(盖章)专业监理工程师(签字):外墙砂浆防水检验批质量验收记录03030101001单位(子单位)工程名称项目工程分部(子分部)工程名称建筑装饰装修(外墙防水工程)分项工程名称外墙砂浆防水施工单位项目负责人检验批容量分包单位分包单位项目负责人检验批部位某某建设项目施工依据《建筑外墙防水工程技术规程》JGJ/235-2011验收依据《建筑装饰装修工程质量验收规范》GB50210-2018主控项目验收项目设计要求及规范规定最小/实际抽样数量检查记录检查结果1砂浆品种及性能第5.2.1条/2砂浆防水层细部做法第5.2.2条/3砂浆防水层第5.2.3条/4各防水层粘结牢固第5.2.4条/一般项目1砂浆防水层表面质量第5.2.5条/2砂浆防水层施工缝位置及施工方法第5.2.6条/3砂浆防水层厚度第5.2.7条/施工单位检查结果专业工长:项目专业质量检查员:年 月 日监理单位验收结论专业监理工程师:φεδχβ外墙涂膜防水报审、报验表B 2001工程名称项目工程致:(项目监理机构)我方已完成某某建设项目外墙涂膜防水工作,请予以审查或验收。
附件:φεδχβ隐蔽工程质量检验资料φεδχβ检验批质量检验资料φεδχβ分项工程质量检验资料φεδχβ施工试验室证明资料φεδχβ其他施工项目经理部(盖章)项目技术负责人(签字):年 月 日审查或验收意见:项目监理机构(盖章)专业监理工程师(签字):外墙涂膜防水检验批质量验收记录03030201001单位(子单位)工程名称项目工程分部(子分部)工程名称建筑装饰装修(外墙防水工程)分项工程名称涂膜防水施工单位项目负责人检验批容量分包单位分包单位项目负责人检验批部位某某建设项目施工依据《建筑外墙防水工程技术规程》JGJ/235-2011验收依据《建筑装饰装修工程质量验收规范》GB50210-2018主控项目验收项目设计要求及规范规定最小/实际抽样数量检查记录检查结果1防水涂料及配套材料品种及性能第5.3.1条/2涂膜防水层细部做法第5.3.2条/3涂膜防水层第5.3.3条/4涂膜防水层与基层第5.3.4条/一般项目1涂膜防水层表面质量第5.3.5条/ 2涂膜防水层厚度第5.3.6条/施工单位检查结果专业工长:项目专业质量检查员:年月日监理单位验收结论专业监理工程师:φεδχβ外墙透气膜防水报审、报验表B 2001工程名称项目工程致:(项目监理机构)我方已完成某某建设项目外墙透气膜防水工作,请予以审查或验收。
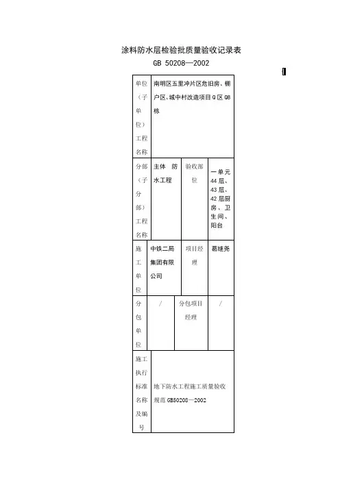
涂料防水层检验批质量验收记录表
GB 50208—2002
涂料防水层检验批质量验收记录表
GB 50208—2002
涂料防水层检验批质量验收记录表
GB 50208-2002
涂料防水层检验批质量验收记录表
GB 50208—2002
涂料防水层检验批质量验收记录表
GB 50208-2002
涂料防水层检验批质量验收记录表
GB 50208—2002
涂料防水层检验批质量验收记录表
GB 50208—2002
涂料防水层检验批质量验收记录表
GB 50208-2002
涂料防水层检验批质量验收记录表
GB 50208-2002
涂料防水层检验批质量验收记录表
GB 50208—2002
涂料防水层检验批质量验收记录表
GB 50208—2002
涂料防水层检验批质量验收记录表
GB 50208—2002
涂料防水层检验批质量验收记录表
GB 50208—2002。
地下涂料防水层质量检验批质量验收记录一、项目基本信息:项目名称:地下涂料防水层施工项目地点:xxx地区验收日期:xxxx年xx月xx日验收单位:xxx公司二、验收前准备工作1.本次验收的地下涂料防水层包括防水材料、施工工艺及施工质量三个方面的验收。
2.验收前,施工方提供施工材料、施工方法、施工方案、验收标准等相关文件。
3.验收前,施工方提供施工记录和材料检测报告等相关资料。
三、防水材料验收1.材料种类:(列举所采用的地下涂料防水材料及材料规格)2.材料验收项目及合格标准:(根据相关标准列举验收项目及合格标准)3.验收结果:(根据材料抽样检测报告,列举每个材料的验收结果,如合格、不合格等)四、施工工艺验收1.施工工艺:(根据施工方提供的施工工艺进行验收)2.验收项目及合格标准:(根据相关标准列举验收项目及合格标准)3.验收结果:(根据施工记录,列举每个施工工艺的验收结果,如合格、不合格等)五、施工质量验收1.施工质量验收项目及合格标准:(根据相关标准列举验收项目及合格标准)2.验收结果:(根据施工记录,列举每个施工质量的验收结果,如合格、不合格等)六、验收结论1.经过对地下涂料防水层的材料、施工工艺和施工质量进行检验,结果如下:(列举每个方面的验收结果,如合格、不合格等)2.依据相关标准及验收结果,地下涂料防水层质量达到或超过了规定的验收标准。
七、存在的问题及处理意见1.根据验收情况,列举存在的问题及处理意见。
2.要求施工方进行整改,并对整改措施进行记录。
八、本次验收的监督人员签字监督人员姓名:(签字)监督人员职务:(签字)。
屋顶防水工程检验批质量验收记录表填表说明本表用于记录屋顶防水工程的质量验收情况。
请施工单位按照要求填写相关信息,并由监理单位进行审核确认。
基本信息- 工程名称:[填写工程名称]- 施工单位:[填写施工单位]- 监理单位:[填写监理单位]- 验收日期:[填写验收日期]检验批信息检验批编号:[填写检验批编号]施工工艺及材料验收:1. 屋面防水卷材:[填写防水卷材型号、规格、数量等信息]2. 防水涂料:[填写防水涂料牌号、涂刷厚度、施工面积等信息]3. 其他材料:[列举其他使用的防水工程材料,包括名称、牌号、规格等信息]施工工艺及质量验收:1. 防水层铺设:[填写施工工艺及方法、施工面积、铺设质量等信息]2. 接缝处理:[填写接缝处理方法、处理质量等信息]3. 排水系统:[填写排水系统设计、施工质量等信息]4. 其他工艺及质量要求:[列举其他需要验收的工艺及质量要求,包括施工方法、材料使用等信息]检验结果与评定施工工艺及材料验收:1. 屋面防水卷材:[填写验收结果,合格或不合格,并说明原因]2. 防水涂料:[填写验收结果,合格或不合格,并说明原因]3. 其他材料:[填写验收结果,合格或不合格,并说明原因]施工工艺及质量验收:1. 防水层铺设:[填写验收结果,合格或不合格,并说明原因]2. 接缝处理:[填写验收结果,合格或不合格,并说明原因]3. 排水系统:[填写验收结果,合格或不合格,并说明原因]4. 其他工艺及质量要求:[填写验收结果,合格或不合格,并说明原因]备注[填写备注信息,如存在问题及整改情况等]签字- 施工单位负责人签字:____________________- 监理单位负责人签字:____________________- 验收人员签字:____________________。
涂料防水层检验批质量验收记录一、项目概述为确保建筑物涂料防水层的质量,本次进行了涂料防水层检验批的质量验收。
本文档旨在记录质量验收的过程和结果,以供后续参考和审查。
二、验收人员及时间验收人员:xxx(职务)验收时间:xxxx年xx月xx日三、检验项目及标准本次涂料防水层检验批的质量验收项目和标准如下:1. 涂料防水层的厚度应符合设计要求。
2. 涂料防水层的附着力应符合相关标准。
3. 涂料防水层的干燥时间应符合相关标准。
4. 涂料防水层的耐水性、耐候性应符合相关标准。
5. 涂料防水层的抗硝酸盐腐蚀性应符合相关标准。
6. 涂料防水层的耐久性应符合相关标准。
四、验收过程1. 检测涂料防水层的厚度:使用厚度测量仪对涂料防水层进行检测,记录测量值,并与设计要求进行对比。
结果应在设计要求的容许范围内。
2. 检测涂料防水层的附着力:使用附着力检测仪对涂料防水层进行检测,记录测量值,并与相关标准进行对比。
结果应符合标准规定的附着力等级。
3. 检测涂料防水层的干燥时间:按照相关标准的要求,确定涂料防水层的干燥时间,并在实际使用中进行验证。
4. 检测涂料防水层的耐水性、耐候性:通过模拟实际使用条件,对涂料防水层进行水浸、紫外线照射等测试,记录测试结果,并与相关标准进行对比。
结果应符合标准规定的要求。
5. 检测涂料防水层的抗硝酸盐腐蚀性:使用硝酸盐溶液对涂料防水层进行浸泡,记录浸泡时间和涂层的变化情况,并与相关标准进行对比。
结果应符合标准规定的耐蚀性要求。
6. 检测涂料防水层的耐久性:根据相关标准的要求,进行人工加速老化试验,并记录试验结果。
结果应符合标准规定的要求。
五、验收结果经过以上检测项目的验收,得出以下结果:1. 涂料防水层的厚度符合设计要求,并在设计要求的容许范围内。
2. 涂料防水层的附着力符合相关标准的要求,并达到标准规定的附着力等级。
3. 涂料防水层的干燥时间符合相关标准的要求。
4. 涂料防水层的耐水性、耐候性符合相关标准的要求。
外墙涂膜防水检验批质量验收记录一、工程概况本次外墙涂膜防水工程是为了提高墙体防水性能、保护墙体结构,并增加墙体的美观程度。
涂膜防水层为聚合物涂料,双组份,厚度约为1-3mm。
本次验收共涉及XX平方米的工程面积,工程周期为XX天。
二、验收项目及要求1. 防水层厚度:防水层厚度应符合设计要求,要求在1-3mm之间。
2.防水层附着力:涂膜防水层应对墙体有较好的附着力,不得有剥离现象。
3.防水层施工质量:涂膜防水层表面应平整、无起泡、裂痕等缺陷。
4.防水层颜色:涂膜防水层颜色应与设计要求一致,色差不得超过2级。
三、验收方法1.防水层厚度测量:使用涂膜厚度计在不少于5个随机选取的位置测量涂膜防水层厚度,取平均值作为防水层厚度。
2. 防水层附着力测试:使用胶液剥离试验法进行测试,剥离的长度不得超过50mm。
3.防水层施工质量检查:用肉眼观察防水层表面是否平整,是否有起泡、裂痕等现象。
4.防水层颜色检查:使用色差仪对涂膜防水层的颜色进行检测比对。
四、验收结果1. 防水层厚度:经测量,防水层厚度为1.5mm,符合设计要求。
2. 防水层附着力:经剥离试验,剥离的长度为0mm,符合要求。
3.防水层施工质量:经检查,涂膜防水层表面平整、无起泡、裂痕等缺陷。
4.防水层颜色:经检测,涂膜防水层颜色与设计要求一致,色差不超过2级。
五、不合格处理及整改意见本次外墙涂膜防水工程验收结果均合格,未发现不合格项,无需进行不合格处理和整改。
六、验收结论本次外墙涂膜防水工程的质量验收合格,可以进行下一步施工工序。
七、备注1.本次验收记录仅针对涂膜防水工程,不包含其他外墙工程验收。
2.涂膜防水层的材料及施工人员应符合相关标准和规定。
涂料防水层工程检验批质量验收记录模板.docx 范本一:涂料防水层工程检验批质量验收记录模板1. 项目信息1.1 项目名称:1.2 项目地址:1.3 施工单位:1.4 监理单位:1.5 检验单位:2. 施工准备2.1 施工环境准备情况2.2 施工材料准备情况2.3 施工人员资质及培训情况3. 施工工艺3.1 施工前的准备工作3.2 施工时的操作流程3.3 施工材料的混合比例及搅拌时间3.4 施工工艺的标准要求4. 施工质量控制4.1 施工质量控制计划4.2 施工过程中的质量把关点4.3 现场质量检查记录5. 施工验收5.1 涂料防水层的厚度检查5.2 涂料防水层的附着力测试5.3 涂料防水层的抗渗性能测试5.4 涂料防水层的外观检查6. 施工验收结论6.1 符合质量标准的项目6.2 不符合质量标准的项目6.3 对不符合质量标准的处理意见7. 附件附件1:施工环境准备情况照片附件2:施工材料准备情况照片附件3:施工工艺标准要求文件附件4:施工质量控制计划附件5:施工质量检查记录表8. 法律名词及注释8.1 质量标准:指涂料防水层的性能和质量要求的规定8.2 附着力:指涂料与基层之间的黏结牢固程度8.3 抗渗性能:指涂料防水层对水的渗透和渗漏的抵抗能力范本二:涂料防水层工程检验批质量验收记录模板1. 工程信息1.1 项目名称:1.2 项目地点:1.3 施工单位:1.4 监理单位:1.5 检验单位:2. 施工准备2.1 施工环境准备情况2.2 施工材料准备情况2.3 施工人员资质及培训情况3. 施工工艺3.1 施工前准备工作3.2 施工步骤及操作流程3.3 施工材料搅拌比例及时间要求3.4 施工工艺标准要求4. 施工质量控制4.1 施工质量控制计划4.2 施工过程中的质量把关点4.3 现场质量检查记录5. 施工验收5.1 涂料防水层厚度检查5.2 涂料防水层附着力测试5.3 涂料防水层抗渗性能测试5.4 涂料防水层外观检查6. 施工验收结论6.1 符合质量标准的项目6.2 不符合质量标准的项目6.3 对不符合质量标准的处理意见7. 附件附件1:施工环境准备情况照片附件2:施工材料准备情况照片附件3:施工工艺标准要求文件附件4:施工质量控制计划附件5:施工质量检查记录表8. 法律名词及注释8.1 质量标准:指涂料防水层的性能和质量要求的规定8.2 附着力:指涂料与基层之间的黏结牢固程度8.3 抗渗性能:指涂料防水层对水的渗透和渗漏的抵抗能力。
涂料防水层检验批质量验收记录表
衿GB 50208-2002 肈
肇
螄
涂料防水层检验批质量验收记录表
莂
GB 50208-2002
袂
涂料防水层检验批质量验收记录表
蒆
□□
薀
GB 50208-2002
蒅涂料防水层检验批质量验收记录表
羅GB 50208-2002 肁
______ 肁□
口
涂料防水层检验批质量验收记录表GB 50208-2002
涂料防水层检验批质量验收记录表GB 50208-2002
涂料防水层检验批质量验收记录表GB 50208-2002
涂料防水层检验批质量验收记录表GB 50208-2002
涂料防水层检验批质量验收记录表GB 50208-2002
涂料防水层检验批质量验收记录表GB 50208-2002
涂料防水层检验批质量验收记录表GB 50208-2002
涂料防水层检验批质量验收记录表GB 50208-2002
涂料防水层检验批质量验收记录表GB 50208-2002
涂料防水层检验批质量验收记录表GB 50208-2002
涂料防水层检验批质量验收记录表GB 50208-2002
涂料防水层检验批质量验收记录表GB 50208-2002
涂料防水层检验批质量验收记录表GB 50208-2002
涂料防水层检验批质量验收记录表GB 50208-2002
涂料防水层检验批质量验收记录表GB 50208-2002
涂料防水层检验批质量验收记录表GB 50208-2002
涂料防水层检验批质量验收记录表GB 50208-2002
涂料防水层检验批质量验收记录表GB 50208-2002。
无机涂料防水层检检验批质量验收记录及检验规定和说明编号:单位工程名称分部工程分项工程名称验收部位施工总承包单位项目经理专业工长专业承包单位项目经理施工班长施工执行标准名称及编号施工质量验收规范的规定施工单位检查评定记录监理(建设)单位验收记录主控项目1所用材料及配比符合设计及规范要求2 细部做法符合设计要求一般项目1 基层、基面牢固,清洁、平整、圆顺2 防水层与基层粘结牢固,涂刷均匀、表面平整3 防水层厚度平均厚度符合设计要求,最小厚度不小于设计厚度的95%4 保护层与防水层粘结牢固、结合紧密、厚度均匀施工单位检查评定结果:质量检查员:年月日监理或建设单位验收结论:监理工程师或建设单位项目专业技负责人:年月日检验规定和说明适用范围:本表适用于地下无机涂料防水层的质量验收。
检验批的划分:每施工段。
主控项目:1.涂料防水层所用材料及配合比必须符合设计及规范要求。
检验数量:施工单位、监理单位全数检查。
检验方法:检查出厂合格证、质量检验报告、计量措施和现场抽样试验报告。
2.涂料防水层及其转角处、变形缝、穿墙管道等细部做法均须符合设计要求。
检验数量:施工单位、监理单位全数检查。
检验方法:观察检查和检查隐蔽工程验收记录。
一般项目:1.涂料防水层的基层应牢固,基面应洁净、平整,不得有空鼓、松动、起砂和脱皮现象;基层阴阳角处应做成圆弧形。
检验数量:施工单位全数检查,监理单位按每施工段抽查1 处,每处10m2,且不得少于3 处。
检验方法:观察检查和检查隐蔽工程验收记录。
2.涂料防水层应与基层粘结牢固,表面平整、涂刷均匀,不得有流淌、鼓泡等缺陷。
检验数量:施工单位全数检查,监理单位按每施工段抽查1 处,每处10m2,且不得少于3 处。
检验方法:观察检查。
3.涂料防水层的平均厚度应符合设计要求,最小厚度不得小于设计厚度的95 %。
检验数量:施工单位全数检查,监理单位抽查10%。
检验方法:针测法,或割取20mm×20mm 实样用卡尺测量,或用水准仪测量。
表C7-4-79防水混凝土检检验批质量验收记录检验规定和说明适用范围:本表适用防水混凝土的质量验收。
检验批的划分:每施工段主控项目:1.防水混凝土的原材料、配合比及坍落度必须符合设计及规范要求。
检验数量:施工单位全数检查,监理单位按施工单位检查数的20%进行抽查。
检验方法:检查出厂合格证、质量检验报告、计量措施和现场抽样试验报告。
2.防水混凝土的抗压强度和抗渗等级必须符合设计及规范要求。
检验数量:施工单位每次浇注均作检查,监理单位按施工单位检查数的30%作见证检验。
检验方法:检查混凝土抗压、抗渗试验报告。
3.防水混凝土的变形缝、施工缝、后浇带、穿墙管道、埋设件等设置和构造,均须符合设计要求,严禁有渗漏。
检验数量:施工单位、监理单位全数检查。
检验方法:观察检查和检查隐蔽工程验收记录。
一般项目:1.防水混凝土结构表面应坚实、平整,不得有露筋、蜂窝等缺陷;理设件位置应正确。
检验数量:施工单位全数检查,监理单位按施工单位检查数的30%作见证检验。
检验方法:观察和尺量检查。
2.防水混凝土结构表面的裂缝宽度迎水面不应大于0.2mm、背水面不应大于0.3mm,并不得贯通。
检验数量:施工单位、监理单位全数检查。
检验方法:用刻度放大镜或塞尺检查。
3.防水混凝土结构厚度不应小于25Omm,其允许偏差为+10mm、-5mm;迎水面钢筋保护层厚度不应小于50mm,二次衬砌钢筋保护层厚度不应小于35mm ,其允许偏差均为+10mm,-5mm。
检验数量:施工单位全数检查,监理单位按施工单位检查数的30%见证检验或平行检验。
检验方法:尺量检查和检查隐蔽工程验收记录。
表C7-4-80卷材防水层检检验批质量验收记录检验规定和说明适用范围:本表适用地下卷材防水层的质量验收。
检验批的划分:每施工段。
主控项目:1.卷材防水层所用卷材及主要配套材料必须符合设计及规范要求。
检验数量:施工单位全数检查,监理单位抽查10%。
检验方法:检查出厂合格证、质量检验报告和现场抽样试验报告。
涂料防水层检验批质量验收记录表
GB 50208-2002
010504
涂料防水层检验批质量验收记录表GB 50208-2002
涂料防水层检验批质量验收记录表GB 50208-2002
涂料防水层检验批质量验收记录表GB 50208-2002
涂料防水层检验批质量验收记录表GB 50208-2002
涂料防水层检验批质量验收记录表GB 50208-2002
涂料防水层检验批质量验收记录表GB 50208-2002
涂料防水层检验批质量验收记录表GB 50208-2002
涂料防水层检验批质量验收记录表GB 50208-2002
涂料防水层检验批质量验收记录表GB 50208-2002
涂料防水层检验批质量验收记录表GB 50208-2002
涂料防水层检验批质量验收记录表GB 50208-2002
涂料防水层检验批质量验收记录表GB 50208-2002
涂料防水层检验批质量验收记录表GB 50208-2002
涂料防水层检验批质量验收记录表GB 50208-2002
涂料防水层检验批质量验收记录表GB 50208-2002
涂料防水层检验批质量验收记录表GB 50208-2002
涂料防水层检验批质量验收记录表GB 50208-2002
涂料防水层检验批质量验收记录表GB 50208-2002
涂料防水层检验批质量验收记录表GB 50208-2002
涂料防水层检验批质量验收记录表GB 50208-2002
涂料防水层检验批质量验收记录表GB 50208-2002
涂料防水层检验批质量验收记录表GB 50208-2002
涂料防水层检验批质量验收记录表GB 50208-2002
涂料防水层检验批质量验收记录表GB 50208-2002。