第四讲 数字信号处理-采样与恢复
- 格式:ppt
- 大小:620.00 KB
- 文档页数:28
实验报告课程名称:信号分析与处理 指导老师: 成绩: 实验名称:信号的采样与恢复 实验类型: 同组学生姓名: 一、实验目的和要求(必填) 二、实验内容和原理(必填) 三、主要仪器设备(必填) 四、操作方法和实验步骤 五、实验数据记录和处理 六、实验结果与分析(必填) 七、讨论、心得一、实验目的和要求1. 了解信号的采样方法与过程以及信号恢复的方法。
2. 验证采样定理。
二、实验内容和原理 2.1信号的自然采样采样信号为周期Ts ,宽度τ的矩形脉冲信号S(t)。
s(t)的傅里叶变换为: 2(t)Sa()()2s s sn S n T ωτπτδωω+∞-∞=-∑ 采样的过程可以视为两个信号相乘:()()()s f t f t s t =在频域中,1()()()2Sa()()2s s s s F F S n F n T ωωωπωττωω+∞-∞=*=-∑可以看到自然采样后的频谱除了左右平移采样信号的角频率ωs 外,还按取样函数Sa(x)的规律衰减。
时域采样定理:如果采样信号的频率为fs ,原信号的最大频率为f m ,为了采样后信号的频谱不混叠,需要有fs ≥2f m 。
2.2信号的恢复在不发生频谱混叠的时候,将信号通过的低通滤波器,理论上可以完全恢复原信号。
低通滤波器的截止频率略大于fm,即“频谱加窗”的方法。
如果发生了频谱混叠,则原信号的频谱不能完全被恢复,通过低通滤波器后输出的信号将产生失真。
本实验分别用500Hz三角波和正弦波作为输入信号,占空比50%和10%的0.4kHz、1kHz、2kHz、5kHz、10kHz的矩形脉冲作为采样信号,使用截止频率1kHz以及2kHz的低通滤波器,观察输出波形,验证采样定理。
实验中,受自然采样、实验滤波器效果的限制,恢复后的波形难免都会有失真。
三、主要仪器设备PC一台、myDAQ设备一套、面包板一块、导线、电容、电阻若干。
四、操作方法和实验步骤1.编辑波形文件:正弦波峰峰值4V、频率500Hz,与10kHz、幅值1V、占空比50%的方波相乘,保存波形文件。
信号的采样与恢复实验一、任务与目的1. 熟悉信号的采样与恢复的过程。
2. 学习和掌握采样定理。
3. 了解采样频率对信号恢复的影响。
二、原理(条件)PC机一台,TD-SAS系列教学实验系统一套。
1. 采样定理采样定理论述了在一定条件下,一个连续时间信号完全可以用该信号在等时间间隔上的瞬时值表示。
这些值包含了该连续信号全部信息,利用这些值可以恢复原信号。
采样定理是连续时间信号与离散时间信号之间的桥梁。
采样定理:对于一个具有有限频谱,且最高频率为ωmax的连续信号进行采样,当采样频率ωs满足ωs>=ωmax时,采样信号能够无失真地恢复出原信号。
三角波信号的采样如图4-1-1所示。
图4-1-1信号的采样2. 采样信号的频谱连续周期信号经过周期矩形脉冲抽样后,抽样信号的频谱为它包含了原信号频谱以及重复周期为的原信号频谱的搬移,且幅度按规律变化。
所以抽样信号的频谱便是原信号频谱的周期性拓延。
某频带有限信号被采样前后频谱如图4-1-2。
图4-1-2 限带信号采样前后频谱从图中可以看出,当ωs ≥2Bf 时拓延的频谱不会与原信号的频谱发生重叠。
这样只需要利用截止频率适当的滤波器便可以恢复出原信号。
3. 采样信号的恢复将采样信号恢复成原信号,可以用低通滤波器。
低通滤波器的截止频率f c 应当满足f max ≤f c ≤f x -f max 。
实验中采用的低通滤波器原理图如图4-1-3所示,其截止频率固定为1802f Hz RCπ=≈图4-1-3 滤波器电路4. 单元构成本实验电路由脉冲采样电路和滤波器两个部分构成,滤波器部分不再赘述。
其中的采样保持部分电路由一片CD4052完成。
此电路由两个输入端,其中IN1端输入被采样信号,Pu 端输入采样脉冲,经过采样后的信号如图4-1-1所示。
三、内容与步骤本实验在脉冲采样与恢复单元完成。
1. 信号的采样(1)使信号发生器第一路输出幅值3V、频率10Hz的三角波信号;第二路输出幅值5V,频率100Hz、占空比50%的脉冲信号。
深圳大学实验报告课程名称:信号与系统实验实验项目名称:信号的采样和恢复学院:信息工程学院专业:通信工程指导教师:张坤华报告人:学号:班级:实验时间:实验报告提交时间:教务处制一、实验目的1、了解信号的采样方法与过程以及信号恢复的方法。
2、验证抽样定理。
二、实验内容1、观察抽样脉冲、抽样信号、抽样恢复信号。
2、观察抽样过程中,发生混叠和非混叠时的波形。
三、实验仪器1、信号与系统实验箱一台(主板)。
2、系统时域与频域分析模块一块。
3、20M 双踪示波器一台。
四、实验原理1、离散时间信号可以从离散信号源获得,也可以从连续时间信号抽样而得。
抽样信号()t f s 可以看成连续信号()t f 和一组开关函数()t s 的乘积。
()t s 是一组周期性窄脉冲,见图5-1,T S图 5-1矩形抽样脉冲对抽样信号进行傅里叶分析可知,抽样信号的频率包括了原连续信号以及无限个经过平移的原信号频率。
平移的频率等于抽样频率s f 及其谐波频率s f 2、s f 3……。
当抽样信号是周期性窄脉冲时,平移后的频率幅度按()x x sin 规律衰减。
抽样信号的频谱是原信号频谱周期的延拓,它占有的频带要比原信号频谱宽得多。
2、正如测得了足够的实验数据以后,我们可以在坐标纸上把一系列数据点连起来,得到一条光滑的曲线一样,抽样信号在一定条件下也可以恢复到原信号。
只要用一截止频率等于原信号频谱中最高频率f n 的低通滤波器,滤除高频分量,经滤波后得到的信号包含了原信号频谱的全部内容,故在低通滤波器输出可以得到恢复后的原信号。
3、但原信号得以恢复的条件是B f s 2≥,其中s f 为抽样频率,B 为原信号占有的频带宽度。
而B f 2min =为最低抽样频率又称“奈奎斯特抽样率”。
当B f s 2<时,抽样信号的频谱会发生混迭,从发生混迭后的频谱中我们无法用低通滤波器获得原信号频谱的全部内容。
在实际使用中,仅包含有限频率的信号是极少的。
实验三 信号的采样与恢复一、实验目的1、了解电信号的采样方法与过程以及信号恢复的方法。
2、验证抽样定理。
3、理解信号的抽样及抽样定理以及抽样信号的频谱分析;掌握和理解信号抽样以及信号重建的原理,验证抽样定理。
二、实验设备1、信号与系统实验箱(参考型号:TKSS —B 型)2、双踪示波器三、实验原理1、离散时间信号可以从离散信号源获得,也可以从连续时间信号抽样而得。
抽样信号)(t f s 可以看成连续信号)(t f 和一组开关函数)(t s 的乘积。
)(t s 是一组周期性的窄脉冲,如下图所示。
s T 为抽样周期,其倒数s s T f /1=称抽样频率。
图1 矩形抽样脉冲对抽样信号进行傅里叶分析可知,抽样信号的频率包括了原连续信号以及无限个经过平移的原信号频率。
平移的频率等于抽样频率s f 及其谐波频率s f 2、s f 3┅┅。
当抽样信号是周期性窄脉冲时,平移后的频率幅度按x x /sin 规律衰减。
抽样信号的频谱是原信号频谱的周期延拓,它占有的频带要比原信号频谱宽得多。
2、正如测得了足够的实验数据以后,我们可以在坐标纸上把一系列数据点连起来,得到一条光滑的曲线一样,抽样信号在一定条件下也可以恢复到原信号。
只要用一截止频率等于原信号的频谱中最高频率n f 的低通滤波器,滤除高频分量,经滤波后得到的信号包含了原信号频谱的全部内容,故在低通滤波器输出可以得到恢复后的原信号。
3、但原信号得以恢复的条件是B f s 2≥,其中s f 为抽样频率,B 为原信号占有的频带宽度。
而B f 2min =为最低抽样频率又称“奈奎斯特抽样频率”。
当B f s 2<时,抽样信号的频谱会发生混迭,从发生混迭后的频谱中我们无法用低通滤波器获得原信号频谱的全部内容。
在实际使用中,仅包含有限频率的信号是极少的,因此即使B f s 2=,恢复后的信号失真还中难免的。
下图画出了当抽样频率B f s 2>(不混叠时)及B f s 2<(混叠时)两种情况下冲激抽样信号的频谱。
抽样定理与信号恢复一、实验目的1、观察离散信号频谱,了解其频谱特点。
2、验证抽样定理并恢复原信号。
二、实验仪器1、双踪示波器 1台 2块 31块 4块三、实验原理1、离散信号不仅可从离散信号源获得,而且也可从连续信号抽样获得。
抽样信号Fs(t)= F(t)·S(t)。
其中F(t)为连续信号(例如三角波),S(t)是周期为Ts 的矩形窄脉冲。
Ts 又称抽样间隔,Fs=1Ts称抽样频率,Fs(t)为抽样信号波形。
F(t)、S(t)、Fs(t)波形如图5-1。
图5-1 连续信号抽样过程将连续信号用周期性矩形脉冲抽样而得到抽样信号,可通过抽样器来实现。
2、连续周期信号经周期矩形脉冲抽样后,抽样信号的频谱()()()2s S a s m m A F j S F m T ωττωωω+∞=-∞=⋅-∑它包含了原信号频谱以及重复周期为fs (f s =ωs /2л)、幅度按A τT Sa (m ωs τ/2)规律变化的原信号频谱,即抽样信号的频谱是原信号频谱的周期性延拓。
因此,抽样信号占有的频带比原信号频带宽得多。
以三角波被矩形脉冲抽样为例。
三角波的频谱:1124()()()S k k k E F j A k k k ωπσωωσωωπ∞∞=-∞=-∞=-=-∑∑ 这里我们取三角波的有效带宽为31ω。
频谱图如5-2所示。
F(f)图5-2 三角波频谱抽样信号的频谱:12ω1()4()(ω)2s S as k m m A F j E S k m T kττωσωωπ∞=-∞=-∞=⋅--∑ 取三角波的有效带宽为31ω,其抽样信号频谱如图5-3所示。
BfFs(f)图5-3 抽样信号频谱图如果离散信号是由周期连续信号抽样而得,则其频谱的测量与周期连续信号方法相同,但应注意频谱的周期性延拓。
3、抽样信号在一定条件下可以恢复出原信号,其条件是2s f f B ≥,其中s f 为抽样频率,f B 为原信号占有频带宽度。
信号的采样与恢复实验注意事项
1. 实验前应确认所需的信号源和采样设备正常工作,以确保实验结果的准确性。
2. 在采样过程中要注意采样频率的选择,采样频率应满足奈奎斯特采样定理,即采样频率应大于信号的最高频率的两倍。
3. 在采样时,应记录下采样间隔和采样点数,以便后续的数据分析和信号恢复处理。
4. 为了保证采样的准确性,需要尽量避免信号与噪声的干扰。
可以采取一些减小噪声的措施,如使用滤波器对信号进行预处理。
5. 实验中可以尝试不同的采样频率和采样点数,观察采样结果的差异,并对比恢复后的信号与原始信号的差异。
6. 在恢复信号时,可以利用插值等方法对采样数据进行处理,以恢复原始信号。
7. 实验结束后,应及时保存实验数据和实验结果,以备后续分析和报告使用。
8. 在实验过程中,应注意安全和操作规范,避免在实验室中发生意外或损坏设备。
信号的抽样与恢复(抽样定理)信号的抽样和恢复是数字信号处理中的基本操作。
它是将连续时间信号(模拟信号)转化为离散时间信号(数字信号)的过程,也是将数字信号转化为连续时间信号的过程。
抽样定理是信号的抽样和恢复中一个十分重要的定理,它的证明也是数字信号处理中的一个重要课题。
一、信号的抽样在信号处理中,可以通过对连续时间信号进行离散化处理,使其转化为离散时间信号,便于数字处理。
抽样是指在每隔一定的时间间隔内对连续时间信号进行采样,得到一系列离散的采样值。
抽样操作可以用如下公式进行表示:x(nT) = x(t)|t=nT其中,x(t)是原始连续时间信号,x(nT)是在时刻nT处采样得到的值,T为采样周期。
具体来说,采样过程可以通过模拟信号经过一个采样和保持电路,将连续时间信号转换为离散信号的形式。
这里的采样周期越小,采样得到的离散信号的数量就越多,离散信号在时间轴的表示就越密集。
抽样后得到的信号形式如下:二、抽样定理抽样定理又称为奈奎斯特定理,是数字信号处理中的基础理论之一。
它指出,如果连续时间信号x(t)的带宽为B,则在抽样周期为T时,可以恰好通过抽样重建出原始信号x(t),当且仅当:T ≤ 1/(2B)即抽样周期T应小于等于原始信号的最大频率的倒数的一半。
这个定理的物理意义是,需要对至少每个周期内的信号进行采样,才能够恢复出连续信号。
如果采样周期过大,将会丢失信号的高频成分,从而无法准确重建原始信号。
抽样定理说明了作为采样频率的一个下限值2B,因为将采样频率设置为低于此值会失去信号的唯一信息(高频成分)。
当采样频率等于2B时,可以从这些采样值恢复出信号的完整频率谱,即避免了信息损失。
三、信号的恢复当原始信号被采样后,需要对采样得到的离散信号进行恢复,以便生成一个趋近于原始信号的连续信号。
采样定理的证明告诉了我们如何确保在扫描连续信号的采样点时,可以正确地还原其原始形式。
例如,可以通过插值的方式将采样点之间的值计算出来,从而恢复出连续时间信号。
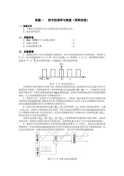
实验一信号的采样与恢复(采样定理)一、实验目的1、了解信号的采样方法与过程以及信号恢复的方法。
2、验证采样定理。
二、实验设备1、Dais-XTB信号与系统实验箱一台2、双踪示波器一台3、任意函数发生器一台三、实验原理1、离散时间信号可以从离散信号源获得,也可以从连续时间信号采样而得。
采样信号x s(t)可以看成连续信号x(t)和一组开关函数s(t)的乘积。
s(t)是一组周期性窄脉冲,如图2-5-1,T s称为采样周期,其倒数f s=1/T s称采样频率。
图2-5-1 矩形采样信号对采样信号进行傅里叶分析可知,采样信号的频率包括了原连续信号以及无限个经过平移的原信号频率。
平移的频率等于采样频率f s及其谐波频率2f s、3f s……。
当采样信号是周期性窄脉冲时,平移后的频率幅度按sinx/x规律衰减。
采样信号的频谱是原信号频谱周期的延拓,它占有的频带要比原信号频谱宽得多。
2、采样信号在一定条件下可以恢复到原信号。
只要用一截止频率等于原信号频谱中最高频率f n的低通滤波器,滤除高频分量,经滤波后得到的信号包含了原信号频谱的全部内容,故在低通滤波器输出端可以得到恢复后的原信号。
3、原信号得以恢复的条件是f s≥2f max,f s为采样频率,f max为原信号的最高频率。
当fs <2f max时,采样信号的频谱会发生混迭,从发生混迭后的频谱中无法用低通滤波器获得原信号频谱的全部内容。
在实际使用中,仅包含有限频率的信号是极少的,因此即使f s=2 f max,恢复后的信号失真还是难免的。
实验中选用f s<2 f max、f s=2 f max、f s>2 f max三种采样频率对连续信号进行采样,以验证采样定理:要使信号采样后能不失真地还原,采样频率f s必须大于信号最高频率的两倍。
4、连续信号的采样和采样信号的复原原理框图如图2-5-2所示。
除选用足够高的采样频率外,常采用前置低通滤波器来防止原信号频谱过宽而造成采样后信号频谱的混迭,但这也会造成失真。
摘要数字信号处理是一门理论与实践紧密结合的课程。
做大量的习题和上机实验,有助于进一步理解和巩固理论知识,还有助于提高分析和解决实际问题的能力。
过去用其他算法语言,实验程序复杂,在有限的实验课时内所做的实验内容少。
MATLAB强大的运算和图形显示功能,可使数字信号处理上机实验效率大大提高。
特别是它的频谱分析和滤波器分析与设计功能很强,使数字信号处理工作变得十分简单、直观。
本实验设计的题目是:信号的采样与恢复。
通过产生一个连续时间信号并生成其频谱,然后对该连续信号抽样,并对采样后的频谱进行分析,实验中,原连续信号的频谱由于无法实现真正的连续,所以通过扩大采样点的数目来代替,理论上当采样点数无穷多的时候即可实现连续,基于此尽可能增加采样点数并以此来产生连续信号的频谱。
信号采样过程中,通过采样点的不同控制采样频率实现大于或小于二倍最高连续信号的频率,从而可以很好的验证采样定理。
关键词:信号采样恢复MATLAB 傅里叶变换一、设计目的与要求1、设计目的通过本课程设计,主要训练和培养学生综合应用所学过的信号及信息处理等课程的相关知识,独立完成信号仿真及信号处理的能力。
包括:查阅资料、合理性的设计、分析和解决实际问题的能力,数学仿真软件Matlab和C语言程序设计的学习和应用,培养规范化书写说明书的能力。
2、设计要求设有一信号Xa(t)=EXP-1000|t|,计算傅立叶变换,分析其频谱,并在精度为1/1000的条件下,分别取采样频率为F=5000Hz,F=1000Hz,绘出对应的采样信号的时域信号波形频谱图。
(1)实现信号时域分析和频谱分析以及滤波器等有关Matlab函数。
(2)写好总结、程序、图表、原理、结果分析。
二、设计原理框图三、设计原理本次课程设计主要涉及采样定理、傅里叶变换、信号时域分析和频谱分析的相关内容的相关知识。
1.采样定理设连续信号)(t x a 属带限信号,最高截止频率为c Ω,如果采样角频率c s Ω≥Ω2,那么让采样性信号)(t x a ∧通过一个增益为T 、截止频率为2/s Ω的理想低通滤波器,可以唯一地恢复出原连续信号)(t x a 。
实验四 信号的采样及恢复一、实验目的1、加深理解连续时间信号离散化过程中的数学概念和物理概念;2、掌握对连续时间信号进行抽样和恢复的基本方法;3、通过实验验证抽样定理。
二、实验内容1、为了观察连续信号时域抽样时,抽样频率对抽样过程的影响,在[0,0.1]区间上以50Hz 的抽样频率对下列3个信号分别进行抽样,试画出抽样后序列的波形,并分析产生不同波形的原因,提出改进措施。
(1))102cos()(1t t x ⨯=π(2))502cos()(2t t x ⨯=π (3))1002cos()(3t t x ⨯=π2、产生幅度调制信号)200cos()2cos()(t t t x ππ=,推导其频率特性,确定抽样频率,并绘出波形。
3、对连续信号)4cos()(t t x π=进行抽样以得到离散序列,并进行重建。
(1)生成信号)(t x ,时间t=0:0.001:4,画出)(t x 的波形。
(2)以10=sam f Hz 对信号进行抽样,画出在10≤≤t 范围内的抽样序列)(k x ;利用抽样内插函数)/1()(sam r f T T t Sa t h =⎪⎭⎫⎝⎛=π恢复连续信号,画出重建信号)(t x r 的波形。
)(t x 与)(t x r 是否相同,为什么? (3)将抽样频率改为3=sam f Hz ,重做(2)。
4、利用MATLAB 编程实现采样函数Sa 的采样与重构。
三、实验仪器及环境计算机1台,MATLAB7.0软件。
四、实验原理对连续时间信号进行抽样可获得离散时间信号,其原理如图8-1。
采样信号)()()(t s t f t f s ∙=,)(t s 是周期为s T 的冲激函数序列,即)()()(∑∞-∞=-==n sT nT t t t s sδδ则该过程为理想冲激抽样。
其中s T 称为采样周期,ss T f 1=称为抽样频率, ss s T f ππω22==称为抽样角频率。
信号的采样与恢复实验报告信号的采样与恢复实验报告引言:信号是信息传递的基本形式,而信号的采样与恢复是数字通信系统中的重要环节。
本实验旨在通过实际操作,探究信号的采样过程以及采样后的信号如何恢复。
一、实验目的1. 了解信号的采样原理和采样定理;2. 理解采样频率对信号重构的影响;3. 掌握信号采样与恢复的实验操作。
二、实验仪器1. 示波器;2. 函数信号发生器;3. 低通滤波器。
三、实验步骤1. 连接实验仪器,将函数信号发生器的输出接入示波器的输入端;2. 设置函数信号发生器的频率和幅度,观察信号在示波器上的波形;3. 调节函数信号发生器的频率,使其接近采样频率的一半,记录观察到的波形;4. 逐渐增加函数信号发生器的频率,观察信号的变化;5. 将示波器的输出接入低通滤波器的输入端,调节滤波器的截止频率,观察信号的恢复情况;6. 重复以上步骤,记录实验数据。
四、实验结果与分析1. 在采样频率小于信号频率的情况下,观察到信号在示波器上的波形出现了混叠现象,即采样失真。
这是因为采样频率不足以捕捉到信号的全部信息,导致信号的高频成分被误认为低频成分,从而产生了混叠现象。
2. 当采样频率接近信号频率的一半时,观察到信号的波形开始变形,但仍能较好地还原原始信号。
这是因为根据采样定理,采样频率应大于信号频率的两倍,此时信号的高频成分能够被有效采样,从而准确地恢复出原始信号。
3. 当采样频率大于信号频率的两倍时,观察到信号在示波器上的波形与原始信号基本一致,没有明显的失真现象。
这是因为采样频率足够高,能够准确地采样信号的全部信息,从而实现信号的完美恢复。
4. 在将示波器的输出信号经过低通滤波器后,观察到信号的恢复情况得到改善。
低通滤波器能够去除信号中的高频成分,从而减少混叠现象,使得信号的恢复更加准确。
五、实验总结通过本次实验,我们深入了解了信号的采样与恢复原理,并通过实际操作验证了采样定理的有效性。
实验结果表明,在采样频率满足采样定理的条件下,能够准确地恢复原始信号。