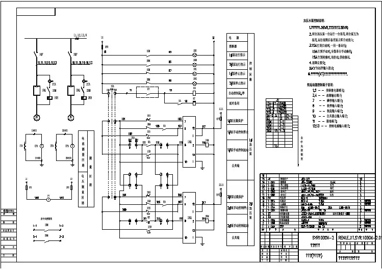
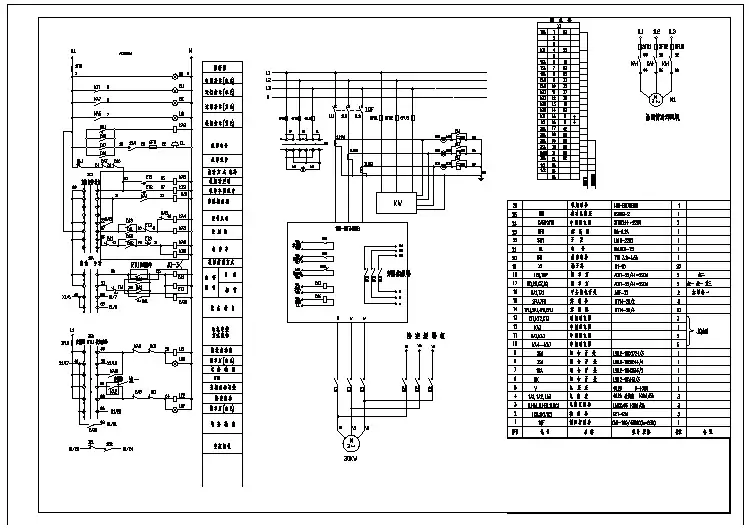
电机软启动器原理图
- 格式:doc
- 大小:578.00 KB
- 文档页数:16
软龙劝星应理•龟机铁超劝星工作虑理#1欽处劲甕(轶起动器丿工作原理软启动黑(轶起动器丿一科第电机软起动.轶停车■轻栽节能和多科保护功能于一体的新穎电机控制裳査.国外称为SOft StarterO软启动需釆用三相反并联甜闸管作为调岳隽将•其接入色憑和电动机主孑之问。
迂种电珞如三才(1全控林龙整流电路.主色珞图见图Io 使用软启动彖启动色动机肘,甜闸•竄的输出色压逐淅增加,色动机逐漸加速,直刊甜闸管全导通,电动机工作淮.额爻电压的机械特性上,卖现平滑启动,吟低启动电流,戻免启动过流跳闸。
待电机达到额主转救对,启动过程结束,轶启动霉令动用亭路接竝器取代已完成任务的晶闸管,为电动机正帝运转提供额岌色Z5L以吟低甜闸管的热施耗,延长轶启动酸的使用寿命.提爲其工作效率,又使色网液免了谐败污慕。
轶启动幾冋对还提供欽停车功能,欽停车与欽启动过程相反,色庄逐浙阵低,转散逐漸下舉刊欢,戻免t由停车引超的转矩冲击。
HPS2EO3…25是专为单柯和三相魚笼龙小型电机设计的微型救字式轶起动孝・可灵涵卖現轶起和欽停.且软起和软停对问可调.轶起初始电庄(初始转矩)多档可送L。
从而丸舉低了电机起动时的电浇和机械转矩冲击,保护了电机瑕备和供电网络的安全。
可广泛应用于冬种小型电机裝.査中,如:空调.冰箔.冷床柜和水泵等控制糸统中。
从而让用户可以阵低对供电网络质量的要求、减轻色网负扣并延长瑕备的使用命。
特色•结构小巧紧激半固,便于集成列控和控制糸统∙DlN 4^底庄,便于妥裝固主•第中淡扭式调节奏•数,操作简便Λ< ••* LED指示,色涤和工作状搖及故障分析一目了然。
1 •什么是轶起动卑?乞与支頓乐冇什么区别?软起动殊是一种集铁铮车、轻典节能和多种保护功能于一体的新颖电机技制裟JL 国外称为SOft Startero它的主要构成是串接于色诛与彼控电机之问的三相反并联闸管及其电子控制电珞。
运用不冋的方比,控制三相反并联闸管的导通角,使该控电机的输入电圧按不同的要求而炙化,就可实观不冋的功能。
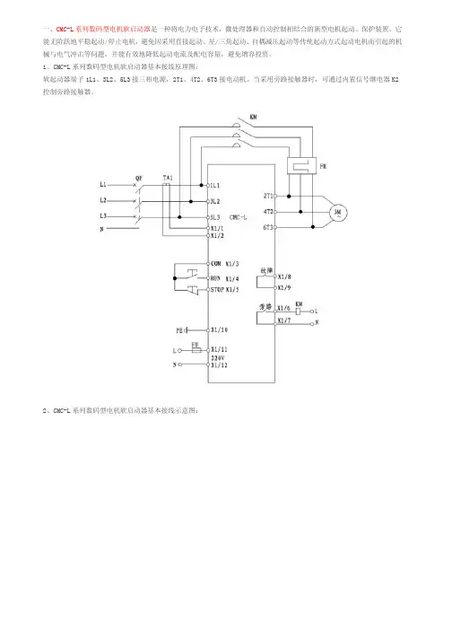
一、CMC-L系列数码型电机软启动器是一种将电力电子技术,微处理器和自动控制相结合的新型电机起动、保护装置。
它能无阶跃地平稳起动/停止电机,避免因采用直接起动、星/三角起动、自耦减压起动等传统起动方式起动电机而引起的机械与电气冲击等问题,并能有效地降低起动电流及配电容量,避免增容投资。
1、CMC-L系列数码型电机软启动器基本接线原理图:软起动器端子1L1、3L2、5L3接三相电源,2T1、4T2、6T3接电动机。
当采用旁路接触器时,可通过内置信号继电器K2控制旁路接触器。
2、CMC-L系列数码型电机软启动器基本接线示意图:3、CMC-L系列数码型电机软启动器典型应用接线图:注意:1.上图所示为单节点控制方式。
接点闭合软起动起动,接点打开软起动器停止。
但要注意这种接线LED面板起动操作无效。
端子3、4、5起停信号是一个无源节点。
2.PE接地线应尽可能短,接于距软起动器最近的接地点,合适的接地点应位于安装板上紧靠软起动器处,安装板也应接地,此处接地为功能地而不是保护接地。
3. 电流互感器副边线径不小于2.5mm2。
二、CMC-M系列数码智能型电机软启动器是一种将电力电子技术,微处理器和自动控制相结合的新型电机起动、保护装置。
它能无阶跃地平稳起动/停止电机,避免因采用直接起动、星/三角起动、自耦减压起动等传统起动方式起动电机而引起的机械与电气冲击等问题,并能有效地降低起动电流及配电容量,避免增容投资。
1、基本接线原理图软起动器端子1L1、3L2、5L3接三相电源,2T1、4T2、6T3接电动机。
软起动器可通过参数设定选择是否检测相序。
当采用旁路接触器时,可通过内置信号继电器K2控制旁路接触器。
2、基本接线示意图3、典型应用接线图注意:1.上图所示为单节点控制方式。
接点闭合软起动起动,接点打开软起动器停止。
但要注意这种接线LED面板起动操作无效。
端子3、4、5起停信号是一个无源节点。
2.PE接地线应尽可能短,接于距软起动器最近的接地点,合适的接地点应位于安装板上紧靠软起动器处,安装板也应接地,此处接地为功能地而不是保护接地。
交流电动机软启动器的原理那软启动器是怎么解决这个问题的呢?软启动器啊,就像是一个贴心的小助手,它会慢慢地、温柔地让电动机启动起来。
软启动器主要是通过控制加到电动机上的电压来实现软启动的。
在刚开始启动的时候,它不会把额定电压一下子都加到电动机上。
而是只给电动机加一个比较低的电压,这个电压就像是轻轻的一个推力,让电动机的转子开始慢慢地转动起来。
这时候电动机就像一个刚睡醒的小懒虫,被轻轻地唤醒,而不是被突然吓一跳。
随着时间的推移,软启动器会逐渐增加电压,就像慢慢地加大对小懒虫的鼓励,让它越转越快。
这个过程是很平滑的,就像给电动机做了一次舒服的按摩,让它从静止状态慢慢加速到正常的运行速度。
打个比方吧,这就像你开车的时候,如果直接一脚把油门踩到底,车就会猛地冲出去,很危险。
但是如果你慢慢地踩油门,车就会平稳地加速。
软启动器对电动机的作用就跟慢慢踩油门开车差不多。
软启动器还有一个很厉害的功能呢,就是它可以控制启动的时间。
它可以根据电动机的具体情况,比如说电动机的功率大小、负载的轻重等,来设定合适的启动时间。
如果电动机比较大,负载又重,那启动的时间就可以设置得长一点,就像对待一个力气大但有点笨重的小伙伴,要多给它一点时间来活动开。
如果电动机小,负载轻,启动时间就可以短一些。
另外啊,软启动器还能保护电动机呢。
在电动机运行的过程中,如果出现了一些异常情况,比如说电流突然变得很大,或者电压不稳定,软启动器就会像一个忠诚的卫士一样,迅速采取措施。
它可能会降低电压,或者干脆停止给电动机供电,避免电动机受到更大的损害。
这就像你有一个好朋友在你身边,一旦发现有危险,就会立刻保护你。
总的来说,交流电动机软启动器就是一个很聪明、很贴心的设备。
它让交流电动机的启动变得平稳、安全,既保护了电动机,又不会对电网造成太大的冲击。
有了它,电动机就像被照顾得很好的小宝贝,能够更好地工作,为我们的生产和生活服务啦。
你看,这软启动器是不是很神奇呢?。
电工们常用的五种电机软启动器接线图软启动器工作原理软起动器(软启动器)是一种集电机软起动、软停车、轻载节能和多种保护功能于一体的新颖电机控制装置,国外称为Soft Starter。
软启器采用三相反并联晶闸管作为调压器,将其接入电源和电动机定子之间。
这种电路如三相全控桥式整流电路。
使用软启动器启动电动机时,晶闸管的输出电压逐渐增加,电动机逐渐加速,直到晶闸管全导通,电动机工作在额定电压的机械特性上,实现平滑启动,降低启动电流,避免启动过流跳闸。
待电机达到额定转数时,启动过程结束,软启动器自动用旁路接触器取代已完成任务的晶闸管,为电动机正常运转提供额定电压,以降低晶闸管的热损耗,延长软启动器的使用寿命,提高其工作效率,又使电网避免了谐波污染。
软启动器同时还提供软停车功能,软停车与软启动过程相反,电压逐渐降低,转数逐渐下降到零,避免自由停车引起的转矩冲击。
常用的五种电机软启动器接线图一、CMC-L系列数码型电机软启动器是一种将电力电子技术,微处理器和自动控制相结合的新型电机起动、保护装置。
它能无阶跃地平稳起动/停止电机,避免因采用直接起动、星/三角起动、自耦减压起动等传统起动方式起动电机而引起的机械与电气冲击等问题,并能有效地降低起动电流及配电容量,避免增容投资。
1、CMC-L系列数码型电机软启动器基本接线原理图:软起动器端子1L1、3L2、5L3接三相电源,2T1、4T2、6T3接电动机。
当采用旁路接触器时,可通过内置信号继电器K2控制旁路接触器。
2、CMC-L系列数码型电机软启动器基本接线示意图:3、CMC-L系列数码型电机软启动器典型应用接线图:注意:1.上图所示为单节点控制方式。
接点闭合软起动起动,接点打开软起动器停止。
但要注意这种接线LED面板起动操作无效。
端子3、4、5起停信号是一个无源节点。
2.PE接地线应尽可能短,接于距软起动器最近的接地点,合适的接地点应位于安装板上紧靠软起动器处,安装板也应接地,此处接地为功能地而不是保护接地。
软启动工作原理- -软启动器电动机的应用1 软启动器工作原理与主电路图软启动器采用三相反并联晶闸管作为调压器,将其接入电源和电动机定子之间。
这种电路如三相全控桥式整流电路,主电路图见图1。
使用软启动器启动电动机时,晶闸管的输出电压逐渐增加,电动机逐渐加速,直到晶闸管全导通,电动机工作在额定电压的机械特性上,实现平滑启动,降低启动电流,避免启动过流跳闸。
待电机达到额定转数时,启动过程结束,软启动器自动用旁路接触器取代已完成任务的晶闸管,为电动机正常运转提供额定电压,以降低晶闸管的热损耗,延长软启动器的使用寿命,提高其工作效率,又使电网避免了谐波污染。
软启动器同时还提供软停车功能,软停车与软启动过程相反,电压逐渐降低,转数逐渐下降到零,避免自由停车引起的转矩冲击。
软启动与软停车的电压曲线见图2,3。
2 软启动器的选用(1)选型:目前市场上常见的软启动器有旁路型、无旁路型、节能型等。
根据负载性质选择不同型号的软启动器。
旁路型:在电动机达到额定转数时,用旁路接触器取代已完成任务的软启动器,降低晶闸管的热损耗,提高其工作效率。
也可以用一台软启动器去启动多台电动机。
无旁路型:晶闸管处于全导通状态,电动机工作于全压方式,忽略电压谐波分量,经常用于短时重复工作的电动机。
节能型:当电动机负荷较轻时,软启动器自动降低施加于电动机定子上的电压,减少电动机电流励磁分量,提高电动机功率因数。
(2)选规格:根据电动机的标称功率,电流负载性质选择启动器,一般软启动器容量稍大于电动机工作电流,还应考虑保护功能是否完备,例如:缺相保护、短路保护、过载保护、逆序保护、过压保护、欠压保护等。
3 Alt48软启动器的特点Alt48软启动器启动时采用专利技术的转矩控制。
转矩斜坡上升更快速,损耗更低。
具有电动机和软启动器综合保护功能,能全时连续检测电机电流,提供电机可靠和完整保护,这种保护功能在启动结束旁路后仍能起作用,这是其它软启动器都不具备的。
电动机软启动的原理图
1、CMC-SX系列汉显智能型电机软启动器基本原理图
软起动器端子1L1、3L2、5L3接三相电源,软起动器端子2T1、
4T2、6T3接电动机。
软起动器可通过参数设定选择是否检测相序。
当采用旁路接触器时,可通过内置信号继电器K2控制旁路接触器。
2、CT系列分级变频软启动器基本原理图
软起动器端子1L1、3L2、5L3接三相电源、2T1、4T2、6T3接电动机、B1、B2、B3接旁路接触器。
软起动器可通过参数设定选择是否检测相序。
当采用旁路接触器时,可通过内置信号继电器K2控制旁路接触器。
3、CMC-MX系列内置旁路型电机软启动器基本原理图。
软启动器专题1 、什么是软启动器软起动器是一种集电机软起动、软停车、轻载节能和多种保护功能于一体的新颖电机控制装置,国外称为Soft Starter。
它的主要构成是串接于电源与被控电机之间的三相反并联闸管交流调压器。
改变晶闸管的触发角,就可调节晶闸管调压电路的输出电压。
在整个起动过程中,软起动器的输出是一个平滑的升压过程(且可具有限流功能),直到晶闸管全导通,电机在额定电压下工作。
运用不同的方法,控制三相反并联闸管的导通角,可以使被控电机的输入电压按不同的要求而变化,就可实现不同的功能。
软启动的外形:2、为什么要使用软启动器现在传动工程中最长用的就是三相异步电动机。
在许多场合,由于其启动特性,这些电机不可以直接连接电源系统。
如果直接在线启动,将会产生电动机额定电流6倍的浪涌电流,该电流可以使供电系统和串联开关设备过载。
如果直接启动,也会产生较高的峰值转矩,这种冲击不但对驱动电机有冲击,而且也会使机械装置受载。
例如,辅助动力传动部件。
为了降低启动电流,应使用启动辅助装置,如启动用电抗器或自耦变压器。
但是该方法只可以逐步降低电压,而软启动器通过平滑的升高端子电压,可以实现无冲击启动。
可以最佳的保护电源系统以及电动机。
同时软启动器可以实现软停车,它的过程和启动过程相反,晶闸管在得到停机指令后,从全导通逐渐地减小导通角,经过一定时间过渡到全关闭的过程。
停车的时间根据实际需要可在0 ~ 120s调整。
电机停机时,传统的控制方式都是通过瞬间停电完成的。
但有许多应用场合,不允许电机瞬间关机。
例如:高层建筑、大楼的水泵系统,如果瞬间停机,会产生巨大的“水锤”效应,使管道,甚至水泵遭到损坏。
为减少和防止“水锤”效应,需要电机逐渐停机,即软停车,采用软起动器能满足这一要求。
在泵站中,应用软停车技术可避免泵站的“拍门”损坏,减少维修费用和维修工作量。
3、软启动器工作原理和主接线图软启动器的工作原理:控制其内部晶闸管的导通角,使电机输入电压从零以预设函数关系逐渐上升,直至起动结束,赋予电机全电压,即为软起动,在软起动过程中,电机起动转矩逐渐增加,转速也逐渐增加。
软启动电路及原理一软起动主电路图、晶闸管降压软起动主电路如图所示,其中M是异步电动机,晶闸管KPl~KP6组成移相控制的三相交流调压电路,利用品闸管进行调压,其输出电压大小由晶闸管的导通角决定,而晶闸管的导通角又与其触发角有关。
触发角越小,输出越大。
因此,只需在电动机起动过程中通过控制晶闸管触发角的大小,不断改变晶闸管的导通角来改变输出电压波形,从而改变输出电压的有效值。
随着输出电压的增加,电机转速不断上升。
而电机定子电流的大小J下比于定子端电压,起动仞期,电机端电压较小,冲击电流电小,随着电机定子端电压的不断增加,定子电流也不断增加,最终达到额定转速,实现了电机的软起动。
在每一瞬间,在三相交流调压电路中,至少要有两个器件导通,它们应处于不同的相,其中至少有一个是流向负载端,同时有另一个流向电源。
在电路的正常工作状态下,6个晶闸管按照KPI、K_P2、KP3、KP4、KP5和KP6的顺序循环触发导通,而且相邻的两个晶闸管触发时刻之间相差600电角度。
三相调压起动其实质是降压起动,与传统降压起动不同之处是无机械触点,起动电压和起动电流任意可调㈣。
图中F为快速熔断器,RZ为压敏电阻,KP为晶闸管,另外还有并联于晶闸管两端的RC保护电路。
理论上讲,本起动器可起动各种容量的三相异步电动机,针对不同的容量,软件控制思想均可不变,只要重新设计一下主电路即可,其中各元件的选择取决于被控电动机的容量。
.主电路图、软启动触发电路二如图,出发电路主要有监测、移相控制、脉冲串产生电路、触发驱动电路等组成。
同步信号取于电源输入端R、S、T,即、信号,i、vi uwV三相交流电源经电阻分压后,分别送往R、R与R、、R、RR252482379电压比较器U7A、U7B、U7C反相输入端。
三个电压比较器的同相端经接在作星形连接的公共端上,相当R R、R、R25232429于接至三相交流电的中相点。
各相交流电正向过零点时,对应的比较器输出低电平,驱动光电耦合器内发光二极管发光,光耦内的光电三极管导通,将低电平有效的同步信号送往单片机的P1.0、P1.1、P1.2输入端;而当交流电反相过零时,对应的比较器输出高电平送往单片机。
软启动器工作原理与主电路图2023 年02 月22 日星期一 11:001软启动器工作原理与主电路图软启动器承受三相反并联晶闸管作为调压器,将其接入电源和电动机定子之间。
这种电路如三相全控桥式整流电路,主电路图见图1。
使用软启动器启动电动机时,晶闸管的输出电压渐渐增加,电动机渐渐加速,直到晶闸管全导通,电动机工作在额定电压的机械特性上,实现平滑启动,降低启动电流,避开启动过流跳闸。
待电机到达额定转数时,启动过程完毕,软启动器自动用旁路接触器取代已完成任务的晶闸管,为电动机正常运转供给额定电压,以降低晶闸管的热损耗,延长软启动器的使用寿命,提高其工作效率,又使电网避开了谐波污染。
软启动器同时还供给软停车功能,软停车与软启动过程相反,电压渐渐降低,转数渐渐下降到零,避开自由停车引起的转矩冲击。
软启动与软停车的电压曲线见图2,3。
2软启动器的选用(1)选型:目前市场上常见的软启动器有旁路型、无旁路型、节能型等。
依据负载性质选择不同型号的软启动器。
旁路型:在电动机到达额定转数时,用旁路接触器取代已完成任务的软启动器,降低晶闸管的热损耗,提高其工作效率。
也可以用一台软启动器去启动多台电动机。
无旁路型:晶闸管处于全导通状态,电动机工作于全压方式,无视电压谐波重量,常常用于短时重复工作的电动机。
节能型:当电动机负荷较轻时,软启动器自动降低施加于电动机定子上的电压,削减电动机电流励磁重量,提高电动机功率因数。
(2)选规格:依据电动机的标称功率,电流负载性质选择启动器,一般软启动器容量稍大于电动机工作电流,还应考虑保护功能是否完备,例如:缺相保护、短路保护、过载保护、逆序保护、过压保护、欠压保护等。
3Alt48 软启动器的特点Alt48 软启动器启动时承受专利技术的转矩掌握。
转矩斜坡上升更快速,损耗更低。
具有电动机和软启动器综合保护功能,能全时连续检测电机电流,供给电机牢靠和完整保护,这种保护功能在启动完毕旁路后仍能起作用,这是其它软启动器都不具备的。
电机软启动器原理图6kV电机软启动器控制原理图软启动器在冷剪控制系统中的应用1 前言冷剪是棒材生产线上必不可少的设备,在连续剪切线上,由于对冷剪定位控制的实时性和精确性要求非常高,通常情况下采用变频器或直流调速装置进行控制;对于使用定尺机完成棒材组长度定位的生产线来说,由于要等到棒材组在辊道上完全停止后才进行剪切,对冷剪定位控制的实时性和精确性不要求非常高,这时对交流电机可考虑使用软启动器控制,设备投资大大减少。
2 软启动器概述软起动器是电力电子技术与自动控制技术相结合的产物,其电路原理如图1所示。
将三组反并联晶闸管串接于供电电源与被控电机之间。
起动时,由电子电路控制晶闸管的导通角,使电机的端电压逐渐增大,直至全电压,使电机实现无冲击软起动;停机时,则控制晶闸管的关断速度,使电机的端电压由全电压逐渐下降至零,实现软停车,可见,软起动器实际上是一个晶闸管交流调压器。
改变晶闸管的触发角,就可调节晶闸管调压电路的输出电压。
在整个起动过程中,软起动器的输出是一个平滑的升压过程(且可具有限流功能),直到晶闸管全导通,电机在额定电压下工作。
图1是ABB PSD系列软启动器产品的原理图,图中的元件如下:E1:电路板;F6:温度监视器;J1–J3:连接端子;K4:继电器,在运行状态时动作;K5:继电器,在全压状态时(Ue=100%)动作;K6:继电器,故障信号;T2:电流互感器;T5:控制变压器;V1–V6:晶闸管;X1–X3:端子板。
另外,根据功率范围,还有两组或三组风扇作为标准配置。
根据不同的应用要求,还可选择过载保护器。
在图1中,V2、V4、V6三只晶闸管依次对应于U、V、W三相电源的正半周,开通角α相同,故三相的触发脉冲应依次相差120º;每相的正、负半周依次分别由反并联的两只晶闸管触发控制,所以同一相的两个反并联晶闸管触发脉冲应相差180º,触发顺序是V2、V5、V4、V1、V6、V3,依次相差60º。
图1 软启动器原理框图3 控制原理及软件实现3.1 软起动器的上电与起动控制软起动器控制回路如图2所示。
操作员首先手动合上开关Q50,如果没有过载等故障并且熔丝F40正常,K51将吸合,给PLC发出“上电准备好”信号,此时操作员可以在HMI画面上给出上电命令,K51将吸合,从而K10吸合,给PLC发出“上电完成”信号,完成上电操作。
起动时,操作员从操作台上按下起动按钮,电机按设定的起动时间从低速起动至设定值,给PLC发出“运行”信号。
抱闸风机也与主电机同时起动。
为了保护电机和机械设备,除了必须收到“上电完成”信号,还必须满足以下条件:无急停连锁;润滑油泵运行;润滑压力达到规定值;干油泵运行;空气压力达到规定值。
图2 控制回路原理图3.2 软起动器的参数设置软起动器上电后,需对其有关参数进行设定。
对于PSD型软起动器来说,主要参数及其设定范围如下:(1)起动时升压时间:0.5~60s。
(2)起动时初始电压:10~60%电源电压。
(3)限流功能:2~5倍电机额定电流。
(4)停止时降压时间:0~30s。
软起动器在得到停止信号后,按照设定的降压时间,输出端由设定的级落电压(100%~30%的电源电压)降至初始电压,然后即刻降到零电压。
3.3 冷剪的剪切控制剪切控制实质上是抱闸和离合器的控制。
抱闸和离合器分别由一个单向气动电磁阀控制,其控制原理如图3所示。
PLC给出剪切指令的同时给出抱闸打开指令,0.5秒后离合器插入以进行剪切;当检测到剪刃闭合接近开关后,延时0.61秒(剪刃从闭合位置到原始位置所需的时间),剪切指令取消,离合器移出,延时0.2秒后抱闸锁紧。
在图3中,离合器插入指令给出的同时再次给出抱闸打开指令,以确保剪切期间抱闸是打开的。
剪切指令的给出:当钢头部到达定尺机挡板后,辊道停止,如果下列条件满足,则给出剪切指令:软启动器运行;抱闸风机运行;无急停连锁;润滑压力达到规定值;干油泵运行;空气压力达到规定值;上下剪刃锁紧;切头挡板在上位;尾部清理设备在后退位置。
切头时,钢头部到达切头挡板位置即停止,然后开始剪切。
所有剪切也可从操作台手动完成,联锁条件同上。
图3 抱闸和离合器控制原理图4 应用效果该软启动器具有坚固的金属外壳设计,可适用各类应用,包括常规启动和重载启动;在前面板上可进行柔性组合的电位器式参数设定,并配备清晰的LED状况与故障指示;电子过载保护脱扣器为电机提供比常规双金属片更有效的保护。
对于冷剪来说,由于无需反转、旁路等控制,而且上电、起动、抱闸和离合器的控制均由PLC完成,控制回路极其简单。
生产运行表明,采用软启动器控制冷剪是一种非常经济、实用的方法,系统运行稳定、可靠。
[摘要]简述了大中型电动机新型控制启动装置软启动器的原理、功能和特点,以及在丹江口水电站中的应用情况,并针对软启动口出现的问题提出了改进意见和观点,对于完善软启动器在该领域的控制功能和普及应用将起到积极作用。
[关键词]大中型电动机;软启动器;应用;改进传统的大中型电动机控制装置采用的是接触器、磁力启动器直接启停方式,缺点是控制方式简单、不灵活,对系统冲击较大且控制元件易损坏,维护工作量大。
随着计算机控制技术的日趋成熟,近年来一种以计算机为核心,采用双向可控硅为主控回路的智能化新型控制器“ 软启动器” 已普遍应用于该领域,它以控制方式灵活简便,对系统冲击小且控制元件不易损坏以及维护方便等诸多优点正逐步取代传统的控制装置。
当然新产品应用总会暴露出一些不足,本文以丹江口电厂使用的软启动器为基础,对其在 3 年中的运行情况及暴露出的问题进行探讨,从生产角度提出几点改进建议使其控制功能更加完善,供生产厂家及同行们参考。
1 软启动器的功能及特点1 .1 应用情况丹江电厂20 m 3 空压机系统是机组调相、检修和其它用气设备的气源,由2 台空压机和4 个储气罐构成,工作气压为0 .6 ~0 .8MPa ,空压机的电机容量为132 kW ,额定电流272 A 。
2 套独立的控制系统各控制1 台空压机,运行已20 多年,设备老化严重,故障率高。
受当时科技水平的限制,逻辑控制回路由继电器构成,启动方式为传统的频敏电阻降压方式,启动电机执行元件是接触器。
控制系统接线复杂,故障点多,对电机保护功能不全,启动电流大,对厂用电有较大的冲击,不利于其它设备的稳定运行。
1997 年初对该系统改造时,应用了软启动器。
新控制系统解决了原控制系统存在的诸多问题,且有利于同正着手全面改造的新计算机监控系统接口,为提高全厂综合自动化水平,实现减人增效打下了基础。
1 .2 软启动器软启动器主要由CPU 为8096 的主控板、驱动板、电机主控制回路及控制面板构成。
软启动器具有控制功能、电机保护功能以及显示、报警、参数设置功能。
1 .2 .1 控制功能模式收到外部启、停命令后,按照预先设定的启、停方式实现对电机的控制。
可选的启、停控制模式有以下几种:(1 )限流软启动控制模式:如图1 所示,电动机启动时,其输出电压从零迅速增加,直至输出电流达到设定的电流限幅值Im ,然后保证输出电流在不大于该值的情况下,电压逐渐升高,电动机逐渐加速,完成启动过程。
(2 )电压斜坡启动控制模式: 如图2 所示,U 1 为电动机启动所需最小转矩对应的初始电压。
当电动机启动时,软启动器的输出电压迅速上升到整定值U 1 ,然后按设定的速率逐渐增加,直至达到电网电压后,接触器吸合,启动过程完成。
(3 )停车模式:电动机按所设定的速率逐渐减速直到完全停机。
(4 )自由停车:电动机不受控制地依惯性自由停机。
(5 )点动功能:在该方式的控制下,软启动器输出电压迅速增加至初始电压U 1 ,并保持该输出电压值。
1 .2 .2 电机保护功能软启动器的电机保护功能有:相序保护、缺相保护、启动过流保护、运行过流保护、运行过载保护及电动机长时间不能完成启动过程保护。
软启动器的保护功能动作时,软启动器将产生停机输出,并在控制面板上直接显示其原因。
1 .2 .3 显示、报警和参数设置功能在软启动器的控制面板上,可显示电机电流、报警信号及设定的参数值;以数字形式设置电机保护值、电机运行方式;手动操作启、停电机。
软启动器的工作原理是:软启动器收到启动命令后,便按所设定的启动方式进行有关计算,确定可控硅的触发输出电压信号,以控制电动机的启动过程。
当电动机的启动过程完成后,软启动器便控制交流接触器吸合,短接所有可控硅,使电动机直接投网运行,避免不必要的能源损耗。
图 3 为软启动器的原理图。
1 .3 应用于丹江口电厂的软启动器1 .3 .1 系统结构控制系统结构如图4 所示,主要包括软启动器、可编程控制器、压力传感器、进气电磁阀。
1 .3 .2 系统主要功能(1 )控制功能自动/手动控制空压机启、停。
控制方式通过工作方式切换开关选择。
自动工作方式时,根据气罐气压的变化自动启停空压机。
手动方式时可编程控制器退出运行,在软启动器控制面板上手动操作启停空压机。
根据20m 3 空压机系统的实际情况,选择电机的启停方式是限流软启动和软停车。
(2 )保护功能保护功能涉及整个空压机系统。
当发生一级气缸气压过高/低、油缸压力过高/低、排气温度过高以及断相、相序错、电机过流、过载等任一异常时,保护动作自动停机。
(3 )监视、报警功能实时监视系统的运行工况,在控制盘上有主回路电流、电压指示及显示系统运行状态,当系统出现故障时,控制盘上有详细的故障报警显示,同时向中控室发报警信号。
1 .3 .3 系统工作原理当气罐气压降至空压机启动值时,可编程控制器向软启动器发出启动命令,软启动器通过可控硅控制电动机的启动电压和电流,使空压机系统平滑启动到空载。
当电压达到额定值时,接触器吸合,可控硅短路,三相电源直接加在电动机上,软启动器启动完成,并向可编程控制器发启动完成信号。
可编程控制器经过9 s 的延时,投进气电磁阀,空压机带载运行,向气罐打气;当气罐气压达停机值时,可编程控制器切进气电磁阀,使空压机系统进入空载状态, 2 s 后向软启动器发停机令,在软启动器的控制下,电动机逐渐减速至完全停机。
2 运行效果及改进建议新控制系统3 年的运行情况表明,其可靠性、功能和性能与原控制系统相比都有显著的改善和提高。
主要体现在以下几点:(1 )在结构上采用软启动器作为控制输出执行元件,控制逻辑用可编程控制器实现,使得系统结构简单明了,提高了控制系统的可靠性,也便于维护。
(2 )软启动器的限流启动方式,将启动电流控制在安全范围内,改善了原控制系统因启动电流较大冲击厂用电而影响其它设备正常运行的状况。
(3 )启动过程采用双向可控硅,启动过程完成后,接触器短接可控硅的控制方式,既避免了用接触器直接控制电机接点易拉弧、粘连、烧坏等故障的发生,也节约了能源。