焊接球节点钢网架制作拼装
- 格式:doc
- 大小:119.50 KB
- 文档页数:11
焊接球⽹架拼装顺序与三维定位焊接球⽹架拼装顺序与三维定位⼀、⽹架的组拼焊接顺序在完成⼀个⽹格后进⾏统⼀焊接,同时进⾏下⼀个⽹格的组拼作业。
已经组拼焊接完毕正在焊接正在组拼正在焊接正在组拼拼装焊接流程⽰意图焊接顺序为由中间向两侧展开,已利于结构内内应⼒的释放, 焊接时先焊接下弦球,再焊接上弦球。
⼆、⽹架地⾯拼装与精度控制⽹架拼装⼯艺流程:成品杆件、焊接球进场→现场检验→⽹架地⾯整体拼装→拼装检验根据图纸中球节点求出下弦球的Z 坐标和⾼差,再根据中⼼区要拼⽹架球的⼤⼩在地⾯上摆放砖垛,砖垛上分别测定中⼼⼗字线,⽤钢管定位环确定球节点的位置,并连接拼装节点间的杆件,形成下弦四边形单元⽹格,再⽤三根腹杆将上弦中⼼球定位,使上弦球中⼼与地⾯投影中⼼位置吻合,连接拼装的其它两根杆件,形成⼀个⼩单元基准控制点。
每个区域的⽹架拼装时,每个区域的⽹架拼装时,都按“下弦——腹杆——上弦” 、“中间——两端(跨度⽅向) ——两端(⾮跨度⽅向)”的拼装顺序进⾏拼装。
摆放时,必须把钢球的规格与编号了解的⼼中有数,避免编号与实体不符,⽽造成不必要的窝⼯或返⼯。
拼装时,⾸先把下弦杆件与钢球点焊在⼀起,形成⽅框后,⽤钢尺、⽔准仪检测⽹架的⼏何尺⼨,检查⽆误后,⽅可继续下格⽹架的拼装。
拼装下弦⽹格的同时,在地⾯上可以点焊“⼈字”,安装完上弦后,安装“⼈字”,然后安装⽹架上弦杆件。
安装完⼀个⽹格后,⽤钢尺复测下⼏何尺⼨,如⽆误后,依次类推继续拼装下个⽹格。
直⾄⽹架拼装完毕。
三、拼装胎具搭建本⼯程的地⾯整体拼装⽀垛采⽤砖⽀垛,摆放时利⽤经纬仪放线控制⽀垛位置,并⽤⽔准仪控制砖⽀垛⾼度,整跨最⾼砖⽀垛标⾼为500mm,且拼装前要把拼装时⽤到的钢尺、卷尺及经纬仪、⽔准仪等仪器进⾏精确校正。
砖⽀垛详图见如下图所⽰,砖⽀垛抗压计算公式如下:普通砖的抗压设计值为f=2.07MPa;砖垛⾼为H=0.3⽶;砖垛宽为B=0.24⽶;β=η×H/B=1×300/240=1.25;A=0.24×0.24=0.058m2;N u=¢×β×A×η×f=1×0.058×0.758×106×2.07×10-3×0.7=65.9kN;本⽹架总重量约为1250吨共计下弦球3142个,每个下弦球下⾯的砖受⼒为39.7kN<65.9kN,完全满⾜拼装要求。
网架结构制作、安装1 一般规定钢网架的制作、安装与检验除应遵照《网架结构设计与施工检验》(JGJ7—1991)和《网架结构工程质量检验评定标准》JGJ78—1991或行业标准《钢网架螺栓球节点》JGJ75.1—1991.《钢网架焊接球节点》JGJ75.2—1991.《钢网架检验及检收标准》JGJ75.3—1991等有关网架规程标准外, 还应遵守国家标准《建筑工地程质量检验评定标准》GBJ301—1988、现行国家标准《钢结构工程施工及验收规范》GB50205—2001和《螺栓球节点钢网架焊缝超声波探伤及质量分级法》JG/T3034.2—1996.《焊接球节点钢网架焊缝超声波探伤及质量分级法》JG/T3034.1—1996, 以及其他有关钢材等国家标准的规定的进行。
2 材料钢网架所用的材料, 根据其在钢架中所处的位置不同而不同, 如杆件、封板、锥头、套筒和焊接空心球均为Q235钢或16Mn钢;实心螺栓球为45号钢;螺栓、销子或螺钉均为40Cr、40B.20MnTiB;8.8S的高强度螺栓可采用45号钢等。
制作所用的材料必须符合设计要求, 如无出厂合格证或有疑问时, 必须按现行国家标准《钢结构工程施工及验收规范》GBJ50205—2001的规定对其进行机械性能试验和化学分析, 证明符合标准和设计要求后方可使用。
3 空心球网架焊接工艺顺序空心球–钢管网架结构的安装焊接方法根据结构的跨度和安装方法不同而异。
一般是根据网架的几何平面特点和起重条件将整片网架分成几块,在地面分别组焊成片, 然后在高空拼焊成整体网架。
球体一般在工厂制作焊接, 钢管采用无缝管。
小型网架应尽可能在工厂将球体和钢管组焊成“哑铃式”构件, 以减少现场焊接工作量。
大型网架则在现场地面进行球-管小拼焊接, 并成片, 尽量减少高空焊接工作量。
网架形状为空间曲面时, 往往各球-管节点标高各异, 宜部分采用高空散装方案。
4 空心球制作焊接工艺1空心球制作焊接接头坡口形状与尺寸网架结构的空心球一般用热压工艺制作, 首先将钢板下料后加热至850~900℃, 然后采用上、下模具热压成半球形, 经检验圆度合格后, 修切边缘及坡口, 装配定位焊接内环肋, 最后进行成品球的焊接。
1范围本工艺标准适用于钢网架螺栓球节点、焊接球节点、焊接钢板节点的钢网架结构地面拼装工程。
2施工准备2.1材料:2.1.1钢网架拼装的钢材与连接材料、高强度螺栓、焊条等材料应符合设计要求,并应有出厂合格证明。
2.1.2螺栓球、空心焊接球、加助焊接球、锥头、套筒、封板、网架杆件、焊接钢板节点等半成品,应符合设计要求及相应的国家标准的规定。
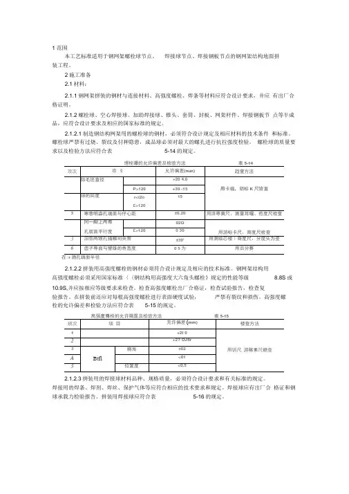
2.1.2.1制造钢结构网架用的螺栓球的钢材,必须符合设计规定及相应材料的技术条件和标准。
螺栓球严禁有过烧、裂纹及付种隐患,成品球必须对最大的螺孔进行抗拉强度检验。
螺栓球的质量要求以及检验方法应符合表5-14的规定。
r2.1.2.2拼装用高强度螺栓的钢材必须符合设计规定及相应的技术标准。
钢网架结构用高强度螺栓必须采用国家标准〈〈钢结构用高强度大六角头螺栓》规定的性能等级8.8S或10.9S,并应按相应等级要求来检查。
检查高强度螺栓出厂合格证,检查试验报告,检查复验报告。
在拼装前还应对每根高强度螺栓进行表面硬度试验,严禁有裂纹和损伤。
高强度螺栓的允许偏差和检验方法应符合表5-15的规定。
2.1.2.3拼装用的焊接球材料品种、规格质量,必须符合设计要求和有关标准的规定。
焊接用的焊条、焊剂、焊丝、保护气体等应符合相应的技术要求和规定。
焊接球应有出厂合格证和钢球承载力检验报告。
拼装用焊接球应符合表5-16的规定。
5-162.1.2.4钢网架拼装封板、锥头、套筒的钢材,必须符合设计要求及相应的技术标准。
封板、锥头、套筒外观木得有裂纹、过烧及氧化皮。
封板、锥头、套筒的质量要求和检验方法应符合表5-17的规定。
注1胡械、粮头、蓼筒应分别进行检敦评走.2 F为琴19的外援照半役.2.1.2.5钢网架拼装焊接用钢板,必须符合设计要求及相应的技术标准。
焊接材料应有出厂合格证及相应的技术标准。
钢板节点的拼装焊缝应达到设计要求。
其质量要求及检验方法应符合表5-18的规定。
2.1.2.6钢网架拼装用杆件的钢材品种、规格、质量,必须符合设计规定及相应的技术标准。
钢结构七大生产流程钢结构七大生产流程钢结构制作施工工艺适用于建筑钢结构的加工制作工序,包括工艺流程的选择、放样、号料、切割、矫正、成型、边缘加工、管球加工、制孔、摩擦面加工、端部加工、构件的组装、圆管构件加工和钢构件预拼装。
1材料要求1.1.1钢结构使用的钢材、焊接材料、涂装材料和紧固件等应具有质量证书,必须符合设计要求和现行标准的规定。
1.1.2进厂的原材料,除必须有生产厂的出厂质量证明书外,并应按合同要求和有关现行标准在甲方、监理的见证下,进行现场见证取样、送样、检验和验收,做好检查记录。
并向甲方和监理提供检验报告。
1.1.3在加工过程中,如发现原材料有缺陷,必须经检查人员、主管技术人员研究处理。
1.1.4材料代用应由制造单位事先提出附有材料证明书的申请书(技术核定单),向甲方和监理报审后,经设计单位确认后方可代用。
1.1.5严禁使用药皮脱落或焊芯生锈的焊条、受潮结块或已熔烧过的焊剂以及生锈的焊丝。
用于栓钉焊的栓钉,其表面不得有影响使用的裂纹、条痕、凹痕和毛刺等缺陷。
1.1.6焊接材料应集中管理,建立专用仓库,库内要干燥,通风良好。
1.1.7螺栓应在干燥通风的室内存放。
高强度螺栓的入库验收,应按国家现行标准《钢结构高强度螺栓连接的设计、施工及验收规程》JGJ82的要求进行,严禁使用锈蚀、沾污、受潮、碰伤和混批的高强度螺栓。
1.1.8涂料应符合设计要求,并存放在专门的仓库内,不得使用过期、变质、结块失效的涂料。
2主要机具1.2.1主要机具钢结构生产长用工具。
3作业条件1.3.1完成施工详图,并经原设计人员签字认可。
1.3.2施工组织设计、施工方案、作业指导书等各种技术准备工作已经准备就绪。
1.3.3各种工艺评定试验及工艺性能试验和材料采购计划已完成。
1.3.4主要材料已进厂。
1.3.5各种机械设备调试验收合格。
1.3.6所有生产工人都进行了施工前培训,取得相应资格的上岗证书。
4操作工艺1.4.1工艺流程1.4.2操作工艺1放样、号料1)熟悉施工图,发现有疑问之处,应与有关技术部门联系解决。
中铁三局集团建安公司施工工艺标准QB/SJ-SG1105-2005焊接球节点钢网架制作拼装━━━━━━━━━━━━━━━━━━━━━━━━━1 适用范围本工艺标准适用于焊接球节点的钢网架制作拼装工程。
2 施工准备2.1 材料2.1.1 钢材、钢铸件的品种、规格、性能等应符合现行国家产品标准和设计要求。
进口钢材产品的质量应符合设计和合同规定标准的要求。
应有质量合格证明文件和检验报告。
钢材表面的锈蚀、麻点或划痕等缺陷,其深度不得大于该钢材厚度负偏差值的1/2;钢材的端边断口处不应有分层、夹渣等缺陷。
对属于下列情况之一的钢材,应进行抽样复验,复验结果应符合现行国家产品标准和设计要求。
1)国外进口钢材;2)钢材混批;3)板厚等于或大于40mm,且设计有Z向性能要求的厚板;4)建筑结构安全等级为一级,大跨度钢结构中主要受力构件所采用的钢材;5)设计有复验要求的钢材;6)对质量有疑义的钢材。
2.1.2 连接材料焊接材料、螺栓的品种、规格、性能等应符合国家现行产品标准和设计要求。
有质量合格证明文件和检验报告。
焊条外观不应有药皮脱落、焊芯生锈等缺陷;焊剂不应受潮结块。
锈蚀、碰伤或混批的高强螺栓不得使用。
2.1.3 涂装材料防腐涂料、防火涂料的品种、规格、性能等应符合设计要求和国家现行有关标准的规定。
有质量合格证明文件和检验报告。
2.1.4 焊接球及制造焊接球所采用的原材料,其品种、规格、性能等应符合现行国家产品标准和设计要求。
2.2 机具电焊机、氧乙炔切割设备、砂轮锯、杆件切割车床、杆件切割动力头、钢卷尺、钢板尺、卡尺、水准仪、经纬仪、超声波探伤仪或磁粉探伤仪、倒链、铁锤、钢丝刷、烤箱、保温箱等。
2.3 作业条件2.3.1 焊工必须经考试合格,并取得有相应焊接材质及焊接部位的资格证书。
2.3.2 按设计要求和工程特点编制网架施工技术方案,熟悉图纸,做好安全和技术交底。
2.3.3 拼装前应对拼装胎模进行检测,防止胎位移动和变形。
焊接球网架安装方案目录一、前言 (2)二、术语和定义 (2)三、安装前的准备 (3)1. 工程条件确认 (4)2. 材料和设备检查 (5)3. 现场平面布置 (6)4. 人员组织与安全措施 (7)四、焊接球网架安装工艺流程 (8)1. 制定安装计划 (9)2. 地基处理 (10)3. 球节点安装 (11)4. 网架连接 (12)5. 检查与调整 (14)五、焊接球及连接件的安装 (15)1. 焊接球安装 (15)2. 连接件安装 (16)3. 焊接质量检测 (17)六、网架安装精度控制 (18)1. 垂直度控制 (19)2. 水平度控制 (19)3. 角度控制 (20)七、安全及文明施工措施 (21)1. 安全防护措施 (22)2. 环境保护措施 (23)3. 文明施工管理 (24)八、安装后的检查与验收 (25)1. 安装质量检查 (26)2. 隐蔽工程验收 (27)3. 竣工资料整理 (28)九、维护与保养指南 (28)一、前言随着现代建筑技术的不断进步与发展,球网架结构在各类体育场馆、展览中心及其他大型公共设施中的应用日益广泛。
焊接球网架作为此类结构的关键组成部分,其安装质量直接关系到整体工程的安全性与稳定性。
编制本焊接球网架安装方案,旨在规范安装流程,确保工程质量,降低安全风险。
本安装方案是在充分理解项目需求、现场勘察及结合类似工程经验的基础上编制而成。
方案内容包括安装前的准备工作、具体安装步骤、质量控制要点、安全防范措施等。
在实际施工过程中,应严格遵循本方案的要求,确保球网架安装工作的顺利进行。
二、术语和定义焊接球:一种用于连接网架结构的球形节点,通过焊接与其他构件连接。
连接杆件:用于连接焊接球和网架结构的杆件,通常采用钢管或型钢制成。
框架:指由焊接球、连接杆件等构件组成的网状结构,用于支撑和固定网架结构。
荷载:指作用在网架结构上的各种力,包括恒载、活载、风载、雪载等。
三、安装前的准备技术准备:首先,我们需要对焊接球网架的设计图纸进行深入研究,确保对结构、尺寸和连接方式有准确的了解。
SGBZ-0238钢网架结构拼装施工工艺标准依据标准:《建筑工程施工质量验收统一标准》 GB50300-2001《钢结构工程施工质量验收规范》 GB50205-20011、范围本工艺标准适用于钢网架螺栓球节点、焊接球节点、焊接钢板节点的钢网架结构地面拼装工程。
2、施工准备2.1材料:2.1.1钢网架拼装的钢材与连接材料、高强度螺栓、焊条等材料应符合设计要求,并应有出厂合格证明。
2.1.2螺栓球、空心焊接球、加肋焊接球、锥头、套筒、封板、网架杆件、焊接钢板节点等半成品,应符合设计要求及相应的国家标准的规定。
2.1.2.1螺栓球主控项目螺栓球及制造螺栓球节点所采用的原材料,其品种、规格、性能等应符合现行国家产品标准和设计要求。
检查数量:全数检查。
检验方法:检查产品的质量合格证明文件、中文标志及检验报告等。
螺栓球不得有过烧、裂纹及褶皱。
检查数量:每种规格抽查5%,且不应少于5只。
检验方法:用10倍放大镜观察和表面探伤。
一般项目螺栓球螺纹尺寸应符合现行国家标准《普通螺纹基本尺寸》GB196中粗牙螺纹的规定,螺纹公差必须符合现行国家标准《普通螺纹公差与配合》GB197中6H级精度的规定。
检查数量:每种规格抽查5%,且不应少于5只。
检验方法:用标准螺纹规。
螺栓球直径、圆度、相邻两螺栓孔中心线夹角等尺寸及允许偏差应符合GB50205-2001的规定。
检查数量:每一规格按数量抽查5%,且不应少于3个。
检验方法:用卡尺和分度头仪检查。
2.1.2.2拼装用高强度螺栓主控项目钢结构连接用高强度大六角头螺栓连接副、扭剪型高强度螺栓连接副、钢网架用高强度螺栓、普通螺栓、铆钉、自攻钉、拉铆钉、射钉、锚栓(机械型和化学试剂型)、地脚锚栓等紧固标准件及螺母、垫圈等标准配件,其品种、规格、性能等应符合现行国家产品标准和设计要求。
高强度大六角头螺栓连接副和扭剪型高强度螺栓连接副出厂时应分别随箱带有扭矩系数和紧固轴力(预拉力)的检验报告。
网架与网壳的制作和预拼装全套网架的制作网架的制作均在工厂进行,一般将网架的杆件和节点编制各种加工零部件。
作分为三部分。
一、准备工作1.根据网架设计图编制件零部件加工图和数量;2.制定零部件制作的工艺规程;3.对进厂材料进行复查,如钢材的材行、规格进行检查,检查是否符合规定;二、零部件加工根据网架的节点连接不同,零部件加工方法也不同,现分叙如下: 1.螺栓球节点螺栓球节点网的零部件要有:杆件(包括锥头或封板、或,高强螺栓),钢球套筒等。
(1)杆件由钢管、锥头(或封板),高强螺栓组成,杆件的制作工艺过程如下:采购钢管f检验材质、规格f下料、倒坡口f与锥头(或封板)组装,组装时将高强螺栓放在钢管内f点焊f焊接f检验(2)钢球出45号钢成,加工工艺流程如下:圆钢加热f锻造毛坯一正火处理一加工定位螺孔(M20)及其平面f 加工各螺纹孔及平面f打加工工号f打球号螺纹孔及其平面如工流程如下:铳平面f钻螺纹底孔f倒角f丝锥攻螺纹。
螺纹孔及其平加工宜采用加工中心机床,其转角误差不得大于10'o(3)锥头和封板加工工艺流程如下:锥头:钢材下料一胎模锻造毛坯一正火处理一机械加工.封板:钢板下料一正火处理一机械加工.(4)套简加工工艺流程如下成品钢材下料一胎模锻造毛坯一正火处理-->机械加工一防腐处理高强螺栓由螺栓制造厂供应,入厂时应进行抽样检查。
2.焊接空心球节点焊接空心球节点的零部件有:杆件和空心球(1)杆件的加工工艺流程如下:钢管f下料f坡口加工杆件的下料应预留焊接收收缩量,以减少网架拼装时的误差。
影响焊接收缩量的因素很多,如焊逢厚度,焊接时电流强度、气温、焊方法等。
应根据经验和现场加工情况通过试验确定。
一般每条焊缝放1.5-3.Smm o若不设衬管时.为2~3mm0(2)空心球加工工艺流程如下:下料f加热f冲压f切边f对装f焊接f整形肋板下料一挖孔下料坯料直径D:下式计算D1=1.414D+C式中:D一空心球直径,(见图I)C一加工坡口余量,取C=3mm三、零部件质量检验网架妁零部件都必须进行加工质量和几何尺寸检香,经检查后打上号钢印。
1焊接球节点加工制作方案本工程主楼屋盖采用加强层(双层)网架结构和焊接空心球节点,钢屋盖采用万向球铰支座与柱顶连接;北指廊钢屋盖采用焊接球网架结构,钢屋盖采用钢球铰支座与柱顶连接。
根据受力情况,采用了不加肋空心球(WR)和加肋空心球(WSR)两种,焊接球共计约3.7万个。
根据焊接球成型特点,采用热压成型,其加工制作重点在于如何控制球体壁厚的减薄以及怎样保证球体的直径、圆度和表面质量、焊缝质量等。
对于球体壁厚的减薄量的控制,根据以往类似工程施工经验,热成型焊接球球体壁厚的减薄量约为(-0.015~0.05t,t为壁厚),球体坯料经过热成型后,整体发生变形,半球壁厚近坡口处不但不会减薄反而略有增加(1.015t),半球底部减薄则不明显,减薄后壁厚约为0.95t,本工程焊接球壁厚最厚为30mm,为此,正式加工制作前将选用32mm、30mm两种厚度钢板进行减薄量试验,根据实验结果选定制作焊接球坯料厚度,从而保证焊接球减薄量符合招标文件、设计图纸及规范标准的要求。
拟选择Y字柱柱顶球节点阐述其加工制作工艺。
另外,柱顶球节点下部与Y字柱连接处的耳板厚度达100mm,且通过销轴与Y字柱进行连接,轴类零件的技术要求主要是支承轴颈和配合轴颈的尺寸精度和形位精度,几何形状精度主要是圆度和圆柱度,一般要求限制在直径公差范围之内。
相互位置精度主要是同轴度和圆跳动;保证配合轴颈对于支承轴颈的同轴度,是轴类零件位置精度的普遍要求之一,因此,此耳板销轴孔的加工精度是此节点加工制作的一个重点。
1.1焊接球加工制作工艺流程原材料检验肋板下料半球坯料下料热压成型打磨尺寸检查脱模坡口处理球体组装焊接无损检测整形、除锈检测报告检查、编号整形、除锈运输1.2 焊接球节点加工制作流程制作流程一:•采用数控切割机进行球半坯料的切割下料。
•切割后清除熔渣、鳞屑、不规则及过度硬化部位;气割边缘和尖角打磨至2mm左右的倒角。
端部垂直度:Δ≤2制作流程二:坯料加热•热压时,温度越高,壁厚的减薄量将增大,加热不均匀也会使球瓣局部减薄量增大,为了保证热压质量,必须控制加热温度,其温度高低由材料的成分和板厚决定,对于厚度在10~50mm之间的低合金钢材通常加热温度取900~1000℃,脱模时的温度应控制在650℃±50℃,过程中全程采用红外线测温仪测试温度。
中航通用飞机有限责任公司205总装厂房网架焊接专项方案编制:审核:审批:一、工程概况本工程为205号总装厂房主厂房屋面网架的安装。
主厂房平面尺寸180m×111m,跨度54m+57m(两个区域);区域一(54m跨,A轴线~B轴线)下弦标高18m,区域二(57m跨,B轴线~C轴线)下弦标高12m。
屋盖采用单层正放四角锥网架结构,焊接球节点,下弦周边支撑。
支承系统为钢筋混凝土柱加柱间支撑系统,区域一和区域二在两侧分别为A轴线和C轴线上的混凝土框架柱支撑,B轴线混凝土框架柱为两个区域共用。
结构A、B、C轴线框架柱柱距为12m。
主厂房屋盖设有多台10t、3t多支点悬挂吊车。
屋面网架安装区域为横向180m,纵向为111m,结构安装高度最高达22m。
结构自重较大,且杆件众多。
建设地点:珠海机场西二、焊接材料要求(1)钢网架安装的钢材、连接材料、焊条、焊丝、焊剂等,应符合设计的要求,并应有出厂合格证。
(2)钢网架安装用的空心焊接球、加肋焊接球、半成品小拼单元、杆件,以及橡胶支座等半成品,应符合设计要求及相应的国家标准的规定。
三、网架焊接操作工艺该工程焊接以全位置焊缝为主,部分接头存在俯焊,竖焊和仰焊相结合,根据我们单位多年来对网架施工经验,决定采用手工电弧焊封底和盖面。
采用上述焊接工艺的目的是由于手工电弧焊,在高空作业方便灵活。
焊接工艺流程图1、焊接机具手工电弧焊机,磨光机,焊条烘箱,碳弧气刨。
2、焊接材料焊条:E5016,直径ø3.2mm~ø4.0mm;3、网架上下弦管对接焊接工艺(1)网架上下弦及腹杆材质为Q345B钢材,焊接方式为手工电弧焊,上下弦杆对接及网架杆件与焊接球焊接是该工程焊接的重点,必须从焊前清理、组对、校正复验、预留焊接收缩量、定位焊、焊前防护、焊前清理、焊前预热、焊接、焊后处理与无损检测等工序严格控制,才能确保焊接质量全面达标。
(2)具体方法如下述1)清理、组对组对前用卡具对钢管同心度、圆率、纵向曲度认真复查核对,确认合格后,采用锉刀和砂布将坡口处管内外壁处仔细磨去锈蚀及污物。
复杂场地超大跨度螺栓球节点钢网架安装工法1.前言随着国民经济的飞速犮展,我国的建筑业得到了长足发展。
钢网架结构建筑从无到有,从小变大,从单调走向了今天形式越来越多样,高度、规模跨度越来越大。
目前,我国在体育场馆、机场、加油站等等很多跨度较大公共建筑中屋面采用钢网架结构,当前钢网架安装主要方法有满堂脚手架高空散装法、高空滑移法、分块安装高空对接、整体提升、高空散拼五种,但满堂脚手架高空散装法、高空滑移法、分块安装高空对接工法对场地宽度及平整度要求较高,整体提升法对起重机械布置、区域场地有特殊要求,高空散拼需视现场情况设临时支撑。
华建集团土木工程有限公司在西安长安汽车迁建总装一车间钢网架施工中,网架跨内可用场地狭窄且场地情况复杂,临时支撑难以设置,在此情况下大跨度螺栓球节点钢网架施工中便应用了局部整体吊装+高空散拼综合安装技术,在有限场地条件下结合了整体吊装不设支撑和高空散拼工法的吊机灵活布置且快捷的优点。
该工程网架设计跨度达到24m,总长416m,总重856.655t,单榀网架最大重量达到41.382t,在起重机械布置受限的情况下使用该工法取得了良好的效果,在保证了网架安装质量的同时,加快了施工进度,降低了施工成本,为今后类似工程施工提供借鉴,具有广阔的推广应用前景。
2.工法特点2.0.1 该工法对场地条件要求低,局部整平、满足起重机等支腿支设条件后即可施工。
2.0.2 起步单榀网架完成吊装后即进行高空拼装施工,工艺简单,施工灵活,操作简便,同时结构受施工影响较小,有效的减少累计误差。
2.0.3 施工工艺流程清晰,便于安装工掌握和操作,能提高工效,缩短工期。
2.0.4 保护环境。
网架结构构件均按照图纸编号在工厂加工制作,机械化生产程度高,生产精度高,运至施工现场能立即按照图纸编号进行现场拼装;施工时不产生废料、垃圾,现场整洁、文明,利于绿色施工,保护环境。
3.适用范围本工法适用于狭窄且复杂场地条件下螺栓球节点、空心球节点及螺栓连接的网架安装;也适用于起重运输较困难的场地下小拼单元用起重机吊至设计位置的拼装方法。
钢结构建筑球形网架搭建施工工艺下面是本店铺给大家带来关于钢结构建筑球形网架搭建施工工艺,以供参考。
焊接球地面安装,高空合拢法施工工艺:放线、验线→安装平面网格→安装立体网格→安装上弦网整体提升→网架高空合拢→网架验收。
一、放线、验线1.柱顶放线与验线:标出轴线与标高,检查柱顶位移,网架安装单位对提供的网架支承点位置、尺寸、标高经复验无误后才能正式安装。
2.网架地面安装环境应找平放样,网架球各支点应放线,标明位置与球号。
3.网架球各支点砌砖墩。
墩材可以是钢管支承点,也可以是砖墩上加一小截圆管作为网架下弦球支座。
4.对各支点标出标高,如网架有起拱要求时,应在各支承点上反映出来,用不同高度的支承钢管来完成对网架的起拱要求。
二、钢网架平面安装1.放球:将己验收的焊接球,按规格、编号放入安装节点内同时应将球调整好受力方向与位置。
一般将球水平中心线的环形焊缝置于赤道方向。
有肋的一边在下弦球的上半。
2.放置杆件:将备好的杆件,按规定的规格布置钢管杆件放置杆件前,应检查杆件的规格、尺寸,以及坡口、焊缝间隙将杆件放置在二个球之间,调整间隙,点固。
3.平面网架的拼装应从中心线开始,逐步向四周展开,先组成封闭四方网格,控制好尺寸后,再拼四周网格,不断扩大。
注意应控制累积误差,一般网格以负公差为宜。
4.平面网架焊接,焊接前应编制好焊接工艺和网接顺序,防止平面网架变形。
5.平面网架焊接应按焊接工艺规定,从钢管下侧中心线左边20-30mm 处引弧,向右焊接,逐步完成仰焊、主焊爬坡焊、平焊等焊接位置。
6.球管焊接应采用斜锯齿形运条手法进行焊接,防止咬肉。
7.焊接运条到圆管上侧中心线后,继续向前焊20-30mm处收弧。
8.焊接完成半圆后,重新从钢管下侧中心线右边20-30mm处反向起弧,向左焊接,与上述工艺相同,到顶部中心线后继续向前焊接,填满弧坑,焊缝搭接平稳,以保证焊缝质量。
三、网架主体组装1.检查验收平面网架尺寸、轴线偏移情况,检查无误后,继续组装主体网架。
钢网架结构安装1.1 本工艺标准适用于钢网架结构高空散装法,高空滑移法或地面拼装总体吊装(提升)等安装工艺。
2.1 材料2.1.1 钢网架安装的钢材与连接材料,高强度螺栓、焊条、焊丝、焊剂等,应符合设计的要求,并应有出厂合格证。
2.1.2 钢网架安装用的空心焊接球、加肋焊接球、螺栓球。
半成品小拼单元、杆件,以及橡胶支座等半成品,应符合设计要求及相应的国家标准的规定。
2.2 主要机具:电焊机、氧-乙炔切割设备、砂轮锯、杆件切割车床、杆件切割动力头、钢卷尺、钢板尺、卡尺、水准仪、经纬仪、超声波探伤仪,磁粉探伤仪、提升设备、起重设备、铁锤、钢丝刷、液压千斤顶、倒链等工具。
2.3 作业条件:2.3.1 安装前应对网架支座轴线与标高进行验线检查。
网架轴线、标高位置必须符合设计要求和有关标准的规定。
2.3.2 安装前应对柱顶混凝土强度进行检查,柱顶混凝土强度必须符合设计要求和国家现行有关标准的规定以后,才能安装。
2.3.3 采用高空滑移法时,应对滑移轨道滑轮进行检查,滑移水平坡度应符合施工设计的要求。
2.3.4 采用条、块安装,工作台滑移法时,应对地面工作台、滑移设备进行检查,并进行试滑行试验。
2.3.5 采用整体吊装或局部吊装迭时,应对提升设备进行检查,对提升速度、提升吊点、高空合拢与调整等工作作好试验,必须符合施工组织设计的要求。
2.3.6 采用高空散装法时,应搭设满堂红脚手架,并放线布置好各支点位置与标高。
采用螺栓球高空散装法时,应设计布置好临时支点,临时支点的位置、数量应经过验算确定。
2.3.7 高空散装的临时支点应选用千斤顶为宜,这样临时支点可以逐步调整网架高度。
当安装结束拆卸临时支架时,可以在各支点间同步下降,分段卸荷。
3.1 螺栓球正方四角锥网架高空散装法:3.1.1 工艺流程:放线、验线→安装下弦平面网络→安装上弦倒三角网络→安装下弦正三角网络→调整、紧固→安装屋面帽头→支座焊接、验收3.1.2 放线、验线与基础检查:3.1.2.1 检查柱顶混凝土强度。
钢结构网架制作与安装一、施工操作工艺(一)矫正、放样、下料1.钢材应按设计和施工规范规定的变形偏差值用压力机,平板机或人工矫正,以保证平直。
2.钢材在下料前,应进行看书拱的计算。
杆件的下料长度计算以及节点的放样等,制成样板样杆。
3.钢管杆件应用机床下料,下料长度应预加收缩余量,收缩量包括杆件的焊接收缩变形量和球节点的焊接收缩量,应通过试验确定。
一般加衬管时,每条焊缝放1.5—3.5mm;不加衬管时,每条焊缝放1.0—2.0mm。
当钢管壁厚超过4mm时,同时用机床加工成坡口。
当用角钢杆件时,同样应预留焊接收缩量,下料时可用剪床或割刀。
4.焊接球节点的半圆班干部,应用机床剖口。
焊接后的成品表面应光滑平整,不应有局部凸起或折皱。
节点球的允许偏差:直径±2mm;不圆度±2mm;壁厚不均匀度10%;对口错边量1mm。
5.经检查合格的钢球,应放在专用平台上,用划线工具在球面划出杆件的装配线,并打好标记、报验。
加衬管的钢球,在复查合格后加衬管并重新报验确认。
6.将各杆件上的铁锈、飞刺、油污、脏物等清理干净,并按安装图编号、备用。
(二)小拼或单元拼装1.根据网架结构的施工原则,小拼及单元拼装均宜在工厂内制作。
小拼或单元拼装单元划分的原则是:尽量增大工厂焊接工作量的比例;应将所有节点都焊在小拼单元上,网架总拼时仅连接杆件。
2.网架的小拼或单元体拼装应在专用拼装模架上进行,模架可用平台型或转动型,以保证结构形状、几何尺寸的准确和互换性。
3.单元体制作的顺为:先平面,后空间;从中间向两边,从下到上进行,尽量减小焊接应力和焊接变形。
应严格控制分条或分块的网架单元的尺寸准确,以保证高空总拼时节点的吻合和减少误差积累。
4.单元体制作完成后,经测量报验,标上编号,划出安装定位线等,以备总拼。
5.小拼单元体的允许偏差:空心球节点与钢管中心允许偏移为2mm;分格或分块的网架单元,当长度小于或等于20m时,拼装边长度允许误差为±5mm;长度大于20m时,拼接边长度允许误差为±10mm。
焊接球网架拼装顺序与三维定位一、网架的组拼焊接顺序在完成一个网格后进行统一焊接,同时进行下一个网格的组拼作业正在正在一正在正在组拼焊接已经组拼焊接完毕焊接组拼拼装焊接流程示意图焊接顺序为由中间向两侧展开,已利于结构内内应力的释放焊接时先焊接下弦球,再焊接上弦球。
二、网架地面拼装与精度控制网架拼装工艺流程:成品杆件、焊接球进场T现场检验T网架地面整体拼装T拼装检验根据图纸中球节点求出下弦球的Z坐标和高差,再根据中心区要拼网架球的大小在地面上摆放砖垛,砖垛上分别测定中心十字线,用钢管定位环确定球节点的位置,并连接拼装节点间的杆件,形成下弦四边形单元网格,再用三根腹杆将上弦中心球定位,使上弦球中心与地面投影中心位置吻合,连接拼装的其它两根杆件,形成一个小单元基准控制点。
每个区域的网架拼装时,每个区域的网架拼装时,都按“下弦一一腹杆一一上弦”“中间两端(跨度方向)两端(非跨度方向)”的拼装顺序进行拼装。
摆放时,必须把钢球的规格与编号了解的心中有数,避免编号与实体不符,而造成不必要的窝工或返工。
拼装时,首先把下弦杆件与钢球点焊在一起,形成方框后,用钢尺、水准仪检测网架的几何尺寸,检查无误后,方可继续下格网架的拼装。
拼装下弦网格的同时,在地面上可以点焊“人字”,安装完上弦后,安装“人字”,然后安装网架上弦杆件。
安装完一个网格后,用钢尺复测下几何尺寸,如无误后,依次类推继续拼装下个网格。
直至网架拼装完毕。
三、拼装胎具搭建本工程的地面整体拼装支垛采用砖支垛,摆放时利用经纬仪放线控制支垛位置,并用水准仪控制砖支垛咼度,整跨最咼砖支垛标咼为500mm且拼装前要把拼装时用到的钢尺、卷尺及经纬仪、水准仪等仪器进行精确校正。
砖支垛详图见如下图所示,砖支垛抗压计算公式如下:普通砖的抗压设计值为f=2.07MPa;砖垛高为H=0.3米;砖垛宽为B=0.24米;B =nX H/B=1X 300/240=1.25;A=0.24 X 0.24=0.058m2;N U=Cxpx A XnX f=1 x 0.058 x 0.758 x 106x 2.07 x 10-3x 0.7=65.9kN;本网架总重量约为1250吨共计下弦球3142个,每个下弦球下面的砖受力为39.7kN v 65.9kN,完全满足拼装要求砖支垛详图为了防止砖垛支撑位置下沉,砌筑砖垛前要对该位置进行夯实。
中铁三局集团建安公司施工工艺标准QB/SJ-SG1105-2005焊接球节点钢网架制作拼装━━━━━━━━━━━━━━━━━━━━━━━━━1 适用范围本工艺标准适用于焊接球节点的钢网架制作拼装工程。
2 施工准备2.1 材料2.1.1 钢材、钢铸件的品种、规格、性能等应符合现行国家产品标准和设计要求。
进口钢材产品的质量应符合设计和合同规定标准的要求。
应有质量合格证明文件和检验报告。
钢材表面的锈蚀、麻点或划痕等缺陷,其深度不得大于该钢材厚度负偏差值的1/2;钢材的端边断口处不应有分层、夹渣等缺陷。
对属于下列情况之一的钢材,应进行抽样复验,复验结果应符合现行国家产品标准和设计要求。
1)国外进口钢材;2)钢材混批;3)板厚等于或大于40mm,且设计有Z向性能要求的厚板;4)建筑结构安全等级为一级,大跨度钢结构中主要受力构件所采用的钢材;5)设计有复验要求的钢材;6)对质量有疑义的钢材。
2.1.2 连接材料焊接材料、螺栓的品种、规格、性能等应符合国家现行产品标准和设计要求。
有质量合格证明文件和检验报告。
焊条外观不应有药皮脱落、焊芯生锈等缺陷;焊剂不应受潮结块。
锈蚀、碰伤或混批的高强螺栓不得使用。
2.1.3 涂装材料防腐涂料、防火涂料的品种、规格、性能等应符合设计要求和国家现行有关标准的规定。
有质量合格证明文件和检验报告。
2.1.4 焊接球及制造焊接球所采用的原材料,其品种、规格、性能等应符合现行国家产品标准和设计要求。
2.2 机具电焊机、氧乙炔切割设备、砂轮锯、杆件切割车床、杆件切割动力头、钢卷尺、钢板尺、卡尺、水准仪、经纬仪、超声波探伤仪或磁粉探伤仪、倒链、铁锤、钢丝刷、烤箱、保温箱等。
2.3 作业条件2.3.1 焊工必须经考试合格,并取得有相应焊接材质与焊接部位的资格证书。
2.3.2 按设计要求和工程特点编制网架施工技术方案,熟悉图纸,做好安全和技术交底。
公司标准化委员会2005-06-01批准2005-07-01实施·485·QB /SJ -SG1105-2005中铁三局集团建筑安装工程有限公司·486·2.3.3 拼装前应对拼装胎模进行检测,防止胎位移动和变形。
拼装胎位应留出焊接变形余量,防止拼装杆件长度、角度变形。
2.3.4 网架所用的焊接球、管材、支座、焊条等均已进场。
2.3.5 网架制作、检查、验收及所用的量具精度应一致,并经计量部门检定。
3 操作工艺 3.1 工艺流程→→→→→3.2 作业准备3.2.1 焊接球加工时,应做好加热炉、焊接球压床、工具、夹具等准备。
3.2.2 焊接球半圆胎架的制作与安装。
3.2.3 焊接设备的选择与焊接参数的设定,采用自动焊时,自动焊设备的安装与调试;氧——乙炔设备的安装。
3.2.4 焊条或焊剂应进行烘烤与保温。
3.3 球加工及检验3.3.1 球材下料尺寸控制,并应放出适当余量。
3.3.2 焊接球材加热应均匀,加热温度以600~900℃为宜。
3.3.3 加热后的钢材放到半圆胎架内,逐步压制成半圆形球,压制过程中应尽量减少压薄区的压薄量,压制时氧化铁皮应及时清理,半圆球在胎架内可变换位置。
3.3.4 半圆球脱胎冷却后,应对半圆球用样板修正弧度,然后按半径切割半圆球的平面,并留出拼圆余量。
3.3.5 半圆球修正、切割后,坡口角度与形式应符合设计要求。
3.3.6 加肋焊接球拼装前应加肋环焊接,肋环高度不应小于球壁厚度。
3.3.7 球拼装时应有定位胎具,保证球的直径尺寸和球的圆度一致。
3.3.8 拼好的球放在焊接支架上,两边各钻一小孔固定钢球,并能随手慢慢旋转,然后用半自动埋弧焊机(也可以用气体保护焊机)对钢球进行多层多道焊接,直至焊道焊平为止。
3.3.9 焊缝外观检查合格,在24h 之后对钢球焊缝进行焊缝探伤检验,并对各种规格球作强度试验。
3.4 杆件加工及检验3.4.1 钢管杆件的外观尺寸、品种、规格应符合设计要求,在下料时应考虑焊接收缩余量。
3.4.2 杆件下料后应检查是否弯曲,如有弯曲应加以校正。
杆件下料后应开坡口,焊接球杆件壁厚在5mm 以下,可不开坡口。
3.4.3 杆件在制作完毕后应涂刷防锈漆,焊接部位留出50mm 不涂刷;杆件应及时编号,同一品种、规格的杆件应码放整齐。
3.5 小拼单元3.5.1 钢网架小拼前,应对已拼装的焊接球分别进行强度试验,符合规定后方能开始小拼。
3.5.2 对小拼场地清理,以及按小拼单元的尺寸,形态位置进行放样、画线。
根据编制好的小拼方案制作定位胎具,应做到装配和脱胎方便。
QB/SJ-SG1105-20053.5.3 拼装焊接时应防止变形,复验各部拼装尺寸。
3.5.4 焊接球网架有加衬管和不加衬管两种,凡需加衬管的部位,应备好衬管,先在球上定位点固;如采用不加衬管时,应采用单面焊接双面成型的工艺。
3.5.5 焊接球网架小拼后应焊接牢固,焊缝饱满、焊透,焊波均匀一致。
焊缝经外观检查后,应进行超声波探伤检验。
3.6 中拼单元3.6.1 焊接球网架施工中,可以在地面采用条形中拼、块形中拼、立体单元中拼等形式。
3.6.2 控制中拼单元的尺寸和变形,中拼单元拼装后应具有足够刚度,并保证自身的几何不变性,否则应采取临时加固措施。
3.6.3 为保证网架顺利拼装,在条与条或块与块合拢处,可采用安装螺栓等措施。
3.6.4 搭设中拼支架时,支架上的支撑位置应设在下弦节点处,支架应验算其承载力和稳定性。
3.7 钢网架拼装焊接3.7.1 焊接球网架拼装前应编制好焊接工艺和焊接顺序。
焊接工艺内容有电流、电压、运条方法、焊接层数和道数、焊缝坡口、间隙等内容;焊接顺序是指拼装各节点之间的焊接,以控制构件的变形量。
3.7.2 钢网架拼装焊接技术难度大,质量要求高,焊工必须具有全位置焊工考试合格证,方能上岗。
3.7.3 钢网架施焊操作应符合下列规定:1)钢管与钢球焊接时,起弧应在钢管底部中心线左侧20~30mm处,引弧应在焊道内引弧,防止烧伤母材。
2)引弧后向右边运条焊接,采用斜锯齿形运条法,防止铁水流失和咬肉;采用反向的斜锯齿形运条手法时,应防止熔渣倒流。
3)当焊条焊至1/4圆处,可改为月牙形运条手法,当接近上部时,应采用反向的斜锯齿形运条手法,防止咬肉。
4)焊缝收弧应在焊缝超过中心线20~30mm处熄弧,不必完全填满弧坑。
5)接着焊接钢管另外半部,从钢管底部中心线右侧20~30mm处引弧焊接,向左运条,采用锯齿形运条手法,逐步向左向上焊接,直到近1/4圆处改为月牙形运条手法,当焊到上部时,再采用反向的锯齿形运条手法,使焊缝成型美观、饱满。
6)收弧。
当焊条逐步焊到上半部时,应继续焊过中心线20~30mm,覆盖上一道焊缝,直到填满弧坑为止。
7)当采用多道焊或焊道坡口尚未填满时,应清理焊道熔渣后,按上述顺序继续焊接,直到达到焊缝规定的尺寸为止。
8)钢网架拼装后对焊缝外观质量进行检查,咬肉深度不得超过0.5mm,焊缝24h后用超声波探伤检验。
4 质量检验标准4.1 一般规定4.1.1 钢网架结构安装工程可按变形缝、施工段或空间刚度单元划分成一个或若干检验批。
4.1.2 钢网架结构安装检验批应在进场验收和焊接连接、紧固件连接、制作等分项工程验收合格的中铁三局集团建筑安装工程有限公司·487·QB /SJ -SG1105-2005中铁三局集团建筑安装工程有限公司·488·基础上进行验收。
4.1.3 安装的测量校正、高强度螺栓安装、负温度下施工及焊接工艺等,应在安装前进行工艺试验或评定,并应在此基础上制定相应的施工工艺或方案。
4.1.4 安装偏差的检测,应在结构形成空间刚度单元并连接固定后进行。
4.1.5 安装时,必须控制屋面、楼面、平台等的施工荷载,施工荷载和冰雪荷载等严禁超过梁、桁架、楼面板、屋面板、平台铺板等的承载能力。
4.2 主控项目4.2.1 钢材、钢铸件的检验检查数量:全数检查。
检验方法:检查质量合格证明文件、中文标志及检验报告等。
对于进行抽样复验钢材: 检查数量:全数检查。
检验方法:检查复验报告。
4.2.2 焊接材料 检查数量:全数检查。
检验方法:检查焊接材料的质量合格证明文件、中文标志及检验报告等。
4.2.3 焊接球及制造焊接球所采用的原材料,其品种、规格、性能等应符合现行国家产品标准和设计要求。
检查数量:全数检查。
检验方法:检查产品的质量合格证明文件、中文标志及检验报告等。
4.2.4 焊接球焊缝应进行无损检验,其质量应符合设计要求,当设计无要求时应符合《钢结构工程施工质量验收规范》GB50205中规定的二级质量标准。
检查数量:每一规格按数量抽查5%,且不应少于3个。
检验方法:超声波探伤或检查检验报告。
4.2.5 焊条、焊丝、焊剂、电渣焊熔嘴等焊接材料与母材的匹配应符合设计要求及国家现行行业标准《建筑钢结构焊接技术规程》JGJ81的规定。
焊条、焊剂、药芯焊丝、熔嘴等在使用前,应按其产品说明书及焊接工艺文件的规定进行烘焙和存放。
检查数量:全数检查。
检验方法:检查质量证明书和烘焙记录。
4.2.6 焊工必须经考试合格并取得合格证书。
持证焊工必须在其考试合格项目及其认可范围内施焊。
检查数量:全数检查。
检验方法:检查焊工合格证及其认可范围、有效期。
4.2.7 设计要求全焊透的一、二级焊缝应采用超声波探伤进行内部缺陷的检验,超声波探伤不能对缺陷做出判断时,应采用射线探伤,其内部缺陷分级及探伤方法应符合现行国家标准《钢焊缝手工超声波探伤方法和探伤结果分级法》GB11345或《钢熔化焊对接接头射线照相和质量分级》(GB3323)的规定。
焊接球节点网架焊缝及圆管T、K、Y形节点相关线焊缝,其内部缺陷分级及探伤方法应分别QB /SJ -SG1105-2005中铁三局集团建筑安装工程有限公司·489·符合国家现行标准《焊接球节点钢网架焊缝超声波探伤方法及质量分级法》(JBJ /T3034.1)、《螺栓球节点钢网架焊缝超声波探伤方法及质量分级法》(JBJ /T3034.2)、《建筑钢结构焊接技术规程》(JGJ81)的规定。
一级、二级焊缝的质量等级及缺陷分级应符合表4.2.7的规定。
检查数量:全数检查。
检验方法:检查超声波或射线探伤记录。
表4.2.7 一、二级焊缝质量等级及缺陷分级注:探伤比例的计数方法应按以下原则确定:⑴.对工厂制作焊缝,应按每条焊缝计算百分比,且探伤长度应不小于200mm ,当焊缝长度不足200mm 时,应对整条焊缝进行探伤;⑵.对现场安装焊缝,应按同一类型、同一施焊条件的焊缝条数计算百分比,探伤长度应不小于200mm ,并应不少于1条焊缝。
4.2.8 焊缝表面不得有裂纹、焊瘤等缺陷。