泳池水处理设备选型计算书
- 格式:doc
- 大小:90.00 KB
- 文档页数:16
一、室外泳池循环流量计算书:1、泳池专业循环水泵的设计项目参数循环水泵选型计算室外泳池尺寸面积:900㎡容积:1650m31.拟采用循环水泵参数H=15M ,Q=70m3/h ,N=6.7 KW2.拟选用水泵数量245.6m3/h÷70m3/h.台≈4台3.结论采用4台9HP(H=15M,Q=70m3/h )水泵能够满足室外泳池循环处理流量要求。
循环周期6h/次循环流量275m3/h给水流速2m/s2、室外泳池过滤系统的确定:项目参数过滤器选型计算室外泳池尺寸面积:900㎡容积:1650m31. 拟采用硅藻土过滤器参数DE1200:选用硅藻土滤料,滤速≤5m/h,取值5m/h,过滤面积20.5m2,过滤流量102.5m3/h.台2. 拟选用硅藻土过滤器275m3/h÷102.5m3/h.台≈3台3. 结论采用3台DE-1200硅藻土过滤器能够满足室外泳池池循环处理流量要求。
循环周期6h/次循环流量275m3/h滤速5m/h3、室外泳池消毒系统计算项目参数投药系统选型计算泳池尺寸面积:900㎡容积:1650m31.消毒剂采用次氯酸纳溶液,药剂有效成分20%,设计投加率3mg/L,投加浓度10%,次氯酸钠投加总量为:(275m3/h×3 mg/L)/ (15%×1 Kg/L×20%)/1000 =27.5L/h2. PH值调整剂采用Na2CO3和HCL溶液:Na2CO3溶液投加浓度10%,设计投加率3mg/L;HCL溶液投加浓度3%,设计投加率2mg/L;Na2CO3投加量为:275m3/h×3 mg/L) /(10%×1Kg/L)=7.4L/hHCL投加量为:(275m3/h×2 mg/L) /(3%×1 Kg/L)=16.4L/h3. 选最大投药药量30L/h混凝剂计量泵1台、次氯酸纳计量泵1台、PH调整剂计量泵1台。
随着我国经济的发展和人们生活水平的提高,人们健身保健意识的增强,游泳已经不仅仅是一项体育比赛,越来越多的人喜欢游泳健身。
近年来各种的公众泳池、私家泳池、沐浴、SPA的增多,因此,人们对泳池水温加热恒温设备在节能、环保方面的要求随之越来越高。
1、前言随着我国经济的发展和人们生活水平的提高,人们健身保健意识的增强,游泳已经不仅仅是一项体育比赛,越来越多的人喜欢游泳健身。
近年来各种的公众泳池、私家泳池、沐浴、SPA的增多,因此,人们对泳池水温加热恒温设备在节能、环保方面的要求随之越来越高。
目前很多的室内外标准泳池、娱乐性泳池、按摩池、桑拿池等都考虑要求具有恒温功能的设施,在冬季能投入使用。
在室外温度较低时,泳池水对外散发大量热量,使池水温度降低。
泳池水恒温所需耗热量的计算,是一项很复杂的工作,因为泳池表面散热、补充水量的耗热、泳池与池壁传热等过程是一种复杂的过程。
我司专门从事室内、外泳池、按摩池、桑拿池等热水恒温设备开发生产,在此以某一工程项目作为例子,对泳池散热计算进行分析参考。
2、泳池热泵工作原理所谓泳池热泵,就是采用耐腐蚀强的钛管的水换热器,与普通热泵相同的原理,使泳池水得到加热并保持恒温状态。
风冷热泵泳池热水机(简称泳池机)是目前世界上一种新型、先进、能效比高的热水加热设备之一。
①、高效率节能:热泵不是热能的转换设备,而是热量的搬运设备,利用逆卡诺循环的原理,把热量从低温中传输到高温中去,因此热泵在由低温向高温传热过程中能够产生几倍增的能量。
②、超节能产品:输入1度电可输出3-4度电的能量。
③、大功率:单机输出功率大能满足各类大功率加热或制冷的场合,占地面积小。
④、使用寿命长:主机正常寿命高达15-20年。
⑤、安全性能高:水电隔离、无明火、无漏电、确保人身安全,因此是最安全的产品。
⑥、绿色环保:采用热泵技术,与其它常规热水设备(如:燃油锅炉、燃气锅炉、电锅炉等)相比可节省65%~80%的运行费,对环境无污染。
一、室外泳池循环流量计算书:
1、泳池专业循环水泵的设计
2、室外泳池过滤系统的确定:
3、室外泳池消毒系统计算
二、室内恒温泳池循环流量计算书:
1、泳池专业循环水泵的设计
循环泵选型:
2、室内恒温泳池过滤系统的确定:
3、室内恒温泳池消毒系统计算
4、臭氧消毒计算四、臭氧消毒计算
三、室内按摩池循环流量计算书:
1、泳池专业循环水泵的设计
循环泵选型:
2、室内按摩池过滤系统的确定:
3、室内按摩池消毒系统计算
-
四、室内恒温池热负荷
泳池区水面蒸发损失的热负荷
池底、池壁管道和设备等传导损失的热负荷
补充水加热需要的热负荷容积*10%*20*1000/24
(补充水量按10%水容积考虑,补水温差20oC,补水时间按一天24小时计)
游泳池热水每小时维持水温所需总热负荷
泳池水加热需要的热负荷
五、按摩池区水面蒸发损失的热负荷
池底、池壁管道和设备等传导损失的热负荷
补充水加热需要的热负荷容积*10%*20*1000/24
(补充水量按10%水容积考虑,补水温差20oC,补水时间按一天24小时计)
池热水每小时维持水温所需总热负荷
池水加热需要的热负荷
2个按摩池初次加热需要的总热负荷为280KW 恒温泳池初次加热需要的热负荷为331KW ,按摩池和恒温泳池可不同时进行加热,需要锅炉的总热负荷为480KW。
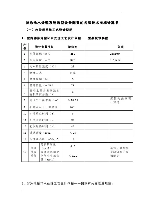
游泳池水处理系统选型设备配置的各项技术指标计算书(一)水处理系统工艺设计说明1、室内游泳池循环水处理工艺设计依据——主要技术参数2、游泳池循环水处理工艺设计依据——国家有关标准及规范:《国际游泳联合会标准》FINA1998-2000《建筑给水排水设计规范》GB50015-2003《游泳池给水排水工程技术规程》CJJ122-2008《美国国家公共游泳池标准》ANSI/NSPI-1 1991 《游泳池水质标准》CJT244-20163、游泳池循环水处理工艺设计依据——水质处理标准:所有水池水质处理符合游泳池协会(..............)的规定《游泳池池水................FINA卫生标准表》......(二)室内游泳池水处理系统设计技术指标计算书1、循环水量的确定:循环水量的确定:游泳池池容积:V = 375m3依据规范:循环周期:T = 4~6h 取5h;循环管道及及设备水容积附加系数:αad=1.05~1.10,取1.05;则:Q=αad V/T=79m3/h2、游泳池外围循环给水管道系统水头损失计算:布水口参数:出水压力:0.02~0.05MPa;布水口形式:进水量可调,调节范围0~8 m3/h;布水方式:池底均匀布置,沿横向(长边)间距为3.0m,沿纵向(短边)间距为2.5m;进水口数量:共24个给水口,每个流量平均约3.29m3/h。
经经验计算,总水头损失:≤2.0mHO。
23、初次充水与水池泄空水量及管径确定:●按照规范有关要求:初次充水时间按24h计算,则初次充水量Q=375m3/24h =15.6m3/h,选用1根De75市政加水管。
●按照规范有关要求:水池放空时间按8h计算,则放水量Q=375 m3/8h =46.9 m3/h;选用一根De110的泄空管。
4、均衡水池有效容积计算:依据《游泳池和水上游乐池给水排水设计规程》第 5.6.3条,循环系统管道和循环系统设备都处于泳池水平面以下,当泳池初次补水时,它们均处于有压状态之下,故只要打开阀门,都可以充满水,所以在计算均衡水池有效容积时,可把这一部分的水容积省略不算,则:V b=V1+V2+V3(V3=As•t O)+v4其中:V1=14x1.13x3.6x8/60=7.59 m3 (8min反冲洗用水量)V2=79×5/60=6.58m3(循环泵5min出水量)V3=250×0.010=2.5m3(溢流回水时附加的水容积)V4=71人×0.056=3.98m3(游泳者入池后所排出的水量m3,每位游泳者按0.056m3计)均衡水池有效容积应>V b=7.59+6.58+2.5+3.98=20.65m3本工程设计均衡水池容积为24 m3>20.65m3,满足要求。
泳池计算书游泳池给排水计算书:一、设计依据:1.设计规范:《建筑给水排水设计规范》(GB50015-2003)《游泳池和水上乐园给水排水设计规程》(CECS14∶2002)2.工艺条件图:建筑中间图。
二、设计范围本设计包括下列设计内容:1.循环给水系统2.加热系统3.补水系统4.加药系统5.消毒系统三、循环给水系统1.设计参数:循环周期T=6小时2.游泳池体积V=40×15×(1.5+1.6)/2=930m33.循环流量:930×(1+0.07)/6=165.85m3/h设计循环流量:180m3/h4. 选用过滤砂罐:为直径1.2米,选用4个。
其过滤面积为:1.131m2 (550mm:0.238 650mm:0.33)过滤速度为:V=180/(4×1.131)=40m/h,符合规程要求30-405. 选用水泵:N=5.5KW×4扬程:H=20M流量:Q=45 m3/h由设计循环流量为7m3/h查表得:水泵吸水管径DN250流速:180/3600/3.14/0.125/0.125=1.02m/s,满足要求1.0—1.5m/s。
布水管的管径DN250流速:180/3600/3.14/0.1/0.1=1.02m/s,满足要求1.5—2.5m/s。
6. 均衡水池:净化系统管道和设备内水容积之和V1=4×3.142×0.6×0.6×1+3.142×0.1×0.1×100=7.67 m3V1水泵的5分钟流量:180×5/60=15m3设计均衡水池为30m3。
四、加热系统:1.水池的热损失计算:游泳池水表面蒸发损失的热量。
按下式计算:Qx=α·у(0.0174vf +0.0229)(Pb-Pq) A(760/B) (7.1.2)式中 Qx——游泳池水表面蒸发损失的热量(kJ/h);α——热量换算系数,α=4.1868 kJ /kcal;у——与游泳池水温相等的饱和蒸汽的蒸发汽化潜热(kcal/kg);vf ——游泳池水面上的风速(m/s),一般按下列规定采用:室内游泳池0.2~0.5 m/s;露天游泳池vf =2~3 m/s;Pb——与游泳池水温相等的饱和空气的水蒸汽分压力(mmHg);Pq——游泳池的环境空气的水蒸汽压力(mmHg);室内10.2室外1.5A——游泳池的水表面面积(m2);B——当地的大气压力(mmHg)。
一、室外泳池循环流量计算书:1、泳池专业循环水泵的设计项目参数循环水泵选型计算室外泳池尺寸面积:900㎡容积:1650m31.拟采用循环水泵参数H=15M ,Q=70m3/h ,N=6.7 KW2.拟选用水泵数量245.6m3/h÷70m3/h.台≈4台3.结论采用4台9HP(H=15M,Q=70m3/h )水泵能够满足室外泳池循环处理流量要求。
循环周期6h/次循环流量275m3/h给水流速2m/s2、室外泳池过滤系统的确定:项目参数过滤器选型计算室外泳池尺寸面积:900㎡容积:1650m3 1. 拟采用硅藻土过滤器参数DE1200:选用硅藻土滤料,滤速≤5m/h,取值5m/h,过滤面积20.5m2,过滤流量102.5m3/h.台2. 拟选用硅藻土过滤器275m3/h÷102.5m3/h.台≈3台3. 结论采用3台DE-1200硅藻土过滤器能够满足室外泳池池循环处理流量要求。
循环周期6h/次循环流量275m3/h 滤速5m/h3、室外泳池消毒系统计算项目参数投药系统选型计算泳池尺寸面积:900㎡容积:1650m3 1.消毒剂采用次氯酸纳溶液,药剂有效成分20%,设计投加率3mg/L,投加浓度10%,次氯酸钠投加总量为:(275m3/h×3 mg/L)/ (15%×1 Kg/L×20%)/1000 =27.5L/h2. PH值调整剂采用Na2CO3和HCL溶液:Na2CO3溶液投加浓度10%,设计投加率3mg/L;HCL溶液投加浓度3%,设计投加率2mg/L;Na2CO3投加量为:275m3/h×3 mg/L) /(10%×1Kg/L)=7.4L/h HCL投加量为:(275m3/h×2 mg/L) /(3%×1 Kg/L)=16.4L/h 3. 选最大投药药量30L/h混凝剂计量泵1台、次氯酸纳计量泵1台、PH调整剂计量泵1台。
室内恒温游泳池水处理系统设计计算书一、工程设计依据:1. 本工程设备选型方案设计落实实施国家现行工程建设设计规范标准, 即:《建筑给水排水设计规范》(GB50015-)《游泳池和水上游乐池给水排水设计规范》(CECS 14:)《水上游乐设施通用技术条件》(GB18168-)《公共浴室给水排水设计规程》(CECS108:)《建筑物电气装置游泳池和其她水池设计规范》(GB16895.19-)《建筑给水硬聚氯乙稀管道工程技术规程》(CECS41:)2. 本工程施工安装设计落实实施国家现行工程建设设计规范标准, 即:《建筑给水排水设计规范》(GB50015-)《给水排水管道工程施工及验收规范》(GB50268-97)《工业管道工程施工及验收规范》(GB50235-97)《现场设备、工业管道焊接工程施工及验收规范》(GBJ236-82)3. 本工程设计参考其她依据, 即:《建筑给水排水设计手册》《给水排水工程施工手册》《锅炉房设计规范》(GB50041-92)4. 本工程设计施工技术支持, 即:西班牙ASTRALPOOL INTERNATIONAL ASTRAL EXPORT企业西班牙LINYA企业美国HAYWARD POOL PRODUCTS企业澳大利亚ONGA企业美国PENTAIR企业美国CHEMTRAL企业法国SCHNEIDER-ELECTRIC企业等5. 本系统符合中国相关部门要求, 即:《人工游泳池池水水质卫生标准》相关要求"中国游泳协会装备委员会"相关要求"中国体育用具联合会"相关要求6. 本设计在落实实施国家现行工程建设设计规范标准同时, 也充足吸收了国外优异技术和优异经验, 发明有机协调结果。
二、本工程设计关键特点:1. 循环方法采取经池壁一端均匀布水、池底回水顺流式循环方法。
2. 过滤采取中速单层石英砂过滤; 并依据压差控制反冲洗;3. 整个系统基础全自动监控运行;4. 加热系统采取水水板式换器加热, 恒温采取三集一体热泵恒温;5. 消毒方法: 采取次氯酸钠消毒;6. 游泳池循环周期采取6小时7. 为降低维护费用、延长系统使用寿命, 全部设备和管道接触池水部分全部采取UPVC塑料或防腐蚀金属材料;三、系统基础参数:四、系统用水及循环量参数:注: 游泳池充水量以在二十四小时内充满水池计算。
警体训练中心游泳池水处理热量计算书1热量计算公式1.1池水初次加热所需热量Q c()c d f c cV C T T Q t ρ⋅⋅-=式中:Vc ——游泳池的池水容积(L); ρ——水的密度(kg/L);C ——水的比热,4.1868kJ/kg ·℃; T d ——游泳池池水设计温度(℃); T f ——游泳池初次充水的原水温度(℃);t c ——游泳池初次加热时间(h)。
1.2游泳池池水表面蒸发损失的热量Q z1(0.01740.0229)()'z w b q s B Q p P A B ργυβ=⋅+- 式中:β——压力换算系数,取133.32Pa ;γ——与池水温度相等的饱和蒸汽的蒸发汽化潜热(kJ/kg); w υ——池水表面的风速(m/s),按下列规定采用: 室内游泳池:0.2~0.5m/s ; 室外游泳池:2.0~3.0m/s 。
P b ——与池水温度相等的饱和空气的水蒸气分压(Pa); P q ——游泳池环境空气的水蒸气分压(Pa); A s ——游泳池的水面面积 (㎡); B ——标准大气压力 (kPa); B ’——当地的大气压力 (kPa);1.3游泳池池水表面、池底、池壁、管道和设备等传导损失的热量Q tQ t =20%Q z1.4补充水加热所需要的热量()b d f f hV C T T Q T ρ⋅⋅-=式中:V b ——游泳池新鲜水的补充量(L/d); T h ——加热时间(h)。
2.计算部分阳泉地区水源温度T f =4℃,夏季大气压力B ’=92.27kPa 2.1游泳池面积A s =25×19.5=487.5m 2,深h=1.7m ,初次加热时间为48h ,日常运行时间为9h ,设计温度28℃。
初次充水需热量为:828.7510001 4.1868(284)1734905.25/48c Q kJ h ⨯⨯⨯⨯-==又:1101.32512438(0.01740.50.0229)(37732266.8)487.5414295.91/133.3292.27z Q kJ h =⨯⨯⨯⨯+-⨯⨯=0.2414295.9182859.18/t Q kJ h =⨯=487.510001 4.1868(284)173490.53/48f Q kJ h ⨯⨯⨯⨯-==则日常维温需热量为:414295.9182859.18173490.53670645.62/vz z t f Q Q Q Q kJ h =++=++=则初次纯水加热需热量481.92kW ,日常维温需要186.29kW 。
泳池设计说明书⼀、室内游泳池技术参数⼆、室内游泳池⽔处理系统技术指标确定计算书(⼀)、循环⽔量的确定:依据规范:《游泳池给⽔排⽔⼯程技术规程》(CJJ122-2008)循环⽔量:QC =αa d·VP/ TPQC——游泳池的循环⽔量(m3);αa d——管道和过滤净化设备的⽔容积附加系数,取αa d=1.05;VP——游泳池的池⽔容积(m3);TP——游泳池的循环周期(h),取5h;A、成⼈游泳池循环流量:QC=1.05×345/5=72.5m3/hB、⼉童戏⽔池循环流量:QC=1.05×33/1=34.7m3/h(⼆)、游泳池外围循环给⽔管道系统:A、成⼈游泳池:布⽔⼝参数:出⽔压⼒:0.02~0.05MPa;布⽔⼝形式:进⽔量可调,调节范围0~8 m3/h;布⽔⽅式:池底均匀布置,间距为2.5m;进⽔⼝数量:共50个给⽔⼝,每个流量平均约1.45m3/h。
依据规范:《游泳池给⽔排⽔⼯程技术规程》(CJJ122-2008)循环给⽔管流速不宜超过2m/s;本泳池建议采⽤DN150循环给⽔管⼀条,则给⽔管流速为72.5/0.075×0.075×3600×3.14=1.1m/s,符合规范要求,管道分布情况详见图纸。
B、⼉童戏⽔池:布⽔⼝参数:出⽔压⼒:0.02~0.05MPa;布⽔⼝形式:进⽔量可调,调节范围0~8 m3/h;布⽔⽅式:池底均匀布置,间距为2.3m;进⽔⼝数量:共7个给⽔⼝,每个流量平均约4.9m3/h。
依据规范:《游泳池给⽔排⽔⼯程技术规程》(CJJ122-2008)循环给⽔管流速不宜超过2m/s;本泳池建议采⽤DN80循环给⽔管⼀条,则给⽔管流速为34.7/0.04×0.04×3600×3.14=1.9m/s,符合规范要求,管道分布情况详见图纸。
(三)、回⽔管道管径的确定依据规范:《游泳池给⽔排⽔⼯程技术规程》(CJJ122-2008)循环回⽔管流速宜采⽤0.7~1m/s;A、成⼈游泳池:成⼈游泳池回⽔管道长,从配⽔均匀的⾓度出发建议采⽤DN150溢流回⽔管⼆条,则回⽔管流速为72.5/0.075×0.075×3600×3.14×2= 0.6m/s,符合规范要求,管道分布情况详见图纸。
游泳池循环水净化系统计算书游泳池池水的卫生标准1、水温:成人池:26℃±1℃儿童池:27℃±1℃2、PH 值:7.2~7.63、浑浊度:<3NTU4、尿素:<3.5mg/L5、游离性氯:<0.3~0.5mg/L6、细菌总数:<100个/mL7、大肠菌数:<18个/mL8、有毒物质:符合TJ36表3的规定。
池水循环流量1、泳池基本尺寸:25m ×16m ×1.2~1.8m,儿童池:D 1=5.8m,D 2=3.8m,H=0.38m。
2、泳池有效容积:V=[25×16×(1.2+1.8)/2]=600m 3/h3、池水循环周期:成人池:T<6h ;4、循环流量:q x =αf ·V/T X式中:αf -管道和净化设备的水容积附加系数,αf =1.10V -游泳池的池水容积,由上知V=600m3T X -循环周期,T X =6hq 成=1.10×600/6=110m 3/h三、补充水量每日新鲜水补充水量按池容积的5%计,则q b ’=V×5%=600×0.05=30m 3/d2、游泳池每日开放时间按12h 计,则每小时补水量q b =V/T K =30m 3/12=2.50m 3/d补充水管管内流速不大于1.0m/s,则补充水管管径DN32。
游泳池初次补充水1、初次补充水时间按24h 设计,则每小时流量为q C =600m 3/24=25m 3/h2、补充水管管内流速不大于1.0m/s,则补充水管管径DN100。
循环水泵2、循环水量流量为池水循环流量q x =110m 3/h3、循环水泵扬程:H b =1.10(h s +h x +h c )式中:h s -水处理设备(过滤器、加热器、反应罐等)的阻力:过滤器按2mH 2O 计,加热器按2mH 2O 计,反应罐按1mH 2O 计,则h s =2+2+1=5mH 2O ;h X -管道系统(管道、毛发聚集器、混合器等)的阻力:毛发聚集器按2mH2O计,混合器按2mH2O计,泳池布水口按2mH2O计,管道沿程水头损失按2mH2O估计则h X=2+2+2+2=8mH2O;h C-循环水泵安装中心与泳池池水表面的水位高差为4.7m。
游泳池水加热设备的选型设计一、池水日常热损耗量的计算:游泳池水总热损耗量Qa包括以下三项:1、池面水蒸发损失的热量Qs2、池壁、池底、管道和水处理设备传导散热量Qt3、补充新水加热量QfQa=Qs+Qt+Qf这三项热损耗的计算公式如下:Qs=r(0.0174vw+0.0229)(Pb-Pq)AsBaQt=0.2QsQf=m·Cv(Ta-Tf)/th其中r—与池水等温的饱和水蒸汽的蒸发汽化潜热,当28℃时r=582.5kcal/kgVw—池面上的风速,对室内泳池可取Vw=0.5m/sPb—与池水等温的饱和空气的水蒸气分压,当28℃时Pb=28.3mmHg Pq—泳池环境空气的水蒸气分压,当10℃时rq=5.59 mmHgAs—泳池池面面积(㎡)Ba—标准大气压与当地大气压之比,计算中可取Ba=1.2,相当于统一考虑了海拔高度1500米以下的情况。
南宁取值:1m—泳池在一天内补充新水的数量(㎏)Cv—水的比热,可取Cv=1 kcal/kg·℃Ta—池水设计温度(26℃~28℃)Tf—补充新水水温,一般可取16℃th—加热设备一天内的运行时间(h)游泳池热负荷计算:以50*25M,平均水深1.6M池为例1)游泳池容积: 50*25*1.6=2000m32)池水温度及游泳池的室内气温:池水温度28℃ ,室温10℃。
3)当地气温平均值:本设计室外温度以22℃计,泳池水区冬季温度26℃4)极端最高气温38.7℃ ;极端最低气温5℃5)当地自来水温(平均值):冬季5℃、春秋季17.5℃、夏季20℃、最低水温5℃6)以每日补水量为5%的池容积计,冬季补水温度5℃,冬季日常每天运行12小时计算按以上公式和各参数单位计算出来Qs,Qt,Qf的单位是kcal/h,现将计算结果列于表1二、池水初次加热所需之热功率Qb:所谓“初次加热”是指泳池建成或大修灌水后的加热,也包括泳池因各种原因停运一般时间后的加热。
第一节泳池水处理设备选型计算书一、总则1、采用的标准我们在设备的选型过程中,均采用国家现行的标准及规范。
且所有标准及规范均采用其最新版本。
具体如下:《游泳池及和水上乐园给水排水设计规程》CECS14:2002;《游泳场所卫生标准》GB9667-96《建筑给水排水设计规范》GB50015-2003《建筑给排水硬聚氯乙烯管道设计与施工验收规程》CSCE41-92《生活饮用水卫生标准》GB9667-96国家体育总局射击射箭运动中心游泳馆及水力按摩系统供货和安装工程招标文件(编号:0706-05410004N082)招标图纸2、水质要求:游泳池的水质卫生标准,应符合国际游泳协会(FINA)游泳池水质卫生标准的规定。
世界级竞赛用游泳池的水质应符合国际游泳协会(FINA)游泳池水质卫生标准初次充水及泄空后重新充水,补充水应符合现行的《生活饮用水卫生标准》的规范。
二.设计参数:本项目中游泳池要求池水温度位27±1o C,循环过滤时间为6小时。
根据CSCE14:2002《游泳池和水上游乐池给水排水设计规程》(以下简称《规程》)中表5.2.1中的规定,泳池的循环水量可按下列公式计算q c = αad×V P÷T Pq c——游泳池水的循环流量;αad——管道和过滤设备水容积附加系数,一般为1.05~1.1;本项目的容积系数选取1.1。
V P——泳池的容积(立方米);本项目的泳池容积为720 m3。
T P——泳池的循环周期,按不同用途取不同时间;本项目的设备循环时间根据招标文件要求按6小时考虑。
由此计算得知:游泳池的循环水流量q c = 720 m3×1.1÷6=132 m3/hr水温: 27±10C 循环流量:132 m3/h循环方式:逆流式三、过滤砂缸的选型选择2台φ1800×1875的石英砂过滤砂缸,校核其滤速。
每台砂缸的过滤面积:S1=πr2=3.14×0.92=2.54m22台砂缸的过滤面积:S = 2S1 = 2×2.54 =5.08m2计算砂缸滤速: V = q c/S= 132m3/h5.08m2= 25.98 m/h计算所得滤速正好位于25 m/h~30 m/h,满足招标文件和CSCE14:2002《规程》要求。
通过上述计算,选择2台φ1800×1875的过滤砂缸。
四、循环水泵的确定(1)扬程的确定:过滤砂缸的水头损失:4.5m臭氧混合反应罐的水头损失:0.8m板式换热器的水头损失:2m沿程阻力损失:2m局部阻力损失:取沿程损失的30%,为0.6m高程差:3m剩余压头:3m总损失为:15.90m(2)循环流量的确定:经前面计算q c=132 m3/h(3)根据西班牙亚士图公司的产品标准配置,初步选定3台10HP 的循环加压泵,设计2台用于正常工作需要,1台用作备用泵。
备用泵为在线备用,定期切换不同的水泵为工作状态。
(4)亚士图水泵的流量性能表格如下:根据此表格选择,16米扬程时,水泵流量为86 m3/hr,选用2台计算如下:(5)确定水泵的流量和扬程:水泵数量 = 132÷86 = 1.54(台)≈ 2(台)根据上式得出,选择2台循环水泵,另加一台为备用水泵。
共选择3台循环水泵,每台水泵的扬程为16m,流量为86 m3/h,可满足泳池循环过滤系统的要求。
五、分流臭氧消毒系统的确定臭氧消毒是泳池水消毒的最佳手段,因为臭氧是强氧化剂,其氧化能力仅次于氟和原子氧,氧化还原电位达2.07伏,可有效地氧化、分解、降解臭氧所接触的诸如尿素、皮屑等有机污染物,对细菌、霉菌、病毒等可瞬间杀灭,保证泳池水质达到前所未有的高度清洁。
臭氧消毒效果的好坏取决于CT值,C代表臭氧的浓度,以mg/L计;T代表接触时间,以min计;两者的乘积CT值表示消毒过程的有效性。
根据《规程》规定,C值应该在0.6~1.0mg/L之间,泳池水的臭氧消毒CT值≥1.6。
1、臭氧发生量的确定:臭氧发生器产量(g/h)=循环水流量(m3/h)×臭氧投加浓度(mg/L)式中,臭氧投加浓度试定为0.6mg/L,来试算臭氧产量:总循环水量:q c=132 m3/h臭氧产量 = 132×0.6= 79.20g/h ≈ 80g/h根据上面计算,取臭氧发生器产量为80g/h,来校核臭氧投加浓度是否在0.6—1.0mg/L范围内。
校核:当臭氧产量为80g/h时,其臭氧投加浓度C值为:C = 臭氧产量 / 循环水流量= 80g/h132 m3/h= 0.61g/m3 = 0.61mg/L校核结果为臭氧投加浓度C值为0.61mg/L,在0.6—1.0mg/L的合理范围内,可满足《规程》要求。
通过上述计算,确定臭氧发生器的发生量为80g/h,其投加浓度C值为0.61mg/L。
2、臭氧反应罐的确定:反应罐容积(m3)=循环水流量(m3/h)×反应时间(h)。
式中,反应时间 t = 1.6÷0.61 = 2.62 min反应时间t试取2.62 min,来试确定反应罐的容积:经过臭氧消毒的循环水量为总循环水量的1/4,反应罐容积为:132 m3/hr÷60×1/4 = 0.55 m3/min反应罐容积 = 0.55 m3/min × 2.62= 1.441 m3试选取1台φ1200×2150(高含柱脚高度)臭氧反应罐一台,来校核其反应时间及CT值。
φ1200×2150反应罐的容积为:1.82 m3。
循环水流量为132 m3/h,则试选的反应罐的反应时间为:t = 反应罐容积 / 循环水流量= 1.82 m30.55 m3/h= 3.31 minCT值的校核:根据已确定的臭氧投加量C值为0.61mg/L,试算的反应时间t 值为3.31min,来校核其C.t值是否满足下式:C.t ≥ 1.6校核结果:0.61 × 3.31 = 2.02 > 1.6也就是说,一台φ1200×2150反应罐是合理的,能够满足要求。
结论:通过上面的校核,得出下列合理数据:①臭氧发生量为80g/h。
②臭氧投加量为0.61mg/L。
③臭氧反应罐为φ1200×2150。
④臭氧与水接触反应时间为3.31min。
⑤ C.t值为2.02。
六、板式热交换器的确定1、换热量的计算Q = Q CZ + Q b(kJ/h)式中:Q:池水加热所需的热量Q CZ:池水表面蒸发和水面、池底、池壁、管道、设备等传导所损失的热量之和。
Q b:补充水加热所需的热量Q CZ = αr△tv kJ/h24式中:α:水的比热容。
α=4.1868 kJ.℃r :水的比重。
kg/m3△t:池水每天自然温降值。
取2.5℃v :游泳池的水容积:360m3可得:Q CZ = 4.1868×1×103×2.5×72024= 314010 kJ/hQ b = αrq b(t r-t b)(kJ/h)t式中:Q b:补充水加热所需热量α:水的比热容,α=4.1868 kJ/(kg.℃)r :水的容重(kg/m3)q b:每天游泳池补充的水量,按水容积的5%计算为:720×5%=36 m3t r:池水要求的水温,取28℃。
t b:补充水的水温,取5℃。
t :每天加热的时间,取12h。
可得:Q b = 4.1868×1×103×36×(28-5) = 288889 kJ/h12通过上面的计算,池水加热所需的热量Q为上述之和。
Q = Q CZ+Q b = 314010 + 288889 =602889 kJ/h换热面积的计算:板式热交换器的加热面积,按下式计算:F = Cr Qεk△t j式中:F:板式热交换器的加热面积Q:水加热所需热量ε:由于水垢和热媒分布不均匀影响传热效率的系数,一般取0.8。
K:传热系数。
被加热水流速取2.0m/s,热媒水流速取2.5m/s,则传热系数K,查表为4500 k/(w.m2.℃)Cr:热水供应系统的热损失系数,取1.1热媒供水温度为102℃,回水温度为90℃△t j:热媒与被加热水的计算温度差,取对数温差:△tj =△tmax-△tmin=(102-28)-(90-5)ln△t max ln(102-28)△t min(90-5)= 74-85=-11=-11=78.57 ln74ln 0.87-0.1485将上述所有参数带入公式可得:F = 1.1×602889 = 0.56m24.1868×0.8×4500×78.57通过上式计算,取2台板式换热器,每台换热面积为1.0 m2。
两台交换运行,互为备用。
初次加温时2台板换同时启用。
七、管径的确定1、补水管管径的确定初次充水时间采用24h,则自来水引入管流量为:q b= Vp24= 72024=30m3/h取DN80补水管,校核其滤速,经计算V=1.66m/s,满足要求。
2、给水总干管管径的确定:q c=1/4πd2.V式中:滤速V试取2.5m/s=9000m/hr经计算得d=150mm取管径为DN150mm,来校核其滤速,经校核,其滤速为2.076m/s,满足要求。
3、回水干管管径的确定:本工程游泳池回水干管的循环回水量为q c=132m3/h(游泳池容积为720m3,其循环流量为720×1.1/6=132m3/h)q c=1/4πd2.V式中:滤速V试取1.0m/s经计算得d=195.98mm回水干管取管径为DN200mm,校核其流速,经校核,其流速为:0.98m/s,满足要求。
八、布水口、溢流回水口数量的确定1、布水口数量N1的确定每个布水口直径为DN50,按6m3/h流量来计算则N1=q c/6= 132/6 = 22个为使布水口排布均匀,不出现短流现象,泳池共设24个布水口。
位于泳池池底。
2、溢流回水口数量N2的确定每个溢流回水口直径为DN50,设定水的流速为1m/s,每个溢水口的流量为7.06m3/h流量计算则N2=q c/7.06=132/7.06=18.7个为使溢流回水口排布均匀,共设置26个,溢水沟内均匀分布。
选择26个溢水口校核单个溢水口的流量为:5.08m3/h;溢水口流速为0.72m/s,符合《规程》的有关要求。
九、均衡水箱容积的确定均衡水箱的有效容积可以按照下面公式计算:Vb=Vpb+Vs+VadVad=As·t O式中:Vb——均衡水箱的有效容积;Vpb——循环管道的水容积和过滤器反冲洗用水量;Vs——循环系统设备(如过滤器、毛发聚集器、加热器、混合器等)内的水容积;Vad——溢流回水时的附加水容积;As——泳池表面积t O——溢流回水时的水层厚度,可取0.005~0.010m;Vpb = 110×3.14×(0.2÷2)2+5.16=8.61m3Vs = 3.4×2+0.2×3=7.4m3Vad=As·t O =400×0.005=2m3Vb=Vpb+Vs+Vad=8.61+7.4+2=18.1 m3结论:根据水箱的模数,应该选取20立方米的均衡水箱。