电压比较器电路图
- 格式:doc
- 大小:100.50 KB
- 文档页数:3
十六 电压比较电路一、电压比较器的基本概念:电压比较器是对输入信号进行鉴幅与比较的电路,是组成非正弦波发生电路的基本单元电路,在测量和控制中有着相当广泛的应用。
电压比较器的功能是对两个输入电压的大小进行比较,并根据比较结果输出高、低两个电平。
此外,由于高电平相当于逻辑“1”,低电平相当逻辑“0”,所以比较器可作为摸拟与数字电路之间的接口电路.由于比较器输出只有两个状态,因此,用作比较器的运放将工作在开环或正反馈的非线性状态。
电压比较器的电路符号二、电压比较器的基本特性:1. 输出 高电平(U oH )和低电平(U oL )用运放构成的比较器,其输出的高电平U OH 和低电平U OL 可分别接近于正电源电压(U CC )和负电源电压(-U CC )。
2. 鉴别灵敏度理想的电压比较器,在高、低电平转换的门限U T 处具有阶跃的传输特性。
这就要求运放:实际运放的A Ud 不为无穷大。
在U T 附近存在着一个比较的不灵敏区。
在该区域内输出既非U OH ,也非U OL ,故无法对输入电平大小进行判别。
显然,A Ud 越大,则不灵敏区就越小,称比较器的鉴别灵敏度越高。
3.转换速度作为比较器的另一个重要特性就是转换速度,即比较器输出状态发生转换所需要的时间。
ud A =∞u u EEu -u +通常要求转换时间尽可能短,以便实现高速比较。
为此可对比较器施加正反馈,以提高转换速度。
理想集成运放非线性应用时的特点非线性应用的条件:运放开环或施加正反馈。
非线性应用特点:反相电压比较器 电路如图所示, 输入信号U i 加在反相端,参考电压U r 加在同相端。
i < u r , u o =u OH i > u r , u o =u OL当该电路的参考电压为零时,则为反相过零比较器。
0o CC oL o CC oHi i u u u U U u u u U U +--+-+==>≈-=<≈+=同相电压比较器电路如图所示,输入信号U i加在同相端,参考电压U r 加在反相端。
lm393(电压比较器原理)
2010-05-10 1:46
电压比较器是集成运放非线性应用电路,他常用于各种电子设备中,那么什么是电压比较器呢?下面我给大家介绍一下,它将一个模拟量电压信号和一个参考固定电压相比较,在二者幅度相等的附近,输出电压将产生跃变,相应输出高电平或低电平.比较器可以组成非正弦波形变换电路及应用于模拟与数字信号转换等领域。
《lm339电压比较器电路图》
《lm339应用电路》
图1所示为一最简单的电压比较器,UR为参考电压,加在运放的同相的输入端,输入电压ui加在反相的输入端。
〈电压比较器原理原理图>
(a)电路图(b)传输特性当ui<UR时,运放输出高电平,稳压管Dz反向稳压工作.输出端电位被其箝位在稳压管的稳定电压UZ,即 uO=UZ
当ui>UR时,运放输出低电平,DZ正向导通,输出电压等于稳压管的正向压降UD,即 uo=-UD
因此,以UR为界,当输入电压ui变化时,输出端反映出两种状态,高电位和低电位。
表示输出电压与输入电压之间关系的特性曲线,称为传输特性.图3-1(b)为(a)图比较器的传输特性。
常用的电压比较器有过零电压比较器、具有滞回特性的过零比较器、滞回电压比较器,窗口(双限)电压比较器。
LM339常用来构成各种电压比较器
集成电压比较器简介:
作用:可将模拟信号转换成二值信号,即只有高电平和低电平两种状态的离散信号。
应用:作为模拟电路和数字电路的接口电路.
特点:比集成运放的开环增益低,失调电压大,共模抑制比小;但其响应速度快,传输延迟时间短,而且不需外加限幅电路就可直接驱动TTL、CMOS和ECL等集成数字电路;有些芯片带负载能力很强,还可直接驱动继电器和指。
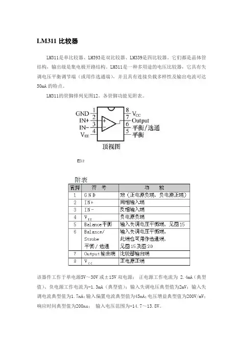
LM311比较器LM311是单比较器、LM393是双比较器、LM339是四比较器。
它们都是晶体管结构,输出级是集电极开路结构。
LM311是一种多用途的电压比较器,它具有失调电压平衡调节端(或用作选通端),并且具有连接负载多样性及输出电流可达50mA的特点。
LM311的管脚排列见图12。
各管脚功能见附表。
该器件工作于单电源5V~30V或±15V双电源;正电源工作电流为 2.4mA(典型值)、负电源工作电流为-1.3mA(典型值);输入失调电压典型值为2mV;输入失调电流典型值为1.7nA;输入偏置电流典型值为45nA;电压增益典型值为200V/mV;响应时间典型值为200ns;输入电压范围为-14.7~13.8V。
LM311的基本电路如图13~18所示。
(1)失调电压平衡(图13)。
调平衡时两输入端接地,调5kΩ电位器,使输出为最小电压值(接近0V)。
(2)单电源供电(图14)。
此时V EE与G ND连接。
图13、14中,负载电阻R L接在V CC 与Output之间。
(3)R L接在1脚与地之间(图15)。
按图15接法输入极性是颠倒的(即3脚作为同相端)。
(4)R L接在1脚与V EE之间(图16)。
按图16接法输入极性是颠倒的。
(5)正负电源时R L的一般接法(图17)。
(6)选通比较器接法(图18)。
在6脚接一个三极管作选通接法。
在三极管基极接TTL 高电平时,比较器被选通(正常工作);基极加低电平时比较器不工作。
LM393及LM2903是一种低失调电压双比较器,管脚排列见图19。
此两器件主要性能相同,但工作温度范围不同:前者为0~70℃;后者为-40℃~105℃。
它的主要特点为:工作电压范围宽,单电源工作电压2V~36V、双电源工作电压±(1V~18V);工作电流小,典型值为0.4mA;输入偏置电流典型值为25nA;输入失调电流为5nA;输入失调电压为±1mV (LM2903为±2mV);输入共模电压范围可到地电平;差动输入电压范围等于电源电压;输出电压与TTL、CMOS逻辑电平兼容;输入端有ESD保护;电压增益典型值为200V/mV;大信号响应时间为300ns。
lm339应用电路图:LM339集成块内部装有四个独立的电压比较器,该电压比较器的特点是:失调电压小,典型值为2mV;电源电压范围宽,单电源为2-36V,双电源电压为±1V-±18V;对比较信号源的内阻限制较宽;共模范围很大,为0~(Ucc-1.5V)Vo;差动输入电压范围较大,大到可以等于电源电压;输出端电位可灵活方便地选用。
LM339集成块采用C-14型封装,图1为外型及管脚排列图。
由于LM339使用灵活,应用广泛,所以世界上各大IC生产厂、公司竟相推出自己的四比较器,如IR2339、ANI339、SF339等,它们的参数基本一致,可互换使用。
LM339类似于增益不可调的运算放大器。
每个比较器有两个输入端和一个输出端。
两个输入端一个称为同相输入端,用“+”表示,另一个称为反相输入端,用“-”表示。
用作比较两个电压时,任意一个输入端加一个固定电压做参考电压(也称为门限电平,它可选择LM339输入共模范围的任何一点),另一端加一个待比较的信号电压。
当“+”端电压高于“-”端时,输出管截止,相当于输出端开路。
当“-”端电压高于“+”端时,输出管饱和,相当于输出端接低电位。
两个输入端电压差别大于10mV就能确保输出能从一种状态可靠地转换到另一种状态,因此,把LM339用在弱信号检测等场合是比较理想的。
LM339的输出端相当于一只不接集电极电阻的晶体三极管,在使用时输出端到正电源一般须接一只电阻(称为上拉电阻,选3-15K)。
选不同阻值的上拉电阻会影响输出端高电位的值。
因为当输出晶体三极管截止时,它的集电极电压基本上取决于上拉电阻与负载的值。
另外,各比较器的输出端允许连接在一起使用。
单限比较器电路图3为某仪器中过热检测保护电路。
它用单电源供电,1/4LM339的反相输入端加一个固定的参考电压,它的值取决于R1于R2。
UR=R2/(R1+R2)*UCC。
同相端的电压就等于热敏元件Rt的电压降。
lm339lm339各引脚电压第1脚5.14V第2。
0.26V第3。
18.45V第4。
5.12V第5。
4.7V第6。
3.86V第7。
4.02V第8。
1.37V第9。
4.76V第10。
5.64V第11。
1.88V第12。
0Vlm339电压比较器应用电路图2009-04-13 20:15lm339的典型应用电路图。
上图是一个lm339在微波炉中的应用,用于检测电网电压是否正常,如果不正常的话立即停止工作。
《lm339电压比较器电路图》上图是一个典型的lm339电压比较器应用,用于比较检测温度,调节R1的大小,就可以调节门限电压也就是调整了温度的设定。
原理很简单,请51hei读者自行分析.lm339还可以组成双门限电压比较器以及振荡器器等应用电路。
四电压比较器LM339简介和9个典型应用例子摘要:LM339集成块内部装有四个独立的电压比较器,该电压比较器的特点是:1)失调电压小,典型值为2mV;2)电源电压范围宽,单电源为2-36V,双电源电压为±1V-±18V;3)对比较信号源的内阻限制较宽;4)共模范围很大,为0~(Ucc-1.5V)Vo;5)差动输入电压范围较大,大到可以等于电源电压;6)输出端电位可灵活方便地选用。
LM339集成块采用C-14型封装,图1为外型及管脚排列图。
由于LM339使用灵活,应用广泛,所以世界上各大IC生产厂、公司竟相推出自己的四比较器,如IR2339、ANI339、SF339等......LM339集成块内部装有四个独立的电压比较器,该电压比较器的特点是:1)失调电压小,典型值为2mV;2)电源电压范围宽,单电源为2-36V,双电源电压为±1V-±18V;3)对比较信号源的内阻限制较宽;4)共模范围很大,为0~(Ucc-1.5V)Vo;5)差动输入电压范围较大,大到可以等于电源电压;6)输出端电位可灵活方便地选用。
LM339集成块采用C-14型封装,图1为外型及管脚排列图。
快来看看电压比较器的电路构成、原理框图及引脚功
能
首先,电压比较器它可用作模拟电路和数字电路的接口,其次还可以用作波形产生和变换电路等。
利用简单电压比较器可将正弦波变为同频率的方波或矩形波。
电压比较器是对输入信号进行鉴别与比较的电路,是组成非正弦波发生电路的基本单元电路。
常用的电压比较器有单限比较器、滞回比较器、窗口比较器、三态电压比较器等。
电压比较器可以看作是放大倍数接近“无穷大”的运算放大器。
电压比较器的功能:比较两个电压的大小(用输出电压的高或低电平,表示两个输入电压的大小关系):当”+”输入端电压高于”-”输入端时,电压比较器输出为高电平;当”+”输入端电压低于”-”输入端时,电压比较器输出为低电平;可工作在线性工作区和非线性工作区。
工作在线性工作区时特点是虚短,虚断;工作在非线性工作区时特点是跳变,虚断;由于比较器的输出只有低电平和高电平两种状态,所以其中的集成运放常工作在非线性区。
从电路结构上看,运放常处于开环状态,又是为了使比较器输出状态的转换更加快速,以提高响应速度,一般在电路中接入正反馈。
电压比较器的原理框图及其引脚功能
电压比较器内部含输入级、中间放大器和输出级电路,我们需要掌握的是输入端和输出端之间的关系,由此分析电路原理和找到故障检测方法。
如前述,运算放大器开环应用时,即为(不太精确的)电压比较器。
但放大器的比较特性并不理想,专业的设计和专业的性能需要由专业器件来保障,在应用到电压比较器的场所,大多还是采用专用的电压比较器。
其中,集电极开。
LM311 LM211中文资料时间:2009-08-06 20:01:15 来源:资料室作者:LM111/LM211/LM311电压比较器集成电路该LM111,LM211和LM311的电压比较器设计运行在更宽的电源电压:从标准的±15V运算放大器到单5V电源用于逻辑集成电路。
其输出兼容RTL,DTL和TTL以MOS电路。
此外,他们可以驱动继电器,开关电压高达50V,电流高达50mA。
LM111 LM211 绝对最大额定值:Total Supply Voltage (V84) 总供给电压(V84)36VOutput to Negative Supply Voltage (V74)输出到负电源电压(V74)50VGround to Negative Supply Voltage (V14)地到负电源电压(v14)30VDifferential Input Voltage 差分输入电压±30VInput Voltage (Note 4) 输入电压(注4)±15VOutput Short Circuit Duration 输出短路持续时间10秒10 secOperating Temperature Range 工作温度范围LM111−55℃ to 125℃LM211−25℃ to 85℃LM111 LM211 电气特性:P ar a m et er 参数Conditions测试条件Min最小Typ典型Max最大Units单位In p TA0.73.mVut Of fs et V ol ta g e 输入偏移电压(注7)= 2 5℃, R S ≤5 0 kIn p ut Of fset C ur re nt 输入失调电流TA=25℃4.1nAIn put Bi as C ur re nt 输TA=25℃61nA入偏置电流V ol tag e G ai n 电压增益TA=25℃42V/mVR es p o ns e Tim e ( N ot e 8) 响应时间(注8)TA=25℃2nsS at ur at io n VIN≤−5mV,0.751.5Vol ta g e 饱和电压O U T = 5 0 m A T A = 2 5℃St ro b eO N C ur re nt ( N ot e 9)TA=25℃2.5.mAO ut p ut Le a k a g e C ur re nt VIN≥5mV,VOUT=35V0.21nA出漏电流A = 2 5℃,I S T R O B E = 3 m AIn p ut Of fs et Vol ta g e 输入偏移电压(注7)RS≤5k4.mVIn put Of fs et C 2nAur re nt 输入失调电流(注7)In p ut Bi as Cur re nt 输入偏置电流15nAIn p ut V ol ta g e R a n g e 输入电压V+=15V,V−=−15V,Pin7P−14.513.8,-14.713.V。
四电压比较器电路LM3391.概述与特点LM339是一块由四个独立的精密电压比较器组成的电路,该电路具有低失调电压的特点,各比较器的失调电压不大于5Mv,可广泛应用于工业自动化和光机、电、一体化等领域。
其特点如下●工作电源电压范围宽;单电源2V~36V,双电源1V~18V●静态电流小:0.8mA(典型值)●低输入偏置电流:25nA(典型值)●低输入失调电压:2mV(典型值)●共模输入电压范围宽:0V~Vcc-1.5V●集电极开路输出,方便与TTL、CMOS逻辑相容●封装形式:DIP142. 功能框图与引脚说明2. 1功能框图2. 2 引脚说明引脚符号功能引脚符号功能1 OUT2输出2 8 IN3-反相输入32 OUT1输出1 9 IN3+同相输入33 V CC电源10 IN4-反相输入44 IN1-反相输入1 11 IN4+ 同相办入45 IN1+同相输入1 12 GND 地6 IN1-反相输入2 13 OUT4输出47 IN1+同相输入2 14 OUT3输出33.电特性3. 1极限参数除非另有规定Tamb= 25℃参数名称 符号 额定值 单位电源电压 V CC36/±18 V输入差模电压 V IDR±36 V输入共模电压 V ICR-0.3~VCC V功耗 P D625 mA 工作环境温度 T amb-40~85 ℃贮存温度 T stg-55~125 ℃ 3. 2 电特性除非另有规定Tamb = 25℃,VCC= 5V规范值参数名称符号测试条件最小典型最大单位图号静态电流I CCQ无负载0.8 2 mA 4.1 输入失调电压V IO V O=1.4V ±2 ±5mA 4.4 输入偏置电流I IB25 250 nA 4.2 输入失调电流I IO 5 50 nA 4.2 输入共模电压范围V ICR0 V CC-1.5 V 4.4 开环电压增益A V R L=15KOHM 200 V/mV响应时间T r R L=5.1KOHM 1.3 uS 4.6输出灌电流I SINK IN+=0V, IN-=1VV OL=1.5V6 16 mA 4.5输出饱和电压V OL IN+=0V, IN-=1VI SINK =3mV0.2 0.4 V 4.5输出漏电流I OS IN+=0V, IN-=1VVo =5V0.1 nA 4.34. 测试线路4.1静态电流测试线路 4.2输入偏置电流与失调电流测试线路4.3输出漏电流测试线路 4.4输入失调电压与输入共模电压测试线路4.5输出灌电流和饱和电压测试线路 4.6 响应时间测试线路5典线特性6. 线路与应用说明 6. 1 应用线路6. 1. 1驱动TTL电路6. 1. 2驱动CMOS电路6. 2 应用说明7.外型尺寸。
电压比较器及整形电路
图❤中有两个电压比较器,分别为同相输入和反相输入,它们的参考电压UR1<UR2,且均为正值,图❤为其波形图,其中f 是计数器的清零信号,即每次计数前,由它使计数器清零。
(1)选择电路 图❤中集成运算放大器选用LM324,单电源供电,电源电压为+15V 。
由于324的响应速度比较慢,所以用施密特反相器CT74LS14整形,分压电阻R15,R16,R17,R18是为了保证324的输出电压和TTL 电平兼容。
(2) 估算电阻值 图❤所示电路中参考电压UR1和UR2为
CC 10
98101R V R R R R U ++= CC 1098109R2V R R R R U +++=
R 根据图❤电路的要求,UR1=Vcc/5,UR2=Vcc/3,若取R8=10k Ω,则可计算出R9和R10之值,取R9=2k Ω,R10=3k Ω,均用金属膜电阻器。
查阅器件手册可知LM324的高电平输出电流和CT74LS14的低电平输入电流,根据此可选择电阻R15=R17=2k Ω,R16=R18=1k Ω,均选用碳膜电阻器。
LM324应用作比较器电路图电子市场信息来源: 维库开发网发布时间:2008年10月13日当去掉运放的反馈电阻时,或者说反馈电阻趋于无穷大时(即开环状态),理论上认为运放的开环放大倍数也为无穷大(实际上是很大,如LM324运放开环放大倍数为100dB,既10万倍)。
此时运放便形成一个电压比较器,其输出如不是高电平(V+),就是低电平(V-或接地)。
当正输入端电压高于负输入端电压时,运放输出低电平。
图1 LM324应用作比较器电路图如图所示为使用电压比较器LM324组成的测试电路。
其特点是便于检测阈值电平的调整,可测试DTL、TTL、CMOS等多种逻辑电平。
由电压比较器的原理可知:当同相输入端(正端)电压高于反相输入端(负端)电压时,比较器输出高电平;反之,则输出低电平。
RP为比较电压调整电位器,当UIN高于设置电压时,7脚输出高电平,显示1,同时小数点dp发光;UIN低于设置电压时,1脚输出高电平显示0,但小数点不亮;当检测到高、低变化的时钟脉冲时,若频率很低,可见0、1交替显示。
频率较高时,0、1变化非常快,所以只见显示为0,同时小数点dp 发光,这种“带点的零”即可表示检测的是时钟脉冲。
电压比较器,电压比较器是什么意思电压比较器可以看作是放大倍数接近“无穷大”的运算放大器。
电压比较器的功能:比较两个电压的大小(用输出电压的高或低电平,表示两个输入电压的大小关系):当”+”输入端电压高于”-”输入端时,电压比较器输出为高电平;当”+”输入端电压低于”-”输入端时,电压比较器输出为低电平;电压比较器的作用:它可用作模拟电路和数字电路的接口,还可以用作波形产生和变换电路等。
利用简单电压比较器可将正弦波变为同频率的方波或矩形波。
简单的电压比较器结构简单,灵敏度高,但是抗干扰能力差,因此我们就要对它进行改进。
改进后的电压比较器有:滞回比较器和窗口比较器。
运放,是通过反馈回路和输入回路的确定“运算参数”,比如放大倍数,反馈量可以是输出的电流或电压的部分或全部。
电压比较器基本原理及设计应用本文主要介绍电压比较器基本概念、工作原理及典型工作电路,并介绍一些常用的电压比较器。
电压比较器(以下简称比较器)是一种常用的集成电路。
它可用于报警器电路、自动控制电路、测量技术,也可用于V/F变换电路、A/D变换电路、高速采样电路、电源电压监测电路、振荡器及压控振荡器电路、过零检测电路等。
什么是电压比较器简单地说,电压比较器是对两个模拟电压比较其大小(也有两个数字电压比较的,这里不介绍),并判断出其中哪一个电压高,如图1所示。
图1(a)是比较器,它有两个输入端:同相输入端(“+”端) 及反相输入端(“-”端),有一个输出端Vout(输出电平信号)。
另外有电源V+及地(这是个单电源比较器),同相端输入电压VA,反相端输入V B。
VA和VB的变化如图1(b)所示。
在时间0~t1时,VA>VB;在t1~t2时,VB>VA;在t2~t3时,VA>VB。
在这种情况下,Vout的输出如图1(c)所示:VA>VB时,Vout输出高电平(饱和输出);VB>VA时,Vout输出低电平。
根据输出电平的高低便可知道哪个电压大。
如果把VA输入到反相端,VB输入到同相端,VA及VB的电压变化仍然如图1(b)所示,则Vout输出如图1(d)所示。
与图1(c)比较,其输出电平倒了一下。
输出电平变化与VA、VB的输入端有关。
图2(a)是双电源(正负电源)供电的比较器。
如果它的VA、VB输入电压如图1(b)那样,它的输出特性如图2(b)所示。
VB>VA时,Vout输出饱和负电压。
如果输入电压VA与某一个固定不变的电压VB相比较,如图3(a)所示。
此VB称为参考电压、基准电压或阈值电压。
如果这参考电压是0V(地电平),如图3(b)所示,它一般用作过零检测。
常见电压比较器分析比较电压比较器通常由集成运放构成,与普通运放电路不同的就是,比较器中的集成运放大多处于开环或正反馈的状态。
只要在两个输入端加一个很小的信号,运放就会进入非线性区,属于集成运放的非线性应用范围。
在分析比较器时,虚断路原则仍成立,虚短及虚地等概念仅在判断临界情况时才适应。
一、零电平比较器(过零比较器)电压比较器就是将一个模拟输入信号ui与一个固定的参考电压UR进行比较与鉴别的电路。
参考电压为零的比较器称为零电平比较器。
按输入方式的不同可分为反相输入与同相输入两种零电位比较器,如图1(a)、(b)所示图1 过零比较器(a)反相输入;(b)同相输入通常用阈值电压与传输特性来描述比较器的工作特性。
阈值电压(又称门槛电平)就是使比较器输出电压发生跳变时的输入电压值,简称为阈值,用符号UTH表示。
估算阈值主要应抓住输入信号使输出电压发生跳变时的临界条件。
这个临界条件就是集成运放两个输入端的电位相等(两个输入端的电流也视为零),即U+=U–。
对于图1(a)电路,U–=Ui, U+=0, UTH=0。
传输特性就是比较器的输出电压uo与输入电压ui在平面直角坐标上的关系。
画传输特性的一般步骤就是:先求阈值,再根据电压比较器的具体电路,分析在输入电压由最低变到最高(正向过程)与输入电压由最高到最低(负向过程)两种情况下,输出电压的变化规律,然后画出传输特性。
二、任意电平比较器(俘零比较器)将零电平比较器中的接地端改接为一个参考电压UR(设为直流电压),由于UR的大小与极性均可调整,电路成为任意电平比较器或称俘零比较器。
图2 任意电平比较器及传输特性(a)任意电平比较器;(b)传输特性图3 电平检测比较器信传输特性(a)电平检测比较器;(b)传输特性电平电压比较器结构简单,灵敏度高,但它的抗干扰能力差。
也就就是说,如果输入信号因干扰在阈值附近变化时,输出电压将在高、低两个电平之间反复地跳变,可能使输出状态产生误动作。
L M393中文资料工作原理精品资料 仅供学习与交流,如有侵权请联系网站删除谢谢2 lm393(电压比较器原理)2010-05-10 1:46电压比较 器是集成运放非线性应用电路,他常用于各种电子设备中,那么什么是电压比较器呢?下面我给大家介绍一下,它将一个模拟量电压信号和一个参考固定电压相比 较,在二者幅度相等的附近,输出电压将产生跃变,相应输出高电平或低电平。
比较器可以组成非正弦波形变换电路及应用于模拟与数字信号转换等领域。
《lm339电压比较器电路图》《lm339应用电路》图1所示为一最简单的电压比较器,UR 为参考电压,加在运放的同相的输入端,输入电压ui 加在反相的输入端。
<电压比较器原理原理图>(a)电路图 (b)传输特性当ui <UR 时,运放输出高电平,稳压管Dz 反向稳压工作。
输出端电位被其箝位在稳压管的稳定电压UZ ,即 uO =UZ当ui >UR 时,运放输出低电平,DZ 正向导通,输出电压等于稳压管的正向压降UD ,即 uo =-UD因此,以UR 为界,当输入电压ui 变化时,输出端反映出两种状态,高电位和低电位。
表示输出电压与输入电压之间关系的特性曲线,称为传输特性。
图3-1(b)为(a)图比较器的传输特性。
常用的电压比较器有过零电压比较器、具有滞回特性的过零比较器、滞回电压比较器,窗口(双限)电压比较器。
LM339常用来构成各种电压比较器集成电压比较器简介:作用:可将模拟信号转换成二值信号,即只有高电平和低电平两种状态的离散信号。
应用:作为模拟电路和数字电路的接口电路。
特点:比集成运放的开环增益低,失调电压大,共模抑制比小;但其响应速度快,传输延迟时间短,而且不需外加限幅电路就可直接驱动TTL 、CMOS 和ECL 等集成数字电路;有些芯片带负载能力很强,还可直接驱动继电器和指。
电压比较器电路图
单限比较器电路
OH。
图1B为其传输特性。
图3为某仪器中过热检测保护电路。
它用单电源供电,1/4LM339的反相输入端加一个固定的参考电压,它的值取决于R1于R2。
UR=R2/(R1+R2)*UCC。
同相端的电压就等于热敏元件RT的电压降。
当机内温度为设定值以下时,“+”端电压大于“-”端电压,UO 为高电位。
当温度上升为设定值以上时,“-”端电压大于“+”端,比较器反转,UO输出为零电位,使保护电路动作,调节R1的值可以改变门限电压,既设定温度值的大小。
图3
迟滞比较器
图1
不难看出,当输出状态一旦转换后,只要在跳变电压值附近的干扰不超过ΔU之值,输出电压的值就将是稳定的。
但随之而来的是分辨率降低。
因为对迟滞比较器来说,它不能分辨差别小于ΔU的两个输入电压值。
迟滞比较器加有正反馈可以加快比较器的响应速度,这是它的一个优点。
除此之外,由于迟滞比较器加的正反馈很强,远比电路中的寄生耦合强得多,故迟滞比较器还可免除由于电路寄生耦合而产生的自激振荡。
图2
图3为某电磁炉电路中电网过电压检测电路部分。
电网电压正常时,1/4LM339的U4<2.8V,U5=2.8V,输出开路,过电压保护电路不工作,作为正反馈的射极跟随器BG1是导通的。
当电网电压大于242V时,U4>2.8V,比较器翻转,输出为0V,BG1截止,U5的电压就完全决定于R1与R2的分压值,为2.7V,促使U4更大于U5,这就使翻转后的状态极为稳定,避免了过压点附近由于电网电压很小的波动而引起的不稳定的现象。
由于制造了一定的回差(迟滞),在过电压保护后,电网电压要降到242-5=237V时,U4<U3,电磁炉才又开始工作。
这正是我们所期望的。
图3
双限比较器(窗口比较器)
R1<UIN<UR2),输出为高电位(UO=UOH)。
当UIN不在门限电位范围之间时,(UIN>UR2或UIN<UR1)输出为低电位(UO=UOL),窗口电压ΔU=UR2-UR1。
它可用来判断输入信号电位是否位于指定门限电位之间。
用LM339组成振荡器。