采区地质说明书
- 格式:doc
- 大小:155.00 KB
- 文档页数:12
普定县兴源煤矿首采区地质说明书二O一一年五月一日通知书因矿井急需编制首采区设计,地质人员需在三个月之内提供首采区地质说明书。
特此通知通知工程师签字:年月日接到通知地质人员签字:年月日首采地质说明书一、采区范围井田划分为二个水平,三个采区。
三条井筒掘到+1510m标高后掘进井底车场、绕道、水泵房、中央变电所、主、副水仓,再掘进+1510石门依次揭穿14#、13#、12#煤层,沿12#煤层布置运输大巷,再沿走向布置运输巷、回风巷、联络巷形成通风、运输系统。
首采工作面布置在12号煤层中,条带式开采,首采面己布置完成,首采区走向长1400米,倾斜长102米,倾角23度,开采12#、13#、14#煤层,先开采上分层12#煤层。
二、相邻采区实际揭露地质水文地质概况采区内水系不发育,无大的地表水体。
该区地表主要为大气降水。
故地表水对矿山的采掘活动没有大的影响。
但受开采、地下采空区塌陷带及裂隙带影响,暴雨季节,地表水流将通过长兴组(P3c)向地下矿井充水,从而成为地下矿井间接充水水源,开采中应引起重视,特别是暴雨季节。
根据矿区周边现已停采老硐涌水量的调查,在整个开采过程中未出现矿坑突水、淹井等现象,但矿坑内有少量积水。
其中,坑道内裂隙较发育地段的涌水量相应较大,而上山坑道积水多被下山坑道袭夺,一般处于干燥状态。
下山坑道常有积水,对矿山建设来说矿床排水是开采中的主要问题,故应注意随着开采范围的扩大和开采深度的深,矿坑内的涌水量会逐渐增大。
三、勘探钻孔情况首采区范围内控制钻孔每200米一个,钻孔见煤稳定,煤层厚度变化小,钻孔内遇到煤层时无裂隙水。
四、地质构造1、区域地质概况区域地层出露有二叠系(P)、三叠系(T)、第四系(Q)。
区域地层见表1-3-1。
表1-4-1 区域地层简表2、矿区地质特征及煤层特征(一)地层区内出露地层有二叠系峨眉山玄武岩(P3β)、龙潭组(P3l)、长兴组+大隆组(P3c+d)、三叠系大冶组(T1d)、及第四系(Q)。
045 采区1. 采区概况1.1. 位置及范围045 采区为K24、K25、K26、K27 煤层联合布置采区,根据设计部门的要求,采区位于0水平主斜井南部,北以8 号勘探线向南170 米为界,紧靠043采区;南以5号勘探线向北300 米为界;上界分别以+310 米(一煤矿下界)、282米(二马门煤矿下界)标高为界;下以±0 米标高为界。
采区走向长1280米,倾向投影(平面图)长620 米,倾向为970〜125°, —般为110°,倾角20°〜35°, —般26°。
面积875640 米2。
本采区地表位于骡子正沟南部,属于华蓥山背斜东翼,为一单斜构造,构造简单。
可采煤层为K24、K25、K26、K27 四层,均属于特低硫、特低磷、低至中灰的1/3JM 优质炼焦煤。
1.2. 邻区情况°45 采区相邻的有正在形成的°43 采区,该采区只开采K24、K25 煤层。
从目前接露的情况结合位于°43 采区上部的一煤矿的情况看, K24 煤层在°43 采区上部呈分叉状态,中下分层夹矸在°.85 米〜 2.6 米之间,平均 1.91 米,其下分层煤厚为°.25〜°.52 米,平均°.42 米。
K24 煤层在°43 采区下部分叉不明显,上下分层夹矸在 2 米以上,平均2.19米。
其下分层煤厚°.5°米〜°.64米,平均°.57米,倾向1°2°, 倾角23°。
K25煤层煤厚°.38米〜°.59米,平均°..45米,倾向1°1°, 倾角24°。
从目前接露的情况看, K24、K25 煤层在°43采区内的顶底板岩性都较稳定。
只是在该采区中部存在古河流冲刷,形成一条薄化带。
第一章概况第一节自然地理一、地形地貌本采区位于井田东南部,根据矿井地质报告介绍,本采区地貌属于中低山区,总体地势东高西低。
二、水文采区内地面无常年流水的河流通过,仅在雨季沟谷有水流出,并很快排干,属黄河流域汾河水系。
三、地震根据中华人民共和国国家标准《中国地震动参数区划图》GB18306-2001资料,本区地震烈度为Ⅷ度,地震动峰值加速度值为0.20g。
第二节地质勘查工作(参照矿井地质报告)1、1975年,山西省地质局区调队编写了1:20万平遥幅区调报告,对本工作区的地层进行了系统的划分和对比。
2、1976年10月—1980年1月,山西省地质局第一水文地质队与山西省平遥县水利局合作,对平遥县全县地下水资源的分布状况及储量进行普查,调查水井4305眼,水文地质调查点1120个,调查泉水l93处,县井队和地区井队共打钻孔21个,总计进尺4022.55m,第一水文地质队施工钻孔7个,总计进尺2163.3m。
填制有1:5万平遥县农田供水水文地质图。
于1980年l月编制了《山西省平遥县农田供水水文地质详查报告》。
第二章采区地质第一节采区地质简况一、采区地质1、本采区位于矿井井田东南部,地层发育情况与矿井井田其它地区相似。
采区地层从老到新有:古生界奥陶系中统,石炭系中统、上统,二叠系下统、上统,中生界三叠系,新生界第四系等。
采区地层总体走向趋势是:北西一南东向,倾向北东。
2、本采区地质构造以断裂为主,褶曲不甚发育,总体上呈向北东东缓倾斜的单斜构造。
(1)断裂构造采区断裂构造比较发育,其特点是延伸长,断层倾角较陡,一般大于50°,以正断层为主,逆断层次之,其方向主要以北东东和北北东两组为主,其中以北北东向形成较早,北东东向形成较晚,但分布较多,呈地堑、地垒、阶梯状排列。
(2)褶曲区域褶曲构造不太发育,仅局部地段出现小的波状起伏,形成小的近南北向或北北东向的背、向斜,但规模不大。
区域地层简表地层单位代号厚度(m) 岩性特征界系统组段新生界第四系全新统Q40~30 黄褐色亚砂土、亚粘土及砂砾石。
采区地质说明书第一章采区概况第一节、采区位置及范围:第二节、自然地理与井上下对照关系1、地形地貌1264.9m整合区位于陕北黄土高原北端,毛乌素沙漠东南缘,地貌单元属黄土丘陵地区,全区大部被黄土覆盖,区内地势总体是东部高,西部低,最高处位于井田东部梁峁,标高为1229.2m,最低处在井田西北部小板兔川深沟,标高1007.4m,区内最大高差为221.8m,一般标高在1040~1150m左右(见地形地质图)。
2、地表水系区内主要水系为小板兔川,由东北流向西北,横贯整合区北部,年平均流量为3.52m3/S。
其次有南沟、正沟等较大支沟,从南向北纵贯整合区中部,注入小板兔川。
这些沟川的流量严格受降水所控制,夏秋季雨季流量较大,冬春季枯水期流量甚微或断流.3、气象本区为典型的中温带干旱、半干旱大陆性季风气候,冬季严寒,春季多风,夏季酷热,秋季凉爽,昼夜温差悬殊,四季冷热多变。
常年干旱少雨,年蒸发量较大。
全年无霜期较短,一般10月初上冻,次年4月初解冻。
多年平均气温8.4℃(1957~1990年),极端最高气温38.9℃ (66年6月21日),极端最低气温-28.4℃ (58年1月16日),多年平均降水量435.7mm(1957~1991年),枯水年降水量108.6mm(65年),丰水年降水量819.1mm(67年),多年平均蒸发量1712.0mm,多年平均风速2.2m/s(1957~1989年),极端最大风速25m/s(70年7月18日),年最多风向西北,多年最大冻土深度146cm(68年2月),多年平均气压910毫巴(1974~1989年),全年降水量分配很不均匀,多以暴雨形式集中在7—9月份,约占全年降水量的68%。
不同年份降水量变化明显。
4、地震本区地壳活动相对微弱,基本地震烈度为Ⅵ度区。
据记载,公元1448年,榆林地区曾发生过4—5级地震,1621年在神木县孤山地区发生过5级地震,烈度6.7度,此后再未发生过4级以上地震,小震也很少。
采区地质说明书一、概况8#、350 水平翼东采区二采区系(组) 三叠系煤层位 14# 置东至东河及西至首采区边界石门范南至 18#煤地板围北至 8#煤地板上限标高 470 下限标高 350 地面标高 535走向长 2000 倾向长 200 面积 398100实见地质及水文地质简述:矿井井口内地表构造简单,本采邻区位于大两会背斜西南翼,褶皱微缓,一般在北西和北东区之间,倾角30?一35?之间,自地表至深部岩层倾角逐情渐减小的趋势。
但减小幅度不大,且无规律可寻。
矿区水况文地质条件简单,区内地下水主要受降雨补给。
在2012年雨季期间实采区的最大涌水置为58m?/n、一般为32.8 m?/n左右。
2、老窑情况:采区范围内无老窑积水。
采掘情况:该采区西翼14#煤层500米(32141采面、32143采面)已经回采完毕,8#煤层(32081采面、32083采面)正在进行回采。
东翼14#煤层1350米(32142运输巷、32142回风巷。
32144运输巷掘进)正在进行布置作业,8#煤层除在+350水平32084运输巷布置掘进了150米外,其余均未布置作业。
自然灾害及其它:该采区的自然灾害包括水、火、瓦斯,顶板等等。
该采区瓦斯涌出量不大,通过平常的检查,该处的瓦斯浓度一般0.08-0.12%,二氧化碳一般 0.05-0.16%。
本煤层无自燃发火倾向性,无爆炸危险性。
地面建筑、设施等:该采区位于地面彭家坡下,表面为深丘地段,地表植被平实,灌木丛森无农田和构造物,无小溪、沟、河等水系地层。
地面情地形(地貌、植被、地层出露情况等):出露地层主要为三叠系须况家河(t3xj),大致呈东西带状分布。
及受生水系及地面积水范围:属于东部盆地东岭谷岩溶水。
裂隙水亚区,特征产为干旱少雨,水资源缺乏,补给主要为大气降雨,因为大气降雨的影响,影全球气温变暖,降雨量有逐年减少的趋势。
采区内地下水、地表水严格响受降雨补给,故流量随之变化。
焦硐煤矿采区地质说明书编制单位:生产技术科地质组编制:胡大红审核:张青雄总工程师:胡大红2013年2月7 日第一章概况第一节煤(岩)层赋存特征一、煤(岩)层呈单斜构造,走向北1960E,倾角6-100,北陡南缓,无大的断裂、褶皱,构造简单。
煤层结构复杂总厚度1.07m~2m,一般1.8m,由5个分层构成,坚固性系数(f=2~4)。
煤层可采厚度0.95m,倾角6~100,平均倾角80,采区内稳定均可采。
二、瓦斯涌出量经2011年瓦斯等级鉴定为低瓦斯矿井,相对瓦斯涌出量6.47m3/t,且绝对瓦斯涌出量为28.67m3/min,等级为高瓦斯矿井、无突出危险性、煤层无自然发火倾向。
第二章地质构造2.1 矿井地质一、瓦斯根据《贵州省煤炭管理局文件》黔煤行管字[2007]54号文《对毕节地区煤矿2006年矿井瓦斯等级鉴定报告的批复》,焦硐煤矿矿井绝对瓦斯涌出量为6.47m3/min,相对瓦斯涌出量为28.67m3/t;绝对二氧化碳涌出量为0.33m3/min,相对二氧化碳涌出量为3.02m3/t。
根据《煤矿安全规程》第133条规定,该矿井瓦斯等级为高瓦斯矿井。
在生产中应严格按高瓦斯矿井的标准进行管理,必须加强通风瓦斯管理,加强采空区瓦斯管理和通风设施管理,提高矿井有效风量率。
二、煤尘根据该矿提供由贵州省地质煤田实验室对5、6、30号煤层所作的煤尘爆炸性鉴定报告表,该矿井5、6、30号煤层煤尘无爆炸性。
三、煤的自燃倾向根据该矿提供由贵州省地质煤田实验室对5、6、30号煤层所作的煤炭自燃倾向等级鉴定结果,5、6、30号煤层自燃倾向为三类,即不易自燃煤层。
四、地温矿区内无地温异常现象,属地温正常矿井。
五、冲击地压地质资料及矿方提供的资料中均没有提及关于冲击地压的资料,本矿区内也无冲击地压的历史记录,矿井暂按无冲击地压矿井考虑。
六、煤与瓦斯突出危险性根据黔安监管办字[2007]345号文关于加强煤矿建设项目煤与瓦斯突出防治工作的意见,焦硐煤矿矿区为国家划定的突出矿区。
编号:2011地质-1三采区地质说明书编制单位:技术科编制人:审核:科长:总工程师:编制日期:2011年2月20日市xx山煤矿目录第一章采区概况 (3)第一节采区位置、范围 (3)第二节临近采区关系 (3)第三节已有勘探钻孔情况 (4)第二章相邻十一采区实见地质、水文地质情况概述错误!未定义书签。
第一节相邻采区实见地质概况 (4)第二节相邻采区水文地质情况概述 (4)第三章地质构造 (5)第一节区内煤(岩)层产状变化情况 (5)第二节断层的特征及给本采区开拓、开采带来的影响 (5)第四章区内各可采煤层的厚度、结构及其可采范围 (6)第五章煤层顶、底板及各煤层的层间距 (6)第一节 2煤层顶底板情况 (9)第二节 3煤顶底板情况 (9)第六章预测区内可能存在的岩浆侵入体、古河床冲刷等情况 (10)第七章水文地质 (10)第一节采区的水文地质条件 (10)第二节有无突水的危险性,对防水煤柱和探放水等的要求 (11)第三节采区的最大涌水量和正常涌水量预测 (12)第八章采区储量 (12)第九章针对存在的地质问题,提出注意事项和建议 (12)第一章采区概况第一节采区位置、范围xx山煤矿三采区位于井田中部,对应的地表位于xx山煤矿工业广场的西北,禹村煤矿二号井工业广场西北部(禹村煤矿于1999年4月关闭停产),地表对应均为农田,此处无水库、河流、堤坝和需要特殊保护的建筑物。
井下大部分为禹村煤矿2煤层和3煤层已采的底煤和相应煤柱。
该区2煤层东至砾岩侵蚀带和F32断层,西到F30断层;北至F24和F31断层,南到-120m等高线。
上限标高-120m,下限标高-200m,地面标高+147.1m~+175.3m。
该区东西平均长740m,南北平均长532m,面积393400㎡。
该区3煤层东起砾岩侵蚀带和F32断层,西至F30断层;北从F24和F31断层,南到-150m等高线。
上限标高-150m,下限标高-220m,地面标高+147.1m~+175.3m,东西平均长715m,南北平均长474m,面积338920㎡。
矿井采区地质说明书第一节地形地貌及地层一、地形地貌据四川省地貌区划图,该区位于四川盆地南部丘陵~低山区,地形地貌属Ⅲ川东隆起沉降盆地山大区,Ⅲ-3 盆中构造剥蚀方山丘陵地貌区,矿区及周边地势总体呈北东高,南面低,最高点位于矿区西南角的斜石板,海拔高度为+512.3m;最低点位于东南虾扒口,海拔高度为+349m,相对高差163m,属构造剥蚀低山丘陵地貌。
地形切割中等,主要为大片沟谷坡地,坡度10°~15°左右,植被发育。
二、地层区内地层属于扬子地层区四川盆地分区威远小区,矿井及其周围出露地层由老至新为三叠系上统须家沙组(T3XJ),侏罗系下统珍珠冲组(J1ZH)和中下统自流井组1-Z2)(J ,新田沟组2X)下沙溪庙组2X5)(J ,(J ,上沙溪庙组(J2S)。
1、三叠系上统须家沙组(T3XJX)矿区范围内出露的须家沙组为本区唯一的含煤地层,区域上是陆源粗碎屑岩、细碎屑岩、泥质岩的含煤沉积,按沉积音律和岩性组合特征划分六段,其中一、三、五段为含煤地层。
在矿区内仅出露第四~六段,其特征从下至上分述于下:(1)须家河组第四段(T3XJ4):岩性为黄灰色,褐灰色厚层~块状长石英砂岩。
长和砂岩,局部夹有泥质页岩。
矿区内该段一般厚度为60~81m。
(2)须家河组第五段(T3XJ5):该段上部为灰色、深灰色页岩,砂质页岩,炭质页岩,粉砂岩,夹壳采煤层;中部为灰白色厚层~块状中粗粒长石英砂砂岩、岩屑石英砂,偶夹砂质页岩,页岩及菱铁矿结核;下部为灰色、灰黑色页岩,砂质页岩,炭质页岩夹粉砂岩,夹有可采煤层。
矿区内该段一段厚度100~140m。
(3)须家河组第六段(T3XJ6):岩性为灰白色、灰黄色中厚-厚层状中-细粒长石石英砂岩。
泥质胶结为主,次为铁质胶结。
夹薄层状砂质泥岩。
矿区内该段一般厚度为15~30m,与上覆盖,覆侏罗系下统珍珠冲组地层为平行不整合接触。
2、侏罗系下统珍珠冲组(J1ZH)紫红色或杂色泥岩夹黄绿薄-中厚层状泥质岩屑石英砂,矿区内该段一般厚度40~60m。
采区地质说明书
(编写的主要内容及要求)
一、正文部分
1.采区位置、范围、四邻关系,井上下对照关系,勘探工作等;
2.相邻采区实见地质构造、瓦斯地质和水文地质等;
3.区内煤(岩)层产状和煤层厚度变化,断层与褶皱的特征、分布范围和控制程度,对采区开拓、开采的影响等;
4.可采煤层厚度、结构及可采范围,可采煤层的可采性;
5.各煤层顶底板类型、岩性、厚度、富水性及物理力学性质,各煤层群(组)之间的间距和岩性变化;
6.陷落柱、岩浆岩体、冲刷带等情况;
7.煤层瓦斯赋存地质规律,瓦斯(煤层气)资源/储量;
8.水文地质条件,采空区及周边老空区范围,预测正常涌水量、最大涌水量和突水危险性,防隔水煤(岩)柱和探放水等工程技术要求;
9.地温及地热危害,煤自燃危险程度;
10.采区煤炭资源/储量;
11. 工作面回采对地表建(构)筑物的影响;
12.针对存在的地质问题应注意的事项和建议。
二、附图
1.井上下对照图;
2.采掘工程平面图;
3.采区地层综合柱状图;
4.采区煤层底板等高线及资源/储量估算图;
5.采区回风水平和运输水平的地质切面图(煤层倾角大于25°);
6.采区地质剖面图;
7.采区煤层厚度等值线图;
8.采区瓦斯地质图。
山东阳光矿业有限公司六采区地质说明书编制单位:技术科接到通知时间:年月日提交时间:年月日目录一、采区范围二、相邻采区实际揭露地质水文地质概况三、勘探钻孔情况四、地质构造五、煤层、媒质六、煤层顶地板及各煤层间距七、水文地质八、岩浆入侵、岩溶陷落、古河床冲刷九、地温和地压十、煤尘瓦斯十一、采区储量十二、注意事项、建议附图一、六采区采掘工程平面图二、六采区地质剖面图三、—150米水平六采区总回风巷地质切面图四、—300米水平六采区运输大巷地质切面图五、煤系地层综合柱壮图六采区地质说明书一、采区范围六采区位于第一勘探线和第二勘探线之间,其北至侵蚀线,西邻五采区,南至—300米水平,东为F23-1号断层煤柱,东西走向760米,倾向斜长610米,开采上限—150米,下限—300米。
六采区所对应的地面标高+179.97米~+183.8米。
地势较平坦,采区北部有迈莱河横跨,河床宽60米,采区内有陈上旺、李上旺村压覆(见平面图)。
二、相邻采区实际揭露地质水文地质概况六采区与五采区相邻,五采区的小断层发育落差在1~5米,对采掘布置影响较大,对五采区边界F5号断层的控制较为准确;对五采区中部倾向F20-1号断层落差0~50米已基本控制。
总之,五采区地质构造已基本清楚。
五采区巷道揭露中,没有出现滴水、淋水涌出。
采区中部倾向F20-1断层,落差0~50米和南部边界走向F20号大断层沟通,有断层导水可能,在采区布置前,F20-1号断层进行钻探,没发现有水涌出。
在以后巷道揭露中,倾向F20-1号断层带以硬泥岩填充,起到了阻隔水的作用,因此,F20-1号断层不导水。
五采区上部,是—300米水平的二采区,开采煤层为2层煤、4层煤,于1993年采完。
6层煤距4层煤40米左右,且6层煤顶板多为细砂岩、粉沙岩,裂隙不发育,煤顶板隔水性强。
又因6层煤属于薄煤层,0.8~1.2米,采后下沉幅度小,在整个采区开采中,上部的2、4层煤老空积水对6层煤开采通过多年的观察未出现涌水现象。
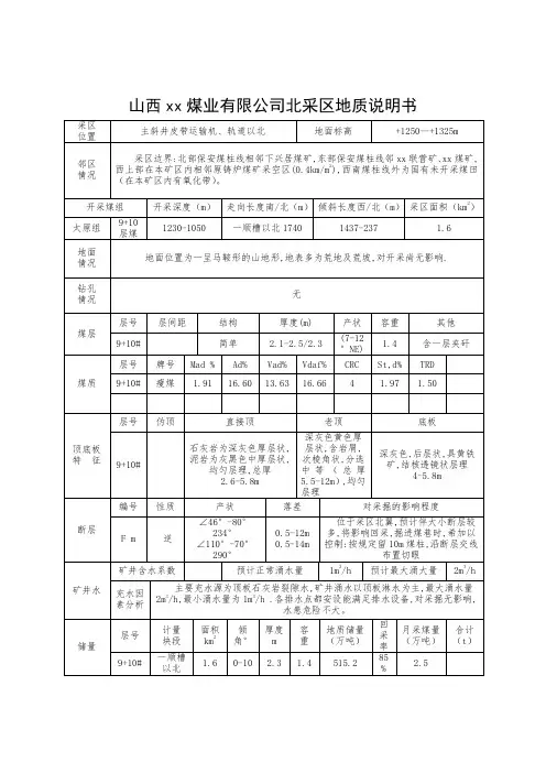
山西xx 煤业有限公司北采区地质说明书采区 位置 主斜井皮带运输机、轨道以北地面标高+1250--+1325m邻区 情况采区边界:北部保安煤柱线相邻下兴居煤矿,东部保安煤柱线邻xx 联营矿、xx 煤矿,西上部在本矿区内相邻原铸炉煤矿采空区(0.4km/m 2),西南煤柱线外为国有未开采煤田(在本矿区内有氧化带)。
开采煤组 开采深度(m ) 走向长度南/北(m ) 倾斜长度西/北(m ) 采区面积(km 2) 太原组 9+10层煤1230-1050一顺槽以北17401437-2371.6地面情况 地面位置为一呈马鞍形的山地形,地表多为荒地及荒坡,对开采尚无影响.钻孔 情况无煤层层号层间距结构 厚度(m) 产状 容重 其他 9+10# 简单 2.1-2.5/2.3 (7-12°NE) 1.4 含一层夹矸 煤质层号牌号 Mad % Ad%Vad%Vdaf%CRC St,d% TRD 9+10# 瘦煤 1.91 16.60 13.63 16.66 4 1.97 1.50顶底板特 征层号伪顶直接顶老顶底板9+10#石灰岩为深灰色厚层状,泥岩为灰黑色中厚层状, 均匀层理,总厚2.6-5.8m 深灰色黄色厚层状,含岩屑,次棱角状,分选中等(总厚5.5-12m ),均匀层理深灰色,后层状,具黄铁矿,结核透镜状层理4-5.8m断层编号性质 产状 落差对采掘的影响程度F m逆∠46°-80° 234° ∠110°-70°290° 0.5-12m 0.5-14m 位于采区北翼,预计伴大小断层较多,将影响回采,掘进煤巷时,希加以控制:按规定留10m 煤柱,沿断层交线布置切眼矿井水 矿井含水系数预计正常涌水量 1m 3/h预计最大涌大量 2m 3/h充水因 素分析主要充水源为顶板石灰岩裂隙水,矿井涌水以顶板淋水为主,最大涌水量2m 3/h,最小涌水量为1m 3/h .各排水点都安设能满足排水设备,对采掘无影响,水患危险不大。
一、地质说明书(一)、工作面境界、范围(二)、煤层特征(三)、煤层顶底板特征(四)、工作面储量(五)、简要说明(构造、赋存、水文、煤与瓦斯突出、假顶等)1、采区位置、范围及四邻关系:本区工作面位于三水平南部3、4区,西自-181.6T~-191.6T标高轨道起,东至-241.9~-246.3T标高为界,北自切眼起,南至设计停采线为界,工作面走向长239米,倾斜长110米,平面积26290平方米。
本工作面西部由综采一队于2005年采完,冒落充分,块度不大,东部未采,北部已由综采一队于2002年采完,南部为F1断层,本层上部18层煤变薄0.8米,未采,下部23层煤尚未开采。
2、地质构造情况:本区构造简单,通过机、轨两道及切眼实见看,只见几条小断层,落差均小于0.8米。
在本区轨道上部有一F14断层,至本区北部已尖灭,本区下部为F13反向正断层,落差大于40米,走向近NS,倾角10°~30°。
3、煤层赋存情况及顶底板岩性:本区21煤层赋存相对稳定,煤层整体走向NW,倾向NE,厚度最大5.05米,最小4.2米,(含夹矸),一般厚度在4.4米左右,结构比较简单,一般有2~3层夹矸,距顶板1米左右有一层厚度为0.2米左右的粉砂岩夹矸,比较稳定,距底板0.8米左右的粉砂岩夹矸,厚度不稳定,煤层倾角为26°~29°,一般为28°,本煤层有0.3~0.8米厚的深灰色粉砂岩伪顶,较破碎,随采堀而下落,直接顶为灰白色细砂岩,局部较破碎,底板为灰色细砂岩,较坚硬。
该层煤距上覆18层煤层间距一般为75米,其间以中细砂岩为主,下覆23煤层间距一般60米,其间以中砂岩为主。
4、水文地质情况本区水文地质情况简单,局部顶板淋水,开采时注意上覆老空积水及顶板淋水。
5、本区煤层无岩浆侵入体及古河床冲刷等现象,亦无陷落柱等。
6、本煤层属局Ⅰ类发火煤层,发火期为10个月。
7、建议:⑴、由于本煤层顶板破碎,所以回采时必须加强顶板管理。
六采区地质说明书编制单位: 生产技术科审核:总工程师:接到通知书时间: 年月日提交时间: 年月日六采区地质说明书一、采区概况六采区井下位于井田东侧,采区面积390328m2,3#地质储量为348万吨,采区内可采储量为278.5万吨。
煤层平均厚度6.15m,地面位与井田东侧,高山丘陵地段。
二、地形地貌及水系1、地形地貌本采区位于井田东侧。
地势为西高东低。
最高点在井田东部的山梁处,标高为857.5m,最低点位于井田东部沟谷中,标高为827.6m,地形最大相对高差29.9m。
地表大部分黄土覆盖,大部分为耕地。
2、水系采区范围内无河流分布,溪流均为季节性河流,水量不大,尤其旱季水量甚微,甚至干枯。
三、地质特征大部为黄土覆盖,基岩局部出露,井田内出露的地层有二叠系下统下石盒子组、二叠系上统上石盒子组。
结合区域地层,地层层序由老至新为奥陶系中统峰峰组、石炭系中统本溪组、石炭系上统太原组、二叠系下统山西组、二叠系下统下石盒子组、二叠系上统上石盒子组及第四系上更新统、中更新统、全新统。
根据井筒和钻孔资料及寺河井田精查资料,将井田地层由老至新叙述如下:(一)奥陶系中统峰峰组(O2f)为煤系之基底,埋藏于井田深部,岩性为深灰、灰色厚层状石灰岩,夹灰黄色、黑灰色泥灰色,含次生石膏及散染状黄铁矿,下部裂隙岩溶发育,并为方解石脉充填,局部为砾状石灰岩,已为区内大部分钻孔所揭露,但揭露厚度不大,地表仅在区东南角外川底乡附近的长河河床零星出露,厚度不详。
(二)石炭系中统本溪组(C2b)平行不整合于下伏奥陶系石灰岩之古侵蚀面上,岩性、岩相及厚度变化较大,一般由灰色鲕状铝土岩、铝质泥岩、灰黑色泥岩组成,偶有灰黑色粉砂岩、夹菱铁矿及硫铁矿等组成,全组厚度2.13~11.72m,平均7.47m,井田内地表无出露。
(三)石炭系上统太原组(C3t)为主要含煤地层之一,地表在井田东南角外零星出露,区内钻孔全部揭露,主要由灰黑色、黑色泥岩,灰黑色、灰色中细粒砂岩、粉砂岩间夹石灰岩及煤层组成,连续沉积于下伏本溪组之上,为一套海陆交互相含煤积建造。
第一章概况第一节煤(岩)层赋存特征一、煤(岩)层呈单斜构造,走向北10~200E,倾角10-500,北陡南缓,无大的断裂、褶皱,构造简单。
煤层结构复杂总厚度1.07m~2m,一般1.8m,由5个分层构成,坚固性系数(f=2~4)。
煤层可采厚度1.0m,倾角23~260,平均倾角240,采区内稳定均可采。
二、瓦斯涌出量经2009年瓦斯等级鉴定为低瓦斯矿井,相对瓦斯涌出量6.93m3/t,且绝对瓦斯涌出量为31.65m3/min,等级为低瓦斯矿低瓦斯工作面、瓦斯无突出倾向、煤层无自然发火倾向。
第二章地质构造2.1 矿井地质区内出露地层由老到新为三叠系中统雷口坡组(T2L)、三叠系上统须家河组(T3xj)、侏罗系下统珍珠冲组(T1ZH)、侏罗系中、下统自流井组(J1-2Z)、侏罗系中统新田沟组(J2X)、沙溪庙组(J2S)。
含煤地层为三叠上统须家河组(T3xj)。
根据区域地质资料,本组划分为七个段,其中一、三、五、七段(T3xj1、T3xj3、T3xj5、T3xj7)为含煤段,主要岩性为深灰色泥岩,夹粉砂岩,并有厚度不等的细~中粒砂岩,含煤层、煤线;二、四、六段(T3xj2、T3xj4、T3xj6)为砂岩段,岩性为灰色厚层状细~中粒砂岩,偶夹不稳定的泥岩透镜体,局部见砾石。
矿井开采煤层五大连位于须家河组第五段(T3xj5,俗称中煤组)。
第五段(T3xj5)一般厚75m,该段按岩性组合等特征可细分为五个亚段,即T3xj5-1~T3xj5-5,其中T3xj5-1、T3xj5-3、T3xj5-5三个亚段主要为深灰色泥岩、泥质粉砂岩与粉砂质泥岩;T3xj5-2、T3xj5-4为灰色中厚层状细~中粒砂岩。
本段上部T3xj5-3含区内可采煤层五大连煤层。
2.1采区地质1、本采区地质构造简单,从南2号和南3号回风上山看无断层,岩层正常,无老塘水,裂隙水,溶洞水。
2、顶,底板岩层情况。
从补3和CK—11钻孔资料及一、二、三水平石门揭穿岩层的实测资料来看,顶板为70—90m粗砂岩,F系数4—6,伪顶是安全管理的重点。
明鑫煤炭有限责任公司西翼+1525m水平B组煤采区地质说明书编制单位:混合斜井技术科编制日期:2015年1月会审意见表会审地点主持人会审日期年月日会审人员签字审批意见审批表职务审批意见本人签字审批日期技术科科长安检科科长机电科科长通风科科长生产副总机电副总通风副总地测副总安全副总机电副矿长生产副矿长安全副矿长总工程师西翼+1525m水平B组煤采区地质说明书第一节地形地貌及地层一、地形地貌石炭窑矿区位于天山东段北侧,属山间盆地型准丘陵地貌,海拔1600-1750米,地势东高西低,中间基本为较平坦戈壁,系第四系洪积、风积型砂砾层,无植被或零星植被,矿区外南部为高山区,北部为低山丘陵区,井田地形基本为较平坦戈壁,长有零星植被。
井田内及其附近无地下水露头和地表水体。
二、地层明鑫公司混合斜井地表被第四系广为覆盖,仅在局部地区有少量基岩出露。
钻孔与井巷工程揭露的地层分别划分为侏罗系下统八道湾组与三工河组。
1、下侏罗统八道湾组(J1b)该组按岩性组合和含煤特征,尚可细分为上、中、下岩性段,厚度286~406米。
受石炭窑走向逆断层(F5)破坏,中段地层从明鑫2号井西翼180米处缺失。
(1)、下段(J1b1)该段地层主要岩性为灰色粉砂岩、细砂岩、砂质泥岩组成,具水平层理和微波状层理,含植物化石碎片,夹菱铁矿透镜体,底部含A2、A3二层煤,其中A3煤层为局部可采,A2为全区可采煤层,该段地层厚度约106米。
(2)、中段(J1b2)该段地层主要岩性为淡黄色至灰色粉砂岩、砂质泥岩、细砂岩、黑色的炭质泥岩组成,含黄铁矿,共含有B1、B2、B3、B4四层煤,受F5号逆断层影响,该段煤仅在明鑫混合斜井以西的范围可采(南Ⅳ排线以西),该段地层厚度大约90~170米。
(3)、上段(J1b3)该段为八道湾组主要含煤段,主要岩性为灰色、深灰色、灰白色粗砂岩、中砂岩,细砂岩与泥质粉砂岩,粉砂质泥岩互层夹含炭泥岩,煤层、泥岩、粉砂岩中可见水平层理,含植物化石碎片,含煤九层,煤层编号为C1、C2、C3、C4、C5、C6、C7、C8、C9,大部分为可采煤层,该段地层总厚为90~130米。
2、下侏罗统三工河组(J1s)该组地层主要岩性为灰绿色厚层状砾岩、砂砾岩及薄层状细砂岩,偶夹极薄炭质泥岩与砂质泥岩。
未见顶,与下伏地层整合接触。
地层厚度大于294米。
3、第四系(Q4)较广泛地分布在盆地之中,为现代河床冲积、洪积、风积砂砾石层,褐灰色、灰白色、浅灰色砾石及砂混杂堆积,砾石成分主要由砂岩、烧变岩、岩浆岩及少量变质岩,砾径0.06~0.2米,分选差,磨圆为次棱角-圆状,无胶结,厚度0~5米。
三、构造混合斜井含煤地层位于石炭窑复向斜的西南翼,受其次级向斜西南翼控制,呈向北北东方向陡倾的单斜构造。
地层傾角介于55°~75°,走向上自西向东略陡,倾向上深部较浅部变缓。
局部地段受F5断层影响,地层产状变化较大。
石炭窑逆断层(F5)走向为北西西-南东东,傾向北北东,傾角55°~75º,在井田内沿B煤组展布,在Ⅻ线1202孔、ⅩⅩ线2002孔、ⅩⅢ线1302孔、南Ⅳ-1孔、南Ⅳ-2孔、南Ⅳ-3孔内被控制,F5断层面在走向方向上的弯曲,使得断层下盘的B 组煤在XⅢ线以西、走向上两次错断。
在该矿井西翼XⅢ与M2之间造成1200米水平以上B组煤的部分缺失。
在M2线以东1350m水平以下全部缺失。
该断层对B组煤破坏较大,致使B组煤在明鑫2#立井西翼180米处缺失,对B组煤的资源量影响较大,F5断层对A组煤和C组煤的影响较小。
总上所述,明鑫混合斜井矿界内,其构造复杂程度属中等偏简单构造类型。
第二节煤层赋存及煤质一、含煤岩系井田位于向斜的南翼,其地层走向为NE60°(SW240°)左右,傾角55°~75°,区内含煤地层为侏罗系中统八道湾组(J1b),含煤地层总厚度708.15m~421.59m,地层平均厚度约465 m,共见煤层16层(多以复煤层为主),其中全区可采煤层7层(A2、B1、B2、C3、C4、C5、C6);大部可采煤层6 层(B3、C1、C2、C7、C8、C9);局部可采煤层2层(A3、B4);不可采煤层1层(A1)。
煤层最大总厚度64.65m,煤层平均总厚度48.67 m,可采煤层最大总厚度54.62m,平均总厚度44.65 m,含煤系数约11 %(煤层平均总厚度与煤系地层平均厚度之比)。
各煤层按其间距共分三个煤组,分别为A煤组、B煤组、C煤组。
井田内A组煤共含煤3层(A1、A2、A3);B组煤共含煤4层(B1、B2、B3、B4);C组煤共含煤9层(C1、C2、C3、C4、C5、C6、C7、C8、C9); A组煤、C组煤的多数煤层均属稳定及较稳定煤层,分布于整个井田范围内。
B 组煤,受F5号断层的影响,井田内多不连续。
A组煤共含煤3层,井田内三层煤总厚5.02米,平均单层厚1.67米,含煤系数为10%,可采总厚为4.34米,该煤层形成于盆地的初始阶段,聚煤期短环境尚不稳定,故煤层相对较薄,在本矿范围内煤层结构较简单。
B组煤含煤4层,煤层总厚为18.72米,平均单层厚度为4.68米,可采总厚为16.60米,含煤系数为12%。
该组煤形成于聚煤盆地的早中期,聚煤期长,煤层沉积厚度大。
C组煤含煤9层,底部煤层(C1、C2)结构简单,厚度较簿,中部(C3、C4、C5、C6),煤层厚度大较稳定,煤层结构较复杂;上部煤层(C7、C8、C9)结构简单,厚度较簿。
该煤组总厚40.46米,平均厚6.74米,含煤系数为25.4%。
二、开采煤层混合斜井现可采煤层7层(B1、B2、B3、B4、C3、C4、C5)现分述如下:一、八道湾组中段(J1b2)1、B1号煤该层在20线的2002号孔与南Ⅶ-1号孔之间赋存,在南Ⅳ排线以东缺夫。
煤层厚度较大,上盘煤分布于矿区东部,层厚由1.53~2.12米,下盘煤层分布于矿区西部,厚度较小为1.23~1.91米,煤层中含苞欲放夹矸0~1层结构简单,面积可采率76%,为全区可采煤层,距上层煤间距平均为13.80米,为较稳定煤层。
2、B2号煤该层在南Ⅳ线以东182米处缺失,所处位置是明鑫公司2号立井西翼。
B2煤层在F5断层上盘,主要煤分布在井田东部,煤层厚度为1.23~3.15米。
在F5断层下盘的煤则分布于井田的西部,煤层厚度为3.44~6.32米,煤层较厚,厚度变化较大,含夹矸0~3层,结构较复杂,一般由1~4个分层,面积可采率88%,为该区比较稳定的全区可采煤层,距上煤层间距平均为11.56米。
3、B3号煤该煤层局部缺失于ⅩⅢ线(即矿井中部),在南Ⅶ排东182米缺失。
在F5断层上盘,B3煤分布于M1线以东,层厚7.40米,在F5断层下盘B3煤分布在ⅩⅢ线以西,煤层厚度为3.12米,煤层厚度变化较大,含夹矸0~1层,煤层结构比较复杂,最多为3个分层,一般为1~2个分层,面积可采率67%,为该区比较稳定的大部可采煤层,距上煤层间距平均为11.56米。
4、B4号煤在井田范围内,该组煤层缺失在南Ⅳ、南Ⅶ、ⅩⅢ线之间,只出露于矿区西部为F5下盘煤,层厚由1.54米~5.92米,煤层厚度变化不大,含夹矸0~2层,煤层结构比较简单,一般由1~2个分层,最多为1~3个分层,为该区局部可采的不稳定煤层,距上C1煤层最大间距57.41米,平均间距为25.11米。
三、八道湾组上段(J1b3)1、C3号煤与C2号顶板的间距最大为29.64米(2001孔),最小为3.05(1301孔),平均间距为12.27米,层位稳定,井田内全区可采,煤层厚度由西向东逐渐增厚,深部较浅部稍厚,厚度1.44~6.12米,平均厚4.38米。
煤层结构较为简单,含夹矸0~2层,夹矸最大厚为0.67米(13-b1孔)。
顶板岩石主要为粉砂岩、细砂岩、泥质砂岩,底板主要为泥岩和粉砂质泥岩。
C3号煤层全区分布,层位稳定,结构简单,变化规律十分明显为稳定煤层,是井田内煤层对比的主要标志,也为矿区主要可采煤层。
2、C4号煤与C3号顶板的间距最大为23.92米(2002孔),最小为9.29米(M1-1孔),平均间距15.02米,煤层厚度为2.84~9.09米,平均5.21米,层位稳定,厚度变化较大,变化规律明显,从西向东逐渐增厚,XⅢ线以西由三个分层组成,M1线南Ⅶ线合为两层,至M2线C4、C5逐渐合并为一层。
厚度变化系数为46~65%,煤层结构由东向西、由浅往深逐渐复杂,层间距逐渐增大。
煤层顶板岩性主要为粉砂岩及细砂岩,底板岩性为一套砂质泥岩、细砂岩。
C4号煤的厚度、结构、等基本上与C3相似,厚度变化系数虽较大,但变化有规律,层位稳定,含夹矸0~3层结构局部简单其它较复杂,易于对比,为全区可采的稳定煤层,是矿区主要可采煤层。
3、C5号煤C5与C4号煤层的间距,最大为23.43米,最小为9.34米,平均14.33米,层位稳定,全区分布,全区可采,煤层厚度变化较大,且有规律,由西向东逐渐增厚,中部最厚,厚度为1.4(1301孔)~ 6.23米(M1--1),平均厚3.69米,厚度变化系数50~60%,煤层结构较简单,有一或二个薄层炭质泥岩或泥岩夹矸,夹矸厚一般为0.20米左右,层位稳定易于对比。
煤层的主要顶板为粉砂岩及细砂岩,底板普遍有一层炭质泥岩及泥岩伪底,直接底为粉砂岩。
C5号煤层厚度变化不大,变化规律清晰明显,煤层结构较为简单,为稳定煤层,是煤矿区主要可采煤层之一。
2、煤质区内含可采煤层的地层仅为八道湾组(J1b)。
在钻探施工中见到的可采煤层按规范要求,进行了煤芯煤样及煤岩煤样、视相对密度煤样等其它样品的采集及化验工作,通过化验工作对井田煤质进行了综合评价,查明了井田内的各可采煤层煤质特征和工艺性能,查明了影响煤矿开采的瓦斯含量及其变化情况,确定了可采煤层煤类,对煤的变质程度及煤的工业利用方向进行了评价。
煤的物理性质及煤岩特征钻孔煤芯煤样与井下煤层煤样观察,各煤层其物理性质基本相似。
为玻璃光泽-半沥青光泽,黑色,条痕黑褐色,节理发育,性脆,断口以参差状为主,局部为平整状或贝壳状,易燃烧,燃烧时烟大,结碴,膨胀现象明显。
井田的煤岩类型为半亮型煤。
成分以亮煤为主,夹少量镜煤及丝炭条带或透镜体,镜下观察,凝胶化物质系由木质镜煤-镜煤质,胶化物质组成,透明度好,一般呈浅褐色或橙红色,非均性明显,胶化物之间界线清楚,部分有横向结构,丝炭化、半丝炭化物质,以丝炭体、半丝炭体及木质镜煤,煤质丝炭体等呈条带状分布于煤层中。
角质化物质常见者为角质层、大孢子、小孢子等,一般呈金黄色、橙黄色,清楚可见。
根据煤岩鉴定结果为原地生成腐植煤,沉积环境稳定~中等稳定环境。
煤层水分(M ad)B1煤层:1.06~1.17%;B2煤层:0.97~1.28%;B3煤层:0.84~1.07%;B4煤层:0.94~1.12%;C3煤层:0.62~0.90%; C4煤层:0.65~1.03%;C5煤层:0.84~1.08%;煤层灰分(A d)B1煤层:14.87~19.63%;B2煤层6.46~18.78%;B3煤层:3.21~18.78%;B4煤层:4.02~19.87%;C3煤层:8.02~18.57%; C4煤层:6.78~21.30%;C5煤层:7.45~18.96%挥发分(V daf)B1煤层:37.85~42.81%;B2煤层:35.64~40.13%;B3煤层:37.64~39.87%;B4煤层:36.42~39.39%;C3煤层:36.17~40.03;C4煤层:36.08~38.10;C5煤层:35.07~37.10;井田内煤层碳元素含量介于80.61~85.57%,氢含量介于4.25~5.76%,氮含量介于1.32~2.13%,氧+硫含量在7.05~12.68%之间。