JS1500混凝土搅拌机安装方案
- 格式:pdf
- 大小:114.24 KB
- 文档页数:7
搅拌机施工方案1. 引言本文档旨在提供一份关于搅拌机施工方案的详细指南,以帮助施工人员在施工过程中安全、高效地搭建和操作搅拌机。
本方案旨在确保施工过程中的无故障运行,最大限度地提高搅拌机的使用寿命。
2. 安装搅拌机在安装搅拌机之前,请确保已经具备以下条件:•施工场地的地面必须平整坚实,以确保搅拌机的稳定性。
•搅拌机的安装位置必须远离易燃物品和危险区域。
•搅拌机所需的电力和水源必须达到相应要求,确保顺利运行。
在安装搅拌机时,按照以下步骤进行:1.将搅拌机放置在安装位置上,并确保底座与地面接触稳定。
2.根据搅拌机的电源要求,将电源线接入供电插座。
3.如果使用水冷却系统,请将水源管道连接到搅拌机的进水口。
3. 搅拌机操作在操作搅拌机之前,请按照以下步骤进行准备:1.检查搅拌机的所有控制开关和按钮是否处于正常工作状态。
2.确保搅拌机的容器是干净的,并根据需要做好消毒工作。
操作搅拌机的步骤如下:1.打开搅拌机的电源开关,确保电力供应正常。
2.根据需要调整搅拌机的转速,可以通过搅拌机上的旋钮或按钮进行调节。
3.将所需原料或配料放入搅拌机的容器中,确保不要超过搅拌机的容量。
4.关闭容器的盖子或安全保护装置,以防止材料溅出。
5.启动搅拌机,并根据需要设定搅拌时间。
6.在搅拌完成后,关闭搅拌机的电源开关,并等待搅拌机完全停止旋转。
7.打开容器的盖子或安全保护装置,小心地取出搅拌好的物料。
4. 维护和保养为了确保搅拌机的正常运行和延长使用寿命,请定期进行维护和保养工作。
以下是一些建议:•定期清洁搅拌机的容器和配件,以防止材料残留和堵塞。
•定期检查搅拌机的电源线和插头,确保其完好无损。
•定期检查搅拌机的控制开关和按钮,确保其正常工作。
•定期检查搅拌机的机械部件,如传动系统和轴承,以确保其正常运转。
•定期润滑搅拌机的机械部件,以减少摩擦和磨损。
5. 安全注意事项在操作搅拌机时,务必遵守以下安全注意事项:•请熟悉并遵守搅拌机的使用说明和操作手册。
搅拌机施工方案一、安装:混凝土搅拌机应根据施工组织设计的要求来确定安装位置,安装地点必须坚实平整。
搅拌机应安装在坚实的地面上,用支架或支角筒架稳,不以轮胎代替支撑。
移动式混凝土搅拌机安装时,要用枕木或方木垫起机架,使轮胎架空;较长时间在现场使用的搅拌机,应将轮胎卸下保管,并将轴颈(轴承)包好密封。
鼓形自落式混凝土搅拌机进料口一端为适应上料时机体的偏重,可稍抬高3—5cm。
搅拌机电气系统安装应合理、安全可靠,并应有良好的接地保护装置。
)施工现场安装使用的搅拌机时间较长,考虑到机械的防腐要求和便于冬季施工,应搭设操作棚。
操作棚应防雨、防砸。
操作棚内应有良好的通风,采光及防雨、防冻条件、并不得积水。
作业场地要有良好的排水条件,机械近旁应有水源,固定式机械要有可靠的基础,移动式机械应在平坦坚硬的地坪上用方木或撑架架牢,并保持水平。
气温降到5℃以下时,管道、泵、机内均应采取防冻保温措施。
二、验收检测:料斗提升卷筒上的钢丝绳完好,不超过报废标准,且润滑良好;钢丝绳在放出最大长度后,至少预留三圈。
离合器灵活、制动器可靠,各部润滑良好,运转平稳无异响。
料斗保险挂钩、操作手柄保险装置、传动部位防护罩齐全有效。
设备外壳做保护接零,使用符合要求的开关箱,操作箱箱体完好,按钮开关灵活可靠。
空车运转。
检查搅拌筒或搅拌叶的转动方向,各工作装置的操作、制动、确认正常、方可作业。
三、使用:搅拌机使用前应按照“十字作业法”(调整、紧固、清洁、润滑、防腐)的要求检查离合器、制动器、钢丝绳等各系统和部位,确保运转灵敏、正常,并按规定的位置加油润滑。
自落式混凝土搅拌机应先加水,电源接通后,必须仔细检查,经空车试转认为合格,方可使用。
试运转时应校验拌筒转速是否合适,一般情况下,空车速度比重车(装料后)稍快2~3转,如相差较多,应调整动轮与传动轮的比例。
待搅拌筒运转正常后方准上料,切不可装料后(负载)启动。
严禁超载和使用与搅拌机性能不符的骨料。
混凝土搅拌机安装作业指导方案一、工程概况:本工程为XXXXXXXXXX,位于XXXXX新兴项目园内。
总建筑面积26048平方米。
混凝土搅拌及运输采用混凝土搅拌站。
混凝土搅拌站安装位置见现场平面图。
二、地质情况:第一层耕土0.6-1.4m厚距自然地面厚度第二层粉质黏土3-10m厚F ak=190kpa第三、四层粉质黏土土F ak=140kpa三、混凝土搅拌站基础施工程序定位——挖基础——砌砖模——基础敦混凝土——基础料斗坑内壁抹灰——吊装四、施工要求和具体方法1、根据施工现场平面图确定搅拌站位置,并根据搅拌站基础安装图,放出各设备基础线。
2、根据设备基础线挖土,挖土采用人工挖土,挖出的土及时运出场外。
3、设备按以下基础尺寸挖土并浇注混凝土。
水泥罐的基础尺寸为φ800,共16个。
混凝土搅拌机基础尺寸为800×2750,共4个;400×2000共2个;混凝土配料机基础尺寸为600×2700,共2个。
以上设备基础深均为1000mm,混凝土浇注采用C20。
4、按照搅拌站安装基础图,在土方完成后,需按基础尺寸进行模板施工,模板采用砖模,砖模为240厚红砖墙,砖模施工时注意保证砖模顶标高一致。
另外,料斗坑施工按图挖完土后,按坑内标高先在坑底浇注150厚C20混凝土, 然后按图示尺寸砌筑500厚红砖墙并抹灰。
5、在砖模砌筑完成后进行混凝土浇注,混凝土浇注采用机械搅拌的方式,混凝土C20配合比为1:2.07:2.98,每立方米混凝土水泥用量为:360㎏。
砂采用中砂,石采用2-4㎝碎石,水为地下水。
6、混凝土浇注过程中,由放线员控制混凝土的标高,并按标高及预埋件的图示位置将预埋件直接浇注在混凝土中。
预埋件尺寸见搅拌站安装基础图。
7、待设备基础混凝土强度达到要求后,进行设备吊装,并将预埋件与设备底座焊接牢固。
8、混凝土搅拌站组装完成后,需作地面硬化处理①按基础安装图,在搅拌站范围内作150㎜厚混凝土地面,混凝土为C20。
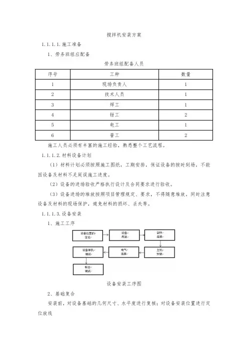
搅拌机安装方案1.1.1.1.施工准备1、劳务班组应配备劳务班组配备人员施工人员必须有丰富的施工经验,熟悉整个工艺流程。
1.1.1.2.材料设备计划(1)材料计划必须按照施工图纸,工期安排,保证设备的按时到场,不能因设备及材料不足延误施工进度。
(2)设备的进场验收严格执行设计及合同要求进行验收。
(3)设备进场的堆放按照项目管理规定、要求,不得随意堆放。
同时注意设备及材料的现场保护,避免材料的损坏、丢失等。
1.1.1.3.设备安装1、施工工序设备安装工序图2、基础复合安装前,对设备基础的几何尺寸、水平度进行复核;对设备安装位置进行定位放线3、开箱检查(1)设备型号、规格符合设计要求;(2)设备技术文件齐全;(3)零部件齐全,无损坏,应无锈蚀。
4、主机安装与电气连接(1)依照厂家设备供货清单的设备部件配置,对设备进行安装,安装必须依照相关规范执行,具体内容参照如下:设备安装允许偏差和检验方法(2)主机安装及电气连接应参照规范主控项目要求的内容:1)设备应设置密封泄漏保护装置。
油箱水量不得超过油量的10%。
2) 设备升降导轨应垂直、固定牢固、沿导轨升降自如。
3)设备必须设漏水、过载监测保护系统。
1、调试准备(1)检查紧固件有无松动,各润滑部位应按文件要求加注润滑剂;(2)池内的垃圾等应清理干净;(3)设备提升装置必须安全可靠(4)设备电缆与吊索分开固定,并捆绑结实,防止卷入叶轮,发生危险。
2、调试运转(1)先短时间开机,观察并调整叶轮转动方向;(2)试运转前,向池内注入大约为池容积70%的水,切勿在设备无水的情况下长时间运转,以免设备受力不均而弯曲;(3)观察减速机有无异响及升温情况;(4)检查电机电流是否在额定范围内(启动时短时间内超电流为正常);(5)检查转动轴的摆动情况,摆动偏差应小于3/1000。
(4)质量控制措施1、设备导杆垂直度不大于1/1000;2、吊臂的起吊位置应与设备吊钩起吊位置垂直;3、设备升降过程中严禁电缆受力。
水泥搅拌机现场制作安装施工方案1. 引言本方案旨在描述水泥搅拌机的现场制作安装施工流程,确保施工过程顺利进行并满足安全要求。
2. 材料准备在施工前,需准备以下材料和设备:- 水泥搅拌机及其配件- 手动工具(扳手、起重设备等)- 安全防护设备(安全帽、手套、护目镜等)- 水泥和其他施工材料3. 施工步骤3.1 场地准备1. 确保施工场地平整、无妨碍物,清除杂物和堆放物。
2. 根据水泥搅拌机的尺寸和重量,确保场地能承受其负荷。
3.2 安装水泥搅拌机1. 准备好起重设备,将水泥搅拌机从运输工具或存放位置移至施工位置。
2. 使用起重设备稳固地安装水泥搅拌机。
确保其基础牢固,可以承受搅拌机的运转震动。
3.3 接通电源和管路1. 根据搅拌机的电气要求,接通电源并进行必要的电气连接。
2. 连接好水泥供应管路和排放管路,确保通畅,防止泄漏。
3.4 测试和运行1. 在安装完成后,进行搅拌机的测试和调试,确保其工作正常。
2. 运行搅拌机,观察是否有异常噪音或运转不稳定的现象。
3.5 施工完成和清理1. 施工完成后,检查整个安装是否符合要求。
2. 清理施工现场,清除杂物和碎片。
4. 安全注意事项在施工过程中,需要注意以下安全事项:- 确保工作人员佩戴适当的安全防护设备。
- 按照操作规程进行操作,避免意外。
- 注意水泥搅拌机的运作状态,及时排除故障。
5. 总结本方案详细描述了水泥搅拌机的现场制作安装施工流程,通过严格按照流程操作,可确保施工的安全和顺利进行。
在施工过程中,务必遵守安全规定,切勿操之过急,以确保人员和设备的安全。
混凝土搅拌机施工方案
1. 引言
本文档将提供一份混凝土搅拌机施工方案,旨在确保混凝土搅拌过程的高效性和质量。
2. 施工准备
在开始混凝土搅拌机施工前,需要进行以下准备工作:
- 确定搅拌机的型号和容量,根据施工需要进行选择。
- 确保搅拌机的正常运行状态,包括清洁和维护。
- 确定混凝土的配比和用量,以满足设计和施工要求。
- 准备足够的原材料,包括水泥、沙子、骨料等,以及适量的混合剂和添加剂。
3. 施工步骤
混凝土搅拌机的施工步骤如下:
1. 将所需的原材料按照设计配比投入搅拌机中。
2. 启动搅拌机,并根据需要设置搅拌时间和搅拌速度。
3. 监测搅拌过程中的搅拌质量和温度,及时调整搅拌参数。
4. 混凝土搅拌完成后,停止搅拌机,并将混凝土倒入预定的施工区域。
5. 对搅拌机进行清洁和维护,确保下次使用时的正常运行。
4. 安全注意事项
在混凝土搅拌机施工过程中,需要特别注意以下安全事项:
- 在操作搅拌机时,应穿戴好安全装备,如安全帽、手套和防护眼镜等。
- 确保搅拌机和周围环境的通风良好,以避免有害气体积聚。
- 操作人员应熟悉搅拌机的使用方法和紧急停机装置的操作。
- 严格遵守施工现场的安全规定,防止发生意外事故。
5. 结论
本文档提供了一份混凝土搅拌机施工方案,包括施工准备、施工步骤和安全注意事项等。
通过遵守该方案,可确保混凝土搅拌的高效性和质量。
搅拌机施工方案搅拌机施工方案一、概述搅拌机是一种常用的工程设备,用于搅拌各种混凝土和水泥制品。
本文将针对搅拌机的施工进行详细介绍,包括施工前准备、搅拌机的安装、操作流程以及施工后的清理等内容。
二、施工前准备1. 确定搅拌机的具体位置和施工区域。
搅拌机应设置在平整坚固的地面上,并保证周围有足够的空间进行操作和维修。
2. 清理施工区域。
将施工区域清理干净,清除杂物和其他障碍物,确保施工流畅。
3. 检查搅拌机及相关设备的运行状态。
包括电机、传动系统、润滑系统等方面。
确保设备运行正常,无异常情况。
4. 设置安全警示标识。
在搅拌机周围设置合适的标识,提醒工作人员注意安全。
三、搅拌机的安装1. 准备好所需的工具和搅拌机所需的配件。
包括螺栓、垫圈、支撑架等。
2. 确定搅拌机的定位。
将搅拌机放置在预先确定的位置上,并使用安全支撑架进行固定。
3. 连接输送设备。
根据实际需要,将搅拌机与输送设备进行连接,确保材料输送畅通。
4. 调整搅拌机的倾斜角度和喷淋水管的位置。
根据具体工程需求,调整搅拌机的倾斜角度和喷淋水管的位置,以确保混凝土的搅拌均匀和保持湿润。
四、操作流程1. 打开电源,并确认电机正常启动。
确保设备的电力供应正常。
2. 将材料放入搅拌机中。
根据工程需求,将混凝土或其他材料放入搅拌机中。
3. 启动搅拌机。
打开搅拌机的开关,搅拌机开始工作。
4. 定时检查搅拌机的工作状态。
在搅拌过程中,定时检查搅拌机的工作状态,确保搅拌效果良好。
5. 控制搅拌时间。
根据具体工程需求,控制搅拌时间,确保混凝土的搅拌均匀。
6. 关闭搅拌机。
在搅拌完成后,关闭搅拌机的开关,停止工作。
五、施工后的清理1. 清理搅拌机。
在使用完搅拌机后,及时清理搅拌机内的残留物,防止堵塞。
2. 清理施工区域。
将施工区域进行彻底清理,清除杂物和其他障碍物。
3. 进行设备维护。
对搅拌机进行定期检查和维护,保持设备的良好状态。
4. 做好安全防护措施。
在施工结束后,关闭电源并做好安全防护措施,确保设备和工人的安全。
摘要JS1500型混凝土搅拌机是一款大中型搅拌机,主要适用于较大的建筑工程,是非常重要的建筑机械。
它是强制式卧轴搅拌机的一种,不但能搅拌干硬性混凝土,而且能搅拌轻骨料混凝土,是一款多功能搅拌机。
在搅拌过程中,通过搅拌轴的回转运动来带动搅拌叶片对筒内物料进行剪切、挤压和翻转推移等搅拌作用,使物料在相对的剧烈运动中的得到充分的拌合,因而它具有拌合质量好、能耗低、效率高等优点。
现代建筑工程中搅拌机的广泛应用,不仅减轻了工人的劳动强度,还提高了混凝土工程的质量,对我国的基础设施建设做出了很大贡献。
在下一个五年规划中,国家加大了基础设施的建设的力度,这对混凝土机械行业的发展是十分有利的。
该类型搅拌机的主要组成结构包括:传动系统、搅拌系统、上料系统、卸料系统、电气控制系统等零部件。
在本次设计中,我们主要对传动方案进行了选择和设计计算,还确定了上料、卸料的方式以及叶片的结构,并对部分零部件进行了校核,使之满足不同场合的工作要求。
关键词:混凝土搅拌机、质量、能耗、效率、组成结构IAbstractJS1500 type concrete mixer is a large and medium-sized mixer,is mainly suitable for the large construction projects,it is an very important construction machinery. It is a kind of forced horizontal-axis mixer ,not only can mix the dry and rigid concrete, but also can stir light weight aggregate concrete,is a new multi-functional mixer。
In mixing process, through the rotary motion of stirring shaft of mixing blades to drive the material in the cylinder of shear, squeezing and flip elapse, make the material such as mixing effect in the relatively intense exercise fully with white, so it would be of good quality, low energy consumption, higher efficiency. Modern architectural engineering of mixer widely used, not only reduce the labor intensity of the workers, but also improves the concrete engineering quality, has made a great contribution the infrastructure construction of our country. In the next five-year plan, the government increased the strength of the infrastructure construction of concrete, the machinery industry development is very favorable. This type of main composition structure including blender, transmission system, mixing system, feeding system, unloading system and electrical control system components. In this design, we mainly on the transmission scheme selection and design calculation, also identified loading, unloading and ways of blade structure, and checks for some parts to meet different occasions work requirements.IIKeywords: concrete mixer, quality, energy consumption, efficiency and structureIII目录摘要 (I)Abstract (II)绪论 (1)第一章总述 (3)1.1、搅拌的作用 (3)1.1.1、混凝土简介 (3)1.1.2、搅拌的任务 (3)1.1.3、搅拌机应具备的功能特点 (4)1.2、搅拌机的分类及使用特点 (4)1.2.1 、搅拌机的分类 (4)1.2.2、混凝土搅拌机使用特点 (5)1.3、混凝土搅拌机的发展趋势 (5)第二章总体方案的确定 (7)第三章传动系统设计 (8)3.1、带传动设计 (8)3.1.1、带传动的设计计算 (8)3.2 齿轮传动设计 (11)3.2.1、第一级传动齿轮计算 (11)3.2.2、第二级齿轮设计计算 (16)3.3、减速器轴的设计 (20)第四章搅拌机设计 (23)4.1、外壳的设计 (23)4.2、搅拌轴的设计 (24)4.2.1、搅拌轴的材料 (24)4.2.2、搅拌轴的结构 (24)4.2.3、搅拌轴的支承 (25)4.2.4、搅拌轴计算 (25)IV4.3、叶片的设计 (26)4.4、搅拌筒尺寸及卸料方式确定 (30)4.5、轴端密封 (31)4.6、衬板 (32)第五章上料系统 (36)第六章供水系统 (37)第七章电气系统 (38)第八章混凝土搅拌机的维护与保养 (39)8.1、工作前保养 (39)8.2、工作中的保养 (39)8.3、工作后的保养 (40)总结 (41)参考文献 (42)感谢 (43)附录一:外文翻译原文 (44)附录二:外文翻译译文 (51)V绪论随着我国经济建设的不断发展,以及城市化进程的加快,我国的城市基础建设、房地产开发业得到了迅猛的发展,推动了混凝土产量的迅速提高。
水泥搅拌站安装方案
背景
近期,公司计划在某地建设一座水泥搅拌站,以满足当地建筑
业的需求。
因此,需要一份详细的安装方案以确保顺利完成该项目。
设备采购
首先,需要购置以下设备:
- 配料系统
- 搅拌系统
- 输送系统
- 清洗系统
安装步骤
在完成设备采购后,需要按照以下步骤进行安装:
1. 找到合适的场地,并进行地基处理。
2. 安装配料系统,包括计量系统、控制系统等。
3. 安装搅拌系统,包括搅拌机、输送带等。
4. 安装输送系统,包括输送管道、控制系统等。
5. 安装清洗系统,包括清洗水池、清洗管道等。
6. 进行系统联调和测试。
安全措施
在安装过程中,需要注意以下安全措施:
- 遵守设备操作规范,确保工作人员安全。
- 采用可靠的电气设备,确保不会出现电气故障。
- 对设备进行定期检查和维护,确保设备长期稳定运行。
结论
本文介绍了一份水泥搅拌站安装方案,包括设备采购、安装步骤和安全措施。
通过严格执行该方案,可确保该项目顺利完成。
一、前言为确保江苏搅拌机安装施工质量,保证设备正常运行,提高施工效率,特制定本安装施工方案。
本方案遵循安全、可靠、高效、经济的原则,确保搅拌机安装施工的顺利进行。
二、施工准备1. 技术准备(1)熟悉搅拌机设备说明书,了解设备性能、结构、安装方法及注意事项。
(2)组织施工人员进行培训,提高施工技能和安全意识。
2. 物料准备(1)搅拌机设备、零部件、配件等;(2)安装工具,如扳手、螺丝刀、水准仪、水平尺等;(3)施工材料,如水泥、沙子、钢筋等。
3. 施工场地准备(1)清理施工场地,确保平整、坚实;(2)搭建临时施工设施,如操作台、物料堆放区等;(3)设置警示标志,确保施工安全。
三、施工步骤1. 基础施工(1)根据搅拌机设备尺寸,绘制基础平面图;(2)按照图纸要求,进行基础垫层施工;(3)安装基础模板,确保模板垂直、平整;(4)浇筑混凝土,振捣密实,养护至规定强度。
2. 设备安装(1)检查搅拌机设备、零部件、配件等,确保无损坏、变形;(2)将搅拌机设备平稳放置在基础上,调整水平;(3)安装搅拌机电机、减速器等传动部件,确保连接牢固;(4)连接搅拌机进出料管、电气线路等,检查接线是否正确;(5)安装搅拌机防护装置,如防护罩、安全防护网等。
3. 系统调试(1)启动搅拌机,检查设备运转是否正常;(2)调整搅拌机转速、搅拌时间等参数,确保搅拌效果;(3)检查搅拌机进出料管、电气线路等,确保无异常;(4)进行搅拌试验,检验搅拌效果。
四、施工注意事项1. 施工过程中,严格遵循操作规程,确保施工安全;2. 加强对施工人员的培训,提高施工技能和安全意识;3. 严格控制施工质量,确保搅拌机安装施工质量达到设计要求;4. 加强对施工场地的管理,保持施工环境整洁;5. 做好施工记录,为后续设备维护、保养提供依据。
五、施工验收1. 施工完毕后,组织专业人员对搅拌机安装施工进行验收;2. 检查搅拌机设备、基础、电气线路等是否符合设计要求;3. 对搅拌机进行试运行,确保设备运行正常;4. 验收合格后,交付使用。
混凝土搅拌站安装及调试方案标题:混凝土搅拌站安装及调试方案引言:混凝土搅拌站是建筑施工中必不可少的设备之一,其安装及调试的质量和效率直接关系到施工进度和工程质量。
本文将从混凝土搅拌站安装前的准备工作、具体的安装步骤,以及调试方案等方面进行深入探讨。
通过阐述相关知识和经验,帮助读者更全面、深刻和灵活地理解混凝土搅拌站的安装及调试过程。
一、混凝土搅拌站安装前的准备工作1. 设备选型与购买:根据工程需求和预算,选择合适规格和型号的混凝土搅拌站,并从可靠的供应商处购买设备。
2. 基础施工:根据搅拌站的尺寸和负荷要求,进行场地的选择和准备工作,包括地基处理、基础施工和排水系统的布置等。
3. 电力和水源供应:确保搅拌站所需的电力和水源供应充足,并预留必要的接口和设施,以便后续的安装和调试工作。
二、混凝土搅拌站的安装步骤1. 设备解包和组装:将搅拌站运至指定场地后,进行设备解包和组装工作,包括安装主机、搅拌机和输送系统等。
2. 连接输送线路:根据实际工程需求,连接输送线路,包括水泵、输送管道和控制系统等。
确保线路的布置合理,防止松散连接和泄漏等问题。
3. 安装电气系统:安装搅拌站的电气系统,包括主机电气控制柜、电机线路和传感器等。
确保电气设备的接线正确,且可靠地接地。
4. 安装自动化控制系统:根据搅拌站的配置和控制要求,安装自动化控制系统,包括PLC控制器、触摸屏和仪表等。
进行相应的电气连接和程序设置。
三、混凝土搅拌站的调试方案1. 设备功能测试:按照设备的使用说明书和相关标准,对搅拌站的各项功能进行测试,包括搅拌机的正转和反转、输送系统的启停和调速,以及自动化控制系统的正常工作等。
2. 质量控制测试:对搅拌站生产的混凝土进行抗压强度和坍落度等质量指标的测试,以验证设备的生产效果和质量控制能力。
3. 故障排除和调整:在测试过程中,如果发现设备存在故障或运行不稳定的情况,及时排除故障,进行相应的参数调整和设备校准等。
搅拌器安装的施工方案搅拌器是一种常用的机械设备,广泛应用于食品行业、化工行业、建筑行业等领域。
安装搅拌器需要遵循一定的施工方案,以确保设备的正常运行和安全使用。
以下是搅拌器安装的施工方案:1.安全准备在开始安装搅拌器之前,首先要对安装现场进行安全检查和准备。
确保工作环境清洁整洁,没有杂物和障碍物。
并设立施工区域的安全警示标志,提醒人员注意安全。
2.设备基础搅拌器的安装需要设置设备基础,以确保设备的稳定性和运行平稳。
根据搅拌器的类型和规格,选择适当的基础材料,如水泥、混凝土等。
在设置基础之前,要考虑地面的承重能力、地坪强度等因素,确保基础的稳固和坚固。
3.安装设备将搅拌器的各个部件组装好,并根据设备的安装说明书进行正确的安装。
安装过程中,要注意检查搅拌器的各个连接部位是否紧固,是否存在松动或漏气现象。
同时,在安装过程中,要注意防止设备的各个部件受到损坏或碰撞。
4.连接管路搅拌器的使用需要连接相应的管路,以便输送和处理物料。
根据搅拌器的工作原理和要求,选择相应的管道材料和规格,确保管道与设备连接紧密。
在安装管道时,要注意管道的倾斜角度、弯头的数量和角度等因素,以保证物料流畅和搅拌效果。
5.电气接线对于需要电力驱动的搅拌器,安装过程中需要进行电气接线。
首先要根据设备的电气要求,选择合适的电缆和电线,确保电气设备的正常供电。
在接线过程中,要注意接线的正确性和可靠性,确保设备的安全运行。
6.调试检查搅拌器安装完成后,需要进行调试检查。
首先要对设备的各个部位进行检查,确保设备安装无误,各个部件工作正常。
然后对设备进行试运行,观察设备的转速、噪音、振动等情况,判断设备是否达到预期的工作效果。
如果发现问题,及时进行排查和修复。
7.安全防护搅拌器安装完成后,要进行安全防护措施的设置。
首先要为设备周围设置防护栏杆或安全网,防止人员误入设备操作区域。
其次要为设备设置安全标识和警示标志,告知人员设备的危险性和操作要求。
搅拌器安装施工方案一、前期准备工作1.确定搅拌器的安装位置和安装方式,根据工程要求选择合适的搅拌器型号和规格。
2.根据搅拌器的重量和尺寸,准备合适的吊装设备和安全器材,并对吊装设备和安全器材进行检查和维护,确保其安全可靠。
3.准备搅拌器所需的电气设备和供电线路,并进行必要的检查和测试,确保电气设备和供电线路的正常运行。
4.协调相关部门,确保所需的人力资源和材料供应,做好施工人员的培训和安全教育工作。
二、施工步骤1.安装搅拌器底座:根据搅拌器的型号和规格,选择合适的底座,并将其固定在合适的地面上。
底座必须牢固稳定,且与搅拌器底座的连接件必须紧固可靠。
2.安装搅拌器身体:根据搅拌器的重量和尺寸,使用合适的吊装设备将搅拌器身体从运输车辆上卸下,并将其悬挂在底座上。
在搅拌器身体与底座的连接处,使用合适的螺栓和螺母进行连接,并将其紧固牢固。
3.安装搅拌器电机:根据搅拌器的型号和规格,选择合适的电机,并将其安装在搅拌器身体上。
在电机与搅拌器身体的连接处,使用合适的螺栓和螺母进行连接,并将其紧固牢固。
4.安装搅拌器叶片:根据搅拌器的型号和规格,选择适合的叶片,并将其安装在搅拌器身体上。
在叶片与搅拌器身体的连接处,使用合适的螺栓和螺母进行连接,并将其紧固牢固。
5.连接电气设备和供电线路:将搅拌器的电机与电气设备和供电线路连接起来,并进行必要的检查和测试,确保电气设备和供电线路的正常运行。
同时,安装合适的安全开关和控制面板,方便操作和控制搅拌器的运行。
6.进行试运行和调试:在安装完成后,对搅拌器进行试运行和调试,确保其运行正常,没有异常声音和振动。
同时,对搅拌器的各项指标进行测试和记录,以便后续的使用和维护。
三、安全措施1.在安装搅拌器的过程中,必须严格遵守相关的操作规程和安全操作规范,确保施工人员的人身安全。
2.在进行吊装作业时,必须确保吊装设备和安全器材的正常运行,同时进行必要的检查和测试。
3.在安装搅拌器的过程中,必须确保搅拌器底座和搅拌器身体的连接件紧固可靠,以防止搅拌器产生振动和倾斜。
砼搅拌机安装及操作注意事项
一、安装
1、砼搅拌机就位拖动前注意检查行走系统的紧固件是否
松动,并且用铁丝将滚筒和底盘固定。
2、砼搅拌机安装前必须熟悉说明书,熟悉操作方法后再开
始进行安装。
3、就位场地应平整,基础应坚实,机器就位后,放下四个
支腿,支腿下可垫上木块,将插销插入合适的孔眼内,并装上保险锁簧。
4、将机体调到水平位置,或出料口略低一点,爬梯底部落
地轨道必须垫实,轮胎也需垫好,以增强机器的稳定性。
二、操作注意事项
1、每次加入搅拌物料时,不得超过规定数值,并必须待搅
拌筒内出料完毕后,料斗方能提升上料。
2、为了减少料斗的粘料现象,向料斗加入骨料的顺序应
为:石子—水泥—砂子,或者砂子—水泥—石子。
3、上料过程中要及时加水,以减少搅拌时间和灰尘的飞
扬。
4、操纵杆手柄严禁非操作人员随意扳动。
5、注意电器安全,防止电机受潮,防止电器元件、电线受
到损伤。
6、停电时用曲柄摇动减速箱皮带盘,可将筒内物料排出。
混凝土搅拌机安装方案1.施工前准备工作在进行混凝土搅拌机的安装之前,首先需要进行一些准备工作。
1.1确定安装地点:根据施工需要,选择一个空旷的、平整的地面作为混凝土搅拌机的安装地点。
同时,需要确保周围环境通风良好,并且具备足够的空间供送料车辆进出。
1.2检查基础:查看安装地点的基础状况,确保基础结构稳固、承重能力足够,并且没有明显的裂缝或破损。
1.3配置相关设备:准备好所需的吊车或起重设备,以便于安装和调整混凝土搅拌机。
2.搅拌机的安装2.1安装基础部分:将混凝土搅拌机的基础部分放置在安装地点的基础上,并使用螺栓等固定设备将其紧密固定在基础上。
同时,需要使用水平仪和经纬仪等工具来确保搅拌机的平稳和位置正确。
2.2安装搅拌机支架:根据搅拌机的型号和尺寸,将支架组件安装在基础上,确保支架的平稳和稳固。
在安装过程中,需要按照设备的安装说明书进行操作,并在适当位置使用螺栓或焊接等方式进行固定。
2.3安装传动装置:根据搅拌机的型号和尺寸,安装传动装置,并与电机或发动机等动力装置连接起来。
在安装过程中,需要注意传动装置的正确安装位置和调整,确保传动效果良好。
3.配套设备的安装在混凝土搅拌机的安装过程中,还需要同时安装一些配套设备,以确保整个混凝土搅拌系统的正常运行。
3.1安装水泵:将水泵安装在合适的位置,并与搅拌机的水箱连接起来。
在安装过程中,需要确保水泵的水管连接正确,以保证搅拌过程中能够提供足够的水资源。
3.2安装电器控制柜:根据设备的控制电路和传动方式,将电器控制柜安装在搅拌机的适当位置,并将其与主机连接起来。
在安装电器控制柜之前,需要确保电源安全可靠,同时需要根据设备的控制需求进行相应的电线布线和接线工作。
3.3安装输送带:如果需要将混凝土输送至其他工作站点,需要安装输送带,并将其与搅拌机连接起来。
在安装和调整输送带的过程中,需要根据实际需求进行安装高度和角度的调整,以确保输送带能够顺利运行。
4.安装后的调试和测试在完成混凝土搅拌机的安装工作后,还需要进行相应的调试和测试工作,以确保设备正常运行。
目录一、编制说明 (2)二、各设备性能简介 (2)三、搅拌站的现场位置 (3)四、搅拌机安装前的现场准备 (3)四、搅拌机安装 (4)一、编制说明金杯客车新涂装车间工程位于辽宁省沈阳市,由中建一局总承包。
为解决现场混凝土的使用,项目经理部拟在现场安装一套简易混凝土搅拌系统。
简易混凝土搅拌系统由1台PLD800配料机、2台JS500的搅拌机、1台SP2300分料器和1台HBT60混凝土输送泵、一台ZL50装载机组成。
为规范施工,特编制此方案,单套简易混凝土搅拌系统组成要素见图1:简易混凝土搅拌站示意图。
本方案编制参考了厂家提供的有关资料、图纸。
二、各设备性能简介1、PLD800主要技术参数:称量斗容积:0.8m3储料斗容积:2×2 m3 1生产率:48 m3 /h最大称量值:1500Kg上料高度:2364mm功率:6.6Kw整机质量:2300Kg外形尺寸(长×宽×高):5600×1830×27602、JS500搅拌机主要技术参数:生产率:≥25 m3 /h搅拌电机功率:18.5 Kw卷扬电机功率:5.5 Kw水泵功率:0.75 Kw料斗提升速度:18m/min3、HBT60泵主要技术参数:最大排量:60 m3 /h,实际为40-50 m3 /h电机功率:110 Kw外形尺寸(长×宽×高):5720×1980×2200三、搅拌站的现场位置搅拌站在现场的位置选择由项目经理部根据工程实际确定。
项目部提前作好现场平整和对象清理工作。
四、搅拌机安装前的现场准备一)、电力准备单套简易搅拌站各设备用电容量分别为1台配料机6.6KW;两台JS500强制型搅拌机24.25×2KW(搅拌电动机15KW、卷扬电动机4.5KW、水泵0.75KW);电泵功率为110Kw;共166.1KW。
电气控制电源为380V,电压允许误差为±10%,否则禁止使用。