反渗透膜分离技术共57页文档
- 格式:ppt
- 大小:5.06 MB
- 文档页数:57
水处理技术中的膜分离与反渗透第一章:引言水是人类生产和生活中不可或缺的资源,然而,随着工业化和人口增长的加剧,水资源变得越来越紧缺。
同时,水污染也成为世界面临的一大挑战。
为了解决水资源问题和处理废水,膜分离与反渗透技术应运而生。
本文将重点介绍水处理技术中的膜分离与反渗透。
第二章:膜分离技术的原理和分类膜分离技术是一种通过半透膜对溶液进行物质分离的方法。
它基于溶液中溶质和溶剂之间的分子大小和亲疏性差异,将溶质分离出来。
常见的膜分离技术包括微滤、超滤、纳滤和气体分离。
微滤和超滤主要用于悬浊物和大分子的分离,纳滤则用于有机物和小分子的分离,气体分离则用于气体的分离。
第三章:膜分离技术在水处理中的应用膜分离技术在水处理中广泛应用于海水淡化、饮用水净化、废水处理等方面。
海水淡化是指将海水中的盐分和杂质去除,从而得到淡水。
通过反渗透膜的使用,海水中的盐分可以被有效地去除,得到符合饮用水标准的淡水。
饮用水净化中,膜分离技术可以去除水中的悬浮物、细菌、病毒等有害物质,提供安全的饮用水。
废水处理中,膜分离技术可以去除废水中的悬浮物、溶解有机物和重金属等有害物质,达到排放标准。
第四章:反渗透技术的原理和应用反渗透是一种将溶剂从高浓度溶液通过半透膜逆向渗透到低浓度溶液的过程。
反渗透技术主要通过半透膜的特性,将水中的溶质隔离出来,从而实现水的净化。
反渗透膜通常具有极小的孔隙和高度选择性,能够有效去除溶液中的溶质,包括盐分、有机物、重金属等。
反渗透技术在水处理中广泛应用于海水淡化、饮用水净化、工业废水处理等领域。
第五章:膜分离与反渗透技术的优势和挑战膜分离与反渗透技术相比传统的水处理方法有许多优势。
首先,它们可以高效地去除水中的各种污染物,得到高纯度的水。
其次,膜分离技术操作简单,不需要添加剂,对环境友好。
然而,膜分离和反渗透技术也面临一些挑战。
膜污染是其中一个主要问题,当膜表面被污染物覆盖时,膜分离和反渗透效果会降低。
反渗透膜分离技术
《反渗透膜分离技术》
嘿,大家知道不,有一种超厉害的技术叫反渗透膜分离技术!这玩意儿可神奇啦!
我记得有一次啊,我去参观一个水处理厂。
一进去就看到好多大罐子和管道啥的,当时我就好奇得不行。
工作人员就开始给我介绍这个反渗透膜分离技术。
他们说啊,这反渗透膜就像一个超级厉害的守门员,能把水里那些不好的杂质啊、污染物啊统统挡在外面。
就好像一场足球比赛,反渗透膜就是那个守在球门的超级英雄,坚决不让那些脏东西进球。
我就凑近去看,那膜薄薄的,但是感觉很坚韧呢。
然后他们就给我演示,水从一边流进去,经过这个膜之后,出来的水就变得特别干净清澈,哇塞,简直太神奇了!我当时就想,这要是我家里也有这么个玩意儿,那我随时都能喝到干净的水啦!
你说这反渗透膜分离技术多牛啊,能把脏水变得那么干净。
它在好多地方都发挥着大作用呢,比如让我们喝的水更健康,还有在工业上处理各种废水啥的。
真希望这技术能越来越厉害,让我们的生活因为它变得更加美好呀!这就是我对反渗透膜分离技术的有趣发现和感受啦,哈哈!。
反渗透膜分离提纯反渗透膜(Reverse Osmosis, RO)是一种分离技术,利用半透膜来分离水中的溶质和溶剂。
这种技术常被用于水处理、海水淡化、饮用水净化等领域。
以下是反渗透膜分离提纯的一般步骤:1.预处理:在进入反渗透膜系统之前,通常需要进行预处理步骤,以去除水中的悬浮物、颗粒物、有机物和微生物。
这可以通过预过滤、加药物处理、混凝、沉淀等方法来实现。
2.压力推动:水通过反渗透膜时,需要施加高压,以克服渗透过程中的阻力。
通常使用泵来提供足够的压力,使水通过半透膜,而溶质被阻挡在膜的一侧。
3.半透膜选择:选择合适的反渗透膜是关键的一步。
膜的孔径大小和材料特性将影响其对溶质的阻挡效果。
不同的应用可能需要不同类型的反渗透膜。
4.分离过程:当水被推动通过反渗透膜时,膜会阻挡大多数的溶质,包括离子、有机物、微生物等。
纯净水则通过膜孔径,形成产水。
5.浓缩液处理:被阻挡在反渗透膜一侧的浓缩液(浓水)中包含了被分离出的溶质。
这部分液体需要进行处理,可以通过再次循环利用、排放或者进行进一步的处理。
6.监测和控制:在反渗透过程中,需要实时监测水质和膜的性能,以确保系统稳定运行。
自动控制系统可以根据监测到的数据进行调整,以提高系统效率。
7.消毒:为防止反渗透系统中的生物污染,通常需要在系统中使用适当的消毒剂或者定期进行清洗和消毒操作。
8.定期维护:反渗透系统需要定期的维护,包括清洗、更换膜元件、检查泵和阀门等,以确保系统长时间的高效运行。
反渗透膜分离提纯是一种高效的分离技术,广泛应用于饮用水净化、工业废水处理、海水淡化等领域。
反渗透膜技术与工艺流程说明1. 引言反渗透膜技术是一种通过力场作用,将溶液从低浓度到高浓度进行分离的方法。
它广泛应用于水处理、饮用水净化、海水淡化等领域。
本文将详细介绍反渗透膜技术的原理及其工艺流程。
2. 反渗透膜技术原理反渗透膜技术基于半透膜的原理,该膜具有选择性通透性。
在反渗透膜的作用下,将高浓度的溶液与低浓度的溶液通过半透膜分离开来。
半透膜只允许溶质分子和水分子通过,而阻挡溶剂分子和溶质离子的扩散。
反渗透膜通常由聚醚腈、聚酰胺、聚偏氟乙烯等材料制成,具有高通透性和较高的剔除率。
在反渗透膜的使用过程中,一侧施加较高的压力,使溶剂分子和溶解质得以逆向渗透,从而实现溶液的分离。
3. 反渗透膜技术工艺流程3.1 前处理反渗透膜工艺流程的前处理包括以下几个步骤:•溶剂预处理:通过活性炭过滤器去除溶液中的杂质和异味物质,以确保向反渗透膜供给的溶液质量。
•预过滤:使用粗滤网或粗滤器过滤溶液,除去较大的悬浮颗粒、泥沙和颗粒。
•调节PH值:通过添加酸碱或中和剂来调节溶液的PH值,以适应反渗透膜的工作条件。
3.2 反渗透过程反渗透膜技术的核心过程是反渗透过程,包括以下关键步骤:•进水:将待处理水或溶液通过进水管道引入反渗透系统。
•压力增加:在反渗透系统中,施加一定的压力,使溶液进入反渗透膜模块。
•分离与收集:通过反渗透膜的作用,将溶剂分子和溶质分子分离开来。
溶剂分子通过膜孔进入反渗透膜的另一侧,而溶质分子则被留在原始侧。
•浓缩与排放:收集通过反渗透膜的溶液,其中溶资分子浓缩。
浓缩液可以进一步处理或排放。
3.3 后处理反渗透膜技术的后处理主要包括以下几个步骤:•清洗和保养:定期对反渗透膜进行清洗和保养,并更换损坏的膜元件,以保证膜的工作效果和寿命。
•冲洗废液处理:对反渗透膜产生的废液进行处理,以减少对环境的污染。
•水质调节:根据需求对膜通道内的溶液进行水质调节,以获得所需的产品水质。
4. 反渗透膜技术的优势和应用领域反渗透膜技术具有以下优势:•高效:反渗透膜技术可以高效地去除溶质和杂质,产生高纯度的产品水。
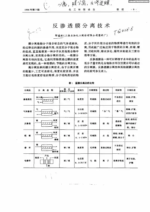
反渗透膜分离技术膜分离技术作为新型、高效、节能的分离技术在水及其他液体分离域逐步占有重要的位置。
1953年美国佛罗里达大学的Reid 等人首次提出用反渗透技术淡化海水的构想,1960年美国加利福尼亚大学的Loeb和Sourirajan研制出第一张可实用的反渗透膜,标志着现代膜科学技术的诞生。
从此以后,反渗透膜开发有了重大突破,膜材料从初期单一的醋酸纤维素非对称膜发展到表面聚合技术制成的交联芳香族聚酰胺复合膜等新型材料与高效膜。
操作压力也扩展到高压(海水淡化)膜,中压(醋酸纤维素)膜,低压(复合)膜和超低压(复合)膜。
80年代以来,又开发出多种材质的纳滤膜。
膜组件的形式近年来也呈现出多样化的趋势。
除了传统的中空纤维式、卷式、管式及板框以外,又开发出回转平膜、浸渍平式膜等。
在工业上应用最多的是卷式膜,它占据了绝大多数陆地水脱盐和越来越多的海水淡化市场。
中空纤维膜在海水淡化应用中仍占有一定的份额。
今天世界上反渗透、纳滤膜水处理装置的能力已达到每天数百万吨。
目前世界最大的反渗透苦咸水淡化装置在美国日产水量为28万吨的运河水处理厂;最大的反渗透海水淡化装置是位于沙特阿拉伯的日产水量为12.8万吨的淡化厂;最大的纳滤脱盐软化装置位于美国佛罗里达州,日产水量3.8万吨。
中国台湾除半导体、电子工业外,小型饮用水需求量也很大。
美国除大量使用中、小型及家用反渗透系统外,还建有许多大型公共供水系统。
1996年美国国立研究所发表了美国21个州以饮用水为目的的179家脱盐水厂的调查数据。
结果表明这些装置的总产水量为140万吨/日,各种脱盐方法在总装置产水能力中所占比重分别为:陆地水(苦咸水)反渗透47%,纳滤膜软化31%,海水淡化8%。
值得注意的是,纳滤膜软化装置的增长速度最快,大大高于其他方法。
这是因为纳滤膜不仅可在低压下水源软化和适度脱盐,而且可脱除三卤甲烷生成能(THMFP)、色度、细菌、病毒和溶解性有机物,因而日益受到青睐。
建筑给排水知识:反浸透膜分离技术及预办理工艺介绍[工程类精选文档]本文内容极具参照价值,如假定实用,请打赏支持,感谢!反浸透膜分离技术及预办理工艺介绍反浸透膜分离技术实质应用中,不行防备产生膜污染现象,且膜污染问题是影响该技术稳固性的决定要素,所以观察膜污染形成机理、对膜污染进行冲洗是反浸透系统正常运转、防备其发生故障的重要保证。
1、膜污染定义膜污染是指与膜接触的料液中微粒、胶体粒子或溶质大分子与膜发生物理、化学相互作用或因浓差极化使某些溶质在膜表面的浓度超出其溶解度及因机械作用而惹起的在膜表面或膜孔内的吸附、堆积造成膜孔径变小或拥塞,使膜产生透过流量与分离特征不行逆变化现象。
污染物特别是蛋白质等大分子在膜表面和膜孔内的吸附所惹起的通量衰减及分离能力的降低,是造成膜通量衰减的主要原由。
但膜污染惹起的通量衰减又常常和浓差极化现象惹起的可逆通量降落混淆在一同,使得膜分离成效进一步降低。
2、膜污染产生原由反浸透系统在运转过程中,废〔污〕水中的金属离子、微生物、不易溶解的积淀、有机污染物、生物粘泥、胶体、油脂等长时间与膜接触,会惹起膜污染,使膜的通量及分离性能显然降低、压降高升。
其原由主要包含以下几方面:1〕浓差极化在反浸透脱盐系统中,膜的选择透过性,使水分子不停从高压侧透过膜,而溶质分子仍残留于原溶液中以致膜表面上的料液和入口料液之间产生一个浓度差,严重时会产生很高的浓度梯度,这类现象称为浓差极化。
浓差极化使料液浸透压增大,有效推进力减小造成透水速度和脱盐率降落。
2〕离子结垢CaCO3、CaSO4、BaSO4、SrSO4、CaF2及SiO2等溶度积较小的盐类,在反浸透过程中可能会因浓缩超出其溶度积而析出,产生堆积物逗留在膜表面上及进水通道内形成水垢。
比如:CaCO3的溶度积是乘以10-9〔25℃〕即[Ca2+]•[CO32-]大于乘以10-9时,CaCO3就会积淀下来。
等发现,当从污泥中提取Ca2+后,以致小颗粒数目及过滤阻力增添。
反渗透膜分离技术原理
反渗透膜分离技术原理是基于渗透现象的逆向过程。
渗透现象是指溶剂从浓度较低的溶液通过半透膜向浓度较高的溶液自发流动的现象。
反渗透则是通过外加压力使溶剂从浓度较高的溶液通过半透膜向浓度较低的溶液逆向流动的过程。
反渗透膜是一种具有高度有序矩阵结构的聚合纤维素组成的薄膜,其孔径为0.1纳米-1纳米,即一百亿分之一米,相当于大肠杆菌大小的千分之一,病毒的百分之一。
这种薄膜只允许水分子通过,而其他溶质、离子、细菌等则无法通过。
在反渗透过程中,将原水通过高压水泵加压后,进入反渗透膜。
由于原水中的溶质、离子、细菌等不能通过反渗透膜,只有水分子能够通过。
因此,经过反渗透膜处理后的水分子被分离出来,从而达到了纯净水的目的。
反渗透膜分离技术具有低能耗、杂质去除范围广、水回用率较高等优点,已广泛应用于太空水、纯净水、蒸馏水等制备,酒类制造及降度用水,医药、电子等行业用水的前期制备,化工工艺的浓缩、分离、提纯及配水制备,锅炉补给水除盐软水,海水、苦咸水淡化,造纸、电镀、印染等行业用水及废水处理等领域。
反渗透技术根底篇本文引自美国海德能公司反渗透技术资料,供治理人员和操作人员参考.一、反渗透膜及其开展:以高分子别离膜为代表的膜别离技术作为一种新型的流体别离单元操作技术,三十年来取得了令人瞩目的巨大开展.据有关文献估计,今天的别离膜世界市场规模已到达每年20亿美元以上.表1和图1分别给出了按别离原理和按被别离物质的大小区分的别离膜种类, 从中可以看出,除了透析膜主要用于医疗用途以外,几乎所有的别离膜技术均可应用到石油、天然气及石油化工行业中去.反渗透膜作为主要的水及其它液体别离膜之一,在别离膜领域内占有重要地位.1953年美国佛罗里达大学的Reid等人最早提出反渗透海水淡化,1960年美国加利福尼业大学的Loeb和Sourirajan研制出第一张可实用的反渗透膜.从此以后,反渗透膜开发有了重大突破.膜材料从初期单一的醋酸纤维素非对称膜开展到用外表聚合技术制成的交联芳香族聚酰胺复合膜.操作压力也扩展到高压〔海水淡化〕膜,中压〔醋酸纤维素〕膜,低压〔复合〕膜和超低压〔复合〕膜.80年代以来,乂开发出多种材质的纳滤膜.膜组件的形式近年来也呈现出多样化的趋势.除了传统的中空纤维式、卷式、管式及板框式以外,乂开发出回转平膜、浸渍平膜式等.工业上应用最多的是卷式膜,它占据了绝大多数陆地水脱盐和越来越多的海水淡化市场.中空纤维膜在海水淡化应用中仍占有很高的份额.今天世界上反渗透、纳滤膜水处理装置的水平已到达每天数白万吨.目前世界最大的反渗透苦咸水淡化装置为位于美国业利桑拿州的日产水量为28万吨的运河水处理厂,最大的反渗透海水淡化装置,位于沙特阿拉伯,日产水量为12.8万吨.最大的纳滤脱盐软化装置位于美国佛罗里达州,日产水量为3.8万吨.表1 按别离原理分类的别离膜微滤多孔膜、溶液的微滤、脱微粒子压力差水、溶剂、溶解物悬浮物、细菌类、微粒子超滤脱除溶液中的胶体、各类大分子压力差溶剂、离子和小分子蛋白质、各类酶、细菌、病毒、乳胶、微粒子反渗透和纳滤脱除溶液中的盐类及低分子物压力差水、溶剂无机盐、糖类、氨基酸、BOD、COD等透析脱除溶液中的盐类及低分子物浓度差离子、低分子物、酸、碱无机盐、尿素、尿酸、糖类、氨基酸电渗析脱除溶液中的离子电位差离子无机、有机离子渗透气化溶液中的低分子及溶剂间的别离压力差、浓度差蒸汽液体、无机盐、乙醇溶液气体别离气体、气体与烝汽别离浓度差易透过气体不易透过气体图1 按别离物质大小分类的别离膜tC^DDi 孔径I 1A 2 10I10A 20tO-W别离时象分高法别离膜的种类tt体r sW,3) "0}CO (3. 1)H/)(3-I)1000A 2000 5000 2舸#毒#大扇菌孰at1NF),怖分*,曜悻分寓反童aKRD} I适苗■ E01/怖方普诚![尽普吾si白—1I禺声交换膜正M ]•返渗透膜原理•膜透过操作方式I横流过滤原液 , 液缩液oooooooooooooooooooo OOOOOOCOOOOQ o o o o o o o ooooooooooooooooooooo o o o o o o o 0OOOOOOO透过液全fit 过滤半透胰初始状态半透膜醪透及渗透平衡状态半透膜反渗透状态原液膜oooooooooooooooooooo OOOQOOOQOOOOOOOO0OOQoooooooooooooooooooo0 O Q □ O O O0..OOOOCOOO O O O O O Ooooooooooooooooooooooooooooooooooooooooo ooooooooooooooooooooI透过液-国内反渗透膜及其应用:我国从60年代中期开始研制反渗透膜,与国外起步时间相距不远,但由于原材料及基础工业条件限制,生产的膜元件性能偏低,生产本钱高,还没有形成规模化生产.相比面言, 我国的超滤、微滤膜研制虽晚于反渗透,始于70年代,但目前已开展到数白个生产厂.虽然有品种少、质量、性能不够完善等问题,但因价格低廉,不仅有效地阻挡了国外同类产品的大量流入,而且也扩大了应用范围.国内反渗透应用始于70年代后期,最早多限于电子、半导体纯水,80年代以后逐渐扩大到电力及其它工业,90年代起在饮用水处理方面获得普及,现在反渗透已进入到家庭饮用纯水.最近三年是反渗透应用大开展阶段.根据保守的估计,各种反渗透膜元件1997年的国内销售额在1〜1.5亿人民币左右.随着国内几条引进生产线的陆续开工生产, 预计今后国产反渗透膜的市场份额会有上升.纵观国内反渗透应用市场,有以下几个特点:1.大型反渗透装置集中于锅炉补给水用途据不完全统计,我国已建成和在建的100吨/小时以上的反渗透装置已超过50套,但除少数电子等行业以外,大多数都集中于锅炉补给水用途.最早是火力发电厂,后来扩展到炼油、石化、化肥、化工等行业.其中最大规模为600吨/小时,估计本世纪内会出现超过1000 吨/小时的超大型反渗透水处理装置.国内在此领域已积累了丰富的设计、施工和运行经验, 现国内承建过100吨/小时以上规模反渗透装置的水处理工程公司已超过10家.2.饮用水处理应用限于中、小规模在国外,1000〜10000吨/小时规模的超大型反渗透或纳滤装置多用于城市供水系统, 而国内在饮用水用途的反渗透装置还都是数十吨/小时以下的中、小规模.随着经济开展和膜技术的普及,这一领域的应用前景很大.3.油田用水及废水处理应用还有待开发由于这一领域的应用技术难度较高和经济本钱原因,目前国内还处于研究、开发阶段, 伴随石油工业开展和水再利用、环境保护呼声日益高涨,膜技术大量进入这一领域已为时不会太远,对膜厂家和工程公司也是一个商业时机.-国外反渗透及其应用:美国是反渗透膜技术的创造国和最大生产国,但日本作为后起之秀,现在的研制、开发水平已开始赶上和超过美国.例如1996年日东电工推出的ES20系列超低压膜代表了今天反渗透膜的最高水准,它已实现0.75MPa压力下脱盐率99.7%,产水量0.8吨/平方米/日. 该公司97年生产出的耐污染型低压反渗透膜LF10系列显示了反渗透膜开发的新方向. 该膜在传统的芳香族聚酰胺膜外表复合上一层聚乙烯醇,既消除了膜外表的负电性乂提升了膜的亲水性和耐氯性,从而大大提升了反渗透膜的抗污染性能.目前国外反渗透膜的主要生产厂商均为美国和日本公司,其中美国杜邦(Dupont)公司和日本东洋纺(oyobo)公司垄断了中空纤维反渗透膜的世界市场. 卷式反渗透膜的主要生产厂商为七家,他们是:1.美国Hydranautics公司,该公司于1987年成为日本日东电工公司的全资子公司2.日本日东电工(Nitto Denko)公司3.美国Film tec公司,该公司于1985年成为美国Dow chemcal(陶氏化学)公司的全资子公司4.美国Fluid system 公司,该公司现为美国KOCH公司的子公司5.日本东丽(Toray)公司6.美国Desel公司,该公司现为美国Osmonics公司的子公司7.美国Trisep 公司据有关专家估计,1996年卷式反渗透膜的世界市场规模为 2.3亿美元,其中Hydranautics/Nitto Denko 的市场份额为35% , Dow/Film tec为26%,两家合计占据世界市场的61% o美国、欧洲反渗透用途主要为各种工业用水及饮用水,中东、西班牙的海水淡化应用较多,日本主要用于半导体、电子,韩国、台湾除半导体、电子外,小型饮用纯水需求量很大.下面介绍美国饮用水用途膜别离应用情况.美国除大量使用中、小型及家用反渗透系统外,还建有许多大型公共供水系统.1996年9月美国国立研究所曾以问卷调查方式统计了美国大型饮用水脱盐装置的状况.该调查发表了美国50个州中的21个州的以饮用水为目的的179家脱盐水厂的数据.结果说明这些装置总的产水水平为140万吨/日,各种脱盐方法在总装置产水水平中所占比重分别为:陆地水〔苦咸水〕反渗透47%,纳滤膜软化31%,可倒极电渗析13%,海水淡化8%.值得注意的是,纳滤膜软化的增长速度最快,从 1992到1996 的4年中,纳滤膜软化装置增加500% ,大大高丁其它方法.这是由于纳滤膜不仅可在低压 下对水源软化和适度脱盐,而且可脱除三卤甲烷生成能〔THMFP 〕、色度、细菌、病蠹和溶解性有机物,因而日益受到宵睐.该调查还对各种脱盐方法的经济本钱进行了统计比拟.其 结果如表1所示.无论是一次设备投资还是运行、维修费用均以纳滤膜软化为最低.表美国大型水厂各种脱盐方法的经济比拟纳滤膜 软化陆地水 反渗透可倒极 电渗析反渗透 海水淡化多级闪蒸 海水淡化设备费〔相对值〕 1 1.5 2.4 4.1 6 运行维修费〔相对值〕111.27.29二、反渗透系统设计导那么在使用海德能公司反渗透膜元件设计反渗透系统时,一般应遵循以下所建议的通用导那么,如需在超出本导那么的情况下使用,请与海德能公司协商以便提供特殊的建议. -平■均水通量及允许每年水通量衰减白分数水 源SDI水通量水通量最减百分数/年SDI 258 14GFD7.3 9.9井水 反渗透产品水SDI V 2 SDI V 114 18GFD 4.4 20 30GFD2.3 7.3 4.4•允许每年盐透过率增加白分数膜 型缩 写盐透过率增加百分数 /年醋酸膜 超低压复合膜CAB1、CAB1、CAB3、CAB4 ESPA1、ESPA2、ESPA317 33 3 17聚酰胺复合膜CPA2、CPA3、CPA4 3 17海水淡化膜SWC1、SWC2、SWC3 3 17 聚乙烯醇纳滤膜PVD1 3 17聚酰胺纳滤膜ESNA1、ESNA2 3 17•每根压力容器中的最大给水流量及最小浓水流量膜直径〔英寸〕最大〔加仑/分钟〕最大〔m3/hr〕最小〔加仑/分钟〕最小〔m3/hr〕4 16 3.6 6 30 8.8 8 75 17.0 8.5 85 19.33 0.7 7 1.6 12 2.7 14 3.2盐份饱和值%CaSO 4 SrSO 44 BaSO 4SiO2230800 6000 100•饱和指数极限值条件LSI值不加阻垢剂时的LSI及SDSI 用六偏磷酸纳做阻垢剂时的LSI及SDSI用有机阻垢剂时的LSI及SDSI <-0.2<0.5<1.8* : Langelier Stiff & Davis-ESPA系列反渗透复合膜ESPA膜是美国海德能公司在世界上率先推出的节能型超低压复合膜, ESPA 〔即Energy Saving Poly Amide的英文缩写〕,它具有超低的运行压力〔较常规低压复合膜的运行压力降低了25%〜40%〕;更高的水通量〔在大通量时有着与其它复合膜相同的高脱盐率〕;更宽的水质适用范围和压力适应范围等优点.由丁ESPA膜具有如上所述的优点,为水泵、压力容器、管道、阀门等配套设备的选择提供了更为广泛的空间,而且使用功率更小的电机即可满足工作的需要. 同时,ESPA膜的高水通量、高脱盐率的特性,使我们在设计中仅用少量膜元件即可得到期望产水量,这些都使设备制造本钱和系统设备投资费用大为降低,并且可大量地节省能源,降低了系统的运行费用, 使反渗透系统更加容易推广和被接受.在实际工程设计中,ESPA膜的产水通量是由进水质量所决定.下面是海德能公司针对不同水质所建议的设计产水通量,供用户设计时参考:地表水:〔SDI=2〜5〕12〜14GFD 〔加仑/平方英寸•天〕井水:〔SDI< 1〕16〜18GFD反渗透水:23〜28GFDESPAR列〔超低压节能型〕反渗透膜元件规格与性能型号〔超低压节能型〕ESPA1ESPA2ESPA3ESPA-UITRAPURE规格外径/长度〔mm〕$ 201.9/1016.0$ 201.9/1016.0$ 201.9/1016.0$ 201.9/1016.0湿润态重量〔kg〕16.416.416.416.4有效膜面积〔ft2〕400400400400性最低脱盐率〔%〕99.0%99.6%98%99.0%透过水量GPD 〔L/H〕12000 (1900)9000 (1400)15000 (2400)12000 (1900)能膜材质芳香族聚酰胺芳香族聚酰胺芳香族聚酰胺芳香族聚酰胺测测试溶液1500ppm NaCl溶液〔运行30分钟后测试的数据〕试操作压力psi〔Mpa〕150 (1.05)测试液温度〔C〕25条单只膜元件水回收率〔%〕15件测试液PH 6.5 〜7.0最高进水温度〔C〕45进水PH范围 3.0 〜10.0使最高操作压力psi〔Mpa〕600 (4.16)最高进水流量GPM 〔M3/H〕75 (17.0)用进水最高SDI 〔15分钟〕V 5条进水最高浊度 1.0NTU件最高进水自由氯浓度< 0.1ppm单只膜元件最高压力损失10psi (0.7kgf/cm2)单只膜元件上浓缩水与5:1透过水量的最大比例注意:产水量误差为土15% ,出厂时每一支膜元件均配有一只浓水密封环, 一只膜元件连接管和相应O型环.膜元件均真空封装于1 0%的亚硫酸氢纳和10%的丙二醇所构成的保存液中.海德能公司确信本资料中提供的信息和数据都是准确和有用的,但由于我们无法限制用户的使用方法和使用条件,因而这里提供的信息和数据仅是出于友好目的,不作为保证值.海德能公司不承当由于使用这些信息和数据而产生的后果或损害,用户应自己确认海德能公司产品对于其特定用途的适应性.-CPA系列低压反渗透膜CAP膜是美国海德能公司丁1989年上市的芳香族聚酰胺复合膜,继而乂推出了CPA2膜, 该膜将透水性与脱盐性实现了最正确的结合,因此CPA2膜在世界上得到了广泛的应用,CPA3 和CPA4膜使脱盐率到达了更新的高度, 可有效地去除水中的SiO2和TOC,因此更适丁制造电子工业超纯水和发电厂锅炉补给水.CPAg列膜元件的主要性能及规格-LFC系列低污染反渗透膜-LFC系列低污染反渗透膜LFC膜是美国海德能公司丁1998年在世界上率先推出的低污染型低压复合膜, LFC 〔即Low Fouling Composite的英文缩写〕膜既具有普通复合膜的低压、高通量、高脱盐率的优点, 同时乂具有耐污染性的特殊优点,与传统复合膜外表带负电这一特点有所不同的是:LFC膜分LFC1及LFC2两种,LFC1膜外表不带电荷,LFC2膜外表带正电荷.LFC系列膜元件的主要性能及规格-LFC系列低污染反渗透膜-SWC系列海水淡化反渗透膜SWC系列海水淡化反渗透复合膜是美国海德能公司对世界的乂一大奉献,海德能公司的海水淡化膜材质为芳香族聚酰胺,它可将不同含盐量的海水处理成为可直接饮用的淡水,这为解决世界各国淡水资源紧缺问题提供了一条新途径.SWC!列海水淡化膜的性能及规格•海德能公司ESPA 、CPA 反渗透卷式膜元件工艺尺寸4040元件A=40.00〞(1016.0mm) B=3.94"(100.1mm) C=0.75"(19.1mm)D=1.05"(26.7mm) 净重8磅(3.6kg )8040元件A=40.00"(1016.0mm) B=7.95"(201.9mm)C=1.50"(38.1mm) 净重 36 磅(16.4kg )-海德能公司反渗透膜元件质量保证书海德能公司〔以下简称卖方〕对本公司生产的卷式反渗式反渗透膜元件提供以下的质量 保证:-工艺及材料保证在买方依据本公司膜元件技术样本及技术文件的规定,正确使用和维护膜元件的条件下, 如出现因膜元件制造工艺及材料方面引起的质量问题时,自产品到达买方指定口岸之日起 12个月内,卖方负责保修. -性能保证A. 依据产品样本规定的测试条件,膜产品具有该产品样本中所规定的初始 性能.B. 在三年内卖方对膜性能提供如下保证:a. 对于醋酸纤维膜,在产品样本规定的测试条件下,其平均盐透过率不超过初始盐透过率的二倍;b. 对于聚酰胺及聚乙烯衍生物复合膜,在产品样本规定的测试条件下, 其平均盐透过率不超过初始盐透过率的1.5倍;c. 在产品样本规定的测试条件下,其平均产水量不低于初始产水量的 80%C. 自系统启动或膜元件装运发往目的地之日算起六个月后卖方开始提供三年担保.D. 担保条件:进水浓水浓水在保修期内,买方负有以下义务:a.保证给水浊度<1NTU或SDK 5,给水温度<45 C,给水中不含有无机或有机的可能对膜造成物理及化学损伤的有害物质;b.不应将复合膜元件暴露于含有诸如氯气或次氯酸根离子等氧化性物质的给水中;c.安装使用前,膜元件应存放在原包装箱中,保存温度为0〜45 C;d.膜元件的最高使用压力为:(1)对于ESPA、ESNA、CPA、CAB 系列600psi(4.16MPa)(3)对于SWC 系列1000psi(6.9MPa)e.任何情况下,膜元件均不允许出现反压,即透过水的压力、大于给水/浓水侧的压力;f.在标准条件下系统性能下降10%,或当显然发生了结垢或污堵时,应及时进行清洗;g.反渗透系统的设计及选用符合相关的标准;h.操作人员应了解RO系统性能,操作前须经必要培训,并具有一般保养及事故诊断知识;I.买方应保存RO系统操作记录,保证数据真实、完整和连续,便于分析查找故障原因.如违反以上保修条件,即使在质保期内,海德能公司也不再承当保修责任.•保修责任在保修期内,卖方保修责任可以以下几种方式进行:A.免费修理所有出现问题的膜元件,使其恢复正常;B.买方退回有问题的元件,经卖方检验,确届卖方责任时,免费更换新元件并退还买方运费.C.根据实际使用天数,按比例赔偿.主:本保证书是我公司正式保证书(英文)的中译本,当解释发生争议时,以英文原文为准.三、反渗透膜的污染及清洗方法【适用于ESPA ESNA CP您SWC〔列复合膜】本文介绍了影响复合膜性能的常见污染物及其活洗方法,本文适用于4英寸、6英寸、8英寸及8.5英寸直径的反渗透膜元件.注1 :在任何情况下不要让带有游离氯的水与复合膜元件接触,如果发生这种接触,将会造成膜元件性能下降,而且再也无法恢复其性能,在管路或设备杀菌之后,应保证送往反渗透膜元件的给水中无游离氯存在.在无法确定是否有游离氯时,应通过化验来确证.应使用亚硫酸氢钠溶液来中和剩余氯,并保证足够的接触时间以保证反响完全.注2:在清洗溶液中应预防使用阳离子外表活性剂,由于如果使用可能会造成膜元件的不可逆转的污染.-反渗透膜元件的污染物在正常运行一段时间后,反渗透膜元件会受到在给水中可能存在的悬浮物质或难溶物质的污染,这些污染物中最常见的为碳酸钙垢、硫酸钙垢、金届氧化物垢、硅沉积物及有机或生物沉积物.污染物的性质及污染速度与给水条件有关, 污染是慢慢开展的,如果不在早期采取举措, 污染将会在相对短的时间内损坏膜元件的性能.定期检测系统整体性能是确认膜元件发生污染的一个好方法,不同的污染物会对膜元件性能造成不同程度的损害.表1列出了常见污染物对膜性能的影响.•污染物的去除污染物的去除可通过化学活洗和物理冲洗来实现,有时亦可通过改变运行条件来实现, 作为一般的原那么,当以下情形之一发生时应进行活洗.1.在正常压力下如产品水流量降至正常值的10〜15%2.为了维持正常的产品水流量,经温度校正后的给水压力增加了10〜15%3.产品水质降低10〜15%盐透过率增加10〜15%4.使用压力增加10〜15%5.RC各段间的压差增加明显〔也许没有仪表来监测这一迹象〕.•常见污染物及其去除方法:碳酸钙垢在阻垢剂添加系统出现故障时或加酸系统出现故障而导致给水PH值升高,那么碳酸钙就有可能沉积出来,应尽早发现碳酸钙垢沉淀的发生,以预防生长的晶体对膜外表产生损伤, 如早期发现碳酸钙垢,可以用降低给水PH至3.0〜5.0之间运行1〜2小时的方法去除.对沉淀时间更长的碳酸钙垢,那么应采用柠檬酸活洗液进行循环活洗或通宵浸泡.注:应保证任何清洗液的PH不要低于2.0,否那么可能会对RO膜元件造成损害,特别是在温度较高时更应注意,最高的PH不应高于11.0.可使用氨水来提升PH,使用硫酸或盐酸来降低PH值.硫酸钙垢活洗液2 〔参见表2〕是将硫酸钙垢从反渗透膜外表去除掉的最正确方法. 金届氧化物垢可以使用上面所述的去除碳酸钙垢的方法,很容易地去除沉积下来的氢氧化物〔例如氢氧化铁〕.硅垢对于不是与金届氧化物或有机物共生的硅垢,一般只有通过专门的活洗方法才能将他们去除,有关的详细方法请与海德能公司联系.有机沉积物有机沉积物〔例如微生物粘泥或霉斑〕可以使用活洗液3去除,为了预防再繁殖,可使用经海德能公司认可的杀菌溶液在系统中循环、浸泡,一般需较长时间浸泡才能有效,如反渗透装置停用超过三天时,最好采用消蠹处理,请与海德能公司会商以确定适宜的杀菌剂.•清洗液活洗反渗透膜元件时建议采用表2所列的活洗液.确定活洗液前对污染物进行化学分析是十分重要的,对分析结果的详细分析比拟,可保证选择最正确的活洗剂及活洗方法,应记录每次活洗时活洗方法及获得的活洗效果,为在特定给水条件下,找出最正确的活洗方法提供依据.对于无机污染物建议使用活洗液1.对于硫酸钙及有机物建议使用活洗液2.对于严重有机物污染建议使用活洗液3.所有活洗液可以在最高温度为华氏104度〔摄氏40 C〕下活洗60分钟,所需用品量以每100加仑〔379升〕中参加量计,配制活洗液时按比例参加药品及活洗用水,应采用不含游离氯的反渗透产品来配制溶液并混合均匀.如果需要其他有关信息,请与海德能公司技术效劳部门联系.-反渗透膜元件的化学清洗与水冲洗活洗时将活洗溶液以低压大流量在膜的高压侧循环,此时膜元件仍装在压力容器内而且需要用专门的活洗装置来完成该工作.活洗反渗透膜元件的一般步骤:1.用泵将十净、无游离氯的反渗透产品水从活洗箱〔或相应水源〕打入压力容器中并排放几分钟.2.用十净的产品水在活洗箱中配制活洗液.3.将活洗液在压力容器中循环1小时或预先设定的时间,对于8英寸或8.5英寸压力容器时,流速为35到40加仑/分钟〔133到151升7分钟〕,对于6英寸压力容器流速为15到20加仑/分钟〔57到76升/分钟〕,对于4英寸压力容器流速为9到10加仑/分钟〔34到38 升/分钟〕.4.活洗完成以后,排净活洗箱并进行冲洗,然后向活洗箱中充满十净的产品水以备下一步冲洗.5.用泵将十净、无游离氯的产品水从活洗箱〔或相应水源〕打入压力容器中并排放几分钟.6.在冲洗反渗透系统后,在产品水排放阀翻开状态下运行反渗透系统, 直到产品水活洁、无泡沫或无活洗剂〔通常需15到30分钟〕.表1.反渗透膜污染特征及处理方法说明:必须确认污染原因,并消除污染源,如需帮助请与海德能公司联系表2.建议使用的常见清洗液五、复合膜元件的一般保存方法【适用于ESPA ESNA CPA SW〔X PVD1系列膜元件】本文介绍的方法适用于以下情况:1.安装在压力容器中的反渗透膜元件的短期保存;2.安装在压力容器中的反渗透膜元件的长期保存;3.作为备件的反渗透膜的干保存及反渗透系统启动前的膜保存. 注意:芳香族聚酰胺反渗透复合膜元件在任何情况下都不应与含有剩余氯的水接触, 否那么将给膜元件造成无法修复的损伤.在对RO设备及管路进行杀菌、化学清洗或封入保护液时应绝对保证用来配制药液的水中不含任何剩余氯.如果无法确定是否有剩余氯存在,那么应进行化学测试加以确认.在有剩余氯存在时,应使用亚硫酸氢钠中和剩余氯.此时要保持足够的接触时间以保证中和完全.短期保存短期保存方法适用于那些停止运行5天以上30天以下的反渗透系统.此时反渗透膜元件仍安装在RO 系统的压力容器内.保存操作的具体步骤如下:1.用给水冲洗反渗透系统,同时注意将气体从系统中完全排除;2.将压力容器及相关管路充满水后,关闭相关阀门,预防气体进入系统;3.每隔5天按上述方法冲洗一次. 长期停用保护长期停用保护方法适用于停止使用30天以上,膜元件仍安装在压力容器中的反渗透系统.保护操作的具体步骤如下:1.清洗系统中的膜元件;2.用反渗透产出水配制杀菌液,并用杀菌液冲洗反渗透系统.杀菌剂的选用及杀菌液的配制方法可参见海德能公司相应技术文件或与海德能公司北京办事处联系以获取有关技术建议.3.用杀菌液充满反渗透系统后,关闭相关阀门使杀菌液保存于系统中,此时应确认系统完全充满.4.如果系统温度低于27 C,应每隔30天用新的杀菌液进行第二、第三步的操作;如果系统温度高于27 C,那么应每隔15天更换一次保护液〔杀菌液〕.5.在反渗透系统重新投入使用前,用低压给水冲洗系统一小时,然后再用高压给水冲洗系统5〜10分钟,无论低压冲洗还是高压冲洗时,系统的产水排放阀均应全部翻开.在恢复系统至正常操作前,应检查并确认产品水中不含有任何杀菌剂.系统安装前的膜元件保存海德能公司的膜元件出厂时, 均真空封装在塑料袋中, 封装袋中含有保护液. 膜元件在安装使用前的储存及运往。
膜分离技术与清洗反渗透膜方法介绍一、膜技术在制药工业的应用膜技术广泛应用于生物制备和医药生产中的分离、浓缩和纯化。
如血液制备的分离、抗菌素和干扰素的纯化、蛋白质的分级和纯化、中草药剂的除菌和澄清等。
发酵是生物制药的主流技术,从发酵液中提取药物,传统工艺是溶剂萃取或加热浓缩,反复使用有机溶剂和酸碱溶液,耗量大,流程长,废水处理任务重。
特别是许多药物热敏性强,使传统工艺的实用性多受限制。
国际先进的制药生产线,大量采用膜分离技术代替传统的分离、浓缩和纯化工艺。
如以膜设备浓缩纯化抗生素、中药汤及中药针剂澄清等。
二、膜技术在食品领域工业的应用1.1高质量饮用水供给随着水体的污染和人民生活水平提高,人们越来越希望得到高质量的饮用水供给。
采用活性炭吸附过滤和超滤结合制取高质量饮用水,设备投资少,制水成本低,是优质饮用水制备的经济有效方法,具有广阔的市场前景。
1.2工业供水自来水和地下水的水质不能满足许多化学工业、电子工业和纺织工业的要求,需要经过净化处理方可以使用,超滤膜技术是净化工业用水的重要技术之一。
1.3 医药用水医药针剂用水是采用多级蒸馏制备的,其工艺繁琐、能耗高、而且质量常常得不到保证。
用超滤膜技术除针剂热源和终端水热源,取得很好效果。
利用超滤膜技术把发酵液中产品和菌体分离,再采用其它方法精制流程。
其优点是:生产效率和产品质量提高;简化了工艺流程;菌体蛋白不含外加杂质,利用价值高,达到资源综合利用。
酱油、醋的澄清、果汁澄清和浓缩、乳制品生产、制糖工业都采用了膜技术。
1.3膜技术在各种工业生产中的应用凡是涉及分子级的浓缩和分离的过程,都有膜技术应用的机会。
汽车电泳漆的在线纯化采用超滤膜除去杂质,持续保证涂漆质量;燃料工业泳超滤膜技术分离和浓缩中间体。
三、在环境保护和水资源化的应用膜技术在废水处理、污染防治和水资源综合利用方面得到广泛应用。
在许多情况下,不仅处理了废水,还能回收有用物质和能量。
1.1各种含油废水及废油的处理①采油回注水的处理:膜法可以除去在水中的乳化溶解油,提高注入水的质量。