材料进场抽样检查记录表
- 格式:doc
- 大小:15.30 KB
- 文档页数:1
.原材料进场抽样检验方案编制:审核:审批:编制单位:编制时间:二〇一六年十月范文Word.原材料进场抽样检验总则为了有效地指导对各种原材料的检验工作,以使原材料的各类要求符合规定,确保工程的质量,根据该工程特点,特制定本方案,主要对以下进场原材料材料做详细抽样检验办法。
抽样和检验程序建立1、材料进场时,通知相关责任主体共同验收,并提交相关质保资料。
送样员及质检员须先行对水泥、砂石料、钢筋、预拌砼、防水涂料及防水卷材等材料或半成品、成品外观质量进行初步验收,外观质量明显不符合有关要求时,应报告项目经理予以退货。
2、对进场的合格材料进行产品标识,并做好记录,对进场材料进行检查验证,并取得相关的证明资料。
凭证手续不全,一律不收。
督促材料供应方按期向公司项目部提交材料质量及数量的验收凭证。
将合格材料的凭证手续汇总备案,以备追溯。
3、送样员和质检员应做好检查和督促工作,确保材料进场质量检验的落实, 对进场材料进行有效控制,采取妥善措施,使不合格得到有效地纠正,防止不合格材料用于工程,以保证工程质量,防止弄虚作假,杜绝不合格产品的使用。
4、送样员必须严格按照本方案对施工现场的取样和送检进行操作,取样时必须通知监理单位现场见证随机抽样,并由监理单位在试样或其包装上作出标识、封志。
标识、封志应表明工程名称、取样部位、取样日期、样品名称和样品数量。
5、所取原材料、试件样品,由送样员会同监理见证人送至具备有效资质的检测单位检测。
检测单位必须具备省级以上行政主管部门颁发的检测资质证书和对外承接业务许可证书,并取得质量技术监督部门的计量认证合格证书。
6、进行原材料、试件见证取样与送检时,质检人员必须按规定填写检验委托单,并经监理单位见证人员签字认可。
7、技术负责人应针对出现不合格材料,组织相关人员讨论和分析原因,研究更好地有效的控制原材料,以免同样的事情重复发生的可能性,并就此考虑制订相关措施进行预防。
8、不合格控制程序流程:进场→待检标识→送试验室检验→出现不合格→通知现场→隔离处置→通知厂家人员→清场处理→监督记录处理结果→处理结果的确认。
⼯程材料进场验收制度(定稿)合谊地产⼯程材料进场验收制度编制⽇期审核⽇期审批⽇期修订记录⽇期修订状态修改内容修改⼈审核⼈审批⼈合谊地产材料进场验收制度1 ⽬的规范项⽬⼯程材料(含构配件及设备,以下统称为材料)的验收⼯作,确保经验收合格的材料⽅可⽤于⼯程施⼯。
2 适⽤范围适⽤于合谊地产有限公司及下属所有分(⼦)公司在建项⽬的材料验收管理,包括材料进场计划、材料样品管理、材料进场验收及材料使⽤检查等。
3 职责3.1施⼯单位3.1.1 在项⽬施⼯组织设计或施⼯⽅案中明确材料的管理,提交⽉度材料进场计划;3.1.2 负责材料检测实验室的报审⼯作;3.1.3 提交材料样品及报审资料,协助建设单位完成样品确认⼯作;3.1.4 材料进场时,提交材料进场报审资料,通知建设单位及监理单位现场验收。
如需送检的材料要在监理⼯程师的见证下取样,在监理⼈员的监督下送检;3.1.5 执⾏监理单位下发的不合格材料退场指令;负责合格材料的现场管理,正确使⽤材料。
3.1.6.负责现场甲供材料、设备保管,待检区与检验合格区单独设置;3.1.7.负责在甲供材料、设备出库单上签字确认;3.1.8.负责提供甲供材料、设备的接收⼈的授权委托书(主要内容包括:姓名、职务、联系电话、签名样式、⾝份证复印件)。
3.2监理公司3.2.1 审核施⼯单位在施⼯组织设计(或施⼯⽅案)中的材料规划、⽉度材料进场计划;3.2.2 对材料样品的品牌、型号及规格进⾏确认,负责接收、保存及销毁经确认后的材料样品;3.2.3 是材料质量监督的第⼀责任⼈,负责审核材料进场报审资料,负责材料的现场检验,负责材料的见证取样及见证送检;3.2.4 总监理⼯程师在“⼯程材料/构配件/设备报审表”中签字同意材料使⽤;3.2.5 监督施⼯单位正确管理、使⽤材料。
3.3项⽬公司3.3.1 审核施⼯单位提交的⽉度材料进场计划;3.3.2审核材料样品报审资料,组织材料样品的确认⼯作;3.3.3 见证材料的现场检验,监督施⼯单位正确管理、使⽤材料。
附录A绿色建筑工程进场材料和设备复验项目A.0.1绿色建筑工程进场材料和设备的复验项目应符合表A.0.1的规定。
表A.0.1建筑节能工程进场材料和设备的复验项目章号章节名称主要内容抽样检测数量4墙体工程1保温材料的导热系数或热阻、密度、压缩强度或抗压强度、垂直于板面方向的抗拉强度,有机保温材料的燃烧性能,外墙体保温材料的吸水率,内墙体有机保温材料的烟密度、烟毒性;2保温砌块、构件等定型产品的传热系数或热阻、抗压强度;4粘结材料的拉伸粘结强度;5抹面材料的拉伸粘结强度、压折比;6增强网的力学性能、抗腐蚀性能;7保温板材与基层的拉伸粘结强度及粘接界面脱开面积。
同厂家、同品种有机保温材料产品,其燃烧性能按照建筑面积抽查:建筑面积10000m2以下的每5000m2至少抽查1次,不足5000m2时也应抽查1次;超过10000m2时,每增加10000m2应至少增加抽查1次。
其他各项参数的抽查,按照同厂家、同品种产品,外墙、内墙每1000m2扣除窗洞后的保温墙面面积使用的材料为一个检验批,每个检验批应至少抽查1次;不足1000m2时也应抽查1次;超过1000m2时,每增加2000m2应至少增加抽查1次;超过5000m2时,每增加5000m2应增加抽查1次。
同工程项目、同施工单位且同时施工的多个单位工程(群体建筑),可合并计算保温墙面抽检面积。
5幕墙工程1、保温材料:导热系数、密度;2、幕墙玻璃:可见光透射比、传热系数、遮阳系数(严寒和寒冷地区)、中空玻璃露点;3、隔热型材:抗拉强度、抗剪强度。
同一厂家的同一种产品抽查不少于一组。
4、幕墙的气密性能。
应现场抽取材料和配件,在检测试验室安装制作试件进行气密性能检测。
6门窗工程严寒和寒冷地区:气密性、传热系数、玻璃遮阳系数、可见光透射比、中空玻璃露点、遮阳一体化窗的遮阳系数和采光性能。
同一厂家、同一品种、同一类型的产品各抽查不少于3樘(件)7屋面工程保温材料:导热系数或热阻、密度、吸水率、抗压强度或压缩强度、有机保温材料的燃烧性能;同厂家、同品种,每1000m2屋面使用的材料为一个检验批,每个检验批抽查1次;不足1000m2时抽查1次;屋面超过1000m2时,每增加2000m2应增加1次抽样;屋面超过5000m2时,每增加3000m2应增加1次抽样。
附表A.0.3单位(子单位)工程质量控制资料核查记录单位(子单位)工程安全和功能检验资料核查及主要功能抽查记录单位(子单位)工程观感质量检查记录X一、建筑电气1、材料进场抽样检查记录共47份:所有材料进场均按设计和规范要求进行抽检,均符合设计和规范要求2、材料合格证共41份其中PVC电管合格证2份,生产厂家是南平顺达塑料建材有限公司,规格型号为¢16, ¢20;焊接钢管合格证1份,生产厂家是天津飞龙制管有限公司,规格为DN15、DN20、DN25;铜芯塑料线合格证6份,生产厂家是南平太阳电缆股份有限公司,规格型号为BV-2.5、BV-4、BV-6、ZR-BV-2.5、ZR-BV-1.5、ZR-BV-1.0;各种开关、插座、灯具合格证11份,生产厂家是常州市鸿联电器有限公司。
3、接地电阻测试记录共14份:对电气器具等测试点起先测试,实测值在0.5~0.7之间,接地电阻测均小于1Ω,符合设计和规范要求。
4、绝缘电阻测试记录共15份按照设计图纸对各照明、插座及配电系统线间回路进行绝缘测试,实测值均大于0.5 MΩ,符合设计和规范要求5、隐蔽工程验收记录共18份:隐蔽项目的各项隐蔽内容经检查已做完,且符合设计和规范规定。
6、安全和功能检验资料共17份,均符合设计和规范规定7、建筑电气分部有3个子分部,含13个分项,共101个检验批,均为合格。
二、给、排水及采暖1、水卫设备材料合格证共28份:其中UPVC排水管合格证3份,生产厂家是福建振云塑业有限公司,型号为¢110, ¢75,¢50,冷、热PPR给水管合格证4份,生产厂家是上海上塑制管有限公司,型号:¢20, ¢25,¢32;钢塑管合格证8份,生产厂家是宁波江东管业有限公司,规格型号为¢15、¢20, ¢25,¢32、¢40、、¢50、¢65、¢80;镀锌钢管合格证1份,生产厂家是天津市飞龙制管有限公司,型号规格为DN25、DN32、DN40、DN50、DN65、DN80、DN100、DN125;其余各种卫生洁具等均有合格证。
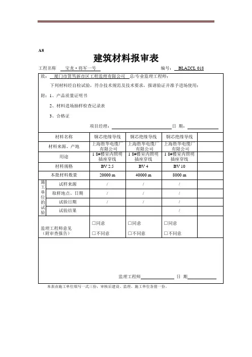
A8建筑材料报审表工程名称宝龙·将军一号编号:BLAZCL-018 致:厦门市筼筜新市区工程监理有限公司总/专业监理工程师:下列材料经自检试验,符合技术规范及技术要求,报请验证并准予进场使用:附:1、产品质量证明书2、材料进场抽样检查记录表3、合格证项目经理:日期:材料名称铜芯绝缘导线铜芯绝缘导线铜芯绝缘导线材料来源、产地上海胜华电缆厂有限公司上海胜华电缆厂有限公司上海胜华电缆厂有限公司用途1-8#楼室内照明插座穿线1-8#楼室内照明插座穿线1-8#楼室内照明插座穿线材料规格BV-2.5 BV-4 BV-10 本批材料数量20000 m 40000 m 8000 m施工单位的试验试样来源/ / / 取样地点、日期/ / / 试验日期/ / / 试验结果/监理工程师意见(附审查报告)□同意□不同意□同意□不同意□同意□不同意监理工程师日期本表由施工单位填写一式三份,审核后建设、监理、施工单位各留一份。
A8建筑材料报审表工程名称宝龙·将军一号编号:BLAZCL-017致:厦门市筼筜新市区工程监理有限公司总/专业监理工程师:下列材料经自检试验,符合技术规范及技术要求,报请验证并准予进场使用:附:1、产品合格证2、产品质量证明书3、检验报告4、材料进场抽样检查记录表项目经理:日期:材料名称JDG电线管JDG电线管JDG电线管材料来源、产地北京泰瑞安电气技术有限公司北京泰瑞安电气技术有限公司北京泰瑞安电气技术有限公司用途1#~8#楼地下室及楼层安装1#~8#楼地下室及楼层安装1#~8#楼地下室及楼层安装材料规格Φ15 Φ20 Φ25 本批材料数量16100 m 3550 m 5200 m施工单位的试验试样来源/ / / 取样地点、日期/ / / 试验日期/ / / 试验结果/ / /监理工程师意见(附审查报告)□同意□不同意□同意□不同意□同意□不同意监理工程师日期本表由施工单位填写一式三份,审核后建设、监理、施工单位各留一份。
监督抽查抽测记录表示范文本(质量控制资料--桩基抽检数量和结果)(质量控制资料--地基验槽记录)(质量控制资料--分部(子分部)工程验收记录)(质量控制资料—桥梁荷载试验报告)监督抽查抽测记录表示范文本(质量控制资料—淋水(蓄水)试验记录)(质量控制资料—水池满水试验记录)(质量控制资料--压力管道强度和严密性试验记录)监督抽查抽测记录表示范文本(质量控制资料--风管严密性检测记录)监督抽查抽测记录表示范文本(质量控制资料--给水管道通水试验记录)(质量控制资料--接地装置的接地电阻测试记录)(质量控制资料--电线电缆绝缘电阻测试记录)(质量控制资料—道路弯沉试验记录)(质量控制资料—污水管道闭水试验记录)监督抽查抽测记录表示范文本(质量控制资料--混凝土强度评定情况)监督抽查抽测记录表示范文本(钢筋安装分项—柱(剪力墙)、梁板钢筋安装)监督抽查抽测记录表示范文本(栏杆主要受力节点隐蔽---- 钢筋混凝土栏板(栏杆))(栏杆主要受力节点隐蔽---- 金属栏杆(栏板))(重要分部(子分部)验收)(工程质量行为—建设单位组织竣工验收情况)(工程质量行为—施工单位签署提交工程验收报告情况)(工程质量行为—监理单位出具工程质量竣工验收评估报告情况)(工程质量行为—设计单位出具质量合格文件情况)(工程质量行为—勘察单位出具质量合格文件情况)(结构材料力学性能--钢筋物理力学性能)(结构材料力学性能—水泥物理力学性能)(结构受力钢筋接头力学性能-机械连接接头力学性能)(结构受力钢筋接头力学性能-电弧焊、电渣压力焊接头力学性能)监督抽查抽测记录表示范文本(承重结构实体混凝土强度)(现浇钢筋混凝土板厚)。
附表A.0.3单位(子单位)工程质量控制资料核查记录单位(子单位)工程安全和功能检验资料核查及主要功能抽查记录单位(子单位)工程观感质量检查记录南平山水华庭水电汇报材料一、建筑电气1、材料进场抽样检查记录共47份:所有材料进场均按设计和规范要求进行抽检,均符合设计和规范要求2、材料合格证共41份其中PVC电管合格证2份,生产厂家是南平顺达塑料建材有限公司,规格型号为¢16, ¢20;焊接钢管合格证1份,生产厂家是天津飞龙制管有限公司,规格为DN15、DN20、DN25;铜芯塑料线合格证6份,生产厂家是南平太阳电缆股份有限公司,规格型号为BV-2.5、BV-4、BV-6、ZR-BV-2.5、ZR-BV-1.5、ZR-BV-1.0;各种开关、插座、灯具合格证11份,生产厂家是常州市鸿联电器有限公司。
3、接地电阻测试记录共14份:对电气器具等测试点起先测试,实测值在0.5~0.7之间,接地电阻测均小于1Ω,符合设计和规范要求。
4、绝缘电阻测试记录共15份按照设计图纸对各照明、插座及配电系统线间回路进行绝缘测试,实测值均大于0.5 MΩ,符合设计和规范要求5、隐蔽工程验收记录共18份:隐蔽项目的各项隐蔽内容经检查已做完,且符合设计和规范规定。
6、安全和功能检验资料共17份,均符合设计和规范规定7、建筑电气分部有3个子分部,含13个分项,共101个检验批,均为合格。
二、给、排水及采暖1、水卫设备材料合格证共28份:其中UPVC排水管合格证3份,生产厂家是福建振云塑业有限公司,型号为¢110, ¢75,¢50,冷、热PPR给水管合格证4份,生产厂家是上海上塑制管有限公司,型号:¢20, ¢25,¢32;钢塑管合格证8份,生产厂家是宁波江东管业有限公司,规格型号为¢15、¢20, ¢25,¢32、¢40、、¢50、¢65、¢80;镀锌钢管合格证1份,生产厂家是天津市飞龙制管有限公司,型号规格为DN25、DN32、DN40、DN50、DN65、DN80、DN100、DN125;其余各种卫生洁具等均有合格证。
工程材料和设备进场检查验收程序1、施工单位所提供的材料和工程设备进场时需会同监理进行检验和交货验收,施工单位将进场材料和工程设备的供货人、品种、规格、数量如实填写“材料进场检查及取样验收记录”,提供材料的合格证、出厂检验报告和产品质量证明等文件,满足合同约定的质量标准,经监理检验同意后方可进场;2、工程材料和设备进场后,施工单位要立即通知实验室在监理见证下进行材料的抽样检验和工程设备的检验测试,监理认为有必要时可按合同规定进行随机抽样检验;3、工程材料和设备经实验室检验和测试合格后,施工单位将试验和测试结果报送监理,经监理批准后,该批材料和设备方可使用;4、施工单位如不按材料检查验收程序,违约使用了不合格的材料和设备,我们将按照合同的有关规定进行处理。
附表1、材料进场检查及取样验收记录附表2、材料/构配件进场报验单材料进场检查及取样验收记录编号:注:编号流水号为:钢筋:AXXX,型材:BXXX,水泥:CXXX,钢管:DXXX,止水:EXXX,外加剂:JXXX,纤维:QXXX,河沙:HSXXX等。
CB07 材料/构配件进场报验单(承包[2009 ]材验001 号)b4说明:本表一式份,由承包人填写,监理机构检验、审核后,返回承包人2份,监理机构、发包人各1份。
承包[2009 ]材验001 号附表b5CB07 材料/构配件进场报验单(承包[2009 ]材验002 号)合同名称:重庆市玉滩水库扩建工程闸门制作安装工程合同编号:HYZB2009-263b6说明:本表一式份,由承包人填写,监理机构检验、审核后,返回承包人2份,监理机构、发包人各1份。
b7承包[2009 ]材验002 号附表b8鞠躬尽瘁,死而后已。
——诸葛亮b9。
《材料进场检验记录》材料进场清单及验收记录表鲁jj—022g□□□鲁jj—022g□□□材料/购配件/设备进场检验记录表鲁jj—022g□□□第二篇:材料进场检验制度材料、设备进出场检验制度一、做好进货接收时的联检工作。
在材料、半成品及加工订货进场时,项目部材料室负责组织质检员、材料员参加的联合检查验收。
检查内容包括:产品的规格、型号、数量、外观质量、产品出厂合格证、准用证以及其他应随产品交付的技术资料是否符合要求。
材料室负责填写《材料进场检验》表格,相关人员签字。
二、做好材料进场复试工作。
对于钢材、水泥、砂石料、砼、防水材料等须复试的产品,由项目试验员严格按规定进行,对原材料进行取样,送实验室试验。
同时,做好监理参加的见证取样工作,材料复试合格后方可使用。
专业工程师对材料的抽样复试工作进行检查监督。
三、对于设备的进场验证,由项目各专业技术负责人主持。
专业工程师进行设备的检查和调试,并填写相关记录。
四、在进行材料、设备的检验工作完成后,相关的内业工作(产品合格证、试验报告、准用证等材质证明文件的收集,整理、归档)应及时做到位。
五、在检验过程中发现的不合格材料、设备原则上应做退货处理,并进行记录,按"外埠进入不合格品"进行处置,报项目技术负责人审批。
如可进行降级使用或改用做其它用途,由项目技术负责人签署处理意见。
六、材料、设备进场检验时严格按有关验收规范执行,检验合格后方可使用,出现问题扣发当事人当月奖金,并追究其责任。
七、材料、设备进场检验要做到100%,发现-次未经检验进场或未留下检验记录,分别给予当事人50-100元罚款。
八、材料室做好材料的品种、数量清点,进货检验后要全部人库,及时点验,库管员要做好发放记录。
第三篇:原材料进场抽样检验制度xx工程原材料进场抽样检验制度xx项目部xx年10月原材料进场抽样检验制度1总则为了有效地指导对各种原材料的检验工作,以使原材料的各类要求符合规定,确保新海尚宸家园商业综合体工程的质量,特制定本制度。