地砖工程技术交底最新
- 格式:docx
- 大小:14.61 KB
- 文档页数:3
地砖工程技术交底最新地砖工程技术交底是指在地砖施工前,施工方与监理方进行技术交底,明确施工要求、工艺流程和质量标准,以确保地砖工程质量。
下面将从施工前准备、材料选用、施工工艺、验收标准和注意事项五个方面进行详细介绍。
一、施工前准备1.1 确认施工图纸和设计要求,包括地砖规格、铺贴方式等。
1.2 检查施工现场,确保地面平整、无裂缝和积水等问题。
1.3 确定施工人员及监理人员,明确责任分工和沟通方式。
二、材料选用2.1 地砖选用要符合设计要求,规格一致、颜色统一。
2.2 砂浆选用要符合强度要求,根据地砖种类选择合适的砂浆。
2.3 防水材料选用要符合防水要求,确保地砖施工后具有良好的防水性能。
三、施工工艺3.1 清洁施工现场,保持干净整洁,避免杂物影响施工质量。
3.2 铺贴地砖时要注意规整、平整、缝隙均匀,确保地砖铺贴质量。
3.3 砂浆拌和要均匀充分,施工时要注意厚度一致、坡度正确,避免砂浆开裂或者渗水。
四、验收标准4.1 地砖铺贴完毕后,应进行验收,检查地砖平整度、缝隙一致性等。
4.2 检查地砖与墙角、门框等接缝处是否处理妥当,防止裂缝和渗水。
4.3 验收合格后,及时进行保护处理,避免施工过程中的破坏。
五、注意事项5.1 施工过程中要注意安全,避免发生意外事故。
5.2 施工人员要遵守规范操作,严格按照设计和要求进行施工。
5.3 如遇特殊情况或者问题,及时与监理方沟通,共同解决。
通过以上几个方面的详细介绍,可以看出地砖工程技术交底对于地砖施工的重要性。
惟独在技术交底过程中,各方能够明确责任、提前预防问题,才干确保地砖工程的质量和安全。
希翼施工方和监理方在地砖工程施工前充分沟通,共同努力,打造高质量的地砖工程。
地砖工程技术交底最新地砖工程技术交底一、项目概述地砖工程是指在建造物的室内或者室外铺设地面的砖石工程。
本项目旨在对地砖工程的施工技术进行交底,确保施工质量和安全。
二、施工要求1. 材料准备a. 地砖:规格为300mm×300mm,材质为陶瓷砖,颜色为米黄色。
b. 砂浆:采用水泥砂浆,按照1:3的比例调配。
c. 基层处理材料:使用水泥砂浆进行基层处理。
d. 辅助材料:包括瓷砖胶、瓷砖割刀、瓷砖切割机等。
2. 施工准备a. 确保施工现场整洁有序,清理杂物。
b. 对基层进行检查,确保基层平整、干燥、无油污等。
c. 确保施工现场通风良好,保持适宜的温度和湿度。
3. 施工工艺a. 基层处理:用水泥砂浆进行基层处理,保证基层平整、坚固。
b. 瓷砖铺贴:先将瓷砖胶均匀涂抹在基层上,然后将地砖按照预定的图案和规格铺贴在基层上。
c. 瓷砖切割:根据需要,使用瓷砖切割机将瓷砖切割成所需的尺寸和形状。
d. 砂浆填缝:在瓷砖之间填充砂浆,确保砂浆填缝均匀、坚固。
e. 清理工作:施工完成后,及时清理施工现场,确保整洁。
4. 质量控制a. 瓷砖铺贴应保持水平、垂直,砖缝应均匀,不得有错位、空鼓等缺陷。
b. 瓷砖切割应准确,切割边缘应光滑、整齐。
c. 砂浆填缝应均匀、坚固,填缝处应平整、美观。
5. 安全注意事项a. 施工人员应穿戴好安全帽、工作服等个人防护装备。
b. 施工现场应设置警示标识,防止他人误入。
c. 施工过程中应注意防滑,避免发生意外事故。
三、施工进度安排根据项目实际情况,估计本次地砖工程施工周期为5天。
具体进度安排如下:1. 第一天:基层处理、瓷砖铺贴。
2. 第二天:瓷砖铺贴、瓷砖切割。
3. 第三天:瓷砖切割、砂浆填缝。
4. 第四天:砂浆填缝、清理工作。
5. 第五天:项目验收。
四、施工人员及联系方式1. 项目经理:张先生,联系电话:XXX-XXXXXXX。
2. 施工队长:李先生,联系电话:XXX-XXXXXXX。
地砖工程技术交底最新地砖工程技术交底是地砖铺设工程中非常重要的一个环节,它涉及到施工质量、工期进度等方面的问题。
在地砖工程技术交底中,施工方和监理方需要明确地砖铺设的具体要求和规范,以确保施工质量达到标准要求。
本文将从地砖工程技术交底的准备工作、施工要求、质量控制、安全注意事项和验收标准等方面进行详细介绍。
一、准备工作1.1 确认地砖材质和规格:在地砖工程技术交底前,需要明确使用的地砖材质和规格,以便进行合理的施工安排。
1.2 确定铺砖方式和图案:根据设计要求和实际情况,确定地砖的铺设方式和图案,确保施工效果符合设计要求。
1.3 制定施工方案和施工进度计划:在地砖工程技术交底前,需要制定详细的施工方案和施工进度计划,确保施工工艺和进度得到合理安排。
二、施工要求2.1 地砖铺设前的基层处理:在进行地砖铺设前,需要对基层进行处理,确保基层平整、牢固,并达到设计要求。
2.2 地砖铺设的水平和垂直控制:在进行地砖铺设时,需要注意控制地砖的水平和垂直度,确保地砖铺设的平整度和垂直度符合标准要求。
2.3 地砖铺设的缝隙处理:在地砖铺设完成后,需要对地砖之间的缝隙进行处理,确保缝隙整齐、干净,符合设计要求。
三、质量控制3.1 地砖材质的检验:在地砖工程技术交底前,需要对使用的地砖材质进行检验,确保地砖符合相关标准要求。
3.2 施工过程中的质量检查:在地砖铺设过程中,需要进行质量检查,及时发现和解决施工中的质量问题,确保施工质量符合标准要求。
3.3 施工结束后的验收:在地砖铺设结束后,需要进行验收工作,对地砖铺设的质量进行检查,确保施工质量符合设计要求。
四、安全注意事项4.1 施工现场的安全防护:在地砖铺设过程中,需要加强对施工现场的安全防护,确保施工人员和设备的安全。
4.2 施工过程中的安全操作:在进行地砖铺设时,需要注意安全操作规范,避免发生安全事故,确保施工顺利进行。
4.3 废弃材料的处理:在地砖铺设结束后,需要及时清理施工现场的废弃材料,确保施工现场的整洁和安全。
地砖工程技术交底最新地砖工程技术交底一、项目背景地砖工程是建筑装修的重要环节之一,对于保证施工质量和美观度具有重要意义。
本次技术交底旨在详细介绍地砖工程的施工流程、材料选用、质量要求等内容,以确保施工人员能够准确理解并按照要求进行施工。
二、施工流程1. 准备工作a. 确认地面基层是否平整、结实,如有问题需提前处理。
b. 清理施工区域,确保无杂物和灰尘。
c. 根据设计图纸确定地砖的铺设方式和图案。
2. 材料准备a. 地砖:根据设计要求选择合适的地砖,注意检查地砖的尺寸、质量和颜色是否符合要求。
b. 瓷砖胶:根据地砖类型和基层情况选择合适的瓷砖胶,注意施工环境和温度对瓷砖胶的影响。
c. 基层处理材料:根据基层情况选择合适的基层处理材料,如防水涂料、防潮剂等。
3. 基层处理a. 清洁基层:使用扫帚或吸尘器清除基层上的灰尘和杂物。
b. 基层处理材料施工:根据基层情况进行涂刷、喷涂等处理,确保基层平整、结实和防潮。
4. 瓷砖铺设a. 铺设前准备:根据设计要求确定铺设的起点和方向,确保地砖的整体效果。
b. 瓷砖胶施工:根据瓷砖胶的使用说明进行配比和搅拌,然后用刮刀均匀涂抹在基层上。
c. 地砖铺设:将地砖按照设计要求依次铺设在瓷砖胶上,注意留缝和保持地砖的水平。
d. 瓷砖切割:根据需要,使用瓷砖切割机将地砖进行切割,确保与墙角、门窗等位置的贴合。
e. 瓷砖粘贴:将切割好的地砖粘贴在需要的位置,注意保持与周围地砖的一致性。
f. 瓷砖压实:使用橡胶锤轻轻敲击地砖,确保地砖与瓷砖胶之间的贴合度。
5. 砖缝处理a. 砖缝清理:在地砖铺设完成后,及时清理地砖上的瓷砖胶,保持砖缝的干净。
b. 砖缝填充:根据设计要求选择合适的砖缝填充材料,将其填充到砖缝中,并用刮刀刮平。
c. 砖缝密封:使用砖缝密封剂对填充后的砖缝进行密封,以增强砖缝的耐磨性和防水性。
6. 后续工作a. 瓷砖养护:在地砖铺设完成后,进行适当的养护,如避免人员踩踏、防止水浸泡等。
墙地砖施工技术交底一、施工准备1、材料准备(1)墙地砖:品种、规格、图案、颜色应符合设计要求,质量应符合现行有关标准的规定。
(2)水泥:一般采用 325 级或 425 级普通硅酸盐水泥或矿渣硅酸盐水泥,应有出厂合格证及复验报告。
(3)砂:中砂或粗砂,含泥量不应大于 3%。
(4)建筑胶:应符合环保要求。
2、主要机具(1)云石机、瓷砖切割机、角磨机、电钻、橡皮锤、水平尺、靠尺、线坠、小灰铲、勾缝溜子、勾缝托灰板等。
3、作业条件(1)墙面、地面基层已处理完毕,基层表面应平整、坚实、洁净,无油污、浮浆等杂物。
(2)预留孔洞、预埋件等已安装完毕,并经验收合格。
(3)墙地面的水电管线已安装完毕,并经验收合格。
(4)房间的标高和几何尺寸已校核无误。
二、施工工艺流程1、基层处理将基层表面的浮尘、油污等清理干净,对于表面不平整的部位,应采用水泥砂浆进行找平处理。
基层处理完毕后,应浇水湿润,但表面不得有明水。
2、弹线分格根据设计要求,在墙地面上弹出瓷砖的分格线。
弹线时应注意瓷砖的排列方式和缝隙宽度,确保美观整齐。
3、排砖根据弹线分格的结果,进行排砖。
排砖时应注意砖缝的对齐和对称,避免出现小半砖。
对于非整砖,应尽量排在次要部位或阴角处。
4、浸砖将瓷砖放入清水中浸泡 2 小时以上,取出晾干表面水分备用。
浸泡的目的是防止瓷砖吸收水泥砂浆中的水分,导致粘结不牢固。
5、铺贴瓷砖(1)墙面瓷砖铺贴先在基层上抹一层水泥砂浆,厚度约为 8-10mm,然后用橡皮锤将瓷砖轻轻敲实,使其与基层粘结牢固。
瓷砖铺贴应从下往上进行,每铺贴一行,应使用水平尺和靠尺检查平整度和垂直度,及时调整。
瓷砖之间的缝隙应均匀一致,一般为 1-2mm。
铺贴完毕后,用勾缝剂进行勾缝处理。
(2)地面瓷砖铺贴先在基层上均匀涂刷一层水泥浆,然后铺设一层干硬性水泥砂浆,厚度约为 30mm,用木抹子拍实抹平。
按照排砖的结果,将瓷砖铺贴在干硬性水泥砂浆上,用橡皮锤敲实。
地面瓷砖铺贴应从房间的一侧向另一侧进行,铺贴过程中应随时检查平整度和坡度,确保排水顺畅。
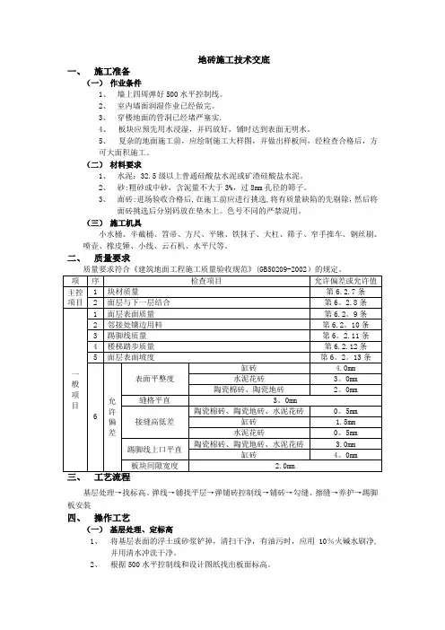
地砖施工技术交底一、施工准备(一)作业条件1、墙上四周弹好500水平控制线。
2、室内墙面润湿作业已经做完。
3、穿楼地面的管洞已经堵严塞实。
4、板块应预先用水浸湿,并码放好,铺时达到表面无明水.5、复杂的地面施工前,应绘制施工大样图,并做出样板间,经检查合格后,方可大面积施工。
(二)材料要求1、水泥:32.5级以上普通硅酸盐水泥或矿渣硅酸盐水泥.2、砂:粗砂或中砂,含泥量不大于3%,过8mm孔径的筛子。
3、面砖:进场验收合格后,在施工前应进行挑选,将有质量缺陷的先剔除,然后将面砖挑选后分别码放在垫木上。
色号不同的严禁混用。
(三)施工机具小水桶、半截桶、笤帚、方尺、平锹、铁抹子、大杠、筛子、窄手推车、钢丝刷、喷壶、橡皮锤、小线、云石机、水平尺等.二、质量要求质量要求符合《建筑地面工程施工质量验收规范》(GB50209-2002)的规定。
基层处理→找标高、弹线→铺找平层→弹铺砖控制线→铺砖→勾缝、擦缝→养护→踢脚板安装四、操作工艺(一)基层处理、定标高1、将基层表面的浮土或砂浆铲掉,清扫干净,有油污时,应用10%火碱水刷净,并用清水冲洗干净。
2、根据500水平控制线和设计图纸找出板面标高。
(二)弹控制线1、先根据排砖图确定铺砌的缝隙宽度。
2、根据排砖图及缝宽在地面上弹纵、横控制线。
注意该十字线与墙面抹灰时控制房间方正的十字线是否对应平行,同时注意开间方向的控制线是否与走廊的纵向控制线平行,不平行时应调整至平行.以避免在门口位置的分色砖出现大小头。
注:排砖原则:①开间方向要对称(垂直门口方向分中);②破活尽量排在远离门口及隐蔽处,如:暖气罩下面;③为了排整砖,可以用分色砖调整;④与走廊的砖缝尽量对上,对不上时可以在门口处用分色砖分隔;⑤根据排砖原则画出排砖图,有地漏的房间应注意坡度、坡向。
(三)铺砖为了找好位置和标离,应从门口开始,纵向先铺2~3行砖,以此为标筋拉纵横水平标高线,铺时应从里面向外退着操作,人不得踏在刚铺好的砖面上,每块砖应跟线,操作程序是:1、铺砌前将砖板块放入半截水桶中浸水润湿,晾干后表面无明水时,方可使用。
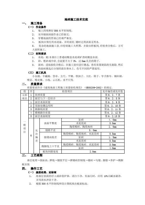
地砖施工技术交底一、施工准备(一)作业条件1、墙上四周弹好500水平控制线。
2、室内墙面润湿作业已经做完。
3、穿楼地面的管洞已经堵严塞实。
4、板块应预先用水浸湿,并码放好,铺时达到表面无明水。
5、复杂的地面施工前,应绘制施工大样图,并做出样板间,经检查合格后,方可大面积施工。
(二)材料要求1、水泥:32.5级以上普通硅酸盐水泥或矿渣硅酸盐水泥。
2、砂:粗砂或中砂,含泥量不大于3%,过8mm孔径的筛子。
3、面砖:进场验收合格后,在施工前应进行挑选,将有质量缺陷的先剔除,然后将面砖挑选后分别码放在垫木上。
色号不同的严禁混用。
(三)施工机具小水桶、半截桶、笤帚、方尺、平锹、铁抹子、大杠、筛子、窄手推车、钢丝刷、喷壶、橡皮锤、小线、云石机、水平尺等。
二、质量要求质量要求符合《建筑地面工程施工质量验收规范》(GB50209-2002)的规定。
三、工艺流程基层处理→找标高、弹线→铺找平层→弹铺砖控制线→铺砖→勾缝、擦缝→养护→踢脚板安装四、操作工艺(一)基层处理、定标高1、将基层表面的浮土或砂浆铲掉,清扫干净,有油污时,应用10%火碱水刷净,并用清水冲洗干净。
2、根据500水平控制线和设计图纸找出板面标高。
(二)弹控制线1、先根据排砖图确定铺砌的缝隙宽度。
2、根据排砖图及缝宽在地面上弹纵、横控制线。
注意该十字线与墙面抹灰时控制房间方正的十字线是否对应平行,同时注意开间方向的控制线是否与走廊的纵向控制线平行,不平行时应调整至平行。
以避免在门口位置的分色砖出现大小头。
注:排砖原则:①开间方向要对称(垂直门口方向分中);②破活尽量排在远离门口及隐蔽处,如:暖气罩下面;③为了排整砖,可以用分色砖调整;④与走廊的砖缝尽量对上,对不上时可以在门口处用分色砖分隔;⑤根据排砖原则画出排砖图,有地漏的房间应注意坡度、坡向。
(三)铺砖为了找好位置和标离,应从门口开始,纵向先铺2~3行砖,以此为标筋拉纵横水平标高线,铺时应从里面向外退着操作,人不得踏在刚铺好的砖面上,每块砖应跟线,操作程序是:1、铺砌前将砖板块放入半截水桶中浸水润湿,晾干后表面无明水时,方可使用。
地砖工程技术交底最新地砖工程技术交底引言概述:地砖工程技术交底是指在地砖施工前,施工人员与相关人员之间进行的技术沟通和交流的过程。
通过交底,可以确保施工人员对地砖工程的要求和技术细节有清晰的理解,并达到预期的施工效果。
本文将从地砖选材、施工前准备、铺贴技术、施工注意事项和验收要求五个方面,详细阐述地砖工程技术交底的内容。
一、地砖选材1.1 地砖种类选择:根据工程需求和客户要求,选择合适的地砖种类,如陶瓷砖、瓷砖、大理石砖等。
1.2 地砖规格要求:根据施工区域的尺寸和设计要求,选择合适的地砖规格,确保施工效果美观。
1.3 地砖质量检查:对选定的地砖进行质量检查,包括平整度、色差、砖面瑕疵等,确保地砖质量符合要求。
二、施工前准备2.1 基层处理:对施工区域的基层进行检查和处理,确保基层平整、干燥、无油污和杂物。
2.2 防水处理:根据需要,对施工区域进行防水处理,确保地砖施工后不会出现渗水问题。
2.3 施工工具准备:准备好施工所需的工具和材料,如切割机、砂浆、胶水等,确保施工过程顺利进行。
三、铺贴技术3.1 砖缝处理:根据设计要求,选择合适的砖缝宽度,并进行砖缝处理,如填缝、刮缝等。
3.2 砖面平整度控制:在铺贴地砖之前,使用水平仪和刮板等工具,控制地砖的平整度,确保地砖铺贴后整体平整。
3.3 砖面粘贴技术:使用合适的胶水或砂浆,将地砖粘贴到基层上,并进行压实和调整,确保地砖与基层之间的粘结牢固。
四、施工注意事项4.1 温度控制:在施工过程中,控制室内温度和湿度,避免因温度变化导致地砖开裂或变形。
4.2 施工顺序:根据施工区域的特点和设计要求,合理安排施工顺序,避免施工过程中的交叉污染和破坏。
4.3 施工质量检查:在施工过程中,及时进行施工质量检查,发现问题及时处理,确保施工质量符合要求。
五、验收要求5.1 施工完工验收:施工完成后,进行施工质量验收,包括地砖平整度、砖缝宽度、色差等方面的检查,确保施工质量合格。
第1篇为确保地砖施工质量,提高施工效率,现将地砖施工技术交底如下,请各施工人员认真阅读并严格执行。
二、施工准备1. 材料准备(1)地砖:选择符合设计要求、质量合格的地砖,要求表面平整、无裂纹、色差小。
(2)水泥:选用强度等级符合设计要求的水泥,要求细度好、无结块。
(3)砂:选用中粗砂,要求级配合理、不含杂物。
(4)胶粘剂:选用环保型瓷砖胶粘剂,粘结强度高、耐水、耐老化。
(5)填缝剂:选用环保型填缝剂,颜色与地砖相协调。
2. 工具准备(1)切割机:用于切割地砖。
(2)水平尺:用于检测地砖铺设的平整度。
(3)墨斗:用于弹线定位。
(4)锤子、錾子:用于敲打地砖。
(5)瓷砖胶:用于粘贴地砖。
(6)填缝剂:用于填充缝隙。
(7)抹子、刷子:用于涂抹胶粘剂和填缝剂。
三、施工工艺1. 施工前准备(1)检查基层平整度、垂直度,如有缺陷,应进行处理。
(2)清理基层表面的杂物、油污等,确保基层干净、平整。
(3)根据设计要求,确定地砖的铺设方向和规格。
2. 地砖铺设(1)弹线定位:根据设计要求,在地面上弹线定位,确保地砖铺设的整齐、美观。
(2)粘贴地砖:将胶粘剂均匀涂抹在地砖背面,然后将其粘贴在基层上。
粘贴时,注意保持地砖的平整度,避免出现高低不平的情况。
(3)检查调整:粘贴完毕后,用水平尺检查地砖的平整度,如有偏差,应及时进行调整。
(4)切割处理:对于无法整砖铺设的地方,使用切割机进行切割,确保切割边缘整齐、美观。
(5)清理胶粘剂:粘贴地砖过程中,如有胶粘剂溢出,应及时清理干净。
3. 填缝处理(1)清洁缝隙:用刷子将缝隙内的杂物清理干净。
(2)填充填缝剂:将填缝剂均匀涂抹在缝隙中,用抹子压实。
(3)清理溢出填缝剂:填缝剂涂抹完毕后,用刷子清理溢出的填缝剂。
四、质量控制1. 材料质量:选用符合设计要求、质量合格的地砖、水泥、砂、胶粘剂和填缝剂。
2. 施工质量:严格按照施工工艺进行操作,确保地砖铺设的平整度、垂直度、缝隙均匀。
地砖施工技术交底一、施工准备(一)作业条件1、墙上四周弹好500水平控制线。
2、室内墙面润湿作业已经做完。
3、穿楼地面的管洞已经堵严塞实.4、板块应预先用水浸湿,并码放好,铺时达到表面无明水。
5、复杂的地面施工前,应绘制施工大样图,并做出样板间,经检查合格后,方可大面积施工。
(二)材料要求1、水泥:32.5级以上普通硅酸盐水泥或矿渣硅酸盐水泥。
2、砂:粗砂或中砂,含泥量不大于3%,过8mm孔径的筛子。
3、面砖:进场验收合格后,在施工前应进行挑选,将有质量缺陷的先剔除,然后将面砖挑选后分别码放在垫木上。
色号不同的严禁混用。
(三)施工机具小水桶、半截桶、笤帚、方尺、平锹、铁抹子、大杠、筛子、窄手推车、钢丝刷、喷壶、橡皮锤、小线、云石机、水平尺等。
二、质量要求质量要求符合《建筑地面工程施工质量验收规范》(GB50209-2002)的规定。
基层处理→找标高、弹线→铺找平层→弹铺砖控制线→铺砖→勾缝、擦缝→养护→踢脚板安装四、操作工艺(一)基层处理、定标高1、将基层表面的浮土或砂浆铲掉,清扫干净,有油污时,应用10%火碱水刷净,并用清水冲洗干净。
2、根据500水平控制线和设计图纸找出板面标高。
(二)弹控制线1、先根据排砖图确定铺砌的缝隙宽度。
2、根据排砖图及缝宽在地面上弹纵、横控制线.注意该十字线与墙面抹灰时控制房间方正的十字线是否对应平行,同时注意开间方向的控制线是否与走廊的纵向控制线平行,不平行时应调整至平行.以避免在门口位置的分色砖出现大小头。
注:排砖原则:①开间方向要对称(垂直门口方向分中);②破活尽量排在远离门口及隐蔽处,如:暖气罩下面;③为了排整砖,可以用分色砖调整;④与走廊的砖缝尽量对上,对不上时可以在门口处用分色砖分隔;⑤根据排砖原则画出排砖图,有地漏的房间应注意坡度、坡向。
(三)铺砖为了找好位置和标离,应从门口开始,纵向先铺2~3行砖,以此为标筋拉纵横水平标高线,铺时应从里面向外退着操作,人不得踏在刚铺好的砖面上,每块砖应跟线,操作程序是:1、铺砌前将砖板块放入半截水桶中浸水润湿,晾干后表面无明水时,方可使用。
地砖工程技术交底最新地砖工程技术交底一、工程概述地砖工程是指在建筑物内或外铺设瓷砖的施工工程。
本文旨在对地砖工程的技术交底进行详细描述,确保施工人员了解施工要求、工艺流程、材料准备及施工安全等方面的内容。
二、施工要求1. 施工前准备(1) 确保施工现场整洁,清除杂物和尘土。
(2) 检查地面基础是否平整、牢固,若有问题需提前处理。
(3) 检查瓷砖是否完好无损,如有破损或缺陷应及时更换。
2. 材料准备(1) 瓷砖:根据设计要求选择合适的瓷砖,确保质量符合标准。
(2) 瓷砖胶:选择适用于地面铺贴的瓷砖胶,注意胶水的粘结力和耐水性。
(3) 基底处理材料:根据地面情况选择合适的基底处理材料,如水泥砂浆等。
(4) 填缝剂:选择适用于地砖的填缝剂,颜色与瓷砖搭配协调。
3. 工艺流程(1) 基底处理:清理地面,去除浮尘和油污,修补地面裂缝,保证地面平整。
(2) 瓷砖胶涂抹:根据瓷砖尺寸和样式选择合适的瓷砖胶,均匀涂抹在地面上。
(3) 瓷砖铺贴:将瓷砖按照设计要求铺贴在涂抹好瓷砖胶的地面上,注意瓷砖之间的间隙。
(4) 敲实:用木槌敲击瓷砖,确保瓷砖与地面充分贴合。
(5) 填缝:瓷砖铺贴完成后,用填缝剂填充瓷砖间的缝隙,使其平整美观。
(6) 清洁:清理施工现场,清除杂物和瓷砖胶的残留物。
4. 施工安全(1) 施工人员应佩戴安全帽、防护手套等个人防护用品。
(2) 施工现场应设置明显的警示标志,确保施工区域的安全。
(3) 使用工具时应注意安全操作,避免发生意外伤害。
(4) 施工过程中应保持施工现场整洁,防止瓷砖胶等材料堆积引发滑倒事故。
三、施工注意事项1. 瓷砖选择:根据设计要求选择合适的瓷砖,考虑瓷砖的质量、颜色、纹理等因素。
2. 瓷砖胶涂抹:瓷砖胶应均匀涂抹在地面上,避免出现厚薄不均的情况。
3. 瓷砖铺贴:铺贴瓷砖时应注意瓷砖之间的间隙,保持一致性,避免出现错位或空鼓现象。
4. 敲实:敲击瓷砖时要轻力均匀,避免过度敲击导致瓷砖破损。
地砖工程技术交底最新地砖工程技术交底一、项目概述地砖工程是指在建筑物的地面铺设瓷砖或其他地板材料的施工工程。
本文旨在对地砖工程的技术要求、施工流程、材料选用等进行详细交底,确保施工质量和进度。
二、技术要求1. 材料选用a. 地砖:选用规格为300mm×300mm的瓷砖,厚度为10mm,表面平整、色泽一致,无破损。
b. 瓷砖胶:选用高强度、抗老化、耐水性好的瓷砖胶。
c. 基层处理材料:根据基层情况选用适合的防水、防潮、防裂处理材料。
d. 填缝剂:选用与地砖颜色相近的填缝剂,具有耐磨、耐水、耐腐蚀等特性。
2. 基层处理a. 清理基层:清除基层表面的灰尘、油污等杂物,确保基层干净。
b. 防水、防潮处理:根据实际情况选用合适的防水、防潮处理材料进行施工。
c. 基层平整度:检查基层平整度,如有不平整处需进行修补。
3. 瓷砖铺贴a. 瓷砖铺贴前,应先进行试铺,确保瓷砖的整体效果和尺寸要求。
b. 瓷砖胶的使用:将瓷砖胶均匀涂抹在基层上,厚度不得小于3mm。
c. 瓷砖铺贴:将瓷砖按照设计要求依次铺贴,保持瓷砖之间的间隙一致。
d. 瓷砖修整:在铺贴完成后,及时修整瓷砖边缘和角落,确保整体效果。
e. 瓷砖的防滑处理:在需要防滑的区域,可采用防滑处理措施,如瓷砖表面切割花纹等。
4. 填缝a. 填缝前,确保瓷砖胶已完全干燥,一般需等待24小时以上。
b. 填缝剂的使用:将填缝剂均匀填充到瓷砖缝隙中,确保填缝剂填充饱满。
c. 填缝剂的清理:用湿布清理瓷砖表面多余的填缝剂,保持瓷砖表面整洁。
5. 养护a. 铺贴完成后,需进行养护,防止瓷砖脱落或开裂。
b. 养护期间,禁止踩踏铺贴好的地砖,避免对其造成损坏。
c. 养护期为7天,期间需保持环境湿润,可使用湿布覆盖地砖表面。
三、施工流程1. 基层处理a. 清理基层表面的灰尘、油污等杂物。
b. 根据基层情况进行防水、防潮处理。
c. 检查基层平整度,如有不平整处进行修补。
2. 瓷砖铺贴a. 进行试铺,确保瓷砖的整体效果和尺寸要求。
地面铺砖技术交底地面铺砖是建筑装饰工程中常见且重要的一项工作,其施工质量直接影响到室内的美观和使用功能。
为了确保地面铺砖的施工质量,现将相关技术交底如下:一、施工准备1、材料准备地砖:根据设计要求选择规格、颜色、品种一致的地砖,要求地砖表面平整、无裂缝、边角整齐、色泽均匀。
水泥:选用 325 级以上的普通硅酸盐水泥,水泥应具有出厂合格证和检验报告。
砂:采用中砂或粗砂,含泥量不大于 3%,过筛去除杂质。
水:使用清洁的自来水。
2、工具准备量具:水平尺、靠尺、直角尺、钢卷尺等。
切割工具:瓷砖切割机、云石机。
铺贴工具:橡皮锤、抹子、小灰铲、勾缝工具等。
3、作业条件地面基层已清理干净,无杂物、灰尘、油污等。
地面基层的平整度偏差应在 4mm 以内,若偏差较大,应先进行找平处理。
室内墙面已弹好+50cm 水平控制线。
门洞口已完成收口处理,门窗已安装完毕。
二、施工工艺流程1、基层处理将基层表面的浮土、砂浆等杂物清理干净,如有油污,应用 10%的火碱水刷净,并用清水冲洗干净。
对于光滑的基层表面,应进行凿毛处理,深度为 5 10mm,间距30mm 左右,以增加基层与结合层的粘结力。
2、找标高、弹线根据室内+50cm 水平控制线,向下量出地面面层的标高,并弹在四周墙上。
然后根据房间的大小和地砖的尺寸,在地面上弹出纵横控制线,一般间距为 1 2m。
3、预铺在正式铺贴前,应对地砖进行预铺,将地砖按照设计要求和图案排列,检查地砖的色差、尺寸偏差等,如有问题应及时调整。
预铺时应注意地砖的纹理方向应一致,对于有拼花要求的地面,应按照拼花图案进行预铺。
4、铺贴地砖先将基层浇水湿润,然后在基层上均匀涂刷一层素水泥浆(水灰比为 04 05)。
接着将地砖背面刮一层 1 2mm 厚的素水泥浆,按照控制线将地砖铺贴在基层上,用橡皮锤轻轻敲击地砖,使其与基层粘结牢固。
铺贴时应注意地砖之间的缝隙应均匀一致,一般为 1 2mm。
对于有地漏的房间,应按照设计要求找坡,坡度一般为 1% 2%。
地砖工程技术交底最新地砖工程技术交底一、项目背景地砖工程是建筑装修中常见的一项工作,其施工质量直接影响到整体装修效果和使用寿命。
为了确保地砖工程质量,提高施工效率,本文将对地砖工程技术交底进行详细说明。
二、施工准备1. 施工前准备在进行地砖工程之前,必须确保施工场地已经完成了土建阶段的施工,地面基层已经达到了要求的强度和平整度。
同时,需要检查施工材料的质量和数量是否满足施工需求。
2. 施工材料地砖施工所需的主要材料包括地砖、砂浆、水泥、填缝剂等。
在选购材料时,应注意材料的质量和规格是否符合工程要求,并妥善保管好材料,防止损坏或丢失。
三、施工工艺1. 布置工地在施工现场,需要将杂物清理干净,确保施工区域的整洁。
同时,需要进行标线工作,确定地砖的铺设位置和方向,以及砖缝的宽度。
2. 砂浆配制根据地砖的规格和要求,按照一定的比例将砂浆和水进行混合,搅拌均匀。
在搅拌的过程中,要注意砂浆的稠度和流动性,以保证施工的质量。
3. 地砖铺设将配制好的砂浆均匀地涂抹在地面基层上,然后将地砖按照预定的位置和方向铺设在砂浆上。
在铺设过程中,要注意地砖之间的间距和整体的平整度,避免出现高低错位的情况。
4. 砖缝处理地砖铺设完成后,需要对砖缝进行处理。
可以使用填缝剂对砖缝进行填充,填缝剂的颜色应与地砖相协调。
填缝剂填充完毕后,需要用抹子将多余的填缝剂刮平,使其与地砖表面齐平。
5. 施工验收地砖工程完成后,需要进行施工验收。
验收内容包括地砖的平整度、砖缝的宽度、填缝剂的颜色等。
同时,还需要检查地砖的牢固度和表面是否存在破损等问题。
四、施工注意事项1. 施工安全在进行地砖工程时,必须严格遵守安全操作规程,佩戴好个人防护用品,确保施工人员的人身安全。
同时,要注意施工现场的通风和照明,防止发生意外事故。
2. 施工质量地砖工程的质量直接关系到装修效果和使用寿命,因此在施工过程中要严格按照工艺要求进行操作,保证施工质量。
同时,要注意地砖的选购和保管,杜绝使用质量不合格的材料。
地砖施工技术交底一、施工准备(一)作业条件1、墙上四周弹好500水平控制线.2、室内墙面润湿作业已经做完。
3、穿楼地面的管洞已经堵严塞实.4、板块应预先用水浸湿,并码放好,铺时达到表面无明水。
5、复杂的地面施工前,应绘制施工大样图,并做出样板间,经检查合格后,方可大面积施工。
(二)材料要求1、水泥:32.5级以上普通硅酸盐水泥或矿渣硅酸盐水泥。
2、砂:粗砂或中砂,含泥量不大于3%,过8mm孔径的筛子。
3、面砖:进场验收合格后,在施工前应进行挑选,将有质量缺陷的先剔除,然后将面砖挑选后分别码放在垫木上.色号不同的严禁混用.(三)施工机具小水桶、半截桶、笤帚、方尺、平锹、铁抹子、大杠、筛子、窄手推车、钢丝刷、喷壶、橡皮锤、小线、云石机、水平尺等。
二、质量要求质量要求符合《建筑地面工程施工质量验收规范》(GB50209—2002)的规定。
基层处理→找标高、弹线→铺找平层→弹铺砖控制线→铺砖→勾缝、擦缝→养护→踢脚板安装四、操作工艺(一)基层处理、定标高1、将基层表面的浮土或砂浆铲掉,清扫干净,有油污时,应用10%火碱水刷净,并用清水冲洗干净.2、根据500水平控制线和设计图纸找出板面标高。
(二)弹控制线1、先根据排砖图确定铺砌的缝隙宽度。
2、根据排砖图及缝宽在地面上弹纵、横控制线。
注意该十字线与墙面抹灰时控制房间方正的十字线是否对应平行,同时注意开间方向的控制线是否与走廊的纵向控制线平行,不平行时应调整至平行.以避免在门口位置的分色砖出现大小头。
注:排砖原则:①开间方向要对称(垂直门口方向分中);②破活尽量排在远离门口及隐蔽处,如:暖气罩下面;③为了排整砖,可以用分色砖调整;④与走廊的砖缝尽量对上,对不上时可以在门口处用分色砖分隔;⑤根据排砖原则画出排砖图,有地漏的房间应注意坡度、坡向.(三)铺砖为了找好位置和标离,应从门口开始,纵向先铺2~3行砖,以此为标筋拉纵横水平标高线,铺时应从里面向外退着操作,人不得踏在刚铺好的砖面上,每块砖应跟线,操作程序是:1、铺砌前将砖板块放入半截水桶中浸水润湿,晾干后表面无明水时,方可使用。
地砖工程技术交底最新地砖工程技术交底一、项目背景地砖工程是指在建筑物内外地面进行铺设瓷砖、石材等材料的施工工程。
地砖工程的质量直接关系到建筑物的美观度和使用寿命,因此在施工前需要进行技术交底,明确施工要求和注意事项,确保施工质量。
二、施工要求1. 材料准备a. 瓷砖:选用符合国家标准的瓷砖,规格一致,无明显瑕疵。
b. 砂浆:选用优质水泥和砂子,按照比例混合制作砂浆,确保粘结力和耐久性。
c. 基层处理:地面基层应平整、坚实、无裂缝和松动,如有不平整或裂缝,需要进行修补处理。
2. 施工工艺a. 清理基层:清除基层上的灰尘、油污和杂物,保持基层干燥洁净。
b. 基层处理:如有不平整或裂缝,先进行修补处理,使用适当的修补材料填补裂缝。
c. 铺设砂浆:在基层上均匀铺设砂浆,厚度控制在3-5mm之间,确保砂浆的均匀性和粘结力。
d. 铺贴瓷砖:将瓷砖从一侧开始按照设计要求铺贴,注意砖与砖之间的间距和砖与墙之间的间距,使用橡皮锤轻轻敲击瓷砖,确保瓷砖与砂浆之间的紧密粘结。
e. 砖缝处理:瓷砖铺贴完成后,及时清理砖缝中的多余砂浆,使用专用砖缝剂填充砖缝,确保砖缝的美观和防水性。
f. 施工检查:每铺贴一定面积的瓷砖后,及时进行施工检查,确保瓷砖的平整度和质量。
三、施工注意事项1. 瓷砖铺贴前,需根据设计要求和实际情况进行瓷砖的规格和颜色选择,确保与整体装修风格一致。
2. 瓷砖铺贴前,需要对基层进行检查,确保基层的平整度和牢固度,如有问题需要及时修复。
3. 瓷砖铺贴时,要注意砖与砖之间的间距和砖与墙之间的间距,保持一致性和美观度。
4. 铺贴瓷砖时,要使用橡皮锤轻轻敲击瓷砖,确保瓷砖与砂浆之间的紧密粘结,避免空鼓现象。
5. 铺贴瓷砖后,要及时清理砖缝中的多余砂浆,使用专用砖缝剂填充砖缝,确保砖缝的美观和防水性。
6. 施工过程中,要及时进行施工检查,确保瓷砖的平整度和质量,如有问题需要及时调整和修复。
四、质量验收标准1. 瓷砖铺贴后,应检查瓷砖的平整度和质量,如有砖与砖之间的高差超过规定范围,需进行调整和修复。
地砖施工技术交底一、施工准备(一)作业条件1、墙上四周弹好500水平控制线。
2、室内墙面润湿作业已经做完。
3、穿楼地面的管洞已经堵严塞实。
4、板块应预先用水浸湿,并码放好,铺时达到表面无明水。
5、复杂的地面施工前,应绘制施工大样图,并做出样板间,经检查合格后,方可大面积施工。
(二)材料要求1、水泥:32.5级以上普通硅酸盐水泥或矿渣硅酸盐水泥。
2、砂:粗砂或中砂,含泥量不大于3%,过8mm孔径的筛子。
3、面砖:进场验收合格后,在施工前应进行挑选,将有质量缺陷的先剔除,然后将面砖挑选后分别码放在垫木上。
色号不同的严禁混用。
(三)施工机具小水桶、半截桶、笤帚、方尺、平锹、铁抹子、大杠、筛子、窄手推车、钢丝刷、喷壶、橡皮锤、小线、云石机、水平尺等。
二、质量要求质量要求符合《建筑地面工程施工质量验收规范》(GB50209-2002)的规定。
三、工艺流程基层处理→找标高、弹线→铺找平层→弹铺砖控制线→铺砖→勾缝、擦缝→养护→踢脚板安装四、操作工艺(一)基层处理、定标高1、将基层表面的浮土或砂浆铲掉,清扫干净,有油污时,应用10%火碱水刷净,并用清水冲洗干净。
2、根据500水平控制线和设计图纸找出板面标高。
(二)弹控制线1、先根据排砖图确定铺砌的缝隙宽度。
2、根据排砖图及缝宽在地面上弹纵、横控制线。
注意该十字线与墙面抹灰时控制房间方正的十字线是否对应平行,同时注意开间方向的控制线是否与走廊的纵向控制线平行,不平行时应调整至平行。
以避免在门口位置的分色砖出现大小头。
注:排砖原则:①开间方向要对称(垂直门口方向分中);②破活尽量排在远离门口及隐蔽处,如:暖气罩下面;③为了排整砖,可以用分色砖调整;④与走廊的砖缝尽量对上,对不上时可以在门口处用分色砖分隔;⑤根据排砖原则画出排砖图,有地漏的房间应注意坡度、坡向。
(三)铺砖为了找好位置和标离,应从门口开始,纵向先铺2~3行砖,以此为标筋拉纵横水平标高线,铺时应从里面向外退着操作,人不得踏在刚铺好的砖面上,每块砖应跟线,操作程序是:1、铺砌前将砖板块放入半截水桶中浸水润湿,晾干后表面无明水时,方可使用。
地砖施工技术交底
施工准备
(一)作业条件
1、墙上四周弹好500水平控制线。
2、室内墙面润湿作业已经做完。
3、穿楼地面的管洞已经堵严塞实。
4 、板块应预先用水浸湿,并码放好,铺时达到表面无明水。
5、复杂的地面施工前,应绘制施工大样图,并做出样板间,经检查合格后,方可大面积施工。
(二)材料要求
1、水泥:32.5级以上普通硅酸盐水泥或矿渣硅酸盐水泥。
2、砂:粗砂或中砂,含泥量不大于3%过8mmfL径的筛子。
3、面砖:进场验收合格后,在施工前应进行挑选,将有质量缺陷的先剔除,然后将面砖挑选后
分别码放在垫木上。
色号不同的严禁混用。
(三)施工机具
小水桶、半截桶、笤帚、方尺、平锹、铁抹子、大杠、筛子、窄手推车、钢丝刷、喷壶、橡皮锤、小线、云石机、水平尺等。
质量要求
三、工艺流程
基层处理T找标高、弹线T铺找平层T弹铺砖控制线T铺砖T勾缝、擦缝T养护T踢脚
板安装
四、操作工艺
(一)基层处理、定标高
1、将基层表面的浮土或砂浆铲掉,清扫干净,有油污时,应用10湫碱水刷净,
并用清水冲洗干净。
2、根据500水平控制线和设计图纸找出板面标高。
(二)弹控制线
1、先根据排砖图确定铺砌的缝隙宽度。
2、根据排砖图及缝宽在地面上弹纵、横控制线。
注意该十字线与墙面抹灰时控制房间方正的十字
线是否对应平行,同时注意开间方向的控制线是否与走廊的纵向控制线平行,不平行时应调整至平行。
以避免在门口位置的分色砖出现大小头。
注:排砖原则:
①开间方向要对称(垂直门口方向分中);
②破活尽量排在远离门口及隐蔽处,如:暖气罩下面;
③为了排整砖,可以用分色砖调整;
④与走廊的砖缝尽量对上,对不上时可以在门口处用分色砖分隔;
⑤根据排砖原则画出排砖图,有地漏的房间应注意坡度、坡向。
(三)铺砖
为了找好位置和标离,应从门口开始,纵向先铺2〜3行砖,以此为标筋拉纵横水
平标高线,铺时应从里面向外退着操作,人不得踏在刚铺好的砖面上,每块砖应跟线,操作程序是:
1、铺砌前将砖板块放入半截水桶中浸水润湿,晾干后表面无明水时,方可使用。
2、找平层上洒水润湿,均匀涂刷素水泥浆(水灰比为0.4〜0.5 )涂刷面积不要过
大,铺多少刷多少;
3、结合层的厚度:一般采用水泥砂浆结合层,厚度为10〜25mm铺设厚度以放上
面砖时高出面层标高线3〜4mm为宜,铺好后用大杠尺刮平,再用抹子拍实找平
(铺设面积不得过大)。
4、结合层拌和:干硬性砂浆,配合比为1:3 (体积比),应随拌随用,初凝前用
完,防止影响粘结质量。
干硬性程度以手捏成团,落地即散为宜。
5、铺贴时,砖的背面朝上抹粘结砂浆,铺砌到已刷好的水泥浆:找平层上,砖上楞略高出水平标
高线,找正、找直、找方后,砖上面垫木板,用橡皮锤拍实,顺序从内退着往外铺贴,做到面砖砂浆饱满、相接紧密、结实,与地漏相接处,用云石机将砖加工与地漏相吻合。
铺地砖时最好一次铺一间,大面积施工时,应采取分段、分部位铺贴。
6、拨缝、修整:铺完2〜3行,应随时拉线检查缝格的平直度,如超出规定应立即修整,将缝拨
直,并用橡皮锤拍实。
此项工作应在结合层凝结之前完成。
(四)勾缝、擦缝
面层铺贴应在24h后进行勾缝、擦缝的工作,并应采用同一品种、同强度等级、同颜色的水泥,或用专门的嵌缝材料。
1、勾缝:用I : l水泥细砂浆勾缝,缝内深度宜为砖厚的1/3 ,要求缝内砂浆密实、平整、光滑。
随勾随将剩余水泥砂浆清走、擦净。
2、擦缝:如设计要求缝隙很小时,则要求接缝平直,在铺实修好的面层上用浆壶往缝内浇水泥
浆,然后用干水泥撒在缝上,再用棉纱团擦揉,将缝隙擦满。
最后将面层上的水泥浆擦干净。
(五)养护
铺完砖24h后,洒水养护,时间不应少于2d。
(六)镶贴踢脚板
踢脚板用砖,一般采用与地面块材同品种、同规格、不同颜色的材料,踢脚板的缝
与地面缝形成骑马缝,铺设时应在房间的两端头阴角处各镶贴一块砖,出墙厚度和高度
应符合设计要求,以此砖上楞为标准挂线,开始铺贴,砖背面朝上抹粘结砂浆(配合比1:2水泥砂浆),使砂浆粘满整块砖为宜,及时粘贴在墙上,砖上楞要跟线并立即拍实,随之将挤出的砂浆刮撑,将面层清洗干净(在粘贴前,砖块要浸水晒干,墙面刷水润湿)
五、成品保护
1、在铺贴板块操作过程中,对以安装好的门框、管道都要加以保护,如门框钉装保护铁皮,运灰车
采用窄车等。
2、切割地砖时,不得在刚铺贴好的砖面层上操作。
3、刚铺贴的砂浆抗压强度达 1.2MPa时,方可上人进行操作,但必须注意油漆、砂浆不得存放
在板块上,铁管等硬器不得碰坏砖面层。
喷浆时要对面层进行覆盖保护。
六、应注意的质量问题
1、板块空鼓:基层清理不净、洒水湿润不均、砖未浸水、水泥浆结合层刷的面积过大、风干后起隔
离作用、上人过早影响粘结层强度等因素都是导致空鼓的原因。
2、踢脚板空鼓原因,除与地面相同外,还因为踢脚板背面粘结砂浆挤不到边角,造成边角空鼓。
3、踢脚板出墙厚度不一致:由于墙体抹灰垂直度、平整度超出允许偏差,踢脚板镶贴时按水平线控
制,所以出墙厚度不一致。
因此在镶贴前,先检查墙面平整度,进行处理后再进行镶贴。
4、板块表面不洁净:主要是做完面层之后,成品保护不够,在地砖上拌合砂浆、刷浆时不覆盖等,
都造成层面被污染。
5、有地漏的房间倒坡:做找平层砂浆时,没有按设计要求的泛水坡度进行弹线找坡。
因此必须在找
标高、弹线时找好坡度,抹灰饼和标筋时,抹出泛水。
6、地面铺贴不平,出现高低差:对地砖未进行预先选挑,砖的厚度不一致造成高低
差,或铺贴时未严格按水平标高线进行控制。
7、地面标高错误:原因是防水层过厚或结合层过厚。
交底人: 接受人:。