同轴度量规的设计及误差分析
- 格式:doc
- 大小:45.00 KB
- 文档页数:2
轴孔类零件同轴度的检测与误差分析摘要:同轴度的检测直接影响着相关工业产品的质量和互换性。
本文针对轴孔类零件,主要探讨了其同轴度误差的检测方法,给出了检测的改进方法,并分析了引起测量误差的主要原因,为检测人员的检测操作提供指导。
关键词:轴孔类零件;同轴度;检测;误差分析引言现代工业大批量和高效率的生产对产品质量以及互换性要求越来越高。
轴孔类零件作为工业产品中最为常见的一类,其形位公差检测的主要内容就是同轴度的检测,在已有检测方法的基础上加以改进,保证测量结果的真实和准确性,才能反应产品的真实状态从而保证产品的质量。
1.相关概念(1)同轴度:控制轴孔类零件的被测轴线相对于基准轴线的同轴度误差大小。
(2)同轴度误差:被测轴线位置相对于基准轴线位置的变化量。
如图1.1所示,φd就是同轴度误差。
图1.1 同轴度误差(3)同轴度公差:控制理论上本应该同轴的被测轴线与基准轴线的不同轴程度。
如图1.2所示,φf就是同轴度公差。
图1.2 同轴度公差2.同轴度误差的检测依照形位误差的界定,运用一定精度的测量仪和合适的测试方法来测量零件实际要素,从而获取数据的过程就是同轴度的检测。
轴孔类零件在实际生产中具有不同的结构形式,同轴度的要求在不同的使用场合也各有不同,所以相应的同轴度误差的检测方法也就不同。
2.1 轴类零件的同轴度误差检测对于轴类零件,测量时调整基准轴线和仪器的旋转轴线同轴,使仪器的旋转轴成为参考基准,这时测量所得被测轴线相对于参考基准的误差值就是该轴类零件的同轴度。
轴类零件同轴度的检测方法通常有:三坐标测量机测量法、圆度仪测量法、打表法(对径差法)测量。
下面主要介绍对径差法测量。
如图2.1所示装置,在测量以公共轴线为基准的同轴度误差时,平板面作为测量基准,由V形块模拟体现公共基准轴线。
首先放置被测零件要素的中截面在两个同等高度的V形块上,安装指示表,保证两个指示表和被测轮廓要素轴线铅垂界面内的上下母线分别接触,一端调零后平行于基准线在平板上拉动测量架,使测量架从被测元素轮廓一端测到另一端,同时记录记录表读数M a和M b,那么这两个截面上的同轴度误差就是两记录表数值差值的绝对值f=|M a-M b|,即,再转动被测零件,按上述方法测量若干对截面上的同轴度误差值,选取其中最大的值作为最终该被测零件的同轴度误差。
同轴度量规的设计及误差分析位置量规是检验零件关联被测要素的实际轮廓是否超越规定边界(最大实体边界或实效边界)的量规。
边界的方向由基准确定,位置由基准的理论正确尺寸确定。
同轴度量规是实际生产中广泛使用的一种位置量规,具有设计加工简单,使用方便,成本低廉等优点,下面对同轴度量规的设计方法及所产生的误差作简单的阐述与分析。
一、同轴度量规的设计:GB8069-87《位置量规》国家标准适用于按GB1182~1184-80《形状和位置公差》,GB4249-84《公差原则》所规定的被测要素遵守相关原则(最大实体原则、包容原则)的平行度、垂直度,倾斜度、同轴度、对称度和位置度的量规。
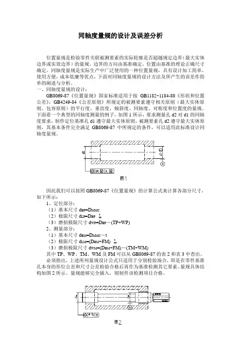
下面看一个典型的同轴度测量的例子,如图1所示,要求测量孔d2对d1的同轴度要求,制件定位基准孔d1遵守最大实体原则,被测要素孔d2遵守最大实体原则,其基本条件完全满足GB8069-87中所规定的条件,可以适用此标准设计同轴度量规。
因此我们可以按照GB8069-87《位置量规》的计算公式来计算各部分尺寸,如下所示:1、定位部分:(1)基本尺寸d BP=D MMC(2)极限尺寸d LP=D BP0-TP(3)磨损极限尺寸d WP=D BP-(TP+WP)2、测量部分:(1)基本尺寸d BM=D MMC-t(2)极限尺寸d LM=(D BM+FM) 0-TP(3)磨损极限尺寸d WM=(D BM+FM)-(TM+WM)其中TP、WP、TM、WM及FM可以从GB8069-87的表2和表3中查出。
必须指出,上述所列量规设计公式只适用于分别检验场合,即是在零件基准孔本身的形位公差和尺寸公差检验合格后再作为基准检测其它要素。
量规具体结构如图2所示。
量规能够完全插入,则制件该检测项目合格。
二、同轴度量规测量的误差分析:1、误差原因分析:此时我们所计算的量规定位部分尺寸为制件定位孔的最大实体尺体尺寸,理论上我们所模拟的中心线与定位孔的中心线重合,只要被测孔的中心线在绕模拟(理论)中心线半径小于等于t/2的圆柱范围内变化都是合格的,如图3所示。
A. 同轴度测量误差分析从同轴度的定义分析不难看出, 影响同轴度的主要因素有被测元素与基准元素的圆心位置和轴线方向, 特别是轴线方向。
例如我们在基准圆柱上测量两个截面圆, 其连线作基准轴。
如图2 所示。
在被测圆柱上也测量两个截面圆, 构造一条直线, 然后计算同轴度。
假设基准上两个截面圆的距离为10mm , 基准第一截面圆与被测圆柱上第一个截面圆之间的距离为100mm , 如果基准圆柱第二截面圆的圆心位置有5μm 的测量误差, 这样, 测量轴线到达被测圆柱第一个截面圆时已偏离50μm , 此时, 即使被测轴线与基准完全同轴, 其计算结果也会有100μm 的误差。
很显然, 这种测量误差是人为的, 造成误差的原因是基准轴本身出现的偏离。
B. 处理方法这种测量误差是人为的, 造成误差的原因是基准轴本身出现了偏离。
为此, 我们采用以下方法来减小或避免测量误差, 实践证明这些方法是行之有效的。
1. 改测同轴度为测直线度当被检工件较短时, 可以改测同轴度为测直线度。
因为这种情况下轴的倾斜对装配影响较小, 而轴心偏移对装配影响较小, 轴心偏移的测量实际就是测量轴心连线的直线度。
具体方法是: 分别在两个小圆柱上测几个截面圆, 然后选择这几个圆, 利用这几个圆圆心建立一条直线, 在计算这条直线的直线度。
可用该零件直线度公差值当作同轴度的公差值, 来判断零件是否合格。
这种方法工作截面越短, 效果越好。
2. 尽量增加基准截面间的距离当被检工件基准轴(孔) 相对较长时, 在测量基准元素时, 尽量加大第一截面和第二截面的距离,误差干扰比例将成正比减小。
因此, 测量时要有意识地拉开截面间的距离, 由此减小由于基准轴线偏离引起的测量误差, 若基准足够长, 同时基准与被检截面较近, 人为误差就自然消失了。
3. 建立公共轴线当基准圆柱与被测圆柱较短且距离较远时, 可以采取建立公共轴线的方法。
在基准圆柱和被测圆柱上测中截面, 其中截面连线作为公共轴线,然后分别计算基准圆柱和被测圆柱对公共轴线的同轴度, 取其最大值作为该零件的同轴度误差。
量规设计方案一:同轴度检测量规设计一、大孔:0.010.00520mm +-Φ由表3-20查出T 与Z 的值,确定工作量规的公差:塞规的尺寸公差:0.002T mm =0.0024Z mm =塞规的尺寸公差:0.0012T mm = 计算塞规的极限偏差和工作尺寸:上偏差=EI+Z+T/2=-0.005+0.0024+0.001=-0.0016下偏差=EI+Z- T/2=-0.005+0.0024-0.001=-0.0036工作尺寸=0.001600.00360.0022019.9984mm mm ---Φ=Φ二、小孔0.022010mm +Φ弹性管小支撑孔的孔径加工到()0.0090106H mm +Φ衬套的外圆直径加工到的尺寸为:0.0280.01910(6)r mm ++Φ衬套如图所示如果衬套的孔径加工到0.02206mm +Φ由表3-20查出T 与Z 的值,确定工作量规的公差:塞规的尺寸公差:0.002T mm =0.0028Z mm =塞规的尺寸公差:0.0012T mm = 计算塞规的极限偏差和工作尺寸:上偏差=EI+Z+T/2=0+0.0028+0.001=0.0038下偏差=EI+Z- T/2=0+0.0028-0.001=0.0018工作尺寸=0.00380.0020.001806 6.0018mm mm +++Φ=Φ 然而要检测弹性管的两支撑孔的同轴度,所以衬套的孔径应该加到的尺寸为: ()0.0220.0220060.0150.0050.0020.002 6.024mm mm ++Φ++++=方案二:一、同轴度检测量规设计(1)大孔端的工作部分为()0.0020.00200200.00519.995mm mm ++Φ-=Φ 最大实体实效尺寸(包容原则)(2)小孔端的工作部分:同轴度检查量规穿过小孔工作部分的尺寸为:0.00206mm +Φ衬套的孔径应该加到的尺寸为:()0.0220.0220060.0150.0050.0020.002 6.024mm mm++Φ++++= 弹性管小支撑孔的孔径加工到()0.0090106H mm +Φ衬套的外圆直径加工到的尺寸为:0.0280.01910(6)r mm ++Φ弹性管大支撑孔的孔径加工到工件要求尺寸0.010.00520mm +-Φ注:我认为方案一合适,方案二不合适,原因是:方案二只适用于要求遵守包容要求的轴和孔。
同轴度测量量规概述说明以及解释1. 引言1.1 概述同轴度是工程中常用的一种测量指标,它反映了一个物体或装配件内部各元素之间的相对位置关系。
同轴度测量量规是一种常见的用于检测和评估同轴度的工具,具有重要的应用价值。
本文旨在介绍同轴度测量量规的概念、结构以及使用方法。
文章将从准备工作到实际操作,详细阐述使用同轴度测量量规进行测量的步骤和注意事项。
最后,我们将总结研究结果,并对未来发展方向进行预判。
1.2 文章结构本文共分为五个主要部分,具体内容如下:第一部分为引言,在这部分我们会就文章整体内容进行概述说明,并介绍文章各章节的结构。
第二部分是同轴度测量量规概述,包括同轴度的定义、在工程中的重要性以及同轴度测量的基本原理。
第三部分涵盖了同轴度测量量规的结构和组成部分,重点介绍了量规的定义和作用、同轴度测量量规的构造特点以及常见类型及其特点。
第四部分详细阐述了使用同轴度测量量规进行测量的步骤和注意事项,其中包括测量前的准备工作、具体的操作步骤以及在测量过程中需要注意的问题和解决方法。
最后一部分是结论与展望,我们将总结主要研究结果,并对存在的问题进行讨论。
同时,也会对未来同轴度测量领域的发展方向进行预判。
1.3 目的本文旨在深入介绍同轴度测量量规的相关知识,并提供详细而清晰的操作指导。
通过阅读本文,读者将能够了解同轴度概念、量规结构和组成部分,并能够正确并准确地使用同轴度测量量规进行实际测量。
此外,我们也希望通过探讨存在问题和未来发展方向,促进同轴度测量领域的进一步研究和应用。
2. 同轴度测量量规概述:2.1 同轴度的定义:同轴度是用来描述物体内部或不同部分之间对于共同中心轴线的一种测量指标。
在工程中,同轴度通常用来衡量装配件或工件内部孔、套的精确程度和匹配性。
2.2 同轴度在工程中的重要性:同轴度是决定零部件装配质量和性能的重要因素之一。
在各个领域,如汽车制造、航空航天等,同轴度都扮演着至关重要的角色。
同轴度量规的设计及误差分析同轴度量规的设计包括结构设计和制造工艺设计两个方面。
结构设计主要包括外形结构、测量系统和显示系统的设计。
外形结构设计应考虑便于握持和使用,尺寸合适。
测量系统设计需要选择合适的传感器或转换装置,用以将被测量的物理量转换为电信号。
显示系统设计要求可以清晰、准确地显示测量结果。
制造工艺设计则需要考虑材料的选择、加工工艺、装配工艺等,以确保测量规的精度和使用寿命。
首先是示值误差,指的是同轴度量规的测量结果与真实值之间的偏差。
示值误差可由两部分组成,即固有误差和随机误差。
固有误差是由于材料的不均匀性、加工误差等因素引起的,在制造过程中可以通过调整设计、优化加工工艺等方式来减小。
随机误差是由于测量条件、人为因素等原因引起的,其大小和分布不规律,可以通过多次测量取平均值的方法来减小。
其次是线性度误差,指的是同轴度量规在整个测量范围内输出值与被测量物理量真实值之间的偏差。
线性度误差可由两部分组成,即零点误差和满度误差。
零点误差是指在零位测量时的偏差,可以通过调整测量系统来校正。
满度误差是指在满度测量时的偏差,可以通过增加校正装置或调整显示系统来校正。
最后是重复性误差,指的是同轴度量规在多次测量同一物理量时,重复测量结果之间的差异。
重复性误差可能由于测量系统的稳定性、操作人员的技术水平等原因引起。
通过对同一物理量进行多次测量,并取平均值来减小重复性误差。
为了减小同轴度量规的误差,可以采取以下方法:1.优化设计,采用高精度的测量系统和显示系统,使得同轴度量规的示值误差尽可能小。
2.优化制造工艺,确保同轴度量规的结构精度和尺寸精度,减小固有误差。
3.加强质量控制,对同轴度量规进行严格的质量检测和校准,确保其满足要求的精度指标。
4.提高操作技术,减小测量过程中的人为误差,提高测量结果的准确性。
5.定期进行校准和维修,保持同轴度量规的精度和稳定性。
综上所述,同轴度量规是一种常用的测量工具,其设计和制造需要考虑外形结构、测量系统和显示系统等方面。
同轴度检测量规设计计算同轴度是指两个或多个圆柱体的轴线在同一平面内,且平行度较高,不同轴线之间存在一定的偏差时,用于检测和测量的方法。
同轴度的测量通常使用同轴度检测量规。
本文将介绍同轴度检测量规的设计和计算。
1. 测量精度:同轴度检测量规的设计要求具有较高的测量精度,一般要求在0.01mm以内。
2.结构形式:同轴度检测量规的结构形式有很多种,常见的有双柱式、V型底座式、磁吸底座式等。
结构形式的选择要考虑测量对象的形状和尺寸。
3.传感器选择:同轴度检测量规的传感器一般选择接触式传感器,如测量规、万能角尺等。
传感器的选择要考虑测量对象的材料和形状。
1.量规长度计算:量规的长度应大于测量对象的标定长度,通常按照测量对象长度的1.5倍进行设计。
量规长度的计算公式为:量规长度=测量对象长度*1.52.传感器长度计算:传感器的长度取决于测量对象的形状和尺寸。
一般来说,传感器的长度要大于测量对象的直径或外轮廓尺寸。
传感器长度的计算公式为:传感器长度=测量对象直径+测量容差。
3.传感器位置确定:传感器在量规中的位置应使测量对象的轴线与传感器的轴线尽量一致,在同一平面内平行。
传感器的位置可以通过调整底座的高度和角度来实现。
4.底座设计:底座的设计要考虑几个方面,首先是底座的稳定性,要选择稳定性好、刚性高的材料,如铸铁、铝合金等。
其次是底座的固定方式,可以选择螺栓、磁吸等方式进行固定。
5.量程选择:量程是指量规能够测量的最大偏差量。
量程的选择要根据测量对象的偏差范围来确定,一般要留有一定余量。
以上是同轴度检测量规的设计和计算的基本原则和方法。
在具体设计时,还需要考虑测量对象的材料、形状、尺寸等因素,确保设计出符合要求的同轴度检测量规。
同时,在使用时,还需要注意量规的校准和维护,以保证测量结果的准确性和稳定性。
坐标测量机同轴度测量问题分析前言坐标测量机是采用坐标测量原理测量同轴度的,这样的方法能够严格按照定义计算评定同轴度的具体结果.然而在机械加工过程中往往采用打表的办法测量同轴度,由于实际所选用基准的差异,就会造成两种方法所得结果的差异,尤其当基准要素的长度相对被测要素离开基准要素的轴向距离较短时两种结果可能大相径庭.许多坐标测量机操作人员经常为此所困扰,本文从实用的角度出发,对坐标测量机测量同轴度的方法进行分析探讨.一、同轴度的公差带与误差值的计算1. 定义:同轴度公差带是直径为公差值且与基准轴线同轴的圆柱面内的区域.2. 误差值的计算根据同轴度及其公差带的定义,同轴度误差的计算是非常简单的,即被测轴线到基准轴线(包含其延长线)的最大距离(空间距离)值的两倍.二、造成问题的原因由于同轴度的定义和计算都非常简单,所以坐标测量软件均不会出现计算评定方法上的错误,之所以在许多实际情况下会与打表测量的结果或人们的直觉出入很大,绝大多数都是由于基准的选择不同造成的.坐标测量软件会严格的依据操作者所选定的基准进行评定,只要基准不出问题,结果也不会出现问题;而打表时实际起基准作用的究竟是那个要素,对许多操作者来说往往是没有清晰概念的.例如在图一中,要求的基准应该是左侧直径为30mm,长度为40mm的一段圆柱轴线即A,打表时应根据这一段圆柱将工件找正(为避免母线直线度误差的影响,最好用在两端打跳动的办法找正),但实际情况是许多操作者会选择在整个工件上左端A和右端B打表的办法进行找正,从而使得实际的基准变成了A-B .图二显示被测轴线的偏离量一定时,选用两种不同基准计算结果的差异.当基准选为A即直径为30mm,长度为40mm的一段圆柱轴线时,右端直径为36m,长度为40mm的一段圆柱轴线的最大偏离量若为5,同轴度为10;当基准选为A-B即左右两端轴的共同轴线时, 右端直径为36m,长度为40mm的一段圆柱轴线的最大偏离量为1.67,同轴度为3.34.在图三所示的情形中,基准选用的差异造成的同轴度评定结果差异更大:左右两端圆柱的轴线不但有偏离,而且不平行.当基准选为A即直径为30mm,长度为40mm的一段圆柱轴线时,右端一段圆柱轴线的最大偏离量若为7,同轴度为14;当基准选为A-B即左右两端轴的共同轴线时, 右端圆柱轴线的最大偏离量为0.33,同轴度为0.66.由以上二例可见基准选择对同轴度计算的影响之大.三、问题的解决既然问题主要是由于基准地选择导致的,那么问题的解决也应由合理选择基准要素着手.机械零件在其形成的过程中一般会有四种性质不同的基准:设计基准、使用基准、加工基准、测量基准.测量师一般会选用设计基准作为测量基准,但是在某些特殊情况下可能需要选用其他的基准,例如设计基准仅存在于设计图纸上,零件上无法找到,或者设计基准要求不合理.就需要选用使用基准或加工基准作为测量基准.为保证零件功能地实现,一般应优先选用使用基准.如图四,当Ф16的轴孔为有一定配合长度的过盈配合而且轴肩处没有约束时, 轴或孔能起到定向及定位作用,充当了实际基准;而当轴孔配合长度短或配合性质为间隙配合时, 轴或孔起不到定向作用,也不能充当实际基准.在此情况下,如果轴肩处有约束(即有配合要求)则轴肩实际起到定向作用;如果轴肩处没有约束,则可能是实际配合的两处轴孔(Ф16和Ф12)共同起到定向及定位作用,成为实际上的基准.(如图五)综上所述,使用基准需要根据零部件的结构特点及相互之间的配合关系综合分析确定,在有些情况下设计图纸上相互关联的尺寸配合及位置公差要求可能会自相矛盾,这时需要与相关人员进行沟通解决.图六是一个实际图纸上出现的不合理的同轴度要求的例子:凭直觉看,右端圆孔的同轴度公差为0.1mm,无论是加工还是测量都不会存在什么难度,但分析的结果却与直觉全然不同.左端作为基准的圆柱长度只有3mm,用坐标测量机测量时若测针球径为1.5mm,球顶到工件侧面留0.1mm的间隙,左端面留0.15mm的缩进量,则有效的可测量长度也只能到2mm.此圆柱测量时若第二截面中心相对于第一截面中心的位置测量误差为1μm,则由这两个测得的截面中心计算出的圆柱轴线延伸到零件最右端时距真实的圆柱轴线就有583/2=291.5μm的偏离(如图七所示),这意味着右端圆柱轴线的同轴度误差为583μm即0.583mm.对大多数坐标测量机而言1μm的位置测量误差并不为过,然而由此造成同轴度测量评定的误差却是不可接受的.即使时当今世界最高精度的坐标测量机其标称的精度也不过是0.5μm,我们假定其测量这样两个圆截面时相对的位置误差为0.3μm,那么仍将造成0.1749mm的误差.显然,不是坐标测量机都出了问题,而只能是设计要求本身出了问题.事实上,无论该零件在装配时怎样与其他零件连接,左端3mm长的外圆柱都不可能起到为整个零件定向的作用.如果是通过左端的靠肩面连接,则应以此面为第一基准(限制基准的方向)以A为第二基准(限制基准的位置),对右端内孔的位置度进行控制; 如果左端的靠肩面不连接,则应以左端外圆和右端内孔的共同轴线为基准对右端内孔的同轴度进行控制.在这样的要求下,一般的坐标测量机对0.01-0.02mm的公差通常能应对有余;而高精度的坐标测量机则能满足0.003-0.005mm公差的测量需求.同轴度同轴度:[tóngzhóudù]properalignment同轴度:是定位公差,理论正确位置即为基准轴线.由于被测轴线对基准轴线的不同点可能在空间各个方向上出现,故其公差带为一以基准轴线为轴线的圆柱体,公差值为该圆柱体的直径,在公差值前总加注符号“φ”.同轴度公差:是用来控制理论上应同轴的被测轴线与基准轴线的不同轴程度。
三坐标测量机测量同轴度误差的方法探讨在我们的实际测量工作中,经常碰到要求测量两个轴线的同轴度问题,同轴度的测量,用三坐标测量机比较容易实现,也比较符合同轴度误差的定义。
根据国标的规定,同轴度的公差带定义为:被测圆柱的轴线必须位于以基准圆柱轴线为圆心、以公差值为直径的圆柱内。
被测轴线被以基准轴线为圆心的圆柱包容,其直径即为被测轴线的同轴度误差。
如图1所示,Φt即为被测同轴度的公差带。
Φt在图2中,基准为外圆柱A,为单侧轴线的例子,被测外圆柱的轴线对A的同轴度公差为 t,要求圆的轴线必须位于公差值为 t,且与基准轴线A同轴的圆柱面内。
Φt A1、三坐标测量同轴度误差的实现首先,建立坐标系。
任何零件的测量,均在一定的坐标系下进行,所以,首先确立零件的基准。
位置误差基准的建立应该符合最小条件,由此,评价的结果才会是最佳的。
对于同轴度,也是要先确立基准轴线。
基准的建立,应根据零件的技术要求,即图纸标注来确定。
一般基准是一个内孔轴线或者外圆柱轴线,也可以是阶梯轴。
以基准是一个内孔为例,建立坐标系时,通常是采集两个截面圆每个截面圆至少6个点,计算机自动生成一个圆柱轴线,然后作为坐标系的第一轴建立起来,圆点可以设在基准轴线上。
其次,测量被测元素。
同样的方法,采集被测元素的表面一系列的点,应注意,测量应该尽可能的在全长范围内均匀分布,当然,有些实际工件可能只能测量到局部,此时应该与相关方商讨测量方案,以求测量结果的认可。
测量完毕,最终生成一个轴线,最后,进行评价。
评价的方式,一般是由系统自动计算评价,也可以根据坐标系中被测元素与基准的关系手动计算完成,计算时要遵守国标的规定,应符合最小条件的要求。
我们注意到,在用三坐标测量时,测量结果有时会偏离理想值较大,特别是被测元素与基准元素相距很远,两者又比较短时,误差会很大,重复性也不好,此时结果令人怀疑。
比如图3所示。
Ll为基准,L2为被测元素,L为两端面的总长。
L远远大于Ll、L2,比如L=lOLl,在同样的测量点数下,重复性也不好,如果测量的点数不一样,此时的测量结果也会相差很大。
三坐标测量机检测机械加工零件同轴度误差分析摘要:三坐标测量机在同轴测量不规则加工零件方面具有前所未有的优势。
但是,在某些情况下也可能出现同轴测量误差,因此需要根据情况进行适当的控制,以确保同轴测量的精度概括三坐标测量机的工作方式,分析加工零件同轴测量中的测量误差,并提出相应的操作建议。
关键词:三坐标测量机;同轴度误差测量同轴是机械加工过程中的基本公差项目。
对于不同类型的机械零件,请使用不同的同轴检测方法。
例如用v形架、钢球加杠杆式等检测法向轴零件的同轴度;用芯轴加杠杆百分表法确定箱体孔的同轴度。
不规则轴类的同轴校验比较困难,因为三坐标测量机允许良好的检测。
与传统仪器相比,三坐标测量机不要求工件旋转,通过工件的样品,用探针取点采样快速确定同轴度。
使用三轴测头测量同轴度时,可能会出现同轴测量误差,原因是了解基线、轴测方法、轴测方法和测量点。
因此,必须正确控制误差以确保测量精度。
一、三坐标测量机概述同轴公差区域定义如下:测量的圆柱轴位于一个圆柱内,其公差值等于以圆柱轴为中心的直径。
测量轴由直径测量同轴误差的圆柱体组成。
请参见图1,φt是测量轴的同轴公差区域。
单侧同轴测量如图2所示,其中外圆柱轴A必须具有同轴公差t,圆轴必须具有公差值t,且与基准轴A同轴。
图1同轴度公差带示意图图2单侧轴线同轴度测量在简单讨论制造零件间同轴关系的概念之前,让我们分析一下用三轴测量仪测量同轴误差的方法。
主要的步骤是先建立一个坐标系。
机械零件的同轴测量应在指定的坐标系下进行。
因此,您必须首先生成零件数据,并且位置错误数据满足最低要求。
创建同轴轴基准轴后,根据零件的特殊要求创建基准。
参考通常是孔或外圆柱体的轴线。
该轴基于孔轴坐标系。
首先截取两个截面的圆上六个点,使用计算机软件创建圆柱轴作为坐标系的第一个轴,然后在基准轴上定义一个点。
接下来,测量测量元件。
在测量元件表面上,需要在测量元件表面上均匀分布一系列点。
如果采样点没有复盖组件的整个表面,只能测量局部位置,则必须设计一个满足实际情况的尺寸图。
同轴度量规的设计及误差分析
位置量规是检验零件关联被测要素的实际轮廓是否超越规定边界(最大实体边界或实效边界)的量规。
边界的方向由基准确定,位置由基准的理论正确尺寸确定。
同轴度量规是实际生产中广泛使用的一种位置量规,具有设计加工简单,使用方便,成本低廉等优点,下面对同轴度量规的设计方法及所产生的误差作简单的阐述与分析。
一、同轴度量规的设计:
GB8069-87《位置量规》国家标准适用于按GB1182~1184-80《形状和位置公差》,GB4249-84《公差原则》所规定的被测要素遵守相关原则(最大实体原则、包容原则)的平行度、垂直度,倾斜度、同轴度、对称度和位置度的量规。
下面看一个典型的同轴度测量的例子,如图1所示,要求测量孔d2对d1的同轴度要求,制件定位基准孔d1遵守最大实体原则,被测要素孔d2遵守最大实体原则,其基本条件完全满足GB8069-87中所规定的条件,可以适用此标准设计同轴度量规。
因此我们可以按照GB8069-87《位置量规》的计算公式来计算各部分尺寸,如下所示:
1、定位部分:
(1)基本尺寸d BP=D MMC
(2)极限尺寸d LP=D BP0
-TP
(3)磨损极限尺寸d WP=D BP-(TP+WP)
2、测量部分:
(1)基本尺寸d BM=D MMC-t
(2)极限尺寸d LM=(D BM+FM) 0
-TP
(3)磨损极限尺寸d WM=(D BM+FM)-(TM+WM)
其中TP、WP、TM、WM及FM可以从GB8069-87的表2和表3中查出。
必须指出,上述所列量规设计公式只适用于分别检验场合,即是在零件基准孔本身的形位公差和尺寸公差检验合格后再作为基准检测其它要素。
量规具体结构如图2所示。
量规能够完全插入,则制件该检测项目合格。
二、同轴度量规测量的误差分析:
1、误差原因分析:
此时我们所计算的量规定位部分尺寸为制件定位孔的最大实体尺体尺寸,理论上我们所模拟的中心线与定位孔的中心线重合,只要被测孔的中心线在绕模拟(理论)中心线半径小于等于t/2的圆柱范围内变化都是合格的,如图3所示。
但实际上由于定位孔自身的公差的存在,导致我们所模拟的中心线与其理论中心线有误差,如图4所示。
当定位孔实际尺寸不是公差范围内的最小尺寸时,用量规测量时量规中心会产生一定的偏移,与定位孔中心线产生一个夹角α,被测孔中心线与定位孔中心线也随之产生一个误差t’/2,不考虑其它因素的影响,被测孔中心线在绕理论中心线半径为t/2+ t’ /2cosα的圆柱范围内变化都有可能被检测为合格零件,由此产生了误判,会把一部分不合格产品判断为合格产品。
这种误差的产生原因就是量规的模拟中心线与定位孔实际中心线不重合,误差的大小与定位孔公差的大小、定位孔的长度、定位孔与测量孔的距离都有关系。
2、误差的消除:
针对同轴度量规误差产生的原因,可以采取以下措施消除误差(当然我们所说的消除并不能完全消除误差,只是尽可能的将误判率降低):
(1)设计产品时选择长度较长、精度较高的孔作为基准;
(2)如定位孔公差过大,可将量规分组,即将量规定位部分按制件孔的公差分成几种尺寸,使用前先测量制件定位孔的实际尺寸,然后选择配合较紧的量规进行测量;
(3)对于距离较大的两孔的同轴度的测量,可以采用测量两孔对公共轴线的同轴度的方法进行测量,两孔对公共轴线的同轴度要求能反映其装配要求,即使有一定的误判也能满足使用要求。
在实际生产中使用的同轴度量规结构有很多种形式,但理论上也不外乎轴线对轴线的同轴度、对公共轴线的同轴度两种,这里我们只是简单地阐述了轴线对轴线的同轴度量规的设计及误差分析,。