风、雨、雾、雪气象等级(天气分级)划分标准
- 格式:docx
- 大小:12.81 KB
- 文档页数:3
一、降水量标准:二、沙尘暴标准:沙尘暴:由于风将地面沙尘吹起,水平能见度小于1千米。
强沙尘暴水平能见度小于500米。
特强沙尘暴水平能见度小于50米。
扬沙:由于风将地面沙尘吹起,水平能见度大于1千米而小于10千米浮尘:水平能见度大于10千米。
全省≥3站一次全省的区域性沙尘暴风力等级表风力等级米/秒01-0.210.3-1.52 1.6-3.33 3.4-5.44 5.5-7.95 8.0-10.76 10.8-13.87 13.9-17.18 17.2-20.79 20.8-24.410 24.5-28.411 28.5-32.612 32.7-36.913 37.0-41.414 41.5-46.115 46.2-50.916 51.0-56.017 56.1-61.2三、霜冻:地面最低温度≤0°C。
发布时间:河东各地一年中,4月10日起至9月30日。
河西各地一年中,5月1日起至9月30日。
四、寒潮:24小时内最低气温将要下降8℃以上,最低气温小于等于5℃,48小时内最低气温将要下降10℃以上,最低气温小于等于5℃,五、高温:标准:河西最高气温将在34℃以上河东最高气温将在32℃以上连续三天日最高气温将在35℃以上,发警报六、大风:平均风力可达6级以上,或者阵风7级以上;七、冰雹:全省同一天内,5测站出现冰雹天气,为一次区域性冰雹天气。
八、雾:能出现能见度小于1000米的雾九、霾:发警报标准:12小时内可能出现能见度小于3000米的霾,或者已经出现能见度小于3000米的霾且可能持续。
(相对湿度《十、干热风:一般干热风出现时,日最高温度达30℃或以上,日平均相对湿度在30%或以下,偏东风力2级或以上。
1980年省局业务处制定的河西地区干热风标准为:6月11日至7月20日期间任意三天内达到①每天的日平均气温正距平≥1,0或三天的正距平和≥9.0-12.0。
②14时为偏东风或静风。
③三天的最高气温平均值≥30°C(酒泉≥32°C、敦煌≥34°C)。
气象等级划分标准气象等级划分标准:掌控天气的神秘密码嘿,你知道吗?在这广袤的天地之间,气象就像一个任性的孩子,时而阳光灿烂,笑得没心没肺;时而狂风暴雨,哭得稀里哗啦。
而我们人类呢,为了能更好地应对这个“调皮鬼”,就制定了气象等级划分标准,这可真是如同拥有了掌控天气的神秘密码!要是不搞清楚这些标准,你可能会在风雨中被淋成“落汤鸡”,还不知道为啥自己这么倒霉呢!**一、暴雨的“疯狂派对”:等级越高越“嗨”**在暴雨的世界里,等级越高,这场派对就越疯狂!“暴雨可不是闹着玩的,等级一提升,那就是‘水漫金山’的节奏啊!”暴雨等级的划分,主要根据降雨量来决定。
比如说,24 小时内降雨量在 50 - 99.9 毫米之间,那就是暴雨等级中的“小弟”;要是达到了 100 - 249.9 毫米,那可就是“大哥”级别了。
想象一下,50 毫米的降雨量就像是一群调皮的小雨滴在急匆匆地赶路,只是让地面有点湿漉漉;而 100 毫米以上的降雨量,那简直就是无数个“水炸弹”同时落下,道路瞬间变成河流。
就像前段时间某个城市,遭遇了大暴雨,好多车都在水里“泡澡”,这就是暴雨等级高带来的“疯狂”场面!**二、大风的“呼啸竞赛”:速度决定“名次”**“大风刮起来,那就是一场看不见终点的赛跑,速度决定一切!”大风的等级划分,主要看风速。
风速在 6 - 7 级的时候,那只是小风在轻轻吹口哨;但要是到了 8 - 9 级,这风就像个急性子,能把你的头发吹得乱七八糟;而10 级及以上的大风,那简直就是个“疯狂的怪兽”,能把大树连根拔起。
你想想,6 - 7 级的风,就像是温柔的小手轻轻抚摸你的脸;8 - 9 级的风,像是有人在使劲儿推你;10 级以上的风,那简直就是个大力士,要把你直接吹跑。
还记得那次台风来袭吗?狂风呼啸,好多广告牌都被吹倒了,这可都是大风等级高惹的祸!**三、高温的“桑拿挑战”:热度决定“难度”**“高温一来,整个世界就变成了一个大桑拿房,热度越高,挑战越大!”高温等级的划分,主要依据气温的高低。
气象灾害术语和分级气象灾害术语和分级是一个复杂的话题,涉及到许多不同类型的灾害和不同程度的预警。
以下是一些基本的气象灾害术语和预警分级:1. 暴雨:指降水强度较大的雨,会对地面造成较大影响。
预警信号分为蓝色、黄色、橙色和红色四级,分别对应一般、较重、严重和特别严重四个级别。
2. 暴雪:指大量降雪,对交通、农业和居民生活造成严重影响。
预警信号的级别和暴雨相同。
3. 寒潮:指北方冷空气南下,导致气温急剧下降、风力加大等恶劣天气现象。
预警信号分为蓝色、黄色和橙色三级。
4. 大风:指风力较大的天气现象,可能导致树木倒伏、设施损坏等。
预警信号分为蓝色、黄色和橙色三级。
5. 沙尘暴:指强风携带大量沙尘颗粒,对能见度和空气质量造成严重影响。
预警信号分为黄色和红色二级。
6. 高温:指温度较高的天气现象,可能导致中暑、火灾等。
预警信号分为黄色和红色二级。
7. 干旱:指长时间无雨或少雨,导致水源枯竭、农作物受损等。
预警信号分为黄色和红色二级。
8. 雷电:指天空中出现强烈的电闪雷鸣,对电力设施和人身安全造成威胁。
预警信号分为黄色和红色二级。
9. 冰雹:指降落的冰球,对农作物和设施造成严重损坏。
预警信号分为黄色和红色二级。
10. 霜冻:指地面温度降至冰点以下,对农作物造成损害。
预警信号分为蓝色、黄色和橙色三级。
11. 大雾:指空气中悬浮的水汽凝结成小水滴,导致能见度降低。
预警信号分为黄色和红色二级。
12. 霾:指空气中悬浮的污染物颗粒,导致空气质量变差。
预警信号分为黄色和红色二级。
13. 道路结冰:指路面结冰,对交通造成严重影响。
预警信号分为黄色和红色二级。
这些是气象灾害术语和分级的简要介绍,具体的预警分级可能因地区而异,需要根据当地气象部门发布的标准进行判断。
雨量预警等级划分标准
根据中国气象部门的规定,雨量预警等级划分标准如下:
1. 蓝色预警:表示降雨量轻微,可能对交通、农田等造成较小影响,但不会对人民生产生活造成重大影响。
降水量一般为短时小雨或毛毛雨,24小时雨量在10毫米以下。
2. 黄色预警:表示降雨量中等,可能对交通、农田等造成一定影响,对人民生产生活造成一般影响。
降水量为中雨、大雨或暴雨,24小时雨量在10毫米以上并小于50毫米。
3. 橙色预警:表示降雨量较大,可能对交通、农田等造成较大影响,对人民生产生活造成较大影响。
降水量为大雨、暴雨或大暴雨,24小时雨量在50毫米以上并小于100毫米。
4. 红色预警:表示降雨量极大,可能对交通、农田等造成严重影响,对人民生产生活造成重大影响。
降水量为特大暴雨或超大暴雨,24小时雨量在100毫米以上。
以上是一般情况下的雨量预警等级划分标准,不同地区的具体预警等级划分可能会有所区别。
当然,这只是雨量预警的一种划分标准,其他因素如降雨持续时间、强度等也会影响具体的预警等级划分。
具体预警等级的划分还需根据气象部门的具体发布进行参考。
天气状况分类标准
天气状况可以根据不同的因素进行分类,以下是一些常见的分类标准:
1. 气温:根据温度的高低,可以将天气状况分为寒冷、温暖、炎热等。
2. 降水:根据降水的种类和强度,可以将天气状况分为晴天、阴天、小雨、大雨、雷暴等。
3. 风力:根据风的强度,可以将天气状况分为无风、微风、强风、暴风等。
4. 湿度:根据空气中的湿度,可以将天气状况分为干燥、潮湿、多雾等。
5. 天气现象:根据出现的天气现象,可以将天气状况分为晴朗、多云、阴霾、雾霾、霜冻、冰雪等。
6. 气压:根据大气压强的高低,可以将天气状况分为高气压、低气压、气压稳定、气压波动等。
这些分类标准可以根据具体需要进行调整,不同地区和不同气象专业机构可能会有不同的分类方法。
气象灾害等级1. 引言气象灾害指的是由气象要素引发,并对人类、家畜、植物和人类建设等方面造成严重危害的自然灾害。
很多气象灾害都具有突发性、广泛性和破坏性,对社会经济发展和人民生命财产安全构成了重大威胁。
为了能够有效应对气象灾害,各国都制定了不同的气象灾害等级,以提醒公众和相关部门采取相应的防护和救援措施。
2. 气象灾害等级分类2.1 风暴等级风暴等级主要针对自然灾害中的飓风、台风、龙卷风等强风天气。
根据风速和破坏程度的不同,一般分为以下几个等级:•强风:指风速达到6级或以上,并能够造成损害;•热带风暴:指风速达到8级或以上,给沿海地区带来严重威胁;•强热带风暴:指风速达到10级或以上,会造成严重破坏和人员伤亡;•台风/飓风:指风速达到12级或以上,可能引发灾难性影响。
2.2 降雨等级降雨等级主要是对降雨过程中可能造成的洪涝、山洪等灾害进行评估和预警。
一般分为以下几个等级:•小雨:指小时雨强小于2.5毫米,对大部分地区的影响较小;•中雨:指小时雨强在2.5毫米至10毫米之间,可能引发局部地区的洪涝;•大雨:指小时雨强在10毫米至50毫米之间,可能引发较大范围的洪涝和山洪;•暴雨:指小时雨强在50毫米至100毫米之间,可能造成严重的洪涝和山洪;•大暴雨:指小时雨强在100毫米至250毫米之间,可能引发特大洪涝和山洪;•特大暴雨:指小时雨强超过250毫米,可能造成严重的水灾和人员伤亡。
2.3 高温等级高温等级主要是针对极端高温天气对人体健康和农作物产量的影响进行评估和警示。
一般分为以下几个等级:•高温:指日最高气温在35℃至37℃之间,对特定人群可能产生不适;•高温预警:指日最高气温在37℃至39℃之间,需要注意防暑;•高温警报:指日最高气温在39℃至41℃之间,对人体健康产生严重影响;•高温灾害:指日最高气温超过41℃,可能对人员和农作物造成灾害性损失。
2.4 寒潮等级寒潮等级主要针对极端低温天气对人体健康和农作物产量的影响进行评估和警示。
广西气象分级标准
广西的气象分级标准可能会受到中国气象局的标准和规定的影响。
广西的气象分级通常涉及到气象灾害风险的评估和预警。
以下是一般性的气象分级标准,但具体的标准和规定可能有所不同:
1.台风等级:
•台风分级通常按照风力等级,例如,中国气象局通常采用的是国际台风等级,分为1至17级,1级是最低级别,
17级是最高级别。
2.暴雨、大雾等级:
•对于暴雨和大雾等气象条件,通常根据小时雨量或能见度等指标进行分级。
具体标准可能涉及到不同级别的预警,
以及相应的应对和应急措施。
3.高温、低温等级:
•针对极端高温和低温天气,可能有相应的温度阈值,超过或低于这些阈值将触发不同级别的气象预警。
4.雷电等级:
•针对雷电活动,可能根据雷电频率和强度设定不同的等级,以便及时预警防范雷电灾害。
5.霜冻、雾霾等级:
•对于霜冻和雾霾等气象条件,可能根据气温、能见度等指标进行分级,并制定相应的预警标准。
具体的气象分级标准应当参考中国气象局和广西气象局的相关规
定和通告。
气象局通常会根据当地气象特点和实际情况定期更新和发布气象分级标准,以便更好地指导应对气象灾害和提供预警服务。
因此,为获取最新和准确的信息,建议直接查阅相关的气象局官方文件或网站。
气象中天气现象的等级划分在日常生活中,人们对雨、雾、风、雪等天气现象的等级划分可能不够明了,以下是部分常见天气现象的等级划分标准。
三、雾的等级划分标准,按水平能见度距离划分,为5个等级:1.平能见度距离在1~10公里之间的称为轻雾。
2.水平能见度距离低于1公里的称为雾。
3.水平能见度距离200~500米之间的称为大雾。
4.水平能见度距离50~200米之间的称为浓雾。
5.水平能见度不足50米的雾称为强浓雾。
四、雨量的等级划分:1.小雨:1天(或24h)降雨量小于10mm者。
2.中雨:1天(或24h)降雨量10~25mm者。
3.大雨:1天(或24h)降雨量25~50mm者。
4.暴雨:1天(或24h)降雨量50~100mm者。
5.大暴雨:1天(或24h)降雨量100~200mm者。
6.特大暴雨:1天(或24h)降雨量在200mm以上者。
五、雪的等级划分1.小雪:12小时内降雪量小于1.0mm(折合为融化后的雨水量,下同)或24小时内降雪量小于2.5mm的降雪过程。
2.中雪:12小时内降雪量1.0~3.0mm或24小时内降雪量2.5~5.0mm或积雪深度达3CM的降雪过程。
3.大雪:12小时内降雪量3.0~6.0mm或24小时内降雪量5.0~10.0mm或积雪深度达5CM的降雪过程。
4.暴雪:12小时内降雪量大于6.0mm或24小时内降雪量大于10.0mm或积雪深度达8CM的降雪过程。
5.大暴雪:12小时内降雪量大于12.0mm或24小时内降雪量大于20.0mm或积雪深度达16CM 的降雪过程。
6.特大暴雪:12小时内降雪量大于24.0mm或24小时内降雪量大于40.0mm或积雪深度达32CM 的降雪过程。
天气级别及防控措施天气是人类生活中重要的自然现象之一,它不仅对我们的生产生活产生着影响,还对人体健康和社会稳定产生重大影响。
为了更好地了解天气状况以及采取相应的防控措施,制定相应的应急预案和措施是至关重要的。
第一节:天气级别天气级别根据天气的严重程度分为不同的等级,以便于人们更好地了解和应对不同等级的天气情况。
常见的天气级别包括以下几种:1. 突发天气突发天气是指突然爆发的极端天气现象,如龙卷风、暴雨、雷暴、冰雹等。
突发天气具有剧烈性和短时性,往往对人们的生命财产安全造成较大威胁。
2. 强风天气强风天气是指风力达到或超过7级的天气现象,如台风、飓风、风暴等。
强风天气给人们的生活造成了不小的困扰,尤其是对于海上交通和建筑物结构等方面的影响较大。
3. 高温天气高温天气是指气温持续较长时间在较高水平的天气现象。
高温天气对人体健康和农业生产都有一定的不利影响,容易引发中暑和干旱等问题。
4. 低温天气低温天气是指气温持续较长时间在较低水平的天气现象。
低温天气对人们的生活、交通和农业生产都会带来一系列的困扰,如结冰、雪灾等。
第二节:防控措施针对不同的天气级别,采取相应的防控措施是必要的,可以帮助我们减少损失、保护生命财产安全,保持社会的稳定。
1. 突发天气的防控措施针对突发天气,我们需要加强预警系统的建设,及时发布准确的预警信息,提醒民众关注天气变化。
同时,加强基础设施建设,提高抵御灾害的能力。
在突发天气来临时,需要注意切勿外出,确保人身安全。
2. 强风天气的防控措施面对强风天气,我们需要加强对建筑物的检修和加固工作,确保其抵御大风的能力。
同时,需要提前做好风险评估,组织人员进行疏散或转移,以减少人员伤亡。
3. 高温天气的防控措施在高温天气来临前,我们需要加强宣传教育,普及防暑知识,引导民众做好防暑降温工作。
尤其是老年人、儿童和体弱者,需要特别关注他们的健康状况,确保其安全。
4. 低温天气的防控措施面对低温天气,我们需要加强供暖设备的维护和管理,确保供暖系统正常运行。
气象风险等级一二三四级划分标准篇一:嘿,朋友!你知道吗?气象风险等级那可是有一套清晰的划分标准呢,就像给天气这个调皮的孩子划分行为等级一样!一级气象风险,这就好比是天气的“小打小闹”。
可能只是偶尔飘来几朵云彩,洒下几滴小雨,风也只是轻轻地吹过,像是在跟你温柔地打招呼。
“这能算啥风险嘛?”你也许会这么想。
没错,它对我们的日常生活和工作影响微乎其微,大家该干啥干啥,几乎不用太在意。
二级气象风险呢,就有点像一个有点小脾气的孩子啦。
可能会来一场稍微大点的雨,或者风的劲儿也大了些。
这时候,如果你打算出门散步,可能就得犹豫一下,带上一把伞以防万一。
要是农民伯伯们,就得留意一下地里的庄稼,看看需不需要做些简单的防护措施。
你说是不是?三级气象风险呀,那可就是天气“闹脾气”啦!狂风大作,暴雨倾盆,甚至可能还会夹杂着雷电。
这时候,户外活动就得赶紧取消啦,路上的行人们也得加快脚步找个地方躲避。
就像一艘在大海中航行的小船,遇到了比较大的风浪,得小心应对才行。
你想想,要是你在路上走着,突然遇到这么恶劣的天气,得多心慌啊!四级气象风险,哎呀,那简直就是天气的“大爆发”!狂风暴雨、雷电交加不说,可能还会引发洪水、泥石流等灾害。
这就像是一场可怕的噩梦,让人胆战心惊!这时候,大家可都得严阵以待,相关部门得全力抢险救灾,保障大家的生命财产安全。
比如说,在遇到三级气象风险的时候,我们小区的物业就会在业主群里提醒大家关好门窗,注意安全。
我还记得有一次,风刮得呼呼响,邻居张大妈还在楼下着急地喊着:“赶紧回家啦,别在外头晃悠!”再比如四级气象风险的时候,电视里、手机上到处都是紧急通知和预警信息,救援队伍迅速行动,那场面紧张得让人揪心。
所以说呀,了解气象风险等级的划分标准真的太重要啦!它就像是我们生活中的天气预报小卫士,提前告诉我们可能会面临的情况,让我们能做好准备,保护好自己和家人。
你说是不是这个理儿?我的观点就是:咱们每个人都得重视气象风险等级,根据不同的等级做好相应的准备和应对措施,这样才能在天气这个“小怪兽”发威的时候,保护好自己,让生活少受影响,多些平安和快乐!篇二:哎呀,说起这气象风险等级的一二三四级划分标准,那可真是个关系到咱们生活方方面面的重要事儿!你想想,要是不知道这划分标准,突然来一场大暴雨或者狂风,咱们可能就会手忙脚乱,不知道该怎么应对啦。
从事防汛抗旱工作人员必备-----雨量、风力等各种气象等级划分一、雨量等级划分小雨:日(本日8时至次日8时)降雨量小于10毫米;中雨:日降雨量10~25毫米;大雨:日降雨量25~50毫米;暴雨:日降雨量50~100毫米;特大暴雨:日降雨量200毫米以上。
二、风力等级划分六级:风速10.8~13.8米/秒,每小时39~49公里,举伞困难,大树枝摇动,电线呼呼有声;七级:风速13.9~17.1米/秒,每小时50~61公里,全树摇动,迎风步行感到不便;八级:风速17.2~20.7米/秒,每小时62~74公里,树枝折断,人向前走阻力很大;九级:风速20.8~24.4米/秒,每小时75~88公里,吹倒草房,吹动屋瓦;十级:风速24.5~28.4米/秒,每小时89~102公里,可吹倒树林,破坏一般建筑物;十一级:风速28.5~32.6米/秒,每小时103~117公里,摧毁力大,吹倒大树,一般建筑物严重破坏。
十二级:风速大于32.6米/秒,每小时117公里以上,海浪滔天,摧毁力极大。
三、热带气旋等级划分热带气旋是大气中的一种巨大涡旋现象,中心为台风眼,常风平浪静,近中心周围由于强烈的上升气流,伴有狂风暴雨,是最恶劣的危险区域。
热带风暴:近中心附近风力在8~9级的热带气旋。
强热带风暴:近中心附近风力在10~11级的热带气旋。
台风:近中心附近风力在12级的热带气旋。
强台风:近中心附近风力在12级以上的热带气旋。
四、干旱等级划分干旱是因长期少雨而空气干燥、土壤缺水的气候现象。
小旱:连续无降雨天数,春季达16~30天、夏季16~25天、秋冬季31~50天;中旱:连续无降雨天数,春季达31~45天、夏季26~35天、秋冬季51~70天;大旱:连续无降雨天数,春季达46~60天、夏季36~45天、秋冬季71~90天;特大旱:连续无降雨天数,春季在61天以上、夏季在46天以上、秋冬季在91天以上。
五、洪水等级划分洪水是指特大的径流而言。
天气预警等级划分标准
天气预警等级划分标准
天气预警等级划分标准
天气预警等级划分标准是针对不同气象灾害情况,对预警信息进行分类和等级划分,以便更好地提醒公众和有关部门采取相应的应对措施,保障人民群众的生命财产安全。
根据国家气象局的规定,天气预警等级通常分为四级,分别为蓝色、黄色、橙色和红色。
其中,蓝色预警代表一般天气状况,黄色预警代表较为严重的天气情况,橙色预警代表较为危险的天气情况,红色预警代表极端严重的天气灾害。
具体的划分标准如下:
1.蓝色预警:当天气变化有一定影响时,例如小到中雪、雨、冰雹、雷暴等。
2.黄色预警:当天气变化对生产生活有较大影响时,例如大到暴雪、雨、冰雹、台风、强对流天气等。
3.橙色预警:当天气变化对生产生活造成较大损失时,例如特大暴雪、雨、冰雹、台风、龙卷风等。
4.红色预警:当天气变化对生产生活和人民财产造成极大损失时,例如超强台风、强热带风暴、特大暴雨、强烈雷暴等。
以上是天气预警等级划分的标准,希望公众和有关部门能够关注天气预警信息,在遇到不同级别的天气灾害时采取相应的防范和救援措施,共同维护社会稳定和人民安全。
- 1 -。
中央气象台预警信号标准摘要:一、暴雨预警信号1.暴雨蓝色预警信号2.暴雨黄色预警信号3.暴雨橙色预警信号4.暴雨红色预警信号二、雷电预警信号1.雷电黄色预警信号2.雷电橙色预警信号3.雷电红色预警信号三、台风预警信号1.台风蓝色预警信号2.台风黄色预警信号3.台风橙色预警信号4.台风红色预警信号四、霜冻预警信号1.霜冻蓝色预警信号2.霜冻黄色预警信号五、干旱预警信号1.干旱蓝色预警信号六、大风预警信号1.大风蓝色预警信号2.大风黄色预警信号七、沙尘暴预警信号1.沙尘暴黄色预警信号2.沙尘暴橙色预警信号正文:一、暴雨预警信号暴雨预警信号分为蓝色、黄色、橙色和红色四个等级,分别代表不同程度的降雨量和风险预警。
1.暴雨蓝色预警信号:12小时内降雨量将达50毫米以上,或者已达50毫米以上且降雨可能持续。
此信号提醒市民注意防范降雨带来的不利影响,如积水、内涝等。
2.暴雨黄色预警信号:6小时内降雨量将达50毫米以上,或者已达50毫米以上且降雨可能持续。
此信号提醒市民加强防范,避免降雨引发的风险。
3.暴雨橙色预警信号:3小时内降雨量将达50毫米以上,或者已达50毫米以上且降雨可能持续。
此信号意味着降雨强度较大,可能引发较严重的灾害,如积水、内涝、山洪等。
4.暴雨红色预警信号:3小时内降雨量将达100毫米以上,或者已达100毫米以上且降雨可能持续。
此信号为最高级别,提醒市民立即采取防范措施,避免降雨造成的生命财产损失。
雷电预警信号分为黄色、橙色和红色三个等级,提醒市民注意防范雷电天气带来的风险。
1.雷电黄色预警信号:6小时内发生雷电活动的可能性较大。
市民需注意防雷,避免户外活动。
2.雷电橙色预警信号:2小时内发生雷电活动的可能性较大,且可能伴随短时强降雨、大风等强对流天气。
市民应加强防范,避免户外活动。
3.雷电红色预警信号:2小时内发生雷电活动的可能性非常大,且可能伴随短时强降雨、大风等强对流天气。
市民应立即采取防范措施,避免户外活动。
天气预警等级划分标准
天气预警等级划分标准是根据天气状况的严重程度,对天气预警信息进行等级划分的一套标准。
根据中国气象局颁布的标准,天气预警等级划分为四级,分别是蓝色、黄色、橙色和红色。
蓝色预警:表示天气较轻微,对人们的生产和生活造成的影响相对较小。
比如,轻微的降雨、高温、寒冷、大风等。
黄色预警:表示天气较为严重,对人们的生产和生活造成一定的影响。
比如,较强的降雨、雪灾、台风等。
橙色预警:表示天气非常严重,对人们的生产和生活造成较大的影响,甚至会对人们的生命财产造成威胁。
比如,暴雨、暴风、龙卷风等。
红色预警:表示天气极其严重,对人们的生产和生活造成极大的危害,甚至会对人们的生命安全产生严重威胁。
比如,特大暴雨、强台风、强震等。
以上是天气预警等级划分的标准。
在实际应用中,各地应根据区域气象特点和社会经济发展水平等因素,结合气象灾害的实际情况,进行合理设置和调整,以确保人民生命财产安全。
- 1 -。
风力等级划分标准
风力等级是对风力大小的描述,以了解风对人类生产生活等活动的影响。
风力等级常常用于气象、航空、航海等领域,具有一定的标准和划分。
根据《海洋气象防御规程》,风力等级可以分为0级到17级,其中:
0级(无风):风速小于0.2米/秒,树叶不动。
3级(微风):风速在3.4-5.4米/秒间,树枝开始摇摆,风吹拂面部。
5级(清风):风速在8.0-10.7米/秒间,小树摇晃,行走时感到阻力。
12级(台风):风速在32.7-36.9米/秒间,有严重破坏,屋顶被掀起。
16级(超级龙卷风):风速达到极致,带来毁灭性后果。
17级(飓风):风速大力无比,形成海啸等极端环境。
雪的预报等级标准
雪的预报等级标准通常是指在规定时间段内持续降雪或降雪量折算成降雨量为等级划分的标准。
这个标准一般采用持续时间12小时和24小时两种标准。
以下是具体的等级划分:
1. 以24小时降水量为划分标准:
* 降水量0.1~2.4毫米为小雪;
* 1.3~3.7毫米为小到中雪;
* 2.5~4.9毫米为中雪;
* 3.8~7.4毫米为中到大雪;
* 达到5.0~9.9毫米为大雪;
* 7.5~14.9毫米为大到暴雪;
* 降水量达到或超过10毫米为暴雪。
2. 以12小时降水量为划分标准:
* 降水量0.1~0.9毫米为小雪;
* 0.5~1.9毫米为小到中雪;
* 1.0~2.9毫米为中雪;
* 2.0~4.4毫米为中到大雪;
* 达到3.0~5.9毫米为大雪;
* 4.5~7.4毫米为大到暴雪;
* 降水量达到或超过10毫米为暴雪。
此外,降雪量与积雪深度的对应关系为:当降雪落地后无融化时,在
北方地区,1毫米降雪可形成的积雪深度有8-10毫米,而在南方地区,积雪深度则有6-8毫米。
以上信息仅供参考,具体的降雪等级和预报可能会因地区、时间等因素而有所不同。
如果需要更准确的预报,建议查阅当地气象部门发布的天气预报信息。
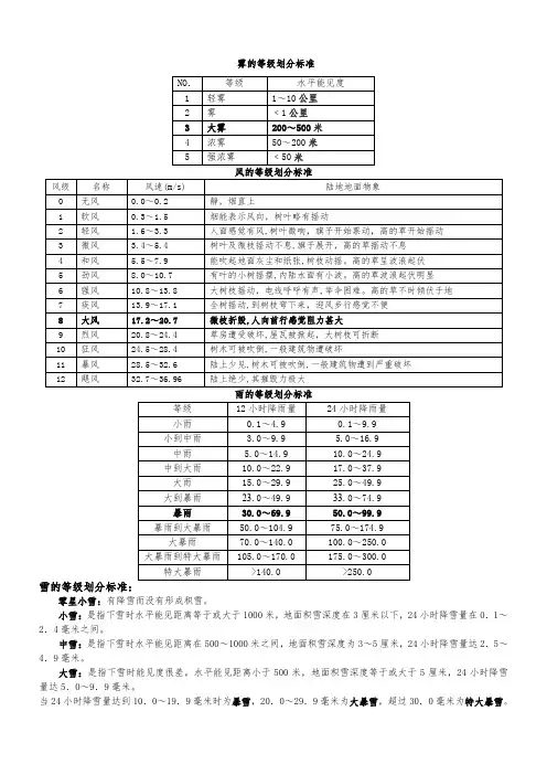
雾的等级划分标准
风的等级划分标准
雨的等级划分标准
雪的等级划分标准:
零星小雪:有降雪而没有形成积雪。
小雪:是指下雪时水平能见距离等于或大于1000米,地面积雪深度在3厘米以下,24小时降雪量在0.1~2.4毫米之间。
中雪:是指下雪时水平能见距离在500~1000米之间,地面积雪深度为3~5厘米,24小时降雪量达2.5~4.9毫米。
大雪:是指下雪时能见度很差,水平能见距离小于500米,地面积雪深度等于或大于5厘米,24小时降雪量达5.0~9.9毫米。
当24小时降雪量达到10.0~19.9毫米时为暴雪,20.0~29.9毫米为大暴雪,超过30.0毫米为特大暴雪。