砖砌体抗压强度试验---精品资料
- 格式:docx
- 大小:12.46 KB
- 文档页数:3
XX综合楼砖砌体抗压强度检测方案编写:校核:批准:工程名称:委托单位:编制单位:单位地址:编制日期:目录1 概述 (3)2 检测依据 (3)3 检测方法、抽样规则及数量 (3)4 砂浆抗压强度计算及推定值确定 (4)5 检测提供的结果 (6)6 拟投入检测人员 (6)7 拟配备的检测仪器设备 (6)8 检测进度 (7)9 相关事项 (7)XX综合楼砖砌体抗压强度检测方案 (8)XX综合楼砖砌体抗压强度检测方案1 概述1.1工程概况XX综合楼位于位于南宁市XX路XX号,建设单位为XX公司,设计单位为XX公司,施工单位为XX公司,监理单位为XX公司。
该综合楼为XX基础,主体结构为XX 结构,地上XX层,地下XX层,建筑面积为XXm2,墙体采用砖砌筑,墙厚为240mm,建成于为XXXX年。
1.2检测原因1.3委托内容对该综合楼XX层砌体的抗压强度进行检测。
2 检测依据2.1《砌体工程现场检测技术标准》(GB/T 50315—XXXX);2.2其它相关现行检测技术标准规范;2.3委托方提供的设计图纸及相关资料。
3 检测方法、抽样规则及数量3.1 检测方法原位轴压法3.2抽样规则《砌体工程现场检测技术标准》(GB/T 50315—2011)第3章基本规定的规定,取样应遵循下列规定:3.2.1 当检测对象为整栋建筑物或建筑物的一部分时,应将其划分为一个或若干个可以独立进行分析的结构单元,每一结构单元划分为若干个检测单元。
3.2.2 每一检测单元内,不宜少于6个测区,应将单个构件(单片、墙柱)作为一个测区,当一个检测单元少于6个构件时,应将每个构件作为一个测区。
3.2.3 每一个测区测点数应不少于1个,测点应随机分布。
3.3 抽样数量根据以上规定,该综合楼XX 层砌体构件抽检数量如下表3.3。
3.4 现场检测按规范、标准及规程的相关规定进行。
4 砂浆抗压强度计算及推定值确定4.1 槽间砌体的抗压强度,应按下式计算:ijuij uij A N f =uij f ——第i 个测区第j 个测点槽间砌体的抗压强度(MPa ); uij N ——第i 个测区第j 个测点槽间砌体的受压破坏荷载值(N ); ij A ——第i 个测区第j 个测点槽间砌体的受压面积(mm 2)。
ZY 宁夏中测计量测试检验院(有限公司)检测细则NZC-ZY-XZ006-2015砌墙砖抗压强度检测细则2015-04-01 发布 2014-04-01 实施宁夏中测计量测试检验院(有限公司)发布前言根据宁夏中测计量测试检验院(有限公司)«质量手册»和«程序文件»的要求,为了使本公司不同检测人员,不同时间所进行试验检测方法、过程保持一致性,实现检测结果的准确性,依据相关产品标准和试验方法标准,特制定本细则。
所有检测人员在检测过程中必须严格遵守本细则。
本细则由宁夏中测计量测试检验院(有限公司)负责起草。
编制:校核:批准:砌墙砖抗压强度试验检测细则1、适用范围适用于以粘土,页岩,煤千石,粉煤灰为主要原料,经焙烧而成,主要用于承重部位的多孔砖2、规范性引用文件下列文件所包含的条文通过在本细则中引用而构成本细则的条文,本细则发布时所列版本均为有效GB/T2542-2012《砌墙砖试验方法》 GB13544-2011《烧结多孔砖和多孔砌体》GB13545-2014《烧结多孔砖和多孔砌体》3、仪具与材料3.1 ZK-1砖用卡尺3.2恒温水箱(NZCS-047)3.3电热鼓风干燥箱(NZCS-076)3.4液压式万能试验机(NZCS-001)3.5钢直尺(NZCS-12)3.6电子计重秤(NZCS-075)3.7砌墙砖抗压强度试验用搅拌机(NZCS-009)3.8红砖爆裂蒸煮箱(NZCS-115)3.9 程控式砌墙砖磁盘振动台(NZCS-010)3.10冰柜(NZCS-047)3.11制样模具4、试验方法与步骤4.1.1 一次成型制样适用于采用样品中间部位切割,交错叠加灌浆制成强度试验试样的方式。
4.1.2 将试样锯成两个半截砖,两个半截砖用于叠合部分的长度不得小于100mm如不足100mm,应另区备用样品补足。
4.1.3将已切割开的半截砖放入室温的净水中浸20min~30min后取出,在铁丝网架上滴水20min~30min,以断口相反方向装入制样模具中。
报告编号:检测报告委托单位:建工股份有限公司工程名称:项目检测内容:砌筑砂浆抗压强度报告日期:2019年03月06日工程检测咨询有限公司注意事项1、报告无“工程检测咨询有限公司检测专用章”无效。
2、复制报告未重新加盖“工程检测咨询有限公司检测专用章”无效。
3、报告无审核、签发人签字无效。
4、报告涂改、换页无效。
5、委托单位对检测报告有异议时,应在收到报告之日起十五日内向本单位提出。
对于不可重复的试验或检测,本单位不接收异议申请。
6、委托检测仅对受检样品的检测结果负责。
砌筑砂浆抗压强度检测报告主要检测人:报告编制人:报告审核人:报告签发人:日期:年月日报告目录一、项目概况 (1)二、检测目的、内容和设备 (1)三、检测方法 (2)四、检测结果 (3)砌筑砂浆抗压强度检测报告一、项目概况受建工股份有限公司的委托,工程检测咨询有限公司对泰和苑项目2#楼的砌筑砂浆抗压强度进行检测,工程概况详见表1.1。
表1.1 项目概况二、检测目的、内容和设备2.1 检测目的采用砂浆回弹仪法,主要检测目的是推定砌筑砂浆的抗压强度。
2.2 检测内容该建筑各层的砌筑砂浆抗压强度。
2.3 检测设备本次检测采用ZC5型砂浆回弹仪(设备编号ZD-ZTYQ-11),其中技术参数如表2.1所示。
表2.1 ZC5型砂浆回弹仪技术参数表三、检测方法3.1 检测原理(1)当检测对象为整栋建筑物或建筑物的一部分时,应将其划分为一个或者干个可以独立进行分析的结构单元,每一结构单元应划分为若干个检测单元。
(2)每一检测单元内,不宜少于6 个测区,应将单个构件(单片墙体、柱)作为一个测区。
当一个检测单元不足6 个构件时,应将每个构件作为一个测区。
(3)每一测区应随机布置若干测点。
砂浆回弹法,测点数不应少于5个。
(4)对既有建筑物或应委托方要求仅对建筑物的部分或个别部位检测时,测区和测点数可减少,但一个检测单元的测区数不宣少于3 个。
(5)测点布置应能使测试结果全面、合理反映检测单元的施工质量或其受力性能。
实验项目三:砌墙砖抗压强度实验一、实验目的:通过实验测定砌块的抗压强度,评定砌块的强度等级。
二、实验仪器:材料实验机、钢板、玻璃平板、水平尺等。
四、实验步骤1、取样,抗压强度实验采用的试件数量为五个砌块。
2、试样制备,处理坐浆面和铺浆面,使之成为互相平行的平面。
将钢板置于稳固的底座上,平整面朝上,用水平尺调至水平。
在钢板上先薄薄地涂上一层机油或铺上一层湿纸,然后铺一层以1份质量的32.5Mpa以上的普通硅酸盐水泥和2份细砂,加入适量的水调成的砂浆,将试件的坐浆面湿润后平稳地压入砂浆层内,使砂浆层尽可能均匀,厚度为3~5mm。
将多余的砂浆沿试件棱边刮掉,静置24h后,再按上述方法处理试件的坐浆面。
为使两面能彼此平行,在处理铺浆面时,应将水平尺置于现已向上的坐浆面上调至水平。
在温度10 以上不通风的室内养护3d后做抗压强度实验,为缩短时间,也可在坐浆面砂浆层处理后,不经静置立即在向上的铺浆面上铺一层砂浆,压上事先涂油的玻璃平板,边压边观察砂浆层,将气泡全部排出,并用水平尺调至水平,直至砂浆层平而均匀,厚度达3~5mm。
3、按尺寸测量方法测定每个试件的长度和宽度,分别求出各个方向的平均值,精确至1 mm。
4、将试件置于实验机承压板上,将试件的轴线与实验机压板的压力中心重合,以10~30N/S的速度加荷,直至试件破坏,记录最大荷载P,若实验机压板不足以覆盖试件受压面时,可在试件的上、下承压面加辅助钢制压板。
辅助钢制压板的背面光洁度应与实验机原压板相同,其厚度至少为原压板边至辅助钢制压板最远角距离的1/3。
五、结果评定1、每个试件的抗压强度f按f=P/Lb计算(Mpa,精确至0.1Mpa)。
其中f——试件的抗压强度(Mpa);P——破坏荷载(N);L、B——分别为受压面的长度和宽度(mm)。
2、实验结果以五个试件抗压强度的算术平均值和单块最小值表示,精确至0.1Mpa。
3、实验结果记录入下表(表3-1)表3-1 砌墙砖抗压强度实验记录表实验人计算人核对人实验日期年月日六、结果分析。
烧结普通砖抗压强度试验一.目的掌握烧结普通砖抗压强度测定的方法,确定普通砖的抗压强度等级。
二.主要仪器设备压力试验机、切砖器、小铲、钢直尺等。
三.试验方法及步骤将试样砖切断成两个半截砖,断开后的长度不得小于100mm。
将断开的半截砖放入水中浸泡10—20分钟后取出,并以断口方向相反叠放,两者中间抹以厚度不超过5mm的水泥净浆(32.5级普通硅酸盐水泥),上下面抹以不超过3mm的同种水泥净浆。
制成的试件上下面必须相互平行并垂直与侧面,放置于不通风的室内养护3d(室温不低于10℃)。
1. 接通电源,按下油泵启动按钮(绿色为启动按钮、红色为关闭按钮),预热5min。
回油阀关闭按钮启动按钮送油阀2. 关闭回油阀,放入第一块试件,砖试件对准上承压板的中心。
缓慢打开送油阀,使其下承压板缓慢上升,注意观察指针不能超过上警戒线。
3.缓慢打开送油阀,以4KN/s 的速率加荷,直至试件破坏,记录破坏荷载F(N)=14.2 MPa 。
(同样的方法做完其他九块试件,其破坏荷载值分别为21.2 MPa 、9.5 MPa 、22.9 MPa 、13.3 MPa 、18.8 MPa 、18.2 MPa 、18.2 MPa 、19.8 MPa 、19.8MPa 。
)同样的方法做完第二组数据,分别为12 MPa 、8.5 MPa 、12.4 MPa 、16.5 MPa 、8 MPa 、8 MPa 、11.2 MPa 、10.8 MPa 、19.6MPa 、18MPa 。
4. 打开回油阀,关闭送油阀。
5. 清除试件碎块。
6. 做完实验打扫实验室清洁卫生。
四. 实验报告(数据分析处理)第一组数据:14.2MPa 、21.2 MPa 、9.5 MPa 、22.9 MPa 、13.3 MPa 、18.8 MPa 、18.2 MPa 、18.2 MPa 、19.8 MPa 、19.8MPa 。
砖的强度等级评定按下列步骤进行: 1)按下式计算平均强度:f =)(8.198.192.182.188.183.139.225.91.212.14101+++++++++=17.6 MPa ——10块砖强度平均值,精确至0.1MPa;上警戒线2)计算标准差S : ∑=-=101291i i f f S )( 将单块试样抗压强度测定值f i , f 代入求得 S= 4.05 MPa——10块砖强度标准差,精确至0.01MPa; 3)计算强度变异系数(δ):23.06.1705.4===f S δ ∵ 变异系数δ=0.23>0.21单块最小抗压强度值f min =9.5≥7.5式中:——砖强度变异系数,精确至0.01; ——单块砖强度测定值,精确至0.01MPa 。
回弹法检测烧结砖砌体中砖的抗压强度1适用范围本作业指导书适用于推定砌体工程现场烧结普通砖和烧结多孔砖砌体中砖的抗压强度。
砖强度适用范围限于6MPa~30MPa(见标准表 3.4.3)。
不适用于推定表面已风化或遭受冻害、环境侵蚀的烧结普通砖和烧结多孔砖砌体中砖的抗压强度。
2执行标准GB/T 50315-2011《砌体工程现场检验技术标准》3仪器设备砖回弹仪,标称动能0.735J。
使用前应检查仪器必须技术性能正常、检定合格并在检定与校准有效期内。
回弹仪在工程检测前后,应在钢砧上作率定试验,在洛氏硬度HRC为60±2的钢砧上率定值应为74±2。
4试验步骤4.1抽样及测区、测点布置依据 GB/T 50315-2011《砌体工程现场检验技术标准》整栋建筑物划分为一个或多个可独立进行分析(鉴定)的结构单元,每个结构单元内同一材料品种、同一强度等级不超过250m3砌体为一检测单元,即一个检验批(见条文说明);【按GB 50203-2011《砌体工程施工质量验收规范》还应每一楼层主体砌体不超过250m3(填充墙可多楼层合并;基础算作一个楼层)为一检验批】。
每一检测单元(检验批)应随机选取10个测区,每个测区面积不宜小于1.0m2,应在其中随机选择条面向外的10块砖作为10个测位供回弹测试。
选择的砖与砖墙边缘的距离应大于250mm。
4.2被检测砖应为外观质量合格的完整砖。
砖的条面应干燥、清洁、平整,不应有饰面层、粉刷层,必要时可用砂轮清除表面的杂物,并应磨平测面,同时应用毛刷刷去粉尘。
4.3在每块砖的测面上应均匀布置5个弹击点。
选定弹击点时应避开砖表面的缺陷。
相邻两弹击点的间距不应小于20mm,弹击点距砖边缘不应小于20mm,每一弹击点应只能弹击一次,回弹值读数应估读至1。
测试时,回弹仪应处于水平状态,其轴线应垂直于砖的测面。
5数据处理5.1 单个测位的回弹值应取5个弹击点回弹值的平均值。
5.2第i测区第j个测位的抗压强度换算值按下列公式计算:1.烧结普通砖:f1ij=2×10-2R2-0.45R+1.252.烧结多孔砖:f1ij=1.70×10-3R2.48式中:f1ij——第i测区j个测位的砖抗压强度换算值(MPa),精确至0.1。
受控编号:XXX工程质量检测报告工程名称:XXXX检测代码及项目:XXXX单位名称委托单位:建设单位:设计单位:施工单位:监理单位:检测单位:声明1、本报告无检验检测报告专用章及其骑缝章无效;2、本报告无检测、审核、批准人签名无效;3、本报告涂改、增删无效;4、报告复印页数不全、未加盖检验检测报告专用章无效;5、对本报告若有异议,应于收到报告之日起十五日内向本检测单位提出。
检测单位资质证书编号:检测单位地址:邮政编码:电话:目录1 工程概况 (4)2 检测概述 (4)3 砌体抗压强度检测计算方法 (5)4 检测结果 (7)5 结论 (7)附图1:结构平面示意图 (9)附件:工程质量现场检测见证确认表 (9)附图2:现场检测影像资料 (9)1 工程概况1.1 工程名称:建设地点:结构形式:砖种类及设计强度等级:砌筑砂浆种类及设计强度等级:砌筑施工时间:工程现状:1.2 检测原因:以往检测情况概述:2 检测概述2.1 检测日期:XXXX年XX月XX日。
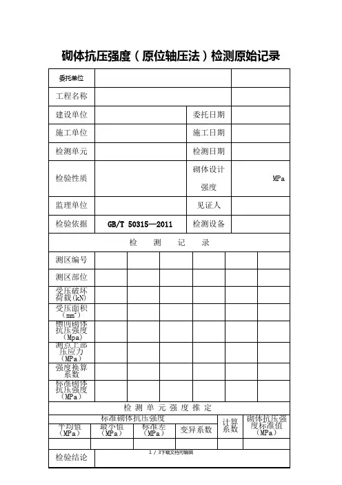
2.2检测方法采用原位轴压法,检测砖砌体抗压强度。
2.3 检测依据1 委托方提供的设计图纸及相关资料;2 《砌体工程现场检测技术标准》(GB/T 50315—2011)。
2.4 检测仪器设备检测所用计量仪器设备见表2.4。
表2.4 计量仪器设备一览表1 当检测对象为整栋建筑物或建筑物的一部分时,应将其划分为一个或若干个可以独立进行分析的结构单元,每一结构单元划分为若干个检测单元。
2 每一检测单元内,不宜少于6个测区,每个测区测点数不应少于1个。
2.6现场检测1 应委托方要求采用原位轴压法检测砖砌体抗压强度;2 抽检构件见表2.6。
表2.6 抽检构件一览表3 砌体抗压强度检测计算方法3.1 槽间砌体的抗压强度,应按下式计算:ijuij uij A N f =式中:uij f —第i 个测区第j 个测点槽间砌体的抗压强度(MPa );uij N —第i 个测区第j 个测点槽间砌体的受压破坏荷载值(N );ij A —第i 个测区第j 个测点槽间砌体的受压面积(mm 2) 。
×××原位轴压法砌体抗压强度检测报告图号:JC:2013-×××证书编号:×××2013年 11月10日附加说明:1.报告未加盖检测专用章无效;2.报告无检测人员、审核、审定、批准签字无效;3.对于委托方送样检验,仅对来样检验数据负责;4.未经本公司批准,不得复制检测报告(完整复制除外);复制报告需加盖计量认证合格证章,否则无效;5.涂改、部分提供或部分复制检测报告无效;6.对本报告有疑问,请于收到报告之日起15日内向本公司提出书面申请材料,我公司将在5日内给予回复;7.本报告未经公司同意,不得作为商业广告使用。
×××原位轴压法砌体抗压强度检测报告主测:报告编写:校对:审核:批准:批准日期:年月日单位名称:单位地址:联系电话:邮编:目录1 工程概况 (1)2 检测目的 (1)3 检测依据 (1)4 检测设备 (1)5 检测方法 (3)6 数据分析 (4)7 检测结果 (5)1 工程概况六枝特区×××系二层混合结构房屋,南北朝向,平面形状大致呈矩形。
2 检测目的采用原位轴压法在墙体上进行抗压试验,主要检测目的是推定240mm厚普通砖砌体的抗压强度。
(包括粘土砖、灰砂砖、页岩砖等)我公司根据委托要求对其一层内纵墙砌体的抗压强度采用原位轴压法进行检测,该墙体为240mm厚烧结普通砖实砌墙。
3 检测依据本次检测的主要依据有:《砌体工程现场检测技术标准》GB/T 50315-2000;《砌体结构设计规范》GB 50003-2001;《建筑结构荷载规范》GB 50009-2001 (2006年版)。
4 检测设备本次检测的设备主要为:SL80原位压力机、手动油泵、压力表、高压油管、扁式千斤顶、拉杆、反力板等。
相应的设备安装见图1:原位压力机主要技术指标应符合表1的要求:原位压力机主要技术指标表1指标项目450型600型额定压力(kN)400 500极限压力(kN)450 600额定行程(mm)15 15极限行程(mm)20 20示值相对误差(%)±3 ±3图1 设备安装示意图5 检测方法原位轴压法检测根据《砌体工程现场检测技术标准》GB/T 50315-2000进行。
砖砌体抗压强度试验1.参考规范国家规范《砌体基本力学性能试验方法标准》(GBJ 129-90)2.试件对外形尺寸为240mm×115mm×53mm的普通砖,其砌体抗压试件尺寸(厚度×宽度×高度),应采用240mm×370mm×720mm。
非普通砖的砌体抗压试件,其截面尺寸可稍作调整。
但高度应按高厚比β等于3确定。
试件厚度和宽度的制作允许误差,应为±5mm。
故实际中试件尺寸为宽×厚×高180mm×120mm×360mm。
试验实取3组,制作3组试件,即共9个试块。
砌体抗压试件应砌筑在带吊钩的刚性垫板或厚度不小于10mm的钢垫板上。
垫板应找平;试件顶部宜采用厚度为10mm的1∶3水泥砂浆找平,并应采用水平尺检查其平整度。
3.试验步骤(1)砌体抗压试验之前的准备工作:i.试件应作外观检查,当有碰撞或其他损伤痕迹时,应作记录;当试件破损严重时,应舍去该试件。
ii.在试件四个侧面上,应画出竖向中线。
iii.在试件高度的1/4、1/2和3/4处,应分别测量试件的宽度与厚度,测量精度应为1mm。
测量结果应采用平均值。
试件的高度,应以垫板顶面为基准,量至找平层顶面确定。
iv.试件的安装,应先将试件吊起,消除粘在垫板下的杂物,然后置于试验机的下压板上。
当试验机的上、下压板小于试件截面尺寸时,应加设刚性垫板;当试件承压面与试验机压板的接触不均匀紧密时,尚应垫平。
试件就位时,应使试件四个侧面的竖向中线对准试验机的轴线。
v.仪表的安装,当测量试件的轴向变形值时,应在试件两个宽侧面的竖向中线上,通过粘附于试件表面的表座,安装千分表或其他测量变形的仪表。
测点间的距离,宜为试件高度的1/3,且为一个块体厚加一条灰缝厚的倍数。
当测量试件的横向变形时,应在宽侧面的水平中线上安装仪表,测点与试件边缘的距离不应小于50mm。
vi.对试件施加预估破坏荷载5%时,应检查仪表的灵敏性和安装的牢固性。
天津市政捷公路工程检测有限公司砌墙砖抗压强度试验方法1、试验目的与适用范围本方法适用于烧结砖和非烧结砖的抗压强度测定。
烧结砖包括烧结普通砖、烧结多孔砖以及烧结空心砖和空心砌块;非烧结砖包括蒸压灰砂砖、粉煤灰砖、炉渣砖和碳化砖等。
2、引用标准GB/T 2542-2003 砌墙砖试验方法3、仪器设备砖用卡尺:分度值0.5mm;钢直尺:分度值1mm。
YA-2000C型压力试验机。
4、操作步骤1)试样准备a)烧结普通砖将试样切断或锯成两个半截砖,断开的半截砖长不得小于100mm,如果不足100mm,应另取备用试样补足。
在试样制备平台上,将已断开的两个半截砖放入室温(20±2)℃的净水中浸10min-20min后取出,并以断口相反方向叠放,两者中间抹以厚度不超过5mm的用强度等级32.5的普通硅酸盐水泥调制成稠度适宜的水泥净浆粘结,上下两面用厚度不超过3mm的同种水泥浆抹平。
制成的试件上下两面须相互平行,并垂直于侧面。
b)多孔砖、空心砖试件制作采用坐浆法操作。
即将玻璃板置于试件制备平台上,其上铺一张湿的垫纸,纸上铺一层厚度不超过5mm 的用强度等级32.5的普通硅酸盐水泥调制成稠度适宜的水泥净浆,再将试件在水中浸泡10min-20min ,在钢丝网架上滴水3min —5min 后,将试样受压面平稳地坐放在水泥浆上,在另一受压面上稍加压力,使整个水泥层与砖受压面相互粘结,砖的侧面应垂直于玻璃板。
待水泥浆适当凝固后,连同玻璃板翻放在另一张铺纸放浆的玻璃板上,在进行坐浆,用水平尺校正好玻璃板的水平。
c)非烧结砖同一块试样的两半截砖切断口相反叠放即为抗压强度试件,叠合部分不得小于100mm 。
如果不足100mm 时,则应剔除,另取备用试样补足。
2)试件养护将上述制成的抹面试件应置于温度不低于10℃的不通风室内养护3d 。
非烧结砖试件不需养护,直接进行试验。
3)试件抗压试验步骤用钢直尺测量每个试件连接面或受压面的长、宽尺寸各两次,分别取其平均值,精确至1mm 。
烧结普通砖抗压强度检测试验一、试验名称烧结普通砖抗压强度本试验依据(这5个字不显示,但配音)《烧结普通砖》GB5101-2003(此两个标准分两行显示)《砌砖墙试验方法》(GB/T 2542—2012)2、仪器设备切砖机、直尺电子天平(量称10kg,感量0.01g)NYL-2000压力试验机(300~500KN)等3、试样处理将制作且养护好的砖试件,在压力试验机上测其抗压强度;4、试验步骤(1)将试样切断或锯成两个半截砖,断开的半截砖长不得小于100mm,如果不足100mm,应另取备用试样补足。
(2)在试样制备平台上,将已断开的两个半截砖放入室温的净水中浸10min~20min后取出,并以断口相反方向叠放,两者中间抹以厚度不超过5mm 的用强度等级32.5的普通硅酸盐水泥调制成稠度适宜的水泥净浆粘结,上下两面用厚度不超过3mm的同种水泥浆抹平。
制成的试件上下两面须相互平行,并垂直于侧面。
(3)普通制样法制成的抹面试件应置于不低于10℃的不通风室内养护3d;机械制样的试件连同模具在不低于10℃的不通风室内养护24h后脱模,再在相同条件下养护48h,进行试验。
(4)将试件置于不低于10℃的不通风室内养护3d;测量每个试件连接面或受压面的长、宽尺寸各两个,分别取平均值。
将试件平放在加压板的中央,垂直于受压面加荷,应均匀平稳,不得发生冲击或振动。
加荷速度以4kN/s 为宜,直至试件破坏为止,记录最大破坏荷载P 。
计算:R P =P/LBR P :抗压强度,单位为兆帕(MPa )P :最大破坏荷载,单位为牛顿(N )L :受压面(连接面)的长度,单位为毫米(mm )B :受压面(连接面)的宽度,单位为毫米(mm )5、数据整理6、评定结果抗压强度的结果计算和评定① 平均值-标准差方法评定变异系数δ≤0.21时,按表3中抗压强度平均值 、强度标准值 评定砖的强度等级。
样本量n=10时的强度标准值 fk )计算:s f f k 8.1-=式中 fk ——强度标准值,精确至0.1MPa 。
建筑材料中的抗压强度实验测试在建筑领域中,抗压强度是衡量一个材料能够承受多大压力的重要指标。
为了保证建筑物的结构安全可靠,有必要对建筑材料的抗压强度进行实验测试。
一、实验目的本实验的目的是通过对建筑材料进行抗压强度测试,了解其耐压能力,并根据实验结果选择合适的材料用于建筑工程。
二、实验材料和设备1. 实验材料:常见的建筑材料如混凝土、砖块等。
2. 实验设备:万能试验机、压力传感器、数据采集系统等。
三、实验方法1. 准备工作首先,根据实验需要选择合适的建筑材料。
例如,如果需要测试混凝土的抗压强度,可以选择不同配比、不同工艺的混凝土样品。
2. 样品制备根据实验要求,制备出具有一定尺寸和几何形状的样品。
这些样品可以是立方体、长方体等形状。
3. 实验装置搭建将样品放置在万能试验机上的压力平台上。
使用夹具固定样品,确保其稳定。
4. 实验参数设置根据实验要求,设置合适的实验参数,例如加载速度、加载范围等。
5. 开始实验启动万能试验机,使其施加等速率的压力到样品上,记录下载荷和变形的数据。
6. 数据处理与结果分析实验完成后,可根据数据采集系统获取到的数据进行处理和分析。
计算出样品的抗压强度,并进行比较和评估。
四、注意事项1. 实验过程中要严格按照操作规程进行,确保实验的准确性和可靠性。
2. 仪器和设备要保持正常运行状态,避免因故障造成实验结果的误差。
3. 实验人员要经过专业培训,熟悉操作步骤和安全操作要求。
五、实验结果与应用通过抗压强度实验测试,可以得到不同建筑材料的抗压能力。
这些结果可以用于建筑设计和材料选择的参考。
例如,在设计大型建筑物时,可以根据实验结果选用抗压强度高的材料,以确保结构的稳定性和安全性。
六、结论抗压强度实验测试是建筑材料评估的重要手段,能够帮助工程师和设计人员选择适用的材料,确保建筑物的结构安全。
通过严谨的实验方法和可靠的数据处理,可以得到准确的抗压强度结果,为建筑工程提供科学依据。
砖砌体抗压强度试验
1■参考规范
国家规范《砌体基本力学性能试验方法标准》( GBJ 129-90) 2.试件
对外形尺寸为240mm X115mm X53mm的普通砖,其砌体抗压试件尺寸(厚度X宽度X高度),应采用240mm x 370mm x 720mm。
非普通砖的砌体抗压试件,其截面尺寸可稍作调整。
但高度应按高厚比B等于3确定。
试件厚度和宽度的制作允许误差,应为土5mm。
故实际中试件尺寸为宽x厚x高180mm x 120mm X 360mm。
试验实取3组,制作3组试件,即共9个试块。
砌体抗压试件应砌筑在带吊钩的刚性垫板或厚度不小于10m m的钢垫板上。
垫板应找平;试件顶部宜采用厚度为10mm的1 : 3水泥砂浆找平,并应采用水平
尺检查其平整度。
3.试验步骤
(1)砌体抗压试验之前的准备工作:
i. 试件应作外观检查,当有碰撞或其他损伤痕迹时,应作记录;当试件破损严重时,应舍去该试件。
ii. 在试件四个侧面上,应画出竖向中线。
iii. 在试件高度的1/4、1/2和3/4处,应分别测量试件的宽度与厚度,测量精度应为1mm。
测量结果应采用平均值。
试件的高度,应以垫板顶面为基准,量至找平层顶面确定。
iv. 试件的安装,应先将试件吊起,消除粘在垫板下的杂物,然后置于试验机
的下压板上。
当试验机的上、下压板小于试件截面尺寸时,应加设刚性垫板;当试件承压面与试验机压板的接触不均匀紧密时,尚应垫平。
试件就位时,应使试
件四个侧面的竖向中线对准试验机的轴线。
v. 仪表的安装,当测量试件的轴向变形值时,应在试件两个宽侧面的竖向中线上,通过粘附于试件表面的表座,安装千分表或其他测量变形的仪表。
测点间的距离,宜为试件高度的1/3,且为一个块体厚加一条灰缝厚的倍数。
当测量试件的横向变形时,应在宽侧面的水平中线上安装仪表,测点与试件边缘的距离不应小于
50mm。
vi. 对试件施加预估破坏荷载5%时,应检查仪表的灵敏性和安装的牢固性。
(2)采用几何对中、分级施加荷载方法。
每级的荷载,应为预估破坏荷载值的10%,并应在1〜1.5min内均匀加完;恒荷1〜2mi n后施加下一级荷载。
施加荷载时,不得冲击试件。
加荷至预估破坏荷载值的80%后,应按原定加荷速度连续加荷,直至试件破坏。
当试件裂缝急剧扩展和增多,试验机的测力计指针明显回退时,应定为该试件丧失承载能力而达到破坏状态。
其最大荷载读数应为该试件的破坏荷载值。
(3)对需要测量变形值、确定砌体弹性模量的试件,宜采用物理对中、分级施加荷载方法。
在预估破坏荷载值的5%至20%区间内,应反复预压3〜5次。
两个宽侧面轴向变形值的相对误差,不应超过10%。
当超过时,应重新调整试件位置或垫平试件。
预压后,应卸荷并将千分表指针调拨至零点,按本标准第3.2.2
条规定的施加荷载方法逐级加荷,并应同时测记变形值。
当加荷至预估破坏荷载值的80%时,应拆除仪表,然后将试件连续加荷至破坏。
(4)试验过程中,应观察和捕捉第一条受力的发丝裂缝,并应记录初裂荷载值。
对安装有变形测量仪表的试件,应观察变形值突然增大时可能出现的裂缝。
荷载逐级增加时,应观察和描绘裂缝发展情况。
试件破坏后,应立即绘制裂缝图和记录破坏特征。
4■结果计算
(1)单个试件的抗压强度fc,m,应按下式计算,其计算结果取值应精确至0.1N/m m2:
c,m
式中f c,m ——试件的抗压强度(N/m m);
A
N――试件的抗压破坏荷载值(N);
A――试件的截面面积(m m),按GB129-90规定测得的试件平均宽度和平均厚度计算。
(2)逐级荷载下的轴向应变&和横向应变& tr,应按下列公式计算:
A l
z =——
l
l tr
式中£——逐级荷载下的轴向应变值;
& tr――逐级荷载下的横向应变值;
△ l,△ ltr -- 分别为逐级荷载下的轴向和横向变形值(mm);
l,ltr ------ 分别为轴向和横向测点间的间距(mm)。
(3)逐级荷载下的应力c,应按下式计算:
N i
c -
A
式中c ――逐级荷载下的应力值(N/m m);Ni ――试件承受的逐级荷载值(N )。
(4)应力与轴向应变的关系曲线应以c为纵座标、&为横座标绘制。
根据曲线, 应取应力c等于0.4fc,m时的割线模量为该试件的弹性模量,并应按下式计算:
0.4f c,m
E 二-
£
0.4
式中E——试件的弹性模量(N/m m); c 0.4 对应于0.4fc,m时的轴向应变值。
(5)与逐级应力对应的泊松比,应按下式计算:
c
tr
V 二
c
应力与泊松比的关系曲线应以应力c为纵座标、泊松比V为横座标绘制。
根据曲线,应取应力c等于0.4fc,m时的泊松比V 0.4值为该试件的泊松比。