三极管变色闪光灯电路图
- 格式:doc
- 大小:50.00 KB
- 文档页数:1
工作原理
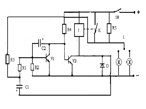
该电路先由光敏电阻、继电器、9014三极管组成光控制电路,电路的光敏电阻受到光的照射下,光敏电阻呈低阻状态,使9014三极管的基极电位降低,处于截止状态,继电器K不吸合,灯不亮;当光敏电阻不受到光照条件,光敏电阻的阻值逐渐变大,9014三极管的基极电位上升,当上升到一定程度后,9014三极管导通,继电器K吸合,电路有输出,灯亮。
再由555定时器、74LS90计数器、74LS138译码器组成八路彩灯循环电路(如图2)。
74LS90计数器的时钟
由555震荡电路提供,改变555的震荡频率可改变计数器的计数快慢,即可控制彩灯的闪烁快慢,计数器输出信号输入至138译码器,由138译码,根据计数器输出不同的计数结果,即可控制138译码器译码得到8种不同的输出信号,决定控制彩灯的循环变化。
显然,不同的计数器与译码器电路,得到的是不同的彩灯循环控制结果。
若译码器不变,在计数器的控制端输入不同的控制信号,进行不同的计数,则在输出端可见不同的彩灯循环输出。
技能训练一电子闪光器制作
一、制作材料三极管9013 一只,9015 一只,12K电阻一只,100uF电解电容器一只,5X7CM万能电路板一块,发光二极管2只,电池夹一只,5号电池两节(自备)。
二、电路简介图1所示电路由两只极性相反的三极管组成互补多谐震荡器,接通电源后,电流通过12K电阻向100uF电容充电,充到大于0.7V时,三极管Q1 9013导通,同时Q2 9015也导通,使发光二极管发光。
电容开始放电,使Q1 9013基极电压下降而得不到正常偏置时,三极管子Q1 9013截止,三极管Q2 9015也截止,发光二极管不亮。
周而复始,闪光不断。
3K电阻起保护三极管作用。
三、制作1、用万用表测量元器件极性,特别是三极管、发光二极管。
2、先按图示放置好元件。
3、在万用电路板上用导线或焊锡、焊成作为导线。
4、按图示焊好,防止虚焊。
四、调试和制作外壳制作完成后先通电试一
试,若不发光可能是元件极性装反,可用万用
表检测。
若元件都正确了,看有无虚焊。
根据
个人爱好好制作外壳。
三、电子制作(一)闪光灯的制作本次实训的闪光灯电路是由多谐振荡器电路实现闪光功能的。
1、多谐振荡器介绍下图为多谐振荡器电路,电路由R1、R2、R3、R4、C1、C2、Q1及Q2等元件组成对称的具有深度正反馈的电路。
其工作原理如下:(1)送电:电路送电后,由于电路参数的微小差异和极强的正反馈,使两个三极管不能同时导通,假设Q1的Ib1>Q2的Ib2,则经Q1放大,Ic1也大于Ic2,则随着Ic1的增加,Ic1*R1 增大,使Vc1下降;此下降信号又经C1传至Vb2,使Ib2下降,又使Ic2下降,Ic2*R4降低从而使Vc2升高,经C2传至Q1的基极;从而引起Ib上升,Ic1 进一步加大,直至Q1饱和导通,Q2截止。
此时电路出现了一个暂稳态,即Q1饱和 Q2截止。
(2)第一个暂稳态第一个暂稳态后C1开始放电: C1将上一个稳态储存在其上的电压(电压值为VCC,左+右-)开始释放,放电回路见图中红线指示的方向。
C2开始充电: 充电回路见图中紫线指示的方向。
(3)翻转: 当Vb2随着C1放电而升高到+0.5V时Q2开始导通——Ic2上升——Vc2下降——经电容C2使Vb1下降—从而使Ib1下降——Vc1上升——经电容C1使Vb2进一步上升——从而使Ib2进一步加大——通过此正反馈使Q截止Q2饱和。
电路进入第二个暂稳态——Q截止Q2饱和。
(4)第二个暂稳态第二个暂稳态后:C1开始充电C2开始放电: C2将上一个稳态储存在其上的电压(电压值为VCC,左-右+)开始沿Q2 CE极、Q1 BE结释放。
(5)翻转: 当Vb1随着C2放电而升高到+0.5V时Q1又开始导通,重复第一步。
电路不断循环往复便形成了自激振荡,在两个三极管的集电极上得到矩方波电压。
2、多谐振荡器的周期和频率(1)振荡周期: T=T1+T2=0.7*(Rb2*C1+Rb1*C2)=1.4Rb*C(2)振荡频率: F=1/T=0.7/Rb*C(3)占空比:正向脉冲宽度T1与振荡周期T之比称矩形波的占空比D,D=(R1+R2)/(R1+2R2),若使R2>>R1,则D≈1/2,即输出信号的正负向脉冲宽度相等的矩形波(方波)。
单三极管led闪烁电路1.引言1.1 概述单三极管LED闪烁电路是一种简单而有效的电路设计,可以通过控制电流的流动来实现LED灯的闪烁效果。
在这个电路中,我们使用了一个三极管来控制电流的开关,并使LED灯以一定的频率闪烁。
本文旨在介绍单三极管LED闪烁电路的原理和构建步骤。
首先,我们将详细解释单三极管LED闪烁电路的原理,包括三极管的工作原理和电流的流动方式。
然后,我们将提供一个步骤指南,帮助读者设计和构建自己的单三极管LED闪烁电路。
单三极管LED闪烁电路具有许多应用和优点。
首先,它可以被广泛应用于各种电子设备中,例如数码钟、信号指示灯以及装饰照明等。
其次,相较于其他复杂的LED驱动电路,单三极管LED闪烁电路的设计简单易懂,制作成本较低。
此外,该电路还具有良好的稳定性和可靠性,能够在长时间使用过程中保持稳定的工作状态。
展望未来,随着技术的不断进步,我们可以预见单三极管LED闪烁电路将会不断发展和改进。
可能会出现更小型化、更高效能与更具可扩展性的电路设计。
此外,随着人们对绿色环保和节能的需求不断增加,未来单三极管LED闪烁电路也将会更加注重能源的有效利用和环境友好型设计。
通过本文的阅读,读者将可以更加深入地了解单三极管LED闪烁电路的概念、原理和应用。
同时,通过掌握构建该电路的步骤,读者将能够自己设计和实现单三极管LED闪烁电路。
希望本文能够为读者提供有关单三极管LED闪烁电路的全面指导,并启发读者在该领域进行更深入的研究和创新。
1.2 文章结构本文将围绕单三极管LED闪烁电路展开详细讨论。
文章结构包括以下几个部分:1. 引言:在本部分,我们将对单三极管LED闪烁电路的概述进行介绍。
首先,我们将说明LED闪烁电路的基本原理以及其在实际应用中的广泛应用。
接下来,我们将给出本文的目的和意义,以便读者更好地理解和把握文章的内容。
2. 正文:本部分将详细介绍单三极管LED闪烁电路的原理,并进一步探讨如何设计和构建这样的电路。
彩灯电路
本电路是一个典型的多谐振荡器电路。
由Q1、Q2交叉耦合而成。
R1、R2分别是Q1、Q2的集电极电阻。
R3、R4分别是Q1、Q2的基极偏置电阻。
多谐振荡器没有稳定状态,要么Q1截止、Q2导通;要么Q1导通,Q2截止,这两状态周期性的自动翻转,D1、D2周而复始的交替点亮。
接通电源后,由于接线电阻、分布电容、元件参数的不一致等偶然因素。
三极管必然是一只导通,一只截止。
当Q1导通,Q2截止:C2经D2、R2、Q1的基极-发射集充电,充电电流为IC2充,C1经R3、Q1集电极-发射极放电,电流为IC1放,同时电源正极经D1、R1、Q1集电极-发射极到负极形成回路,D1点亮,D2熄灭。
随着C1的放电及反方向充电,当C1的右端(即Q2的基极)电位达到0.7V时,Q2由截止变为导通,其集电极电压U2=0,由于C2两端的电压不能突变,Q1基极电位变为-VCC,Q1由导通变为截止,电路翻转为另一暂稳状态,D2点亮,D1熄灭;当Q2导通,Q1截止时原理以其相反。
如此周而复始地自动翻转,形成自激振荡。
振荡周期T=0.7(R3C1+R4C2)通常R3=R4=R,C1=C2=C。
则T=1.4RC,振荡频率F=1/1.4RC。
简易闪光电路
一、电路说明
本套件电路简单、易懂,特别适合初学者及学生组装。
工作原理:当电源一接通,两只三极管就要争先导通,但由于元器件有差异,只有某一只管子最先导通。
假如Q1最先导通,那么Q1集电极电压下降,LED1被点亮,电容C2的左端接近零电压,由于电容器两端的电压不能突变,所以Q2基极也被拉到近似零电压,使Q2截止,LED2不亮。
随着电源通过电阻R3对C2的充电,使三极管Q2基极电压逐渐升高,当超过0.6伏时,Q2由截止状态变为导通状态,集电极电压下降,LED2被点亮。
与此同时三极管Q2集电极电压的下降通过电容器C2的作用使三极管Q1的基极电压也下跳,Q1由导通变为截止,LED1熄灭。
如此循环,电路中两只三极管便轮流导通和截止,两只发光二极管就不停地循环发光。
改变电容的容量可以改LED循环的速度。
二、性能参数
工作电压:DC3V—9V
三、元件清单
位号名称规格数量 R1、R3
电阻10k2 R2、R4电阻4702
C1、C2电解电容47uF2
Q1、Q2三极管90132
X接线座2P1
LED1、LED2发光二极管5MM红色2
PCB板40X30mm1
四、电路图。
三极管闪灯原理
三极管闪灯原理,是一种基于三极管的电路设计,用于实现LED等光源的闪烁效果。
其原理如下:
1. 三极管工作原理:三极管是一种常用的半导体器件,由基极、发射极和集电极组成。
当在基极-发射极之间施加一个正向偏
置电压时,电流会从发射极流入基极,并增加到集电极。
反之,若施加一个反向偏置电压,则电流会被阻止。
2. 电路组成:三极管闪灯电路通常由三极管、电流限制电阻和时序元件(如电解电容、电阻等)组成。
电流限制电阻用于限制电流流过三极管,防止其过载。
3. 工作原理:当电路通电时,电源电压通过限流电阻流入基极,使得三极管处于导通状态。
此时,电解电容开始充电,电压逐渐升高至三极管基极与发射极间的正向偏置电压,使得三极管进入截止状态。
电解电容通过放电,其电压逐渐下降。
当电压低于三极管的截止电压时,三极管恢复导通状态,电解电容重新开始充电。
如此循环,LED灯就会周期性闪烁。
4. 灯光闪烁频率调节:通过调节电解电容的容值或电流限制电阻的数值,可以改变电容充放电周期,从而改变LED灯闪烁
的频率。
总体而言,三极管闪灯原理利用了三极管的导通与截止特性,配合时序元件,达到控制LED灯周期性闪烁的效果。
1.首先将三色报警灯电源线(粗的黑线、白线)接到电源适配器上,其中黑线为负极,白线为正极
2.三色报警灯的信号线共有7根,其中红、黄、绿线为灯光信号线,分别对应红灯、黄灯、绿灯;三根灰色线为声音线,一根黑色细线为公共线
3.电源连接好后需要判断声音线,具体判别方法为:电源线连接好后,将电源接通,此时适配器上的电源指示灯亮;将黑色的公共线与三根灰色声音信号线分别连接,测试三根线分别为何种声音,其中“莫扎特40号交响曲”音乐为RFID进行读取或写入时的音乐,将这根音乐信号线与黄色灯光信号线拧到一起,“滴滴滴”报警音乐与红色灯光信号线拧到一起4.按下图所示接线图将三色灯各信号线接到读写器接头上:
24V
24V 黄色指示灯
公共端
黄色指示灯对应声音
4
A B A B 32A B A B 12A B A B
1公共端
红色灯光、声音从读写器正面看有两个绿色插头,其线序如下所示:悬空
5.按此接好后三色报警灯就可以正常使用了。
三色发光二极管原理图led三色调光的概念本文主要是关于三色发光二极管的相关介绍,并着重阐述了三色发光二极管的原理图及其概念。
三色LED的概念三色LED由两个不同颜色的管芯组成,有共阳、共阴接法,故为散引脚。
当两个管芯各自亮时呈现两色,当两个管芯一起亮时则为混色,所以称为三色LED。
三色发光二极管是将3种不同颜色的LTC4151CMS%23PBF管芯封装在一起,也分为共阴极和共阳极两种。
三色发光二极管接线图共阴极4个引脚的三色发光二极管内部结构如图4-52所示,3种发光颜色(如红、蓝、绿三色)的管芯负极连接在一起。
4个引脚中,1脚为绿色发光二极管的正极,2脚为蓝色发光二极管的正极,3脚为公共负极,4脚为红色发光二极管的正极。
使用时,公共负极3脚接地,其余引脚按需要接入工作电压即可。
带阻发光二极管带阻发光二极管又称电压型发光二极管,其电路结构如图4-54所示。
带阻发光二极管已将限流电阻做到了发光二极管内,只要接入规定的直流电压即可发光。
浅谈led三色调光led三色调光就是RBG 三种颜色的反光粉,当调整LED的驱动电流时,LED 的颜色会随变化。
配合控制器后可以调整任意颜色,并且支持编程的,这个一般用在LED 洗墙灯和LED 灯条上。
作为一种光源,调光是很重要的。
不仅是为了在家居中得到一个更舒适的环境,在今天来说,减少不必要的电光线,以进一步实现节能减排的目的是更加重要的一件事。
而且对于LED光源来说,调光也是比其他荧光灯、节能灯、高压钠灯等更容易实现,所以更应该在各种类型的LED灯具中加上调光的功能。
一、用调正向电流的方法来调亮度要改变LED的亮度,是很容易实现的。
首先想到的是改变它的驱动电流,因为LED的亮度是几乎和它的驱动电流直接成正比关系。
图1中显示了Cree公司的XLampXP-G的输出相对光强和正向电流的关系。
由图中可知,假如以350mA时的光输出作为100%,那么200mA时的光输出就大约是60%,100mA时大约是25%.所以调电流可以很容易实现亮度的调节。
pnp三极管发光二极管驱动电路PNP三极管发光二极管驱动电路是一种常见的电路设计,用于控制发光二极管的亮度和颜色。
本文将介绍该电路的原理和工作方式,以及其在实际应用中的一些注意事项。
我们来了解一下PNP三极管和发光二极管的基本原理。
PNP三极管是一种三端器件,由三个掺杂不同类型的半导体材料构成。
它的主要作用是放大电流和控制电路的开关。
发光二极管是一种能够将电能转化为光能的器件,常用于指示灯、显示屏和照明等领域。
在PNP三极管发光二极管驱动电路中,PNP三极管的基极连接到控制信号源,发光二极管的阳极连接到电源正极,而发光二极管的阴极则通过一个限流电阻连接到PNP三极管的集电极。
当控制信号源输出高电平时,PNP三极管导通,电流从集电极流过限流电阻到发光二极管的阴极,使发光二极管发光;当控制信号源输出低电平时,PNP三极管截止,电流无法流过限流电阻,发光二极管不发光。
这种驱动电路的优点是简单易用,只需一个PNP三极管和一个限流电阻就可以控制发光二极管的亮度。
同时,通过改变控制信号源的高低电平,还可以实现对发光二极管的亮度调节和颜色切换。
然而,在使用PNP三极管发光二极管驱动电路时,需要注意以下几点。
首先,控制信号源的输出电压范围应与PNP三极管的工作电压匹配,以免损坏三极管。
其次,限流电阻的阻值需要根据发光二极管的额定电流来选择,以确保发光二极管正常工作并延长其寿命。
此外,还应注意排布电路时的布线和散热问题,以避免电路短路和元器件过热。
PNP三极管发光二极管驱动电路是一种简单实用的电路设计,可用于控制发光二极管的亮度和颜色。
合理选择元器件并注意电路布局和散热问题,可以确保电路的稳定工作和长寿命。
希望本文对读者理解和应用该电路有所帮助。
三极管组成的光控开关电路原理图_四款光控开关电路图什么是光控开关光控开关/光控时控器采用先进的嵌入式微型计算机控制技术,融光控功能和普通时控器两大功能为一体的多功能高级时控器(时控开关),根据节能需要可以将光控探头(功能)与时控功能同时启用,将达到最佳节能效果。
是路灯、景观灯、广告灯箱、霓虹灯等设备的最佳节能控制装置;可广泛应用于街道、铁路、车站、航道、学校及供电部门等一切需要时间控制的应用场所。
现在国内主要的品牌有灯联网、艾贝斯等,代表型号有ET101.1、ET102.1等。
光控开关功能和用途本系列智能光控开关,可以根据用户设定的时间(光照度门限)值,自由控制用电器的电源开关。
广泛用于路灯、霓虹灯、广告灯等需要按时间控制电源开关的用电设备。
用户可以根须需求设定四组开关灯时间,可以实现多时段开关灯。
用户也可以利用光控探头采集当地光照度,实现根据光照度开关灯。
四款光控开关电路图电路图一:光控开关在室内5~6 米范围内,可用手电光进行遥控,可以很方便地开启或关闭家用电器。
工作原理:电路如图192 所示。
由三极管VT1、光电二极管等组成光接收电路。
每接收到光照一次,就使由三极管VT2、VT3组成的双稳态电路发生翻转,通过三极管VT4 去驱动继电器K 工作,以控制家用电器的电源开关。
电路图二:声光控节能灯座节电效果显著,采用该灯座白天灯不亮,夜间有声音灯即亮该灯座电路简洁,声控部分采用了驻极体话筒,电路见附图所示220V电源经桥式整流220kΩ电阻降压100μF电容滤波后得到5V电压供给数字集成电路HD14011工作白天有光照时,光电二极管2CU呈低阻状态,IC的{1} {2}脚为低电位,{3}脚为高电位,白天不论有无声音,即不论{4}脚电位如何,{13}脚始终钳位于高电位,{12}脚也为高电位因此{11}脚为低电位,可控硅截止,灯泡不亮夜晚无光照时,U呈高阻状态,{3}脚为低电位,这时若有人发出声响,驻极体话筒拾取信号,经{5} {6}脚输入到放大器放大后由臆脚输出当{4}脚为低时,{13}脚也为低,{11}脚为高,触发可控硅BT169导通,灯泡点亮同时10μF电容充电,充电之初{8} {9}脚为高电位,使{12}脚为低电位声音过后,{13}脚恢复高电位,但由于{12}脚为低电位,所以{11}脚继续保持高电位,灯继续点亮10μF电容继续充电几十秒钟后,{8} {9}脚为低电位,{11}脚也翻转为低电位,可控硅截止,灯灭。
三极管组成的光控开关电路原理图什么是光控开关光控开关/光控时控器采用先进的嵌入式微型计算机控制技术,融光控功能和普通时控器两大功能为一体的多功能高级时控器(时控开关),根据节能需要可以将光控探头(功能)与时控功能同时启用,将达到最佳节能效果。
是路灯、景观灯、广告灯箱、霓虹灯等设备的最佳节能控制装置;可广泛应用于街道、铁路、车站、航道、学校及供电部门等一切需要时间控制的应用场所。
现在国内主要的品牌有灯联网、艾贝斯等,代表型号有ET101.1、ET102.1等。
光控开关功能和用途本系列智能光控开关,可以根据用户设定的时间(光照度门限)值,自由控制用电器的电源开关。
广泛用于路灯、霓虹灯、广告灯等需要按时间控制电源开关的用电设备。
用户可以根须需求设定四组开关灯时间,可以实现多时段开关灯。
用户也可以利用光控探头采集当地光照度,实现根据光照度开关灯。
四款光控开关电路图电路图一:光控开关在室内5~6 米范围内,可用手电光进行遥控,可以很方便地开启或关闭家用电器。
工作原理:电路如图192 所示。
由三极管VT1、光电二极管等组成光接收电路。
每接收到光照一次,就使由三极管VT2、VT3组成的双稳态电路发生翻转,通过三极管VT4 去驱动继电器K 工作,以控制家用电器的电源开关。
电路图二:声光控节能灯座节电效果显著,采用该灯座白天灯不亮,夜间有声音灯即亮该灯座电路简洁,声控部分采用了驻极体话筒,电路见附图所示220V电源经桥式整流220kΩ电阻降压100μF电容滤波后得到5V电压供给数字集成电路HD14011工作白天有光照时,光电二极管2CU呈低阻状态,IC的{1} {2}脚为低电位,{3}脚为高电位,白天不论有无声音,即不论{4}脚电位如何,{13}脚始终钳位于高电位,{12}脚也为高电位因此{11}脚为低电位,可控硅截止,灯泡不亮夜晚无光照时,U呈高阻状态,{3}脚为低电位,这时若有人发出声响,驻极体话筒拾取信号,经{5} {6}脚输入到放大器放大后由臆脚输出当{4}脚为低时,{13}脚也为低,{11}脚为高,触发可控硅BT169导通,灯泡点亮同时10μF电容充电,充电之初{8} {9}脚为高电位,使{12}脚为低电位声音过后,{13}脚恢复高电位,但由于{12}脚为低电位,所以{11}脚继续保持高电位,灯继续点亮10μF电容继续充电几十秒钟后,{8} {9}脚为低电位,{11}脚也翻转为低电位,可控硅截止,灯灭。
目录第1章设计目的 (1)第2章设计要求 (1)第3章硬件电路设计 (1)3.1 电路设计结构框图 (1)3.2 传感器的选择 (2)3.3 光敏三极管转换电路图 (2)3.4 电路的工作原理 (3)第4章参数的计算 (3)第五章分析误差 (4)第6章设计总结 (4)参考文献 (4)第1章设计目的前照车灯在夜晚驾车行驶上有着不可替代的角色,它的正确使用跟驾驶员的安全行驶有着很大的关系。
根据我国机动车行驶法律规定:夜间会车在距相对方向来车150米以外改为近光灯,在窄路、窄桥与非机动车会车时不能使用远光灯。
但是,夜间行车时由于司机视距较近,精力高度集中,加之目前汽车的近远光灯转换开关都是采用手动或者脚动操作,频繁操作容易引起驾驶员的疲劳,因此近远光灯转换不及时而干扰驾驶员视线引发的交通事故时有发生,给人类财产带来极大的威胁。
为了更加安全的行驶,提高行车速度。
需要用两个光敏三极管构成的灯光亮度自动转换电路,来实现适用于汽车远光灯与近光灯的自动转换转换装置,为驾驶员在夜间行驶提供安全、方便。
第2章设计要求1.选择两只光敏三极管组合设计一个能进行灯光亮度转换电路。
2.当被面对行驶车辆的灯光照射时,传感器接受的信号呈低阻状态,单向晶闸管导通,继电器线圈得电吸合,近光灯亮,远光灯灭;反之,远光灯亮,远近光灯灭。
第3章硬件电路设计3.1 电路设计结构框图利用两个光敏三极管构成的灯光转换电路的结构框图如图所示图3-1电路设计结构框图3.2传感器的选择此次设计用的是光敏三极管,光敏三极管和普通三极管相似,也有电流放大作用,只是它的集电极电流不只是受基极电路和电流控制,同时也受光辐射的控制。
光敏三极管又称光电三极管,它是一种光电转换器件,其基本原理是光照到P-N 结上时,吸收光能并转变为电能。
当光敏三极管加上反向电压时,管子中的反向电流随着光照强度的改变而改变,光照强度越大,反向电流越大,大多数都工作在这种状态。
光敏三极管的工作原理为:光敏三极管有一个对光敏感的PN 结作为感光面,一般用集电结作为受光结,因此,光敏三极管实质上是一种相当于在基极和集电极之间接有光敏二极管的普通三极管。
三极管变色闪光灯电路图
在多谐振荡器两只三极管得集电极分别接上发光管,发光管就能够依多谐振荡器得周期进行交替闪烁,此电路用途广泛,可用与家居装饰等!
电路工作原理
本电路采用高增益pnp型锗管vt3, vt4组成多谐振荡器,有两级反相器首尾连接,级间利用电容c3, c4耦合,其工作周期为1s!
元件选择与调试
三极管应选择集电极电流大于50ma得 9012或9015,发光管应选择高亮度得管子!
若想改变闪烁得速度,可以调整c3, c4得容量,也可以用微调代替r3, r4,条好后换上相应数值得电阻即可!。