直流EMI滤波器设计原则
- 格式:pdf
- 大小:88.73 KB
- 文档页数:3
EMI滤波器的设计原理首先,要了解EMI滤波器的设计原理,我们需要了解电磁干扰的基本特性。
电磁干扰是指在电路中传输的电流和电压信号中引入噪声或干扰的现象。
电磁干扰可以分为传导干扰和辐射干扰两种类型。
传导干扰是指电磁干扰通过导线或电路板上的传输线传播的干扰信号,而辐射干扰则是指干扰信号通过电路中的元器件辐射到周围环境中。
为了抑制电磁干扰,EMI滤波器利用传输线理论来设计。
传输线理论是一种用于描述电磁波在导线或电缆中传播的理论。
根据传输线理论,电磁波在导线中的传播会受到电感和电容的影响。
因此,通过选择合适的电感和电容器,并将它们组合成适当的电路结构,可以实现对电磁干扰的滤波作用。
1.频率响应:根据电磁干扰的频率范围选择合适的滤波器类型。
常见的滤波器类型包括低通滤波器、高通滤波器、带通滤波器和带阻滤波器等。
2.阻抗匹配:为了最大限度地抑制电磁干扰,滤波器需要具有与干扰信号源或受干扰设备之间的阻抗匹配。
阻抗匹配可以减少信号的反射和传输损耗。
3.电感和电容的选择:根据频率响应和阻抗匹配的要求选择合适的电感和电容器。
电感和电容器的数值越大,滤波器对干扰信号的抑制效果越好。
4.滤波网络的结构:根据具体的应用需求确定滤波器的电路结构。
常见的滤波器结构包括Pi型滤波器、T型滤波器、L型滤波器等。
在实际设计中,需要进行电路仿真和实验测试来评估滤波器的性能。
通过调整电感和电容的数值、调整滤波器的结构等方式,可以进一步优化滤波器的性能。
总结起来,EMI滤波器的设计原理是基于电磁干扰的特性和传输线理论,通过选择合适的电感和电容器,并将它们组合成适当的电路结构,来实现对电磁干扰的滤波作用。
在实际设计中,需要考虑频率响应、阻抗匹配、电感和电容器的选择以及滤波网络的结构等因素,通过电路仿真和实验测试来评估滤波器的性能并进行优化。
EMI 滤 波 器 原 理 与 设 计 方 法 详 解输入端差模电感的选择输入端差模电感的选择::1. 差模choke 置于L 线或N 线上,同时与XCAP 共同作用F=1 / (2*π* L*C)2. 波器振荡频率要低于电源供给器的工作频率,一般要低于10kHz 。
3. L = N2AL (nH/N2)nH4. N = [L (nH )/AL(nH/N2)]1/2匝5. AL = L (nH )/ N2nH/N26. W =(NI )2AL / 2000µJ输入端共模电感的选择输入端共模电感的选择::共模电感为EMI 防制零件,主要影响Conduction 的中、低频段,设计时必须同时考虑EMI 特性及温升,以同样尺寸的Common Choke 而言,线圈数愈多(相对的线径愈细),EMI 防制效果愈好,但温升可能较高。
传导干扰频率范围为0.15~30MHz ,电场辐射干扰频率范围为30~100MHz 。
开关电源所产生的干扰以共模干扰为主。
产生辐射干扰的主要元器件除了开关管和高频整流二极管还有脉冲变压器及滤波电感等。
注意:1. 避免电流过大而造成饱和。
2.Choke 温度系数要小,对高频阻抗要大。
3.感应电感要大,分布电容要小。
4.直流电阻要小。
B = L * I / (N * A) (B shall be less than 0.3)L = Choke inductance. I = Maximum current through choke. N = Number of turns on choke.A = Effective area of choke. (for drum core, can approximate with cross section area of center pole.)假设在50KHZ 有24DB 的衰减则,共模截止频率Fc = Fs*10Att/4 0 = 50*10-24/40=12.6KHZ 电感值L= (RL*0.707)/(∏*Fc) = (500.707)/(3.14*12.6) = 893uH使用磁芯和磁棒作滤波电感时应注意自身的阻抗,对于共模电感不能使用低阻抗的磁芯和磁棒,否则会造成炸机现象。
直流电源EMI滤波器的设计原则、网络结构、参数选择1设计原则——满足最大阻抗失配插入损耗要尽可能增大,即尽可能增大信号的反射。
设电源的输出阻抗和与之端接的滤波器的输人阻抗分别为ZO和ZI,根据信号传输理论,当ZO≠ZI时,在滤波器的输入端口会发生反射,反射系数p=(ZO-ZI)/(ZO+ZI)显然,ZO与ZI相差越大,p便越大,端口产生的反射越大,EMI信号就越难通过。
所以,滤波器输入端口应与电源的输出端口处于失配状态,使EMI信号产生反射。
同理,滤波器输出端口应与负载处于失配状态,使EMI信号产生反射。
即滤波器的设什应遵循下列原则:源内阻是高阻的,则滤波器输人阻抗就应该是低阻的,反之亦然。
负载是高阻的,则滤波器输出阻抗就应该是低阻的,反之亦然。
对于EMI信号,电感是高阻的,电容是低阻的,所以,电源EMI滤波器与源或负载的端接应遵循下列原则:如果源内阻或负载是阻性或感性的,与之端接的滤波器接口就应该是容性的。
如果源内阻或负载是容性的,与之端接的滤波器接口就应该是感性的。
2 EMI滤波器的网络结构EMI信号包括共模干扰信号CM和差模干扰信号DM,CM和DM的分布如图1所示。
它可用来指导如何确定EMI滤波器的网络结构和参数。
EMI滤波器的基本网络结构如图2所示。
上述4种网络结构是电源EMI滤波器的基本结构,但是在选用时,要注意以下的间题:l)双向滤波功能——电网对电源、电源对电网都应该有滤波功能。
2)能有效地抑制差模干扰和共模干扰——工程设计中重点考虑共模干扰的抑制。
3)最大程度地满足阻抗失配原则。
几种实际使用的电源EMI滤波器的网络结构如图3所示。
3电源EMI滤波器的参数确定方法a)放电电阻的取值在允许的情况下,电阻取值要求越小越好,需要考虑以下情况:第一,电阻要求采用二级降额使用,保证可靠性。
降额系数为0.75 V,0. 6 W。
根据欧姆定律可求出n>(0.75Ve)2/(0.6 Pe)。
第二,经过雷击浪涌后有残压,其瞬时值一般在1000 V取值;其瞬时功率值不能超过额定功率值的4倍,也可求出R>(Vcy)2/(4Pe)。
EMI滤波器电路原理及设计
EMI滤波器的原理是基于信号的频率特性和线路的阻抗匹配。
在设计EMI滤波器时,首先需要分析电路中的电磁干扰源,并根据干扰频率的不
同选择合适的滤波器类型。
常见的滤波器类型包括低通滤波器、高通滤波器、带通滤波器和带阻滤波器。
在滤波器的设计中,核心是选择合适的元件参数以及电路拓扑结构。
其中电感和电容是常用的滤波元件,它们的选择需要考虑滤波器的频率响
应特性。
一般来说,电感可用于低频段的滤波,而电容则适用于高频段的
滤波。
在滤波器的设计中还需要考虑元件的阻抗匹配,以提高滤波效果。
除了滤波器,EMI滤波器还包括抑制器。
抑制器通过增加抑制网络,
进一步提高滤波器对电磁干扰的抑制效果。
抑制网络一般包括与电磁干扰
源之间的串联电感和并联电容。
它们通过改变电路的阻抗特性,减少电磁
干扰信号的传输和辐射。
在设计EMI滤波器时,还需要考虑电路的输入和输出特性以及滤波器
的功率损耗。
输入和输出特性的分析包括电压、电流和功率的测量与计算,以保证滤波器在工作范围内的性能。
而功率损耗则是指滤波器对信号的能
量损耗,需要控制在合理的范围内,以避免对整体电路性能的影响。
总之,EMI滤波器的设计原理是基于信号的频率特性和线路的阻抗匹配。
通过选择合适的滤波器类型、元件参数和抑制网络,可以实现对电磁
干扰的抑制。
设计时需要考虑电路的输入和输出特性以及滤波器的功率损耗,以保证滤波器正常工作并提供良好的滤波效果。
开关电源EMI滤波器原理和设计研究开关电源EMI滤波器是用来减少开关电源产生的电磁干扰(EMI)的一种装置。
EMI是指开关电源工作时产生的高频干扰信号,可能会对其他电子设备、无线通信和无线电接收产生干扰,影响它们的正常工作。
EMI滤波器通过合理设计,能有效地抑制开关电源产生的EMI信号,从而减少对其他设备的干扰。
EMI滤波器的原理是基于电流和电压的相位关系来实现的。
开关电源在工作时会产生高频电流脉冲,而这些电流脉冲会通过开关电源输入端的电容等元件,从而形成高频电流回路。
EMI滤波器通过给开关电源输入端加上一个电感元件,阻断高频电流回路的形成,从而减小EMI信号的辐射。
设计EMI滤波器时需要考虑以下几个因素:1.工作频率范围:EMI滤波器需要在开关电源产生EMI信号的频率范围内有效工作。
根据具体的应用环境和要求,选择合适的滤波器工作频率范围。
2.滤波特性:滤波器需要具有良好的滤波特性,对于较高频率的EMI信号能够有较好的抑制效果。
常用的滤波器类型有低通滤波器、带通滤波器和带阻滤波器等。
3.过渡区域:滤波器在过渡区域需要平衡阻抗和频率之间的变化。
过渡区域越宽,滤波器的性能越好。
过渡区域的宽度需要根据具体要求进行设计。
4.安全和可靠性:EMI滤波器需要满足安全和可靠性的要求。
在设计过程中,需要考虑电源参数范围、电流和电压的安全范围等因素,以确保滤波器的稳定性和可靠性。
设计EMI滤波器的方法有多种,可以根据需求选择不同的设计方法。
常见的方法包括线性滤波器设计、Pi型滤波器设计和C型滤波器设计等。
其中,Pi型滤波器是应用最广泛的一种,它由两个电感和一个电容组成,能够对高频信号进行抑制。
总之,开关电源EMI滤波器的原理和设计研究是为了降低开关电源产生的电磁干扰,保证其他设备的正常工作。
通过合理的滤波器设计和选择合适的滤波器类型,可以有效地减少EMI信号对其他设备的干扰,提高系统的抗干扰性能。
EMI滤波器的设计原理随着电子设备、计算机与家用电器的大量涌现和广泛普及,电网噪声干扰日益严重并形成一种公害。
特别是瞬态噪声干扰,其上升速度快、持续时间短、电压振幅度高(几百伏至几千伏)、随机性强,对微机和数字电路易产生严重干扰,常使人防不胜防,这已引起国内外电子界的高度重视。
电磁干扰滤波器(EMI Filter)是近年来被推广应用的一种新型组合器件。
它能有效地抑制电网噪声,提高电子设备的抗干扰能力及系统的可靠性,可广泛用于电子测量仪器、计算机机房设备、开关电源、测控系统等领域。
1 电磁干扰滤波器的构造原理及应用1.11 构造原理电源噪声是电磁干扰的一种,其传导噪声的频谱大致为10kHz~30MHz,最高可达150MHz。
根据传播方向的不同,电源噪声可分为两大类:一类是从电源进线引入的外界干扰,另一类是由电子设备产生并经电源线传导出去的噪声。
这表明噪声属于双向干扰信号,电子设备既是噪声干扰的对象,又是一个噪声源。
若从形成特点看,噪声干扰分串模干扰与共模干扰两种。
串模干扰是两条电源线之间(简称线对线)的噪声,共模干扰则是两条电源线对大地(简称线对地)的噪声。
因此,电磁干扰滤波器应符合电磁兼容性(EMC)的要求,也必须是双向射频滤波器,一方面要滤除从交流电源线上引入的外部电磁干扰,另一方面还能避免本身设备向外部发出噪声干扰,以免影响同一电磁环境下其他电子设备的正常工作。
此外,电磁干扰滤波器应对串模、共模干扰都起到抑制作用。
1.2 基本电路及典型应用电磁干扰滤波器的基本电路如图1所示。
该五端器件有两个输入端、两个输出端和一个接地端,使用时外壳应接通大地。
电路中包括共模扼流圈(亦称共模电感)L、滤波电容C1~C4。
L对串模干扰不起作用,但当出现共模干扰时,由于两个线圈的磁通方向相同,经过耦合后总电感量迅速增大,因此对共模信号呈现很大的感抗,使之不易通过,故称作共模扼流圈。
它的两个线圈分别绕在低损耗、高导磁率的铁氧体磁环上,当有电流通过时,两个线圈上的磁场就会互相加强。
EMI电源滤波器设计与测试引言:随着电子设备的广泛应用,电源滤波器的重要性日益突出。
由于电子设备会产生较大的电磁干扰(EMI),这些干扰信号会传播到电源网络中,可能会干扰其他设备的正常运行。
因此,正确设计和测试EMI电源滤波器对于电子设备的稳定运行至关重要。
一、EMI电源滤波器的设计1.确定滤波器的类型:常见的滤波器类型有低通滤波器、带通滤波器和带阻滤波器。
根据特定应用的需求,选择合适的滤波器类型。
2.确定滤波器的频率范围:根据所需的高频抑制能力,选择适当的频率范围。
一般来说,电源干扰的频率范围为100kHz至100MHz。
3.确定滤波器的元件:根据所选滤波器类型和频率范围,选择适当的元件。
常见的元件包括电容器、电感器和阻抗。
4.设计滤波器电路:根据所选元件的电感值和电容值,使用传统的电路设计方法设计滤波器电路。
5.进行仿真和优化:使用电路仿真软件,对设计的滤波器电路进行仿真和优化。
通过调整元件值,使得滤波器在所选频率范围内具有最佳的抑制效果。
6.制作和组装滤波器:根据设计的滤波器电路,制作电路板并组装滤波器。
二、EMI电源滤波器的测试完成滤波器设计后,需要进行测试以确保其设计和性能的有效性。
以下是几个常见的EMI电源滤波器测试方法:1.静态电源测试:在电源线输入端与滤波器间,使用功率分配器和示波器测试静态电源特性。
测试过程中,记录电源线的电压和电流波形,评估滤波器阻尼和节能能力。
2.功率线谐波测试:使用功率线谐波测量仪器,测试滤波器是否能够有效抑制功率线谐波干扰信号。
测试过程中,记录功率线的谐波波形,并与滤波器前后的谐波波形进行比较。
3.射频干扰测试:使用射频信号发生器和射频频谱分析仪,测试滤波器是否能够有效抑制射频干扰信号。
测试过程中,调整射频信号的频率和幅度,记录射频信号在滤波器前后的幅度和频谱。
4.整体性能测试:测试滤波器的整体性能,包括频率响应、损耗和抑制能力等。
测试过程中,使用信号发生器和示波器记录输入和输出信号,并计算滤波器的传递函数、损耗和抑制程度。
电源EMI滤波器的设计方法1. 确定fcn的一般方法扼流圈截止频率fcn要根据电磁兼容性设计要求确定。
对于骚扰源,要求将骚扰电平降低到规定的范围;对于接收器,其接收品质体现在对噪声容限的要求上。
对于一阶低通滤波器截止频率可按下式确定:骚扰源:fcn=kT×(系统中最低骚扰频率);接收机:fcn=kR×(电磁环境中最低骚扰频率)。
式中,kT、kR根据电磁兼容性要求确定,一般情况下取1/3或1/5。
例如:电源噪声扼流圈或电源输出滤波器截止频率取fcn=20~30kHz(当开关电源频率f=100kHz时);信号噪声扼流圈截止频率取fcn=10~30MHz(对传输速率为100Mbps的信息技术设备)。
此外,对于输入电流有特殊波形的设备,例如接有直接整流-电容滤波的电源输入电路(未作功率因数校正(PFC)的开关电源和电子镇流器之类电器通常如此),要滤除2~40次电流谐波传导干扰,噪声扼流圈截止频率fcn可能取得更低一些。
例如,美国联邦通信委员会(FCC)规定电磁干扰起始频率为300kHz;国际无线电干扰特别委员会(CISPR)规定为150kHz;美国军标规定为10kHz。
2. 噪声滤波器电路当扼流圈插入电路后,其提供的噪声抑制效果,不但取决于扼流圈阻抗ZF大小,也与扼流圈所在电路前后阻抗(即源阻抗和负载阻抗)有关。
网络分析指出:在工作频率范围内,传输线输入输出阻抗匹配,可以最大限度传输信号功率;对于噪声,我们自然会想到插入噪声滤波器,使其输入输出阻抗在噪声频率范围内失配,以最大限度抑制噪声。
因此,噪声滤波器结构和构成元件的选择要由噪声滤波器所在电路的源阻抗和负载阻抗而定。
从这个意义上说抗EMI滤波器实际上是噪声失配滤波器。
这里,我们特别提出噪声失配概念有利于对噪声与噪声滤波器相互作用的分析(见后面应用原理部分)。
噪声滤波器电路通常采用π形、T形、L形电路结构及他们的组合等,作成低通滤波器,基本电路结构形式如图1所示。
直流电源EMI滤波器的设计原则、网络结构、参数选择2004-06-30zhu_pc 点击: 2367直流电源EMI滤波器的设计原则、网络结构、参数选择1设计原则——满足最大阻抗失配插入损耗要尽可能增大,即尽可能增大信号的反射。
设电源的输出阻抗和与之端接的滤波器的输人阻抗分别为ZO和ZI,根据信号传输理论,当ZO≠ZI时,在滤波器的输入端口会发生反射,反射系数p=(ZO-ZI)/(ZO+ZI)显然,ZO与ZI相差越大,p便越大,端口产生的反射越大,EMI信号就越难通过。
所以,滤波器输入端口应与电源的输出端口处于失配状态,使EMI信号产生反射。
同理,滤波器输出端口应与负载处于失配状态,使EMI信号产生反射。
即滤波器的设什应遵循下列原则:源内阻是高阻的,则滤波器输人阻抗就应该是低阻的,反之亦然。
负载是高阻的,则滤波器输出阻抗就应该是低阻的,反之亦然。
对于EMI信号,电感是高阻的,电容是低阻的,所以,电源EMI滤波器与源或负载的端接应遵循下列原则:如果源内阻或负载是阻性或感性的,与之端接的滤波器接口就应该是容性的。
如果源内阻或负载是容性的,与之端接的滤波器接口就应该是感性的。
2 EMI滤波器的网络结构EMI信号包括共模干扰信号CM和差模干扰信号DM,CM和DM的分布如图1所示。
它可用来指导如何确定EMI滤波器的网络结构和参数。
EMI滤波器的基本网络结构如图2所示。
上述4种网络结构是电源EMI滤波器的基本结构,但是在选用时,要注意以下的间题:l)双向滤波功能——电网对电源、电源对电网都应该有滤波功能。
2)能有效地抑制差模干扰和共模干扰——工程设计中重点考虑共模干扰的抑制。
3)最大程度地满足阻抗失配原则。
几种实际使用的电源EMI滤波器的网络结构如图3所示。
3电源EMI滤波器的参数确定方法a)放电电阻的取值在允许的情况下,电阻取值要求越小越好,需要考虑以下情况:第一,电阻要求采用二级降额使用,保证可靠性。
降额系数为0.75 V,0. 6 W。
EMI电源滤波器的设计EMI电源滤波器通常由三部分组成:差模滤波部分、共模滤波部分和终端滤波部分。
差模滤波器主要用于滤除差模模式的干扰信号,共模滤波器主要用于滤除共模模式的干扰信号,而终端滤波器用于进一步滤除残余的高频干扰信号。
在设计EMI电源滤波器时,首先需要确定所需的滤波频率范围以及所能容忍的最大干扰水平。
然后,选择合适的滤波器拓扑结构和元件。
常用的拓扑结构包括RC滤波器、LC滤波器、Pi型滤波器、T型滤波器等。
具体的设计步骤如下:1.确定滤波频率范围:根据应用需求和电磁兼容性(EMC)标准要求,确定滤波器应该滤除的频率范围。
2.选择滤波器拓扑结构:根据滤波频率范围选择合适的滤波器拓扑结构。
RC滤波器适用于低频滤波,LC滤波器适用于高频滤波,Pi型滤波器和T型滤波器适用于中频滤波。
3.计算元件数值:根据滤波器的拓扑结构和所需的滤波频率范围,计算出所需的电阻、电容和电感元件的数值。
这些元件的数值可以通过经验公式或者电路仿真工具进行计算。
4.选取合适的元件:根据计算的元件数值,选取合适的电阻、电容和电感元件。
在选取电感元件时,需要考虑元件的电流和电压容量,以保证滤波器的可靠性和稳定性。
5.组装滤波器电路:根据设计的滤波器电路图,组装电阻、电容和电感元件。
在组装过程中,需要确保元件的良好焊接和连接,以避免电流或电压泄漏。
6.测试和优化:组装完成后,对滤波器进行测试和优化。
通过使用示波器或者频谱分析仪等测试设备,可以检测滤波器的滤波效果和性能,并进行必要的优化调整。
总结起来,EMI电源滤波器的设计需要经过确定滤波频率范围、选择滤波器拓扑结构、计算元件数值、选取合适的元件、组装滤波器电路和测试优化等步骤。
通过合理的设计和优化,可以有效降低电源中的电磁干扰,提高电子设备的可靠性和稳定性。
EMI电源滤波器的设计EMI(Electromagnetic Interference)电源滤波器是一种用来减少或阻止电源上的电磁干扰的设备。
电磁干扰可能会来自电源本身,也可能是外部电源信号通过电源线传播进来。
在电气和电子设备中,EMI电源滤波器的设计是非常重要的,它可以有效地减少电磁干扰对电子设备正常运行的干扰。
本文将介绍EMI电源滤波器的设计过程和相关考虑因素。
首先,EMI电源滤波器的设计需要明确滤波器的目标和要求。
不同的应用场景和要求可能需要不同类型或不同参数的滤波器,因此在设计之前需要明确这些要求。
一般来说,EMI电源滤波器的主要目标是滤除电源线上的高频干扰信号,保证电源线上的电能传输稳定和可靠。
接下来,设计者需要考虑滤波器的工作频率范围。
EMI电源滤波器一般工作在几十kHz至几十MHz的范围内,设计时需要选择适当的频率范围,并且根据实际应用场景确定滤波器的通带和阻带要求。
在设计过程中,选择合适的滤波器拓扑结构是非常重要的。
常见的EMI电源滤波器拓扑结构包括低通滤波器、带通滤波器和带阻滤波器等。
低通滤波器用于滤除高频干扰信号,常见的结构包括RC低通滤波器和LC低通滤波器等。
带通滤波器可以滤除一定范围的频率信号,常见的结构包括LC带通滤波器和RL带通滤波器等。
带阻滤波器可以滤除一些特定频率范围的信号,常见的结构包括LC带阻滤波器和RL带阻滤波器等。
根据实际应用需求,选择合适的滤波器结构。
在滤波器的具体参数设计中,设计者还需要考虑滤波器的阻抗匹配问题。
滤波器与电源或负载间的阻抗匹配是保证滤波器正常工作的重要因素。
通过合适的阻抗匹配,可以最大限度地减小传输线上的能量反射,提高滤波器的传输效率,并减少干扰信号的发射和接收。
此外,设计者还需要根据实际应用场景确定滤波器的输入和输出连接方式。
常见的连接方式包括串联连接、并联连接和混合连接等。
选择合适的连接方式可以提高滤波器的实际性能和可靠性。
最后,为了确保EMI电源滤波器的正确设计和工作,设计者需要进行相关的测试和验证。
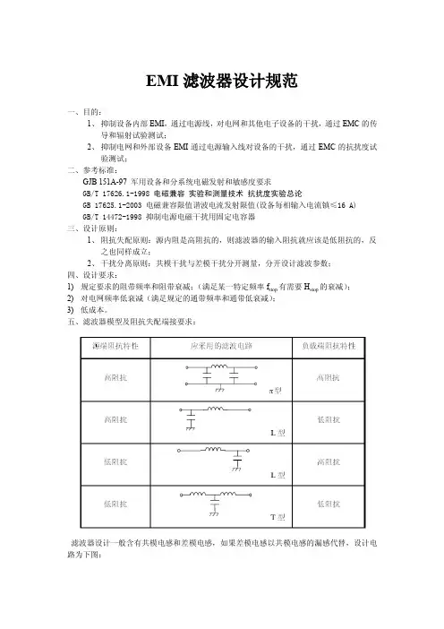
EMI滤波器设计规范一、目的:1、抑制设备内部EMI,通过电源线,对电网和其他电子设备的干扰,通过EMC的传导和辐射试验测试;2、抑制电网和外部设备EMI通过电源输入线对设备的干扰,通过EMC的抗扰度试验测试;二、参考标准:GJB 151A-97 军用设备和分系统电磁发射和敏感度要求GB/T 17626.1-1998 电磁兼容实验和测量技术抗扰度实验总论GB 17625.1-2003 电磁兼容限值谐波电流发射限值(设备每相输入电流镇≤16 A)GB/T 14472—1998 抑制电源电磁干扰用固定电容器三、设计原则:1、阻抗失配原则:源内阻是高阻抗的,则滤波器的输入阻抗就应该是低阻抗的,反之也同样成立;2、干扰分离原则:共模干扰与差模干扰分开测量,分开设计滤波参数;四、设计要求:1)规定要求的阻带频率和阻带衰减;(满足某一特定频率f stop有需要H stop的衰减);2)对电网频率低衰减(满足规定的通带频率和通带低衰减);3)低成本.五、滤波器模型及阻抗失配端接要求:滤波器设计一般含有共模电感和差模电感,如果差模电感以共模电感的漏感代替,设计电路为下图:N2CY2CY 1CY1CY1CX2CXL图1:EMI滤波器典型结构设计电路的模型为下图50Ω50ΩCX1CYLCCX2CYLNLD骚扰源图2:一般模型共模模型如下25Ω2CYL N共模LC LD/2噪声图3:共模模型L CM =LC+LD/2 (1)C CM =2CY (2)2CyL 21)2Cy 2/LD (LC 21f C CM R,⨯≈+=ππ (LC 〉〉LD/2)差模模型如下:100ΩCY/2L N共模LC2LD噪声CX1CX2图4:差模模型 L DM =2LD+LC (3)C DM =C x1/2=C x2/2(4) (C Y /2可省略)X1C DM DM R,)C L L 2(221f +⨯=π差模和共模的衰减曲线如下:图5:衰减曲线六、滤波器设计:1、 测量干扰源等效阻抗Z source 和电网等效阻抗;2、 测量出未加滤波器前的干扰噪声频谱,并利用噪声分离器将共模噪声V MEASUREE,CM 和差模噪声V measure ,CM 分离,做出相应的干扰频谱;3、 计算滤波器所需要的共模、差模衰减:(V req,CM )dB=(V measure ,CM )-(V standard,CM )+3dB(V req ,DM )dB=(V measure,DM )-(V standard ,DM )+3dB4、 斜率分别为40dB/dec 和60dB/dec 的两条斜线与频率轴的交点即为f R ,CM 和f R ,DM 。
直流电源EMI滤波器的设计原则、网络结构、参数选择
1设计原则——满足最大阻抗失配
插入损耗要尽可能增大,即尽可能增大信号的反射。
设电源的输出阻抗和与之端接的滤波器的输人阻抗分别为ZO和ZI,根据信号传输理论,当ZO≠ZI时,在滤波器的输入端口会发生反射,反射系数
p=( ZO- ZI)/( ZO+ ZI)
显然,ZO与ZI相差越大,p便越大,端口产生的反射越大,EMI信号就越难通过。
所以,滤波器输入端口应与电源的输出端口处于失配状态,使EMI信号产生反射。
同理,滤波器输出端口应与负载处于失配状态,使EMI信号产生反射。
即滤波器的设什应遵循下列原则:源内阻是高阻的,则滤波器输人阻抗就应该是低阻的,反之亦然。
负载是高阻的,则滤波器输出阻抗就应该是低阻的,反之亦然。
对于EMI信号,电感是高阻的,电容是低阻的,所以,电源EMI滤波器与源或负载的端接应遵循下列原则:
如果源内阻或负载是阻性或感性的,与之端接的滤波器接口就应该是容性的。
如果源内阻或负载是容性的,与之端接的滤波器接口就应该是感性的。
2 EMI滤波器的网络结构
EMI信号包括共模干扰信号CM和差模干扰信号DM,CM和DM的分布如图1所示。
它可用来指导如何确定EMI滤波器的网络结构和参数。
EMI滤波器的基本网络结构如图2所示。
上述4种网络结构是电源EMI滤波器的基本结构,但是在选用时,要注意以下的间题:
l)双向滤波功能——电网对电源、电源对电网都应该有滤波功能。
2)能有效地抑制差模干扰和共模干扰——工程设计中重点考虑共模干扰的抑制。
3)最大程度地满足阻抗失配原则。
几种实际使用的电源EMI滤波器的网络结构如图3所示。
3电源EMI滤波器的参数确定方法
a)放电电阻的取值
在允许的情况下,电阻取值要求越小越好,需要考虑以下情况:
第一,电阻要求采用二级降额使用,保证可靠性。
降额系数为0.75 V,0. 6 W。
根据欧姆定律可求出n>(0.75Ve)2/(0.6 Pe)。
第二,经过雷击浪涌后有残压,其瞬时值一般在1000 V取值;其瞬时功率值不能超过额定功率值的4倍,也可求出R>(Vcy)2/(4Pe)。
两者综合考虑取R值,一般情况下,电阻R的取值为75-200 K之间。
功率为2-3 W。
金属模电阻。
b)Cx电容的取值
在允许的情况下,容量要求越大越好,其值很难确切地估算出来,一般情况下,要求取值在l-5uf之间(对每个电容)。
电容的耐压值必须经过雷击浪涌后取值,有残压,其瞬时值一般在1000V/s时不损坏,按二级降额的原则选取,取值在275 V,频率特性与电容的取值有关,取值越小,频率特性越好。
c)Cy电容的取值
在允许的情况下,容量要求越大越好,其值很难确切地估算出来,但是不能太大,太大则漏电流较大,一般情况下,要求取值在2 200-4 700 pf之间(对每个电容)。
电容的耐压值必须经过雷击浪涌后取值,有残压,其瞬时值一般在1000V/S 时不损坏,按二级降额的原则选取,取值275 V,频率特性与电容的取值有关,取值越小,频率特性越好。
Cx电容和Cy电容,一般都是通过较小的电容并联来满足容量的要求,这样滤波器的高频特性好。
d) 电感的取值
材料的选取原则——从以下几个方面考虑:第一,磁芯材料的频率范围要宽,要保证最高频率在1GHz,即在很宽的频率范围内有比较稳定的磁导率。
第二,磁导率高,但是在实际中很难满足这一要求,所以,磁导率往往是分段考虑的。
磁芯材料一般是铁氧体。
电感量的估算——考虑阻抗和频率。
共模扼流圈取值 1.5-5 mH,差模扼流圈取值为 10-50uH;。
4直流电源EMI滤波器的安装耍求
滤波器对电磁干扰的抑制作用不仅取决于滤波器本身的设计和它的实际工作条件,而且在很大程度上还取决于滤波器的安装情况。
滤波器引线与安装位置也是很重要的问题。
这是考虑到电源线除了沿电源线的传导时会传输电磁干扰外,还会在传输过程中将电磁干扰辐射出去,对附近的敏感电路(或设备)造成辐射耦合。
因此必须考虑滤波器的输人线和输出线之间不存在耦合,否则会导致滤波器的性能下降。
为此,滤波器的输人线最好不直接引人设备内部,而是经过滤波之后才进入设备内部,利用设备机壳的自然屏蔽作用,把电源产生的辐射场排除在设备外部。
电源输人线不要过长。
滤波器的安装位置要紧靠电源人口。
滤波器输入线和输出线不要靠得太近。
滤波器要良好接地,并且不能单根线按地,要与金属机壳大面积接触。
滤波器的引脚或引线要尽可能的短。
滤波器如果要和其它电路相连接,最好用接插件。
5总结
1)滤波器金属外壳与机箱壳必须保证良好的接触,并将接地线接好。
2)滤波器输人线、输出线必须有一定的距离,避免滤波器性能下降。
3)滤波器的连线以选用双绞线为佳,可以消除部分高频干扰。
4)滤波器的安装位置应首选在电源入口处,以缩短输入线在机箱内的长度,减小辐射干扰
5)滤波器的选用主要考虑其插人损耗,生产厂商所给出的曲线一般取自 50Ω系统测试的结果,而实际应用的系统一般不在50Ω,插人损耗会有一些偏差,实际应用中电源滤波器是带通滤波器,要注意高频特性的影响。
6)滤波器选用的第2点是要注意工作电压,工作电流和漏电流,以免影响使用。
7)滤波器的低频特性性能与体积有关,如果希望低频性能好,一般以牺牲体积为代价。