粗晶碳化钨的生产方法
- 格式:docx
- 大小:16.15 KB
- 文档页数:1
碳化钨机械加工方法,首先根据零件图样来选择加工方法:一、如果只是一些穿孔,异形边缘,可以选择线切割;二、如果是形状十分复杂的,直接开铸造模具加工;三、如果是平面,或者圆柱面,可以选择磨削加工;四、如果是些异形孔且不穿透的,则可以选择电火花加工。
生产方法:以金属钨和碳为原料,将平均粒径为3~5μm的钨粉与等物质的量的碳黑用球磨机干混,充分混合后,加压成型后放入石墨盘,再在石墨电阻炉或感应电炉中加热至1400~1700℃,最好控制在1550~1650℃。
在氢气流中,最初生成W2C,继续在高温下反应生成W C。
或者首先将六羰基钨在650~1000℃、CO气氛中热分解制得钨粉,然后与一氧化碳于1150℃反应得到WC,温度高于该温度可生成W2C。
化学反应式:将三氧化钨WO3加氢还原制得钨粉(平均粒度3~5μm)。
再把钨粉与炭黑按等摩尔比的混合物(用球磨机干混约10h),在1t/cm2 左右的压力下加压成型。
将该加压成型料块放进石墨盘或坩埚内,用石墨电阻炉或感应电炉在氢气流中(使用露点为-35℃的纯氢)加热至1400~1700℃(最好是1550~1650℃),使之渗碳则生成WC。
反应从钨粒周围开始进行,因为在反应初期生成W2C,由于反应不完全(主要是反应温度低)除WC之外尚残存有未反应的W及中间产物W2C。
所以必须加热到上述高温。
应该根据原料钨的粒度大小来确定最高温度。
如平均粒度为150μm 左右的粗粒,则在1550~1650℃的高温下进行反应。
化学反应式:硬质合金对碳化钨WC粒度的要求,根据不同用途的硬质合金,采用不同粒度的碳化钨;硬质合金切削刀具,比如切脚机刀片V-CUT刀等,精加工合金采用超细亚细细颗粒碳化钨;粗加工合金采用中颗粒碳化钨;重力切削和重型切削的合金采用中粗颗粒碳化钨做原料;矿山工具岩石硬度高冲击负荷大采用粗颗粒碳化钨;岩石冲击小冲击负荷小,采用中颗粒碳化钨做原料耐磨零件;当强调其耐磨性抗压和表面光洁度时,采用超细亚细细中颗粒碳化钨做原料;耐冲击工具采用中粗颗粒碳化钨原料为主。
粗晶WC粉具有一些与中、细晶WC粉不同的特殊性能和特殊用途,尤其是高温WC具有结构缺陷少、显微硬度高、微观应变小等一系列优点,所以粗晶WC粉越来越获得各工业领域的重视。
粗晶WC粉广泛应用在地矿工具、冲压模具、石油钻采、硬面材料等领域。
近几年来,化合碳高、晶粒发育完整、晶粒度大、杂质含量低、微观缺陷少的优质粗晶WC更是成为许多厂家追求的目标。
制取粗晶WC的传统方法是先将WO X,在高温氢气氛中还原成粗晶W粉,再将粗晶W粉在高温下碳化制成粗晶WC粉。
这种方法一直沿用至今,随着材料科学和硬质合金工艺研究的发展。
粗晶WC粉的制造方法不断更新。
概括起来主要方法有以下几种:①粗颗粒W粉高温碳化法②氧化钨掺Li盐的中温还原和高温碳化法;③添加Co,Ni高温碳化法;④添加Na盐还原法;⑤APT快速煅烧快速还原法;⑥卤化物沸腾层氢还原法;⑦粗晶Al热工艺;⑧W 精矿熔盐碳化法(气体喷射法) 。
总体上来说。
世界范围内对W粉、WC粉的研究开发,不仅历史悠久,而且方兴未艾。
其研究热点两极化明显。
即往细至纳米WC粉的研发、往粗至大颗粒单晶的研发,对于粗晶WC而言,其研究热点已从还原、碳化过程的动力学、微量元素的行为以及粉末的形貌和粒度的研究,转变为现在新的工艺方法和新的应用领域的开发。
如在制造矿山工具用粗颗粒WC粉末经过多年的研究,目前已达到了一个较高的水平。
但就WC粉末本身的质量而言,国内一些厂家。
如株洲硬质合金集团公司、自贡硬质合金有限责任公司生产的WC与国外相比。
仍有一定的差距。
主要表现在WC粉末的聚集程度较高,粉末粒度不够粗大等。
目前,粗晶WC的生产工艺一般有3种:传统的二带钼丝炉高温还原高温碳化工艺;低温还原高温碳化的工艺;单晶WC工艺。
第1种工艺有产量低、能耗大、劳动强度大、以此WC生产的矿山工具易碎片、产品质量波动大等缺点,该工艺已经决定被淘汰。
相比之下,第2种工艺是一个巨大的进步。
但目前从使用的情况看,其质量也有不足,主要表现在以此WC为原料生产的合金晶粒形貌欠佳,并且合金晶粒较细,不够粗大。
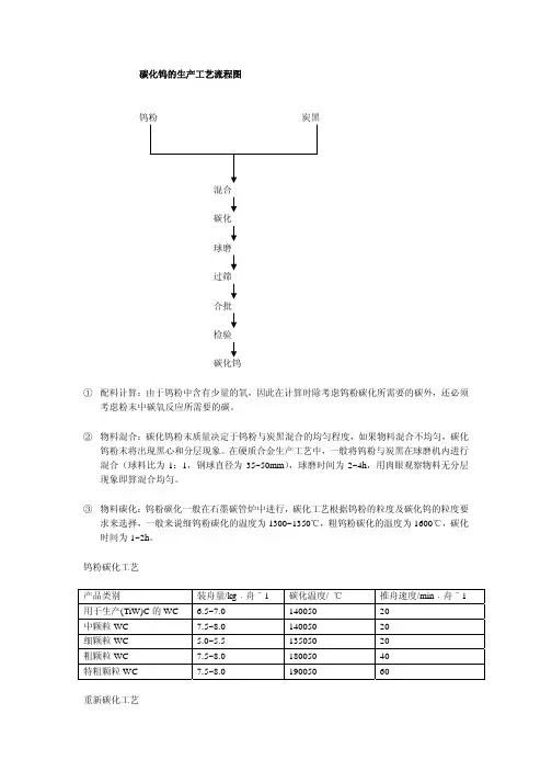
碳化钨生产工艺
碳化钨(WC)是一种硬度极高的材料,常用于制作刀具、模
具和磨料等工业产品。
碳化钨的生产工艺主要包括原料制备、混合、干燥、烧结和后处理等步骤。
首先,原料制备是碳化钨生产的第一步。
一般采用粉末冶金法,将钨粉和碳粉按一定的比例混合。
钨粉是以钨矿石为原料经过矿石选矿、提炼和粉碎等过程制备得到的。
碳粉则是以石墨为原料通过碳化反应制得。
然后,混合是将钨粉和碳粉按照一定的配方比例进行混合。
混合有两种常见的方式,一种是机械混合,将钨粉和碳粉放入球磨机中进行混合,使钨粉和碳粉均匀分布;另一种是湿法混合,先将钨粉和碳粉分别与有机络合剂混合,然后进行混合。
接下来是干燥环节,将混合后的钨碳粉在高温下进行干燥,以去除残留的水分。
干燥可以采用烘箱或者干燥室进行,温度和时间根据具体工艺要求进行控制。
烧结是碳化钨生产的关键步骤之一,通过高温下的加热处理将干燥后的钨碳粉烧结成块状。
烧结温度一般在1400℃至1600℃之间,并且需要保持一定的时间,使得钨粉和碳粉发生化学反应,生成碳化钨。
烧结后,还要进行后处理,主要包括热处理和机械加工。
热处理是将烧结体进行退火或者过烧处理,以调整材料的性能和减小内部应力。
而机械加工是将热处理后的碳化钨进行切割、车
削、打磨等工序,使其成为符合要求的最终产品。
总的来说,碳化钨的生产工艺包括原料制备、混合、干燥、烧结和后处理等几个主要步骤。
通过合理控制这些步骤的参数和工艺要求,可以得到质量稳定的碳化钨材料。
粗晶碳化钨的生产方法目前粗晶碳化钨的生产方法主要有:1.钨粉高温碳化高温长时碳化,可以使WC的晶格缺陷降至最低、微观应变最小,WC的塑性得到改善。
这是目前国内的主要生产方式。
碳化的温度不宜超过1800-1900℃,在超过1800℃,WC晶粒间易发生晶界融合长大,致使WC粒度分布不均。
一些研究表明,降低原料钨的粒度,提高碳化温度,降低碳化时间,可以提高获得的WC品质。
2.氧化钨掺锂盐的中温还原和高温碳化该法原理为:通过加入添加剂,加速WO3还原过程中的挥发沉积速率,致使钨粉粒度在较低的温度下得以长大,用于钨粉长大的添加剂为锂盐,该法主要用于制取矿用合金和冷微模合金。
3.添加钴、镍高温碳化在钨粉配碳时加入少量钴、镍或它们的氧化物,可以改变碳化机理,提高碳化的速度,此种方法生产的粗晶WC的晶粒度受配钴量的影响极大,配钴量越大所得WC越粗。
4.添加钠盐法在APT中添加钠盐,然后在较高的温度下还原,可得粒度大于10μm的粗钨粉,再经高温碳化可得粗颗粒WC粉。
该法还处于研究中,一些技术还不成熟。
5 .APT快速锻烧快速还原法此法的实质是将APT在850-1000℃下于氧化气氛中快速加热锻烧,然后在氢气炉中快速加热到1100-1300℃的温度下还原,用此种方法可制备粒度为25-36μm 的钨粉。
6. 卤化物沸腾层氢还原法将钨的氯化物或氟化物在沸腾层中用H2还原。
首先将H2和原始钨粉送入反应器底部,制成钨沸腾层,而卤化物蒸气由反应器上部通入反应器内,在给定的最佳温度下被H2还原成钨粉,并沉积在原始钨粉上,使原始钨粉逐渐粗化,定期有反应器内部卸出钨粉。
用此种方法制备的钨粉粒度大于40μm。
7.粗晶铝热工艺通过高吸热反应使WC直接从钨精矿中生产出来,该法能生产高纯度、粗颗粒、大块、单相WC晶粒。
8.钨精矿熔盐碳化法(气体喷射法)首先在1050-1100℃的高温下,用Na2SiO3-NaCl熔盐将钨精矿分解,将所生成的Na2WO4-NaCl熔盐相同含有Fe、Mn、Ca的硅酸盐相分离,然后用甲烷喷入熔盐相中,生成粗晶WC。
碳化钨制备工艺流程下载温馨提示:该文档是我店铺精心编制而成,希望大家下载以后,能够帮助大家解决实际的问题。
文档下载后可定制随意修改,请根据实际需要进行相应的调整和使用,谢谢!并且,本店铺为大家提供各种各样类型的实用资料,如教育随笔、日记赏析、句子摘抄、古诗大全、经典美文、话题作文、工作总结、词语解析、文案摘录、其他资料等等,如想了解不同资料格式和写法,敬请关注!Download tips: This document is carefully compiled by theeditor. I hope that after you download them,they can help yousolve practical problems. The document can be customized andmodified after downloading,please adjust and use it according toactual needs, thank you!In addition, our shop provides you with various types ofpractical materials,such as educational essays, diaryappreciation,sentence excerpts,ancient poems,classic articles,topic composition,work summary,word parsing,copy excerpts,other materials and so on,want to know different data formats andwriting methods,please pay attention!碳化钨制备工艺流程摘要:碳化钨是一种重要的工业材料,具有高硬度、高熔点和优异的化学稳定性等特点。
铸造碳化钨生产工艺
碳化钨是一种重要的高硬度合金材料,被广泛应用于机械加工、切削工具、矿山钻头和电子行业等领域。
下面将介绍碳化钨的铸造生产工艺。
碳化钨的生产主要包括原料选用、粉末制备、坯体铸造、热处理和表面处理等步骤。
原料选用:碳化钨的原料主要包括金属钨、石墨和碳化剂。
金属钨是主要的原料,用于提供合金中的钨元素。
石墨是用于抑制碳化钨的溶解和生长的晶须的形成。
碳化剂则用于提供碳元素。
在原料选择中,需要保证原料纯度高、杂质少、颗粒均匀等。
粉末制备:将金属钨和碳化剂按一定比例混合,然后在高温下进行煅烧和球磨处理,使其成为细小均匀的粉末。
这一步骤主要是为了获得合适的粉末颗粒大小和分布。
坯体铸造:将制备好的碳化钨粉末装入坯模中,经过密实、压实和烧结等操作,形成碳化钨坯体。
在整个坯体铸造过程中,需要控制压力、温度和时间等参数,以保证坯体的成型质量。
热处理:将铸造好的碳化钨坯体进行热处理。
热处理是为了改善材料的机械性能和组织结构,通常包括加热、保温和冷却等步骤。
通过合理的热处理工艺,可以获得所需的力学性能和组织结构。
表面处理:在热处理后,还需要对碳化钨进行表面处理。
表面处理可以提高碳化钨的抗腐蚀性能、硬度和润滑性等。
常用的表面处理方法包括电镀、镀硬化、喷涂等。
选用适当的表面处理方法,可以根据具体的应用需求来实现相应的表面性能。
以上是碳化钨生产的主要工艺步骤,通过这些步骤可以获得高质量、高性能的碳化钨产品。
超粗粒单晶碳化钨的制备方法以及由此制备的硬质金属佚名【期刊名称】《稀有金属快报》【年(卷),期】2005(24)4【摘要】本发明涉及一种通过在碱金属化合物存在下,对氧化钨粉末和/或氧化钼粉末进行还原和任选渗碳处理而制备钨金属粉末和/或钼金属粉末或其碳化物的方法。
该方法至少使用2种碱金属化合物,以使中间可能形成的混合碱金属钨酸盐((Li,Na,K)2WOz)或混合碱金属钼酸盐((Li,Na,K)2MoOz)的熔点小于550℃。
【总页数】1页(P32-32)【关键词】制备方法;碳化钨;碱金属化合物;硬质;单晶;粗粒;金属粉末;渗碳处理;碳化物;钼粉末;钨粉末;钨酸盐;钼酸盐;氧化;混合;Na;还原【正文语种】中文【中图分类】TQ534;TF125.3【相关文献】1.铸造碳化钨反应烧结制备粗晶硬质合金 [J], 吴迪;熊志翔;白英龙;果世驹;杨霞;徐红霞2.粗铜无氧化掺氮还原火法精炼工艺/适用于铝电解槽用炭块的加热装置/紫杂铜一步电解生产阴极铜的方法/电流直热式铝型材加热装置/铝合金型材表面涂装方法及专用设备/大型钨单晶/一种铜连铸熔炼炉的保温炉密封炉盖/高密度钨合金/铝冷轧机板型控制新技术/从含钨废料中回收钨的新工艺/铜阳极炉还原氧化铜的还原剂和还原方法/碳化钨涂覆金刚石的新方法/制造钛细粉末的新工艺/阳极杆矫直技术开发成功/国内最大直径多晶硅/数字成像传感器/熔融金属取样器/铝基稀土合金研制成功 [J],3.超粗粒单晶碳化钨和其制备方法以及由此制备的硬质金属 [J], 冶专4.超粗晶WC-Co硬质合金的制备方法与机理及性能研究 [J], 聂洪波5.碳化钨-抑制剂复合粉末及其超细硬质合金的制备方法 [J],因版权原因,仅展示原文概要,查看原文内容请购买。
粗晶碳化钨的生产方法
目前粗晶碳化钨的生产方法主要有:
1.钨粉高温碳化高温长时碳化,可以使WC的晶格缺陷降至最低、微观应变最小,WC的塑性得到改善。
这是目前国内的主要生产方式。
碳化的温度不宜超过1800-1900℃,在超过1800℃,WC晶粒间易发生晶界融合长大,致使WC粒度分布不均。
一些研究表明,降低原料钨的粒度,提高碳化温度,降低碳化时间,可以提高获得的WC品质。
2.氧化钨掺锂盐的中温还原和高温碳化该法原理为:通过加入添加剂,加速WO3还原过程中的挥发沉积速率,致使钨粉粒度在较低的温度下得以长大,用于钨粉长大的添加剂为锂盐,该法主要用于制取矿用合金和冷微模合金。
3.添加钴、镍高温碳化在钨粉配碳时加入少量钴、镍或它们的氧化物,可以改变碳化机理,提高碳化的速度,此种方法生产的粗晶WC的晶粒度受配钴量的影响极大,配钴量越大所得WC越粗。
4.添加钠盐法在APT中添加钠盐,然后在较高的温度下还原,可得粒度大于10μm的粗钨粉,再经高温碳化可得粗颗粒WC粉。
该法还处于研究中,一些技术还不成熟。
5 .APT快速锻烧快速还原法此法的实质是将APT在850-1000℃下于氧化气氛中快速加热锻烧,然后在氢气炉中快速加热到1100-1300℃的温度下还原,用此种方法可制备粒度为25-36μm 的钨粉。
6. 卤化物沸腾层氢还原法将钨的氯化物或氟化物在沸腾层中用H2还原。
首先将H2和原始钨粉送入反应器底部,制成钨沸腾层,而卤化物蒸气由反应器上部通入反应器内,在给定的最佳温度下被H2还原成钨粉,并沉积在原始钨粉上,使原始钨粉逐渐粗化,定期有反应器内部卸出钨粉。
用此种方法制备的钨粉粒度大于40μm。
7.粗晶铝热工艺通过高吸热反应使WC直接从钨精矿中生产出来,该法能生产高纯度、粗颗粒、大块、单相WC晶粒。
8.钨精矿熔盐碳化法(气体喷射法)首先在1050-1100℃的高温下,用Na2SiO3-NaCl熔盐将钨精矿分解,将所生成的Na2WO4-NaCl熔盐相同含有Fe、Mn、Ca的硅酸盐相分离,然后用甲烷喷入熔盐相中,生成粗晶WC。
该法优点成本低,约为通常60%,缺点是杂质(Mo、Cr、Fe、Ni、Si)含量偏高,需要长时间的化学处理。