核反应堆热工分析课程设计报告书详细过程版本
- 格式:doc
- 大小:231.50 KB
- 文档页数:29
反应堆课程设计一、课程目标知识目标:1. 了解核能反应堆的基本原理,掌握其组成部分及功能;2. 掌握核反应堆的热能转换过程,理解热效率的计算方法;3. 了解核反应堆的安全特性,掌握核安全的基本知识。
技能目标:1. 能够运用所学知识,分析核反应堆的运行原理,并进行简单的热能转换计算;2. 能够通过实例,解释核反应堆的安全措施,评估核事故的风险;3. 能够运用团队合作,设计并展示一个核反应堆模型。
情感态度价值观目标:1. 培养学生对核能的客观认识,提高对能源问题的关注和责任感;2. 增强学生的环保意识,认识到核能在可持续发展中的重要性;3. 培养学生严谨的科学态度,提高对核安全的重视。
本课程针对高年级学生,结合学科特点,注重理论联系实际,提高学生的分析、计算和创新能力。
在教学过程中,关注学生的个体差异,鼓励积极参与,培养团队合作精神。
通过本课程的学习,使学生能够掌握核反应堆的基本知识,具备初步的核能应用能力,并形成正确的能源观和安全观。
二、教学内容1. 核反应堆基本原理:包括核裂变与聚变的概念、链式反应的原理、中子慢化与扩散过程。
- 教材章节:第三章 核反应堆原理2. 核反应堆的组成部分及功能:重点介绍燃料元件、慢化剂、冷却剂、控制棒等。
- 教材章节:第四章 核反应堆的组成部分3. 热能转换过程:讲解核反应堆热能的产生、传递与转换,以及热效率的计算方法。
- 教材章节:第五章 热能转换4. 核反应堆安全特性:阐述核反应堆的安全措施、事故类型及预防措施。
- 教材章节:第六章 核反应堆安全5. 核反应堆模型设计与展示:结合所学知识,进行团队合作,设计并展示核反应堆模型。
- 教材章节:第七章 核反应堆设计与实践本教学内容根据课程目标,科学、系统地安排了核反应堆的基础知识、关键技术和安全特性。
在教学过程中,教师应按照教学大纲,逐步引导学生掌握核反应堆的相关知识,注重理论与实践相结合,提高学生的实际操作能力。
同时,鼓励学生进行团队合作,培养学生的创新意识和实践能力。
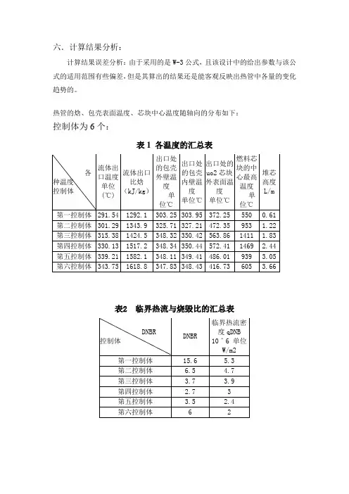
六.计算结果分析:计算结果误差分析:由于采用的是W-3公式,且该设计中的给出参数与该公式的适用范围有些偏差,但是其算出的结果还是能客观反映出热管中各量的变化趋势的。
热管的焓、包壳表面温度、芯块中心温度随轴向的分布如下:控制体为6个:表1 各温度的汇总表各种温度控制体流体出口温度单位(℃)流体出口比焓(kJ/kg)出口处的包壳外壁温度单位℃出口处的包壳内壁温度单位℃出口处的uo2芯块外表面温度单位℃燃料芯块的中心最高温度单位℃堆芯高度L/m第一控制体291.54 1292.1 303.25 303.95 372.25 550 0.61 第二控制体301.29 1343.9 325.71 327.21 472.35 953 1.22 第三控制体315.38 1424.5 348.32 350.42 563.86 1411 1.83 第四控制体330.13 1517.2 348.34 350.44 572.41 1469 2.44 第五控制体339.21 1582.1 348.11 349.41 486.01 939 3.05 第六控制体343.75 1618.8 347.83 348.43 416.73 605 3.66表2 临界热流与烧毁比的汇总表DNBR 控制体DNBR临界热流密度qDNB10^6 单位W/m2第一控制体15.6 5.3 第二控制体 6.5 4.7 第三控制体 3.7 3.9 第四控制体 2.7 3 第五控制体 3.5 2.4 第六控制体 6 22602803003203403600.611.221.832.443.053.66堆芯高度L(m)流体出口温度(℃)图1 流体出口温度(单位℃)分析:由图可知,流体出口温度随着堆芯高度由下到上逐渐上升,到最后一个控制体的末尾,也就是堆芯出口处,达到最大值。
200400600800100012001400160018000.611.221.832.443.053.66堆芯高度L/m流体出口比焓(k J /k g )图2 流体出口比焓(kJ/kg )分析:由图可知,流体出口比焓和流体出口温度一样随着堆芯高度由下到上逐渐上升,到最后一个控制体的末尾,也就是堆芯出口处,达到最大值。
核反应堆物理分析课程设计课程设计目标:1. 理解核反应堆的基本物理原理和工作原理;2. 学习核反应堆中的热传导、中子传输以及反应堆动力学等物理过程;3. 掌握核反应堆参数的计算和分析方法;4. 了解核反应堆的安全与控制措施。
课程设计内容:1. 核反应堆的基本物理原理介绍- 核反应堆的发展历史及应用领域- 核反应堆的组成和工作原理- 核反应堆中的物理过程- 核燃料材料和反应堆材料2. 核反应堆中的热传导分析- 热传导基本理论及方程- 核反应堆中的热传导问题- 热工能量平衡方程的建立和求解- 核反应堆热工过程的优化分析3. 核反应堆中的中子传输分析- 中子传输基本理论及方程- 核反应堆中的中子传输问题- 中子输运方程的建立和求解- 反应堆中子传输过程的优化分析4. 反应堆动力学及稳态分析- 反应堆动力学的基本概念和方程- 反应堆的稳态分析方法- 反应堆动态过程分析- 反应堆动力学稳定性评估5. 反应堆参数计算与分析- 反应堆重要参数的计算方法- 反应堆参数与性能的关系分析- 反应堆参数计算与调整方法- 反应堆性能分析与优化6. 反应堆安全与控制措施- 反应堆事故及事故防范- 反应堆安全控制措施和安全设备- 反应堆安全分析方法和评估指标- 反应堆安全与环境保护关系课程设计要求:1. 学生要通过课程设计,掌握核反应堆物理分析的基本方法和工具;2. 学生要能够使用计算机模拟工具进行核反应堆物理分析;3. 学生要能够分析和评估核反应堆参数对反应堆性能的影响;4. 学生要了解核反应堆的安全与控制措施,能够进行反应堆事故的分析和预防。
华扶#力*孑课程设计报告(20 13 一2014年度第二学期)名称:核反应堆热工分析课程设计题目:利用单通道模型进行反应堆稳态热工设计院系:核科学与工程学院______________________ 班级:实践核1101班______________________学号:06 _________________________学生姓名:M _____________________指导教师:王胜飞__________________设计周数:Ul _______________________成绩:_____________________日期:2014 年6月19日一、课程设计的目的与要求反应堆热工设计的任务就是要设计一个既安全可靠又经济的堆芯输热系统。
对于反应堆热工设讣,尤其是对动力堆,最基本的要求是安全。
要求在整个寿期内能够长期稳泄运行,并能适应启动、功率调和停堆等功率变化,要保证在一般事故工况下堆芯不会遭到破坏,甚至在最严重的工况下,也要保证堆芯的放射性物质不扩散到周围环境中去。
在进行反应堆热工设计之前,首先要了解并确左的前提为:(1)根据所设计堆的用途和特殊要求(如尺寸、重量等的限制)选左堆型,确怎所用的核燃料、冷却剂、慢化剂和结构材料等的种类;(2)反应堆的热功率、堆芯功率分布不均匀系数和水铀比允许的变化范用:(3)燃料元件的形状、它在堆芯内的分布方式以及栅距允许变化的范H:<4)二回路对一回路冷却剂热工参数的要求:(5)冷却剂流过堆芯的流程以及堆芯进口处冷却剂流量的分配情况。
在设计反应堆冷却系统时,为了保证反应堆运行安全可靠,针对不同的堆型,预先规立了热工设计必须遵守的要求,这些要求通常就称为堆的热工设计准则。
目前压水动力堆设计中所规左的稳态热工设计准则,一般有以下几点:< 1)燃料元件芯块内最高应低于英他相应燃耗下的熔化温度;(2)燃料元件外表而不允许发生沸腾临界:(3)必须保证正常运行工况下燃料元件和堆内构件得到充分冷却;在事故工况下能提供足够的冷却剂以排除堆芯余热:<4)在稳态额泄工况和可预计的瞬态运行工况中,不发生流动不稳左性。
%另一种带入方式%P=15.8;Nt=1.82*10^9;W=8916.66667;t_fin=287;L=3.66 ;m=121;n=265;n0=17;d_cs=0.0095 ;d_ci=0.00836 ; %%有问题d_u=0.00819 ; %%有问题s=0.0126 ;kexi=0.05;Fu=0.974;F_rn=1.35;F_zn=1.528;F_ln=1.11;F_h5e=0.95;F_qe=1.03;F_he=1.085;K_in=0.75;K_out=1.0;K_gr=1.05;f1=0.48;f2=1.02;f3=1.5;f4=1.56;f5=0.96;f6=0.48;hg=5678;%t_fout=input('请任意输入一堆芯出口温度(T=325):t_fout='); t_fout=325;r=1;kk=0;while r>=0.0001kk=kk+1;t_p=0.5*(t_fout+t_fin);if (280<t_p<=300)cp=19.35*t_p-350;elseif (300<t_p<=320)cp=34.43*t_p-4874;elseif (320<t_p<=340)cp=84.7*t_p-20960.4;endt1=t_fin+Fu*Nt/(W*(1-kexi)*cp);r=(t1-t_fout)/t_fout;t_fout=t1;endt_p=0.5*(t_fout+t_fin);% 计算燃料棒表面平均热流密度fz=m*n*pi*d_cs*L ; %计算堆心燃料棒的总传热面积q=Fu*Nt/fz ; %燃料棒表面平均热流密度F_qn=F_rn*F_zn*F_ln; % 有问题!!q_max=q*F_qn*F_qe;ql=q*pi*d_cs ;ql_max=ql*F_qn*F_qe;%计算平均管的流速dert=0.0008;Af=m*n*(s^2-pi*d_cs^2/4)+4*n0*s*dert*m/2; %堆心内流通面积if(300<t_p<=310)v=4.25*10^(-6)*t_p+1.0002*10^(-4);elseif(310<t_p<=320)v=5.112*10^(-6)*t_p-1.672*10^(-4);elseif(320<t_p<=330)v=6.444*10^(-6)*t_p-5.9344*10^(-4);elseif(330<t_p<=340)v=9.0976*10^(-5)*t_p-1.469128*10^(-3);endV=W*(1-kexi)*v/(Af);%fprintf('V=%.4f\n',V);%计算热管流量Ab=s^2-pi*d_cs^2/4;Wh=W*(1-kexi)*Ab/Af;%fprintf('Wh=%.4f\n', Wh);%热管中的计算De=4*(s^2-pi*d_cs^2/4)/(pi*d_cs);%t_fh1=input('请任意输入第一控制体热管流体温度(T=291):t_fh1=');t_fh1=291;r1=1;kk1=0;while r1>=0.0001kk1=kk1+1;t_fhp1=0.5*(t_fh1+t_fin);if (t_fhp1<=300)cp1=19.35*t_fhp1-350;elseif (t_fhp1<=320)cp1=34.43*t_fhp1-4874;elseif (t_fhp1<=340)cp1=84.7*t_fhp1-20960.4;endt11=t_fin+q*F_rn*F_he*F_h5e*pi*L*d_cs/(Wh*cp1*6)*f1;r1=(t11-t_fh1)/t_fh1;t_fh1=t11;endt_fhp1=0.5*(t_fh1+t_fin);%fprintf('t_fh1=%.4f\n',t_fh1);ts=346.19;%计算第一控制体出口处的包壳外壁温if(t_fhp1<=300)u1=(-0.40072*t_fhp1+209.504)/10^6;k1=(-1.42504*t_fhp1+994.816)/1000;pr1=(-0.40072*t_fhp1+209.504)*(0.01935*t_fhp1-0.35)/(-1.42504*t_fhp1+994.816); elseif(t_fhp1<=320)u1=(-1.044416*t_fhp1+402.6128)/10^6;k1=(-6.916*t_fhp1+2642.104)/1000;pr1=(-1.044416*t_fhp1+402.6128)*(0.03443*t_fhp1-4.874)/(-6.916*t_fhp1+2642.104); elseif(t_fhp1<=340)u1=(-1.044416*t_fhp1+402.6128)/10^6;k1=(-6.916*t_fhp1+2642.104)/1000;pr1=(-1.044416*t_fhp1+402.6128)*(0.0847*t_fhp1-20.9604)/(-6.916*t_fhp1+2642.104); endre1=Wh*De/(Ab*u1) ;h1=0.023*re1^0.8*pr1^0.4*k1/De ;t_csh11=t_fh1+q*F_rn*f1*F_qe/h1;t_csh12=ts+25*(q*F_rn*f1*F_qe/10^6)^0.25*exp(-P/6.2);if(t_csh11<=t_csh12)t_csh1=t_csh11;elseif(t_csh11>=t_csh12)t_csh1=t_csh12;end%fprintf('t_csh1=%.3f\n',t_csh1);%t_csh1=t_csh1;%计算包壳内壁温度%t_cih1=input('请任意输入一包壳内壁温度(T=315):t_cih1='); t_cih1=315;r12=1;kk11=0;while r12>=0.0001kk11=kk11+1;t_cp1=0.5*(t_cih1+t_csh1);k12=0.00547*(1.8*t_cp1+32)+13.8;t12=t_csh1+ql*F_rn*F_qe*f1*log(d_cs/d_ci)/(2*pi*k12);r12=(t12-t_cih1)/t_cih1;t_cih1=t12;end%fprintf('t_cih1=%.4f\n',t_cih1);%计算芯块表面温度t_uh1=t_cih1+ql*F_rn*F_qe*f1/(pi*0.5*(d_ci+d_u)*hg);%fprintf('t_uh1=%.4f\n',t_uh1);%计算芯块中心温度if(t_uh1<=400) %300 400ku1=0.051*t_uh1+6.02;elseif(t_uh1<=500) %400 500ku1=0.0451*t_uh1+8.38;elseif(t_uh1<=600) %500 600ku1=0.0404*t_uh1+10.73elseif(t_uh1<=700) %600 700ku1=0.0368*t_uh1+12.89;elseif(t_uh1<=800) %700 800ku1=0.0337*t_uh1+15.06;elseif(t_uh1<=900) %800 900ku1=0.0312*t_uh1+17.06;elseif(t_uh1<=1000) %900 1000ku1=0.0292*t_uh1+18.86;elseif(t_uh1<=1100) %1000 1100ku1=0.0255*t_uh1+22.56;elseif(t_uh1<=1200) %1100 1200ku1=0.028*t_uh1+19.81;endkuto1=ku1+ql*F_rn*F_qe*f1/(4*pi*100) ;if(kuto1<=34.93) %500 600to1=22.173*kuto1-185.8 ;elseif(kuto1<=38.65) %600 700to1=26.74*kuto1-335.02;elseif(kuto1<=42.02) %700 800to1=27.17*kuto1-446.88;elseif(kuto1<=45.14) %800 900to1=32.05*kuto1-546.79;elseif(kuto1<=48.06) %900 1000to1=34.25*kuto1-645.89;elseif(kuto1<=50.61) %1000 1100to1=39.22*kuto1-884.71;elseif(kuto1<=53.41)% 1100 1200to1=35.71*kuto1-707.5;elseif(kuto1<=55.84) %1200 1298to1=40.32*kuto1-953.63;elseif(kuto1<=58.4) %1298 1405to1=41.84*kuto1-1037;elseif(kuto1<=61.95) %1405 1560to1=43.668*kuto1-1145;elseif(kuto1<=66.87) %1560 1738to1=36.23*kuto1-682.25;elseif(kuto1<=68.86) %1378 1876to1=69.35*kuto1-2899.2;elseif(kuto1<=71.31) %1876 1990to1=46.53*kuto1-1328.1;elseif(kuto1<=74.88) %1990 2155to1=46.22*kuto1-1305.8;elseif(kuto1<=79.16) %2155 2343to1=43.93*kuto1-1134;end%fprintf('to1=%.3f\n',to1);%热管中的计算%t_fh2=input('请任意输入第二控制体热管流体温度(T=300):t_fh2='); t_fh2=300;r2=1;kk2=0;while r2>=0.0001kk2=kk2+1;t_fhp2=0.5*(t_fh2+t_fh1);if (t_fhp2<=300)cp2=19.35*t_fhp2-350;elseif (t_fhp2<=320)cp2=34.43*t_fhp2-4874;elseif (t_fhp2<=340)cp2=84.7*t_fhp2-20960.4;endt22=t_fh1+q*F_rn*F_he*F_h5e*pi*L*d_cs/(Wh*cp2*6)*f2;r2=(t22-t_fh2)/t_fh2;t_fh2=t22;endt_fhp2=0.5*(t_fh2+t_fh1);%fprintf('t_fh2=%.4f\n', t_fh2);%计算第二控制体出口处的包壳外壁温if(t_fhp2<=300)u2=(-0.40072*t_fhp2+209.504)/10^6;k2=(-1.42504*t_fhp2+994.816)/1000;pr2=(-0.40072*t_fhp2+209.504)*(0.01935*t_fhp2-0.35)/(-1.42504*t_fhp2+994.816); elseif(t_fhp2<=320)u2=(-1.044416*t_fhp2+402.6128)/10^6;k2=(-6.916*t_fhp2+2642.104)/1000;pr2=(-1.044416*t_fhp2+402.6128)*(0.03443*t_fhp2-4.874)/(-6.916*t_fhp2+2642.104); elseif(t_fhp2<=340)u2=(-1.044416*t_fhp2+402.6128)/10^6;k2=(-6.916*t_fhp2+2642.104)/1000;pr2=(-1.044416*t_fhp2+402.6128)*(0.0847*t_fhp2-20.9604)/(-6.916*t_fhp2+2642.104); endre2=Wh*De/(Ab*u2);h2=0.023*re2^0.8*pr2^0.4*k2/De;t_csh21=t_fh2+q*F_rn*f2*F_qe/h2;t_csh22=ts+25*(q*F_rn*f2*F_qe/10^6)^0.25*exp(-P/6.2);if(t_csh21<=t_csh22)t_csh2=t_csh21;elseif(t_csh21>=t_csh22)t_csh2=t_csh22;end%fprintf('t_csh2=%.4f\n',t_csh2);%计算第二控制体包壳内壁温度%t_cih2=input('请任意输入第二控制体包壳内壁温度(例如T=350):t_cih1='); t_cih2=350;r22=1;kk22=0;while r22>=0.0001kk22=kk22+1;t_cp2=0.5*(t_cih2+t_csh2);k22=0.00547*(1.8*t_cp2+32)+13.8;t22=t_csh2+ql*F_rn*F_qe*f2*log(d_cs/d_ci)/(2*pi*k22);r22=(t22-t_cih2)/t_cih2;t_cih2=t22;end%fprintf('t_cih2=%.4f\n',t_cih2);%计算芯块表面温度t_uh2=t_cih2+ql*F_rn*F_qe*f2/(pi*0.5*(d_ci+d_u)*hg) ;;%fprintf('t_uh2=%.4f\n',t_uh2);%计算芯块中心温度if(t_uh2<=400) %300 400ku2=0.051*t_uh2+6.02;elseif(t_uh2<=500) %400 500ku2=0.0451*t_uh2+8.38;elseif(t_uh2<=600) %500 600ku2=0.0404*t_uh2+10.73elseif(t_uh2<=700) %600 700ku2=0.0368*t_uh2+12.89;elseif(t_uh2<=800) %700 800ku2=0.0337*t_uh2+15.06;elseif(t_uh2<=900) %800 900ku2=0.0312*t_uh2+17.06;elseif(t_uh2<=1000) %900 1000ku2=0.0292*t_uh2+18.86;elseif(t_uh2<=1100) %1000 1100ku2=0.0255*t_uh2+22.56;elseif(t_uh2<=1200) %1100 1200ku2=0.028*t_uh2+19.81;endkuto2=ku2+ql*F_rn*F_qe*f2/(4*pi*100) ;if(kuto2<=38.65) %600 700to2=26.74*kuto2-335.02;elseif(kuto2<=42.02) %700 800to2=27.17*kuto2-446.88;elseif(kuto2<=45.14) %800 900to2=32.05*kuto2-546.79;elseif(kuto2<=48.06) %900 1000to2=34.25*kuto2-645.89;elseif(kuto2<=50.61) %1000 1100to2=39.22*kuto2-884.71;elseif(kuto2<=53.41)% 1100 1200to2=35.71*kuto2-707.5;elseif(kuto2<=55.84) %1200 1298to2=40.32*kuto2-953.63;elseif(kuto2<=58.4) %1298 1405to2=41.84*kuto2-1037;elseif(kuto2<=61.95) %1405 1560to2=43.668*kuto2-1145;elseif(kuto2<=66.87) %1560 1738to2=36.23*kuto2-682.25;elseif(kuto2<=68.86) %1378 1876to2=69.35*kuto2-2899.2;elseif(kuto2<=71.31) %1876 1990to2=46.53*kuto2-1328.1;elseif(kuto2<=74.88) %1990 2155to2=46.22*kuto2-1305.8;elseif(kuto2<=79.16) %2155 2343to2=43.93*kuto2-1134;end%fprintf('to2=%.4f\n',to2);%热管中的计算%t_fh3=input('请任意输入第三控制体热管流体温度(T=314):t_fh3='); t_fh3=314;r3=1;kk3=0;while r3>=0.0001kk3=kk3+1;t_fhp3=0.5*(t_fh3+t_fh2);if (t_fhp3<=300)cp3=19.35*t_fhp3-350;elseif (t_fhp3<=320)cp3=34.43*t_fhp3-4874;elseif (t_fhp3<=340)cp3=84.7*t_fhp3-20960.4;endt33=t_fh2+q*F_rn*F_he*F_h5e*pi*L*d_cs/(Wh*cp3*6)*f3;r3=(t33-t_fh3)/t_fh3;t_fh3=t33;endt_fhp3=0.5*(t_fh3+t_fh2);%fprintf('t_fh3=%.3f\n', t_fh3);%计算第三控制体出口处的包壳外壁温if(t_fhp3<=300)u3=(-0.40072*t_fhp3+209.504)/10^6;k3=(-1.42504*t_fhp3+994.816)/1000;pr3=(-0.40072*t_fhp3+209.504)*(0.01935*t_fhp3-0.35)/(-1.42504*t_fhp3+994.816); elseif(t_fhp3<=320)u3=(-1.044416*t_fhp3+402.6128)/10^6;k3=(-6.916*t_fhp3+2642.104)/1000;pr3=(-1.044416*t_fhp3+402.6128)*(0.03443*t_fhp3-4.874)/(-6.916*t_fhp3+2642.104); elseif(t_fhp3<=340)u3=(-1.044416*t_fhp3+402.6128)/10^6;k3=(-6.916*t_fhp3+2642.104)/1000;pr3=(-1.044416*t_fhp3+402.6128)*(0.0847*t_fhp3-20.9604)/(-6.916*t_fhp3+2642.104); endre3=Wh*De/(Ab*u3);h3=0.023*re3^0.8*pr3^0.4*k3/De;t_csh31=t_fh3+q*F_rn*f3*F_qe/h3;t_csh32=ts+25*(q*F_rn*f3*F_qe/10^6)^0.25*exp(-P/6.2);if(t_csh31<=t_csh32)t_csh3=t_csh31;elseif(t_csh31>=t_csh32)t_csh3=t_csh32;end%fprintf('t_csh3=%.3f\n',t_csh3);%计算第三控制体包壳内壁温度%t_cih3=input('请任意输入第三控制体包壳内壁温度(例如T=385):t_cih3=');t_cih3=385;r33=1;kk33=0;while r33>=0.0001kk33=kk33+1;t_cp3=0.5*(t_cih3+t_csh3);k33=0.00547*(1.8*t_cp3+32)+13.8;t33=t_csh3+ql*F_rn*F_qe*f3*log(d_cs/d_ci)/(2*pi*k33); r33=(t33-t_cih3)/t_cih3;t_cih3=t33;end%fprintf('t_cih3=%.3f\n',t_cih3);%计算芯块表面温度t_uh3=t_cih3+ql*F_rn*F_qe*f3/(pi*0.5*(d_ci+d_u)*hg); %fprintf('t_uh3=%.3f\n',t_uh3);%计算芯块中心温度if(t_uh3<=400) %300 400ku3=0.051*t_uh3+6.02;elseif(t_uh3<=500) %400 500ku3=0.0451*t_uh3+8.38;elseif(t_uh3<=600) %500 600ku3=0.0404*t_uh3+10.73 ;elseif(t_uh3<=700) %600 700ku3=0.0368*t_uh3+12.89;elseif(t_uh3<=800) %700 800ku3=0.0337*t_uh3+15.06;elseif(t_uh3<=900) %800 900ku3=0.0312*t_uh3+17.06;elseif(t_uh3<=1000) %900 1000ku3=0.0292*t_uh3+18.86;elseif(t_uh3<=1100) %1000 1100ku3=0.0255*t_uh3+22.56;elseif(t_uh3<=1200) %1100 1200ku3=0.028*t_uh3+19.81;endkuto3=ku3+ql*F_rn*F_qe*f3/(4*pi*100) ;if kuto3<=38.65 %600 700to3=26.74*kuto3-335.02;elseif kuto3<=42.02 %700 800to3=27.17*kuto3-446.88;elseif(kuto3<=45.14) %800 900to3=32.05*kuto3-546.79;elseif kuto3<=48.06 %900 1000to3=34.25*kuto3-645.89;elseif kuto3<=50.61 %1000 1100to3=39.22*kuto3-884.71;elseif kuto3<=53.41 % 1100 1200to3=35.71*kuto3-707.5;elseif kuto3<=55.84 %1200 1298to3=40.32*kuto3-953.63;elseif kuto3<=58.4 %1298 1405to3=41.84*kuto3-1037;elseif kuto3<=61.95 %1405 1560to3=43.668*kuto3-1145;elseif kuto3<=66.87 %1560 1738to3=36.23*kuto3-682.25;elseif kuto3<=68.86 %1378 1876to3=69.35*kuto3-2899.2;elseif kuto3<=71.31 %1876 1990to3=46.53*kuto3-1328.1;elseif kuto3<=74.88 %1990 2155to3=46.22*kuto3-1305.8;elseif kuto3<=79.16 %2155 2343to3=43.93*kuto3-1134;end%fprintf('to3=%.3f\n',to3);%热管中的计算De=4*(s^2-pi*d_cs^2/4)/(pi*d_cs);%t_fh4=input('请任意输入第四控制体热管流体温度(T=326):t_fh4='); t_fh4=326;r4=1;kk4=0;while r4>=0.0001kk4=kk4+1;t_fhp4=0.5*(t_fh4+t_fh3);if t_fhp4<=300cp4=19.35*t_fhp4-350;elseif t_fhp4<=320cp4=34.43*t_fhp4-4874;elseif t_fhp4<=340cp4=84.7*t_fhp4-20960.4;endt44=t_fh3+q*F_rn*F_he*F_h5e*pi*L*d_cs/(Wh*cp4*6)*f4;r4=(t44-t_fh4)/t_fh4;t_fh4=t44;endt_fhp4=0.5*(t_fh4+t_fh3);%fprintf('t_fh4=%.3f\n', t_fh4);ts=346.19;%计算第四控制体出口处的包壳外壁温if(t_fhp4<=300)u4=(-0.40072*t_fhp4+209.504)/10^6;k4=(-1.42504*t_fhp4+994.816)/1000;pr4=(-0.40072*t_fhp4+209.504)*(0.01935*t_fhp4-0.35)/(-1.42504*t_fhp4+994.816); elseif(t_fhp4<=320)u4=(-1.044416*t_fhp4+402.6128)/10^6;k4=(-6.916*t_fhp4+2642.104)/1000;pr4=(-1.044416*t_fhp4+402.6128)*(0.03443*t_fhp4-4.874)/(-6.916*t_fhp4+2642.104); elseif(t_fhp4<=340)u4=(-1.044416*t_fhp4+402.6128)/10^6;k4=(-6.916*t_fhp4+2642.104)/1000;pr4=(-1.044416*t_fhp4+402.6128)*(0.0847*t_fhp4-20.9604)/(-6.916*t_fhp4+2642.104); endre4=Wh*De/(Ab*u4);h4=0.023*re4^0.8*pr4^0.4*k4/De;t_csh41=t_fh4+q*F_rn*f4*F_qe/h4;t_csh42=ts+25*(q*F_rn*f4*F_qe/10^6)^0.25*exp(-P/6.2);if(t_csh41<=t_csh42)t_csh4=t_csh41;elseif(t_csh41>=t_csh42)t_csh4=t_csh42;end%fprintf('t_csh4=%.3f\n',t_csh4);%计算第四控制体包壳内壁温度%t_cih4=input('请任意输入第五控制体包壳内壁温度(T=386):t_cih4=');t_cih4=386;r44=1;kk44=0;while r44>=0.0001kk44=kk44+1;t_cp4=0.5*(t_cih4+t_csh4);k44=0.00547*(1.8*t_cp4+32)+13.8;t44=t_csh4+ql*F_rn*F_qe*f4*log(d_cs/d_ci)/(2*pi*k44); r44=(t44-t_cih4)/t_cih4;t_cih4=t44;end%fprintf('t_cih4=%.4f\n',t_cih4);%计算芯块表面温度t_uh4=t_cih4+ql*F_rn*F_qe*f4/(pi*0.5*(d_ci+d_u)*hg); %fprintf('t_uh4=%.3f\n',t_uh4);%计算芯块中心温度if t_uh4<=400 %300 400ku4=0.051*t_uh4+6.02;elseif t_uh4<=500 %400 500ku4=0.0451*t_uh4+8.38;elseif t_uh4<=600 %500 600ku4=0.0404*t_uh4+10.73elseif t_uh4<=700 %600 700ku4=0.0368*t_uh4+12.89;elseif t_uh4<=800 %700 800ku4=0.0337*t_uh4+15.06;elseif t_uh4<=900 %800 900ku4=0.0312*t_uh4+17.06;elseif t_uh4<=1000 %900 1000ku4=0.0292*t_uh4+18.86;elseif t_uh4<=1100 %1000 1100ku4=0.0255*t_uh4+22.56;elseif t_uh4<=1200 %1100 1200ku4=0.028*t_uh4+19.81;endkuto4=ku4+ql*F_rn*F_qe*f4/(4*pi*100);if kuto4<=38.65 %600 700to4=26.74*kuto4-335.02;elseif kuto4<=42.02 %700 800to4=27.17*kuto4-446.88;elseif kuto4<=45.14 %800 900to4=32.05*kuto4-546.79;elseif kuto4<=48.06 %900 1000to4=34.25*kuto4-645.89;elseif kuto4<=50.61 %1000 1100to4=39.22*kuto4-884.71;elseif kuto4<=53.41 % 1100 1200to4=35.71*kuto4-707.5;elseif kuto4<=55.84 %1200 1298to4=40.32*kuto4-953.63;elseif kuto4<=58.4 %1298 1405to4=41.84*kuto4-1037;elseif kuto4<=61.95 %1405 1560to4=43.668*kuto4-1145;elseif kuto4<=66.87 %1560 1738to4=36.23*kuto4-682.25;elseif kuto4<=68.86 %1738 1876to4=69.35*kuto4-2899.2;elseif kuto4<=71.31 %1876 1990to4=46.53*kuto4-1328.1;elseif kuto4<=74.88 %1990 2155to4=46.22*kuto4-1305.8;elseif kuto4<=79.16 %2155 2343to4=43.93*kuto4-1134;end%fprintf('to4=%.3f\n',to4);%热管中的计算%t_fh5=input('请任意输入第五控制体热管流体温度(T=332):t_fh5='); t_fh5=332;r5=1;kk5=0;while r5>=0.0001kk5=kk5+1;t_fhp5=0.5*(t_fh5+t_fh4);if t_fhp5<=300cp5=19.35*t_fhp5-350;elseif t_fhp5<=320cp5=34.43*t_fhp5-4874;elseif t_fhp5<=340cp5=84.7*t_fhp5-20960.4;endt55=t_fh4+q*F_rn*F_he*F_h5e*pi*L*d_cs/(Wh*cp5*6)*f5;r5=(t55-t_fh5)/t_fh5;endt_fhp5=0.5*(t_fh5+t_fh5);%fprintf('t_fh5=%.4f\n', t_fh5);%计算第五控制体出口处的包壳外壁温if(t_fhp5<=300)u5=(-0.40072*t_fhp5+209.504)/10^6;k5=(-1.42504*t_fhp5+994.816)/1000;pr5=(-0.40072*t_fhp5+209.504)*(0.01935*t_fhp5-0.35)/(-1.42504*t_fhp5+994.816); elseif(t_fhp5<=320)u5=(-1.044416*t_fhp5+402.6128)/10^6;k5=(-6.916*t_fhp5+2642.104)/1000;pr5=(-1.044416*t_fhp5+402.6128)*(0.03443*t_fhp5-4.874)/(-6.916*t_fhp5+2642.104); elseif(t_fhp5<=340)u5=(-1.044416*t_fhp5+402.6128)/10^6;k5=(-6.916*t_fhp5+2642.104)/1000;pr5=(-1.044416*t_fhp5+402.6128)*(0.0847*t_fhp5-20.9604)/(-6.916*t_fhp5+2642.104); endre5=Wh*De/(Ab*u5);h5=0.023*re5^0.8*pr5^0.4*k5/De;t_csh51=t_fh5+q*F_rn*f5*F_qe/h5;t_csh52=ts+25*(q*F_rn*f5*F_qe/10^6)^0.25*exp(-P/6.2);if(t_csh51<=t_csh52)t_csh5=t_csh51;elseif(t_csh51>=t_csh52)t_csh5=t_csh52;end%fprintf('t_csh5=%.4f\n',t_csh5);%计算第五控制体包壳内壁温度%t_cih5=input('请任意输入第五控制体包壳内壁温度(T=371):t_cih5=');t_cih5=371;r55=1;kk55=0;while r55>=0.00001kk55=kk55+1;t_cp5=0.5*(t_cih5+t_csh5);k55=0.00547*(1.8*t_cp5+32)+13.8;t55=t_csh5+ql*F_rn*F_qe*f5*log(d_cs/d_ci)/(2*pi*k55);r55=(t55-t_cih5)/t_cih5;end%fprintf('t_cih5=%.4f\n',t_cih5);%计算芯块表面温度t_uh5=t_cih5+ql*F_rn*F_qe*f5/(pi*0.5*(d_ci+d_u)*hg); %fprintf('t_uh5=%.4f\n',t_uh5);%计算芯块中心温度if t_uh5<=400 %300 400ku5=0.051*t_uh5+6.02;elseif t_uh5<=500 %400 500ku5=0.0451*t_uh5+8.38;elseif t_uh5<=600 %500 600ku5=0.0404*t_uh5+10.73;elseif t_uh5<=700 %600 700ku5=0.0368*t_uh5+12.89;elseif t_uh5<=800 %700 800ku5=0.0337*t_uh5+15.06;elseif t_uh5<=900 %800 900ku5=0.0312*t_uh5+17.06;elseif t_uh5<=1000 %900 1000ku5=0.0292*t_uh5+18.86;elseif t_uh5<=1100 %1000 1100ku5=0.0255*t_uh5+22.56;elseif t_uh5<=1200 %1100 1200ku5=0.028*t_uh5+19.81;endkuto5=ku5+ql*F_rn*F_qe*f5/(4*pi*100);if kuto5<=38.65 %600 700to5=26.74*kuto5-335.02;elseif kuto5<=42.02 %700 800to5=27.17*kuto5-446.88;elseif kuto5<=45.14 %800 900to5=32.05*kuto5-546.79;elseif kuto5<=48.06 %900 1000to5=34.25*kuto5-645.89;elseif kuto5<=50.61 %1000 1100to5=39.22*kuto5-884.71;elseif kuto5<=53.41 % 1100 1200to5=35.71*kuto5-707.5;elseif kuto5<=55.84 %1200 1298to5=40.32*kuto5-953.63;elseif kuto5<=58.4 %1298 1405to5=41.84*kuto5-1037;elseif kuto5<=61.95 %1405 1560to5=43.668*kuto5-1145;elseif kuto5<=66.87 %1560 1738to5=36.23*kuto5-682.25;elseif kuto5<=68.86 %1738 1876to5=69.35*kuto5-2899.2;elseif kuto5<=71.31 %1876 1990to5=46.53*kuto5-1328.1;elseif kuto5<=74.88 %1990 2155to5=46.22*kuto5-1305.8;elseif kuto5<=79.16 %2155 2343to5=43.93*kuto5-1134;end%fprintf('to5=%.3f\n',to5);%热管中的计算%t_fh6=input('请任意输入第六控制体热管流体温度(T=336):t_fh6='); t_fh6=336;r6=1;kk6=0;while r6>=0.0001kk6=kk6+1;t_fhp6=0.5*(t_fh6+t_fh5);if t_fhp6<=300cp6=19.35*t_fhp6-350;elseif t_fhp6<=320cp6=34.43*t_fhp6-4874;elseif t_fhp6<=340cp6=84.7*t_fhp6-20960.4;endt66=t_fh5+q*F_rn*F_he*F_h5e*pi*L*d_cs/(Wh*cp6*6)*f6;r6=(t66-t_fh6)/t_fh6;t_fh6=t66;endt_fhp6=0.5*(t_fh6+t_fh6);%fprintf('t_fh6=%.4f\n', t_fh6);%计算第六控制体出口处的包壳外壁温if(t_fhp6<=300)u6=(-0.40072*t_fhp6+209.504)/10^6;k6=(-1.42504*t_fhp6+994.816)/1000;pr6=(-0.40072*t_fhp6+209.504)*(0.01935*t_fhp6-0.35)/(-1.42504*t_fhp6+994.816); elseif(t_fhp6<=320)u6=(-1.044416*t_fhp6+402.6128)/10^6;k6=(-6.916*t_fhp6+2642.104)/1000;pr6=(-1.044416*t_fhp6+402.6128)*(0.03443*t_fhp6-4.874)/(-6.916*t_fhp6+2642.104); elseif(t_fhp6<=340)u6=(-1.044416*t_fhp6+402.6128)/10^6;k6=(-6.916*t_fhp6+2642.104)/1000;pr6=(-1.044416*t_fhp6+402.6128)*(0.0847*t_fhp6-20.9604)/(-6.916*t_fhp6+2642.104); endre6=Wh*De/(Ab*u6);h6=0.023*re6^0.8*pr6^0.4*k6/De;t_csh61=t_fh6+q*F_rn*f6*F_qe/h6;t_csh62=ts+25*(q*F_rn*f6*F_qe/10^6)^0.25*exp(-P/6.2);if(t_csh61<=t_csh62)t_csh6=t_csh61;elseif(t_csh61>=t_csh62)t_csh6=t_csh62;end%fprintf('t_csh6=%.4f\n',t_csh6);%计算第六控制体包壳内壁温度%t_cih6=input('请任意输入第六控制体包壳内壁温度(T=358):t_cih6=');t_cih6=358;r66=1;kk66=0;while r66>=0.00001kk66=kk66+1;t_cp6=0.5*(t_cih6+t_csh6);k66=0.00547*(1.8*t_cp6+32)+13.8;t66=t_csh6+ql*F_rn*F_qe*f6*log(d_cs/d_ci)/(2*pi*k66);r66=(t66-t_cih6)/t_cih6;t_cih6=t66;end%fprintf('t_cih6=%.4f\n',t_cih6);%计算芯块表面温度t_uh6=t_cih6+ql*F_rn*F_qe*f6/(pi*0.5*(d_ci+d_u)*hg); %fprintf('t_uh6=%.4f\n',t_uh6);%计算芯块中心温度if t_uh6<=400 %300 400ku6=0.051*t_uh6+6.02;elseif t_uh6<=500 %400 500ku6=0.0451*t_uh6+8.38;elseif t_uh6<=600 %500 600ku6=0.0404*t_uh6+10.73elseif t_uh6<=700 %600 700ku6=0.0368*t_uh6+12.89;elseif t_uh6<=800 %700 800ku6=0.0337*t_uh6+15.06;elseif t_uh6<=900 %800 900ku6=0.0312*t_uh6+17.06;elseif t_uh6<=1000 %900 1000ku6=0.0292*t_uh6+18.86;elseif t_uh5<=1100 %1000 1100ku6=0.0255*t_uh6+22.56;elseif t_uh6<=1200 %1100 1200ku6=0.028*t_uh6+19.81;endkuto6=ku6+ql*F_rn*F_qe*f6/(4*pi*100);if kuto6<=38.65 %600 700to6=26.74*kuto6-335.02;elseif kuto6<=42.02 %700 800to6=27.17*kuto6-446.88;elseif kuto6<=45.14 %800 900to6=32.05*kuto6-546.79;elseif kuto6<=48.06 %900 1000to6=34.25*kuto6-645.89;elseif kuto6<=50.61 %1000 1100to6=39.22*kuto6-884.71;elseif kuto6<=53.41 % 1100 1200to6=35.71*kuto6-707.5;elseif kuto6<=55.84 %1200 1298to6=40.32*kuto6-953.63;elseif kuto6<=58.4 %1298 1405to6=41.84*kuto6-1037;elseif kuto6<=61.95 %1405 1560to6=43.668*kuto6-1145;elseif kuto6<=66.87 %1560 1738to6=36.23*kuto6-682.25;elseif kuto6<=68.86 %1738 1876to6=69.35*kuto6-2899.2;elseif kuto6<=71.31 %1876 1990to6=46.53*kuto6-1328.1;elseif kuto6<=74.88 %1990 2155to6=46.22*kuto6-1305.8;elseif kuto6<=79.16 %2155 2343to6=43.93*kuto6-1134;end%fprintf('to6=%.4f\n',to6);%热管中的计算f0=1/L;t_fh0=t_fin;ts=346.19;%计算第一控制体出口处的包壳外壁温if(t_fh0<=300)u0=(-0.40072*t_fh0+209.504)/10^6;k0=(-1.42504*t_fh0+994.816)/1000;pr0=(-0.40072*t_fh0+209.504)*(0.01935*t_fh0-0.35)/(-1.42504*t_fh0+994.816); elseif(t_fh0<=320)u0=(-1.044416*t_fh0+402.6128)/10^6;k0=(-6.916*t_fh0+2642.104)/1000;pr0=(-1.044416*t_fh0+402.6128)*(0.03443*t_fh0-4.874)/(-6.916*t_fh0+2642.104); elseif(t_fh0<=340)u0=(-1.044416*t_fh0+402.6128)/10^6;k0=(-6.916*t_fh0+2642.104)/1000;pr0=(-1.044416*t_fh0+402.6128)*(0.0847*t_fh0-20.9604)/(-6.916*t_fh0+2642.104); endre0=Wh*De/(Ab*u0) ;h0=0.023*re0^0.8*pr0^0.4*k0/De ;t_csh01=t_fh0+q*F_rn*f0*F_qe/h0;t_csh02=ts+25*(q*F_rn*f0*F_qe/10^6)^0.25*exp(-P/6.2);if(t_csh01<=t_csh02)t_csh0=t_csh01;elseif(t_csh01>=t_csh02)t_csh0=t_csh02;end%fprintf('t_csh0=%.3f\n',t_csh0);%计算包壳内壁温度t_cih0=300;r0=1;kk0=0;while r0>=0.0001kk0=kk0+1;t_cp0=0.5*(t_cih0+t_csh0);k02=0.00547*(1.8*t_cp0+32)+13.8;t02=t_csh0+ql*F_rn*F_qe*f0*log(d_cs/d_ci)/(2*pi*k02); r0=(t02-t_cih0)/t_cih0;t_cih0=t02;end%计算芯块表面温度t_uh0=t_cih0+ql*F_rn*F_qe*f0/(pi*0.5*(d_ci+d_u)*hg); %计算芯块中心温度if(t_uh0<=400) %300 400ku0=0.051*t_uh0+6.02;elseif(t_uh0<=500) %400 500ku0=0.0451*t_uh0+8.38;elseif(t_uh0<=600) %500 600ku0=0.0404*t_uh0+10.73elseif(t_uh0<=700) %600 700ku0=0.0368*t_uh0+12.89;elseif(t_uh0<=800) %700 800ku0=0.0337*t_uh0+15.06;elseif(t_uh0<=900) %800 900ku0=0.0312*t_uh0+17.06;elseif(t_uh0<=1000) %900 1000ku0=0.0292*t_uh0+18.86;elseif(t_uh0<=1100) %1000 1100ku0=0.0255*t_uh0+22.56;elseif(t_uh0<=1200) %1100 1200ku0=0.028*t_uh0+19.81;endkuto0=ku0+ql*F_rn*F_qe*f0/(4*pi*100) ;if(kuto0<=26.42) %300 400to0=19.61*kuto0-118.04;elseif(kuto0<=34.93) %500 600to0=22.173*kuto0-185.8 ;elseif(kuto0<=38.65) %600 700to0=26.74*kuto0-335.02;elseif(kuto0<=42.02) %700 800to0=27.17*kuto0-446.88;elseif(kuto0<=45.14) %800 900to0=32.05*kuto0-546.79;elseif(kuto0<=48.06) %900 1000to0=34.25*kuto0-645.89;elseif(kuto0<=50.61) %1000 1100to0=39.22*kuto0-884.71;elseif(kuto0<=53.41)% 1100 1200to0=35.71*kuto0-707.5;elseif(kuto0<=55.84) %1200 1298to0=40.32*kuto0-953.63;elseif(kuto0<=58.4) %1298 1405to0=41.84*kuto0-1037;elseif(kuto0<=61.95) %1405 1560to0=43.668*kuto0-1145;elseif(kuto0<=66.87) %1560 1738to0=36.23*kuto0-682.25;elseif(kuto0<=68.86) %1378 1876to0=69.35*kuto0-2899.2;elseif(kuto0<=71.31) %1876 1990to0=46.53*kuto0-1328.1;elseif(kuto0<=74.88) %1990 2155to0=46.22*kuto0-1305.8;elseif(kuto0<=79.16) %2155 2343to0=43.93*kuto0-1134;end%fprintf('to0=%.3f\n',to0);fprintf('q=%.4f\nq_max=%.4f\nql=%.4f\nql_max=%.4f\n ',q,q_max,ql,ql_max); fprintf('t_fout=%.4f\n',t_fout)fprintf('V=%.4f\n',V);fprintf('Wh=%.4f\n', Wh);fprintf('t_fh0=%.4f\nt_csh0=%.4f\nt_cih0=%.4ft_uh0=%.4f\n5_to0=%.4f\n',t_fh0,t_csh0,t_cih0,t_ uh0,to0);fprintf('t_fh1=%.4f\n',t_fh1);fprintf('t_csh1=%.4f\n',t_csh1);fprintf('t_cih1=%.4f\n',t_cih1);fprintf('t_uh1=%.4f\n',t_uh1);fprintf('to1=%.4f\n',to1);fprintf('t_fh2=%.4f\n',t_fh2);fprintf('t_csh2=%.4f\n',t_csh2);fprintf('t_cih2=%.4f\n',t_cih2);fprintf('t_uh2=%.4f\n',t_uh2);fprintf('to2=%.4f\n',to2);fprintf('t_fh3=%.4f\n',t_fh3);fprintf('t_csh3=%.4f\n',t_csh3);fprintf('t_cih3=%.4f\n',t_cih3);fprintf('t_uh3=%.4f\n',t_uh3);fprintf('to3=%.4f\n',to3);fprintf('t_fh4=%.4f\n',t_fh4);fprintf('t_csh4=%.4f\n',t_csh4);fprintf('t_cih4=%.4f\n',t_cih4);fprintf('t_uh4=%.4f\n',t_uh4);fprintf('to4=%.4f\n',to4);fprintf('t_fh5=%.4f\n',t_fh5);fprintf('t_csh5=%.4f\n',t_csh5);fprintf('t_cih5=%.4f\n',t_cih5);fprintf('t_uh5=%.4f\n',t_uh5);fprintf('to5=%.3f\n',to5);fprintf('t_fh6=%.4f\n',t_fh6);fprintf('t_csh6=%.4f\n',t_csh6);fprintf('t_cih6=%.4f\n',t_cih6);fprintf('t_uh6=%.4f\n',t_uh6);fprintf('to6=%.4f\n',to6);Hfs=1642.8*10^3;Hgs=2589.98*10^3;Hfg=Hgs-Hfs;G=W*(1-kexi)/Af;g=9.8;if (t_fin<=290)H0=(5.146*t_fin-208.22)*10^3;elseif (t_fin<=300)elseif (t_fin<=310)H0=(5.59*t_fin-339.44)*10^3;elseif (t_fin<=320)H0=(5.932*t_fin-445.46)*10^3;elseif (t_fin<=330)H0=(6.422*t_fin-602.26)*10^3;elseif (t_fin<=340)H0=(7.23*t_fin-868.9)*10^3;elseif (t_fin<=350)H0=(104.63*t_fin-33984.9)*10^3;endXe0=(H0-Hfs)/Hfg;q_DNB0=3.154*10^6*((2.022-6.238*10^(-8)*P)+(0.1722-1.43*10^(-8)*P)*exp((18.177-5.987*1 0^(-7)*P)*Xe0))*((0.1484-1.596*Xe0+0.1729*Xe0*abs(Xe0))*0.2049*G/10^6+1.037)*(1.157-0. 869*Xe0)*(0.2664+0.8357*exp(-124*De))*(0.8258+0.341*10^(-6)*(Hfs-H0));DNBR0=q_DNB0/(q*F_rn*F_qe*f0);%H1if (t_fh1<=290)H1=(5.146*t_fh1-208.22)*10^3;elseif (t_fh1<=300)H1=(5.344*t_fh1-265.64)*10^3;elseif (t_fh1<=310)H1=(5.59*t_fh1-339.44)*10^3;elseif (t_fh1<=320)H1=(5.932*t_fh1-445.46)*10^3;elseif (t_fh1<=330)H1=(6.422*t_fh1-602.26)*10^3;elseif (t_fh1<=340)H1=(7.23*t_fh1-868.9)*10^3;elseif (t_fh1<=350)H1=(104.63*t_fh1-33984.9)*10^3;endXe1=(H1-Hfs)/Hfg;q_DNB1=3.154*10^6*((2.022-6.238*10^(-8)*P)+(0.1722-1.43*10^(-8)*P)*exp((18.177-5.987*1 0^(-7)*P)*Xe1))*((0.1484-1.596*Xe1+0.1729*Xe1*abs(Xe1))*0.2049*G/10^6+1.037)*(1.157-0. 869*Xe1)*(0.2664+0.8357*exp(-124*De))*(0.8258+0.341*10^(-6)*(Hfs-H0));DNBR1=q_DNB1/(q*F_rn*F_qe*f1);if (t_fh2<=290)elseif (t_fh2<=300)H2=(5.344*t_fh2-265.64)*10^3;elseif (t_fh2<=310)H2=(5.59*t_fh2-339.44)*10^3;elseif (t_fh2<=320)H2=(5.932*t_fh2-445.46)*10^3;elseif (t_fh2<=330)H2=(6.422*t_fh2-602.26)*10^3;elseif (t_fh2<=340)H2=(7.23*t_fh2-868.9)*10^3;elseif (t_fh2<=350)H2=(104.63*t_fh2-33984.9)*10^3;endXe2=(H2-Hfs)/Hfg;q_DNB2=3.154*10^6*((2.022-6.238*10^(-8)*P)+(0.1722-1.43*10^(-8)*P)*exp((18.177-5.987*1 0^(-7)*P)*Xe2))*((0.1484-1.596*Xe2+0.1729*Xe2*abs(Xe2))*0.2049*G/10^6+1.037)*(1.157-0. 869*Xe2)*(0.2664+0.8357*exp(-124*De))*(0.8258+0.341*10^(-6)*(Hfs-H1));DNBR2=q_DNB2/(q*F_rn*F_qe*f2);if (t_fh3<=290)H3=(5.146*t_fh3-208.22)*10^3;elseif (t_fh3<=300)H3=(5.344*t_fh3-265.64)*10^3;elseif (t_fh3<=310)H3=(5.59*t_fh3-339.44)*10^3;elseif (t_fh3<=320)H3=(5.932*t_fh3-445.46)*10^3;elseif (t_fh3<=330)H3=(6.422*t_fh3-602.26)*10^3;elseif (t_fh3<=340)H3=(7.23*t_fh3-868.9)*10^3;elseif (t_fh3<=350)H3=(104.63*t_fh3-33984.9)*10^3;endXe3=(H3-Hfs)/Hfg;q_DNB3=3.154*10^6*((2.022-6.238*10^(-8)*P)+(0.1722-1.43*10^(-8)*P)*exp((18.177-5.987*1 0^(-7)*P)*Xe3))*((0.1484-1.596*Xe3+0.1729*Xe3*abs(Xe3))*0.2049*G/10^6+1.037)*(1.157-0. 869*Xe3)*(0.2664+0.8357*exp(-124*De))*(0.8258+0.341*10^(-6)*(Hfs-H2));DNBR3=q_DNB3/(q*F_rn*F_qe*f3);if (t_fh4<=290)H4=(5.146*t_fh4-208.22)*10^3;elseif (t_fh4<=300)。
课程设计报告( 2019 -- 2019 年度第二学期)名称:核反应堆热工分析题目:单通道模型反应堆稳态热工设计院系:核科学与工程学院班级:学号:学生姓名:指导教师:设计周数: 2成绩:日期:2019年 6 月26 日一、课程设计的目的与要求该课程设计的主要目的为:培养学生综合运用反应堆热工分析课程和其它先修课程的理论和实际知识,树立正确的设计思想,培养分析和解决实际问题的能力。
该课程设计的基本要求为:在堆型和为进行热工设计所必需的条件已经确定的前提下,利用单通道模型进行反应堆稳态热工设计,并对热工设计准则进行验证;二、设计正文已知压水反应堆的热功率N t=2895Mw;燃料元件包壳外径d cs=9.5mm,包壳内径d ci=8.36mm,芯块直径d u=8.19mm;燃料组件采用17*17正方形排列,共157组燃料组件;每个组件内有24个控制棒套管和一个中子通量测量管;燃料棒中心间栅距P=12.6mm,组件间水隙δw=1mm。
系统工作压力p=15.5Mpa,冷却剂平均温度t R=310℃,堆芯冷却剂平均温升∆t=34.6℃;冷却剂旁流系数ζ=6.5%;冷却剂设计总流量71370m3/h;DNBR=2.08;又设燃料元件内释热份额占总释热量的97.4%;堆芯高度取L=3.66m;并近似认为燃料元件表面最大热流密度、元件表面最高温度和元件中心最高温度都发生在元件半高度处;已知元件包壳的热导率k c=0.00547(1.8t cs+32)+13.8[W/(m·℃)]。
适用单通道模型求燃料元件中心温度。
(大亚湾)求解步骤:由题知F u=97.4% , W ef=1-6.5%=93.5%。
取,F∆H N=1.51, F∆H E=1.07,;F Z N=1.54;F q E=1.03 F q=2.39 F q N=F qF q E=2.32相应温压下,水的c p=5.816kJ/(kg.C)1、确定燃料元件的实际最大热流密度q max因为压水堆的安全限值首先是燃料元件表面的最小DNBR,其次才是燃料元件的中心温度,故q max值由热点处的q DNB值除以DNBR而得。
目录一、设计任务 (1)二、课程设计要求 (2)三、计算过程 (2)四、程序设计框图 (8)五、代码说明书 (9)六、热工设计准则和出错矫正 (10)七、重要的核心程序代码 (11)八、计算结果及分析 (17)一、设计任务某压水反应堆的冷却剂及慢化剂都是水,用二氧化铀作燃料,用Zr-4作包壳材料。
燃料组件无盒壁,燃料元件为棒状,正方形排列。
已知下列参数:系统压力 15.8MPa堆芯输出功率 1820MW冷却剂总流量 32100t/h反应堆进口温度287℃堆芯高度 3.66m燃料组件数 121燃料组件形式17×17每个组件燃料棒数 265燃料包壳直径 9.5mm燃料包壳内径 8.36mm燃料包壳厚度 0.57mm燃料芯块直径 8.19mm燃料棒间距(栅距) 12.6mm芯块密度 95%理论密度旁流系数 5%燃料元件发热占总发热的份额 97.4%径向核热管因子 1.35轴向核热管因子 1.528局部峰核热管因子 1.11交混因子 0.95热流量工程热点因子 1.03焓升工程热管因子 1.085堆芯入口局部阻力系数 0.75堆芯出口局部阻力系数 1.0堆芯定位隔架局部阻力系数 1.05若将堆芯自上而下划分为5个控制体,则其轴向归一化功率分布如下表:堆芯轴向归一化功率分布(轴向等分5个控制体)通过计算,得出1. 堆芯出口温度;2. 燃料棒表面平均热流及最大热流密度,平均线功率,最大线功率;3. 热管的焓,包壳表面温度,芯块中心温度随轴向的分布;4. 包壳表面最高温度,芯块中心最高温度;5. DNBR在轴向上的变化;6. 计算堆芯压降;二、课程设计要求1.设计时间为两周;2.独立编制程序计算;3.迭代误差为0.1%;4.计算机绘图;5.设计报告写作认真,条理清楚,页面整洁;6.设计报告中要附源程序。
三、计算过程目前,压水核反应堆的稳态热工设计准则有:(1)燃料元件芯块内最高温度应低于其相应燃耗下的熔化温度。
2.计算堆芯出口温度(平均管)℃出口温度℃进出口温度平均值℃313300 325.2113135306.1056567324.1126955305.5563478324.2170398305.6085199324.2071793计算堆芯出口温度(平均管)3.燃料元件表面热流密度3.燃料元件表面热流密度堆芯找总传热面积F总表面平均热流密度q平均燃料棒表面最大热流密度q max平均线功率ql平均最大线功率ql,max4.平均管情况堆芯总流通面积Af平均密度ρf平均管的流速V5.热管流量通道截面积Ab热管通道内流量Wh6.热管中的计算6.1热管中的流体温度与出口包壳外壁温度π的值取: 3.141592654设中间变量K,有Tfh=Tfin+K*i/Cp则K的值是:53.20947968入口的温度T0287控制体10.49出口温度℃进出口温度平均值℃305296 291.8677009289.4338505292.020934289.510467292.020*******.5102843控制体2 1.04出口温度℃进出口温度平均值℃300296.0102843 302.4264044297.2234865302.300162297.1603653302.3028651297.1617168控制体3 1.5出口温度℃进出口温度平均值℃315308.6514325 316.3405646309.3217149316.2884384309.2956518316.2904793309.2966722控制体4 1.52出口温度℃进出口温度平均值℃330323.1452396329.1687983322.7296388329.2146074322.7525433329.2120963322.7512878控制体50.96出口温度℃进出口温度平均值℃340334.6060482 336.3835807332.7978385336.561608332.8868521336.5531338332.8826151控制体60.49出口温度℃进出口温度平均值℃350343.2765669 339.6501479338.1016408340.0167062338.28492340.0054583338.279296340.005805338.27946946.2出口包壳内壁温度和UO2外表面温度,UO2中心温度。
课程设计报告( 20 13 -- 2014 年度第二学期)名称:核反应堆热工分析课程设计题目:利用单通道模型进行反应堆稳态热工设计院系:核科学与工程学院班级:实践核1101班学号:1111440306学生:佳指导教师:王胜飞设计周数:1周成绩:日期:2014 年 6 月19 日一、课程设计的目的与要求反应堆热工设计的任务就是要设计一个既安全可靠又经济的堆芯输热系统。
对于反应堆热工设计,尤其是对动力堆,最基本的要安全。
要求在整个寿期能够长期稳定运行,并能适应启动、功率调节和停堆等功率变化,要保证在一般事故工况下堆芯不会遭到破坏,甚至在最严重的工况下,也要保证堆芯的放射性物质不扩散到周围环境中去。
在进行反应堆热工设计之前,首先要了解并确定的前提为:(1)根据所设计堆的用途和特殊要求(如尺寸、重量等的限制)选定堆型,确定所用的核燃料、冷却剂、慢化剂和结构材料等的种类;(2)反应堆的热功率、堆芯功率分布不均匀系数和水铀比允许的变化围;(3)燃料元件的形状、它在堆芯的分布方式以及栅距允许变化的围;(4)二回路对一回路冷却剂热工参数的要求;(5)冷却剂流过堆芯的流程以及堆芯进口处冷却剂流量的分配情况。
在设计反应堆冷却系统时,为了保证反应堆运行安全可靠,针对不同的堆型,预先规定了热工设计必须遵守的要求,这些要求通常就称为堆的热工设计准则。
目前压水动力堆设计中所规定的稳态热工设计准则,一般有以下几点:(1)燃料元件芯块最高应低于其他相应燃耗下的熔化温度;(2)燃料元件外表面不允许发生沸腾临界;(3)必须保证正常运行工况下燃料元件和堆构件得到充分冷却;在事故工况下能提供足够的冷却剂以排除堆芯余热;(4)在稳态额定工况和可预计的瞬态运行工况中,不发生流动不稳定性。
在热工设计中,通常是通过平均通道(平均管)可以估算堆芯的总功率,而热通道(热管)则是堆芯中轴向功率最高的通道,通过它确定堆芯功率的上限,热点是堆芯中温度最高的点,代表堆芯热量密度最大的点,通过这个点来确定DNBR。
热工课程设计主要是为了培养学生综合运用反应堆热工分析课程和其它先修课程的理论和实际知识,树立正确的设计思想,培养分析和解决实际问题的能力。
通过本课程设计,达到以下目的:1、深入理解压水堆热工设计准则;2、深入理解单通道模型的基本概念、基本原理。
包括了平均通道(平均管)、热通道(热管)、热点等在反应堆设计中的应用;3、掌握堆芯焓场的计算并求出体现在反应堆安全性的主要参数:烧毁比DNBR,最小烧毁比MDNBR,燃料元件中心温度及其最高温度,包壳表面温度及其最高温度等;4、求出体现反应堆先进性的主要参数:堆芯流量功率比,堆芯功率密度,燃料元件平均热流密度(热通量),最大热流密度,冷却剂平均流速,冷却剂出口温度等;5、掌握压降的计算;6、掌握单相及沸腾时的传热计算。
7、理解单通道模型的编程方法。
课程设计要求:1.设计时间为一周;2.独立编制程序计算;3.迭代误差为0.1%;4.计算机绘图;5.设计报告写作认真,条理清楚,页面整洁;6.设计报告中要附源程序。
课程设计的考核方式:1、报告一份;2、计算程序及说明一份;3、答辩。
二、设计任务(设计题目)探求某情况下压水堆核电站对应的热工参数。
某压水反应堆的冷却剂和慢化剂都是水,用二氧化铀作燃料,Zr-4作燃料包壳材料。
燃料组件无盒壁,燃料元件为棒状,正方形排列,已知参数如表一所示:若将堆芯自下而上分为3个控制体,其轴向归一化功率分布见下表:表一堆芯归一化功率分布(轴向等分3个控制体)表一某压水反应堆的热工参数通过计算,得出:1. 堆芯流体出口温度;2. 燃料棒表面平均热流密度以及最大热流密度,平均线功率,最大线功率;3. 热管的流体温度(或焓)、包壳表面温度、芯块中心温度随轴向的分布;4. 包壳表面最高温度,芯块中心最高温度;5. DNBR 在轴向上的变化;6. 计算堆芯压降。
三、设计正文(详细的计算过程、计算结果及分析)1.计算过程1.1堆芯流体出口温度(平均管)℃按流体平均温度以及压力由表中查得。
1.2燃料表面平均热流密度W/m2式中为堆芯燃料棒的总传热面积m2燃料棒表面最大热流密度q maxw/m2燃料棒平均线功率W/m燃料棒最大线功率w/m1.3平均管的情况平均管的流速Vm/s式中,堆芯总流通面积n0为燃料组件正方形排列时的每一排(列)的燃料元件数由压力以及流体的平均温度查表得到:1.4为简化计算起见,假定热管的流体流速V h和平均管的V相同。
(实际上,应该按照压降相等来求。
热管的流体流速要小一些)。
则V h=V同样,热管四根燃料元件组成的单元通道的流量1.5热管中的计算(按一个单元通道计算)(1)热管中的流体温度(2)第一个控制体出口处的包壳外壁温度式中:h(z)可以用来求。
所以, 式中:流体的k(z)、μ(z )和Pr 数根据流体的压力好温度由表查得。
(k=λ 传热系数) 如果流体已经达到过冷沸腾,用Jens-Lottes 公式:()()()()()2,(),(),f h z w f h z w s s f h z t z t t z t t t θ∆=-=-+-当时,用前面的式子 当时,用(3)第一个控制体出口处的包壳壁温度式中:Zr-4的 W/m.℃(4)第一个控制体出口处的UO 2芯块外表面温度(5)第一个控制体出口处的UO 2芯块中心温度用积分热导求解的方法,即其他2个控制体的计算方法相同,重复上述过程即可。
1.6热管中的用w-3公式计算,同样对3个控制体都算1.7DNBR的计算1.8计算热管中的压降1.9单相流体的摩擦压降式中:单相流体加速压降:单相流体提升压降:局部压降,出口:进口:定位格架出口压降:其中,比容v按相应的流体压力和温度,由表查得。
2.计算结果1) 流体堆芯出口温度out f t ,= 344.0019℃; 2) 燃料棒表面平均热流密度q =8.0505e+005w ; 3) 燃料棒表面最大热流密度m ax q = 1.7105e+006w ; 4) 燃料棒平均线功率l q = 2.4027e+004w/m ; 5) 燃料棒最大线功率max ,l q = 5.1049e+004w/m ; 6) 热管平均温度f t =316.0009℃;7) 第一控制体出口流体温度h f t ,(L1)=299.9305℃; 8) 第一控制体出口处的包壳外壁温h cs t ,(L1)=330.1578 ℃; 9) 第一控制体出口处的包壳壁温h ci t ,(L1)= 338.8008℃;10) 第一控制体出口处的芯块外表面温度h u t ,(L1)= 517.2810℃; 11) 第一控制体出口处的芯块中心温度h o t ,(L1)= 1.0629e+003℃; 12) 热管中的h DNB q ,(L1)=5.5524e+006w ; 13) DNBR(L1)= 6.200114) 第二控制体出口流体温度h f t ,(L2)=320.6601℃; 15) 第二控制体出口处的包壳外壁温h cs t ,(L2)=348.6468℃; 16) 第二控制体出口处的包壳壁温h ci t ,(L2)=364.3162℃;17) 第二控制体出口处的芯块外表面温度h u t ,(L2)=698.9667℃; 18) 第二控制体出口处的芯块中心温度h o t ,(L2)=2.0864e+003℃; 19) 热管中的h DNB q ,(L2)=5.0732e+006w ; 20) DNBR(L2)=3.021321) 第三控制体出口流体温度h f t ,(L3)=329.4185℃; 22) 第三控制体出口处的包壳外壁温h cs t ,(L3)=349.2588℃; 23) 第三控制体出口处的包壳壁温h ci t ,(L3)=356.6231℃;24) 第三控制体出口处的芯块外表面温度h u t ,(L3)=512.7934℃; 25) 第三控制体出口处的芯块中心温度(h o t ,L3)=1.0407e+003 ℃; 26) 热管中的h DNB q ,(L3)=4.3073e+006w ; 27) DNBR(L3)=5.496928) 单相流体的摩擦压降f P ∆=2.3180e+004Pa 29) 单相流体加速压降a P ∆=0Pa30) 单相流体提升压降el P ∆=2.4742e+004Pa 31) 堆芯出口局部压降out P ∆=6.9301e+003Pa 32) 堆芯进口局部压降in P ∆=4.2641e+003Pa 33) 定位格架出口压降gr P ∆=6.6232e+003 Pa 34) 总的压降P ∆=6.5739e+004Pa 3.计算结果分析计算结果误差分析:由于采用的是W-3公式,并且基本没引入对应的修正因子。
并且在计算物性时粗糙地采用了线性插值的方法,会带来了较大误差。
但是算出的结果还是能客观反映出热管中各量的变化趋势的。
表2 临界热流与烧毁比的汇总表表3 各温度的汇总表单从表数据看,DNBR都小于1,芯块中心温度小于二氧化铀的熔点,所以理论上能够保证安全性。
四、课程设计总结或结论本次课程设计笔者选择了一组随机的数据进行了计算,验证了该组数据在各个控制体的安全性。
其中,参数的选取基本参照了大亚湾核电站的基本数据,但是做了一些修改。
一回路:绝对压力:15.5MPa压力容器进口温度(满功率):292.7;压力容器出口温度(满功率):327.3;平均温度(满功率):310.0,平均温度随负荷在291.4到310之间稳压器水位:20%到64%二回路(满功率):蒸汽发生器入口给水:6.88MPa,226度;蒸汽发生器产生的主蒸汽:6.71MPa,283度;高压缸排气:0.783MPa,169.5度;汽水分离再热器出口蒸汽(低压缸进汽):0.747MPa,265度;低压缸排气:7.5kPa,40.3度。
比如设计的压力容器进口温度为288度,比真实值略低,但实际计算出来后的平均温度更高。
但堆功率比大亚湾正常运行的核电站的功率更低。
由此可以看出,维持更低的堆功率和进口温度不代表冷却剂平均温度和堆芯温度就一定更低。
甚至相反的可能会取得更高的值。
所以,通过本次的参数计算,我们应该意识到反应堆热工分析是个复杂而连续的过程,每个参数都受到大量的常数参数的影响也具有很多的修正因子。
我们不应该根据自己的常识来判断数据的变化情况,相反地我们应该随时坚持以数据计算为引导,以实验作为验证。
仔细客观认真地分析堆数据的变化,并且对堆数据进行全程监控,防止堆数据随时变化,对反应堆的危害性。
下面我们再对比性的展示一组数据。
而这组数据和我们之前计算得到的数据的差异,在于以下数据的不同。