《四川省地方标准森林康养基地建设基础设施》
- 格式:doc
- 大小:153.50 KB
- 文档页数:19
四川省住房和城乡建设厅关于发布四川省工程建设地方标准复审结果的通知正文:---------------------------------------------------------------------------------------------------------------------------------------------------- 四川省住房和城乡建设厅关于发布四川省工程建设地方标准复审结果的通知(川建标发[2011]268号)各市(州)住房城乡建设行政主管部门,各有关单位:按照住房和城乡建设部《工程建设标准复审管理办法》(建存[2006]221号)规定,我厅组织有关单位和专家对2008年及以前发布实施的80项工程建设地方标准进行了复审,现将复审结果予以公布:确认继续有效22项、废止39项、修订19项(详见附件)。
为落实本通知的复审结果,请各有关单位按以下要求做好相关工作:一、确认继续有效的工程建设地方标准,再版时应在该标准封面和扉页的中文名称下方增加“2011年7月确认继续有效”的标记。
二、确认废止的工程建设地方标准,自2011年12月1日起停止实施,在工程建设活动中不得再使用废止的工程建设地方标准。
三、确认修订的工程建设地方标准,请该标准的主编单位于2011年9月30日前,填写《四川省工程建设地方标准制定修订项目申请表》,向我厅提出修订申请,逾期未提交修订申请的项目,我厅将另择单位承担修订工作。
四、参与工程建设活动的相关单位,应按照复审结果及有关要求,做好本单位工程建设标准的管理工作,严格执行现行有效标准。
四川省住房和城乡建设厅二O一一年七月六日附件1:2011年四川省工程建设地方标准复审“继续有效”名录序号标准编号标准名称主编单位1DB51-5005-93冷轧带肋钢筋预应力混凝土构件设计与施工技术规程四川省建筑科学研究院2DB51-5009-94横向钢筋窄间隙焊接规程四川省建筑科学研究院3DB51/5016-98四川省城市园林绿化技术操作规程成都市园林局4DB51/T5032-2005住宅供水“一户一表”设计、施工及验收技术规程四川省城镇供排水协会5DB51/T5036-2007屋面工程施工工艺规程四川建筑职业技术学院四川华西集团有限公司四川省建设工程质量安全监督总站6DB51/T5037-2007防水工程施工工艺规程四川建筑职业技术学院四川华西集团有限公司四川省建设工程质量安全监督总站7DB51/T5039-2007砌体工程施工工艺规程四川建筑职业技术学院四川华西集团有限公司四川省建设工程质量安全监督总站8DB51/T5040-2007智能建筑工程施工工艺规程四川建筑职业技术学院四川华西集团有限公司四川省建设工程质量安全监督总站9DB51/T5041-2007室外排水用高密度聚乙烯检查井工程技术规程中国市政工程西南设计研究院10DB51/T5043-2007建筑给水内筋嵌入式衬塑钢管管道工程技术规程四川省建筑设计院11DB51/T5047-2007建筑电气工程施工工艺规程四川建筑职业技术学院四川华西集团有限公司四川省建设工程质量安全监督总站12DB51/T5051-2007钢结构工程施工工艺规程四川建筑职业技术学院四川华西集团有限公司四川省建设工程质量安全监督总站13DB51/T5052-2007建筑给水排水与采暖工程施工工艺规程四川建筑职业技术学院四川华西集团有限公司四川省建设工程质量安全监督总站14DB51/T5053-2007建筑装饰装修工程施工工艺规程四川建筑职业技术学院四川华西集团有限公司四川省建设工程质量安全监督总站15DB51/T5054-2007建筑给水薄壁不锈钢管管道工程技术规程中国建筑西南设计研究院有限公司16DB51/T5056-2008室外给水钢丝网骨架塑料复合管管道工程技术规程中国市政工程西南设计研究院17DB51/T5057-2008城市道路高分子复合材料检查井盖、水箅技术规程成都市市政工程协会18DB51/T5058-2008四川省抗震设防超限高层建筑工程界定标准四川省建筑设计院DB51/T5042-2007复合保温石膏板内保温系统工程技术规程中国建筑西南设计研究院有限公司四川省建设科技协会20DB51/T5050-2007白酒厂设计防火规范四川省消防总队21DB51/T5044-2007CL结构设计规程四川省建筑标准设计办公室四川省建筑设计院22DB51/T5045-2007CL结构工程施工质量验收规程四川省建筑标准设计办公室四川省建设工程质量安全监督总站附件2:2011年四川省工程建设地方标准复审“修订”名录序号标准编号标准名称主编单位1DBJ20-06-90回弹法评定砖砌体中砌筑砂浆抗压强度技术规程四川省建筑科学研究院2DBJ20-08-90回弹法评定砌体中烧结普通砖强度等级(标号)技术规程四川省建筑科学研究院3DB51/93-92振动冲击沉管灌注桩施工及验收规程四川省建筑科学研究院4DB51/5027-2008代替DB51/5027-2002四川省居住建筑节能设计标准中国建筑西南设计研究院有限公司5DB51/T5034-2006燃气用衬塑(PE)、衬不锈钢铝合金管道工程技术规程四川省燃气协会6DB51/T5038-2007地面工程施工工艺规程四川建筑职业技术学院四川华西集团有限公司四川省建设工程质量安全监督总站7DB51/T5046-2007混凝土结构工程施工工艺规程四川建筑职业技术学院四川华西集团有限公司四川省建设工程质量安全监督总站8DB51/T5048-2007地基与基础工程施工工艺规程四川建筑职业技术学院四川华西集团有限公司四川省建设工程质量安全监督总站9DB51/T5049-2007通风与空调工程施工工艺规程四川建筑职业技术学院四川华西集团有限公司四川省建设工程质量安全监督总站10DB51/T5012-2003白蚁防治施工技术规程成都市白蚁防治研究所11DB51/T5055-2008室外给水球墨铸铁管管道工程技术规程中国市政工程西南设计研究院12DB51/T5059-2008四川省建筑抗震鉴定与加固技术规程(试行)西南交通大学13DB51/T5060-2008预拌砂浆生产与应用技术规程四川省建材工业科学研究院成都市散装水泥办公室14DB51/T5061-2008水泥基复合膨胀玻化微珠建筑保温系统技术规程四川省建材工业科学研究院15DB51/T5062-2008EPS钢丝网架板现浇混凝土外墙外保温系统技术规程成都市建筑工程集团总公司16DB51/5033-2005居住建筑节能保温隔热工程质量验收规程中国建筑西南设计研究院成都市墙村革新建筑节能办公室17DB51/T5026-2001成都地区建筑地基基础设计规范成都市建筑设计研究院18DB51/T5035-2007燃气用环压连接薄壁不锈钢管道工程技术规程四川省燃气协会19DBJ20-07-90钢筋电渣压力焊接规程四川省建筑科学研究院附件3:2011年四川省工程建设地方标准复审“废止”名录序号标准编号标准名称主编单位1DBJ20-01-87四川省双钢筋混凝土受弯构件设计与施工规程四川省建筑科学研究院2DBJ02-87钢筋密实砂硅酸盐混凝土受弯构件设计和施工技术规定四川省建筑科学研究院3DB/51000P25001-87蒸压密实砂硅酸盐混凝土构配件生产及检验规程四川省建筑科学研究院4DBJ20-03-88四川省城市燃气输配及应用工程设计、安装验收技术规程成都市煤气公司5DBJ20-05-90冷拔中强钢丝预应力混凝土构件设计与施工若干规定四川省建筑科学研究院6DBJ20-05-90钢筋气压焊接规程四川省建筑科学研究院7DB51/T32.1-91建筑安装工程施工工艺及操作规程普通混凝土四川省工程建设标准化委员会8DB51/T32.2-91建筑安装工程施工工艺及操作规程特种混凝土工程四川省工程建设标准化委员会9DB51/T32.3-91建筑安装工程施工工艺及操作规程混凝土离心制品四川省工程建设标准化委员会10DB51/T32.4-91建筑安装工程施工工艺及操作规程钢筋工程11DB51/T32.10-91建筑安装工程施工工艺及操作规程装饰工程四川省工程建设标准化委员会12DB51/T32.11-91建筑安装工程施工工艺及操作规程油漆玻璃工程四川省工程建设标准化委员会13DB51/T32.12-91建筑安装工程施工艺及操作规程施工测量及土方与爆破工程四川省工程建设标准化委员会14DB51/T32.13-91建筑安装工程施工工艺及操作规程桩基工程四川省工程建设标准化委员会15DB51/T32.14-91建筑安装工程施工工艺及操作规程结构吊装工程16DB51/T32.15-91建筑安装工程施工工艺及操作规程钢结构制作四川省工程建设标准化委员会17DB51/T32.16-91建筑安装工程施工工艺及操作规程砌筑工程四川省工程建设标准化委员会18DB51/T32.17-91建筑安装工程施工工艺及操作规程屋面防水工程四川省工程建设标准化委员会19DB51/T32.18-91建筑安装工程施工工艺及操作规程地下防水工程四川省工程建设标准化委员会20DB51-127-92冷轧螺纹钢丝预应力混凝土构件设计与施工技术规程21DB51/5011-92四川省建筑结构设计统一规定四川省土木建筑学会建筑结构专业委员会22DB51/5004-93四川省地震基本烈度六度区建筑抗震与加固设计规程中国建筑西南设计研究院23DB51/5006-93自贡市建筑地基基础设计规范自贡市建筑勘测设计院24DB51/5009-94玻璃幕墙技术规程四川省建筑科学研究院25DB51/5013-96多彩内墙涂料施工及验收规范26DB51-/5045-97混凝土小型空心砌块砌体工程施工及验收规程四川省建筑科学研究院27DB51/5016-97混凝土小型空心砌块砌体工程质量检验评定标准四川省建筑科学研究院28DB51/5018-2000城镇住宅设计标准四川省建筑设计院29DB51/T5019-2000建筑智能化系统工程设计标准四川省电子学会建筑智能化专委会30DB51/5020-2000住宅厨房设施功能标准四川省建筑设计院31DB51/T5021-2000住宅厨房设施尺度标准四川省建筑设计院32DB51/5022-2000住宅卫生间设施功能标准四川省建筑设计院33DB51/T5023-2000住宅卫生间设施尺度功能标准四川省建筑设计院34DB51/T5024-2001建筑给水塑料管管道工程技术规程成都市建筑设计研究院35DB51/T5025-2001建筑给水铝塑复合管管道工程技术规程成都市建筑设计研究院36DB51/5029-2002钢筋滚轧直螺纹连接技术规程四川省建筑科学研究院37DB51/T5030-2004成都地区低温热水地板辐射采暖设计施工技术规程中国建筑西南设计研究院市墙改办38DB51/T5031-2004埋地聚乙烯(PE)排水管道工程技术规程成都市建筑设计研究院四川省建筑设计院中国建筑西南设计研究院39DB51/5028-2002不锈钢复合管网架结构技术规程四川亿赛建设工程有限公司重庆大学——结束——。
四川省人民政府办公厅关于进一步加强林地保护管理工作的通知正文:---------------------------------------------------------------------------------------------------------------------------------------------------- 四川省人民政府办公厅关于进一步加强林地保护管理工作的通知川办发〔2015〕75号各市(州)、县(市、区)人民政府,省政府各部门、各直属机构,有关单位:近年来,随着工业化、城镇化的深入推进,各类建设项目占用林地规模不断扩大,违法违规使用和挤占林地现象频繁发生。
为加强我省林地保护管理,遏制非法侵占林地势头蔓延,巩固生态文明建设基础,经省政府领导同志同意,现将有关事项通知如下。
一、充分认识加强林地保护管理工作的重要意义林地是生态建设的物质基础,是森林赖以生存和发展的根基。
加强林地保护管理是生态文明建设的重要任务,也是全社会的共同责任,具有重要的政治、经济、社会和生态效益。
四川是长江上游生态屏障、全国生态建设核心区和生物多样性富集区,生态区位重要,生态地位特殊,加强全省林地保护管理关系国家生态安全、生态文明建设和经济社会可持续发展。
各地要站在建设生态文明的战略高度,充分认识加强林地保护管理工作的重要意义,正确处理发展经济与保护生态、眼前利益与长远利益的关系,始终把加强林地保护管理作为一项重要工作抓实抓好,为建设生态文明和美丽四川创造更好的生态条件,为全省经济社会可持续发展奠定坚实基础。
二、严格林地红线管理和用途管制(一)加强林地红线管理。
林地红线是生态红线的重要基础,是必须坚守的“生命线”和不可逾越的“高压线”。
各级人民政府要牢固树立生态红线意识,按照国家和我省相关规定,明确划定市、县两级林地红线,制定完善管理办法,守住生态安全底线。
(二)严格林地用途管制。
四川省森林康养基地评定办法(试行)第一章总则第一条为规范四川省森林康养基地的评定,促进森林康养产业健康有序发展,根据有关规定,结合四川林业实际,制定本办法。
第二条本办法适用于四川省行政区划内森林康养基地的申报、推荐、评定、监测。
第三条森林康养基地是指森林覆盖率较高、森林健康、生态环境优良,具有维持自身生态平衡,配备相应设施设备和专业服务人员,探索和提供森林康养产品与服务,经林业行政主管部门评定的森林康养综合服务经营主体。
第四条四川省森林康养基地的申报、推荐、评定和监测,坚持自愿、公开、公平、公正的原则,兼顾区域平衡,发挥行业协会和专家作用,引入竞争淘汰机制,实行动态管理,不干预申报单位自主合法经营。
第五条林业厅负责四川省森林康养基地的评定,成立四川省森林康养基地评定专家委员会(以下简称评定专家委员会,每三年换届),承担四川省森林康养基地的评定、监测等工作。
评定专家委员会下设办公室在林业厅国际合作处,具体实施森林康养基地评定等工作的联络、组织、协调、服务等日常事务。
市(州)、县(市、区)林业行政主管部门负责本行政区域内森林康养基地申报初审、审核、监测等工作。
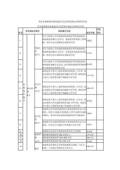
第二章申报条件第六条申报四川省森林康养基地的资源环境,应符合《四川省森林康养基地建设˙资源条件》(DBS1/T2262-2016)规定的相关要求。
(一)资源条件。
1.面积大于或等于50公顷;2.四至边界清晰,无权属争议;3.森林康养主体功能区海拔不超过2800米;4.基地内森林覆盖率不低于60%。
植被季相变化明显,有彩叶、芳香、观花、观果等类植物。
无明显林业有害生物危害;5.能提供3种以上本地森林蔬菜或森林食品。
(二)交通条件。
连接基地的外部公路等级应达到林Ⅲ级道路标准以上,符合安全行车基本要求。
(三)环境条件。
1.无明显地质灾害、洪水等安全隐患;2.无疫源疫病风险记录;3.PM2.5年均浓度不超过15微克/立方米,24小时平均浓度不超过35微克/立方米;空气细菌含量少于200个/立方米;空气负离子浓度达到1000个/立方厘米以上;4.提供符合国家饮用水卫生标准的饮用水;5.基地外延5公里范围内无污染源。
《贵州省森林康养基地规划技术规程》编制说明前言森林康养是一种国际潮流,是以森林康复、疗养、休闲等为核心的新型业态。
森林可以为人类提供巨大的天然康养场所,是大健康产业的最佳天然载体,森林康养借助森林天然资源的多维度功能给予人们健康并据此诞生新的产业链,具有重要的生命意义和生态经济意义,是推进我省生态文明实验区建设的需要,满足人们对健康生态的需要,也是充分发挥森林资源作用,提升我省旅游、养生、体验档次,推动林业供给侧结构性改革的重要内容,对推进我省贫困地区脱贫攻坚事业发展具有重要作用。
森林康养在中国尚属新概念,没有任何标准可以借鉴和依据,及时研究和制定贵州省森林康养基地规划技术规程,规范管理非常必要。
作为康养基地规划,不仅要有森林生态资源,开发建设条件,同时需要严格的规范指导。
因此,及时研究提出森林康养基地规划理念、方法和技术要求,制订森林康养基地规划技术规程对于森林康养基地规划建设十分必要。
根据《中华人民共和国标准化法》规定,为规范我省森林康养基地总体规划,指导森林康养产业健康有序发展,贵州省林业厅提出了编制贵州省森林康养基地规划技术规程地方标准的计划,由贵州省林业调查规划院承担该标准的研究及编制工作。
一、任务的由来本标准由贵州省林业厅提出,由贵州省市场监管局《关于下达贵州省2016年第一批标准化项目的通知》(XX号文)批准立项,贵州省林业调查规划院、贵州省林业对外合作项目中心起草制定。
二、本标准的主要起草单位及人员表2-1 《贵州省森林康养基地规划技术规程》主要起草单位及人员一览表三、本标准起草过程本标准的研究及编制期限为2015年1月~2017年3月,期限26个月,分3个阶段开展:(1)资料收集阶段2015年1月~2015年7月,组建标准起草小组,收集标准编制的背景材料和有关标准编制的参考、引用资料,进行归纳整理。
共查阅国内外文献480余篇,整理归类有关森林康养文献55篇,引用17篇。
(2)实地调研阶段2015年8月~2016年5月,分别前往湖南省林科院森林康养基地、四川省洪雅玉屏山森林康养基地、云南普达措国家公园、云南普洱国家公园、梵净山国家级自然保护区、雷公山国家级自然保护区、大沙河省级自然保护区、百里杜鹃国家森林公园、玉舍国家森林公园、长坡岭国家森林公园、黎平国家森林公园、九龙山国家森林公园、氵舞阳湖国家森林公园、习水国家森林公园、丹寨龙泉山省级森林公园、冷水河省级森林公园、扎佐林场、龙里林场、春蕾林场、拉揽林场等实地调研,主要内容涉及森林康养资源条件、环境状况、设施条件、规划意向、建设及管理运作情况等。
四川省人民政府关于四川省林地保护利用规划(2010—2020年)的批复正文:---------------------------------------------------------------------------------------------------------------------------------------------------- 四川省人民政府关于四川省林地保护利用规划(2010-2020年)的批复(川府函[2013]191号)各市(州)、县(市、区)人民政府,省政府有关部门、有关直属机构:林业厅《关于报送〈四川省林地保护利用规划(2010-2020年)(送审稿)〉的请示》(川林〔2013〕64号)收悉。
现批复如下。
一、原则同意《四川省林地保护利用规划(2010-2020年)》(以下简称《规划》),请你们认真组织实施。
二、《规划》要围绕党的十八大关于生态文明建设的总体要求实施,以实现森林资源“双增长”为目标,坚持严格保护、积极发展、科学经营、持续利用的方针,统筹协调林地保护与利用的关系,充分发挥森林的生态、经济和社会效益,推动我省林业由维护生态安全向建设生态文明提升、由传统数量林业向现代效益林业转变、由森林资源大省向林业生态和经济强省跨越,为全面建成长江上游生态屏障和经济社会可持续发展奠定坚实基础。
三、实现森林资源“双增长”目标。
通过实施《规划》,到2020年,全省林地保有量达到2358万公顷;森林保有量达到1795万公顷以上,比2009年增加126万公顷;森林蓄积量力争达到17.9亿立方米以上,比2009年增加1.5亿立方米;现有乔木林地生产率达到148立方米/公顷;重点公益林地和重点商品林地比率分别达到72.9%和17.2%;2011-2020年占用征收林地总额控制在64342公顷以内。
四、严格实行林地用途管制。
严禁擅自改变林地性质、用途和范围。
严格控制林地转为建设用地,实施占用征收林地定额管理和建设项目分类供地管理。
四川省人民政府关于发布政府核准的投资项目目录(四川省2014年本)的通知正文:---------------------------------------------------------------------------------------------------------------------------------------------------- 四川省人民政府关于发布政府核准的投资项目目录(四川省2014年本)的通知(川府发〔2014〕29号)各市(州)人民政府,省政府各部门、各直属机构:为进一步深化投资体制和行政审批制度改革,充分发挥市场在资源配置中的决定性作用,确立企业投资主体地位,落实企业投资自主权,更好发挥政府作用,加强和改进宏观调控,根据《国务院关于发布政府核准的投资项目目录(2013年本)的通知》(国发〔2013〕47号),结合四川实际,现发布《政府核准的投资项目目录(四川省2014年本)》,并就有关事项通知如下。
一、企业在四川省范围内投资建设本目录内的固定资产投资项目,须按照规定报送具有相应权限的项目核准机关核准。
企业投资建设本目录外的项目,实行备案管理。
事业单位、社会团体等投资建设的项目,按照本目录执行。
二、法律法规和国家、省制定的发展规划、产业政策、总量控制目标、技术政策、准入标准、用地政策、环保政策、节能政策、信贷政策等是企业开展项目前期工作的重要依据,是项目核准机关和国土资源、环境保护、城乡规划、节能审查、行业管理等部门以及金融机构对项目进行审查的依据。
对钢铁、电解铝、水泥、平板玻璃、船舶等产能严重过剩行业的项目,省直有关部门和市(州)、县(市、区)人民政府要严格按照国务院关于化解产能严重过剩矛盾指导意见的要求,严格控制新增产能。
三、项目核准机关要改进完善管理办法,提高工作效能,严格按照规定的权限、程序和时限等要求认真履行核准职责。
有关部门要密切配合,按照职责分工,相应改进管理办法,依法加强对投资活动的服务和监管。
森林康养基地建设标准
《森林康养基地建设标准》
第一章总则
第一条为贯彻落实《国家重点推进森林康养行动规划
(2017-2025年)》和《中华人民共和国林业法》,根据《中华人民共和国森林植物种质资源保护法》等有关法律法规,制定本标准。
第二条本标准适用于全国森林康养基地的建设。
第二章综合考核标准
第三条森林康养基地综合考核标准应包括“选址、可持续经营管理、资源保护、游客服务”四部分。
第四条应当结合当地森林资源状况,实行严格的选址考核,按照“绿廊原则”,科学布局管理温泉、疗养中心、餐饮休息、游览休闲等设施,确保生态安全,同时保证游客的安全。
第五条森林康养基地必须具备可持续经营管理,重点考核其经营管理体制、财务管理、维护机制、游客健康安全、环境保护等方面。
第六条森林康养基地应当建立资源保护体系,加强森林防火防灾预警、野生动植物保护管理等环境保护工作,保护当地森林资源,及时发现并及时处理破坏森林的行为。
第七条森林康养基地必须具备完善的游客服务,考核其安全服务、文化服务、礼仪服务、健康服务等方面。
第三章综合管理体制
第八条森林康养基地应当建立健全的综合管理体制,确立明确
的管理层级,明确各级管理部门职责,建立全面的检查机制,制定完善的管理制度,实现重点管理内容、重点管理要求和重点监督管理目标。
第九条森林康养基地应当建立有效的内部控制制度,确保其资产安全、客户权益的安全、经营活动的安全、游客健康安全等。
第四章附则
第十条本标准自发布之日起施行。
四川省人民政府关于印发《四川省全民健身实施计划》的通知文章属性•【制定机关】四川省人民政府•【公布日期】2022.02.26•【字号】川府发〔2022〕6号•【施行日期】2022.02.26•【效力等级】地方规范性文件•【时效性】现行有效•【主题分类】体育正文四川省人民政府关于印发《四川省全民健身实施计划》的通知川府发〔2022〕6号各市(州)、县(市、区)人民政府,省政府各部门、各直属机构,有关单位:现将《四川省全民健身实施计划》印发给你们,请认真贯彻执行。
四川省人民政府2022年2月26日附件四川省全民健身实施计划“十三五”时期,全省全民健身公共服务水平显著提升,群众健身意识不断增强,但体育公共服务能力距新时期人民群众日益增长的健身需求还有较大差距,体育场地设施供给不足等问题仍然存在。
为促进全民健身高水平发展,更好满足人民群众健身和健康需求,结合我省实际,制定本实施计划。
一、总体要求(一)指导思想。
以习近平新时代中国特色社会主义思想为指导,深入贯彻习近平总书记关于体育的重要论述,围绕健康中国和健康四川、体育强省建设,深入实施四川体育“123456”发展战略,坚持以“办人民满意的体育”为目标,加快实施群众体育五大工程、十三项行动,构建更高水平的全民健身公共服务体系。
(二)发展目标。
到2025年,全民健身公共服务体系更加完善,场地设施建设持续加强,健身组织活力充分彰显,赛事活动全域化推进,科学健身服务常态化开展,人民群众健身热情进一步提高,经常参加体育锻炼人数比例达到38.5%,县(市、区)、乡镇(街道)、行政村(社区)三级公共体育健身设施和社区15分钟健身圈实现全覆盖,每千人拥有社会体育指导员3.19名,群众体育引领员队伍达到100万人。
二、主要任务(三)实施场地设施补短板工程。
四级全民健身设施体系完善行动。
着力完善市(州)、县(市、区)、乡镇(街道)、行政村(社区)四级全民健身设施体系,实现社区15分钟健身圈全覆盖。
四川省人民政府关于加快林业产业发展的意见文章属性•【制定机关】四川省人民政府•【公布日期】2007.09.30•【字号】川府发[2007]48号•【施行日期】2007.09.30•【效力等级】地方规范性文件•【时效性】现行有效•【主题分类】森林资源正文四川省人民政府关于加快林业产业发展的意见(川府发[2007]48号)为满足社会日益增长的林产品需求,促进经济发展和农民增收,现就加快我省林业产业发展提出如下意见。
一、提高对加快林业产业发展的认识林业产业是涉及国民经济一、二、三产业的复合型产业体,具有基础性、多样性、生态性、战略性的特点。
大力发展林产业对于满足经济社会发展对天然绿色林产品的广泛需求,促进广大农民增收致富和区域经济发展,巩固生态建设成果和推进社会主义新农村建设具有十分重要的意义。
我省是林业资源大省,全省林业用地面积2280万公顷,活立木蓄积16.4亿立方米,分别占全国总量的8%和13.2%,居全国第3位和第2位,具有做大做强林业产业的优势和潜力。
由于林业产业化程度低、技术水平落后、政策不完善、体制不顺、机制不活等原因,全省林业产业发展总体滞后,实力不强。
2006年全省林业产业实现总产值507亿元,不到全国的5%,与森林资源大省地位很不相称。
各级人民政府、各有关部门要站在助农增收、促进社会主义新农村建设、实现富民强省全面小康目标的高度进一步提高加快林业产业发展的认识,切实增强责任感和紧迫感,推进我省林业产业又好又快发展。
二、林业产业发展的总体要求、基本原则和主要目标我省林业产业发展的总体要求是:全面落实科学发展观,在确保生态安全的前提下,以助农增收为核心目标,以森林资源培育为基础,以加工利用为龙头,以现代科学技术为支撑,积极推进林业产业化经营,鼓励引进境内外资金、技术和管理经验,加快发展特色优势林业产业,最大限度地满足经济社会发展对林产品和生态服务的多样化需求,推进林业资源大省向林业经济强省跨越。
四川省质监局关于批准发布《电子商务平台服务规范》等38项地方标准的公告2017年发字第4号四川省质量技术监督局批准发布以下38项地方标准,现予以公告(见附件)。
附件:《电子商务平台服务规范》等38项地方标准目录四川省质量技术监督局2017年9月18日序号地方标准编号地方标准名称代替标准号发布日期实施日期1DB51/T2395-2017电子商务平台服务规范2017-09-192017-10-012DB51/T2396-2017农村电子商务服务站(点)服务与管理规范2017-09-192017-10-013DB51/T2397-2017孤残儿童生活养育规范2017-09-192017-10-014DB51/T2398-2017农村敬老院建设与管理规范2017-09-192017-10-015DB51/T2399-2017流浪未成年人心理干预服务规范2017-09-192017-10-016DB51/T2400-2017城市信息资源标识编码规范2017-09-192017-10-017DB51/T2401-2017制造业企业质量信用等级评价2017-09-192017-10-018DB51/T2402-2017低山丘林区柏木低效人工林近自然经营技术规程2017-09-192017-10-019DB51/T2403-2017野生大熊猫粪便样品采集及DNA提取技术规程2017-09-192017-10-0110DB51/T2404-2017大熊猫种群遗传档案建立技术规程2017-09-192017-10-0111DB51/T2405-2017圈养大熊猫野化训练规程2017-09-192017-10-0112DB51/T2406-2017重点保护野生动物(偶蹄目,奇蹄目)DNA条形码司法鉴定技术规范2017-09-192017-10-0113DB51/T2407-2017自然保护区信息化建设规范2017-09-192017-10-0114DB51/T2408-2017金线莲无性繁育技术规程2017-09-192017-10-0115DB51/T2409-2017小叶锦鸡儿播种育苗技术规程2017-09-192017-10-0116DB51/T2410-2017应用微卫星DNA标记亚洲黑熊个体司法鉴定技术规范2017-09-192017-10-0117DB51/T2411-2017森林康养基地建设康养林评价2017-09-192017-10-0118DB51/T2412-2017川西北高寒沙区生态袋沙障设置技术规程2017-09-192017-10-0119DB51/T2413-2017油橄榄矮化密植丰产栽培技术规程2017-09-192017-10-0120DB51/T2414-2017羊肚菌林下种植技术规程2017-09-192017-10-0121DB51/T2415-2017岷江干旱河谷森林植被恢复技术规程2017-09-192017-10-0122DB51/T2416-2017桢楠木种鉴别方法2017-09-192017-10-0123DB51/T2417-2017藤椒大枝采收栽培技术规程2017-09-192017-10-0124DB51/T2418-2017油橄榄施肥技术规程2017-09-192017-10-0125DB51/T2419-2017桢楠扦插育苗技术规程2017-09-192017-10-0126DB51/T2420-2017盆周山区马尾松低效人工林近自然森林经营技术规程2017-09-192017-10-0127DB51/T2421-2017乡土板栗丰产栽培技术规程2017-09-192017-10-0128DB51/T2422-2017白及林下栽培技术规程2017-09-192017-10-0129DB51/T2423-2017湿法提铬副产氧化铁粉2017-09-192017-10-0130DB51/T2424-2017高钛重矿渣桥梁高性能混凝土技术规程2017-09-192017-10-0131DB51/T2425-2017钢管混凝土桥梁检验评定规程2017-09-192017-10-0132DB51/T2426-2017公路沥青路面预防性养护技术规范2017-09-192017-10-0133DB51/T2427-2017公路彩色防滑路面设置规范2017-09-192017-10-0134DB51/T2428-2017高速公路施工标准化技术指南2017-09-192017-10-0135DB51/T2429-2017雨夜公路交通反光标线质量要求和检测方法2017-09-192017-10-0136DB51/T2430-2017旧水泥混凝土路面共振碎石化技术规范2017-09-192017-10-0137DB51/T2431-2017汽车客运站建设规程2017-09-192018-01-0138DB51/T2432-2017公路被动柔性防护网技术规程2017-09-192017-12-01。
四川省质监局关于批准发布《用能单位能源审计规范》等20项地方标准的公告2016发字第6号(总第55号)四川省质量技术监督局批准发布以下20项地方标准,现予以公告(见附件)。
附件:《用能单位能源审计规范》等20项地方标准目录四川省质量技术监督局2016年9月27日序号地方标准编号地方标准名称代替标准号批准日期实施日期1DB51/T2246-2016用能单位能源审计规范2016-09-262016-10-012DB51/T2247-2016重点用能单位节能管理规范2016-09-262016-10-013DB51/T2251-2016主要林木品种审定规范2016-09-262016-10-014DB51/T2252-2016罗红霉素控制拟松材线虫病技术规范2016-09-262016-10-015DB51/T2253-2016五小叶槭播种育苗技术规程2016-09-262016-10-016小叶榕苗木和观赏树木培育技术规程和质量分级2016-09-262016-10-017DB51/T2255-2016托盘育苗技术规程2016-09-262016-10-018DB51/T2256-2016泡核桃良种繁育技术规程2016-10-019DB51/T2257-2016泡核桃良种采穗圃营建技术规程2016-09-262016-10-0110DB51/T2258-2016竹编生产工艺技术规程立体竹编2016-09-262016-10-01DB51/T2259-2016鹅掌楸育苗技术规程2016-09-262016-10-0112DB51/T2260-2016森林火灾专业扑救队伍建设标准2016-09-262016-10-0113DB51/T2261-2016森林康养基地建设基础设施2016-09-262016-10-0114DB51/T2262-2016森林康养基地建设资源条件2016-09-262016-10-0115DB51/T2263-2016清香核桃方块芽接育苗技术规程2016-09-262016-10-0116DB51/T2264-2016果梅嫁接育苗技术规程2016-09-262016-10-0117DB51/T2265-2016三花杜鹃亚组植物播种育苗技术规程2016-09-262016-10-0118DB51/T2266-2016蜡样芽孢杆菌防控板栗炭疽病技术规范2016-09-262016-10-0119DB51/T2267-2016解淀粉芽孢杆菌治疗松烂皮病技术规范2016-09-262016-10-0120DB51/T2268-2016油樟苗木及其观赏树木培育技术规程和质量分级2016-09-262016-10-01。
四川省人民政府办公厅关于开展森林草原湿地生态屏障重点县建设的通知正文:----------------------------------------------------------------------------------------------------------------------------------------------------四川省人民政府办公厅关于开展森林草原湿地生态屏障重点县建设的通知川办函〔2017〕90号各市(州)、县(市、区)人民政府,省政府有关部门、有关直属机构,有关单位:森林、草原、湿地是陆地生态系统最重要的组成部分,是人类社会永续发展的生态根基。
为贯彻落实省委十届八次全会《关于推进绿色发展建设美丽四川的决定》精神,深入开展大规模绿化全川行动,保护和修复长江上游生态环境,筑牢长江上游生态屏障,维护国家生态安全,助力全省脱贫攻坚,省政府决定在全省开展森林草原湿地生态屏障重点县(以下简称生态屏障重点县)建设,并提出如下意见。
一、总体要求树立并践行创新、协调、绿色、开放、共享发展理念,围绕构建“四区八带多点”生态安全战略格局和全面建成长江上游生态屏障奋斗目标,以四大生态功能区为建设重点,以解决突出生态问题为主攻方向,以增绿增质增效为基本要求,以增进绿色惠民为基本遵循,加强森林、草原、湿地、荒漠化生态系统修复和生物多样性保护,提升生态系统服务功能,加快补齐长江上游生态屏障短板,建成一批生态功能稳定、生态文化繁荣、人与自然和谐的生态屏障重点县,示范引领全省生态保护与建设工作,推进我省长江上游生态屏障向全面建成跨越。
二、建设范围与申报程序生态屏障重点县从若尔盖草原湿地生态功能区、川滇森林及生物多样性生态功能区、秦巴生物多样性生态功能区、大小凉山水土保持和生物多样性生态功能区中遴选20个县开展重点县建设,建设期限为4年。
生态屏障重点县由各地按照自愿原则组织申报。
森林康养基地建设标准森林康养基地建设规范201X - XX - XX发布201X - XX - XX实施XXX森林康养产业研究专业委员会目录前言 (II)1 范围 (1)2 规范性引用文件 (1)3 术语和定义 (2)4 设立基本条件 (2)5 基础设施 (3)6 康养服务设施 (6)7 服务要求 (7)I前言本标准按照GB/T 1.1-2009《标准化工作导则第1部分:标准的结构和编写》给出的规则起草。
本标准由世界中医药学会森林康养产业研究专业委员会提出。
本标准由中国XX标准化技术委员会归口。
本标准起草单位:世界中医药学会森林康养产业研究专业委员会、武汉大学、湖北大学、湖北凉域旅游文化发展有限公司。
本标准主要起草人:XXX\XXX\XXX。
II森林康养基地建设标准1.范围本标准规定了森林康养基地建设的术语和定义、设立基本条件、基础设施、康养服务设施、服务要求。
本标准适用于全国森林康养基地建设。
2.规范性引用文件下列文件对于本文件的应用是必不可少的。
凡是注日期的引用文件,仅所注日期的版本适用于本文件。
凡是不注日期的引用文件,其最新版本(包括所有的修改单)适用于本文件。
GB 3838 地表水环境质量标准GB 18918 城镇污水处理厂污染物排放标准GB 3095 环境空气质量标准GB 3096 声环境质量标准GB 15618 土壤环境质量标准GB 18871 电离辐射防护与辐射源安全基本标准GB 8408 游乐设施安全规范GB/T 15566 公共信息导向系统GB 16153 饭馆(餐厅)卫生标准GB 16889 生活垃圾填埋场污染控制标准GB 18483 饮食业油烟排放标准GB 18485 生活垃圾焚烧污染控制标准GGB/T 18973 旅游厕所质量等级的划分与评定GB/T 20501 公共信息导向系统导向要素的设计原则与要求GB/T 50340 老年人居住建筑设计标准GB 50763 无障碍设计规范GB/T 10001.1 标志用公共信息图形符号第1部分:通用符号GB/T 10001.2 标志用公共信息图形符号第2部分:旅游休闲符号GB/T 10001.3 标志用公共信息图形符号第3部分:客运与货运GB/T 10001.4 标志用公共信息图形符号第4部分:运动健身符号GB/T 10001.5 标志用公共信息图形符号第5部分:购物符号GB/T 10001.9 标志用公共信息图形符号第9部分:无障碍设施符号GB/T 32960.1-2016 电动汽车远程服务与管理系统技术规范GB/T 50939 急救中心建筑设计规范GB/T 51046 国家森林公园设计规范CJJ 134 建筑垃圾处理技术规范JGJ 62 旅馆建筑设计规范JGJ 40 疗养院建筑设计规范GB 50867 养老设施建筑设计规范JGJ 64 饮食建筑设计规范LB/T 051 国家康养旅游示范基地LY/T 2586 空气负(氧)离子浓度观测技术LY/T 5132 森林公园总体设计规范DB11/T 725 森林健康经营与生态系统健康评价规程3.术语和定义下列术语和定义适用于本文件。
四川省人民政府办公厅关于加快推进森林城市建设的意见正文:----------------------------------------------------------------------------------------------------------------------------------------------------四川省人民政府办公厅关于加快推进森林城市建设的意见川办函〔2017〕122号各市(州)人民政府,省政府各部门、各直属机构,有关单位:森林是城市最具生命力的基础设施,是城市最为短缺的公共产品。
我省城市森林总量不足、质量不高、人均占有水平偏低,已不适应人口城市化进程和全面建成小康社会需要。
建设森林城市是大规模绿化全川、筑牢长江上游生态屏障的重要支撑,是增强城市综合竞争力的重要途径,是增进人民群众生态福祉的德政工程,对于推进绿色发展、实现全面小康具有十分重要的意义。
为贯彻落实国家有关决策部署,加快建设美丽繁荣和谐四川,经省政府领导同志同意,现就加快推进我省森林城市建设提出如下意见。
一、总体要求(一)指导思想。
全面贯彻国家关于生态文明建设决策部署,牢固树立绿色发展理念,坚持绿水青山就是金山银山,以改善城乡生态环境、增加城市生态供给为主要目标,以城市增绿、大地植绿、心中播绿为重点任务,构建完备的城市森林生态系统,打造便利的森林服务设施,厚植生态文明意识,加快建设美丽繁荣和谐四川。
(二)基本原则。
坚持以人为本、森林惠民。
以改善人民生活环境、提升公众生态福祉为基本出发点,充分发挥森林的多种功能和多重效益,切实改善城市形象、提升城市品质。
坚持科学规划、合理布局。
优化森林用地在城市空间中的布局,发挥城市森林的生态缓冲作用,保护城市文化遗产,构建起保障城市生态安全的绿地空间体系。
坚持尊重规律、分类指导。
尊重造林绿化自然规律,以适地适树、乡土树种为主要选择,因地制宜建设稳定的城市森林,积极构建以森林为主导的城市生态系统。
四川省发展和改革委员会关于印发《四川省森林草原防灭火基础设施建设省预算内投资专项管理办法》的通知文章属性•【制定机关】四川省发展和改革委员会•【公布日期】2022.10.12•【字号】川发改农经规〔2022〕583号•【施行日期】2022.11.11•【效力等级】地方规范性文件•【时效性】现行有效•【主题分类】森林资源,草原资源正文四川省发展和改革委员会关于印发《四川省森林草原防灭火基础设施建设省预算内投资专项管理办法》的通知川发改农经规〔2022〕583号省直有关部门(单位),各市(州)发展改革委:为加强我省森林草原防灭火基础设施建设省预算内投资专项管理,规范项目建设程序和行为,切实提高资金使用绩效,有序推进工程建设,现将《四川省森林草原防灭火基础设施建设省预算内投资专项管理办法》印发你们,请结合实际认真贯彻执行。
四川省发展和改革委员会2022年10月12日四川省森林草原防灭火基础设施建设省预算内投资专项管理办法目录第一章总则第二章支持范围和标准第三章前期工作管理第四章投资计划申报和下达第五章项目管理第六章监督检查第七章附则第一章总则第一条为加强森林草原防灭火基础设施建设省预算内投资专项(以下简称“本专项”)管理,规范项目建设程序和行为,确保资金安全合规,切实提高资金使用绩效,根据《四川省省级预算内基本建设投资管理办法》(川发改投资规〔2019〕463号)等有关规定,制定本管理办法。
第二条本专项安排的森林草原防灭火基础设施省预算内投资资金,主要采取投资补助方式安排项目。
第三条本专项省预算内投资应用于计划新开工或续建项目,原则上不得用于已完工项目。
第二章支持范围和标准第四条本专项主要支持纳入《全国重要生态系统保护和修复重大工程总体规划(2021-2035年)》(以下简称《“双重”规划》)、《生态保护和修复支撑体系重大工程建设规划(2021-2035年)》(以下简称《支撑体系规划》)、《全国森林防火规划(2016-2025年)》(以下简称《防火规划》)和《四川省森林草原防灭火标本兼治总体方案(2020-2025年)》(以下简称《总体方案》)中森林草原防灭火基础设施建设项目。
森林康养基地建设规范1范围本文件规定了湖北省森林康养基地的术语和定义、森林康养基地建设基本条件、分区功能、康养基础设施和配套基础设施等。
本文件适应适用于湖北省范围内森林康养基地建设。
2规范性引用文件下列文件中的内容通过文中的规范性引用而构成本文件必不可少的条款。
其中,注日期的引用文件,仅该日期对应的版本适用于本文件;不注日期的引用文件,其最新版本(包括所有的修改单)适用于本文件。
GB2894安全标志及其使用导则GB3095-2012环境空气质量标准GB3096-2008声环境质量标准GB3838-2002地表水环境质量标准GB5749生活饮用水卫生标准GB/T10001.1公共信息图形符号第1部分:通用符号GB/T10001.2公共信息图形符号第2部分:旅游休闲符号GB/T10001.3公共信息图形符号第3部分:客运货运符号GB/T10001.4公共信息图形符号第4部分:运动健身符号GB/T10001.5公共信息图形符号第5部分:购物符号GB/T10001.6公共信息图形符号第6部分:医疗保健符号GB/T10001.9公共信息图形符号第9部分:无障碍设施符号GB/T15566公共信息导向系统设置原则与要求GB15618-2018土壤环境质量农用地土壤污染风险管控标准(试行)GB18483饮食业油烟排放标准(试行)GB18871电离辐射防护与辐射源安全基本标准GB/T18973旅游厕所质量要求与评定GB/T19095生活垃圾分类标志GB/T20501公共信息导向系统导向要素的设置原则与要求GB/T26354旅游信息咨询中心设置与服务规范GB/T27963-2011人居环境气候舒适度评价GB37487公共场所卫生管理规范GB50016建筑设计防火规范GB50763无障碍设计规范GB51143防灾避难场所设计规范CJJ/T134建筑垃圾处理技术标准JGJ62旅馆建筑设计规范LB/T065旅游民宿基本要求与评价3术语和定义下列术语和定义适用于本文件。
《贵州省森林康养基地规划技术规程》编制说明前言森林康养是一种国际潮流,是以森林康复、疗养、休闲等为核心的新型业态。
森林可以为人类提供巨大的天然康养场所,是大健康产业的最佳天然载体,森林康养借助森林天然资源的多维度功能给予人们健康并据此诞生新的产业链,具有重要的生命意义和生态经济意义,是推进我省生态文明实验区建设的需要,满足人们对健康生态的需要,也是充分发挥森林资源作用,提升我省旅游、养生、体验档次,推动林业供给侧结构性改革的重要内容,对推进我省贫困地区脱贫攻坚事业发展具有重要作用。
森林康养在中国尚属新概念,没有任何标准可以借鉴和依据,及时研究和制定贵州省森林康养基地规划技术规程,规范管理非常必要。
作为康养基地规划,不仅要有森林生态资源,开发建设条件,同时需要严格的规范指导。
因此,及时研究提出森林康养基地规划理念、方法和技术要求,制订森林康养基地规划技术规程对于森林康养基地规划建设十分必要。
根据《中华人民共和国标准化法》规定,为规范我省森林康养基地总体规划,指导森林康养产业健康有序发展,贵州省林业厅提出了编制贵州省森林康养基地规划技术规程地方标准的计划,由贵州省林业调查规划院承担该标准的研究及编制工作。
一、任务的由来本标准由贵州省林业厅提出,由贵州省市场监管局《关于下达贵州省2016年第一批标准化项目的通知》(XX号文)批准立项,贵州省林业调查规划院、贵州省林业对外合作项目中心起草制定。
二、本标准的主要起草单位及人员表2-1 《贵州省森林康养基地规划技术规程》主要起草单位及人员一览表三、本标准起草过程本标准的研究及编制期限为2015年1月~2017年3月,期限26个月,分3个阶段开展:(1)资料收集阶段2015年1月~2015年7月,组建标准起草小组,收集标准编制的背景材料和有关标准编制的参考、引用资料,进行归纳整理。
共查阅国内外文献480余篇,整理归类有关森林康养文献55篇,引用17篇。
(2)实地调研阶段2015年8月~2016年5月,分别前往湖南省林科院森林康养基地、四川省洪雅玉屏山森林康养基地、云南普达措国家公园、云南普洱国家公园、梵净山国家级自然保护区、雷公山国家级自然保护区、大沙河省级自然保护区、百里杜鹃国家森林公园、玉舍国家森林公园、长坡岭国家森林公园、黎平国家森林公园、九龙山国家森林公园、氵舞阳湖国家森林公园、习水国家森林公园、丹寨龙泉山省级森林公园、冷水河省级森林公园、扎佐林场、龙里林场、春蕾林场、拉揽林场等实地调研,主要内容涉及森林康养资源条件、环境状况、设施条件、规划意向、建设及管理运作情况等。
(3)综合分析、论证和标准编写阶段2016年6月~2017年3月,在对标准的主要内容进行综合分析和充分论证的基础上,按照GB/1.1-2000《标准化工作导则第1部分:标准的结构和编写规则》和GB/T1.2-2002《标准化工作导则第2部分:标准中规范性技术要素内容的确定方法》编写本地方标准的讨论稿。
(4)征求意见阶段2017年5月18日~2017年6月18日,向社会各界征求意见,该标准已在贵州省市场监管局工作网站上完成征求意见,期间没有收到社会相关单位、专家和个人提出的修改意见。
(5)审定阶段2017年7月7日,省市场监管局邀请贵州省林业厅、贵州省标准化院、北京市园林绿化局、贵州省旅发委、贵州大学、贵州省林业科学研究院、贵州省林业调查规划院等单位专家对本标准进行审定,与会专家一致同意通过《贵州省森林康养基地规划技术规程》地方标准的审定。
后编制单位根据与会专家的提出的意见和建议,进一步修改完善,现已形成标准报批稿。
四、标准编制原则1. 编制原则(1)准确性标准所规定的条款力求明确而无歧义。
(2)统一性标准结构、文体和术语力求统一。
本标准在编制过程中涉及其结构、编写规则和内容按照GB/1.1-2000《标准化工作导则第1部分:标准的结构和编写规则》和GB/T1.2-2002《标准化工作导则第2部分:标准中规范性技术要素内容的确定方法》执行。
(3)协调性充分结合现有基础标准的有关条款,达到标准间的相互协调。
(4)适用性标准内容易于实施,便于被其它文件所引用且具可操作性。
(5)特殊性本标准既遵循相关国家标准和地方标准的要求,又体现我省森林康养基地规划特殊性和区域性,并注重实用性和可操作性。
2. 编制依据基于实验验证基础数据,参照相关文献研究成果,按照《标准化工作导则第1部分:标准的结构和编写》(GB/T1.1-2009)和GB/T1.2-2002《标准化工作导则第2部分:标准中规范性技术要素内容的确定方法》要求进行起草,制标过程参照了13个国家标准,1个林业行标,1个旅游行标编制完成。
五、标准主要内容本标准规定了贵州省森林康养基地规划的总则、一般规定、专项规划、康养人数容量、分期建设规划、投资估算与效益分析、保障措施、规划文件组成,本标准适用于贵州省森林康养基地总体规划的编制和修编工作。
六、主要验证分析和预期经济效果1. 主要验证分析(1)现状调查①自然条件:气候条件、植被条件、动物资源条件、水文条件、地质条件、自然灾害。
在《国家级森林公园总体规划规范》LY/T 2005基础资料调查中自然与资源调查涉及气候资料、水文资料、地质资料、植物资源资料、动物资源资料,土地与环境调查中提出自然灾害调查;本标准根据森林康养功能特性,在保证公园类规划调查基本要求的基础上,开展气候条件、植被条件、动物资源条件、水文条件、地质条件、自然灾害等条件的调查。
《四川省森林康养基地建设·资源条件》(DB51/T 2262)标准中提到“通视度”要求,认为通视度达到心理安全距离50 m以上;周彩贤在《北京市以森林疗养促进公众健康对策研究》一文中提到,对于步道两侧的森林,需要有较好的通视度,以增加访客的安全感[1]。
结合贵州省发展森林康养的资源条件及功能要求,确定在园区植被条件中增加通视度调查。
据国际生理卫生实验研究,海拔与人类健康有一定的关系,海拔过高,大气压较低,空气中氧含量减少,易使人呼吸困难而出现高山反应,海拔过低,气压较高,空气密度大,且较湿热,对人体机能有较重的负担,对人类健康最有益的海拔高度是1200~1500m。
因此,本标准结合贵州省实际情况及森林康养功能要求,确定在地文条件中增加海拔调查。
②森林康养资源:生态环境质量,森林风景资源。
在《国家级森林公园总体规划规范》LY/T 2005基础资料调查中土地与环境调查涉及生态环境、自然灾害、恶性传染病的病源情况;在《国家康养旅游示范基地》LB/T 051 中资源与环境要求涉及空气质量、水环境质量、声环境质量、土壤环境质量;在《森林文化基地建设导则》DB11/T 1304基地资源调查中所涉及森林环境的水、空气、地形、地貌等;柏方敏、李锡泉在《对湖南发展森林康养产业的思考》一文中提到森林康养的科学理论依据是优质的森林资源,包括丰富多彩的森林景观、氧气、精气和负氧离子[2];陈文武等在《森林养生旅游产品体系开发及构建研究》一文中提出森林养生旅游开发的资源基础包括森林空气质量高、森林空气细菌含量少、森林地表水质量优、森林空气负氧离子浓度高、森林植物精气含量高、森林环境气候宜人[3]。
在《国家级森林公园总体规划规范》LY/T 2005中将森林风景资源分为地文资源、水文资源、生物资源、天象资源、人文资源。
本标准将森林康养资源定位为森林环境中有益人类健康并对心理产生积极影响,可以为森林康养开发利用,并可产生经济效益、社会效益和生态效益的森林景观、生态环境、森林食材等各种要素的总和。
结合森林康养基地特性及功能,确定森林康养资源调查内容。
③设施条件:康养服务设施、道路交通、供电、给排水、通信、其他设施工程。
在《国家级森林公园总体规划规范》LY/T 2005基础设施调查中涉及道路交通、通信、能源、给排水、旅游接待设施、基础工程、建筑工程;在《森林文化基地建设导则》DB11/T 1304 中基础设施调查包括道路、场馆场地、户外展项、餐饮住宿、通讯等;在《国家康养旅游示范基地》LB/T 051中提出康养旅游核心区基本要求应有康养住宿设施、康养餐饮设施和特色鲜明的康养旅游产品,康养旅游依托区基本要求应有旅游住宿设施、旅游餐饮设施、购物设施、旅游交通服务、公共休闲服务、旅游信息咨询、旅游导向标识、旅游安全健康保障服务、旅游便民惠民服务、教育宣传、旅游厕所和环卫等设施。
本标准结合贵州省实际情况及森林康养基地功能及特性,确定设施条件调查内容。
④社会经济:社会经济基本情况、管理经营状况、客源市场。
在《国家级森林公园总体规划规范》LY/T 2005中社会经济调查涉及社会经济基本情况、历史与文化、管理经营状况、客源市场;本标准结合森林康养基地特性确定社会经济调查内容。
(2)生态环境质量评价①大气质量达到环境空气质量GB 3095 二级标准,康养区达到一级标准。
在《国家级森林公园总体规划规范》LY/T 2005中要求森林公园大气质量可以低于GB 3095二级标准要求;在《自然保护区生态旅游规划技术规程》GB/T 20416 中旅游环境要求大气环境质量宜达到GB3095规定的一级标准。
为确保森林康养基地环境质量,结合贵州省实际情况和本次调研情况,确定基地大气质量标准。
②地表水质量达到国家地表水环境质量GB 3838 Ⅲ类标准。
在《国家级森林公园总体规划规范》LY/T 2005中要求森林公园地表水质量可以低于GB 3838Ⅱ类标准要求;在《自然保护区生态旅游规划技术规程》GB/T 20416 中旅游环境要求地面水宜达到GB 3838规定的Ⅰ类水体标准;在《国家康养旅游示范基地》LB/T 051中要求地表水环境质量应达到GB 3838规定的Ⅲ类以上标准。
本标准结合森林康养基地功能要求和贵州省实际情况,确定地表水质量需达到GB 3838 Ⅲ类标准要求。
③土壤质量达到国家土壤环境质量GB 15618 二级标准。
在《中国森林公园风景资源质量等级评定》GB/T 18005中要求森林公园土壤质量应达到GB 15618规定的二级标准要求;在《自然保护区生态旅游规划技术规程》GB/T 20416 中旅游环境要求土壤宜达到GB 15618规定的一级标准;在《国家康养旅游示范基地》LB/T 051中要求土壤环境应达到GB 15618规定的二级标准。
本标准结合森林康养示范基地土壤的应用功能和保护目标要求,基地土壤环境质量应达到GB 15618 二级标准,即保障农业生产,维护人体健康的土壤限制值。
④空气负离子水平主要景点平均浓度1200个/cm³以上,康养区达到2000 个/cm³以上。
《空气负(氧)离子浓度观测技术规范》LY/T 2586中,根据全国负(氧)离子观测平均值,提出空气负(氧)离子等级划分,空气负(氧)离子从100个/cm³到3000个/cm³分别进行了等级划定,详见表6-1。