企业管理制度编号方法与格式
- 格式:docx
- 大小:25.74 KB
- 文档页数:8
公司管理制度编号方法
首先,公司管理制度编号可以采用以下格式:G-部门-类别-编号。
其中,G是代表“公司管理制度”的英文首字母,部门是指责编制该制度的
部门或者岗位,类别是指制度所属的管理范畴,编号是指制度的唯一标识。
具体来说,部门可以根据公司内部的组织结构进行分类,例如,设计
部门可以用D,人力资源部门可以用HR,市场部可以用M等。
类别可以根
据具体的管理要求来确定,例如,行政类可以用AD,财务类可以用FN,
安全环保类可以用SE等。
另外,在具体的编号过程中,还可以根据需要添加其他的信息,例如,版本号、修订日期等。
这些信息可以放在编号后面,用短横线分隔。
例如,G-FN-2-MP-001-01表示财务部门的管理制度中的第一类制度的第一版。
在实际应用过程中,公司管理制度编号应该满足以下几个原则:
命名简洁明了:编号应该简洁明了,能够一目了然地识别制度所属的
部门和类别,减少误读和混淆。
唯一标识:每个制度应该有唯一的编号,以方便管理和查询。
禁止重
复使用编号,以免引起混淆和误解。
易于维护:编号方法应该易于维护和修改,以便随时调整和更新制度。
总结起来,公司管理制度编号是一种对各类制度文件进行分类、管理
和查询的方法。
它的设计应该简洁明了,遵循唯一标识和层级清晰的原则,以提高管理效率和协同性。
通过编号,可以方便地找到所需制度文件,减
少工作中的繁琐和重复,提升工作效率。
因此,公司管理制度编号方法在
企业中具有重要的应用价值。
公司管理制度和编号的管理制度第一章总则第一条为规范公司内部管理,提高工作效率,保障公司利益,制定本管理制度。
第二条公司管理制度是公司内部规范和约束人员行为的规则和制度,具有强制性和约束力。
第三条公司管理制度适用于所有公司员工,包括领导、员工等。
第四条公司管理制度应当符合国家法律法规和公司章程的规定,不得违法违规。
第五条公司管理制度应当及时修订和完善,以适应公司经营发展的需要。
第二章组织架构第六条公司设立总经理负责全面领导和管理公司工作。
第七条公司设立财务部、人事部、市场部等职能部门,各部门负责公司相应工作。
第八条公司设立岗位设置方案,明确各岗位职责和权限。
第九条公司设立绩效考核制度,对员工的工作表现进行定期评估。
第十条公司设立内部审计部门,对公司的经营情况进行审计和监督。
第三章工作规范第十一条公司员工应当遵守公司规章制度,保守公司机密,维护公司声誉。
第十二条公司员工应当按照公司要求履行岗位职责,完成工作任务。
第十三条公司员工应当严格执行公司制定的工作流程,不得擅自变更。
第十四条公司员工应当保持工作积极性,避免拖延磨蹭。
第十五条公司员工应当遵守公司的办公时间,不得迟到早退。
第四章奖惩制度第十六条公司根据员工的工作表现和业绩情况,设立奖励机制。
第十七条公司对违反规定的员工进行警告、扣工资等处罚措施。
第十八条公司对严重违规的员工进行停职、调整等处理。
第十九条公司对涉嫌犯罪的员工移交司法机关处理。
第五章第二十条公司员工如要离职,应提前30天向公司提出书面申请。
第二十一条公司员工离职前应完成手续交接,并领取离职证明。
第二十二条公司应妥善处理离职员工的工资、年假等待遇问题。
第六章附则第二十三条公司管理制度自颁布之日起开始执行。
第二十四条对违反公司管理制度的行为,公司有权进行调查和处理。
第二十五条公司管理制度不尽事宜,可由公司总经理根据公司实际情况进行补充规定。
第二十六条本管理制度的最终解释权归公司总经理所有。
公司管理制度编号方法安全文明生产暂行规定公司管理制度编号方法1 目的使公司管理文件编号规范、统一。
2 范围适用于公司各部门制定的管理制度的编号3 职责综合部负责公司管理制度编号规则的制定。
4 内容和要求4.1 编号原则管理制度编号应满足计算机管理要求4.2 编号构成4.2.1 公司管理制度号由四部分组成,具体形式见图1:版本号小类代号大类代号管理制度代号图1 公司管理制度编号构成形式4.2.2 公司管理制度标准代号用"DXSZ"表示(东旭市政汉语拼音第一个字母大写)。
4.2.3 管理制度大类代号用阿拉伯数字"2"来表示。
4.2.4 公司管理制度小类代号用一个英文字母和两位阿拉伯数字表示,具体形式见下表:文件编号一览表(制度类)大类小类备注代号名称安全文明生产暂行规定代号名称2管理制度A项目管理01公司项目管理基本制度02项目经理负责制03项目综合考核管理办法04工程项目承包管理办法05项目财务管理规范06工程项目分包管理办法07固定资产管理办法B安全管理01施工安全控制规定02突发安全事故应急准备和响应规定03安全文明生产暂行规定机械设备安全管理规定C施工管理01工程施工生产组织管理规定02施工质量控制管理规定03施工进度控制管理规定04工程记录管理规定D成本管理01工程项目标标后预算管理办法02工程项目成本分析报表编制办法03工程项目成本核算办法04工程项目成本计划编制办法E设备管理01计量设备管理办法02工程机械管理办法安全文明生产暂行规定F物资管理01物资采购管理办法02物资验收、存储管理办法G档案管理01公司档案管理办法02工程档案管理制度4.2.5 版本号用四位阿拉伯数字加一位大写拉丁字母表示。
数字为该制度批准发布的年代号,在批准年内修订的版本,加字母(A、B、C......顺序)表示。
举例:《公司项目管理基本制度》的标号为:DXSZ/2/A01/2011A4.3 编号管理4.3.1 公司管理制度由公司综合部统一编号。
公司规章制度编号【篇一:公司管理制度编号方法】fyxz—120301a公司管理制度编号方法第一条目的使公司管理文件编号规范、统一。
第二条范围适用于公司各部门制定的管理制度的编号。
第三条职责行政部负责公司管理制度编号规则的制定。
第四条内容和要求(1)编号原则管理制度编号应满足计算机管理要求。
(2)编号构成1、公司管理制度号由六部分组成,具体形式见图1:○版本号,26个字母按流水编号顺序号,两位数字按流水编号类别号,按流水编号年份,如:2012年即12 部门拼音缩写,如:行政部xz 风语拼音缩写“fy”表示图1 公司管理制度编号构成形式2、部门拼音缩写如有重复,具体见图2对照表:○上海风语休闲用品有限公司上海风语母婴用品有限公司- 1 -图2 部门拼音缩写对照表(3)编号管理1 公司管理制度由公司行政部门统一保管。
○2 各部门管理制度由各部门参照本办法自行编号。
○附加说明:本标准由行政部门提出解释。
本标准主要起草人:行政主管本标准批准人:总经理上海风语休闲用品有限公司上海风语母婴用品有限公司- 2 -【篇二:公司文件编号管理制度】文件编号管理制度1.目的确保公司重要文件具有唯一编号,便于文件的识别、追溯和控制,保证公司文件体系有效运转。
2.适用范围本制度适用于本公司经营管理过程中,所涉及的全部文件的编号、版号以及分发编号的标识管理。
3.总则1. 凡本公司需进行编号管理的文件、资料,在编号时均应按照本规定的要求接受管理;本规定不适用于党务文件。
2. 由企业发展部负责制订公司文件分类的编号方法,并指导各部门专职人员执行。
3. 根据文件类型和内容进行编号分类,便于科学管理和开发利用。
4. 文件类别4.1 文件1. 管理制度2. 技术文件3. 合同(招投标)4. 外来文件4.2记录1. 会议记录2. 检查记录3. 工作总结(周报、月报)4. 工作计划5.文件编号规则5.1编码元素使用规则5.1.1公司名称公司全称:湖南华熠智能工程有限公司简称:hnhy5.1.2部门代号qf--企业发展部 zh--综合部 zx--管理咨询部gc--硬件研发部rj--软件研发部5.1.3日期代号统一采用“yyxx”的格式,例如“1101”代表该文件是2011年1月制定的。
公司管理制度编号样式编号:GD-001第一章总则第一条为规范公司管理行为,提高公司整体运营效率,保障公司员工权益,根据国家相关法律法规和公司实际情况,特制定本管理制度。
第二条本管理制度适用于公司全体员工,包括但不限于董事、高管、中层管理人员以及普通员工。
第三条公司管理制度是公司的基本管理规范,全体员工必须遵守,对于违反管理制度的行为,公司将依法进行处理。
第四条公司管理团队有权对公司的运营与管理情况进行监督和检查,对发现的问题及时予以解决。
第五条公司管理制度的修订和解释权归公司管理团队所有。
第二章员工管理第六条入职程序:所有员工入职需提供真实有效的个人证件和学历学位证明,并签署《员工入职协议书》。
第七条工作时间:员工工作时间为每周五天,每天工作8小时,员工必须准时上下班,如需加班需经领导批准。
第八条岗位责任:员工需按照公司安排的岗位责任规范执行工作,做好本职工作,完成任务量。
第九条考勤管理:公司实行考勤制度,员工需按规定时间打卡签到,迟到早退将被扣除薪资。
第十条奖惩制度:公司将根据员工的表现进行奖励和惩罚,表现优秀者将得到公司的认可,表现不佳者将受到相应处理。
第十一条离职程序:员工如需辞职需提前一个月通知公司,并经上级领导批准。
第三章绩效管理第十二条绩效考核:公司将根据员工的表现、工作态度、工作效率等因素进行绩效考核,根据考核结果确定奖金及晋升情况。
第十三条奖金制度:员工绩效考核合格者将获得相应奖金激励,奖金金额由公司根据实际情况确定。
第十四条晋升机制:公司将根据员工的绩效表现、能力发展等因素进行晋升评定,提供晋升机会。
第四章薪酬管理第十五条薪酬结构:公司将根据员工的工作经验、能力、岗位等情况确定薪酬结构,确保员工薪酬合理。
第十六条薪酬发放:公司将每月按时发放员工工资,发放过程必须公开透明,不得拖欠员工工资。
第十七条加班工资:如员工需要加班,应按照国家规定支付加班工资。
第五章安全管理第十八条安全意识:公司要求员工时刻保持安全意识,遵守公司相关安全制度,确保个人和公司财产安全。
新公司管理制度编号第一章总则第一条为了规范公司内部管理,促进企业健康发展,根据《中华人民共和国公司法》等相关法律法规,制定本管理制度。
第二条本管理制度适用于公司所有员工,包括董事、高级管理人员、中层管理人员和普通员工。
第三条公司管理层应遵守本管理制度,并对本管理制度的执行进行监督,发现问题及时纠正并优化。
第四条公司员工不得擅自更改、篡改或者违反本管理制度的执行规定,如有违反,将受到相应的处罚。
第五条公司应当建立健全内部管理机制,保证公司运行的顺畅和高效,确保公司的长期发展。
第二章公司治理第六条公司设立董事会并负责公司的战略规划、管理监督等重要决策,董事会成员应当全面履行职责,保障公司的合法权益。
第七条公司设立监事会,负责对公司的财务状况、运营情况进行监督,监事会成员应当独立公正,保障公司的财务安全。
第八条公司设立高管层,包括总经理、副总经理等职位,负责公司的日常管理和业务运营,高管层成员应当具备专业能力和管理经验。
第九条公司设立各部门,包括人力资源部、财务部、市场部等,各部门应当根据公司的发展需要,做好岗位职责分工和协作。
第三章员工管理第十条公司应当优先招聘符合公司岗位要求的人才,公平公正对待所有员工的招聘、晋升和奖惩。
第十一条公司应当建立健全的员工培训制度,不断提升员工的专业素养和综合能力,为员工的职业发展提供保障。
第十二条公司应当建立完善的绩效考核制度,根据员工的工作表现和成果,合理给予奖励或者处罚,保持员工的工作积极性和干劲。
第十三条公司应当营造和谐的员工关系,建立员工吸纳、沟通、合作和共享的企业文化,减少因人际关系而引起的问题。
第四章经营管理第十四条公司应当建立健全的财务管理制度,确保公司的资金周转和资产保值增值,合法合规运作。
第十五条公司应当建立健全的市场营销策略,做好产品宣传、渠道拓展和市场开发,提升公司的市场竞争力。
第十六条公司应当推进信息化建设,建立健全的信息管理和保护机制,提高公司的信息化水平和数据安全性。
FYXZ—120301A【最新资料Word版可自由编辑!!】公司管理制度编号方法第一条目的上海风语休闲用品有限公司使公司管理文件编号规范、统一。
第二条 范围适用于公司各部门制定的管理制度的编号。
第三条 职责行政部负责公司管理制度编号规则的制定。
第四条 内容和要求 (1)编号原则管理制度编号应满足计算机管理要求。
(2)编号构成○1、公司管理制度号由六部分组成,具体形式见图1:版本号,26个字母按流水编号 顺序号,两位数字按流水编号 类别号,按流水编号 年份,如:2012年即12 部门拼音缩写,如:行政部XZ 风语拼音缩写“FY ”表示图1 公司管理制度编号构成形式○2、部门拼音缩写如有重复,具体见图2对照表:生产SC仓储CC研发YF图2 部门拼音缩写对照表(3)编号管理○1公司管理制度由公司行政部门统一保管。
○2各部门管理制度由各部门参照本办法自行编号。
附加说明:本标准由行政部门提出解释。
本标准主要起草人:行政主管本标准批准人:总经理本页为著作的封面,下载以后可以删除本页!【最新资料Word版可自由编辑!!员工录用管理制度为规范试用期员工的管理和辅导工作,创造良好的试用期工作环境,加速试用员工的成长和进步,特制定目标责任制制度。
一、员工试用期规定1、自员工报到之日起至人力资源部确认转正之日起。
2、员工试用期限为3个月,公司根据试用期员工具体表现提前或推迟转正。
(一)、福利待遇1、试用期员工工资根据所聘的岗位确定,核算时间从到岗工作之日起计算,日工资为:月工资÷(本月天数-休假天数)2、过节费按正式员工的1/2发放。
3、按正式员工标准发放劳动保护用品。
(二)、休假1、试用期内累计事假不能超过3天,如果特殊情况超过3天需报董事长批准。
2、可持相关证明请病假,请病假程序和天数与正式员工要样。
3、可请丧假,请假程序和天数与正式员工要样。
4、不享受探亲假、婚假。
二、员工入职准备1、身份证复印件一份,原件待查。
公司管理制度的编号第一章总则第一条为规范公司内部管理,提高管理效率,维护公司的正常运转,根据公司法及相关法律法规,制定本管理制度。
第二条公司管理制度适用于全体公司员工,包括公司管理人员和普通员工。
第三条公司管理制度的颁布、修订和废止,由公司领导班子讨论决定,经公司董事会审议通过后生效。
第四条公司管理制度的解释权归公司董事会。
第二章组织架构第五条公司设立总经理、财务总监、人力资源总监等职务,具体职责由各职务人员根据公司发展需要确定。
公司各部门及岗位设置由总经理负责,经董事会审议通过后执行。
第六条公司员工分为管理人员和普通员工。
管理人员包括总经理、财务总监、人力资源总监等,具体职责由各职务人员根据公司发展需要确定。
第七条公司员工按照工作部门划分,每个部门设立部门经理,由部门经理负责部门日常管理工作。
第三章员工管理第八条公司员工应遵守公司规章制度,服从公司领导安排,恪守职业道德,保守公司机密,维护公司利益。
第九条公司员工应按照公司规定的工作时间上下班,不得擅自迟到早退,否则将受到相应处罚。
第十条公司员工应按照公司要求定期参加各类培训,提升自身技能,提高工作效率。
第四章绩效考核第十一条公司将定期对员工进行绩效考核,根据绩效考核结果进行奖罚分配。
第十二条绩效考核主要包括工作业绩、工作态度、团队协作等方面,评分标准由公司根据实际情况制定。
第十三条绩效考核结果将作为晋升、加薪、奖金等决策的重要依据,对于表现优秀的员工将给予适当奖励,对于表现不佳的员工将采取相应措施。
第五章奖惩制度第十四条公司将根据员工的绩效情况和工作表现,给予相应奖励,包括但不限于晋升、加薪、奖金等。
第十五条对于违反公司规章制度、影响公司形象、损害公司利益的员工,公司将给予相应处罚,包括但不限于警告、停职、降职等。
第十六条公司将建立员工档案,记录员工的工作经历、绩效考核结果、奖惩情况等,作为员工综合评价的重要依据。
第六章岗位职责第十七条公司将明确各岗位的职责和权限,确保各部门工作有序开展,避免出现职责不清、责任不明的情况。
单位规章制度编号怎么填一、单位规章制度编号的编制原则1. 统一性原则:规章制度编号应当按照统一的规则和标准进行编制,保证所有规章制度的编号形式一致,便于区分和管理。
2. 唯一性原则:每一份规章制度应有唯一的编号,以确保不发生重复或混淆情况。
3. 便捷性原则:规章制度编号应当简明清晰,易于识别和使用,便于单位内部和外部的管理和交流。
4. 系统性原则:规章制度编号应当按照一定的系统和层次进行编制,以便于分类和检索。
二、单位规章制度编号的组成要素1. 类别代码:规章制度编号中的类别代码用于表示规章制度的种类或类别,如“HR”表示人力资源管理,"SAF"表示安全管理等。
2. 部门代码:规章制度的编制单位或主管部门的代码,用于标识规章制度的制定单位或责任部门,如“F”表示财务部门,"M"表示市场部门等。
3. 顺序号:规章制度在同一类别和部门内的序号,用于标识规章制度的排列顺序,便于按序检索和管理。
4. 年度号:规章制度的编制年度,用于标识规章制度的制定时间,有助于规章制度的更新和归档。
三、单位规章制度编号的编制方法1. 确定规章制度的类别代码和部门代码。
2. 确定规章制度的顺序号,可以按照规章制度的重要性、先后顺序或更新频率进行排列。
3. 确定规章制度的年度号,一般按照规章制度的更新时间或制定时间来确定。
4. 将类别代码、部门代码、顺序号和年度号按照一定的格式组合起来,形成一个完整的规章制度编号。
例如,一个单位的财务部门制定了第一份规章制度,编号为“FAF-01-2022”,其中“FAF”表示财务部门的类别代码,"01"表示该部门内的顺序号,"2022"表示制定规章制度的年度。
通过以上规定和方法,单位规章制度编号的编制将更加规范和合理,便于规章制度的管理和使用。
同时,在规章制度的管理过程中,应当不断完善和改进编制规则和方法,以适应单位发展和管理的需要。
规章制度编号篇一:规章制度编号办法1.目的为规范公司规章制度的编号,特制订本管理办法。
2.适用范围本管理办法适用于公司范围内所有规章制度及相关记录文件的编号。
3.职责公司各管理部门按《常州常林机械有限公司规章制度管理办法》的规定完成相关规章制度的编制、审核等程序,报公司办公室备案后再执行批准、编号、发布等程序。
4.制度文件的编号方法根据《常州常林机械有限公司企业标准编号方法》规定,公司规章制度文件的编号由5位英文字母加3段数字编号组成,规则如下:第一段字母QG/ccJ:为“企业管理标准/常州常林机械有限公司”的拼音缩写第二段两位数字号:范围从01到99,为规章制度类别号第三段三位数字号,从001到999,为该制度在同一类管理制度中的顺序编号第四段四位数字号:表示该制度的批准年号根据公司当前情况,暂对企业管理规章制度类别作如下编号,今后可根据经营管理的需要进行重新分类与编号:核心基础制度:00常州常林机械有限公司章程00法人治理及决策类:11-19法人治理制度11战略管理12对外投资管理13常州常林机械有限公司董事会工作规则14组织管理类:21-29组织行政管理21人力资源管理22规章制度管理23专业职能管理类:31-49财务管理31技术管理32质量管理33生产管理34采购管理35销售管理36物流管理37信息管理38环境安全39总务管理40保卫管理41设备能源管理42政工类:51-59党务工作51群团工作52制度顺序号编号方法:000:指定为本制度大类中具有综合指导性或纲领性的文件,如质量管理手册、环境管理手册001-010:原则上预留;011-099:用于本制度大类中重要(公司第一、第二层次文件)的制度编号;100-299:用于本制度大类中可以对外(外部审核、检查)的制度;300-499:用于本制度大类中适用于全公司的制度;500-699:用于本制度类别中适用于本部门内部或具体岗位操作的规范。
700-999:用于本制度类别中所涉及到的各类记录文件编号。
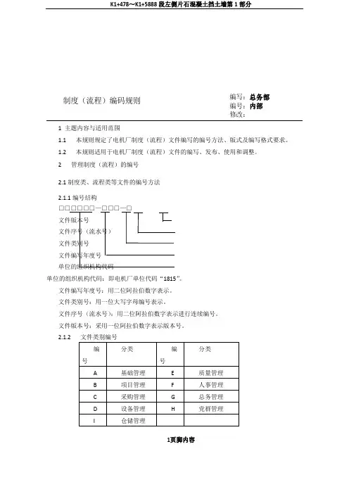
1页脚内容制度(流程)编码规则1 主题内容与适用范围 1.1 本规则规定了电机厂制度(流程)文件编写的编号方法、版式及编写格式要求。
1.2 本规则适用于电机厂制度(流程)文件的编写、发布、使用和调整。
2 管理制度(流程)的编号2.1制度类、流程类等文件的编号方法2.1.1编号结构□□□□□□—□□□—□文件版本号文件序号(流水号)文件类别号文件编写年度号 单位的组织机构代码单位的组织机构代码:即电机厂单位代码“1815”。
文件编写年度号:用二位阿拉伯数字表示。
文件类别号:用一位大写字母编号表示。
文件序号(流水号):用二位阿拉伯数字表示进行连续编号。
文件版本号:采用一位阿拉伯数字表示版本号。
2.1.2 编写:总务部 编号:内部 修改:2.1.2示例例:581506—A001--1该文件代号表示:东风电机厂06年制度(流程)基础管理类的第1号文件第1版。
3制度(流程)文件的内容构成3.1 概述部分包括首页、目录、制度(流程)名称、编号。
见第4.1-4.23.2 正文部分包括目的、范围、引用标准和政策规定、术语、职责、管理程序。
见第5.1-5.43.3 补充部分包括附录、记录表单、工作流程。
见第7.1-7.43.4 上述文件的构成部分,不要求每一项标准都全部包括。
应包括哪些部分要根据管理内容和要求及工作规程的特征选用。
3.5 经过修订的文件,在文件版本更新时,需重新编号,并需发布新旧版本的对照编号表。
4 标准的概述部分4.1 目录4.1.1目录内容包括文件的编号、标题、版次。
4.2 标题名称4.2.1标题名称应简短、明确地反映制度(流程)的主题。
4.2.2 文件名称由制度(流程)管理分类的总名称和单项管理文件名称两部分组成,两者分别写在文件的封面和首页。
4.3 文件编号。
详见第2.2条5 文件的正文部分5.1 目的5.1.1程序中应首先简要说明文件的主题,做什么、为什么做。
5.2 范围5.2.1主要规定程序的范围或应用领域。
精心整理拜登集团管理制度体系文件文件编号:BDG1001-1“管理制度体系文件”的编号、格式及要求1.目的”文件编号由八位组成(见下图),第一、二位代表公司,用字母BD 表示;第三位为部门代码;第四位为文件类别号;第五、六、七位为文件流水号(用数字001~999表示);第八位为版本号(1为原版,即第1次颁布;2为修改版,即第2次颁布;以此类推)。
文件类别直属部门代码公司简称部门;第六位为文件类别号;第七、八、九位为文件流水号(用数字001~999表示);第十位为版本号(1为原版,即第1次颁布;2为修改版,即第2次颁布;以此类推)。
版本号流水号文件类别部门代码子公司简称子公司代码表要按照5.4规定的文件格式要求,进行或安排文件的打印.5.2.2文件审核人。
对于整个集团或子公司范围内发布的制度,由集团总经理最终审批。
对于各部门内部制定的制度,由部门负责人审核。
文件制定人一旦完成了文件的制定工作后,应交由文件审核人对文件进行审核。
审核内容主要是:文件编号是否正确。
文件格式是否正确。
文件内容及语言表述是否达意。
是否与上一级部门颁发的文件存在冲突。
语法及错别字等。
其它。
5.3文件的修改5.3.1当公司的组织管理结构作出了重大调整;或文件的内容已经不符合目前的实际运作情况时,该文件就有需要进行修改。
,并由性规定)。
参考资料----需要引用的文件名称或提供索引(本条可视实际情况而定,不作硬性规定)。
6.2字体及格式6.2.1文件的表头“拜登集团有限公司管理制度体系文件”,用仿宋体+小二+加粗。
6.2.2“文件编号”,用仿宋+四号。
6.2.3文件的标题,用黑体+小三+加粗。
6.2.4正文的小标题,用黑体+小四。
6.2.5正文,用仿宋+小四。
6.2.6正文的行距,为1.5倍行距。
(见6.1)制定:集团人资中心审核:集团财务中心集团总经办2017-01-17发布2017-01-17执行。
公司制度管理制度编号第一章总则第一条为规范公司内部管理,保障员工权益,提高公司运行效率,制定本制度。
第二条公司制度管理制度是公司内部管理的基本法律,对公司全体员工具有普遍约束力。
第三条公司制度管理制度的解释权归公司管理层所有。
第四条公司制度管理制度应当与国家相关法律法规和公司章程相一致。
第五条公司全体员工应当认真遵守本制度,不得以任何理由违反。
第二章制度的修订与通知第六条公司制度管理制度的修订由公司管理层负责,需经公司董事会审批后方可生效。
第七条制度修订应当提前通知全体员工,并在内部通讯平台和公司网站上公布。
第八条公司制度管理制度的修改应当充分征求员工意见,并根据实际情况进行适当调整。
第九条制度修订后,公司应当对全体员工进行培训和宣传,确保员工了解并遵守新规定。
第十条公司制度管理制度的通知应当采取书面形式,由公司行政部门发出。
第三章制度的执行与监督第十一条公司全体员工应当严格遵守公司制度管理制度,不得擅自修改、违反。
第十二条公司管理层应当严格执行公司制度管理制度,对违反规定的员工给予相应处罚。
第十三条公司全体员工有制度执行的监督权,如发现违反规定行为,应当及时向公司管理层反映。
第十四条公司应当建立健全监督机制,对制度执行情况进行定期检查和评估。
第十五条公司应当加强员工教育和培训,提高员工的法律意识和执行力。
第四章制度纠错处理第十六条公司全体员工如发现违规行为,应当及时向公司管理层报告,公司将依法进行处理。
第十七条公司应当建立健全投诉处理机制,及时受理员工投诉,并给予公正处理。
第十八条公司制度管理制度的违反行为将受到相应处罚,包括口头警告、书面警告、扣发工资、辞退等措施。
第十九条对于严重违规行为,公司可向有关部门报案,追究法律责任。
第五章附则第二十条本制度自发布之日起生效。
第二十一条本制度的解释权归公司管理层所有。
第二十二条本制度所称员工包括公司全体员工,包括职工、管理人员和临时工。
第二十三条对于本制度未尽事宜,公司管理层有最终解释权。
拜登集团管理制度体系文件文件编号:BDG1001—1“管理制度体系文件”的编号、格式及要求1。
目的1.1 明确规定了整个集团各直属部门、各子公司的管理制度文件的编号方法、文体格式、字体大小、修改版本及签发生效等行文、发文程序。
1。
2完善整个集团公司的“管理制度体系”,提高整个集团公司的管理水准,改善企业形象,促进企业发展。
2。
范围本规定适用于拜登集团各直属部门、各子公司.3. 定义3.1管理制度体系 -—-—-- 即由一整套完整组合的制度管理文件所组成的体系。
3。
2 建立管理制度体系 -—————制定和修改制度管理文件的过程,就是一个建立和完善管理制度体系的过程。
4。
责任4.1 集团各直属部门、各子公司的总经理(或其代理人),负责本部门、子公司的“管理制度体系”的完善工作。
4.2 人资中心负责整个集团的“管理制度体系”的完善工作。
5. 程序5.1 文件的编号方法5。
1.1 集团总部各直属部门(见7。
1)颁布的制度管理文件。
文件编号由八位组成(见下图),第一、二位代表公司,用字母BD表示;第三位为部门代码;第四位为文件类别号;第五、六、七位为文件流水号(用数字001~999表示);第八位为版本号(1为原版,即第1次颁布;2为修改版,即第2次颁布;以此类推).5。
1。
1.1直属部门代码表5。
1.1。
2文件类别表及适用范围5。
1.1。
3流水号:颁发文件的顺序号。
5.1。
1.4版本号:该文件的颁发版本次数。
如:BDH1007-1,表示集团人资中心颁布的、要求在整个集团范围内执行的、第1次颁布的新文件,文件序号为007。
5。
1.2 子公司颁布的制度管理文件.文件编号由十位组成(见下图),第一、二、三、四位代表子公司;第五位代表子公司内部各部门;第六位为文件类别号;第七、八、九位为文件流水号(用数字001~999表示);第十位为版本号(1为原版,即第1次颁布;2为修改版,即第2次颁布;以此类推)。
5.1.2。
管理制度编制格式规范管理制度是企业内部管理的重要工具,不仅能够规范企业的各项管理工作,还可以维护企业的正常运作和稳定发展。
管理制度的编制格式规范对于制度实施和执行具有重要影响,下面就管理制度编制格式规范进行详细阐述。
一、制度目录制度目录是管理制度的一部分,通常放在制度的开头或者结尾,主要用于编排制度文档的框架。
制度目录应简明扼要,包括制度名称、制度编制依据、修订记录、责任部门以及制度条款等。
此外,制度目录的编排应遵循相关的规范,如编号顺序、标题内容、字体字号等。
二、正文排版1.标题标题是管理制度中的重要组成部分,能够准确表达管理制度的内容和要求。
标题必须简练明确、具有可读性和可理解性。
2.正文正文是制度的核心部分,具体阐述了制度的具体条款和规定。
管理制度的正文必须全面详细,严谨准确,条理清晰,语言简洁明了,通俗易懂。
3.字体与字号制度的字体和字号要求统一,推荐使用宋体字体,字号不小于12号。
4.行距与排版制度正文的行距应为1.5倍行距,段落之间应用一个空格来分割,整体排版应美观、整洁、清晰。
三、修订记录修订记录是制度的重要部分,主要用于记录制度在使用过程中的各种情况,包括修订时间、主要修改内容、制度版本等信息。
修订记录以时间为序,记录制度的修订历史和版本,能够及时反映制度的实际情况和演变过程。
四、附件附件主要用于增加制度的系统性和完整性,具体包括检查表、表格、流程图、图表等形式。
附件应放置在正文结束之后,按制度序号依次排列。
附件的命名应简要明确。
五、制度编号制度编号是管理制度的重要组成部分,能够保证制度的唯一性和规范性。
制度编号通常由数字、字母组成,也可以加入制度的属性、领域等信息,以区别不同的制度。
制度编号应遵循统一规范,按照一定的构成方法命名,符合编号规则,易于管理和使用。
同时,在新制度编制时应避免与已有的制度编号重复。
六、制度生效制度的生效主要体现在两个方面:一是正式颁布,二是制度宣传和培训。
X公司文件编号治理制度1.目的确保公司重要文件具有唯—编号,便于文件的识别、追溯和操纵,保证公司文件体系有效运转。
2.适用范围本制度适用于本公司经营治理过程中,所涉及的全部文件的编号、版号以及分发编号的标识治理。
3.总则1.凡本公司需进行编号治理的文件、资料,在编号时均应按照本规定的要求接受治理;本规定不适用于党务文件。
2.由企业开展部负责制订公司文件分类的编号方法,并指导各部门专职人员执行。
3.依据文件类型和内容进行编号分类,便于科学治理和开发利用。
4. 文件类别4.1 文件1.治理制度2.技术文件3.合约4.表格4.2记录1.会议记录2.检查记录3.工作总结(周报、月报)4.工作方案5.文件编号规则5.1编码元素使用规则公司名称公司全称:上海X简称:SHYG5.1.2部门代号FD--财务部 MD--市场部 OD--运营部 HR--人力资源部 IT--技术部5.1.3日期代号统一采纳“yyX〞的格式,例如“2022〞代表该文件是2022年制定的。
5.1.4流水号统一采纳三位阿拉伯数字编码,例如:“001〞代表第—份文件。
5.1.5文件版本编号下面是对文件版本进行编号要遵守的标准:起草版本的编号为 A0-A……,B0-B……,C0-C……,字母是依据内容升级而变化。
5.2文件编码结构SHYG—X—X—YYX—nnn/版本流水号(000-999)日期代号(年)部门代号文件类型企业代号5.3文件分类编码规则5.3.1规章制度和治理文件格式:SHYG-ZD-C-yyX-nnn/A0格式说明:公司名称-制度缩写-部门缩写-年-流水号/版本号5.3.2合约协议类格式:SHYG-HT-C-yyX-nnn/A0格式说明:公司名称-文件类型-部门缩写-年-流水号/版本号5.3.3文案类格式:SHYG-WA-C-yyX-nnn/A0格式说明:公司名称-文件类型-部门缩写-年-流水号/版本号5.3.4会议记录格式:SHYG-JL-C-yyX-nnn/A0格式说明:公司名称-文件类型-部门缩写-年-流水号/版本号5.3.5工作总结或工作方案格式:SHYG-ZJ-C-yyX-nnn/A0格式说明:公司名称-文件类型-部门缩写-年-流水号/版本号6.附则1、本方法由上海X人力资源部负责解释。
规章制度文件编号【篇一:文件编号管理制度】文件编号管理办法hxsh/ws-zd-001-1503-0.1为加强管理,提高管理的科学化、规范化,特对涉及公司管理方面的制度、流程、表单、合同以及体系管理方面的文件实行统一编号,实现文件编码唯一性。
第一条总则1. 凡本公司需进行编号管理的文件、资料,在编号时均应按照本规定的要求接受管理;本规定不适用于党务文件。
2. 由企业管理部负责制订公司文件分类的编号方法,并指导各部门专职人员执行。
3. 根据文件类型和内容进行编号分类,便于科学管理和开发利用。
第二条适用范围本制度适用于本公司经营管理过程中,所涉及的全部文件的编号、版号以及分发编号的标识管理。
第三条相关术语1、质量体系文件指质量手册、程序文件、作业文件、管理文件、质量记录等与质量体系有关的文件。
2、技术文件指产品技术文件、工艺技术文件、检验技术文件、外来技术文件、建设图纸和其它技术文件六大类。
3合同文件指除技术、质量合同以外的配套协议、准时供货协议、各种供方行为规范承诺书、价格协议等配套合同和营销合同等。
4、文书文件指公司行政文件、行政规章、各种请示、一次性的通知等其它与质量体系无直接关联的文件,但以公司级文件颁布的列入公司行政文件类。
第四条职责1、企业管理部负责行政文书、各类文件的编号和归口管理。
2、供销部负责合同文件的归口管理。
3、生产部负责技术、工艺以及质量体系文件的归口管理。
第五条类别及代码1、公司名称公司全称:巴州泓信石油化工有限公司简称:hxsh 2、部门代码企业管理部 qg 生产部 sc 供销部 gx 财务部 cw 3、日期代号统一采用“yyxx”的格式。
例如:“1503”代表该文件是2015年3月制定的。
4、流水号统一采用阿拉伯数字编码。
例如:“001”代表第一份文件。
5、版本号下面是对文件版本进行编号要遵守的标准:起草版本的编号为 0.1, 0.2, 0.3, ..., 0.10。
企业管理制度编号方法与格式
1、目的
明确公司管理制度类别,便于查找,修订。
由于编号中有制定(修订)年号,杜绝执行制度过程中的混乱。
2、适用范围
本规定适用于公司内部管理制度
3、职责
管理制度编号由办公室负责实施
4、编号说明
Q/1B-------------------------------新月公司企业标准,此为统一符号。
□□----------------企业标准代号,根据部门设定。
□□--------------该企业标准顺序号
□□□□------ 制定或修订年份
例:Q/1B—BG—01—2005
例示:新月公司2005年发布的第1个(即修订或制定)办公制度。
5、企业标准编号
6、企业标准编号格式
6.1企业标准用纸。
采用国际标准A4型(210M×297M)左侧装订。
6.2企业标准用字。
名称、封面、标题用黑体字正文用宋体。
6.3企业标准封面
6.3.1眉首区域。
指封面横线以上部分,按排列顺序从上至下为企业标准标识符、企业标准名称、企业标准编号、横线。
6.3.1.1企业标准标识符:新月公司用“Q/1B”60号字(Times New Roman体字),靠版心右上角偏中心位置。
6.3.1.2企业标准名称:统一用“新月联合汽车有限公司企业管理制度”30号字(黑体字)。
6.3.1.3企业标准编号:英文及阿拉伯数字,14号字(黑体字),在横线上靠右侧。
6.3.1.4横线:与版心宽同长
6.3.2企业标准名称区域:指封面居中部分,30号字(黑体字),居中排列一行不够时可另起一行,中间不用标点符号。
6.3.3眉末区域:指封面下部横线及以下部分,按排列顺序为:发布时间、实施时间、横线、发布单位。
6.3.3.1发布时间:先写数字、后缀“发布”,如“2005-12-17发布”,用14号黑体字,在横线上左侧对齐。
6.3.3.2发布时间:先写数字、后缀“实施”,如“2005-12-17实施”,用14号黑体字,在横线上右侧对齐。
6.3.3.3发布单位:在横线以下居中位置,其中发布单位为“新月联合汽车有限公司”,用黑体22号字,“发布”二字用黑体16号字。
6.4企业标准正文
6.4.1企业标准版心:以14号字计算,宽30字,长22行(不含页码)。
6.4.2企业标准正文首页:企业标准标题,居中排列,用黑体22号字。
标题占行。
其他文中小标题,用15号黑体字,其余中文用14号宋体,英文用Times New Roman体14号字。
阿拉伯数字用黑体14号字。
6.4.3企业标准代号,“代号”位于版心右上角,用黑体14号字。
7、企业标准结构层次序数:可采用以下两种形式之一。
7.1用大写汉字及符号:第一层为“一”、第二层为“(一)”,第三层为“1”,第四层为“(1)”。
7.2用阿拉伯数字及标点:第一层为“1”,第二层为“(1.1)”,第三层为“(1.1.1)”,第四层为
“(1.1.1.1)”。
附样一
Q/1B 新月公司企业管理制度
Q/1B-BG-01-2006 企业管理制度编号方法与格式
2005-12-24发布2006-01-01实施
北京新月联合汽车有限公司发布
附样二
企业管理制度编号方法与格式
1、目的
明确公司管理制度类别,便于查找,修订。
由于编号中有制定(修订)年号,杜绝执行制度过程中的混乱。
2、适用范围
本规定适用于公司内部管理制度
3、职责
管理制度编号由办公室负责实施
4、编号说明
Q/1B-------------------------------新月公司企业标准,此为统一符号。
□□------------------企业标准代号,根据部门设定。
□□---------------企业标准顺序号
□□□□------ 制定或修订年份
例:Q/1B—BG—01—2005
例示:新月公司2005年发布的第1个(即修订或制定)办公制
度。