水厂计算书
- 格式:docx
- 大小:85.61 KB
- 文档页数:13
目录第一章设计原始资料第二章设计水量与工艺流程的确定第一节设计水量计算第二节给水处理流程确定第三章给水处理构筑物与设备型式选择第一节加药间第二节配水井第三节混合设备第四节絮凝池第五节沉淀池第六节滤池第七节消毒方法第四章净水厂工艺计算第一节加药间设计计算第二节配水井设计计算第三节混合设备设计计算第四节往复式隔板絮凝池设计计算第五节平流式沉淀池设计计算第六节 V型滤池设计计算第七节消毒和清水池设计计算第八节二级泵站第五章水厂平面布置和高程布置计算v第一节水厂平面布置第二节水厂高程布置计算第三节净水管道水力计算第四节附属建筑物第五节净水厂绿化与道路第六章净水工艺自动化设计第一章 设计原始资料一、地理条件:地形平坦,稍向西倾斜,地势平均标高22m (河岸边建有防洪大堤)。
二、水厂位置占地面积:水厂位置距离河岸200m ,占地面积充分。
三、水文资料:河流年径流量3.76-14.82亿立方米,河流主流量靠近西岸。
取水点附近水位:五十年一遇洪水位:21.84m ;百年一遇洪水位:23.50m ;河流平常水位:15.80m ;河底标高:10m 。
四、气象资料及厂区地址条件:全年盛行风向:西北;全年雨量:平均63mm ;冰冻最大深度1m 。
厂区地基:上层为中、轻砂质粘土,其下为粉细沙,再下为中砂。
地基允许承载力:10-12t/m 2。
厂区地下水位埋深:3-4m 。
地震烈度位8度。
五、水质资料:浊度:年平均68NTU ,最高达3000NTU ;PH 值:7.4-8.6;水温:4.5-21.5℃;色度:年平均为11-13度;臭味:土腥味;总硬度:123.35mg/L CaCO 3;溶解氧:年平均10.81 mg/L ;Fe :年平均0.435 mg/L ,最大为0.68 mg/L ;大肠菌群:最大723800个/mL ,最小为24600个/ mL ;细菌总数:最大2800个/ mL ,最小140个/ mL 。
六、水质、水量及其水压的要求:设计水量:根据资料统计,目前在原地下水源继续供水的情况下,每天还需5万立方米。
摘要E市给水工程,是为了满足该区近期和远期用水量增长的需要而新建的。
该工程分为两组,最终的供水设计规模为3.1万m3/d,整个工程包括取水工程,净水工程和输配水工程三部分。
其工艺流程如下:水源取水头自流管一级泵房自动加药设备机械搅拌澄清池普通快滤池清水池配水池二级泵房配水管网用户同时,本设计课题还包括:水厂占地面积,人员配备,厂内建筑物布置和管线定位等。
整个工艺流程中主要构筑物的设计时间为机械搅拌澄清池池:1.28h普通快滤池冲洗时间:6min普通快滤池的滤速为:13.3m/h第一章设计水量计算第一节最高日用水量计算第二节设计流量确定第二章取水工艺计算第一节取水头部设计计算第二节集水间设计计算第三章泵站计算第一节取水水泵选配及一级泵站工艺布置第二节送水泵选配及二级泵站工艺布置第四章净水厂工艺计算第一节机械搅拌澄清池计算第二节普通快滤池计算第三节清水池计算第四节配水池计算第五节投药工艺及加药间计算第六节加氯工艺及加氯间计算第七节净水厂人员编制及辅助建筑物使用面积计算第八节检测仪表第一章 设计水量计算第一节 最高日用水量计算一、各项用水量计算 1、 综合生活用水量1Q1Q d m d l N q f 33411108.81.1.200104⨯=⨯⨯⨯=⨯⨯=人 m d l N q f Q 344111/10408.11.1.200104.6⨯=⨯⨯⨯=⨯⨯=人 2、 工业企业生产用水量2Q()()dm m d n N q Qd m m d n N q Q 343222/3432221076.11.180********.11.11001201⨯=⨯⨯=-⨯⨯=⨯=⨯⨯=-⨯⨯=万元万元万元3、 未预见水量和管网漏失水量3Q ()d m Q Q Q 34213104.02.0⨯=+=4、 消防用水量x Qd m s l N q Q x x X 3410432.0252⨯=⨯=⨯= 二、最高日用水量d Qm Q Q Q Q d 34321106.2⨯=++=由于总用水量较小和消防水量相差不大则d m d m Q d 3434101.310072.3⨯≈⨯= d m Qd34/104⨯=第二节 设计流量确定一、确定设计流量1、 取水构筑物、一级泵站、原水输水管、水处理构筑物设计流量sl d m T Q a Q sl d m T Q a Q d I d I 11.48636002410405.173.376360024101.305.134//34=⨯⨯⨯=⨯==⨯⨯⨯=⨯= 2、二级泵站设计流量因为无用水变化曲线也没相似地区资料故不设置调节构筑物,其设计流量为sl d m Q k Q sl d m Q k Q d h h d h h 44.6944.861045.14.8618.5384.86101.35.14.8634//34=⨯⨯=⨯==⨯⨯=⨯=3、清水输水管设计流量同二级泵站设计流量4、配水管网设计流量同二级泵站设计流量第二章 取水工艺计算第一节 取水头部设计计算一、设计计算方法与内容1、 取水头部选用蘑菇取水头部,头部外形选用菱形,分两格。
目录1 设计水质要求及水量计算 (1)1.1 城市用水要求 (1)1.2 设计水量的确定 (1)2 给水工艺流程的选择 (1)2.1 原水水质分析 (1)2.2 给水处理工艺的确定 (2)3 药剂的选择及其投加方式 (2)3.1 混凝剂的选择 (2)3.1.1 固体硫酸铝 (2)3.1.2 液体硫酸铝 (2)3.1.3 硫酸亚铁 (2)3.1.4 三氯化铁 (3)3.1.5 聚合氯化铝 (3)3.1.6 聚丙烯酰胺 (3)3.2 混凝剂的投加方式 (3)3.2.1 重力投加 (3)3.2.2 水射器 (4)3.2.3 计量泵 (4)3.3 消毒剂的选择 (4)3.3.1 漂白粉 (4)3.3.2 液氯 (4)3.3.3 二氧化氯 (4)3.3.4 臭氧 (4)3.3.5 紫外线 (5)3.4 消毒剂的投加方式 (5)4 混合形式的确定 (5)4.1 水泵混合 (5)4.2 管式静态混合器 (5)4.3 跌水混合 (5)4.4 机械混合 (5)5 水工构筑物的确定 (6)5.1配水井 (6)5.2絮凝池 (6)5.2.1 隔板絮凝池 (6)5.2.2 折板絮凝池 (6)5.2.3 网格(栅条)絮凝池 (6)5.2.4 机械絮凝池 (6)5.3 沉淀池 (6)5.3.1 平流式沉淀池 (6)5.3.2 斜管(板)沉淀池 (7)5.4 过滤设备 (7)5.4.1 普通快滤池 (7)5.4.2 双阀滤池 (7)5.4.3 V型滤池 (7)5.4.4 虹吸滤池 (7)5.4.5 无阀滤池 (8)5.4.6 移动罩滤池 (8)6 水工构筑物参数设计 (8)6.1 加药间的计算 (8)6.1.1 溶液池容积W1 (8)6.1.2 溶解池容积W2 (9)6.1.3 投药管 (9)6.1.4 搅拌设备 (9)6.1.5 计量泵 (9)6.1.6 药剂仓库 (9)6.2 混合设备的计算 (10)6.2.1 设计管径 (10)6.2.2 混合单元数 (10)6.2.3 混合时间 (10)6.2.4 水头损失 (10)6.2.5 校核GT值 (10)6.3往复式隔板絮凝池计算 (11)6.4 平流沉淀池的计算 (12)6.5 V形滤池的计算 (13)6.5.1 冲洗强度 (13)6.5.3 池体设计 (13)6.5.4 V型槽的设计 (14)6.6 加氯间的计算 (14)6.6.1 投氯量 (14)6.6.2 储氯量M (15)6.6.3 加氯设备和附属设施 (15)6.6.4 加氯间尺寸设计 (15)6.7 配水井的计算 (15)6.8 清水池的计算 (16)6.8.1 有效容积 (16)6.8.2 平面尺寸设计 (16)7 平面布置 (17)8 高程布置 (17)参考文献 (18)附录 (18)1 设计水质要求及水量计算1.1 城市用水要求给水处理厂出水应满足《生活饮用水卫生标准》(2006)要求。
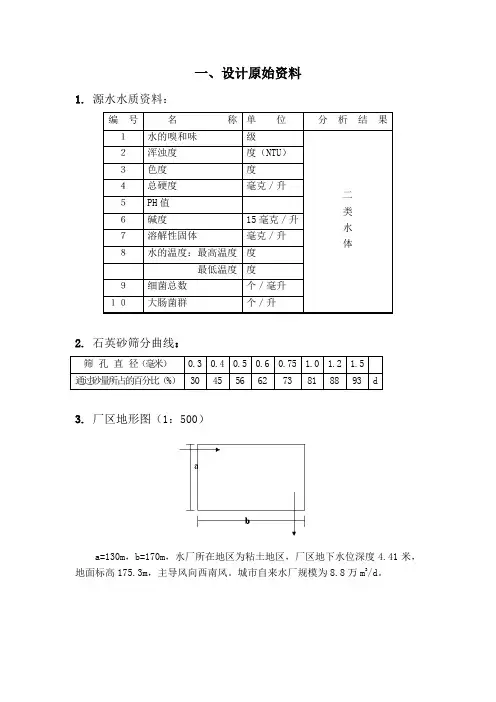
一、设计原始资料1.源水水质资料:2.石英砂筛分曲线:3.厂区地形图(1:500)a=130m,b=170m,水厂所在地区为粘土地区,厂区地下水位深度4.41米,地面标高175.3m,主导风向西南风。
城市自来水厂规模为8.8万m3/d。
二、设计规模与工艺流程1.设计规模城市自来水厂规模为8.7万m3/d,水厂的自用水量按日用水量的5%算,则水厂设计水量为:Q0=1.05Qd=1.05×87000=91350 m3/d一级泵站、配水井、加药间、药库、加氯间、氯库、二级泵站、土建工程均一次建成。
2.水厂处理工艺流程框图(构筑物):↓↓↓↓↓↓↓↓三、配水井设计计算1.配水井设计规模为3806.25m3/h=1.06m3/s。
配水井水停留时间采用2~3min,取T=2.5min取,则配水井有效容积为W=QT=3806.25×2.5/60=168.6m3。
2.进水管管径D1=1100mm,v=1.13m/s,在1.0m/s-1.2m/s范围内。
进水从配水井底中心进入,经等宽度堰流入2个水斗再由管道接入2座后续处理构筑物。
每个后续处理构筑物的分配水量为q=1.06/2=0.53m3/s。
配水采用矩形薄壁溢流堰至配水管。
3.堰上水头H:因单个出水溢流堰的流量为q=0.53m3/s=530L/s,一般大于100L/s采用矩形堰,小于100L/s采用三角堰,所以本设计采用矩形堰(堰高h取0.5m)。
矩形堰的流量公式为:3/2q式中q——矩形堰的流量,m3/s;m——流量系数,初步设计时采用m=0.42;b——堰宽,m,取堰宽b=6.28m;H——堰上水头,m。
则有: H=0.1m4.堰顶宽度B根据有关试验资料,当B/H<0.67时,属于矩形薄壁堰。
取B=0.05m,这时B/H=0.5(在0~0.67范围内),所以,该堰属于矩形薄壁堰。
5.配水管管径D2=900mm,v=0.84m/s,在0.8m/s-1.0m/s范围内。
二 设计计算内容一、 水厂规模及水量确定综合生活用水量:Q 1=270000×250×96%=64800000L/d=64800m 3/d 生产用水量:Q 2=12000+12000+12000+8000=44000m 3/d 工业企业用水量:Q 3=[(25×1600×3+35×400×3+60×400×3)+(25×1600×3+35×400×3+40×400×3)+(25×1000×3)+(25×1600×3)]/1000=639m 3/d 浇洒绿地用水量:Q 4=(Q 1 +Q 2 +Q 3 )×10%=(64800+44000+639) ×10%=10944m 3/d 未预见用水及管网漏水量: Q 5=20%×(Q 1+Q 2+Q 3+Q 4)=24077 m 3/d 设计水量:Q d =Q 1+Q 2+Q 3+Q 4+Q 5=144460 m 3/d=6019 m 3/h=1.67 m 3/s 水厂自用水量取5% Q I =1.05×TQd=6320.125 m 3/h 消防水量:Qx=55×2=110L/s=9504 m 3/d二. 给水工艺流程的确定及构筑物的选择 2.1工艺流程的确定水厂以地表水作为水源,工艺流程如图1所示。
原水混 合絮凝沉淀池滤 池混凝剂消毒剂清水池二级泵房用户图1 水处理工艺流程2.2构筑物形式的选择根据已选工艺流程,在设计中混合设施选用机械混合池,反应池选用折板絮凝池,沉淀池选用平流式沉淀池,滤池选用V 型滤池,采用加氯消毒。
三、 给水单体构筑物设计计算 (一) 混凝剂配制和投加 1. 设计参数根据原水水质及水温,参考有关净水厂的运行经验,选聚合氯化铝为混凝剂。
滤池计算一、已知条件:(1)、设计水量规模:Q=100000万立方米/日(分两个系统)100000立方米/日考虑水厂自用水量,滤池为8% 1.08设计水量为:108000立方米/日Q= 1.25立方米/秒 1.25立方米/秒(2)、设计滤速7米/时7米/时(3)、采用气、水冲洗(反冲洗历时)12分钟表面扫洗强度 1.5升/秒*平方米第一阶段气冲洗强度15升/秒*平方米15升/秒*平方米反冲洗历时2分钟2分钟第二阶段气冲洗强度15升/秒*平方米15升/秒*平方米反冲洗历时4分钟4分钟水冲洗强度5升/秒*平方米5升/秒*平方米反冲洗历时4分钟4分钟第三阶段水冲洗强度5升/秒*平方米5升/秒*平方米反冲洗历时6分钟6分钟(4)、冲洗周期12小时12小时二、设计计算1、滤池工作时间:滤池24小时连续工作,其有效工作时间为:T=24-t*2/60=23.6小时23.5小时2、滤池面积滤池总面积F=Q/(V*T)=656.5349544平方米656.535平方米滤池采用10格对称布置,单格面积:8格f'=82.0668693平方米82.0669平方米3、单池平面尺寸:L=12米B=7米84平方米4、校核强制滤速:V实际= 6.869951413米/小时一格反冲洗时V强制=7.851373043米/小时一格检修,一格反冲洗时:V强制=9.159935217米/小时5、滤池高度底部反冲洗室高度为750毫米0.75米滤板厚100毫米(混凝土)0.1米承托层厚度0.1米粒径0.9~1.3毫米 1.3米砂层上水深1200毫米 1.2米超高400毫米0.8米进水渠到滤池内的水头损失取0.35米滤池底到水面的高度 3.45米滤池总高度H=4.6米 4.6米6、配水系统配水系统采用小阻力配水系统(滤头),每平方米滤板配滤头55个共计36960个冲洗水通过滤头水头损失为0.23米。
滤板平面尺寸:L=790B=790予埋d=25mm ABS管7、洗砂排水槽单槽排水量q0=546升/秒0.546米3/秒洗砂排水槽顶距滤料顶的距离定位0.5m。
目录第一部分说明书3第一章净水厂厂址选择3第二章处理流程选择及说明 4第一节岸边式取水构筑物8第二节药剂投配设备10第三节机械搅拌澄清池10第四节普通快滤池11第五节消毒间12第六节清水池14第七节送水泵站14第三章水厂的平面布置16第一节水厂的平面布置要求 16第二节基本设计标准16第三节水厂管线16第四节水厂的高程布置17第四章排泥水处理20第一节处理对象20第二节处理工序20第二部分计算书21第一章岸边式取水构筑物21第一节设计主要资料21第二节集水间计算21第三节泵站计算22第二章混凝设施26第一节药剂配制投加设备26第三章机械搅拌澄清池计算 35第一节第二反应室35第二节导流室35第三节分离室36第四节池深计算37第五节配水三角槽38第六节第一反应室39第七节容积计算40第八节进水系统40第九节集水系统41第十节污泥浓缩斗42第十一节机械搅拌澄清池,搅拌机计算43第四章普通快滤池计算48第一节设计参数48第二节冲洗强度48第三节滤池面积及尺寸49第五节配水系统49第六节洗砂排水槽50第七节滤池各种管渠计算51第八节冲洗水泵52第五章消毒处理54第一节加氯设计54第二节加滤量计算54第三节加氯间和氯库54第六章清水池计算56第一节清水池有效容积56第二节清水池的平面尺寸56第三节管道系统56第四节清水池布置56第七章送水泵站58第一节流量计算58第二节扬程计算58第三节选泵58第四节二级泵房的布置59第五节起重设备选择59第六节泵房高度计算60第七节管道计算60第八章给水处理厂的总体布置61第一节平面布置61第九章泥路计算64第一节泥、水平衡计污泥处理系统设计规模64第二节排泥水处理构筑物设计计算67结束语73致谢74参考文献75第一部分说明书第一章净水厂厂址选择净水厂一般应设在工程地质条件较好、地下水位底、承载力较大、湿陷性等不高、岩石较少的地层,以降低工程造价和便于施工.水厂还应考虑防洪措施,同时尽量把水厂设在交通方便、靠近电源的地方,以利于施工管理和降低输电线路的造价。
第一章:设计原始资料一、地理条件:地形平坦,稍向西倾斜,地势平均标高22m (河岸边建有防洪大堤)。
二、水厂位置占地面积:水厂位置距离河岸200m占地面积充分。
三、水文资料:河流年径流量3.76 - 14.82亿立方米,河流主流量靠近西岸。
取水点附近水位:五十年一遇洪水位:21.84m;百年一遇洪水位:23.50m;河流平常水位:15.80m;河底标咼:10m四、气象资料及厂区地址条件:全年盛行风向:西北;全年雨量:平均63mm 冰冻最大深度1m厂区地基:上层为中、轻砂质粘土,其下为粉细沙,再下为中砂。
地基允许承载力:10- 12t/m2。
厂区地下水位埋深:3- 4m地震烈度位8 度。
五、水质资料:浊度:年平均68NTU最高达3000NTU pH值:7.4 —6.8 ;水温:4.5 —21.5 C;色度:年平均为11 —13度;臭味:土腥味;总硬度:123.35mg/L CaCO 溶解氧:年平均10.81 mg/L; Fe:年平均0.435 mg/L,最大为0.68 mg/L;大肠菌群:最大723800个/mL,最小为24600个/ mL细菌总数:最大2800个/ mL,最小140 个/ mL。
六、水质、水量及其水压的要求:设计水量:根据资料统计,目前在原地下水源继续供水的情况下,每天还需万立方米。
满足现行生活饮用水水质标准。
二级泵站扬程按50米考虑。
第二章:用水量的计算设计给水工程首先耍确定设计水量,通常将设计用水量作为设计水量。
设计用水量是根据设计年限内用水单位数、用水定额和用水变化情况所预测的用户日用水总量。
设计用水量包括下列用水:综合生活用水量Q i,包括居民生活用水量和公共建筑及设施用水;工业用水量Q2 ;浇洒道路和绿地用水量Q3 ;未预见水量及管网漏失量Q4。
本设计为日供水量为50000 m3/d,城镇水厂自用水量一般采用供水量的5%-10%本设计取7%,时变化系数K h取1.5。
1、最咼日用水量:Q d =q (1 + 7%) 50000 X 1.07 呀=53500 呀2、最咼时用水量:Q h= %=5350%肩% = 222"力式中K h取1.5,即时变化系数。
设计说明与计算书第1章设计水质水量与工艺流程的确定1.1 设计水质水量1.1.1原水水质及水文地质资料ss最高/(mg/L) 700最大时变化系数 1.251序号名称最高数平均数备注1 色度40 152 pH值7.8 7.23 DO溶解氧11.2 6.384 BOD5 2.5 1.15 COD 4.2 2.46 其余均符合国家地面水水源Ⅰ级标准2水文地质及气象资料河流水文特征最高水位----------m,最低水位----------m,常年水位-----------m气象资料历年平均气温-----------,年最高平均气温--------,年最低平均气温-----------。
年平均降水量:-----------,年最高降水量----------,年最低降水量-----------。
常年风向-----------,频率--------。
历年最大冰冻深度20cm3 地质资料第一层:回填、松土层,承载力8 kg/cm2,深1~1.5m;第二层:粘土层,承载力10kg/cm2,深3~4m;第三层:粉土层,承载力 8kg/cm2,深3~4m;地下水位平均在粘土层下0.5m。
1.1.2、设计水量设计人口6.1万人均用水量标准(最高日)200L/d工厂A(万立方米/d)0.4工厂B(万立方米/d)0.7工厂C(万立方米/d)0.9工厂D(万立方米/d)1.4一般工业用水占生活用水% 195第三产业用水占生活用水%90Qd=1.067×﹝(200×6.1×(1+1.95+0.9)/1000+0.4+0.7+0.9+1.4﹞=86400立方米/d1.1.3、分析原水水质显著特点为ss 含量较高,水量变化较小,故在后续工艺设计中会针对上述两个特点做出设计,以求实现工艺的优化。
1. 2 给水处理流程确定1.2.1 给水处理工艺流程的选择给水处理工艺流程的选择与原水水质和处理后的水质要求有关。
第一章 概述第一节 城市概况一、自然条件1、地理位置:位于中国华北地区2、气象资料①风向:绘出风玫瑰图②气温:最冷月平均为:-12.8℃最热月平均为: 25.4℃极端温度:最高38℃,最低-22.5℃③土壤冰冻深度:1.0m3、工程地质与地震资料:①地质钻探资料表土 砂质粘土 细砂 中砂 粗砂 粗砂、砾石粘土 砂岩石层1m 1.5m 1m 2m 0.8m 1m 2m②地震计算强度为:186.2KPa③地震烈度为:9度以下。
④地下水质对各类水泥均无侵蚀作用。
4、水文资料① 流量:最大流量为:190 (m3 / s);最小流量为:50 (m3 / s)。
②最大流速:1.3m/s③河床横断面图如下:-1.00M -3.00M -5.00M -8.00M最高水位最低水位断面1-1.00M-3.00M-5.00M-8.00M最高水位最低水位断面2-1.00M最高水位-3.00M最低水位-5.00M-8.00M断面3注: Q=50~200 (m3 / s)W=45~146m2V=1.1~1.3m/s④水源水质资料编号 名称 单位 分析结果1 色度 度 152 浑浊度 毫克/升 100~9003 臭和味 微量4 PH值 7.55 总硬度 度(德国度) 46 铁 毫克/升 0.17 总固体 毫克/升 2988 硝酸盐 毫克/升 0.0389 亚硝酸盐 毫克/升 0.0310 碱度 度 811 细菌总数 个/毫克 1200012 大肠杆菌数 个/升 3300013 耗氧量 毫克/升 9.53⑤水文资料扬水资料:Ⅰ号试井 Ⅱ号试井出水量Q1(L/S ) 降深S1(M)单位出水量q1(L/S/M)Ⅱ号试井抽水时对本井的水位消减值t1(M)出水量Q2(L/S)降深S2(M)单位出水量q2(L/S/M)Ⅱ号试井抽水时对本井的水位消减值t2(M)6.10 1.21 5.08 0.19 6.15 1.20 5.12 0.18 15.60 3.00 5.21 0.38 15.65 3.00 5.23 0.40 26.32 5.00 5.26 0.66 26.05 5.00 5.21 0.62注:1.井距 l试=200米2.井径 d试=0.2米3.深透系数 K=100米/日4.影响半径 R=600米5.含水层厚度 20~35米层次 层厚(M) 地层柱状图 岩性描述1 0.4 耕作土2 2 冲击粘土含泥3 1.3 粗砂4 45.3 黑色塑性粘土5 32 粗砂加砾石6 棕色海积粘土承压水静水位:-3.00m二、城市建设规划1、总体规划平面图 1:5002、市总规划人口 36万人3、市分区资料:分区名称 人口(万人)楼房层数 房屋卫生设备 一区 12二区 246 有室内给排水4、工业企业资料企业名称 生产用水量(吨/日)职工人数倒班次数冷车间人数(人/班)热车间人数(人/班)淋浴人数(人/班)企业A20000 15000 3 4000 1000 5000 企业B 15000 9000 3 2000 1000 3000 5、火车站用水量为 1500m3/d6、城市排管单位管径75 100 150 200 250 300 350 400(毫米)单价(米/元)管径450 500 600 700 800 900 1000(毫米)单价(米/元)7、城市电费___________元/度8、资金偿还期_________年第二节 工程设计一、设计任务1、设计题目:A市给水工程设计2、给水工程设计范围包括:取水工程、净水工程、与输配水工程。
自来水厂计算书目录1、取水泵房 (3)1.1 设计参数 (3)1.2 设计要求 (3)1.3 设计流量的确定和设计扬程估算 (3)1.4 泵的选择 (4)1.5 泵房布置 (4)1.6附属设备选择 (4)1.7泵房整体设计 (4)2、加药间设计计算 (5)2.1 设计参数 (5)2.2 设计计算 (5)3 混合设备计算 (7)3.1设计参数 (7)3.2 设计计算 (8)4 水力澄清池设计计算 (8)4.1 设计参数 (8)4.2设计计算 (9)5 重力式无阀滤池计算 (14)5.1 设计水量 (14)5.2 设计数据 (15)5.3 计算 (15)6 消毒设计计算 (18)6.1设计参数 (18)6.2加氯机及漏氯处理 (18)6.3加氯间及氯库设计计算 (19)7、清水池 (19)7.1 设计数据 (19)7.2 计算 (19)7.3 清水池布置 (21)8 吸水井 (21)8.1 设计要点 (21)8.2 吸水井的设计 (21)9、二级泵房的确定 (22)9.1 流量设计 (22)9.2 扬程 (22)9.3 选泵 (22)9.4 泵房布置 (23)9.5泵房附属设备 (24)1、取水泵房1.1 设计参数(1)进水管采用自流管设计,管内流速应考虑不产生淤积,一般不宜小于0.6m/s。
必要时,应有清淤措施。
(2)自流管一般不得少于两根,当事故停用一根时,其余管仍能满足事故设计流量要求(一般为70%-75%的最大设计流量)。
(3)自流管一般埋设在河底以下,其管顶最小埋深一般应在河底以下0.5m。
(4)当河流水位变化幅度不大时,岸边式集水井可采用单层进水孔口。
当河流水位变化幅度超过6m时,可采用两层或三层的分层进水孔口。
(5)为确保取水头部在最低水位下能取到所需水量,淹没进水孔上缘在设计最低水位下的深度应符合规定:顶部进水时,不得小于0.5m;侧面进水时,不得小于0.3m。
1.2 设计要求(1)设置两根DN325钢管(做好防腐处理)作为自流管,埋设在枯水位以下0.75m,采用侧面进水。
水厂设计说明与计算书第1章设计水质水量与工艺流程的确定1.1 设计水质水量1.1.1 设计水质本设计给水处理工程设计水质满足国家生活饮用水卫生标准(GB5749-2006),处理的目的是去除原水中悬浮物质,胶体物质、细菌、病毒以及其他有害万分,使净化后水质满足生活饮用水的要求。
生活饮用水水质应符合下列基本要求:(1)水中不得含有病原微生物。
(2)水中所含化学物质及放射性物质不得危害人体健康。
(3)水的感官性状良好。
基础资料:1.厂区地形平坦无高差。
2.原水水质分析表原水水质分析表3.滤砂筛分资料(请改组成所需d10=0.5mm,K80=1.8的滤料)。
4.该水厂所在地区常年主导风向为东风。
1.1.2 设计水量水处理构筑物的生产能力,应以最高日供水量加水厂自用水量进行设计,并以水质最不利情况进行校核。
Q d=Q a*K d=60000×1.5=90000m3/d水厂自用水量主要用于滤池冲洗和澄清池排泥等方面。
城镇水厂只用水量一般采用供水量的5%—10%,本设计取8%,则设计处理量为:Q=(1+a)Q d =1.08×90000=97200m3/d式中Q——水厂日处理量;a——水厂自用水量系数,一般采用供水量的5%—10%,本设计取8%;Q a——平均日设计供水量(m3/d),为6万m3/d;Q d——最高日设计供水量(m3/d);K d——供水量日变化系数,取1.5。
1. 2 给水处理流程确定1.2.1 给水处理工艺流程的选择给水处理工艺流程的选择与原水水质和处理后的水质要求有关。
一般来讲,地下水只需要经消毒处理即可,对含有铁、锰、氟的地下水,则需采用除铁、除锰、除氟的处理工艺。
地表水为水源时,生活饮用水通常采用混合、絮凝、沉淀、过滤、消毒的处理工艺。
如果是微污染原水,则需要进行特殊处理。
一般净水工艺流程选择:1.原水→简单处理(如用筛网隔虑)适用条件:水质要求不高,如某些工业冷却用水,只要求去除粗大杂质时2.原水→混凝、沉淀或澄清适用条件:一般进水悬浮物含量应小于2000-3000mg/L,短时间允许到5000-10000mg/L,出水浊度约为10-20度,一般用于水质要求不高的工业用水。
设计计算书工程总称:XXXXX有限公司项目名称:XXX自来水厂新建工程专业:给排水设计:XXX、XXX校对:XXX审核:XXX日期:2019.7.3XXXXXX有限公司(盖章)XXXX自来水厂新建工程给排水设计计算书1.1设计流量QXXX镇近期(2020年):1.50万m3/d;远期(2030年):2.50万m3/d。
水厂自用水量取10%Q近期=15000×1.1=16500m3/d=687.5m3/h=0.191m3/sQ远期=25000×1.1=27500m3/d=1145.83m3/h=0.318m3/s1.2稳压井按远期设计一座稳压井,设计停留时间为 2.8min,V=0.318×2.82×60=54m3出水管管径设计为两根DN500,V=0.191×4/3.14×0.5×0.5=0.97 m/s1.3加药间设计1.3.1混凝剂设计混凝剂采用聚合氯化铝(PAC)混凝剂用量T,近期=20×16500/1000=330kg/dT远期=20×27500/1000=550kg/d原液池按远期设计一次性建成,每日调制2次,考虑7天储量,则其容积为W1=20×1145.83×7/417×10×2=19.23m3原液池分两格,有效水深取2m,考虑超高为0.5m。
则原液池单格尺寸为L×B×H=2.5m×2m×2.5m,近期根据实际情况使用。
原液池采用钢筋混凝土池体,池底坡度为2.5%,并设DN150的排渣管一根。
溶液池容积W2=0.3×20=6m3采用压缩空气搅拌:原液池空气强度为4L/S.m2,溶液池空气强度为10L/S.m2加药采用计量泵湿式投加,近期流量为:q=20×687.5/417×10=3.297m3/d=137L/h近期拟选用2台,1用1备,预留远期泵安装位置。
净水处理构筑物设计计算宾川县二水厂工程的设计规模为2.0万m 3/d ,分两期实施。
一期工程规模为1.0万m 3/d 。
一期工程设计流量Q=2410.110000⨯=458.33 m 3/h=0.127 m 3/s 。
1.配水混合井配水井按二期设计,一次修建完成。
分为3格,每格均为正方形(2.0m ×2.0m ),有效水深2.0m ,保护高度0.5m 。
原水进入配水井中间一格后通过池壁底端的连通渠向两边均匀分流,并在外侧的两格装有推进式机械浆板混合装置,搅拌器直径0.68m ,外缘线速度4.6 m/s ,搅拌功率2.5Kw 。
向配水井内投加混凝剂后,经机械混合器快速混合,混合时间1min ,然后由配水井上端连接的DN400配水管向网格絮凝池均匀配水。
在浊度较低季节或水厂网格絮凝-斜管沉淀池检修时,可以超越网格絮凝-斜管沉淀池,投药后配水混合井直接配水到无阀滤池进行直接过滤。
]2.网格反应池 2.1设计数据(1)设计流量Q=0.127 m 3/s ; (2)反应时间t =12.5min ; (3)每个反应池有6个竖井;(4)过网流速分四档,分别为:0.25m/s ,0.19m/s ,0.10m/s ,0.07m/s ;2.2主要计算(5)平面尺寸反应池容积ϖ=Qt =0.127×12.5×60=95.25 m 3 反应池有效水深H ’=3.6 m反应池的总面积F =46.266.325.95'==H ϖm 2 反应池分6格,每格的面积f = 41.4646.266==F m 2 单格平面尺寸2.1 ×2.1m (6)反应池的总高度HH =H 1+H 2+ H 3H 1——排泥斗高度,取1.1m ; H 2——池中有效水深,取3.6m ; H 3——保护高,取0.4m ; H =1.1+3.6+0.4=5.10m根据泥斗尺寸验算斗底坡度为52.3°,排泥顺畅。
1.给水处理厂课程设计任务书一、目的和内容净水厂课程设计的目的在于加深理解所学专业理论,培养运用所学知识综合分析和解决实际工程设计问题的初步能力,在设计、运算、绘图、查阅资料和设计手册以及使用设计规范等基本技能上得到初步训练和提高。
课程设计的内容是根据所给资料,设计一座城市净水厂,要求对主要处理构筑物的工艺尺寸进行计算,确定水厂平面布置和高程布置,最后绘出水厂平面布置图、高程布置图和某个单项处理构筑物(絮凝沉淀池、澄清池或滤池)的工艺设计图(应达到初步设计的深度),并简要写出一份设计计算说明书。
设计题目: 某市自来水厂工艺设计二、原始资料(1)水厂规模:11.6万m3/d(2)水源为河流地面水,原水水质分析资料如下:(3)厂区地形:(比例1:500, 按平坦地形和平整后的设计地面高程32.00m设计), 水源取水口位于水厂东北方向150m,水厂位于城市北面1 km。
(4)工程地质资料1)地质钻探资料土壤承载力:20 t/m2.2)地震计算强度为186.2kPa。
3)地震烈度为9度以下。
4)地下水质对各类水泥均无侵蚀作用。
(5)水文及水文地质资料10 历年三小时最大水m/3h 1.04位涨落地下水位:在地面以下1.8m(6)气象资料该市位于亚热带,气候温和,年平均气温15.90C,七月极端最高温度达390C,一月极端最低温度-15.30C,年平均降雨量954.1mm,年平均降雨日数117.6天,历年最大日量降雨量328.4mm。
常年主导风向为东北偏北(NNE),静风频率为12%,年平均风速为3.4m/s。
土壤冰冻深度:0.4m。
风向玫瑰图2 水厂选址厂址选择应在整个给水系统设计方案中全面规划,综合考虑,通过技术经济比较确定。
在选择厂址时,一般应考虑以下几个方面:⑴厂址应选择在工程地质条件较好的地方。
一般选在地下水位低、承载力较大、湿陷性等级不高、岩石较少的地层,以降低工程造价和便于施工。
⑵水厂应尽可能选择在不受洪水威胁的地方。
一、设计原始资料1.源水水质资料:2.石英砂筛分曲线:3.厂区地形图(1:500)a=130m,b=170m,水厂所在地区为粘土地区,厂区地下水位深度4.41米,地面标高175.3m,主导风向西南风。
城市自来水厂规模为8.8万m3/d。
二、设计规模与工艺流程1.设计规模城市自来水厂规模为8.7万m3/d,水厂的自用水量按日用水量的5%算,则水厂设计水量为:Q0=1.05Qd=1.05×87000=91350m3/d一级泵站、配水井、加药间、药库、加氯间、氯库、二级泵站、土建工程均一次建成。
2.水厂处理工艺流程框图(构筑物):↓↓↓↓↓↓↓三、配水井设计计算1.配水井设计规模为3806.25m3/h=1.06m3/s。
配水井水停留时间采用2~3min,取T=2.5min取,则配水井有效容积为W=QT=3806.25×2.5/60=168.6m3。
2.进水管管径D1=1100mm,v=1.13m/s,在1.0m/s-1.2m/s范围内。
进水从配水井底中心进入,经等宽度堰流入2个水斗再由管道接入2座后续处理构筑物。
每个后续处理构筑物的分配水量为q=1.06/2=0.53m3/s。
配水采用矩形薄壁溢流堰至配水管。
3.堰上水头H:因单个出水溢流堰的流量为q=0.53m3/s=530L/s,一般大于100L/s采用矩形堰,小于100L/s采用三角堰,所以本设计采用矩形堰(堰高h取0.5m)。
矩形堰的流量公式为:式中q——矩形堰的流量,m3/s;m——流量系数,初步设计时采用m=0.42;b——堰宽,m,取堰宽b=6.28m;H——堰上水头,m。
则有:H=0.1m4.堰顶宽度B根据有关试验资料,当B/H<0.67时,属于矩形薄壁堰。
取B=0.05m,这时B/H=0.5(在0~0.67范围内),所以,该堰属于矩形薄壁堰。
5.配水管管径D2=900mm,v=0.84m/s,在0.8m/s-1.0m/s范围内。
⒈水厂设计水量近期:Q d =1.05×8.91×104/24=3898(m3/h)远期:Q d =1.05×15.4×104/24=6738 (m3/h)其中:1.05为水厂自用水系数。
2. 混凝混凝处理是向水中加入混凝剂,通过混凝剂的水解或缩聚反应而形成的高聚物的强烈吸附与架桥作用,使胶粒被吸附黏结,①混凝剂配制及投加②混合③絮凝反应(絮凝池)采用隔板往复式絮凝池絮凝池设2只。
每个絮凝池的设计流量为:Q=3898/2=1949(m3/h)絮凝时间T=20min。
絮凝池的有效容积为:V=QT/60=1949×20/60=649.7(m3)池内平均水深H1=2.00m,池超高H2=0.3m.每池的净面积:F′=V/ H1=649.7/2=324.8(m2)取325 m2。
池宽按照沉淀池的宽度采用,B=15.5m池长(隔板间净距之和):L′=325/15.5=21.0(m)隔板间距按照廊道内流速分4档,a1=Q/3600V1H1=1949/3600×0.5×2=0.54m取 a1=0.6m,则实际流速为V1=0.45m/s;a2=0.8m,则实际流速为V2=0.38m/s;a3=1.0m,则实际流速为V3=0.27m/s;a4=1.2m,则实际流速为V4=0.22m/s;第一档间隔采用5条,其余的间隔均采用6条,则廊道总数23条,转弯总数22次,则池子总长度(隔板间净距之和):L′=0.6×5+6×(0.8+1.0+1.2)=21.0(m)取隔板厚度0.2m,则池子总长:L= 21.0+0.2×(23-1)=25.4(m)GT值计算:G=√rh/60uT=√1000×0.35/60×1.029×10-4×20=53.24(s-1)GT=53.23×20×60=63876(在10-3-10-4之间)池底坡度:i=0.35/25.4=1.38%3. 沉淀采用斜管沉淀池与反应池合建沉淀池设2只。
一、设计原始资料1. 源水水质资料:2. 石英砂筛分曲线:3. 厂区地形图(1:500)1卩a=130m b=170m水厂所在地区为粘土地区,厂区地下水位深度 4.41米, 地面标高175.3m,主导风向西南风。
城市自来水厂规模为8.8万nVd。
、设计规模与工艺流程1. 设计规模城市自来水厂规模为8.7万m/d,水厂的自用水量按日用水量的5%算,则水厂设计水量为:Q0=1.O5Q d=1.O5 X 87000=91350 M/d一级泵站、配水井、加药间、药库、加氯间、氯库、二级泵站、土建工程均一次建成。
管式静态混合器*投加混凝剂(硫酸铝)栅条絮凝池J J投加消毒剂(液氯)三、配水井设计计算1. 配水井设计规模为3806.25m3/h=1.06m3/s。
配水井水停留时间采用2〜3min,3 取T=2.5min 取,则配水井有效容积为W=QT=3806.23 2.5/60=168.6m 。
2. 进水管管径D=1100mm v=1.13m/s,在1.0m/s-1.2m/s范围内。
进水从配水井底中心进入,经等宽度堰流入2个水斗再由管道接入2座后续处理构筑物。
每个后续处理构筑物的分配水量为q=1.06/2=0.53m 3/s。
配水采用矩形薄壁溢流堰至配水管。
3. 堰上水头H:因单个出水溢流堰的流量为q=0.53m{/s=530L/s , —般大于100L/s采用矩形堰,小于100L/s采用三角堰,所以本设计采用矩形堰(堰高h取0.5m)。
矩形堰的流量公式为:q 二mb 2gH 3/2式中q ――矩形堰的流量,nVs ;m ---- 流量系数,初步设计时采用m=0.42;b ----- 堰宽,m,取堰宽b=6.28m;H——堰上水头,m则有:H=0.1m4. 堰顶宽度B根据有关试验资料,当B/HV0.67时,属于矩形薄壁堰。
取B=0.05m,这时B/H=0.5 (在0〜0.67范围内),所以,该堰属于矩形薄壁堰。
5. 配水管管径D=900mm v=0.84m/s,在0.8m/s-1.0m/s范围内。
配水井外径为6m,内径为4m,井内有效水深F b=5.9m,考虑堰上水头和一定的保护高度,取配水井总高度为6.2m。
四、混合工艺设计及计算1. 混合器设计:混合采用管式混合,设水厂进水管投药口至絮凝池的距离为50m设计流量为Q=1.05Q d =91350 m 1/d=1.06m 3/s ,进水管采用两条钢管,每条钢管流量为 1903 m/h ,直径DN900设计流速为 0.83m/s , 1000i=0.899m ,混合管段水头损失 h=iL=50 x 0.899/1000=0.045m ,小于管道内水头损失要求 0.3-0.4m ,故在进水 管内安装管道混合器,本设计采用管式静态混合器。
采用玻璃钢管式静态混合器2个,每个混合器处理水量为0.53m 3/s ,水厂进 水管投药口至絮凝池的距离为10m1. 进水管流速v=0.83m/s ,满足设计要求0.8-1.0m/s 。
2. 孔板孔径d 2 d 2/d 1=0.75d i =900mm d 2=0.75 x 900=675mm3. 孔板处流速 v =v x (d 1/d 2) =0.83 x (900/675) =1.48m/s符合设计要求1.0-1.5m/s4. 孔板水头损失 h '丸 v ' 7(2g)=2.66 x 1.48 2/(2 x 9.81)=0.3mH 2。
式中E 为孔板阻力系数,当d 2/d 1=0.75时,E =2.66 5. 混合时间静态混合器采用2节,混合单元数取N=2,则混合器长度: L=1.1 x D x N=1.1x 0.9 x 2=1.98m 混合时间:T=L/v=1.98/0.83=2.39s2. 加药间的设计计算3已知计算水量Q=91350=3806.25m /h 混凝剂采用精制硫酸铝,混凝剂最大 投药量u=30mg/L,药溶液的浓度b=10%混凝剂每日配制次数n=3次。
设计计算过程如下:2.1溶液池溶液池容积:XA/ uQ 汉 24"00 uQW :bn 1000 1000417bn30 3806.25417 10 3 -9.13m 3取 10m 3静态混合器溶液池设置两个,每个容积为W=5m形状采用矩形,尺寸为 B X L X H=2.0X 2.0 X ( 1.25+0.3 ) m ,超高0.3m 溶液池池底设DN200的排渣管一根,溶液池采用钢筋混凝土池体,内壁衬以 聚乙烯板(防腐) 2.2溶解池溶解池容积:3W 2 二(0.2 〜0.3)W i 二 0.3W i = 0.3 5 = 1.5m 溶解池池体尺寸为B X L X H=1.0X 1.5 X ( 1.0+0.2 ) m (池顶高出地面 0.2m ) 溶解池的放水时间采用t=10min ,则放水流量查水力计算表得放水管管径d 0=5Omm 相应流速V 0=1.34m/s 溶解池底部设管径d=100mn 排渣管一根 每池设搅拌机一台,选用 ZJ-700型折桨式搅拌机,功率为 4KW 转速为85r/min 。
2.3投药管投药管流量:查表得投药管管径d=20mm 相应流速为0.31m/s2.4投药计量设备采用计量加药泵,泵型号JZ-800/10,选用3台,两用一备 2.5石灰投量1) 碱度为15mg/L=0.15mmol/L,市售精制硫酸铝含 AbQ 约16%投量35mg/L , 石灰市售纯度为50%2) 投药量折合 AI 2Q 为35mg/L X 16%=5.6mg/L ,AI 2Q 分子量为102,投药量 相当于 5.6/102=0.055mmol/L ,剩余碱度取 0.385mmol/L ,贝U [CaO]=3 X 0.055-0.15+0.385=0.4mmol/L 。
q 。
W 260t1.5 1000 60 10= 2.5L/sW 3 100024 60 6010 3 1000 24 60 60=0.347 L/sCaO分子量为56,则市售石灰投量为0.4 X 56/0.5=44.8mg/L3. 药剂仓库的计算3.1混凝剂为精制硫酸铝,每袋质量是 40Kg ,每袋规格为0.5m x 0.4m x 0.2m , 投药量为30mg/L ,水厂设计水量为3806.25用。
药剂堆放高度为1.5m ,药 剂储存期为30d 。
3.2设计计算硫酸铝的袋数:2056 0.5 0.4 0.21.5 (1-0.2)药剂仓库与加药间应连在一起,储存量一般按最大投药期间1 -2个月用量计算。
仓库内应设有磅秤,并留有 1.5m 的过道,尽可能考虑汽车运输的方 便,应有良好通风条件,并防止受潮。
4. 加氯间的设计计算4.1 已知参数计算水量 Q=87000X 1.05=91350m/d=3806.25m/h=1.06m /s 预氯化最大投加 量为1.5mg/L ,清水池最大投加量为 1mg/L 。
4.2设计计算预加氯量为.Q L =0.001aQ =0.00仔 1.5X4375 = 6.5625kg/L 清水池加氯量:Q L = 0.001aQ = 0.001 1 4375 = 4.375kg / L为保证氯消毒时的安全和计量正确,采用加氯机投氯,并设校核氯量的计量 设备。
选用LS80-3转子真空加氯机5台,3用2备。
5. 液氯仓库5.1 已知参数水量Q=3806.25 n{/h,预氯化最大投加量为1.5mg/L ,清水池最大投加量为 1mg/L 。
5.2设计计算仓库储备量按15d 最大用量计算,则储备量为M -24 (6.56254.375)3937.5kg选用1t 的氯瓶4个。
Q x 24ut Qut N0.024 - 1000W W 有效堆放面积:0.0243806.25 30 3040 二 2056(袋) NV H(1 -e)2二五、絮凝工艺:栅条絮凝池的设计与计算1、设计参数絮凝池分两组,每组2个,则每个池的设计水量为22837.5m 3/d 絮凝时间:t=12min 絮凝池分三段:前段放密栅条,过栅流速v i 栅=0.25m/s ,竖井平均流速V i 井=0.12m/s 中段放疏栅条,过栅流速▼2栅=2m/s ,竖井平均流速V 2井.=12m/s 末端不放栅条,竖井平均流速 v 井=12m/s每个絮凝池的设计水量: Q=837.5 m 3/d=951.56m 3/h264 m 3/s 絮凝池容积:w=Qt/60=951.56 X 12/60=190.312 m 3絮凝池池深取4.3mA W AH 4.32.6选用栅条选用栅条材料为钢筋混凝土,断面为矩形,厚度为 50mm 宽度为50mm 预制拼装。
2.7竖井内栅条的布置 2.7.1.前段设置密栅后:竖井过水面积:A 水二 Q』264"06m 2W 栅 0.25竖井中栅条面积: A 1栅=2.25-1.06=1.19 m 2 单栅过水断面面积:a 1栅=1.5 X 0.05=0.075 m 22、 计算2.1 2.22.3 絮凝池平面面积A空竺二 44.26m 2 2.4 絮凝池单个竖井的平面面积Q026<2.2m 2v 0.12取竖井长=1.5m,宽B=1.5m单个竖井实际平面面积 f 实=1.5 X 1.5=2.25 m2.5竖井个数n A 44.26 n=f 2.25-19.67 个 取n=20个15 实际过栅流速v 二 ——0264—— 二0.249m/ s2.7.2中段设置疏栅后:竖井中栅条面积: A 2栅=2.25-1.20=1.05 m 2单栅过水断面面积:32栅=1.5 X 0.05=0.075m 2所需栅条数为:M 2 10' =14根 取“^14根 a 2 栅0.075 两边靠池壁各放置栅条1根,中间放置12根,过水缝缝隙数为13个平均过水缝宽S 2 1500 -14 5061.54mm13实际过栅流速v 0264 0.22m/s1.503X0.06152.8絮凝池总高和排泥絮凝池有效水深为 4.3m ,取超高 0.3m ,池底设泥斗及快开排泥阀排泥, 泥斗深度0.60m,池总高H:H=4.3+0.3+0.60=5.2m2.9絮凝池长、宽絮凝池布置如图所示,图中各个 格左下角数字为水流依次流过竖井 的编号顺序,“上” “下”表水竖井隔 墙的开孔位置,上孔上缘在最高水位 以下,下孔下缘与排泥槽齐平,1、 、表示每个竖井中的栅条数,单竖井池壁厚为200mm 竖井过水面积:A 2水 Q-也=1.20m 2V 2栅 0.22所需栅条数为:M A 1栅 a 1栅 1 19上19 =15.87 根0.075取M 1=16根 两边靠池壁各放置栅条1根,中间放置14根, 过水缝缝隙数为15个 平均过水缝宽 S 1 J500 -16 50 = 46.67mm 1.5 15 0.047h —总水头损失,mn —每层栅条的水头损失,mh 2—每个孔洞的水头损失,mE 1 —栅条阻力系数,前段取1.0,中段取0.9 ;E 2 —孔洞阻力系数,取3.0 ;v 1 —竖井过栅流速,m/s ;V 2—各段孔洞流速,m/s竖井隔墙孔洞尺寸 竖井编号 过孔流速v (m/s ) 孔洞面积h (m ) 孔洞尺寸(宽X 咼)1 P 0.30 0.88 1.42 X 0.622 0.30 0.88 1.42 X 0.623 0.27 0.98 1.42 X 0.694 0.24 1.1 1.42 X 0.775 0.22 1.2 1.42 X 0.856 0.20 1.32 1.42 X 0.937 0.19 1.39 1.42 X 0.988 0.19 1.39 1.42 X 0.989 0.18 1.47 1.42 X 1.0410 0.17 1.55 1.42 X 1.0911 0.16 1.65 1.42 X 1.1612 0.15 1.76 1.42 X 1.2413 0.14 1.89 1.42 X 1.3314 0.13 2.03 1.42 X 1.4315 0.12 2.2 1.42 X 1.5516 0.11 2.4 1.42 X 1.6917 0.10 2.64 0.66 X 4.0第一段数据如下:a) 竖井数6个,单个竖井栅条层数3层,共计18层b) E 1=1.0c) 过过栅流速V 1栅=0.25m/sd) 竖井隔墙6个孔洞h =為 h 「' h 2 =18 1 -025 3 (0.32 0.32 0.272 0.242 0.222 0.22) =0.118m2 況 9.81 2 汇 9.81 2.10水头损失h 2 v 1 、1 g 2第二段数据如下:a) 竖井数6个,单个竖井栅条层数2层,共计12层 b) E 1=0.9c) 过过栅流速V 2栅=0.22m/sd) 竖井隔墙6个孔洞— —0.22 3 2 2 2 2 2 2 h 八 m \ h 2 =12 0.9 (0.192 0.192 0.182 0.172 0.162 0.152) 2x9.81 2^9.81 第三段计算数据如下: 水流通过的孔数为52 2 2 2 2 (0.14 0.13 0.12 0.11 0.1 )=0.011m2.11各段停留时间第一段 t=v 〃Q=1.52x 4.3 x 6/0.264=219.886s=3.66min第二段 t=v 2/Q=1.52x 4.3 x 6/0.264=219.886s=3.66min第三段 t=v 3/Q=1.52X 4.3 x 8/0.264=293.182s=4.89min当 T=20°C 时,u=1 x 10-3Pa- s1000 严1 °.055 = 49.5s , 1 10 219.886.1000 严1 0.184 = 49.6s',在 20-70S -1■ 1 10 732.954 间,符合水力计算。