山药质量标准
- 格式:doc
- 大小:29.00 KB
- 文档页数:1
麻山药收购标准麻山药,又称五味子、北五味子、麻仁子等,是一种珍贵的中药材,被广泛应用于中医药领域。
在市场需求稳定增长的背景下,麻山药收购成为了一个备受关注的话题。
然而,由于麻山药的特殊性质,其收购标准也需要严格规范,以确保药材质量和市场安全。
本文将介绍麻山药收购的标准和相关要点。
一、麻山药的品质要求1.外观形态:麻山药为小型灌木,通常高度在30厘米至1.5米之间,整体呈直立生长,枝叶繁茂。
其叶片为硬毛,边缘微细齿状,具有绿色或古铜色。
此外,麻山药的果实也是判断其品质的重要标准之一。
2.干燥度和湿度:麻山药在收获后需要进行干燥处理,以降低含水量。
一般来说,麻山药的湿度应控制在10%以下,否则容易导致霉变和药性降低。
3.无杂质:麻山药在收购前需要经过洗净和处理,以去除附着的杂质和污垢。
同时,收购的麻山药应该没有明显的虫害、霉变和其他生物污染。
二、麻山药的化学成分和质量指标1.主要化学成分:麻山药的主要有效成分为五味子酸、五味子酮和五味子醇。
这些物质对人体具有多种保健和药理作用,如抗氧化、抗炎、降血脂等。
2.质量指标:根据国家药典和相关标准,麻山药的质量应符合以下指标:(1)五味子酸:不少于5%(2)五味子酮:不少于1%(3)五味子醇:不少于1%(4)总糖:不少于25%(5)总灰分:不超过10%(6)含水量:不超过12%(7)重金属残留:符合国家标准限制(8)农药残留:符合国家标准限制三、收购标准的执行和监管1.收购标准的执行:麻山药的收购标准应由专门的麻山药收购企业或机构制定并执行,并以此为依据进行麻山药的收购工作。
企业或机构应严格遵守标准,确保收购的麻山药符合质量要求,并记录相关信息。
2.监管措施:有关政府部门应采取有效措施监管麻山药的收购行为,加强对收购企业或机构的监督检查,并对不符合质量标准的麻山药进行处罚。
同时,政府还应加强对麻山药种植、收获和加工的指导和培训,提高种植和收购环节的质量控制水平。
鲜山药检验报告1. 引言本文是对鲜山药进行的检验报告。
鲜山药是一种常见的食用植物,具有高营养价值和药用功能。
为了确保鲜山药的质量和安全性,本次检验主要针对其营养成分、农药残留和重金属含量进行分析。
2. 检验方法本次鲜山药的检验采用以下方法: - 营养成分分析:使用化学分析方法,包括测定其蛋白质、碳水化合物、脂肪、纤维素、维生素和矿物质的含量。
- 农药残留分析:采用高效液相色谱法(HPLC)进行检测,针对常见的农药进行分析。
- 重金属含量分析:采用原子吸收光谱法(AAS)进行检测,针对常见有害重金属进行分析。
3. 检验结果3.1 营养成分分析结果根据营养成分分析结果显示,鲜山药中各种营养成分的含量如下表所示:营养成分含量(每100克)蛋白质XX克碳水化合物XX克脂肪XX克纤维素XX克维生素C XX毫克钙XX毫克铁XX毫克锌XX毫克钾XX毫克3.2 农药残留分析结果经过农药残留分析,鲜山药中未检测出任何农药残留物。
这表明该批鲜山药在种植过程中未使用农药,符合食品安全标准。
3.3 重金属含量分析结果重金属含量分析结果如下表:重金属含量(mg/kg)铅XX镉XX汞XX镍XX铬XX根据分析结果,鲜山药中重金属含量均未超过国家标准规定的限量值,符合食品安全标准。
4. 结论通过对鲜山药的检验分析,得出以下结论: 1. 鲜山药富含蛋白质、碳水化合物、脂肪、纤维素、维生素C和矿物质等营养成分,具有较高的营养价值。
2. 鲜山药种植过程中未检测出农药残留物,符合食品安全标准。
3. 鲜山药中重金属含量未超过国家标准规定的限量值,符合食品安全标准。
因此,该批鲜山药的质量和安全性得到了保障,适合作为食品和药用品使用。
5. 参考文献在编写本文档时,参考了以下文献和资料: 1. XXX 2. XXX 3. XXX请注意,本报告仅针对检验样品的特定批次,对其他不同批次的鲜山药可能存在差异。
需要对其他批次的鲜山药进行检验时,请重新进行相应的检验分析。
38 种药材商品规格标准根据提供的参考信息,以下是一些常见的中药材商品规格标准:1. 人参:无芦头、须毛、杂质、虫蛀、霉变。
2. 西洋参:无芦头、毛须、杂质、虫蛀、霉变。
3. 党参:无芦头、根尾、焦枯、杂质、虫蛀、霉变。
4. 黄芪:无芦头、空心、黑心、芦头、油条、杂质、虫蛀、霉变。
5. 当归:无芦头、杂质、虫蛀、霉变。
6. 川芎:无芦头、须毛、杂质、虫蛀、霉变。
7. 白芍:无芦头、杂质、虫蛀、霉变。
8. 赤芍:无芦头、杂质、虫蛀、霉变。
9. 丹参:无芦头、空心、黑心、芦头、油条、杂质、虫蛀、霉变。
10. 甘草:无芦头、杂质、虫蛀、霉变。
11. 防风:无芦头、杂质、虫蛀、霉变。
12. 柴胡:无芦头、杂质、虫蛀、霉变。
13. 地黄:无芦头、杂质、虫蛀、霉变。
14. 山药:无芦头、杂质、虫蛀、霉变。
15. 麦冬:无芦头、杂质、虫蛀、霉变。
16. 牡丹皮:无芦头、杂质、虫蛀、霉变。
17. 银杏叶:无杂质、虫蛀、霉变。
18. 黄连:无芦头、杂质、虫蛀、霉变。
19. 黄芩:无芦头、杂质、虫蛀、霉变。
20. 栀子:无芦头、杂质、虫蛀、霉变。
21. 杜仲:无芦头、杂质、虫蛀、霉变。
22. 厚朴:无芦头、杂质、虫蛀、霉变。
23. 附子:无芦头、杂质、虫蛀、霉变。
24. 肉桂:无芦头、杂质、虫蛀、霉变。
25. 花椒:无芦头、杂质、虫蛀、霉变。
26. 干姜:无芦头、杂质、虫蛀、霉变。
27. 木香:无芦头、杂质、虫蛀、霉变。
28. 玄参:无芦头、杂质、虫蛀、霉变。
29. 太子参:无芦头、根尾、焦枯、杂质、虫蛀、霉变。
30. 苦参:无芦头、空心、黑心、芦头、油条、杂质、虫蛀、霉变。
31. 远志:无芦头、杂质、虫蛀、霉变。
32. 石菖蒲:无芦头、杂质、虫蛀、霉变。
33. 茯芩:无芦头、杂质、虫蛀、霉变。
34. 枣仁:无芦头、杂质、虫蛀、霉变。
35. 薏苡仁:无芦头、杂质、虫蛀、霉变。
36. 杏仁:无芦头、杂质、虫蛀、霉变。
山药零余子种苗质量标准
山药零余子种苗质量标准主要包括以下几个方面:
1. 地上部分:零余子种苗的地上部分应具备良好的形态结构,包括茎、叶、花等部分。
茎应直立坚挺,无弯曲、折断等现象;叶片应齐整、绿色,并且无病虫害叶面病斑、干枯等现象;花朵应完整、色泽鲜艳。
2. 地下部分:零余子种苗的地下部分主要是山药的块根,块根应完整无破损、无病虫害。
块根的形状应规整,无异常肿大或畸形现象。
块根的外皮应光滑,无病斑、菌丝等异常现象。
3. 生长状态:零余子种苗应具有较好的生长状态,表现为株高一致、生长旺盛、叶片翠绿、茎干粗壮等特点。
同时,种苗还应无明显的缺苗现象,无部分枯萎或衰弱。
4. 病虫害:零余子种苗应无明显的病虫害现象,即叶面无病斑、蚜虫等,地下部分无病菌丝、病斑、害虫等。
5. 植株数量:零余子种苗按照规定的数量进行提供,且数量准确无误。
6. 认证标识:零余子种苗应有相应的认证标识,如农产品质量认证标志、有机认证标志等,以确保种苗的品质和来源可靠。
以上是山药零余子种苗的基本质量标准,供种植者参考和选择优质种苗。
具体的标准还可以根据实际情况和需求进行调整。
××××××有限公司文件编号:目的建立山药生产工艺规程,使其生产操作规范化、标准化,符合本公司生产实际和GMP 的管理要求,保证生产出的产品质量均一、稳定。
范围山药生产的全过程。
责任质量管理部经理、生产技术部经理、质量控制科长、质量保证科长、监控员、化验员、各工序班长及操作人员内容1 生产处方1.1 产品名称:山药饮片;代码:1.2 产品剂型:中药饮片;规格:片1.3 所用辅料:无一、产品概述1.1 性状:切片者呈类圆形的厚片。
表面类白色或淡黄白色,质脆,易折断,断面类白色,富粉性。
1.2 功能与主治:补脾养胃,生津益肺,补肾涩精。
用于脾虚食少,久泻不止,肺虚喘咳,肾虚遗精,带下,尿频,虚热消渴。
麸炒山药补脾健胃。
用于脾虚食少,泄泻便溏,白带过多。
1.3性味与归经:甘,平。
归脾、肺、肾经。
1.4 用法与用量:15~30g。
1.5 贮藏:置通风干燥处,防蛀。
2 法定制法和依据2.1 法定制法2.1.1 山药:除去杂质,分开大小个,泡润至透,切厚片,干燥。
2.1.2 依据:《中华人民共和国药典》2010年版一部。
二、生产工艺流程图及质控要点2.1 生产工艺流程图三、炮制生产操作过程及工艺技术参数3.1 领料按批生产指令制作领料单,按“领料标准操作规程”到原药材库领取山药原料,领料员、药材库保管员根据领料单的数量领发料,及时填写出库记录和领料记录。
工艺要点:核对品名、批号、数量、检验合格报告单,合格证、物料放行许可证、称量核对。
3.2 净选按《净选岗位标准操作规程》将要挑拣的山药原药材置于挑选工作台上进行净选,除去除去杂质,分开大小个。
生产结束及时填写生产记录,经QA检查合格后与下一步工序交接。
按本岗位“清场标准操作规程”进行清场操作,填写清场记录,并经QA检查签字。
工艺要点①检查净选的中药材,并称量、记录;②净选操作必须按要求分别采用拣选,清除杂质,除去非药用部分,使药材符合净选质量标准要求;③拣选药材应设工作台,工作台表面应平整,不易产生脱落物;⑤净选后药材装合适容器,每件容器均应附有标志,注明药材名称、编号、炮制批号、数量、生产日期、操作者等;⑥经质量检验合格后交下工序。
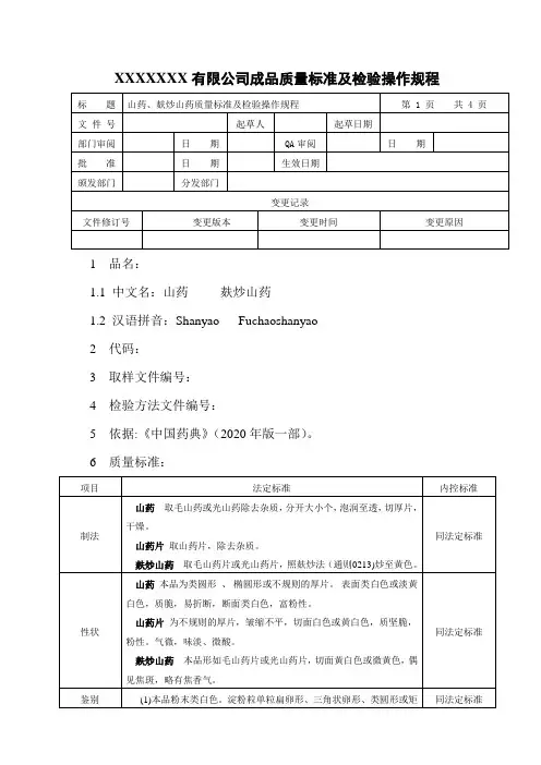
XXXXXXX有限公司成品质量标准及检验操作规程1 品名:1.1 中文名:山药麸炒山药1.2 汉语拼音:Shanyao Fuchaoshanyao2 代码:3 取样文件编号:4 检验方法文件编号:5 依据:《中国药典》(2020年版一部)。
6 质量标准:7 检验操作规程:7.1 试药与试剂:二氯甲烷、水、山药对照药材、乙酸乙酯、甲醇、氨水、磷钼酸、乙醇、氢氧化钠滴定液、甲基红乙醇溶液指示剂。
7.2 仪器与用具:显微镜、干燥箱、马弗炉、回流装置、二氧化硫测定仪。
7.3 性状:取本品适量,自然光下目测色泽,嗅闻气味。
7.4 鉴别:7.4.1取本品制片置10×10显微镜下做显微观察。
7.4.2取本品粉末4g,加乙醇30ml,超声提取30分钟,滤过,滤液蒸干,残渣加乙醇 lml 使溶解,作为供试品溶液。
另取山药对照药材 4g,同法制成对照药材溶液。
照薄层色谱法(通则 0502)试验,吸取上述两种溶液各5μl,分别点于同一硅胶 G 薄层板上,以乙酸乙酯-甲醇-浓氨试液(9 : 1 : 0・5)为开剂,展开,取出,晾干,喷以10%硫酸乙醇溶液,在105℃加热至斑点显色清晰,置紫外光灯(365nm)下检视。
供试品色谱中,在与对照药材色谱相应的位置上,显相同颜色的荧光斑点。
7.5 检查:7.5.1山药:7.5.1.1水分不得过15.5%(附录15第二法)。
7.5.1.2总灰分不得过4.0%(附录17)。
7.5.1.3二氧化硫残留量照二氧化硫残留量测定(附录58)测定,不得过400mg/kg。
7.5.2麸炒山药:7.5.2.1水分不得过11.5%(附录15第二法)。
7.5.2.2总灰分不得过4.0%(附录17)。
7.5.2.3二氧化硫残留量照二氧化硫残留量测定(附录58)测定,不得过400mg/kg。
7.5.3山药片7.5.3.1水分不得过11.5%(附录15第二法)。
7.5.3.2总灰分不得过5.0%(附录17)。
麻山药收购标准
麻山药收购标准是指在收购麻山药时,对麻山药的质量、规格、数量等方面所制定的一系列要求。
这些标准通常由政府部门或相关行业组织制定,以确保麻山药的质量和安全。
以下是一些建议的麻山药收购标准:
1. 外观质量:麻山药应具有完整的表皮,无病虫害、无机械损伤、无腐烂变质现象。
表皮颜色应均匀,无黑斑、白斑等异常现象。
2. 规格尺寸:麻山药的长度、直径和厚度应符合规定的范围。
一般来说,长度在30-50厘米之间,直径在3-5厘米之间,厚度在1-2厘米之间。
3. 重量:麻山药的重量应根据其规格尺寸进行计算,确保每公斤麻山药的数量符合规定。
4. 水分含量:麻山药的水分含量应在规定的范围内,以保证其口感和储存性能。
一般来说,水分含量在70%-80%之间较为适宜。
5. 化学成分:麻山药中的营养成分(如蛋白质、脂肪、碳水化合物、矿物质、维生素等)应符合规定的标准,以保证其营养价值。
6. 农药残留:麻山药中的农药残留量应低于国家规定的安全标准,以保证消费者的食品安全。
7. 储存条件:麻山药在收购时应储存在干燥、通风、阴凉的环境中,避免阳光直射和雨水浸湿。
8. 检验报告:麻山药收购商应提供相关的检验报告,以证明麻
山药符合收购标准。
9. 追溯体系:麻山药收购商应建立完善的追溯体系,以便在出现问题时能够迅速找到原因并采取相应措施。
10. 合同签订:麻山药收购双方应签订购销合同,明确双方的权利和义务,以保障交易的顺利进行。
山药片的执行标准山药片是一种以山药为原料加工而成的食品,具有滋补作用,常用于煲汤、煮粥等。
为了规范山药片的加工和生产,国家制定了相应的执行标准。
下面将从标准内容、制定背景和实施意义等方面进行阐述。
一、标准内容山药片的执行标准主要包括以下内容:1.原料要求:山药片的原料应为新鲜、无病虫害、无腐烂变质的山药,且应采用符合国家相关规定的农药和化肥进行种植。
2.加工工艺:山药片的加工工艺应包括清洗、去皮、切片、干燥、筛选等步骤。
其中,清洗要去除山药表面的泥沙和杂质;去皮要采用科学的方法,避免造成有效成分的损失;切片厚度应均匀,厚度一般在2-3毫米之间;干燥要采用合适的温度和时间,确保山药片水分含量符合标准;筛选要确保山药片的质量和规格符合要求。
3.质量要求:山药片的质量应符合国家相关规定,包括外观、色泽、口感、水分含量、微生物指标等方面。
其中,外观应完整、片形均匀;色泽应呈淡黄色或类白色;口感应细腻、易咀嚼;水分含量应控制在一定范围内;微生物指标应符合国家相关标准。
4.包装要求:山药片的包装应采用密封性好、防潮、避光的材料,并标明产品名称、生产日期、保质期、厂家信息等内容。
5.储存要求:山药片应存放在阴凉、干燥、通风的地方,避免阳光直射和潮湿。
二、制定背景山药片作为一种传统的滋补食品,因其丰富的营养成分和良好的保健作用而受到消费者的喜爱。
然而,在过去的加工和生产过程中,存在一些问题,如原料质量不稳定、加工工艺不规范、产品质量参差不齐等,影响了消费者的健康和消费体验。
因此,制定山药片的执行标准显得尤为重要。
三、实施意义实施山药片的执行标准具有以下意义:1.提高产品质量:通过制定严格的原料要求和加工工艺,可以保证山药片的原料质量更加稳定,加工过程更加规范,从而提高产品的质量和稳定性。
2.保障消费者健康:实施山药片的执行标准可以确保产品的安全性,避免因质量问题带来的安全隐患,保障消费者的健康。
3.提升消费体验:通过制定严格的质量要求和包装要求,可以提升产品的外观和口感,使消费者在食用过程中获得更好的体验。
Rhizoma Dioscoreae Oppositae(山药,Shanyao)Common Yanm RhizomeDescriptionSubcylindrical, curved orsomewhatflattened, 15-30cmlong,1.5-3cmdiameter,externallysmooth,whiteoryellowish-white.Identification(1)Powder:(2)Heatunderreflux5gofthepowderin30mlofdichloromethanefor2hours,filter,evapora tethefiltratetodryness,dissolvetheresiduein1mlofdichloromethane as the test solution. Heatunderreflux 5g of the dioscin30mlofdichloromethanefor2hours,filter,evaporatethefiltratetodryness,dissolvetheres idue in 1ml of dichloromethane as the reference solution. Carry out the method forthin layer chromatography(Appendix VI B), using silica gel Gasthecoatingsubstance andmixture of acetidin,methanol and srong ammonia solution (9:1:CheckingWater contentNot more than16.0% (AppendixIXH,method 1)Total ashNot more than4.0%(AppendixIXK)ExtractivesCarryoutthemethodfordeterminationofwatersolubleextractive(Appen dixXA, themerceration), not less than7.0%.Decocting piecesProcessingRhizomaDioscoreaeOppositaeEliminateforeignmatter,gradeaccording tosize, soak and soften thoroughly, cutinto thick slices,and dry. Subroundthick slices,Externally whitish or pale yellowish-white, Texture fragile, easily broken,fracture whitish and starchy.CheckingTotal ashNot more2.0%.ExtrativesNot more than4.0%The method ofIdentification、Checking(water content) is same like the method ofRhizoma Dioscoreae Oppositae.RhizomaDioscoreaeOppositae(stir-bakedwithbran)Stir-baketheslivesofRhizomaDioscoreaeOppositaeasdescribedunderthemethodforstir-bakingwithbran(AppendixⅡD) to yellow.Looklikedecoctingpieces,externallyyellowish-whiteorslightlyyellow,withoccasional focal spot, odour, scorched.CheckingWater contentNot more than12.0%ExtrativesNot less than4.0%The method ofIdentification、Checking(water content) is same like the method ofRhizoma Dioscoreae Oppositae.ActionandicationsToreplenishthespleenandstomach,promotefluidsecretionandb enefitthelung,andstrengthenthekidneyandrestrainseminaldischarge.Anorexiaandchro nicdiarrheaduediminishedfunctionofthespleen;coughanddyspneaduetodiminishedfun ctionofthelung;seminalemission,excessiveleucorrhea,frequency ofurination or diabetes dueto deficiency of kidney.RhizomaDioscoreaeOppositae(stir-bakedwithbran)Diminishedfunctionofthespleen with anorexia, diarrhea and excessive leucorrhea.Usage and dosage15-30gStoragePreserve in a ventilated and dry place, protected from moth.。
XXXX药业有限公司原料质量标准及检验操作规程1 品名:1.1 中文名:山药1.2 汉语拼音:Shanyao2 代码:3 取样文件编号:4 检验方法文件编号:5 依据:《中国药典》(2015年版第一增补本)。
6 质量标准:7 检验操作规程:7.1 试药与试剂:二氯甲烷、水、山药对照药材、乙酸乙酯、甲醇、氨水、磷钼酸、乙醇、盐酸、淀粉、点滴定液。
7.2 仪器与用具:显微镜、恒温鼓风干燥箱、回流装置。
7.3 性状:取本品适量,自然光下目测色泽,嗅闻气味。
7.4 鉴别:7.4.1取本品制片置10×10显微镜下做显微观察。
7.4.2本品粉末类白色。
淀粉粒单粒扁卵形、三角状卵形、类圆形或矩圆形,直径8~35μm,脐点点状、人字状、十字状或短缝状,可见层纹;复粒稀少,由2~3分粒组成。
草酸钙针晶束存在于黏液细胞中,长约至240μm,针晶粗2~5μm。
具缘纹孔导管、网纹导管、螺纹导管及环纹导管直径12~48μm。
7.4.3取本品粉末5g,加二氯甲烷30ml,加热回流2小时,滤过,滤液蒸干,残渣加二氯甲烷1ml试溶解,作为供试品溶液。
另取山药对照药材5g,同法制成对照药材溶液。
照薄层色谱法(附录7)试验,吸取上述两种溶液各4μl,分别点于同一硅胶G薄层板上,以乙酸乙酯-甲醇-浓氨试液(9 :1 :0.5)为展开剂,展开,取出,晾干,喷以10%磷钼酸乙醇溶液,在105℃加热至斑点显色清晰。
供试品色谱中,在与对照药材色谱相应的位置上,显相同颜色的斑点。
7.5 检查:7.5.1水分:山药和光山药不得过16.0%; 山药片不得过12.0% (附录15第二法)。
7.5.2总灰分:山药和光山药不得过40%; 山药片不得过5.0% (附录17)。
7.6 浸出物:照水溶性浸出物测定法(附录19)项下的冷浸法测定,不得少于7.0%。
7.7 二氧化硫残留量:照二氧化硫残留量测定法(附录58)测定,毛山药和光山药不得过不得过400mg/kg;山药片不得过10mg/kg。
1 目的建立山药及其饮片的质量标准及检验标准操作程序,使山药的“采购、检验、验收、使用、保管”等工作有标准可依。
2 适用范围适于山药及其饮片的采购、检验和复检。
3 责任人山药质量标准及检验标准操作程序的编订、审批及使用人员。
4 物料信息品名:山药汉语拼音:Shanyao拉丁名:DIOSCOREAE RHIZOMA来源:本品为薯蓣科植物薯蓣Dioscorea opposita Thunb.的干燥根茎。
冬季茎叶枯萎后采挖,切去根头,洗净,除去外皮及须根,干燥,或趁鲜切片,干燥;也有选择肥大顺直的干燥山药,置清水中,浸至无心,闷透,切齐两端,用木板搓成圆柱状,晒干,打光,习称“光山药”。
物料代码:见《物料代码表》5 标准依据《中国药典》2010年版第二增补本山药6 山药质量标准项目《中国药典》2010年版第二增补本公司内控质量标准性状本品略呈圆柱形,弯曲而稍扁,长15~30㎝,直径1.5~6㎝。
表面黄白色或淡黄色,有纵沟、纵皱纹及须根痕,偶有浅棕色外皮残留,体重,质坚实,不易折断,断面白色,粉性。
气微,味淡、微酸,嚼之发黏。
光山药呈圆柱形,两端平齐,长9~18㎝,直径1.5~3cm。
表面光滑,白色或黄白色。
本品略呈圆柱形,弯曲而稍扁,长15~30㎝,直径1.5~6㎝。
表面黄白色或淡黄色,有纵沟、纵皱纹及须根痕,偶有浅棕色外皮残留,体重,质坚实,不易折断,断面白色,粉性。
气微,味淡、微酸,嚼之发黏。
光山药呈圆柱形,两端平齐,长9~18㎝,直径1.5~3cm。
表面光滑,白色或黄白色。
鉴别应具规定的微鉴别特征应具规定的微鉴别特征供试品色谱中,在与对照药材色谱相应的位置上,显相同颜色的斑点。
供试品色谱中,在与对照药材色谱相应的位置上,显相同颜色的斑点。
检查水分不得过16.0% 不得过16.0% 总灰分不得过4.0% 不得过4.0%浸出物不得少于7.0% 不得少于7.0%二氧化硫残留量不得超过400mg/kg 不得超过400mg/kg 饮片(除去杂质,分开大小个,泡润至透,切厚片,干燥。
山药中间产品质量标准目的∶建立山药的中间产品内控质量标准,包括来源、主要产地、炮制、性状、检查等内容,提供检验依据,确保中药饮片产品质量。
责任人:文件制订人及所有相关人员。
标准来源∶《中华人民共和国药典》2010年版一部、《河南省中药饮片炮制规范》、《江苏省中药饮片炮制规范》等。
内容∶【产品代码】【产品包装规格】统1kg*10袋【包装形式】纸箱【取样方法】参照ZLSOP000400取样标准操作规程【检验操作规程】参照ZLSOP400400山药中间产品检验标准操作规程【来源】本品为薯蓣科植物薯蓣Dioscorea opposita Thunb.的干燥根茎。
冬季茎叶枯萎后采挖,切去根头,洗净,除去外皮和须根,干燥;或趁鲜切厚片,干燥;也有选择肥大顺直的干燥山药,置清水中,浸至无干心,闷透,切齐两端,用木板搓成圆柱状,晒干,打光,习称“光山药”。
【主要产地】河南省温县、武陟、沁阳、修武等地。
【炮制】山药除去杂质,分开大小个,泡润至透,切厚片,干燥。
【性状】本品呈类圆形的厚片,表面类白色或淡黄白色,质脆,易折断,断面类白色,富粉性。
【鉴别】(1)本品粉末类白色。
淀粉粒单粒扁卵形、三角状卵形,类圆形或矩圆形,直径8~35µm,脐点点状、人字状、十字状或短缝状,可见层纹;复粒稀少,由2~3分粒组成。
草酸钙针晶束存在于黏液细胞中,长约至240µm,针晶粗2~5µm。
具缘纹孔导管、网纹导管、螺纹导管及环纹导管直径12~48µm。
(2)取本品粉末5g,加二氯甲烷30ml,加热回流2小时,滤过,滤液蒸干,残渣加二氯甲烷1ml使溶解,作为供试品溶液。
另取山药对照药材5g,同法制成对照药材溶液。
照薄层色谱法(2010版《中华人民共和国药典》附录Ⅵ B )试验,吸取上述两种溶液各4µl,分别点于同一硅胶G薄层板上,以乙酸乙酯-甲醇-浓氨试液(9∶1∶0.5)为展开剂,展开,取出,晾干,喷以10%磷钼酸乙醇溶液,在105℃加热至斑点显色清晰。
山药中重金属质量评价刘玉荣1,王克亚2,王玉清3(1.河南师范大学化学与环境科学学院,河南新乡453007;2河南大学远程与继续教育学院,河南开封475001;3河南省平舆县第三高级中学,河南平舆463400)摘要用原子吸收法对面山药和怀山药中重金属含量进行测定评价,研究表明,P b、C u超出国家食品卫生标准(属于严重污染级),但符合药品标准;C d虽然没有超标,但从变异系数来看存在着安全隐患。
国家一方面应加大土壤污染治理工作,另一方面应加紧制定中药材中重金属含量标准。
关键词山药;重金属;污染;质量评价;标准中图分类号X53文献标识码 A 文章编号0517-6611(2009)13-06108-02Q u a lity E v a lua t ion o n th e H e a v y M e ta ls in Y amLI U Y u-ron g e t a l(C o lle ge o f C h em istry an d E n v ironm en ta l S cien ce,H en an N o rm a l U n iv er sity,X in x ian g,H en an453007)A b s tra c t U sin g a tom ic abso rp tion spectrom e try,th e con ten t o f h eavy m e ta ls i n yam w as de te rm in ed.P b and C u exce eded th e n a tion a l food san ita tions tan dards(be lon g in gto se r iou s po llu tionlev e l),bu t th ey con fo rm edto th e d ru g s tan da rds.A lth ou gh C d d id n o t e xceedth e s tan dard,th e re w a s h idden sa fe dan ge r fromth e aspect o f va r ia tion coe fficien t.O n on e h an d,th e cou n try sh ou ld stren g th en th e so il po llu tion go ve rnm en t w o rk;O n th e o th er h an d,th e con ten t s tanda rd o f h ea vy m e ta ls sh ou l d be es tab lish ed qu ick ly.K e y w o rd s Y am;H eavy m e ta ls;C on tam in a tion;Q u a lity eva lu a tion;S tan da rd随着生活水平的提高,人们在饮食方面越来越注重营养,并利用自己的中医学知识作指导进行身体调理。
药材山药纵切不合格1. 药材山药的介绍山药,学名薯蓣,是一种常见的药用植物,属于薯蓣科。
它的主要产地是中国南方和东南亚地区,是中国传统的重要药材之一。
山药的主要药用部分是它的块茎,具有补脾益肺、补肾壮阳、健脾养胃等功效。
因此,山药在中医药领域中被广泛应用。
2. 药材山药的加工过程药材山药的加工过程主要包括采集、清洗、切片等环节。
其中,纵切是山药加工的一种常见方式。
纵切是将山药沿着纵向切开,以便更好地释放药效和便于后续加工和使用。
3. 药材山药纵切的不合格情况药材山药纵切的不合格情况主要包括以下几个方面:3.1 大小不一在纵切过程中,山药的大小不一是一个常见的问题。
这可能导致加工后的山药块茎在形状和大小上不统一,给后续的加工和使用带来困扰。
3.2 切面不平整纵切后的山药切面应该是平整的,但在加工过程中,如果操作不当或工具不合适,切面可能会出现凹凸不平的情况。
这不仅影响了山药的外观质量,也可能影响山药的药效和口感。
3.3 切口过大或过小纵切过程中,切口的大小也是一个需要注意的问题。
如果切口太大,可能导致山药块茎的形状变形,影响山药的品质;如果切口太小,可能导致山药的药效无法充分释放。
3.4 切片厚度不一致纵切后的山药应该是均匀的切片,但在加工过程中,切片的厚度可能会不一致。
这不仅影响了山药的外观质量,也可能导致山药在使用时的烹饪效果不一致。
4. 如何改进药材山药纵切的质量为了改进药材山药纵切的质量,可以采取以下措施:4.1 优化加工工艺优化加工工艺是改进药材山药纵切质量的关键。
可以通过调整切片机的刀具和切割速度,选择适当的切割角度,确保切口的平整和大小的一致性。
4.2 严格控制加工环境加工环境的清洁和卫生对于山药纵切质量的影响很大。
加工过程中,应保持加工场所的清洁,避免灰尘和杂质的污染。
同时,操作人员应穿戴干净的工作服,佩戴手套,避免污染山药。
4.3 严格把控加工工具加工工具的选择和使用也对山药纵切的质量有重要影响。