高压开关柜出厂检验报告
- 格式:xls
- 大小:249.50 KB
- 文档页数:5
高压开关柜型式试验报告有效期:开关柜型式高压有效期试验型式检验报告有效期哪些需要型式试验报告型式试验报告几年有效篇一:高低压开关柜型式、试验执行标准高低压开关柜型式试验一、低压交流配电柜1、GGD型交流低压配电柜GGD型交流低压配电柜适用于变电站、发电厂、厂矿企业等电力用户的交流50Hz,额定工作电压380V,额定工作电流1000-3150A 的配电系统,作为动力、照明及发配电设备的电能转换、分配与控制之用。
产品具有分断能力高,动热稳定性好,电气方案灵活、组合方便,系列性,实用性强、结构新颖,防护等级高等特点。
缺点:回路少,单元之间不能任意组合且占地面积大,不能与计算机联。
目前作为普通工厂用低压成套开关设备中低档主流柜型。
执行IEC60439-1《低压成套开关设备和控制设备》、GB7251.1-1997《低压成套开关设备和控制设备》、GB/T14048.1-93 《低压开关设备和控制设备总则》等标准。
产品型号及含义2、GCK低压抽出式开关柜(GCK柜和GCS、MNS柜抽屉推进机构不同)GCK低压抽出式开关柜(以下简称开关柜)由动力配电中心(PC) 柜和电动机控制中心(MCC)两部分组成。
该装置适用于交流50(60)HZ、额定工作电压小于等于660V、额定电流4000A及以下的控配电系统,作为动力配电、电动机控制及照明等配电设备。
具有分断能力高、动热稳定性好、结构先进合理、电气方案灵活、系列性、通用性强、各种方案单元任意组合、一台柜体,容纳的回路数较多、节省占地面积、防护等级高、安全可靠、维修方便等优点。
缺点:水平母线设在柜顶垂直母线没有阻燃型塑料功能板,不能与计算机联络。
执行IEC60439-1《低压成套开关设备和控制设备》、GB7251.1-1997《低压成套开关设备和控制设备》、GB/T14048.1-93 《低压开关设备和控制设备总则》等标准。
产品型号及含义GCK G是封闭式开关柜C是抽出式K是控制中心3、GCS型低压抽出式开关柜(GCS柜只能做单面操作柜,柜深800mm)GCS型低压抽出式开关柜使用于三相交流频率为50Hz,额定工作电压为400V(690V),额定电流为4000A及以下的发、供电系统中的作为动力、配电和电动机集中控制、电容补偿之用。
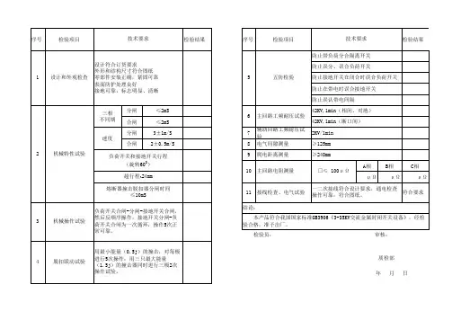
高压开关柜试验报告(完)本报告是对单位工程#5锅炉磨煤机A的KYN18E—12VS1高压开关柜进行试验的结果。
该开关柜安装在6kV配电室Ⅵ,编号为,电压为12kV,电流为1250A,相别为C。
试验日期为07.10.10,制造厂为常熟通用,出厂日期为07.07.在试验过程中,我们对该开关柜的绝缘电阻、耐压、导电回路电阻、触头弹跳时间、分合闸时间、三相触头分合闸不同期性、合闸线圈分闸线圈温度、绝缘电阻、直流电阻、最低动作电压、变流比、测比、铁心之间差、过电压保护器绝缘电阻、工频放电电压、母排二次直流和交流绝缘电阻、母排电流互感器工频耐压等进行了测试和记录。
根据试验结果,我们得出了该高压开关柜的合格结论。
试验负责人为XXX,试验人员包括XXX、XXX、XXX。
五防性能校验正确。
高压开关柜试验报告单位工程#5锅炉给水泵A安装地点:6kV配电室Ⅵ试验日期:07.10柜型号:KYN18E—12铭牌开关型号:VS1操作机构型号:C制造厂:XXX出厂日期:07.07项目:绝缘电阻(MΩ)500/500 直流电阻(Ω)1271/891最低动作电压(V)10LZZBJ9-一次/一次/二次/二次比极编号变流比测比10A2型铁心二次铁心之间差%性Axxxxxxxxxxxxxxxx.560减电绝0.5B流缘级Cxxxxxxxxxxxxxxxx.560减互电感阻Axxxxxxxxxxxxxxxx.560减10P10器MB级ΩCxxxxxxxxxxxxxxxx.560减零序ERLH160Yxxxxxxxxxxxxxxxx0.150减GPT-J-8/18型ABCxxxxxxxx1过电压保护器绝缘电阻(MΩ)2500/2500/2500工频放电电压(KV)15.5/16/15.8母排2500二次直流500绝缘电阻(MΩ)隔离开关二次交流400母排电流互感器工频耐压(KV/min)隔离开关系统耐压(不易分开时)36试验人员:XXX、XXX、XXX内容:绝缘电阻(MΩ)2500/2500/2500开分、合闸状态交流耐压(KV/min)42/42导电回路电阻(uΩ)29/35触头合闸弹跳时间(ms)0.2/0.2分闸时间(ms)29/28合闸时间(ms)54/54三相触头分、合闸不同期性(ms)合闸0.6分闸合闸线圈分闸线圈温度℃操作:42/35/0.3/24/42/0.3结论:试验负责人XXX认为试验结果合格。