三相交流电路实验报告.doc1
- 格式:pdf
- 大小:493.55 KB
- 文档页数:7
三相电路实验报告三相电路实验报告引言:电力是现代社会不可或缺的能源之一,而三相电路作为电力传输和供应的重要方式,具有高效、稳定的特点,被广泛应用于工业和家庭用电。
本实验旨在通过搭建三相电路并进行相关测量,深入了解三相电路的原理和特性。
一、实验目的本实验的主要目的是通过实际操作,掌握三相电路的搭建方法,熟悉三相电路的测量方法,理解三相电路的特性以及相电压和线电压之间的关系。
二、实验仪器与材料1. 三相交流电源2. 电压表3. 电流表4. 电阻箱5. 实验导线三、实验步骤1. 搭建三相电路首先,将三相交流电源与电压表、电流表以及电阻箱连接起来。
确保连接正确无误后,打开电源,使电流通过电路。
2. 测量相电压和线电压使用电压表分别测量三相电路中的相电压和线电压。
记录下每个相电压和线电压的数值。
3. 测量电流使用电流表测量三相电路中的电流。
记录下电流的数值。
4. 计算功率和功率因数根据测得的电压和电流数值,计算三相电路中的功率和功率因数。
功率可以通过电压和电流的乘积得出,功率因数可以通过功率除以视在功率得出。
五、实验结果与分析根据实验测量所得的数据,我们可以得出以下结论:1. 相电压和线电压之间的关系在三相电路中,相电压和线电压之间的关系是根号3。
也就是说,线电压是相电压的根号3倍。
2. 三相电路的功率和功率因数三相电路的功率可以通过电压和电流的乘积得出,而功率因数可以通过功率除以视在功率得出。
功率因数是衡量电路效率的重要指标,它的数值越接近1,表示电路的效率越高。
六、实验总结通过本次实验,我们深入了解了三相电路的原理和特性。
我们学会了搭建三相电路的方法,并掌握了测量相电压、线电压和电流的技巧。
同时,我们还了解到了相电压和线电压之间的关系以及功率和功率因数的计算方法。
三相电路作为一种高效、稳定的电力传输和供应方式,在工业和家庭用电中有着广泛的应用。
通过深入学习和实践,我们可以更好地理解和应用三相电路,为电力传输和供应提供更可靠、高效的解决方案。
中国石油大学(华东)现代远程教育实验报告课程名称:电工电子学实验名称:三相交流电路实验形式:在线模拟+现场实践提交形式:在线提交实验报告学生姓名:学年级专业层次:提交时间:2017 年10 月25 日一、实验目的1. 练习三相交流电路中负载的星形接法。
2. 了解三相四线制中线的作用二、实验原理1. 对称三相电路中线、相电压和线、相电流的关系,三相电路中,负载的连接分为星形连接和三角形连接两种。
一般认为电源提供的是对称三相电压。
(1)星形连接的负载如图1所示:图1 星形连接的三相电路A、B、C表示电源端,N为电源的中性点(简称中点),N' 为负载的中性点。
无论是三线制或四线制,流过每一相负载的相电流恒等于与之相连的端线中的线电流:(下标I表示线的变量,下标p表示相的变量)在四线制情况下,中线电流等于三个线电流的相量之和,即端线之间的电位差(即线电压)和每一相负载的相电压之间有下列关系:当三相电路对称时,线、相电压和线、相电流都对称,中线电流等于零,而线、相电压满足:(2)三角形连接的负载如图2所示:其特点是相电压等于线电压:线电流和相电流之间的关系如下:当三相电路对称时,线、相电压和线、相电流都对称,此时线、相电流满足:2.不对称三相电路在三相三线制星形连接的电路中,若负载不对称,电源中点和负载中点的电位不再相等,称为中点位移,此时负载端各相电压将不对称,电流和线电压也不对称。
在三相四线制星形连接的电路中,如果中线的阻抗足够小,那么负载端各相电压基本对称,线电压也基本对称,从而可看出中线在负载不对称时起到了很重要的作用。
但由于负载不对称,因此电流是不对称的三相电流,这时的中线电流将不再为零。
在三角形连接的电路中,如果负载不对称,负载的线、相电压仍然对称,但线、相电流不再对称。
如果三相电路其中一相或两相开路也属于不对称情况。
3.三相负载接线原则连接后加在每相负载上的电压应等于其额定值。
三、实验设备1.灯箱一个(灯泡,220V,25W)(DG04-S)2.交流电压表一个(300V,600V)(DG053)3.交流电流表一个(5A、10A)(DG053)四、实验内容及步骤1.本实验采用线电压为220V的三相交流电源。
实验一一、实验名称三相电路不同连接方法的测量二、实验目的:1. 理解三相电路中线电压与相电压、线电流与相电流之间的关系。
2. 掌握三相电路的正确连接方法与测量方法。
三、实验原理1.三相电路三相电路在生产上应用最为广泛,发电和输配电一般都采用三相制。
在用电方面,许多负载是三相的或连接成三相形式的,如三相交流电动机。
三相电路是由三相电源供电的电路。
三个频率相同且随时间按正弦函数变换的电动势,如果每相电动势的振幅相等,相位依次相差120º,则称为三相电动势。
产生对称三相电动势且各阻抗相等的电源称为对称电源。
当三相电动势的相序依次为U相、V相和W相时,称为正序或顺序,反之称为负序或逆序。
本实验在三相电源的相序为正序的情况下进行测量。
三相电源由DDSZ-1型实验台台面左侧的DD01三相调压交流电源提供。
如下图所示。
在三相电路中,负载一般也是三相的,即由三个部分组成,每一部分称为一个相。
如三相负载各相阻抗值相同,则称为对称三相负载。
三相负载有两种连接方式:星形联结和三角形联结。
在三相电路中,电源或负载各相的电压称为相电压,端线之间的电压称为线电压;流过电源或负载各相的电流称为相电流,流过各端线的电流称为线电流。
星形联结时,各相电压源的负极连在一起称为三相电源的中性点或零点。
各相负载的一端接在一起称为负载的中性点或零点。
电源的中性点与负载中性点的连线称为中性线或零线。
流过中性线的电流称为中性线电流。
2.三相负载的星形联结(三相四线制)3.三相负载的三角形联结ou负载为三角形联结时,线电压等于相电压。
当电源与负载对称时,线电流和相电流在数值上的关系为L PI 。
四、实验设备1.DDSZ-1型电机及电气技术实验装置2.D42三相可调电阻器3.D33交流电压表4.D32交流电流表五、实验内容与步骤1. 组接实验电路;2. 三相四线制,三相负载为星形联结时,分别测量线电压、相电压、线电流、相电流,记录实验数据。
竭诚为您提供优质文档/双击可除三相交流电路的实验报告篇一:电路基础实验报告三相电路实验报告实验六三相交流电路实验一、实验目的1、学会负载的星形和三角形连接法。
2、验证对称负载作星形和三角形连接时,相电压和线电压及相电流和线电流的关系。
3、了解非对称负载作星形连接时,中线的作用。
二、实验设备电工电子电力拖动实验装置,型号:Th-DT。
三、实验原理1、三相负载的星形连接对有中线的星形连接,不论负载是否对称,其线电压与相电压有uL=up。
若没有中线,在对称负载的情况下,上面关系式不变;若负载不对称,则上式不成立,此时三个电压将是不等的。
2、三相负载的三角形接法三相负载的三角形接法的特点为:在对称负载的情况下有uL=up,IL=3Ip;在不对称负载的情况下电压关系式仍然成立,电流关系式则不成立。
表6-1三角形连接各电压、电流关系四、实验内容1、负载星形连接的测量按图6-1连接电路,分别测量对称负载(ux端、VY端和wZ端都接两个灯泡)和非对称负载(ux端、VY端接两个灯泡,wZ端接一个灯泡)的相电压(uu、uv、uw)线电压(uuv、uvw、uwu)、相电流(Iuv、Ivw、Iwv)、线电流(Iu、Iv、Iw)、中线电流(有中线时)u0,记录于表6-2中图6-1三相交流负载电路的星形连接2、负载三角形连接的测量按图6-2连接电路,分别测试线电压、相电压(uuv、uvw、uwu)、线电流(Iu、Iv、Iw)和相电流(Iuv、Ivw、Iwu),将测量数据记录于表6-3中。
图6-2三相交流负载电路的三角形连接五、数据处理与分析表6-4表6-5数据分析:由表6-4可知,uL/up的值在星形电路中对称时有中线(不论中线有无阻抗)、无中线和非对称时有中线(中线无阻抗)近似等于1.732,非对称无中线时uL/up的值不等于1.732。
线电流都等于相电流。
中线电压在对称有无中线时以及非对称有中线(中线无阻抗)时等于0,在非对称无中线时不等于0。
三相交流电路及其功率测量实验报告一、实验目的1、深入理解三相交流电路的基本原理和特性。
2、掌握三相电源和负载的连接方式。
3、学会使用功率表测量三相电路的有功功率、无功功率和视在功率。
二、实验原理三相交流电路是由三个频率相同、幅值相等、相位互差 120°的正弦交流电源供电的电路。
在三相电路中,电源和负载的连接方式有星形(Y 形)和三角形(△形)两种。
在星形连接中,三相电源的三个末端连接在一起形成一个中性点,三相负载的一端分别连接到电源的三个相线,另一端连接在一起接到中性点。
在三角形连接中,三相电源的三个相线分别与三相负载依次首尾相连,构成一个闭合回路。
三相电路的功率包括有功功率、无功功率和视在功率。
有功功率是电路中实际消耗的功率,无功功率是用于交换的功率,视在功率是电压和电流的乘积。
三、实验设备1、三相交流电源2、三相负载箱(包括星形和三角形连接的电阻、电感和电容负载)3、功率表4、电压表5、电流表6、导线若干四、实验内容与步骤1、三相电源的星形连接将三相交流电源的三个相线分别连接到负载箱的三个输入端,将负载箱设置为星形连接。
接通电源,使用电压表测量三相电源的线电压和相电压,使用电流表测量线电流和相电流,并记录数据。
2、三相电源的三角形连接将三相交流电源的三个相线与负载箱进行三角形连接。
接通电源,再次测量线电压、相电压、线电流和相电流,并记录数据。
3、功率测量在星形和三角形连接的情况下,分别使用功率表测量三相电路的有功功率、无功功率和视在功率,并记录数据。
五、实验数据记录与处理1、三相电源星形连接时的测量数据|测量项目|数值|||||线电压(V)| UAB =_____, UBC =_____, UCA =_____ ||相电压(V)| UA =_____, UB =_____, UC =_____ ||线电流(A)| IA =_____, IB =_____, IC =_____ ||相电流(A)| IAN =_____, IBN =_____, ICN =_____ ||有功功率(W)| P =_____ ||无功功率(Var)| Q =_____ ||视在功率(VA)| S =_____ |2、三相电源三角形连接时的测量数据|测量项目|数值|||||线电压(V)| UAB =_____, UBC =_____, UCA =_____ ||相电压(V)| UA =_____, UB =_____, UC =_____ ||线电流(A)| IA =_____, IB =_____, IC =_____ ||相电流(A)| IAB =_____, IBC =_____, ICA =_____ ||有功功率(W)| P =_____ ||无功功率(Var)| Q =_____ ||视在功率(VA)| S =_____ |根据测量数据,计算三相电路的功率因数:功率因数=有功功率/视在功率六、实验结果分析1、比较星形连接和三角形连接时的线电压、相电压、线电流和相电流的关系。
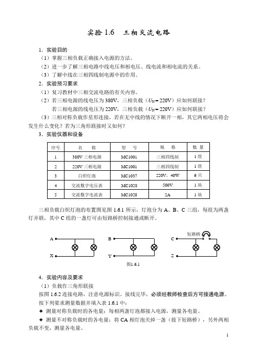
实验1.6 三相交流电路1.实验目的(1)掌握三相负载正确接入电源的方法。
(2)进一步了解三相电路中线电压和相电压、线电流和相电流的关系。
(3)了解中线在三相四线制电源中的作用。
2.实验预习要求(1)复习教材中三相交流电路的有关内容。
(2)若三相电源的线电压为380V,三相负载(U N = 220V)应如何联接?若三相电源的线电压为220V,三相负载(U N = 220V)应如何联接?(3)三相对称负载作星形连接,若在无中线的情况下断开一相,其它两相电压将会发生什么变化?若为三角形联接时又如何?3.实验仪器和设备三相负载白炽灯泡的布置图见图1.6.1所示,灯泡分为A、B、C三组,每组为两盏灯并联,其中C组的一盏灯可由短路桥控制接通或断开。
4.实验内容及要求(1)负载作三角形联接按图1.6.2连接电路,注意电源标识。
接线完毕,必须经教师检查后方可接通电源。
按下列要求测量数据并填入表1.6.1中:→测量对称负载时的各电量:每相两盏灯泡都接入电源,测量各电量。
→测量不对称负载时的各电量:将CA相灯泡关掉一盏(拔下短路桥),另外两相负载不变,测量各电量。
B图1.6.112(2)负载作星形联接将三相灯泡负载作星形联接(见图1.6.3)。
接好线后,必须经教师检查无误方可通电。
按以下要求测量数据并填入表1.6.2中。
380V N图1.6.3图1.6.2(b )连线图L1L2 L3~220V220V~ (a )原理图L1L2L3→测量对称负载、有中线和无中线时的各电量。
对称负载:即为每相两盏灯泡均接入。
→测量不对称负载、有中线和无中线时的各电量。
不对称负载:即将C相负载的灯泡改为一盏,其它两相负载不变。
注意:a) 在负载侧测量各相电压的有效值。
b)在负载不对称、断开中线时,由于各相电压不平衡,某相负载上的电压超过其额定值,故不应将中线断开时间过长,测量完毕应立即接通中线或断开电源。
(3)测量三相四线制电源的相电压和线电压将实验线路拆除,直接测量两组三相电源线电压和相电压的数值,填入表1.6.3中。
中国石油大学(华东)现代远程教育实验报告课程名称:电工电子学实验名称:三相交流电路实验形式:在线模拟+现场实践提交形式:在线提交实验报告学生姓名:学号:年级专业层次:学习中心:提交时间:年月日一、实验目的1. 练习三相交流电路中负载的星形接法。
2. 了解三相四线制中线的作用。
二、实验原理1. 对称三相电路中线、相电压和线、相电流的关系,三相电路中,负载的连接分为星形连接和三角形连接两种。
一般认为电源提供的是对称三相电压。
(1)星形连接的负载如图1所示:图1 星形连接的三相电路A、B、C表示电源端,N为电源的中性点(简称中点),N' 为负载的中性点。
无论是三线制或四线制,流过每一相负载的相电流恒等于与之相连的端线中的线电流:(下标I表示线的变量,下标p表示相的变量)在四线制情况下,中线电流等于三个线电流的相量之和,即端线之间的电位差(即线电压)和每一相负载的相电压之间有下列关系:当三相电路对称时,线、相电压和线、相电流都对称,中线电流等于零,而线、相电压满足:(2)三角形连接的负载如图2所示:其特点是相电压等于线电压:线电流和相电流之间的关系如下:当三相电路对称时,线、相电压和线、相电流都对称,此时线、相电流满足:2.不对称三相电路在三相三线制星形连接的电路中,若负载不对称,电源中点和负载中点的电位不再相等,称为中点位移,此时负载端各相电压将不对称,电流和线电压也不对称。
在三相四线制星形连接的电路中,如果中线的阻抗足够小,那么负载端各相电压基本对称,线电压也基本对称,从而可看出中线在负载不对称时起到了很重要的作用。
但由于负载不对称,因此电流是不对称的三相电流,这时的中线电流将不再为零。
在三角形连接的电路中,如果负载不对称,负载的线、相电压仍然对称,但线、相电流不再对称。
如果三相电路其中一相或两相开路也属于不对称情况。
3.三相负载接线原则连接后加在每相负载上的电压应等于其额定值。
三、实验设备1.灯箱一个(灯泡,220V,25W)(DG04-S) 2.交流电压表一个(300V,600V)(DG053) 3.交流电流表一个(5A、10A)(DG053)四、实验内容及步骤1.本实验采用线电压为220V的三相交流电源。
三相电路实验报告一、实验目的1. 了解三相电路的基本组成和原理。
2. 学习三相电压、电流的测量方法。
3. 掌握三相功率的测量和计算。
4. 分析三相电路的不对称性及其影响。
二、实验原理三相电路是由三根相位差为120度的单相电路组成的。
在三相电路中,电压和电流都有幅值、频率和相位的变化。
通过对三相电压、电流的测量,可以研究三相电路的基本特性和对称性。
三、实验步骤1. 搭建三相电路:使用电源、电阻器、电容器等搭建一个简单的三相电路。
确保每根导线都连接正确,避免短路或断路。
2. 测量三相电压:使用电压表测量三根火线之间的电压,记录测量值。
注意观察电压的幅值和相位差。
3. 测量三相电流:将电流表串入每根相线中,测量电流值。
观察电流的幅值和相位差。
4. 计算三相功率:根据测量的电压和电流值,计算三相功率。
注意分析功率是否平衡。
5. 分析不对称性:如果三相电压或电流不对称,分析产生不对称的原因及其对电路的影响。
四、实验结果与分析请在此插入表格,展示实验测量的电压、电流值以及计算的三相功率。
分析实验结果,讨论三相电路的不对称性及其影响。
五、结论通过本次实验,我们了解了三相电路的基本组成和原理,学习了三相电压、电流的测量方法以及三相功率的计算方法。
实验结果显示,当三相电路对称时,各相电压、电流的幅值相等,相位差为120度。
此时,三相功率平衡。
当三相电路不对称时,各相电压、电流的幅值和相位差发生变化,导致三相功率不平衡。
不对称性可能由电源电压不平衡、线路阻抗不对称或负载不对称等原因引起。
在实际应用中,应采取措施减小不对称性对三相电路的影响,以保证设备的正常运行和电力系统的稳定性。
实验报告课程名称:电工电子学指导老师:张伯尧成绩:___ _实验名称:三相交流电路一、实验目的和要求二、实验设备三、实验内容四、实验结果五、心得一、实验目的一、实验目的1.学习三相交流电路中三相负载的连接。
2.了解三相四线制中线的作用。
3. 掌握三相电路功率的测量方法。
二、主要仪器设备1. 实验电路板2. 三相交流电源(220V)3. 交流电压表或万用表4. 交流电流表5. 功率表6. 单掷刀开关7. 电流插头、插座三、实验内容1. 三相负载星形联结按图1接线,图中每相负载采用三只白炽灯,电源线电压为220V。
图11)测量三相四线制电源各电压(注意线电压和相电压的关系)。
UUV/V UVN/V UWU/V UUN/V UVN/V UWN/V 217.0218.0217.0127.0127.0127.3表12)按表2内容完成各项测量,并观察实验中各电灯的亮度。
表中对称负载时为每相开亮三只灯;不对称负载时为U相开亮1只灯,V 相开亮2只灯,W相开亮3只灯。
测量值负载情况相电压相电流中线电流中点电压UUN’/VUVN’/VUWN’/VIU/AIV/AIW/AIN/A UN’N/V 对有中1241241240.20.20.200称负载线636365无中线126.1126.8126.50.2630.2630.2660 1.1不对称负载有中线1241251240.0920.1760.2660.1560无中线168144770.1050.1880.216051.9表22. 三相负载三角形联结按图2接线。
测量功率时可用一只功率表借助电流插头和插座实现一表两用,具体接法见图3所示。
接好实验电路后,按表3内容完成各项测量,并观察实验中电灯的亮度。
表3中对称负载和不对称负载的开灯要求与表2中相同。
三相负载三角形联结记录数据表3四、实验总结1.根据实验数据,总结对称负载星形联结时相电压和线电压之间的数值关系,以及三角形联结时相电流和线电流之间的数值关系。
实验报告课程名称:电工电子学实验名称:三相交流电路实验形式:在线模拟+现场实践提交形式:在线提交实验报告学生姓名:学号:年级专业层次:学习中心:提交时间: 2013 年 6 月 23 日2. 了解三相四线制中线的作用。
二、实验原理1. 对称三相电路中线、相电压和线、相电流的关系,三相电路中,负载的连接分为星形连接和三角形连接两种。
一般认为电源提供的是对称三相电压。
(1)星形连接的负载如图1所示:图1 星形连接的三相电路A、B、C表示电源端,N为电源的中性点(简称中点),N' 为负载的中性点。
无论是三线制或四线制,流过每一相负载的相电流恒等于与之相连的端线中的线电流:(下标I表示线的变量,下标p表示相的变量)在四线制情况下,中线电流等于三个线电流的相量之和,即端线之间的电位差(即线电压)和每一相负载的相电压之间有下列关系:当三相电路对称时,线、相电压和线、相电流都对称,中线电流等于零,而线、相电压满足:(2)三角形连接的负载如图2所示:其特点是相电压等于线电压:线电流和相电流之间的关系如下:当三相电路对称时,线、相电压和线、相电流都对称,此时线、相电流满足:2.不对称三相电路在三相三线制星形连接的电路中,若负载不对称,电源中点和负载中点的电位不再相等,称为中点位移,此时负载端各相电压将不对称,电流和线电压也不对称。
在三相四线制星形连接的电路中,如果中线的阻抗足够小,那么负载端各相电压基本对称,线电压也基本对称,从而可看出中线在负载不对称时起到了很重要的作用。
但由于负载不对称,因此电流是不对称的三相电流,这时的中线电流将不再为零。
在三角形连接的电路中,如果负载不对称,负载的线、相电压仍然对称,但线、相电流不再对称。
如果三相电路其中一相或两相开路也属于不对称情况。
3.三相负载接线原则连接后加在每相负载上的电压应等于其额定值。
三、实验设备1.灯箱一个(灯泡,220V,25W)(DG04-S)2.交流电压表一个(300V,600V)(DG053)3.交流电流表一个(5A、10A)(DG053)四、实验内容及步骤1.本实验采用线电压为220V的三相交流电源。
三相交流电路电压、电流的测量实验报告三相交流电路是指由三个单相交流电源组成的电路。
三相交流电路中,每个交流电源的电压和电流都是正弦波形的,且相位差为120度。
因此,在三相交流电路中,任意两个电源之间的电压和电流都有120度的相位差。
实验步骤:1、将三相电源接通电源,将万用表的电压档位调至交流电压档位。
2、将万用表的探头分别接到三相电路的三个相位上,并记录下每个相位的电压值。
3、将电阻箱接在三相电路中,通过改变电阻值,测量电路中的电流值,并记录下来。
4、根据测量结果,计算出三相电路中的各项参数,例如线电压、相电压、线电流、相电流、有功功率、无功功率等。
实验结果:通过实验测量,得到三相电路中各项参数的测量值如下:相位电压(V)电流(A)A相 220 1.5B相 220 1.6C相 220 1.4根据测量结果,计算出三相电路中的各项参数如下:线电压:Uab=Ubc=Uca=220V;相电压:Ua=Ub=Uc=220V;线电流:Iab=1.5A,Ibc=1.6A,Ica=1.4A;相电流:Ia=Ib=Ic=1.5A;有功功率:P=3VIcosφ=3×220×1.5×cos(φ)=891W;无功功率:Q=3VIsinφ=3×220×1.5×sin(φ)=728.6VAr;视在功率:S=3VI=3×220×1.5=990VA;功率因数:cosφ=P/S=891/990=0.9。
实验结论:通过实验测量和计算,得到了三相交流电路中各项参数的值,掌握了三相交流电路的测量方法和计算方法。
同时,也了解了三相交流电路中电压、电流的相位关系,这对于电力工程和电气设备的设计和运行具有重要意义。
三相交流电路电压、电流的测量实验报告实验目的:通过实验,掌握三相交流电路中电压、电流的测量方法,理解三相电路的基本工作原理。
实验原理:三相交流电路中,电压和电流都是由三个正弦波组成,相互之间相位差为120度。
因此,电压和电流的测量需要考虑相位差。
电压测量方法:在三相电路中,我们需要测量线电压和相电压。
线电压测量:将电压表连接在两个相线之间,测出的电压值即为线电压。
相电压测量:将电压表的两个测量针分别连接到一条相线和中性线上,测出的电压值即为该相的相电压。
电流测量方法:在三相电路中,我们需要测量线电流和相电流。
线电流测量:通过将电流表连接在两个相线之间,测出的电流值即为线电流。
相电流测量:通过将电流表的两个测量针分别连接到一条相线和中性线上,测出的电流值即为该相的相电流。
实验过程:1. 将三相电路连接好,包括电源、三相电机和负载。
2. 选择合适的电压表和电流表,并将它们连接好。
3. 分别测量线电压、相电压、线电流和相电流,并记录测量值。
4. 根据测量值,计算出三相电路的平均功率和功率因数。
5. 分析测量结果,理解三相电路的工作原理。
实验结果:线电压:405V相电压:234V线电流:3.5A相电流:2.0A平均功率:2.4kW功率因数:0.86实验结论:通过实验,我们成功地测量了三相电路中的电压和电流,并计算出了三相电路的平均功率和功率因数。
实验结果表明,三相电路中电压和电流之间的相位差为120度,平均功率和功率因数的计算需要考虑相位差的影响。
同时,我们也更加深入地理解了三相电路的基本工作原理。
三相交流电路功率的测量实验报告一、实验目的1、掌握三相交流电路中有功功率和无功功率的测量方法。
2、理解三相电路中功率的平衡关系。
3、熟悉功率表的使用方法和接线原理。
二、实验原理在三相交流电路中,总功率等于各相功率之和。
三相电路的功率分为有功功率、无功功率和视在功率。
有功功率是电路中实际消耗的功率,单位为瓦特(W),其计算公式为:\P =\sqrt{3} U_{L} I_{L} \cos\varphi\其中,\(U_{L}\)为线电压,\(I_{L}\)为线电流,\(\cos\varphi\)为功率因数。
无功功率用于衡量电路中电感和电容元件与电源之间能量交换的规模,单位为乏(Var),其计算公式为:\Q =\sqrt{3} U_{L} I_{L} \sin\varphi\视在功率是电路中电压与电流的乘积,单位为伏安(VA),其计算公式为:\S =\sqrt{3} U_{L} I_{L}\在三相四线制电路中,可以通过测量各相的有功功率,然后相加得到三相总功率;在三相三线制电路中,通常采用二瓦计法测量三相功率。
三、实验设备1、三相交流电源2、三相负载(灯泡、电感、电容等)3、功率表(两个)4、电压表5、电流表6、连接导线若干四、实验步骤1、按实验电路图连接线路,检查无误后接通电源。
2、测量三相四线制电路的功率将三相负载接成星形连接,分别测量各相的电压、电流和有功功率。
计算三相总功率,并与各相功率之和进行比较,验证功率平衡关系。
3、测量三相三线制电路的功率将三相负载接成三角形连接,采用二瓦计法测量线电压、线电流和两个功率表的读数。
计算三相总功率,验证功率平衡关系。
五、实验数据及处理1、三相四线制星形连接负载实验数据|相序|电压(V)|电流(A)|功率(W)||||||| A 相|_____ |_____ |_____ || B 相|_____ |_____ |_____ || C 相|_____ |_____ |_____ |三相总功率:_____各相功率之和:_____2、三相三线制三角形连接负载实验数据|功率表 1 |功率表 2 |线电压(V)|线电流(A)|||||||读数(W)|读数(W)|_____ |_____ |三相总功率:_____六、实验结果分析1、在三相四线制星形连接电路中,通过测量各相功率并相加,与计算得到的三相总功率相比较,两者基本相等,验证了功率平衡关系。
竭诚为您提供优质文档/双击可除三相交流电路的实验报告篇一:电路基础实验报告三相电路实验报告实验六三相交流电路实验一、实验目的1、学会负载的星形和三角形连接法。
2、验证对称负载作星形和三角形连接时,相电压和线电压及相电流和线电流的关系。
3、了解非对称负载作星形连接时,中线的作用。
二、实验设备电工电子电力拖动实验装置,型号:Th-DT。
三、实验原理1、三相负载的星形连接对有中线的星形连接,不论负载是否对称,其线电压与相电压有uL=up。
若没有中线,在对称负载的情况下,上面关系式不变;若负载不对称,则上式不成立,此时三个电压将是不等的。
2、三相负载的三角形接法三相负载的三角形接法的特点为:在对称负载的情况下有uL=up,IL=3Ip;在不对称负载的情况下电压关系式仍然成立,电流关系式则不成立。
表6-1三角形连接各电压、电流关系四、实验内容1、负载星形连接的测量按图6-1连接电路,分别测量对称负载(ux端、VY端和wZ端都接两个灯泡)和非对称负载(ux端、VY端接两个灯泡,wZ端接一个灯泡)的相电压(uu、uv、uw)线电压(uuv、uvw、uwu)、相电流(Iuv、Ivw、Iwv)、线电流(Iu、Iv、Iw)、中线电流(有中线时)u0,记录于表6-2中图6-1三相交流负载电路的星形连接2、负载三角形连接的测量按图6-2连接电路,分别测试线电压、相电压(uuv、uvw、uwu)、线电流(Iu、Iv、Iw)和相电流(Iuv、Ivw、Iwu),将测量数据记录于表6-3中。
图6-2三相交流负载电路的三角形连接五、数据处理与分析表6-4表6-5数据分析:由表6-4可知,uL/up的值在星形电路中对称时有中线(不论中线有无阻抗)、无中线和非对称时有中线(中线无阻抗)近似等于1.732,非对称无中线时uL/up的值不等于1.732。
线电流都等于相电流。
中线电压在对称有无中线时以及非对称有中线(中线无阻抗)时等于0,在非对称无中线时不等于0。
三相交流电路电压实验报告一、实验目的1.理解三相电路中线电压与相电压、线电流与相电流之间的关系。
2.掌握三相负载作星形联接、三角形联接的方法。
3.充分理解三相四线供电系统中中线的作用。
二、实验原理1.对称三相电路中线、相电压和线、相电流的关系,三相电路中,负载的连接分为星形连接和三角形连接两种。
一般认为电源提供的是对称三相电压。
(1)星形连接的负载如图1所示:A、B、C表示电源端,N为电源的中性点(简称中点),N'为负载的中性点。
无论是三线制或四线制,流过每一相负载的相电流恒等于与之相连的端线中的线电流:(下标I表示线的变量,下标p表示相的变量)在四线制情况下,中线电流等于三个线电流的相量之和,即端线之间的电位差(即线电压)和每一相负载的相电压之间有下列关系:当三相电路对称时,线、相电压和线、相电流都对称,中线电流等于零,而线、相电压满足:(2)三角形连接的负载如图2所示:其特点是相电压等于线电压:线电流和相电流之间的关系如下:当三相电路对称时,线、相电压和线、相电流都对称,此时线、相电流满足:2.不对称三相电路在三相三线制星形连接的电路中,若负载不对称,电源中点和负载中点的电位不再相等,称为中点位移,此时负载端各相电压将不对称,电流和线电压也不对称。
在三相四线制星形连接的电路中,如果中线的阻抗足够小,那么负载端各相电压基本对称,线电压也基本对称,从而可看出中线在负载不对称时起到了很重要的作用。
但由于负载不对称,因此电流是不对称的三相电流,这时的中线电流将不再为零。
在三角形连接的电路中,如果负载不对称,负载的线、相电压仍然对称,但线、相电流不再对称。
如果三相电路其中一相或两相开路也属于不对称情况。
3.三相负载接线原则连接后加在每相负载上的电压应等于其额定值。
三、实验设备1.灯箱一个(灯泡,220V,25W)(DG04-S)2.交流电压表一个(300V,600V)(DG053)3.交流电流表一个(5A、10A)(DG053)四、实验内容及步骤1.本实验采用线电压为220V的三相交流电源。