卷烟纸的生产工艺
- 格式:doc
- 大小:52.50 KB
- 文档页数:2
造纸法烟草薄片的工艺流程和设备概述说明以及解释1. 引言1.1 概述造纸法烟草薄片是一种常见的烟草制品,具有良好的烟雾生成性能,因此在香烟等卷烟产品中得到广泛应用。
该工艺流程和设备是指将烟叶经过特定的处理过程,加工成薄而均匀的烟草薄片的方法和设备。
1.2 文章结构本文将分为五个部分进行论述。
首先,在引言部分概述造纸法烟草薄片的背景和意义;然后,介绍该工艺流程的具体步骤,并对各个步骤进行详细说明;接下来,对相关设备进行说明,并介绍其功能和作用;然后,对整个工艺流程进行解释,解析其中涉及到的化学、物理等原理;最后,在结论部分总结全文并展望未来可能的改进方向。
1.3 目的本文旨在全面概述造纸法烟草薄片的工艺流程和设备,以帮助读者了解该行业内这一领域现有技术方案。
通过对各个部分的详细描述和解释,读者可以掌握制备烟草薄片所需的关键步骤和设备要求,深入理解该工艺的原理和优点,并为进一步研究和改进提供参考。
以上是“1. 引言”部分的内容描述。
在这个部分中,我们简要概述了造纸法烟草薄片的背景和意义,介绍了文章的整体结构,并阐明了本文旨在帮助读者了解该领域技术方案。
接下来,我们将深入探讨该工艺流程、设备说明、工艺解释以及最终的结论。
2. 工艺流程工艺流程是指将烟草原料转化为造纸法烟草薄片的一系列操作步骤。
下面将详细介绍造纸法烟草薄片的工艺流程。
2.1 烟草处理在烟草加工过程中,需要先对烟草进行处理以去除杂质并提高其可加工性。
首先,通过手工或机械方法从烟叶中手工或机械选取优质的叶片,并去除杂质和异常颜色的部分。
然后采用水洗、除尘等处理方式进一步清洁烟叶。
接下来,利用气温恒定、湿度适宜的环境下对烟叶进行发酵,以改变其口感并增强香气。
2.2 破碎和切割经过处理后的烟叶需要被粉碎成细小颗粒以便后续操作。
这一步通常通过机械方法实现,使用专门的设备对烟叶进行精确控制的切割和切碎。
这样做不仅能提高产量和效率,还能保持产品的均匀度。
卷烟生产主要工艺过程现代意义的卷烟产品,其制作过程大致要经过烟叶初烤、打叶复烤、烟叶发酵、卷烟配方、卷烟制丝、烟支制卷、卷烟包装七个大项的生产工艺流程,才能作为商品流转到消费者手中。
1、烟叶初烤这是把种植的烟叶变成卷烟原料的首要环节。
是农民把从田间采收的鲜烟叶放置烤房中烘烤调制,使其成为卷烟原料“原烟”的过程。
烟农们常说:“种烟是基础,烘烤是关键”。
烟叶烘烤是通过烤房中控制温度、湿度和通风条件,使烟叶脱水干燥,成为具有一定质量、风格和等级标准的烟叶商品的过程。
烘烤的过程是烟叶内在品质的生理生化转化过程。
鲜烟在没有烤干之前只有潜在的质量,烘烤能将其潜在的质量特性呈现出明确而具体的性状,并将其固定下来。
也只有通过烘烤才能把鲜烟的收获数量变成现实的原烟产量。
经过烘烤后的烟叶,在内含物质、外观形态以及细微结构上都发生了显著的变化。
从外观上看,烟叶颜色由黄绿色变成黄色;烟叶的含水量由80~90%的膨胀状态变为凋萎、干枯直到干焦。
这两个变化反映的是烟草叶片有机物质的转化、分解和某些缩合的生化变化,它是化学酶促反应过程和水分散失的物理过程。
这些变化,正是鲜烟转化为原烟,显现其特有香味和理想色泽的必由之路。
2、打叶复烤我国目前生产的烤烟型卷烟,作为主要原料的初烤烟叶,还不能直接供给卷烟厂使用,必须经过复烤加工,即在初烤烟基础上进行第二次烟叶水分调整,使其成为卷烟生产的真正原料。
初烤后的烟叶转为卷烟工业生产原料要经过复烤,是因为初烤的烟叶,由于分级、扎把时回潮不匀,加之各地气候和存放条件不同,含水量很不一致。
含水量高的,易霉烂变质。
烟叶复烤的作用:一是调整水分,防止霉变;二是排除杂气,净化香气;三是杀虫灭菌,有利储存;四是保持色泽,利于生产。
经过再次加热干燥的复烤烟叶,理化特性进一步优化,烟叶品质提高,吸湿性减弱,利于烟叶在存储过程中的自然醇化。
打叶复烤是20世纪50~60年代以来不断推广应用的烟叶复烤技术。
顾名思义,就是将原烟在复烤之前,先通过打叶设备使烟片和烟梗分离。
异味是指除卷烟纸本身固有气味之外的异常气味,是卷烟纸的一项关键质量指标,在生产时严禁使用有异味或本身气味大的卷烟纸。
目前,卷烟纸国标对异味虽提出了明确的质量要求,但没有给出异味的具体评价标准和检测方法,仍采用传统的感官嗅觉检测方式,无法实现对卷烟纸异味从定性到定量的综合判定。
在日常的检测过程中,由于不同的检测人员受自身嗅觉敏感度和检测环境的影响,对卷烟纸的异味检测结果可能会存在较大的偏差或遗漏,从而影响卷烟的内在质量稳定。
针对卷烟厂在对入库卷烟纸进行检测时,经常发现卷烟纸气味偏大或出现异味的现象,本文通过对卷烟纸生产过程中各要素进行系统分析研究,找出了卷烟纸易产生异味的原因。
供有关企业生产卷烟纸时参考。
1 卷烟纸生产工艺流程(见图1)2 卷烟纸的主要成分卷烟纸的主要成分为:植物纤维、碳酸钙、柠檬酸钠、柠檬酸钾、水、瓜尔胶、淀粉及其它过程助剂。
由于各规格卷烟纸的技术要求不同,其各种成分的施加量也不尽相同。
3 卷烟纸异味产生的原因分析3.1卷烟纸主要成分气味特性分析3.1.1植物纤维气味特性分析卷烟纸主要使用木纤维,其原料均来源于树木,而摘要:为控制卷烟纸中的不良气味,通过对卷烟纸生产过程中易产生异味的各要素进行系统分析研究,找出了卷烟纸易产生异味的原因。
结果表明,通过控制卷烟纸原料的质量水平,严格执行生产操作规程,可有效地降低卷烟纸中异味的产生。
关键词:卷烟纸;卷烟;异味Abstract: In order to control the peculiar smell in cigarette paper, the all relative factors caused peculiar smell were analyzed, the cause in manufacturing process was found out. The result showed that peculiar smell of the cigarette paper can be reduced by control of the quality of raw materials and strict execution of manufacturing process procedures.Key words: cigarette paper; cigarette; peculiar smell中图分类号:TS761.2文献标志码:B 文章编号:1007-9211(2018)02-0062-02卷烟纸中异味产生的原因分析⊙ 于龙国 刘仕民*曹守涛 (山东中烟工业有限责任公司,济南 250014)An analysis on peculiar smell of cigarette paper⊙ YU Long-guo, LIU Shi-min *, CAO Shou-tao(China Tobacco Shandong Industrial Co., Ltd., Jinan 250014, China)□*通讯作者:刘仕民,地址:济南市经十东路11888号。
卷烟制造工艺流程:由制丝(原料加工).卷接(卷制成型).包装(包装成品)三个重要进程构成.制丝工艺:包含备料.回潮.贮叶.切丝.烘丝.叶丝梗丝混杂.加喷鼻.加料.贮丝等工序.其工艺义务是将各类烟叶制成配比平均.纯净无杂质,宽度.水分.温度均相符各等级卷烟工艺请求的烟丝.卷接工艺:包含喂丝.烟支卷制.滤嘴接装等工序.其工艺义务是充分施展装备效力,将及格的烟丝按照制造规格及质量尺度,卷制成及格的烟支,接装成滤嘴烟支.包装工艺:采取多种包装材料和包装机械,将经烘焙后水分及格的烟支,包装成相符产品德量尺度.便于贮运和发卖的成品.盘纸:因卷烟纸是卷筒情势的纸张,习惯将卷烟纸称为盘纸.滤材:指成型滤嘴棒时所采取的纤维材料,如:醋酸纤维.聚丙烯纤维等.卷烟临盆重要工艺进程现代意义的卷烟产品,其制造进程大致要经由烟叶初烤.打叶复烤.烟叶发酵.卷烟配方.卷烟制丝.烟支制卷.卷烟包装七个大项的临盆工艺流程,才干作为商品流转到花费者手中.每支喷鼻醇浓烈的喷鼻烟,都凝聚着千百烟草人的血汗与汗水,渗入渗出着不竭成长着的新技巧和企业文化的内涵. 一:烟叶初烤二:打叶复烤三:烟叶发酵四:卷烟配方五:卷烟制丝六:烟支卷制七:卷烟包装八:花费烟叶初烤: 这是把栽种的烟叶变成卷烟原料的重要环节.是农平易近把从田间采收的鲜烟叶放置烤房中烘烤调制,使其成为卷烟原料“原烟”的进程.经由烘烤后的烟叶,在内含物资.外不雅形态以及细微构造上都产生了明显的变更.从外不雅上看,烟叶色彩由黄绿色变成黄色;烟叶的含水量由80~90%的膨胀状况变成凋萎.干涸直到干焦.这两个变更反应的是烟草叶片有机物资的转化.分化和某些缩合的生化变更,它是化学酶促反响进程和水疏散掉的物理进程.这些变更,恰是鲜烟转化为原烟,浮现其特有喷鼻味和幻想光彩的必经之路.打叶复烤: 初烤后的烟叶转为卷烟工业临盆原料要经由复烤,是因为初烤的烟叶,因为分级(根据色彩.大小评定等级 ).扎把时回潮不匀,加之各地气象和存放前提不合,含水量很不一致.含水量高的,易霉烂演变.烟叶复烤的感化:一是调剂水分,防止霉变;二是消除杂气,净化喷鼻气;三是杀虫灭菌,有利储存;四是保持光彩,利于临盆.经由再次加热湿润的复烤烟叶,理化特征进一步优化,烟叶品德进步,吸湿性削弱,利于烟叶在存储进程中的天然醇化.烟叶发酵: 分为天然发酵和人工发酵两种办法:(1)天然发酵法是把复烤后的烟叶存放在仓库中,跟着天然气象前提变更所产生影响,促使烟叶内涵质量转化.这种天然发酵的办法又叫天然醇化,或称醇化或陈化,是最平和的发酵办法.国内很多临盆厂家所用原料,一般都是运用天然发酵2~3年的烟叶. (2)人工发酵法是将新烟放在有温湿度掌握的发酵室内,加快烟叶的陈化进程,以便在短时光内取得改良原料品德的后果.人工发酵后的烟叶在色彩.喷鼻味和刺激性等方面固然逊于天然发酵,但较新烟的质量仍有明显改良.卷烟临盆厂家普遍运用这种发酵法,在于它发酵周期短,库存占用少,资金周转快.卷烟配方:正像厨师在烹饪前先要预备好好菜的重要材料和辅料一样,卷烟产品的制造也需寻求光彩.喷鼻气.吃味和安然性的协调同一.把各类类型.等级.作风的烟叶原料和喷鼻精喷鼻料等辅料合理搭配在一路,使之产生最佳的品德后果,等于卷烟配方.加喷鼻加料是卷烟配方中的“调味”技巧.经由过程叶组配方,卷烟的等级品德得到根本包管,但还会存有一些不纯净的气息,这就须要经由过程加喷鼻加料来改良.烟用喷鼻精均对人体无害.配方庞杂,由专业人员设计调制,制成溶液,以备喷洒到烟丝中.卷烟制丝:在卷烟临盆进程中,制丝的工艺流程最长.工序最庞杂.装备种类也最多.卷烟制丝技巧的重要工艺目标:一是用于卷制的烟丝质量稳固一致,包管原料配比平均.喷鼻精液料施用平均.烟丝宽度适合.水分平均.二是制出的烟丝填充值高,增长韧性,勤俭原料.三是尽可能削减造碎,下降损耗.制丝的工艺流程分为制叶片.制梗丝.制叶丝三个相对自力的工艺进程与组合.包含:烟叶回潮.配比.润叶.贮叶.切丝.烘丝.;润梗.压梗.梗膨胀.切梗.烘梗丝;烟草薄片滋润与切丝等工序.再将叶丝.梗丝.薄片丝平均地混杂掺配,经冷却后喷洒喷鼻精喷鼻料.烟支卷制:是运用专门的卷烟卷接装备,将卷烟原辅材料制造成滤嘴烟支或无滤嘴烟支的进程.卷烟卷制的全部工艺流程分为卷制和接装两部分.卷制部分由烟丝进料.钢印供纸.卷制成型和烟支切割4个体系构成;接装部分由烟支供应.滤嘴供应.接装纸供应3个体系构成.在卷烟厂的卷制临盆车间,有很多台卷接机组,可以同时完成雷同或不合商标与规格的卷烟卷制临盆义务.如许一支完全的喷鼻烟就可以如许制造出来了,同时也给很多喷鼻烟吸食着带来了无穷的快活.卷烟包装: 对卷制好的烟支进行包装,方能成为上市的卷烟商品.卷烟包装的感化:一是便于花费者辨认和享用.有优越内涵品德的喷鼻烟,靠美不雅文雅的包装,才干让花费者承认和爱好,进而建立起品牌的形象.喷鼻烟成为社会外交的手腕,也有赖于它具有美妙的外不雅;喷鼻烟的外包装照样其产品档次与规格的标识.二是呵护产品品德.卷烟的包装可以或许在一按刻日内保管烟支的水分,在潮湿季候防止霉变,在湿润季候防止空松;还能保持喷鼻精不至挥发,保持喷鼻气值.三是便于贸易部分运输.仓储和发卖. 卷烟包装工艺包含:小盒包装→条烟包装→箱装.參考新闻:烟丝膨胀技巧:经由过程膨胀增长烟丝的填充才能,减轻烟支重量,可削减卷烟中的焦油和烟碱量,可除去某些烟叶中的不良味道,使烟叶燃吸质量得到改良.烟草薄片:又称重组烟叶.均质烟叶.为进步烟叶的运用率,将碎损烟草从新组合,重组后成为片状的称为烟草薄片,用作填充料掺用在卷烟中,下降烟叶消费,烟草薄片也可作为下降或调剂卷烟焦油和尼古丁量的手腕.烟草薄片临盆有三种根本办法:辊压法.造纸法和稠浆法.卷烟原料的种类:烤烟在调制进程中,运用人工掌握的热能,在烤房里烘烤成的烟叶叫烤烟.烤烟是我国,也是世界上栽培面积最大.产量最多的烟叶原料.晒烟在调制进程中,运用太阳的辐射热能,露天晒制成的烟叶叫晒烟.根据晒制的方法不同和晒制后的色彩,晒烟又可分为晒黄烟.晒红烟.喷鼻料烟和黄花烟.晾烟在调制进程中,烟叶在晾房里天然湿润而成的烟叶叫晾烟.晾烟可分为白肋烟.马里兰烟和雪茄包叶烟.KELVIN:烟叶初烤,打叶复烤, 烟叶发酵,都用的到閥門.101所用的設備就是讓出烤/复烤一次完成.設備上用的都是球閥.煙葉發酵用的是蝶閥的設備.。
第一章绪论【1】、烟支结构示意图(三纸一棒):卷烟纸(盘纸),接装纸(水松纸),成型纸,滤棒(醋纤、丙纤等卷烟产品设计4要素:叶组配方;香精香料;卷烟材料;加工过程【2】、卷烟工艺学,是研究如何利用特定的技术与方法,在一定的技术装备条件下,实现将烟叶和辅助材料加工成卷烟成品的学科。
目标:卷烟生产的优质、低耗、高效安全。
原则:先进、合理、经济、适应。
卷烟工艺学的主要内容:原辅材料;产品设计;工艺流程;工艺控制。
特点:工艺流程复杂,生产环节多;涉及学科门类多。
1、原辅材料原料:烟叶、烟丝、烟梗、膨胀烟丝及再造烟叶等;辅助材料:卷烟纸、滤棒、成型纸、接装纸等。
原料是卷烟的基础,决定着卷烟的风格、质量水平及其稳定性。
2、产品设计: 配方设计、加香加料设计、辅助材料设计及包装装潢设计。
产品设计是卷烟的风格、质量水平的形成及保持稳定的重要前提。
同时,适宜的产品设计,也是卷烟成功营销的基础。
3、工艺流程包括:制丝工艺、卷制工艺、接装工艺及包装工艺等。
工艺流程是产品设计的物化,是实现产品设计的手段。
合理、流畅的工艺流程,能够保证卷烟成品质量的稳定、提高生产效率、降低生产成本。
4、工艺控制是卷烟成品质量的重要保证。
它是实现卷烟成品质量稳定的重要环节,同时,也是卷烟企业降低成本、提高经济效益的挖潜环节。
【3】、烟草的类型及品质的特点(一)烤烟, 为世界上种植面积最大的烟草类型,原产于美国的弗尼吉亚。
烤烟:火管烤烟、明火烤烟。
烤烟是卷烟工业的主要原料。
叶片:较大(长度>40cm);颜色:柠檬黄或橘黄,色泽较鲜亮;身份:相对较薄;化学成分:糖分较高,含氮化合物偏低,烟碱中等;香气:典型的烤烟香气,吸味柔和;以植株中部叶质量为好。
(二)晾烟, 指在阴凉的环境下(晾房、晾棚)完成调制的过程,从而生产出的烟叶。
包括白肋烟、马里兰烟、雪茄烟及其他地方性晾烟。
叶片:较大(长度>40cm);颜色:红棕色或浅红棕色,或红黄色;身份:中等到厚;化学成分:糖分低,含氮化合物较高,烟碱高;香气:独特的香气,劲头大;广西武鸣质量为好。
卷烟厂生产工艺流程
卷烟厂的生产工艺流程主要包括制丝、卷接和包装三个主要过程。
制丝过程:
(1)备料:准备各种烟叶原料。
(2)回潮:将烟叶回潮,以便后续的加工处理。
(3)贮叶:将回潮后的烟叶贮存一定时间,以便后续的加工处理。
(4)切丝:将贮存后的烟叶切成一定宽度的细丝。
(5)烘丝:对切好的烟丝进行烘干处理,以便后续的卷制。
(6)加香、加料:在烟丝中加入香精和调味料,以增加卷烟的口感和风味。
(7)贮丝:将加香、加料后的烟丝贮存一定时间,以便后续的卷制。
卷接过程:
(1)喂丝:将贮存的烟丝通过喂丝机送入卷烟机。
(2)烟支卷制:在卷烟机中,通过卷纸和滤棒等材料将烟丝卷制成烟支。
(3)滤嘴接装:将滤嘴插入烟支,形成完整的卷烟产品。
包装过程:
(1)包装材料准备:准备各种包装材料,如包装纸、内衬纸等。
(2)包装机操作:将包装材料通过包装机进行包装,形成完整的卷烟包装。
(3)质量检查:对包装好的卷烟进行质量检查,确保产品质量符合标准。
(4)装箱入库:将合格的卷烟产品装箱并入库保存,等待销售。
以上是卷烟厂的主要生产工艺流程,具体流程可能会因不同的卷烟厂和生产设备而略有不同。
一、工艺流程1、打浆2、抄纸3、分切生产设备:1880mm造纸机(国产多采用的机型),3200mm造纸机(进口纸机多采用的机型)。
卷烟纸比普通纸机增加一只罗纹辊,罗纹辊分干压罗纹与湿压罗纹两种。
安装位置也不一致。
3-3 纤维原料多数厂采用木浆为原料,少数厂除采用木浆外还增加一些麻浆纤维。
3-3-1针叶木:阔叶木 3~5:7~53-3-2针叶木:阔叶木:亚麻 3~4:6~6.5:1~0.53-4 关键工艺浆中加入以下化工原料。
3-4-1 碳酸钙原料碳酸钙是卷烟纸的重要原料之一,卷烟纸中三分之一的原料是碳酸钙,它对卷烟纸的各种技术指标均有影响,所以碳酸钙的质量是保证卷烟纸质量的重要关键之一。
质量要求:白度在90%以上,pH值9.8以下,沉淀体积大于2.8ml/g。
煤屑、尘埃不能有,碳酸钙粒子的晶形为仿捶形状。
粒径大小适中而均匀,90%以上为2μm,比表面积大,折光性好,透气度均匀。
目前德国生产的产品最好,其次为英国、法国。
国产的质量与它们尚有一定差距,基本能用。
3-4-2 淀粉既是助强剂又是助留剂。
3-4-3 助燃剂必须无色、无味、无毒,在纸张燃烧时会发生放热反映,使纸的燃烧速度与烟丝一致。
灰色发白。
目前采用有柠檬酸钾和柠檬酸钠、酒石酸钾或酒石酸钠,也有采用硝酸钾或硝酸钠。
3-4-4 消泡剂浆中气泡如不除去,成纸后即成小针孔或小针眼,所以必须添加消泡的化学助剂。
3-4-5 防腐剂在江南梅雨季节,霉菌繁殖较快,使浆料变质而产生黄色尘埃和降低纸张强度。
因此在浆流送系统中须加防腐剂。
卷烟纸制造方法
卷烟纸的制造方法主要涉及到制浆、抄造和加工三个主要步骤。
1.制浆:将原料如麻或木浆等经过化学或机械处理,得到纸浆。
此过程中可能会使用各种化学药品以改善纸张特性。
2.抄造:把纸浆稀释,在造纸机的网部初步脱水,形成湿的纸页,再经压榨脱水、烘干而制成原纸。
3.加工:对原纸进行再处理,改善其外观、物理和化学性质,以满足特定用途的需要。
例如,可能需要进行超级压光、涂料加工、成型加工等。
此外,卷烟纸的抗张强度、透气性和燃烧性能是反映卷烟纸内在质量的重要指标,这些性能会受到原料配比、打浆度、纤维形态等因素的影响。
所以在制造过程中,需要精确控制这些因素,以保证卷烟纸的质量。
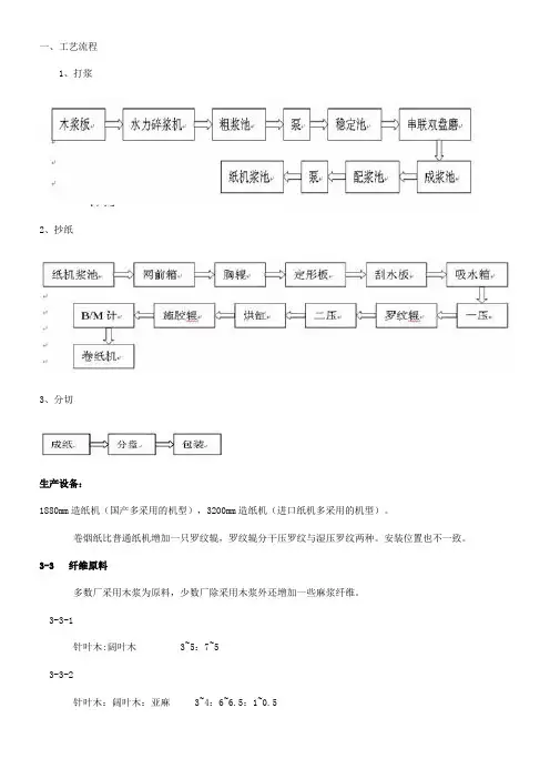
一、工艺流程
1、打浆
2、抄纸
3、分切
生产设备:
1880mm造纸机(国产多采用的机型),3200mm造纸机(进口纸机多采用的机型)。
卷烟纸比普通纸机增加一只罗纹辊,罗纹辊分干压罗纹与湿压罗纹两种。
安装位置也不一致。
3-3 纤维原料
多数厂采用木浆为原料,少数厂除采用木浆外还增加一些麻浆纤维。
3-3-1
针叶木:阔叶木 3~5:7~5
3-3-2
针叶木:阔叶木:亚麻 3~4:6~6.5:1~0.5
3-4 关键工艺
浆中加入以下化工原料。
3-4-1 碳酸钙原料
碳酸钙是卷烟纸的重要原料之一,卷烟纸中三分之一的原料是碳酸钙,它对卷烟纸的各种技术指标均有影响,所以碳酸钙的质量是保证卷烟纸质量的重要关键之一。
质量要求:
白度在90%以上,pH值9.8以下,沉淀体积大于2.8ml/g。
煤屑、尘埃不能有,碳酸钙粒子的晶形为仿捶形状。
粒径大小适中而均匀,90%以上为2μm,比表面积大,折光性好,透气度均匀。
目前德国生产的产品最好,其次为英国、法国。
国产的质量与它们尚有一定差距,基本能用。
3-4-2 淀粉
既是助强剂又是助留剂。
3-4-3 助燃剂
必须无色、无味、无毒,在纸张燃烧时会发生放热反映,使纸的燃烧速度与烟丝一致。
灰色发白。
目前采用有柠檬酸钾和柠檬酸钠、酒石酸钾或酒石酸钠,也有采用硝酸钾或硝酸钠。
3-4-4 消泡剂
浆中气泡如不除去,成纸后即成小针孔或小针眼,所以必须添加消泡的化学助剂。
3-4-5 防腐剂
在江南梅雨季节,霉菌繁殖较快,使浆料变质而产生黄色尘埃和降低纸张强度。
因此在浆流送系统中须加防腐剂。