导轨式终端电能计量表计及系统选型方案
- 格式:pdf
- 大小:1.23 MB
- 文档页数:26
三相导轨式电能表说明书全文共四篇示例,供读者参考第一篇示例:三相导轨式电能表是一种用于测量电能消耗的工业设备,具有高精度、稳定性强、可靠性高等特点。
本说明书将为您介绍三相导轨式电能表的结构、工作原理、参数设定及使用方法等内容。
一、结构概述三相导轨式电能表主要由外壳、电能计量部分、电子数字显示部分等组成。
外壳通常采用防火、耐高温、抗冲击的材料制成,以保证设备的安全可靠性。
电能计量部分是电能表的核心部件,通过测量电流和电压的大小来计算消耗的电能量。
电子数字显示部分则用于显示电能消耗的具体数值,方便用户进行查看。
二、工作原理三相导轨式电能表的工作原理主要通过电流互感器和电压互感器来实现。
电流互感器用于测量电路中的电流大小,而电压互感器则用于测量电路中的电压大小。
通过采集这两个参数,电能表可以计算出电能消耗的具体数值。
三、参数设定在安装三相导轨式电能表时,需要对一些参数进行设定,以保证设备的正常运行。
这些参数包括电流传感器比率、电压传感器比率、功率因数、脉冲常数等。
用户可以根据具体情况进行合理设定,以满足实际需求。
四、使用方法1. 安装:首先需要将三相导轨式电能表安装在电路中,确保连接正确无误。
同时还需要保证设备与电路的接地连接牢固可靠。
2. 参数设定:根据实际情况设定电流传感器比率、电压传感器比率、功率因数等参数,并进行校准。
3. 操作:待参数设定完成后,将三相导轨式电能表开启,即可开始工作。
用户可以通过数字显示部分查看电能消耗的具体数据。
4. 维护:定期对三相导轨式电能表进行检查和维护,确保设备的正常运行。
如发现异常情况应及时处理,以避免对设备的损害。
第二篇示例:三相导轨式电能表是一种用于计量三相交流电能消耗的智能仪表,广泛应用于工业领域、商业领域和住宅领域。
本说明书将详细介绍三相导轨式电能表的主要特点、技术参数、安装方法和使用注意事项,帮助用户正确使用和维护三相导轨式电能表。
一、主要特点1. 采用先进的电子计量技术,具有高精度、稳定性好的特点,可准确计量三相交流电能的消耗。
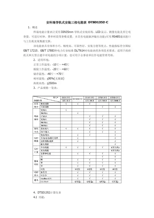
ADL系列导轨式安装电能表一、概述DDS/DDSF1352、DTS/DTSF/DTSD1352(ADL)系列导轨式安装电能表是安科瑞电气集多年的电表设计经验,所推出的新一代微型电能表。
该电能表采用LCD显示,可进行时钟、费率时段等参数设置,并具有电能脉冲输出功能;可用RS485通讯接口与上位机实现数据交换,极大地方便了用电自动化管理。
该电能表具有体积小巧、精度高、可靠性好、安装方便等优点,性能指标符合国标GB/T 17215、GB/T 17883和电力行业标准DL/T 614对电能表的各项技术要求。
二、产品规格三、技术参数精度等级有功:1级有功:0.5级无功:1级额定电压Un220V3×220/380V电流规格5(30)A 1.5(6)A、5(20)A、10(40)A、20(80)A工作电压正常工作电压范围:0.9~1.1Un,极限工作电压范围:0.7~1.2Un参比频率45Hz或65Hz起动电流直接接入0.004Ib 经CT接入0.002In功耗电压线路小于等于5VA/相电流线路小于4VA/相电能脉冲输出脉冲宽度:80ms±20ms光耦隔离,集电极开路输出数字通信RS485,MODBUS-RTU(其他协议可定制)时钟误差小于等于0.5s/d温度范围正常工作温度:-10℃~+45℃,极限工作温度:-20℃~+55℃,存储温度: -40℃~+70℃相对湿度小于等于95%(无凝露)外型尺寸(长×宽×高)18.0×90.3×63.1(mm)76×89×74(mm)126×89×74(mm)平均无故障工作时间(h)大于等于50000四、安装与接线4.1安装外形图及接线图4.1.1 外形尺寸(单位:mm)(1)DDS1352(ADL10)正视图侧视图图1 DDS1352(ADL10)外形图(2)DDSF1352(ADL100)图2 DDSF1352(ADL100)外形图(3)DTS1352/DTSF1352(ADL300)图3 DTS1352/DTSF1352(ADL300)外形图(4)DTSD1352(ADL3000)图4 DTSD1352外形图4.1.2 安装图DDS1352、DDSF1352、DTS/DTSF1352、DTSD1352(ADL)系列导轨式安装电能表采用35mm标准导轨安装方式,如下图5图5 安装图4.1.3 接线图DDS1352(ADL10)、DDSF1352(ADL100)、DTS/DTSF1352(ADL300)、DTSD1352(ADL3000)导轨式安装电能表支持直接接入和经电流互感器CT接入两种接线方式,DDS1352(ADL10)支持直接接入方式。
导轨式电能表的应用和计量校准概述:导轨式电能表从外形、功能到用途都有别于安装式电能表,它因体积小,测量参数多,方便安装,用途更广泛而被各企事业单位大量应用,因此,导轨式电能表量值溯源需求越来越强烈,但目前国家没有导轨式电能表的校准规范,本文就导轨式电能表的校准进行探讨,提供些校准方法和思路。
关键字:导轨式电能表、应用、校准一、导轨式电能表的用途随着节能减排、低碳环保的宣传和要求,电能作为一种重要的能源,电能计量的需求越来越多。
传统式电能表采用挂壁式的安裝方法,有体积大,安装不方便的缺点,而导轨式电能表体积小,易于滑轨式安装在配电柜内。
自带电流钳的导轨式电能表还可以不停电、不破坏原有电路,随时方便地添加在线路中,以实现对某负荷的电能计量。
导轨式电能表通常测量参数多,除了电能计量,还有计量电压、电流、功率、相位、功率因数、频率等其他参数的优势,被广泛应用于企事业单位、高耗能等场合。
导轨式电能表通常LCD显示,可准确计量电能以及其它电参数,准确度等级可达0.2级,且可设置不同费率时段,实现电能的分时计量功能;通常有RS485通信插口,能与上位机连接,完成信号和数据传输,方便实现自动化管理和控制。
二、导轨式电能表的选择和使用用于贸易结算的电能表属于国家强制检定计量器具,必须有相关计量行政部门的型式批准,导轨式电能表如果未经过相关计量行政部门的型式批准,只可以用于除贸易结算外的其他用途的电能计量场合,如电能消耗监测等。
导轨式电能表在使用前,要根据测量的需要进行选择和设置,如测量对象是单相还是三相,是三相三线还是三相四线,是否接互感器及所接互感器的变比等。
自带电流钳的导轨式电能表在使用时要注意如下几点:a)电流钳钳口接触面清洁,并能紧密接触;b)将被测导线置于电流钳钳口近似几何中心位置或标志位置;c)电流钳接入时注意同名端;d)三相导轨式电能表的电流钳应按标识分别接入相应相别,不能混用。
此外,导轨式电能表应有电能脉冲輸出端口,便于电能校准,否则,即便有电能测量功能也无法对电能进行校准,就无法得知其电能是否计量准确。
三相电子式多功能电能表(导轨式)型号:DTSD422-D一、产品介绍DTSD422-D型三相电子式多功能电能表主要应用于光伏发电系统、电力系统、通信行业、建筑行业等需要电力监控和电能计量的场景,主要对电气线路中的三相电压、三相电流、有功功率、无功功率、频率、功率因数、正反向有功电能、四象限无功电能等电量参数进行实时计量;可通过RS485通讯接口与采集器实现组网;采用标准DIN35mm导轨式安装,结构模数化设计,开口式互感器设计,具有体积小、易安装、易组网等优点;做为能源管理系统的监测终端产品,可广泛应用于企业、光伏电站、宾馆、学校、政府机关内部电能监测。
二、特点1.双向计量,用电数据、发电数据均可监测2.单三相线路通用,可以测量一路三相或者三路单相的用电或者发电数据3.35mm标准导轨安装,安装便捷,宽度为36mm,占用配电柜空间较小4.开口式互感器,安装便捷,无需改线5.两路RS485通信接口,可以适配多种采集终端6.可以实现多台电表相连接,分别设置地址,由一台采集设备读取每一台电表的数据三、选型说明选型型号说明DTSD422-D-6标配6A互感器,可用于二次侧接入DTSD422-D-100标配100A互感器,适合66kW以下三相系统四、基本参数性能参数接线方式三相四线额定电压3x220/380V互感器开口式互感器x3电流规格3x1.5(6)A、3x5(100)A额定频率50Hz/60Hz精度等级有功1.0无功2.0功耗≤0.5W脉冲常数AC220V1.5(6)A-----3200 AC220V5(100)A-----300显示方式LCD工作温度-25℃~+60℃相对湿度≤95%(无凝露)大气压力63kPa~106kPa通信RS485(默认地址001,默认波特率9600,E,,8,1,支持1200、2400、4800)五、屏幕与接口说明5.1显示面板指示灯说明P有功脉冲指示灯Q无功脉冲指示灯LINK RS485连接指示灯RS485连接正常,指示灯常亮ALARM设备或接线异常若安装后红灯闪烁,主要原因为电压电流逆相序,请根据现场布线检查电压电流接线情况5.2显示电量默认为1位小数,当数据超过999999.9,数据翻转,重新累计。
导轨式安装电能表用户手册适用型号:DDS1946DDSF1946DSS1946DSSF1946DTS1946DTSF1946v3004修订历史版本日期作者修订内容目录1符合标准 (1)2产品概述 (1)3.产品选型 (2)5.功能特点 (4)5.1参数测量 (4)5.2电能计量 (4)5.3需量 (4)5.4事件记录 (5)5.5通信功能 (5)5.6电能脉冲 (5)6.安装接线 (6)6.1接线方式 (6)6.2外形尺寸 (7)6.3安装方式 (7)7.操作 (8)7.1面板 (8)7.2显示 (8)8.设置 (12)9.Modbus-RTU通信 (15)附录1MODBUS-RTU通信地址信息表(单相表) (17)附录2MODBUS-RTU通信地址信息表(三相表) (23)1符合标准GB/T17215.211-2006交流电测量设备通用要求、试验和试验条件第11部分:测量设备GB/T17215.321-2008电量测量设备(交流)-特殊要求-第21部分:静态电度表(1级和2级)GB/T17215.322-2008电量测量设备(交流)-特殊要求-第22部分:静态电度表(0.2S级和0.5S级)GB/T17215.323-2008电量测量设备(交流)-特殊要求-第23部分:静态无功表(2级和3级)2产品概述我公司导轨式安装电能表采用先进的电能计量芯片,应用数字采样处理技术及SMT工艺,根据用户实际用电状况设计、制造。
该系列电能表采用模数化结构,体积小巧,安装方便,运行可靠。
3.产品选型注:以上“√”表示具备此项功能,“-”表示不具备此项功能。
“○”表示可选该功能项。
型号功能单相电能表三相电能表三相复费率电能表DDS 1946DDSF 1946DSS 1946DTS 1946DSSF 1946DTSF 1946接线方式单相√√----三相三线--√-√-三相四线---√-√电压量程220V√√----3×220/380V ---√-√3×380V --√-√-电流接入方式直接接入/经CT 接入√√√√√√实时测量电压、电流√√√√√√功率√√√√√√功率因数√√√√√√频率√√√√√√THD --√√√√电能计量双向电能√√√√√√四象限电能------复费率电能-√--√√需量√√√√√√事件记录-√--√√通信接口RS485○○○○○○电能脉冲√√√√√√显示方式LCDLCDLCDLCDLCDLCD4.技术指标型号功能DDS1946DDSF1946DSS1946DSSF1946DTS1946DTSF1946电气特性精度等级直接接入有功电能:1级有功电能:0.5S级经CT接入有功电能:0.5S级额定电压220V3×380V3×220/380V输入电流直接接入5(100)A3×5(100)A 经CT接入 1.5(6)A3×1.5(6)A 频率50/60Hz接线方式单相三相三线三相四线工作电压范围0.8Un~ 1.2Un功耗电压回路<5VA 电流回路<2VA启动电流直接接入0.004Ib0.001In 经CT接入0.002In0.001In电能脉冲1路有功电能脉冲光电隔离输出,脉冲宽度(80±20%)ms 时钟误差≤0.5s/day通信特性RS485通信接口Modbus-RTU协议,波特率最高9600bps机械特性尺寸72×90×63.5126×90×63.5IP防护IP51(面板)/IP20(外壳)环境特性运行温度(-10~55)℃存贮温度(-25~70)℃相对湿度(5~95)%(无凝露)5.功能特点5.1参数测量实时测量以下参数:-电压、电流-功率、功率因数-频率-需量5.2电能计量仪表支持的电能计量功能:-双向电能计量;-复费率电能计量;-四象限无功电能;仪表具有2套12时段4种费率计量功能,每天24小时最多可分为12个时段,各时段可选尖、峰、平、谷4种费率,可设置自动抄表时间,保存最近3月的电能信息,如:本月总有功电能、上月总尖有功电能、上上月总平有功电能。
201DTSD1352导轨式多功能电能表安装使用说明书V2.10安科瑞电气股份有限公司申明版权所有,未经本公司之书面许可,此手册中任何段落、章节内容均不得摘抄、拷贝或以任何形式复制、传播,否则一切后果由违者自负。
本公司保留一切法律权利。
本公司保留对本手册所描述之产品规格进行修改的权利,恕不另行通知。
订货前,请垂询当地代理商以获悉本产品的当前规格。
说明书修订记录日期旧版本新版本修改内容2017.02.28V1.0 1.第一次编写2017.09.05V1.0V1.1 1.增加7.4部分校验设置说明;2.修改8.1部分功率寄存器地址,增加日需量寄存器地址、增加数据长度;3.修改8.2部分历史电能寄存器地址增加冻结时间设定寄存器;4.增加8.4部分DL/T645-2007规约数据标识。
2017.10.24V1.1V1.2 1.表8通讯地址表增加电压不平度、电流不平衡度、第二路通讯通讯参数地址表2.开关量端口更改为30、39。
2017.12.01V1.2V2.0 1.版本号升级为V2.0;2.增加条款2型号说明;3.增加测温功能、SOE事件记录,具体更新见条款3、4、7.7、9.3;4.完善条款9.1地址表、9.4DL/T645-2007规约数据标识。
2018.11.08V2.0V2.1 1.去除广告法敏感词。
2019.1.30V2.1V2.2 1.更换新的互感器。
2019.3.1V2.2V2.3 1.规范尺寸图和接线力矩。
2019.6.26V2.3V2.4 1.表1中电表型号标错,更改之。
2.图7图8AC相电流画反,更改。
2020.3.11V2.4V2.5 1.在接线与安装处增加注2.在8.2显示页面增加总电能显示2020.3.31V2.5V2.6 1.增加报文解析和数据计算方法。
2020.4.30V2.6V2.7 1.修正6.2中开关量端子号2020.11.23V2.7V2.8增加电流规格:3×10(100)A(互感器外置) 2021.04.08V2.8V2.9外形尺寸图更换为打印清晰图样,并修正说明书中部分笔误2021.12.31V2.9V2.10修改直接接入的孔径大小目录1概述 (1)2型号说明 (1)3功能列表 (1)4技术参数 (2)5外形尺寸 (2)6接线与安装 (3)7主要功能特点 (6)8操作与显示 (7)9通信说明 (11)1概述DTSD1352导轨式多功能电能表,是主要针对电力系统,工矿企业,公用设施的电能统计、管理需求而设计的一款智能仪表,产品具有精度高、体积小、安装方便等优点。
终端电能计量表计及系统选型手册安科瑞陈静燕江苏安科瑞电器只砸有限公司江苏江阴214405一、概述Acrel-3000系列电能管理系统是紧密把握电力系统用户的需求,遵循电力系统的标准规范而开发的一套具有专业性强、自动化程度高、易使用、高性能、高可靠等特点的适用于低压配电系统的电能管理系统。
通过遥测和遥控可以合理调配负荷,实现优化运行,有效节约电能,并有高峰与低谷用电记录,从而为用电的合理管理提供了数据依据。
--终端电能计量表计及系统选型手册二、参照标准GB50052-2009供配电系统设计规范GB50054-2011低压配电设计规范GB/T17215.321-2008交流电测量设备特殊要求第21部分:静止式有功电能表(1级和2级)GB/T17215.322-2008交流电测量设备特殊要求第22部分:静止式有功电能表(0.2S级和0.5S级)GB/T17215.301-2007多功能电能表特殊要求DL/T448-2000《电能计量装置技术管理规程》DL/T698电能信息采集与管理系统DL/T814-2002配电自动化系统功能规范DL/T5137-2001《电测量及电能计量装置设计技术规程》三、系统结构电能管理系统可对低压设备消耗的电能进行分项计量,该系统由站控管理层、网络通讯层、现场设备层三部分组成。
现场设备层采用安科瑞低压智能计量箱AZX J,内部安装预付费电能表以及卡轨式电能表。
通过低压智能计量箱配合电能管理监控系统,利用计算机、后台监控管理软件和网络通讯技术,将采集到的用电设备的能耗数据上传到统一的监测管理平台,实现对用电系统的监控管理,对高能耗用电设备的合理控制,最终使整套用电系统达到节能效果。
电能管理系统网拓扑图见下图。
--终端电能计量表计及系统选型手册四、系统设计参数五、系统功能安科瑞终端用电管理系统是指通过在商业建筑、写字楼、农贸市场、宿舍等建筑物内安装导轨式及预付费电能计量装置,采用远程传输等手段及时采集各监测点电能数据并对用电量进行预付费管理,采用先买电后用电的模式,可以用来转移经营风险,并能提前收回电费,减少了后期运营的人员的工作量;实现了网络化实时操作,实时计量监控,即时售退电、即时通断电的控制效果。
DSSD332/DTSD342-5D/5Z/5N型三相电子式多功能电能表尊敬的客户:首先感谢您购买和使用本公司的产品。
威胜集团有限公司是一个专门开发、生产和销售电能计量仪表的专业企业,本公司产品质量保证体系于1996年通过了挪威船级社ISO9001认证。
在您购买本公司产品的同时,请仔细阅读本使用说明书,如有任何问题,请及时与本公司的技术服务中心或分布在全国各地的事务所联系。
如需要业务咨询或查询各事务所的联系电话,请拨威胜集团有限公司免费服务热线:800-849-6688或400-677-6688,或登陆网站Http://www.Wasion.com/查询。
威胜集团有限公司出口部 0731-******** 88619682威胜集团有限公司商务部 0731-******** 88619598威胜集团有限公司客户服务部 0731-******** 88619582上海事务所 南京事务所 广州事务所 长沙事务所 西安事务所 成都事务所 北京事务所 郑州事务所 武汉事务所 沈阳事务所 兰州事务所 杭州事务所重庆事务所 新疆事务所 石家庄事务所 福州事务所南昌事务所 合肥事务所 哈尔滨事务所 长春事务所 南宁事务所 贵阳事务所 海口事务所 太原事务所山东事务所 天津事务所 昆明事务所本说明书适用于威胜集团有限公司生产的DSSD332/DTSD342-5D/5Z/5N(5DV1.0)型三相电子式多功能电能表。
2012-10-15一、概述DSSD332/DTSD342(配置号为5D、5Z、5N)三相电子式多功能电能表(导轨式安装)是一款集测量记录、超大屏幕LCD显示、通信于一体的电力仪表,可以测量电网三相电压、三相电流、三相有功功率、三相无功功率、三相视在功率、三相功率因数以和频率;计算三相电压不平衡度和三相电流不平衡度、并能计量正反向有无功电能以及复费率(最大六费率)电能;RS485通信接口支持MODBUS RTU和DL/T645双通信规约; 选配的2路开关量输入或2路开关量输出可以实现本地或远程的开关信号监测和控制输出功能(即“遥信”和“遥控”功能)。
DDSU256型单相电子式电能表(导轨)使用说明书安装使用产品前,请阅读使用说明书浙江天正电气股份有限公司一、产品概述DDSU256型单相电子式电能表(导轨),该电能表采用DIN35mm导轨式安装结构,是采用先进的低功耗集成电路技术和SMT工艺设计制造的一款全新的微型单相电能表,体积小巧,安装方便,可轻松放入各类配电箱和配电柜,可集成工业通信接口,可轻松实现与各种智能配电系统的集成,极大地方便了能效管理。
其性能指标符合GB/T17215.321-2021《电测量设备(交流)特殊要求第21部分:静止式有功电能表(A级、B级、C级、D级和E级)》国家标准的要求。
导轨式安装电能表由于其微型化的结构,可方便其与微型断路器一起使用,安装于终端照明箱内,为低压终端的电能计量提供了有效的解决方案。
可广泛应用于楼宇、商场、会展中心、学校、机场、港口及工厂等。
二、工作原理主要由电压、电流采样电路、专用电能计量芯片,CPU及LCD显示等部分组成。
电能表将采样的电压、电流信号输入到专用电能计量芯片,并由LCD显示电能,可通过RS485接口实现远距离抄录表内电能等数据。
三、型号和规格(以铭牌上的技术参数为准)型号准确度等级标称电压规格仪表常数DDSU256A级(2级)、B级(1级)220V0.015-0.075(6)A/1.5(6)A6400imp/kWh0.25-0.5(80)A/5(80)A800imp/kWh四、主要技术参数4.1基本误差见下表:电流功率因数最大允许误差A级B级I tr≤I≤I max 1.0±2.0±1.00.5L±2.0±1.0I min ≤I<Itr1.0±2.5±1.50.5L±2.5±1.5I st ≤I<Imin1.0±2.5*Imin/I±1.5*Imin/I4.2起动电能表在标称电压、标称频率及COSφ=1的条件下,直接接入和经互感器接入仪表当负载电流为0.04Itr (B级)、0.05Itr(A级)时,电能表应能连续计量电能。
第1篇一、方案概述计量终端运维施工方案旨在确保计量终端设备的正常运行,提高计量数据的准确性和可靠性。
本方案从设备选型、施工准备、施工过程、质量控制、验收及后期维护等方面进行详细规划,确保施工质量,缩短施工周期,降低运维成本。
二、设备选型1. 设备类型:根据实际需求,选择合适的计量终端设备,如电能表、水表、燃气表等。
2. 设备性能:确保所选设备具备高精度、高稳定性、抗干扰能力强、易于维护等特点。
3. 设备兼容性:所选设备应与现有系统兼容,便于数据传输和集成。
4. 设备供应商:选择具有良好口碑、技术实力强、售后服务完善的供应商。
三、施工准备1. 施工队伍:组建一支具备相关专业技能的施工队伍,确保施工质量。
2. 施工材料:准备充足的施工材料,如线缆、接头、设备等。
3. 施工工具:配备必要的施工工具,如电线剥皮器、剥线钳、扳手等。
4. 施工方案:制定详细的施工方案,明确施工步骤、质量要求、安全措施等。
四、施工过程1. 施工现场:确保施工现场安全、整洁,符合施工要求。
2. 设备安装:按照设备说明书和技术规范,进行设备安装,确保设备安装牢固、接线正确。
3. 系统调试:对安装完成的计量终端设备进行系统调试,确保设备运行正常。
4. 数据传输:确保数据传输通道畅通,实现数据实时传输。
5. 安全防护:对施工区域进行安全防护,防止误操作和安全事故发生。
五、质量控制1. 施工过程:严格执行施工规范和质量要求,确保施工质量。
2. 设备检验:对安装完成的设备进行检验,确保设备性能符合要求。
3. 数据校验:对传输的数据进行校验,确保数据准确性。
4. 施工记录:详细记录施工过程,便于后期查询和维护。
六、验收及后期维护1. 验收:按照施工方案和验收标准,对施工成果进行验收,确保施工质量。
2. 后期维护:制定运维计划,定期对设备进行检查、维护和保养,确保设备长期稳定运行。
3. 故障处理:建立故障处理机制,及时解决设备运行过程中出现的问题。
DDS U858型单相电子式电能表(导轨)符合标准:GB/T 17215.321-2008产品安装使用前,请仔细阅读使用说明书,并妥善保管,以备查阅。
一、概述DDSU858系列单相导轨电子式电能表采用先进的超低功耗固态集成电路技术和SMT先进工艺,用于计量频率为50Hz/60Hz的单相交流有功电能。
该表计量精度稳定,基本不受频率、温度、电压、高次谐波影响。
整机出厂后无需调整,可延长检定周期,大大降低了电力部门测试和校检电能表的工作,可靠性较其它同类产品有明显提高。
本产品各项性能指标符合GB/T17215.321-2008《1级和2级静止式交流有功电能表》、DL/T645-2007《多功能电能表通信规约》(兼容DL/T645-1997)对单相静止式电能表的技术指标。
二、工作原理三、规格与主要参数3.1规格额定电压:220V额定电流:1.5(6)A、5(20)A、10(40)A、10(60)A、20(80)A、30(100)A精度等级:1级、2级参比频率:50Hz3.2基本误差3.3起动:在额定电压和cosφ=1的条件下,负载电流升到起动电流IQ后,电能表在起动时限内能起动并连续记录。
直接接入:IQ=0.004Ib,经互感器接入:IQ=0.002In。
3.4潜动:施加115%的额定电压,电流线路无电流,cosφ=1,电能表的测试输出在规定时限内不应产生多于一个的脉冲。
3.5环境条件工作温度:-25℃~55℃极限工作温度:-25℃~60℃注:特殊要求极限工作温度:-40℃~70℃3.6功耗:电压线路功耗小于2W和10V A,电流线路功耗小于4.0VA。
四、主要功能4.1计量功能:具有双向计量功能,能够精确地测量正、反双向的有功电能。
且反向计入正向电能。
4.2无需备用电池电量数据永久保存。
4.3RS485接口(可选)与表计进行数据交换,默认波特率为2400bps。
4.4本表具有宽负荷、高准确度、高可靠性、高灵敏度、误差曲线平直、低功耗、体积小、重量轻、节能节材。
正泰导轨式电表说明书一、概述导轨式电表是一种用于测量电能使用量的仪表。
正泰导轨式电表简单易用、功能齐全,广泛应用于工业、商业和家庭领域。
本说明书将详细介绍导轨式电表的性能、操作方法以及注意事项。
二、性能特点1. 高精确度:正泰导轨式电表采用先进的电子技术和精密的测量系统,能够实时准确地测量电能使用量,精确度高达0.5级。
2. 多功能显示:导轨式电表配备了大屏幕液晶显示屏,能够显示当前电能使用量、功率因数、电压、电流等信息,操作简单直观。
3. 长寿命设计:正泰导轨式电表采用高品质的材料和可靠的制造工艺,具有较长的使用寿命,确保稳定可靠的测量结果。
4. 远程读数功能:导轨式电表可与计算机系统连接,实现远程读数和数据分析,方便用户进行能源管理和统计。
三、操作方法1. 安装:安装导轨式电表前,请确保断电,并根据电表背面的电路连接图正确安装电源线、电流线和电压线。
接线完成后,将电表固定在导轨上,并确保连接牢固。
2. 上电启动:在电表上找到电源开关,并将其打开。
此时,电表将开始工作,并显示当前的电能使用量。
3. 功能选择:导轨式电表具有多种功能,可以通过按键进行选择。
例如,按下"电流"按钮可显示当前电流值,按下"电压"按钮可显示当前电压值。
4. 数据清零:如需清零电能使用量,按住"清零"按钮5秒钟,待数值显示为0时松开按钮即可。
5. 关机:如需关闭电表,请将电源开关关闭,待显示屏熄灭后,即可断开电源。
四、注意事项1. 只有专业人员才能进行电表的安装和维修,请勿擅自操作电表内部的任何部件。
2. 请定期检查电表的电源线、电流线和电压线的连接是否松动,若有问题,请立即停止使用并联系专业维修人员进行检修。
3. 请勿使用尖锐工具或硬物敲击电表,以免损坏显示屏或内部电路。
4. 请勿将电表暴露在高温、潮湿或腐蚀性气体的环境中,以免影响电表的性能和寿命。
5. 请勿在电表上使用任何化学溶剂、洗涤剂或腐蚀性物品清洁电表外壳,以免造成电表损坏。
终端电能计量表计及系统选型手册一、概述Acrel-3000系列电能管理系统是紧密把握电力系统用户的需求,遵循电力系统的标准规范而开发的一套具有专业性强、自动化程度高、易使用、高性能、高可靠等特点的适用于低压配电系统的电能管理系统。
通过遥测和遥控可以合理调配负荷,实现优化运行,有效节约电能,并有高峰与低谷用电记录,从而为用电的合理管理提供了数据依据。
--终端电能计量表计及系统选型手册二、参照标准GB50052-2009供配电系统设计规范GB50054-2011低压配电设计规范GB/T17215.321-2008交流电测量设备特殊要求第21部分:静止式有功电能表(1级和2级)GB/T17215.322-2008交流电测量设备特殊要求第22部分:静止式有功电能表(0.2S级和0.5S级)GB/T17215.301-2007多功能电能表特殊要求DL/T448-2000《电能计量装置技术管理规程》DL/T698电能信息采集与管理系统DL/T814-2002配电自动化系统功能规范DL/T5137-2001《电测量及电能计量装置设计技术规程》三、系统结构电能管理系统可对低压设备消耗的电能进行分项计量,该系统由站控管理层、网络通讯层、现场设备层三部分组成。
现场设备层采用安科瑞低压智能计量箱AZX J,内部安装预付费电能表以及卡轨式电能表。
通过低压智能计量箱配合电能管理监控系统,利用计算机、后台监控管理软件和网络通讯技术,将采集到的用电设备的能耗数据上传到统一的监测管理平台,实现对用电系统的监控管理,对高能耗用电设备的合理控制,最终使整套用电系统达到节能效果。
电能管理系统网拓扑图见下图。
--终端电能计量表计及系统选型手册四、系统设计参数五、系统功能安科瑞终端用电管理系统是指通过在商业建筑、写字楼、农贸市场、宿舍等建筑物内安装导轨式及预付费电能计量装置,采用远程传输等手段及时采集各监测点电能数据并对用电量进行预付费管理,采用先买电后用电的模式,可以用来转移经营风险,并能提前收回电费,减少了后期运营的人员的工作量;实现了网络化实时操作,实时计量监控,即时售退电、即时通断电的控制效果。
彻底解决了以往由载波通信电表等电能采集设备组成的电能管理系统用电管理繁琐、系统稳定性差、数据不透明、欠费不交等的诸多问题,并可通过自助终端机或者互联网自助充值,无需进行人工繁杂的充值过程。
通过终端用电管理系统能合理的控制用电,对超标使用的电费严格收取,企业或者用户可根据购电情况发现用电的合理性并进行管理。
5.1系统主要实现的功能(1)实时用电监控:统计记录仪表的累计用电量、剩余电量、开关状态等参量,能方便的查询每个房间、商铺或整栋公寓楼的用电情况,省时省力。
(2)集中抄表:将房间每时每天的用电量自动存储到数据库中,无论何时都可查询到房间的用电量,做到用电透明,让用户明明白白消费。
(3)历史用电记录:将用户的用电记录存储到数据库中,并能按小时、天、月汇总,生成Excel报表。
(4)充值记录查询:管理记录对预付费电表的充值记录。
能方便的查询充值金额、充值时间等信息。
(5)售电日志管理:日志记录售电成功的信息、失败的原因,回溯机制。
(6)自助充值:能通过互联网充值卡或自助终端机充值,方便用户能实时的对仪表进行预付费,无需进行人工排队等待,但是不能在周期性断电期间充值,充值失败后,进行数据回滚。
(7)充值卡管理:记录充值卡的面值、有效期、状态。
(8)退费处理:在商户或者宿舍人员变更时,可对房间剩余电量进行退费处理,并打印明细。
(9)余额不足短信、邮件提醒:在系统中可按需设置预警电量,当小于等于预警电量时,由系统自动根据用户所留联系信息进行余额不足的提醒。
(10)设备管理:对仪表的地址、归属机构、检测周期等与后期控制有关的信息进行统一管理维护。
(11)定时断送电:按日期、时间、楼层、用户类别分类控制,大大节省了后勤管理人员的工作量。
(12)自动断电提醒:当余额不足时自动断电一段时间,之后自动恢复供电。
(13)囤积电量设置:可通过售电系统对电表预置“囤积电量”,当用户的新购电量与表内的剩余电量之和大于预置的“囤积电量”时,电表拒绝接收卡中的新购电量,只有当表内的剩余电量用至其与新购电量之和小于“囤积电量”时,卡中的新购电量方可追加到表中。
(14)阶梯电价:把用户用电量设置为若干个阶梯分段或分档次定价计算费用。
对用电实行阶梯式递增电价可以提高能源效率。
(15)负载安全限制:恶性负载、超功率自动断电功能,恶性负载、超功率排除后,系统自动恢复供电,保护用电环境。
5.2系统主要软件界面六、终端电能计量表计6.1产品规格6.2产品功能(■:标配功能;□:可选功能) 6.3技术参数6.4ADF100单相多用户预付费电能管理仪表6.4.1功能可同时计量6路单相回路;单回路能精确计量正负两个方向的电能,且以同一方向累计;具有实时功率显示功能,可实时显示用户的用电负荷;可逐户显示用户剩余电量;内置大容量磁保持继电器,可实现远程操控;可强制断送电,硬件定时断送电;功率控制(可设置用户的限制功率,当用户功率超过该设定值时,系统自动切断该用户电源);可实现预付费功能;带有电源指示灯;带有RS485通信,可集中抄表;6.4.2付费方式及系统组成ADF100多用户电能表实行联网付费方式,通过RS485通讯接口和通讯服务器、主控计算机组成计算机联网售电系统,每套计算机联网售电系统可同时管理255台ADF100多用户电能表,每台ADF100多用户电能表的编号不能相同。
用户从管理中心交费购电后,由管理人员通过操作售电管理软件系统,将所购电量远程写入电能表中。
同时,在计算机联网售电系统中,可以随时读取每台多用户电能表的每一户的剩余电量和通断电状态。
系统结构示意图如下:系统结构示意图6.4.3自动断电功能无费关断无费关断是电能表显示用户购电量为0度时,该户的继电器自动断电,提醒用户必须购电,这时该户的户号闪烁,用电量显示为—0000.00。
超负荷断电多用户电能表可设定用户的最大负荷电流,当用户的用电电流超过限额电流时,电能表自动切断该供电电路,待5分钟后自动上电,若用户的用电电流仍超过限额电流,电能表将再次断电。
定时断电多用户电能表可对用户用电进行时间控制,电能表通过售电管理软件,设定自动断电、自动上电时间,方便对用户的用电管理(此功能适用于公寓管理,须定制)。
6.5外形尺寸(单位:mm)DDS1352单相电能计量仪表DDSD1352单相电能计量仪表DDSY1352单相预付费电能管理仪表ADF100单相多用户预付费电能管理仪表DDSF1352单相电能计量仪表DTSF1352、DTSD1352三相电能计量仪表DTSY1352三相预付费电能管理仪表ADL3000-KLH三相多功能电能计量仪表6.6接线端子DDS1352单相电能计量仪表直接接入DDSD1352单相电能计量仪表直接接入DDSY1352单相预付费电能管理仪表ADF100单相多用户预付费电能管理仪表注:L与L*均是相线,相线从L接入多用户电能表,由L*引出后接入负载;零线由零排统一提供。
DDSF1352单相电能计量仪表直接接入经电流互感器接入DTSF1352、DTSD1352三相电能计量仪表三相四线直接接入三相四线经电流互感器接入三相三线直接接入三相三线经电流互感器接入通讯及脉冲输出端子DTSY1352三相预付费电能管理仪表三相四线直接接入三相三线直接接入通讯及脉冲输出端子ADL3000-KLH三相多功能电能计量仪表三相四线剩余电流辅助电源开关量(继电器)输出开关量输入通讯脉冲输出端子6.7预付费售电管理系统6.7.1系统概述《ACREL-PVMS预付费售电管理系统》是公司最新研制的与DDSY1352单相电子式预付费电能表或DTSY1352三相电子式预付费电能表配套的售电管理系统。
它是以售电管理软件和数据库软件为主,包括计算机、IC卡读写器、打印机等设备在内的计算机系统。
主要完成电能表参数设置、售电管理及用电管理工作。
操作简便,具有良好的人机界面,能够有效的统计和管理数据,并对数据的安全性做有效的保密措施。
是用电管理部门和物业小区管理部门提高用电管理水平,解决收费难问题的理想产品。
6.7.2应用范围商场及交易市场、学校、工厂职工宿舍、住宅小区,以及其他出租管理等场所。
6.7.3系统组成6.7.4系统主站图片6.7.5系统特点操作界面友好、简洁、智能化程度高。
一户一表,便于管理。
系统安全性高。
6.7.6运行环境为正确地运行安科瑞预付费售电管理系统,将系统性能发挥到最佳水平,推荐以下配置:硬件环境:工作站配置:双核处理器2.8G或更快,2G内存,120GB以上的可用磁盘空间。
建议使用硬盘备份,确保数据安全。
配套工具:IC卡读写器、IC卡及DDSY1352单相电子式预付费电能表或DTSY1352三相电子式预付费电能表。
LQ1600K打印机或其他打印机(票据打印机)。
显示器分辨率::(根据显示器大小设定)。
软件环境:工作站操作系统:中文WINDOWS7,WINDOWS2003,WINDOWS XP。
推荐操作系统WINDOWS XP。
服务器操作系统WINDOWS2003。
数据库系统:Microsoft SQL SERVER2008R2。
6.7.7系统功能模块登录管理:主要管理登录系统的操作,包括操作员管理、修改操作员密码、权限的管理等。
系统设置:系统相关参数维护管理。
客户管理:包括新表开户、换表补电、过户处理、注销客户信息等。
IC卡操作:包括读卡、清卡、售电写卡、制作各种参数卡等。
数据查询:各类明细报表、统计报表、通用查询等。
数据管理:系统数据库备份、数据库管理。
7、低压智能计量箱7.1概述安科瑞低压智能计量箱是对消耗的电能进行准确测量的设备,并通过网络通讯实现数据上传,是能耗监测系统的一个组成部分。
低压智能计量箱AZX J主要由箱体、箱门、开关、电能表等组成,有嵌入式和壁挂式两种,计量箱采用金属外壳,箱体板厚1.5mm,安装板厚2mm,材质为冷轧钢板,箱内设接地排,箱体进行防锈处理,环氧粉末喷涂,箱体颜色为RAL7035桔纹,整体设计合理美观。
可根据客户要求选择不同尺寸、材质的箱体及颜色。
7.2使用环境条件周围空气温度不高于+40℃,不低于-25℃。
24h内的平均温度不得高于+35℃。
使用地点的海拔高度≤2000M。
设备安装时与垂直面的倾斜度不超过5%。
安装场所应干燥,无剧烈震动,无有害气体、蒸汽、导电性或爆炸性尘埃的场所。
用户有特殊要求或上述使用条件不能满足时,协商解决。
7.3参照标准7.4应用7.4.1应用范围通过低压智能计量箱配合能耗监控系统,利用计算机、后台监控管理软件和网络通讯技术,将采集到的用电设备的能耗数据上传到统一的监测管理平台,实现对用电系统的监控管理,对高能耗用电设备进行合理控制,最终使整套用电系统达到节能效果。