导轨的选型及计算
- 格式:doc
- 大小:105.27 KB
- 文档页数:6
导轨的选型及计算导轨是一种用于支撑和导向运动机构的装置,广泛应用于各种机械设备和工业生产中。
导轨的选型和计算对于机械设备的运行和精度有着重要的影响,下面将详细介绍导轨的选型和计算的相关内容。
1.导轨的选型:-负载要求:根据所要承载的负载大小,选择相应的导轨类型和规格。
一般而言,负载越大,需要选择精度更高的导轨。
-运动速度:高速运动时,应选择具有较高刚度和振动阻尼的导轨类型,以确保平稳的运动。
-精度要求:根据所要求的运动精度,选择具有合适精度等级的导轨。
一般市场上导轨的精度等级包括:P级、H级、N级等,其中精度等级越高,导轨的定位精度越高。
-使用环境:根据导轨所处的环境条件,选择适合的导轨材料,如不锈钢导轨、铝合金导轨等。
-导轨的自润滑能力:根据实际需求选择导轨的自润滑能力,如有些导轨需要使用润滑油来确保正常工作。
2.导轨的计算:导轨的计算一般分为以下几个方面的内容:-负载计算:首先要计算所要承载的负载大小,包括横向负载、纵向负载和径向负载等。
-功率计算:根据负载计算出的数据,再根据所要求的运行速度,计算出导轨所需的功率。
-振动计算:根据负载和速度等参数,计算导轨运动时所产生的振动,并与实际需求进行对比,以确定导轨所需的振动阻尼能力。
-精度计算:根据所要求的运动精度,计算导轨的理论定位精度,并与导轨的精度等级进行比较。
如精度等级不够,需要重新选择导轨。
-刚度计算:根据负载和速度等参数,计算导轨的刚度,并与实际需求进行对比。
若刚度不够,也需要重新选择导轨。
-导轨的寿命计算:根据导轨的材料和工作环境等因素,计算导轨的使用寿命,并根据需求进行修正。
总之,导轨的选型和计算是机械设计的一个重要环节,它涉及到负载要求、运动速度、精度要求、使用环境等多个因素。
通过合理的选型和计算,可以确保导轨的适用性和可靠性,提高机械设备的运行精度和稳定性。
同时,需要注意参考相关的标准和规范,以确保导轨的质量和性能符合要求。
直线导轨选型计算今天给⼤家带来直线导轨选型计算,线导轨选型计算这是⼀门很有必要的章节于没有极⾼参数计算⽔平和实际应⽤(维护)经验设计⼈员来说,导轨、丝杆等的凭空选择也是必须的,下⾯我就给⼤家⼀⼀讲解滚动直线导轨副特点:1、滚动体与圆弧沟槽相接触,与点接触相⽐承载能⼒⼤,刚性好。
2、摩擦因素⼩,⼀般为 0.002~0.005 ,仅为滑动导轨副的 1/20~1/30 ,节省动⼒,可以承受上下左右四个⽅向的载荷。
动、静摩擦差别很⼩。
3、磨损⼩,寿命长,安装、维护、润滑简便。
运动灵活,⽆冲击,在低速微量进给时,能很好地控制位置尺⼨,不会发⽣空转打滑,并能实现超微⽶级精度的进给。
直线导轨的选型步骤滚动功能部件的主要失效形式是滚动元件与滚道的疲劳点蚀与塑性变形,其相应的计算准则为寿命(或动载荷)计算和静载荷计算。
某些滚动功能部件还具有滚动体循环装置,循环装置的失效主要靠正确的制造、安装与使⽤维护来避免。
1、动载荷计算C:基本额定动载荷 (N)Pc:垂直于运动⽅向的载荷, P/4fH :硬度系数,⼀般取值 1fT:温度系数fc:接触系数fw :载荷系数滚动体额定寿命:球体: 50km ;滚⼦: 100kmL:设计总寿命⾏程 (km)l:⼯作⾏程,即轨道长度 (单位: m)n:每分钟往返次数 (次/min)Lh:设计总寿命时间 (参照下页图表 )直线导轨在设备中的应⽤及安装⽅法1、在安装直线导轨之前必须清除机械安装⾯的⽑边、污物及表⾯伤痕。
注意:直线滑轨在正式安装前均涂有防锈油,安装前请⽤清洗油类将基准⾯洗净后再安装,通常将防锈油清除后,基准⾯较容易⽣锈,所以建议涂抹上黏度较低的主轴⽤润滑油。
2、将主轨轻轻安置在床台上,使⽤侧向固定螺丝或其他固定治具使线轨与侧向安装⾯轻轻贴合。
注意:安装使⽤前要确认螺丝孔是否吻合,假设底座加⼯孔不吻合⼜强⾏锁紧螺栓,会⼤⼤影响到组合精度与使⽤品质。
3、由远端向近端按顺序将滑轨的定位螺丝稍微旋紧,使轨道与垂直安装⾯稍微贴合。
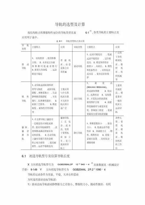
导轨的选型及计算按结构特点和摩擦特性划分的导轨类型见表6-1[5],各类导轨的主要特点及应用列于表中。
表6-1 导轨类型特点及应用6.1 初选导轨型号及估算导轨长度X 方向初选导轨型号为494012GGB 20B AL2P -⨯ [6]具体数据见《机械设计手册》9-149 Y 方向初选导轨型号为4109022G G B20AAL 1-⨯P导轨的运动条件为常温,平稳,无冲击和震动 为何选用滚动直线导轨副:1)滚动直线导轨副动静摩擦力之差很小,摩擦阻力小,随动性极好。
有利于提高数控系统的响应速度和灵敏度。
驱动功率小,只相当普通机械的十分之一。
2)承载能力大,刚度高。
3)能实现高速直线运动,起瞬时速度比滑动导轨提高10倍。
4)采用滚动直线导轨副可简化设计,制造和装配工作,保证质量,缩短时间,降低成本。
导轨的长度:由于导轨长度影响工作台的工作精度和高度,一般可根据滑块导向部分的长度来确定导轨长度。
其公式为:L=H+S+△l-S1-S2由此公式估算出Lx=940mm,Ly=1090mm其中L—导轨长度H—滑块的导向面长度S—滑块行程△l—封闭高度调节量S1—滑块到上死点时,滑块露出导轨部分的长度S2—滑块到下死点时,滑块露出导轨部分的长度6.2 计算滚动导轨副的距离额定寿命X方向的导轨计算X方向初选导轨型号为494012GGB20B AL2P-⨯,查表9.3-73[1]得,这种导轨的额定动,静载荷分别为Ca=13.6kN,Coa=20.3kN。
4个滑块的载荷按表9.3-48序号1的载荷计算式计算。
其中工作台的最大重量为:G=100×9.8=980NF1=F2=F3=F4=1/4(G1+F)=250N1)滚动导轨的额定寿命计算公式[6]为:L=(fh ftfc fa Ca/ fwPc)ε⨯K=27166km式中 L——额定寿命(km);Ca——额定动载荷(KN);P——当量动载荷(KN);Fmax——受力最大滑块所受的载荷(KN); Z——导轨上的滑块数;ε——指数,当导轨体为滚珠时,ε=3;当为滚柱时ε=10/3; K ——额定寿命单位(KM ),滚珠时,K=50KM ;滚柱时,K=100KM ; fh ——硬度系数;fh ――(滚道实际硬度(HRC ))。
导轨的选型及计算导轨的选型及计算按结构特点和摩擦特性划分的导轨类型见表6-1[5],各类导轨的主要特点及应用列于表中表6-1导轨类型特点及应用塑料导轨1, 动导轨表面贴塑料软带等与铸铁或钢导轨搭配,摩擦系数小,且动静摩擦系数搭配,不易爬行,抗摩擦性能好。
2, 贴塑工艺简单。
3,刚度较低,耐热性差容易蠕变主要应用与中大型机床压强不大的导轨应用日广泛动压导轨1,速度高(90m/mi n~6OOm/mi n),形成液体摩擦2,阻尼大,抗阵性好3,结构简单,不需复杂供油系统,使用维护方便4,油膜厚度随载荷与速度而变化。
影响加工精度,低速重载易出现导轨面要用语速度高,精度要求般的机床镶钢,镶金属导轨1,在支撑导 轨上镶装有 一定硬度的 不钢板或钢 带,提高导 轨耐磨性,改善摩擦或 满足焊接床 身结构需 要。
2,在动 导轨上镶有 青铜只类的 金属防止咬 合磨损,提 高耐磨性,运动平稳精 度咼镶钢 导轨 工艺 复 杂,成本 高。
常用于重 型机 床如 \立 车,龙门 铣床 的导 轨上 静压 导轨 1,摩擦系数 很小,驱动 力小。
2,低 速运动平稳 性好3,承 载能力大,刚性,吸阵 性好4,需要 一套液压装 置,结构复 杂,调整困 难各种 大 型,重 型 机 床,精 密 机 床, 数 控 机 床 的 工6.1初选导轨型号及估算导轨长度X 方向初选导轨型号为GGB20BAL2P12 940 4⑹具体数据见《机械设计 手册》9-149 Y 方向初选导轨型号为 GGB20AAL 2R2 1090 4导轨的运动条件为常温,平稳,无冲击和震动 为何选用滚动直线导轨副:1)滚动直线导轨副动静摩擦力之差很小,摩擦阻力小,随动性极好。
有利于提高数控系统的响应速度和灵敏度。
驱动功率小,只相当普通机械的十分之。
2)承载能力大,刚度高。
3)能实现高速直线运动,起瞬时速度比滑动导轨提高10倍。
4)采用滚动直线导轨副可简化设计,制造和装配工作,保证质量,缩短时间,降低成本。
导轨的选型及计算步骤什么是导轨导轨是一种机械零件,也被称为导向轨。
其作用是通过高精度的加工和装配,使得机器元件在其中受到引导和支持,从而达到准确移动的目的。
导轨通常应用在机器人、自动化加工设备、精密测量仪器等领域,是现代工业高精度装备的重要组成部分。
导轨的选型主要有以下几项考虑因素:1.精度等级导轨的精度等级决定了其加工技术、材料及制造成本。
一般来说,导轨的精度等级越高,其制造成本也就越高。
在选型过程中,需要根据具体应用情况进行权衡。
如果应用要求较高的精度,那么就需要选择精度等级高的导轨,反之则可以选择精度等级较低的导轨。
2.负载能力导轨需要承载机器元件的重量,因此需要考虑其负载能力。
在选择导轨时,需要根据机器元件的重量以及运动速度来计算导轨的承载能力。
3.应力分布情况在机器元件运动时,导轨上承受的应力分布情况对导轨的选型也有一定的影响。
如果应力分布不均匀,容易导致导轨变形或磨损。
因此,在选型时需要考虑导轨的应力分布特点,选择合适的导轨型号。
4.环境适应性导轨常常运用在恶劣的环境中,如高温、低温、潮湿等。
因此,在选型时需要考虑导轨的环境适应性,选择能适应相应环境的导轨型号。
导轨的计算步骤导轨的选型需要进行一定的计算和验证,主要涉及以下步骤:1.计算负载需要根据机器元件的重量、材质、数量等因素来计算机器运行时所需的导轨承载力。
计算公式为:F = mg其中,F表示承载力,m表示质量,g表示重力加速度。
2.计算生命公式生命公式是导轨的使用寿命计算公式。
该公式根据工作条件、轨道长度以及使用频次对导轨的寿命进行评估。
生命公式通常采用下列形式:L10 = (C / F)^b其中,L10表示统计寿命,C表示基本动载荷额定值,F表示实际负荷,b为指数。
3.计算导轨长度根据机器的移动范围以及导轨的型号、长度等因素,计算所需的导轨长度。
同时,需要考虑运动的平稳性、自重等因素进行合理的选择。
以上就是导轨选型及计算的主要步骤。
交叉滚子导轨选型手册交叉滚子导轨选型手册一、导轨材料的选择1. 结构材料的选择:通常情况下,导轨可选用铝合金、钢材、工程塑料等材料。
铝合金导轨具有较好的轻量化特性和抗腐蚀性,适用于轻负荷和高速运动场合;钢制导轨具有较高的刚性和承载能力,适用于重负荷和高精度要求的场合;工程塑料导轨具有优异的自润滑性能和耐磨性,适用于低噪音和较高速度的场合。
2. 表面处理:为了提高导轨的耐磨性和抗腐蚀性,常采用阳极氧化、镀铬、喷涂等方式进行表面处理。
二、负载和速度的计算1. 负载计算:根据实际应用场景中的负载重量和工作条件,计算出导轨所需的承载能力。
需要考虑的因素包括静载荷、动载荷、冲击负载等。
2. 速度计算:根据实际应用场景中的运动速度要求,计算出导轨所需的最大速度。
需要考虑的因素包括摩擦系数、润滑条件、热量产生等。
三、导轨类型的选择1. 直线导轨:适用于需要直线运动的场合,具有较高的准确性和重复定位精度。
2. 弧形导轨:适用于需要弧形或非线性运动的场合,具有灵活性和多样性。
3. 斜面导轨:适用于需要提供斜面运动的场合,可有效减少冲击和摩擦。
4. 悬臂导轨:适用于需要悬臂或悬空运动的场合,具有较高的稳定性和承载能力。
四、滚子尺寸的选择1. 滚子直径:根据负载和速度计算结果,选择适当的滚子直径。
一般来说,滚子直径越大,承载能力越高,但运动摩擦力也会增加。
2. 滚子长度:根据实际应用场景中的滚动方式和工作条件,选择适当的滚子长度。
需要考虑的因素包括滚动摩擦、动态载荷分布等。
五、润滑方式的选择1. 干摩擦:适用于低速和低负荷的场合,不需要额外的润滑剂。
2. 润滑油:适用于高速和高负荷的场合,需选择合适的润滑油进行润滑。
润滑油的选择要考虑温度范围、粘度等因素。
3. 润滑脂:适用于中速和中负荷的场合,需选择合适的润滑脂进行润滑。
润滑脂的选择要考虑温度范围、抗水洗性能等因素。
六、安装和维护注意事项1. 安装时要确保导轨与所安装机械设备的平行度和垂直度,以免影响导轨的正常运行。
导轨的选型及计算步骤导轨是一种用于支撑和引导物体运动的机械装置,广泛应用于机床、自动化设备和交通工具等领域。
在选择合适的导轨类型和进行计算时,可以按照以下步骤进行:第一步:确定导轨应用条件在选择导轨之前,需要明确导轨所处的应用环境和要求,包括导轨的使用负载、运动速度、运动方向、运动方式和工作环境等。
这些因素将决定导轨的类型和精度等级。
第二步:选择导轨类型根据导轨的应用条件,可以选择合适的导轨类型,常见的导轨类型有直线导轨、圆柱导轨、球导轨和滚道导轨等。
不同类型的导轨适用于不同的应用场景,具有自身的特点和优势。
直线导轨适用于直线运动的场合,有较高的精度和刚度。
圆柱导轨适用于往复运动的场合,具有较高的承载能力和刚性。
球导轨适用于高速运动的场合,具有较好的滚动性能和耐磨性。
滚道导轨适用于滚动运动的场合,具有较好的自动调心能力和承载能力。
第三步:计算导轨尺寸在确定导轨类型之后,需要进行导轨尺寸的计算。
导轨的尺寸计算包括导轨长度、导轨高度、导轨宽度和导轨间距等。
这些尺寸需要根据负载和运动要求等因素来确定,确保导轨能够满足运动的要求和使用寿命。
导轨长度的计算是根据工件的行程和导轨端部的支撑方式来确定的。
导轨高度和宽度的计算需要根据负载和导轨类型来确定。
导轨高度的计算通常需要考虑滑块的高度和导轨的承载能力。
导轨宽度的计算需要考虑滑块的宽度和导轨的刚度要求。
导轨间距的计算通常需要根据工作台或滑块的尺寸来确定。
第四步:确定导轨的精度等级导轨的精度等级通常根据导轨的工作要求来确定。
导轨的精度等级包括导轨的直线度、平行度、垂直度和角度度等。
高精度等级的导轨通常具有更高的精度和刚度,适用于要求高速、高精度和高刚度的应用场合。
第五步:选择合适的导轨供应商在确定导轨类型、尺寸和精度等级之后,可以选择合适的导轨供应商进行采购。
导轨供应商的选择需要考虑产品质量、售后服务、价格和交货周期等因素。
总之,选择合适的导轨类型和进行计算是确保导轨能够满足运动要求和使用寿命的关键。
导轨的选型和计算导轨是指用于支撑和引导机械部件或设备运动的元件,常见于各种机床、自动化设备、输送机及激光切割机等各类工业设备。
导轨的选型和计算涉及到多个方面的因素,包括负载条件、运动速度、加速度、精度等。
下面将详细介绍导轨的选型和计算过程。
1.负载条件:导轨的选型要根据设备的负载条件来确定。
负载条件包括负载方向、负载大小以及负载变化速度等。
根据负载条件来确定导轨的尺寸和材料,以保证机械设备的正常运行。
2.运动速度:导轨的选型也要考虑设备的运动速度。
运动速度越高,对导轨的要求就越高,需要选择更高强度的导轨。
3.加速度:设备的加速度也会对导轨的选型产生影响。
加速度越大,对导轨的应力和冲击力就越大,需要选择更耐磨、更强韧的导轨。
4.精度要求:不同的机械设备对导轨的精度要求不同,需要根据设备的精度要求来选择导轨。
一般来说,高精度设备需要选用精度更高的导轨。
导轨的计算可以分为以下几个步骤:1.确定负载:首先需要确定设备的负载条件,包括负载方向、负载大小以及负载变化速度等。
2.计算静载荷:根据负载条件,可以计算出设备在工作过程中对导轨的静载荷。
静载荷是指设备在停止运动状态下对导轨的压力。
3.计算动载荷:动载荷是指设备在运动过程中对导轨的压力。
动载荷的计算涉及到设备的运动速度和加速度等因素。
根据实际使用的设备运动速度和加速度,可以计算出动载荷。
4.选择导轨:根据计算得到的静载荷和动载荷,可以选择合适的导轨。
选择导轨时要考虑导轨的强度、硬度和耐磨性等因素。
5.导轨尺寸计算:根据设备的负载条件和运动速度等因素,可以计算出导轨的尺寸。
导轨的尺寸包括导轨的宽度、厚度和长度等。
6.导轨校核:最后需要对选择的导轨进行校核,确定是否满足设备的要求。
校核包括对导轨的强度、硬度和刚度等性能进行验证。
总之,导轨的选型和计算是一个复杂且综合的过程,需要考虑多个因素。
合理的导轨选型和计算可以保证机械设备的正常运行,提高设备的精度和寿命。
导轨的选型及计算步骤选型和计算步骤包括以下几个方面:1.确定导轨的应用场景:首先,需要明确导轨的应用场景,如机床、自动化生产线、电梯等等。
不同的应用场景对导轨的要求不同,需要选择适合的导轨类型和规格。
2.选择导轨类型:根据应用场景的要求,选择合适的导轨类型。
常见的导轨类型包括线性滑轨、滚珠导轨、滚柱导轨等等。
不同的导轨类型有不同的性能特点和适用范围,需根据具体情况进行选择。
3.确定导轨规格:根据应用场景的要求和工作负载,确定导轨的规格。
导轨的规格主要包括导轨长度、导轨宽度、导轨高度等等。
要考虑工作负载的重量、速度和加速度等参数,确保选择的导轨能够满足要求。
4.导轨剖面和形状设计:针对具体应用需求和机械结构设计要求,确定导轨的剖面和形状。
导轨的剖面和形状会影响导轨的刚度、耐磨性和重量等性能,需要根据具体情况进行设计。
5.导轨材料选择:根据应用场景的要求和工作环境,选择适合的导轨材料。
常用的导轨材料包括钢、铁、铝、不锈钢等等。
不同材料具有不同的机械性能、耐磨性和耐腐蚀性,需要根据实际情况进行选择。
6.导轨质量和精度要求:根据应用需求和工作精度要求,确定导轨的质量和精度要求。
导轨的质量和精度与导轨的制造工艺和材料有关,需要根据具体应用要求来决定。
7.导轨的安装和维护:在完成选型和计算后,需要进行导轨的安装和维护工作。
导轨的安装要注意安装位置、安装方向和安装精度,以确保导轨的准确性和稳定性。
导轨的维护包括保持导轨的清洁、润滑和定期检查等工作,以延长导轨的使用寿命。
以上是导轨选型和计算步骤的基本内容,根据具体应用需求和实际情况,还可以结合其他因素进行综合考虑,以确保选取合适的导轨。
导轨的选型及计算导轨是一种用于支撑和引导物体运动的装置,广泛应用于机械和工业设备中。
在选择和计算导轨时,需要考虑以下几个方面:负载要求、运动速度、导轨类型、材料选择和尺寸确定。
首先,需要确定所使用导轨的负载要求。
负载要求是指导轨所能承受的最大力或重量。
一般来说,负载要求越高,导轨的材料和结构就需要更加坚固。
而且,还需要考虑导轨的稳定性和刚度。
负载要求不仅包括垂直负载(上下方向),还包括水平负载(左右方向)和侧向负载(前后方向)。
其次,需要考虑所使用导轨的运动速度。
运动速度对导轨的选择和计算有重要影响。
较高的运动速度会产生较大的惯性力,需要导轨具有较高的刚度和稳定性,并能够抵抗振动和冲击。
此外,还需要考虑所使用的导轨是否需要进行连续运动或者往返运动。
然后,导轨的类型也需要进行选择。
常见的导轨类型包括滑动导轨和滚动导轨。
滑动导轨是指导轨和被导轨之间通过滑动方式实现相对运动。
滑动导轨适用于低速和低负载的场合,但容易产生摩擦磨损。
滚动导轨是指导轨和被导轨之间通过滚动方式实现相对运动。
滚动导轨适用于高速和高负载的场合,但相对较为复杂和昂贵。
材料选择也是导轨选型的重要因素。
导轨的材料应具有高硬度、高强度和良好的耐磨性,以保证其在使用过程中能够满足要求,并能够长时间保持良好的工作性能。
常见的导轨材料包括金属材料(如钢、铝合金)和聚合物材料(如尼龙、聚四氟乙烯)。
最后,需要确定导轨的尺寸。
导轨的尺寸包括导轨的长度、宽度和高度。
导轨的长度应根据实际工作需要进行确定,导轨的宽度和高度应根据负载要求和运动速度进行计算。
导轨的宽度和高度越大,其刚度和稳定性越好,但也会增加成本和空间占用。
在进行导轨选型和计算时,通常需要参考相关的技术手册、标准和经验数据,并结合具体应用需求进行综合考虑。
此外,还需要进行导轨的安装和维护,以保证其正常工作和延长使用寿命。
上银直线导轨选型计算一、引言直线导轨作为机械制造中常见的定位和运动控制装置,其选型计算对于保证机械设备的精度和稳定性非常重要。
针对上银直线导轨,本文将从导轨的基本参数、工作条件和选型计算等方面进行详细介绍。
二、直线导轨基本参数1.导轨长度:根据设备的工作行程和使用要求进行确定,一般取决于零件的加工范围;2.导轨宽度和高度:根据设备的载荷和工作条件来确定,同时需要考虑导轨的刚度和耐力等参数;3.导轨滑块类型:上银直线导轨的滑块类型有多种,如固定型、活动型和滚动式等,根据设备的要求和工作条件来选择合适的类型;4.导轨接触方式:根据设备的工作方式和传动要求来选择导轨的接触方式,如滾珠式或滑块式。
三、工作条件的考虑1.载荷和速度:根据设备的工作要求和使用环境来确定导轨的额定负荷和额定速度;2.温度和湿度:导轨材料的选择和防护措施需要根据设备的工作环境来确定,确保导轨在不同温度和湿度下的工作稳定性和寿命;3.环境污染:如果设备工作环境存在较高的灰尘、油污或腐蚀气体等,则需选择具有防护功能的导轨材料和密封结构。
四、选型计算1.载荷计算:根据设备工作过程中导轨所承受的力矩、推力和振动等参数,结合导轨的载荷能力进行计算,确保导轨在工作过程中不会超载;2.刚度计算:根据设备需要的刚度和精度要求,确定导轨的刚度,并结合导轨悬臂长度和滑块支承情况进行计算;3.寿命计算:根据设备的使用寿命要求和工作条件,选择合适的导轨材料和型号,计算导轨的设计寿命,并与设备寿命要求进行对比;4.运动平稳性计算:根据设备的运动速度、加速度和减速度等参数,计算导轨的运动平稳性指标,确保设备的运动稳定性和准确性;5.经济性计算:根据设备的成本和效益要求,结合导轨的选型参数进行综合评估,选择性价比较高的导轨产品。
五、选型注意事项1.导轨的选型计算需要首先根据设备的使用要求和工作条件来确定导轨的基本参数;2.选型计算需要考虑导轨的负荷能力、刚度和寿命等因素,并结合设备的运动速度和稳定性要求来综合考虑;3.在进行选型计算时,还需要考虑导轨的安装和调整方便性、维护保养工作的便捷性和地方配套件等因素;4.最终选型结果需要与设备的实际情况和使用要求相匹配,以保证设备的性能和稳定性。
导轨的选型及计算.doc导轨的选型及计算按结构特点和摩擦特性划分的导轨类型见表6-1[5],各类导轨的主要特点及应⽤列于表中。
6.1 初选导轨型号及估算导轨长度X ⽅向初选导轨型号为494012GGB 20B AL2P -? [6]具体数据见《机械设计⼿册》9-149 Y ⽅向初选导轨型号为4109022G G B20AAL 1-?P 导轨的运动条件为常温,平稳,⽆冲击和震动为何选⽤滚动直线导轨副:1)滚动直线导轨副动静摩擦⼒之差很⼩,摩擦阻⼒⼩,随动性极好。
有利于提⾼数控系统的响应速度和灵敏度。
驱动功率⼩,只相当普通机械的⼗分之⼀。
2)承载能⼒⼤,刚度⾼。
3)能实现⾼速直线运动,起瞬时速度⽐滑动导轨提⾼10倍。
4)采⽤滚动直线导轨副可简化设计,制造和装配⼯作,保证质量,缩短时间,降低成本。
导轨的长度:由于导轨长度影响⼯作台的⼯作精度和⾼度,⼀般可根据滑块导向部分的长度来确定导轨长度。
其公式为:L=H+S+△l-S1-S2由此公式估算出Lx=940mm,Ly=1090mm 其中L —导轨长度H —滑块的导向⾯长度 S —滑块⾏程△l —封闭⾼度调节量S1—滑块到上死点时,滑块露出导轨部分的长度 S2—滑块到下死点时,滑块露出导轨部分的长度6.2 计算滚动导轨副的距离额定寿命X ⽅向的导轨计算X ⽅向初选导轨型号为494012GGB 20B AL2P -?,查表9.3-73[1]得,这种导轨的额定动,静载荷分别为Ca=13.6kN,Coa=20.3kN 。
4个滑块的载荷按表9.3-48序号1的载荷计算式计算。
其中⼯作台的最⼤重量为:G=100×9.8=980NF1=F2=F3=F4=1/4(G1+F )=250N1)滚动导轨的额定寿命计算公式[6]为:L=(f h f t fc fa Ca/ fwPc )εK=27166km式中 L ——额定寿命(km ); Ca ——额定动载荷(KN ); P ——当量动载荷(KN );Fmax ——受⼒最⼤滑块所受的载荷(KN );Z ——导轨上的滑块数;ε——指数,当导轨体为滚珠时,ε=3;当为滚柱时ε=10/3; K ——额定寿命单位(KM ),滚珠时,K=50KM ;滚柱时,K=100KM ; fh ——硬度系数;fh ――(滚道实际硬度(HRC ))。
导轨的选型和计算一、导轨的选型1.载荷能力:根据设备的负载情况,选择合适承受载荷的导轨。
一般情况下,载荷能力的计算主要包括垂直加载、水平加载、弯曲和扭矩。
2.运动方式:导轨的运动方式主要有滚动式和滑动式两种。
滚动式导轨由滚珠或滚柱组成,能够提供高精度和高速运动,但需要润滑油脂。
滑动式导轨由滑块和导轨座组成,能够提供大的载荷能力和稳定性,但摩擦力较大。
3.精度要求:根据设备的精度要求,选择合适精度等级的导轨。
通常有P级、H级和X级等,精度等级越高,滚动阻力越小,但成本也越高。
4.导轨的长度和尺寸:根据设备的工作空间和机械结构的尺寸,选择合适长度和尺寸的导轨。
5.导轨的材料:选择适合工作环境的导轨材料。
常用的导轨材料有钢、铸铁、铝合金等。
6.导轨的耐磨性和耐腐蚀性:根据设备的工作环境,选择合适的导轨材料,保证导轨的使用寿命。
7.导轨的价格:根据设备的预算,选择合适价格的导轨。
二、导轨的计算导轨的计算主要包括轴向排列导轨的计算和重合度计算。
下面将分别介绍两种计算方法。
1.轴向排列导轨的计算:假设有两个水平轴向排列的导轨,需要计算它们的间隙和偏移。
计算方法如下:(1)计算间隙:导轨的间隙计算公式为:间隙=(导轨1的总高度-导轨2的总高度)/2 (2)计算偏移:导轨的偏移计算公式为:偏移=(导轨1的总宽度-导轨2的总宽度)/2 2.重合度计算:重合度是指两个导轨之间的平行度,它是影响机械设备运动轨迹准确性的重要因素。
重合度计算方法如下:(1)首先需要确定一个基准导轨,该导轨的位置和安装是准确无误的。
(2)测量其他导轨相对于基准导轨的位置偏差,包括垂直度、水平度和偏移量。
(3)根据测量值进行修正,使得其他导轨与基准导轨保持平行和重合。
以上就是关于导轨的选型和计算的详细介绍。
通过合理地选择和计算导轨,可以保证机械设备的运动平稳、精度高,并且延长导轨的使用寿命。
在实际应用中,还需要根据具体的机械设备和工作环境进行综合考虑,选择最适合的导轨。
直线导轨是机械行业最重要的负载元件,负载平台沿着导轨无限循环做高精度直线运动,上银导轨高精度,耐磨,高速运动摩擦少,润滑结构简单,那么上银直线导轨规格型号选型计算规则是什么呢?使用条件设定应用设备类型内部空间限定尺寸应用设备的精度要求应用设备刚性要求负荷方式有效行程运行速度、加速度使用频率使用环境要求的寿命年限选用上银导轨系列类型HG系列滚珠导轨:磨床、铣床、车床、钻床、综合加工机、放电加工机、镗床、线切割机、精密量测仪器、木工机械、搬运机器、运送装置。
EG系列低组导轨:产业自动化机器、半导体机械、镭射雕刻机、包装机器。
MG系列微型导轨:印表机、机器手臂、电子仪器设备、半导体设备。
RG系列重型导轨:CNC加工机、重切屑加工机、CNC磨床、射出成型机、放电加工机、线切割机、大型龙门机床QH系列静音导轨:高速、宁静、低发尘需求产业。
WE/QW系列是单轴设备专用。
选用直线导轨精度等级C:普通H:高P:精密SP:超精密UP:超高精密假定滑块尺寸和数量依据经验选用负荷状态若与滚珠丝杆配合使用,则直线导轨规格与丝杠外径相似,例如:若滚珠丝杠为35mm则选用HG35规格的。
计算滑块最大负荷参照负荷计算例计算出单个滑块最大等效负荷确认选用的直线导轨静安全系数应超过静安全系数使用表所列之值。
选择预压力依据刚性要求及其安装精度选用确认刚性参照刚性表计算变形量(提高预压力,加大选用尺寸或滑块数量以提供刚性)计算使用寿命依据使用速度、频率计算寿命距离要求(依据寿命公式计算选定直线导轨的寿命距离)润滑选用润滑剂选用,应设备要求可选择润滑脂、润滑油、特殊润滑剂,润滑定期注入润滑脂或自动供油。
导轨的选型及计算
按结构特点和摩擦特性划分的导轨类型见表6-1[5],各类导轨的主要特点及应用列于表中。
表6-1 导轨类型特点及应用
6.1 初选导轨型号及估算导轨长度
X 方向初选导轨型号为494012GGB 20B AL2P -⨯ [6]具体数据见《机械设计手册》9-149 Y 方向初选导轨型号为4109022G G B20AAL 1-⨯P
导轨的运动条件为常温,平稳,无冲击和震动 为何选用滚动直线导轨副:
1)滚动直线导轨副动静摩擦力之差很小,摩擦阻力小,随动性极好。
有利
于提高数控系统的响应速度和灵敏度。
驱动功率小,只相当普通机械的十分之一。
2)承载能力大,刚度高。
3)能实现高速直线运动,起瞬时速度比滑动导轨提高10倍。
4)采用滚动直线导轨副可简化设计,制造和装配工作,保证质量,缩短时间,降低成本。
导轨的长度:
由于导轨长度影响工作台的工作精度和高度,一般可根据滑块导向部分的长度来确定导轨长度。
其公式为:
L=H+S+△l-S1-S2
由此公式估算出Lx=940mm,Ly=1090mm
其中L—导轨长度
H—滑块的导向面长度
S—滑块行程
△l—封闭高度调节量
S1—滑块到上死点时,滑块露出导轨部分的长度
S2—滑块到下死点时,滑块露出导轨部分的长度
6.2 计算滚动导轨副的距离额定寿命
X方向的导轨计算
X方向初选导轨型号为4
940
12
GGB20B AL2P-
⨯,查表9.3-73[1]得,这种导轨的额定动,静载荷分别为Ca=13.6kN,Coa=20.3kN。
4个滑块的载荷按表9.3-48序号1的载荷计算式计算。
其中工作台的最大重量为:
G=100×9.8=980N
F1=F2=F3=F4=1/4(G1+F)=250N
1)滚动导轨的额定寿命计算公式[6]为:
L=(f
h f
t
fc fa Ca/ fwPc)
ε
⨯K=27166km
式中 L——额定寿命(km);
Ca——额定动载荷(KN);
P——当量动载荷(KN);
Fmax——受力最大滑块所受的载荷(KN); Z——导轨上的滑块数;
ε——指数,当导轨体为滚珠时,ε=3;当为滚柱时ε=10/3; K ——额定寿命单位(KM ),滚珠时,K=50KM ;滚柱时,K=100KM ; fh ——硬度系数;
fh ――(滚道实际硬度(HRC ))。
由于产品技术要求规定,滚道硬度不得低于58HRC ,故通常可取fh =1
ft ——温度系数,查表6-2[7],得t f
=1
表6-2 温度系数
fc ——接触系数,查表6-3;得
c
=1
fa ——精度系数,查表6-4;取
a
=1.5
fw ——载荷系数,查表6-5;得
w
=1
则L=27166Km
2)寿命时间的计算
当行程长度一定,以h 为单位的额定寿命为:
h n L L L a h 3.3059260
174.021027166602103
23=⨯⨯⨯⨯=⋅⋅⋅=
式中 h L ——寿命时间(h ) L ——额定寿命(km ) La ——行程长度(m ) 2n ——每分钟往返次数 则h L h 3.30592
工况为:每天开机6个小时,每年300个工作日,则预计寿命年限为:
L h =30592.3/300×6=16.9年 同理求出Y 方向滚动导轨副的距离额定寿命:
L=26340.1km L h =25230h=14年
6.3导轨材料与热处理
机床滑动导轨常用材料主要是灰铸铁和耐磨铸铁。
灰铸铁通常以HT200或HT300做固定导轨,以HT150或HT200做动导轨。
JB/T3997-1994标准对普通灰铸铁导轨的硬度要求如表6-6[10]所示
常用耐磨铸铁与普通铸铁耐磨性比较见表6-7[8]
表6-7 常用耐磨铸铁
导轨热处理:一般重要的导轨,铸件粗加工后进行一次时效处理,高精度导轨铸件半精加工后还需进行第二次时效处理。
常用导轨淬火方法有:
1)中频淬火,淬硬层深度(1~2)mm 。
硬度(45~50)HRC 。
2)接触加热自冷表面淬火,淬硬深度(0.2~0.25)mm,显微硬度600HM 左右。
这种淬火方法主要用于大型铸件导轨。
6.4导轨的技术要求
6.4.1表面粗糙度
1)刮研导轨刮研导轨具有接触好、变形小、可以存油、外观美等特点,但劳动强度大、生产率低。
主要用于高精度导轨。
刮研导轨轨面每25mm×25mm面积内的接触点数不得少于表6-8[9]的规定。
2)导轨生产率高,是加工淬硬导轨唯一方法,磨削导轨表面粗糙度应达到的要求,见表6-9[10]。
接触面要求见表6-10[10]。
表6-9 磨削导轨表面粗糙度Ra
注:1.滑动速度大于0.5时,粗糙度应降低一级(括号内数值)。
2.淬硬导轨的表面粗糙度应降低一级(括号内数值)。
表6-10 磨削导轨表面的接触指标(%)
注:1.宽度接触达到要求后,方能作长度的评定。
2.镶条按相配导轨接触指标检验。
6.4.2几何精度
导轨的几何精度主要是指导轨的直线度和导轨间的平行度,垂直度等。
具体相关的几何精度参阅有关机械的精度标准。
本机构导轨精度取3级。
6.5导轨设计和使用注意事项
正确合理地设计和使用滚动直线导轨副,可以提高耐用度和精度保持性,减少维修和保养时间。
为此,应注意如下事项:
1)尽量避免力矩和偏心载荷的作用滚动直线导轨副样本中给出的额定动,静载荷,都是在各个滚珠受载均匀的理想状态下算出的。
因此,必须十分注意避免力矩载荷和偏心载荷。
否则,一部分滚珠承受的载荷,有可能超过计算Ca值时确定的许用接触应力,导致过早的疲劳破坏或产生压痕并出现振动,噪声,降低移动精度等现象。
2)提高刚度,减少振动适当预紧可以提高刚度,均化滚动体的受力从而提高寿命,并在一定程度上提高阻尼。
但是预紧力过大会增加导轨副的摩擦阻力,增加发热,降低使用寿命。
因此预紧力有其最佳值。
滚动支承的阻尼较小,因此要尽可能使它承受恒定的载荷。
有过大的振动和冲击载荷的场合不宜应用直线滚动导轨副。
为了减少振动,可以在移动的工作台上加装减振装置。
条件许可时可安装锁紧装置,加工时把不移动的工作台固定。
3)降低加速度的影响直线滚动导轨副的移动速度可以高达600m/min。
起动和停止时,将产生一个力矩,使部分滚动体受载过大,造成破坏。
因此,如果加速度较大,应采取以下措施:减轻被移动物体的质量,降低物体的重心,采取多级制动以降低加速度,在启动和制动时,增加阻尼装置等。
4)导轨防护
①固定保护:利用导轨中移动件俩端的延长物保护导轨。
②刮屑板:利用毛毡或耐油橡胶制成与导轨形状相吻合的刮条,使之刮走落在导轨上的灰尘,切屑等。
5)注意润滑和防尘滚动导轨通常采用钠基润滑脂润滑。
如果使用油润滑。
应尽可能采用高拈度的润滑油。
如果与其他机构同统一供油,则需附加滤油器。
在油进入导轨前再经一道精细的过滤。
为了防止异物浸入和润滑油泻出,产品出厂时滑块座两端均装有耐橡胶密封垫。