数据机房机房承重问题计算
- 格式:docx
- 大小:361.07 KB
- 文档页数:5
一、机房承重加固重要性一般办公用楼在建设时楼板承重在300-500kg每平M;机房由于机柜和设备,以及UPS的重量往往比较大,通常标准己方的楼板承重在800-1000kg每平M。
普通办公用楼可以在机房所处的楼层经形承重改造,一般有楼板碳纤维涂层、承重梁附加钢板、楼板上架设钢梁等方法来增大结构承重,从而满足机房建设的需要。
而一般的机房在装修上还会在楼板上额外架设不锈钢防静电地板和角钢散力架作为分散承重的手段。
二、机房承重加固设计要求按照〖GB/T 2887-2000〗《电子计算机场地通用规范》,计算机机房设备用房的楼板荷重应依设备重量而定,一般应大于或等于800Kg/㎡。
所以要求机房内空调、UPS及电池组等相关设备都要满足机房楼地面承重的要求,根据设备具体情况进行设计。
若需做钢架承重处理,则要求出详细的方案图及说明。
配电柜及新风机等设备设计需采用角钢焊接制作安装固定支架。
三、机房承重加固内容机房内设备密度较大,对建筑楼板承重有特殊要求,在机房选址和设计时应该核实机房位置的建筑承重。
对于个别机房功能区间需考虑做楼板的承重加固,特别是UPS及电池、精密空调等大型设备,重量较大,应安装设备承重散力支架或加固处理达到功能要求。
机房布局时要重点考虑大型设备的承重,尽量把重型设备放置在机房的承重梁上。
四、机房规划时建筑承重可参照以下标准规范设计备注:重力学(牛顿定律)换算的关系,1Kg=9.8N 1000N=1KN;因此,1KN=1000÷9.8≈102.04Kg。
四、机房承重加固方案工程背景根据现场勘查,结合新设计机房平面图纸及机柜设备摆放,体现出机房内设备密度较大,承重要求较高,对建筑楼板承重也有特殊要求,考虑到现在的楼板有效载荷不满足机房要求,建议对机房做承重加固措施五、机房承重加固方案介绍1.通过加固补强可以提高结构安全度、减少事故隐患、延长结构使用寿命。
2.在对建筑物进行承重评估鉴定后,应根据建筑物实际情况进行加固方案选择和加固设计。
一、机房承重简介众所周知,机房是电子设备运行的场所,而电子设备体积较大,并且非常厚重,所以机房要有较高的承重能力,满足设备的承重要求,但现在很多建筑并非为机房所建,其承重达不到机房要求,所以在建设机房之前就要考虑到承重问题,下面详解机房的承重标准,以及机房承重计算内容及计算方法。
民用楼房二楼以上承重荷载设计都是250-500kg/m2的负荷,办公用楼在建设时楼板承重在300-500kg每平米,机房由于机柜和设备,以及UPS的重量往往比较大,通常标准己方的楼板承重在800-1000kg每平米。
当设计成机房时,如果要符合机房规范,就要考虑在机柜下做散列承重支架,把承重支架底面接触面积增大一倍的方式来实现分散楼板承重力,当由于机柜、空调、UPS等设备重量较大,超过楼板荷载时,为了保证建筑物本身结构安全和出于一般机房抗震要求时,这时你需要对机柜、空调、UPS电池柜及精密空调制作承重散力架了,散力承重支架能分散楼板承重力满足楼板地面承载力设计值要求。
机房承重散力架加固一般用钢梁,根据设备位置加。
比如槽钢,角钢,支撑在两端承重结构梁(墙)上,具体要看实际需要承重情况了。
比如在机列位置贴地加两根横向贯通的50*50角钢,或者100*50槽钢,这列位置承重可以达5000~7000N。
计算依据:⑴《混凝土结构设计规范》(GB 50010-2002)⑵《建筑结构荷载规范》(GBJ9-87),《建筑结构荷载规范》(GB50009-2001)⑶《预应力长向圆孔板图集》(京92G42),《预应力短向原孔板图集》(京92G41) 建筑楼面等效均布活荷载计算筑楼面等铲均布活荷载的标准值,应根据工艺提供的电子设备的重量、底面尺寸、安装排列方式以及建筑结构梁板布置等条件,按内力等值的原则计算确定,根据当前有代表性电信设备的重量、排列方式及各种梁板布置计算确定的机房建筑楼面等效均布活荷载值:注:(1)表列荷载适用于按单向板配筋的现浇板及板跨方向与机架排列方向(荷载作用面的长边)相垂直的预制板等楼面结构,按双向板配筋的现浇板亦可参照使用;(2)表列荷载不包括隔墙、吊顶荷载;(3)由于不间断电源设备较重,设计时也可按照该设备的重量、底面尺寸、排列方式等对设备作用处的楼面进行结构处理;(4)设计墙、柱、基础时,楼面活荷载值可采用本表中主梁的荷载值;(5)机房的荷载,没有考虑分散供电时蓄电池进入机房增加的荷重。
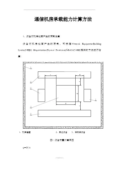
通信机房承载能力计算方法1、设备对机房地面产生的荷载估算设备对机房地面产生的荷载,可根据NetworkEquipment-Building System(NEBS)Requirements:PhysicalProtection(GR-63-CORE)提供的方法进行估算:1、机房墙壁2、周边设备3、待安装设备图1设备布置计算用图q=P/AA=(W+c/2+d/2)×(D+e/2+f/2)式中q——设备对地面产生的等效均布荷载,单位:牛顿/平方米(N/m2);2019-08-20HUAWEIConfidentialPage1,Total2P——设备的重量,单位:牛顿(N);A——设备的作用面积,单位:平方米(m2);W——设备的宽度,单位:米(m);D——设备的深度,单位:米(m);c、d、e、f——设备周边走道的宽度,单位:米(m)。
例:一台设备重量380公斤,机柜外形尺寸:高×宽×深=2200mm×600mm ×800mm,机柜四周均有走道,走道宽度均为800mm,计算该设备边的对地面产生的等效均布荷载。
P=380kg=380×9.8=3724NA=(0.6+0.8/2+0.8/2)×(0.8+0.8/2+0.8/2)=2.24m2设备对地面产生的等效均布荷载q=P/A=3724/2.24=1662.5N/m2=1.66 kN/m22、机房承载能力的判断与处理如果机房的承载许可荷载是Q(单位:牛顿/平方米),把计算得到的q与Q 进行比较:1)q<=Q,设备可以安全安装。
2)q>Q,机房承载能力不够。
机房承载能力不够的解决方法:(1)调整机房布置,增大走道宽度,降低设备对地面产生的等效均布荷载。
(2)与专业的建筑设计单位合作,提出机房加固方案,由专业的建筑施工单位施工,对机房进行加固。
2019-08-20HUAWEIConfidentialPage2,Total2。
机房的承重主要体现在电池柜设备上,而UPS间最有价值的承重之处就是现在电池柜所处的承重梁上,这一区域的承重负载比楼板承重要大很多,每平方米可承重1500KG,而普通楼板每平方承重只有250~500KG。
我们设计利用承重梁做为基础拓展延至楼板,扩大设备与楼板直接接触面积来达到分散力量的效果,设备承重支架下方有钢板及延升的钢架。
其它设备的承重,主要是保障设备的稳固,机柜的承重支架是考虑到机柜内将来摆放的设备重量对地板的负载,考虑应用承重支架更可靠。
机房精密空调制冷量如何计算出是35-40KW?机房的设计是考虑到IT将来3-5年的业务发展,机房内14台机柜中其中一些机柜的最大制热点及机房空间制冷,我们一般采用两种方式,第一种为机房需要制冷的面积约80*500W/M2得出机房40KW的制冷,另一种为机房设备制热计算,目前为14台机柜,每台机柜3KW,再与制冷的换算比率约为7.5,算出共计31.5KW制冷加上机房空间制热量约为6.5KW,共计为38KW,所以设计采用35-40KW制冷空调即可。
同时机房采用1+1互备的方式制冷,所谓互备,即两台空调在同时运行时,其中一台发生故障,另一台可以承载机房全部所需制冷。
机房UPS容量计算机房UPS容量计算较为直接,根据机房所需要的用电设备(这部分设备指需要UPS电源设备),列如,机房服务器机柜约为9台,每台机柜3KW ,计27KW,网络机柜5台,每台机柜1.5KW.计7.5KW.总用电量约为35KW,根据UPS满载负荷计算,所需要配置40KVA 的UPS 即可。
UPS采用1+1热备方式供电,当其中一台UPS发生故障时,另一台可以完全承载机房所需用电。
机房消防问题?机房消防是根据机房的实际体积计算出来来的,这部分交给将来专业的消防公司解决。
机房新风与排烟问题?机房新风的采用是根据《电子信息机房建设规范》中对机房正负压值要求及机房工作人员实际需要设计的,消防排烟是根据消防法要求,在密闭的空调内需装有与消防联动的排烟设备设计的。
机房承重标准及承重计算方法机房承重标准及承重计算方法1. 引言机房承重是指机房地板可以承受的最大负荷重量。
正确的承重计算是机房设计中重要的一环,可以确保机房设备安全运行。
本文将详细介绍机房承重的标准和计算方法。
2. 机房承重标准根据不同的机房用途和设备类型,机房承重标准有所差异。
下面列举了几种常见的机房承重标准:•A类机房:一般用于轻型办公设备,如电脑、打印机等。
承重标准通常为200千克/平方米。
•B类机房:一般用于中型服务器和网络设备,如交换机、路由器等。
承重标准通常为300千克/平方米。
•C类机房:一般用于大型服务器和专业设备,如大型存储设备、大型控制设备等。
承重标准通常为500千克/平方米。
需要注意的是,以上标准只为参考,具体承重标准应根据机房的实际情况进行综合评估和确定。
3. 机房承重计算方法机房承重的计算方法主要根据机房地板材料和设备重量来确定。
下面列举了常见的机房承重计算方法:轴载法轴载法是一种常见的计算方法,它根据设备的位置和重量来计算机房地板的承载能力。
具体步骤如下:1.确定设备的位置,包括横纵坐标。
2.计算设备在地板上施加的轴载。
轴载一般为设备的重量除以设备的支撑面积。
3.将所有设备的轴载相加,得到机房地板需要承受的总轴载。
4.比较总轴载与机房地板的承载能力,如果总轴载小于地板承载能力,则满足承重要求;如果总轴载大于地板承载能力,则需要增加地板的承载能力或者减少设备的重量。
自由体法自由体法是一种简化的计算方法,适用于设备和地板布局较为规则的机房。
具体步骤如下:1.将机房地板划分为若干个相等大小的矩形区域。
2.计算每个矩形区域的设备重量。
设备重量一般为设备的重量除以设备占据的矩形区域面积。
3.将所有矩形区域的设备重量相加,得到机房地板需要承受的总重量。
4.比较总重量与地板的承载能力,如果总重量小于地板承载能力,则满足承重要求;如果总重量大于地板承载能力,则需要增加地板的承载能力或者调整设备布局。
一,什么是机房承重?众所周知,机房是电子设备运行的场所,而电子设备体积较大,并且非常厚重,所以机房要有较高的承重能力,满足设备的承重要求,但现在很多建筑并非为机房所建,其承重达不到机房要求,所以在建设机房之前就要考虑到承重问题,下面详解机房的承重标准,以及机房承重计算内容及计算方法。
一般办公用楼在建设时楼板承重在300-500kg每平米;机房由于机柜和设备,以及UPS的重量往往比较大,通常标准己方的楼板承重在800-1000kg每平米。
普通办公用楼可以在机房所处的楼层经形承重改造,一般有楼板碳纤维涂层、承重梁附加钢板、楼板上架设钢梁等方法来增大结构承重,从而满足机房建设的需要。
而一般的机房在装修上还会在楼板上额外架设不锈钢防静电地板和角钢散力架作为分散承重的手段。
民用楼房二楼以上承重荷载设计都是250-500kg/m2的负荷,办公用楼在建设时楼板承重在300-500kg每平米,机房由于机柜和设备,以及UPS的重量往往比较大,通常标准己方的楼板承重在800-1000kg每平米。
当设计成机房时,如果要符合机房规范,就要考虑在机柜下做散列承重支架,把承重支架底面接触面积增大一倍的方式来实现分散楼板承重力,当由于机柜、空调、UPS等设备重量较大,超过楼板荷载时,为了保证建筑物本身结构安全和出于一般机房抗震要求时,这时你需要对机柜、空调、UPS电池柜及精密空调制作承重散力架了,散力承重支架能分散楼板承重力满足楼板地面承载力设计值要求。
机房承重散力架加固一般用钢梁,根据设备位置加。
比如槽钢,角钢,支撑在两端承重结构梁(墙)上,具体要看实际需要承重情况了。
比如在机列位置贴地加两根横向贯通的50*50角钢,或者100*50槽钢,这列位置承重可以达5000~7000N。
二,机房承重计算依据:⑴《混凝土结构设计规范》(GB 50010-2002)⑵《建筑结构荷载规范》(GBJ9-87),《建筑结构荷载规范》(GB50009-2001)⑶《预应力长向圆孔板图集》(京92G42),《预应力短向原孔板图集》(京92G41) 三,建筑楼面等效均布活荷载计算筑楼面等铲均布活荷载的标准值,应根据工艺提供的电子设备的重量、底面尺寸、安装排列方式以及建筑结构梁板布置等条件,按内力等值的原则计算确定,根据当前有代表性电信设备的重量、排列方式及各种梁板布置计算确定的机房建筑楼面等效均布活荷载值:注:(1)表列荷载适用于按单向板配筋的现浇板及板跨方向与机架排列方向(荷载作用面的长边)相垂直的预制板等楼面结构,按双向板配筋的现浇板亦可参照使用;(2)表列荷载不包括隔墙、吊顶荷载;(3)由于不间断电源设备较重,设计时也可按照该设备的重量、底面尺寸、排列方式等对设备作用处的楼面进行结构处理;(4)设计墙、柱、基础时,楼面活荷载值可采用本表中主梁的荷载值;(5)机房的荷载,没有考虑分散供电时蓄电池进入机房增加的荷重。
机房现浇板承重计算标准一.计算依据:⑴《混凝土结构设计规范》(GB 50010-2002)⑵《建筑结构荷载规范》(GBJ9-87),《建筑结构荷载规范》(GB50009-2001)二.计算软件:理正工具箱5.11(异形板计算)六所提供的理正异形板程序计算基站楼板承重傻瓜书三.主要计算内容:1.机房无设备时机房楼板的跨中最大弯矩值;(理正工具箱计算)2.机房在原有设备荷载作用下的机房楼板跨中最大弯矩值;(理正工具箱计算)3.机房新增设备后,在所有设备荷载作用下的机房楼板跨中最大弯矩值;(理正工具箱计算)4.以上数据计算完毕后,相关数据代入《六所提供的理正异形板程序计算基站楼板承重傻瓜书》进行承重结论分析.四.理正工具箱计算参数1.固定参数取值说明:(1).楼板尺寸取值:楼板计算宽度=内墙尺寸+200mm(2).楼板的边界形式:无设备及有设备统一采用简支方式,(3).作用的荷载形式:局部均载、局部线荷载、集中荷载(理正软件计算时,设备荷载首选局部等效均载输入,在荷载数量超过理正最大均布荷载个数5个时,考虑采用集中等效荷载输入,局部线荷载主要针对墙下无梁的墙体荷载);2. 计算无设备时机房楼板的跨中最大弯矩值参数说明:(1)均布恒载标准值取1.0 kN/m2此处概念是单位力1时的弯距。
(2)均布活载标准值取 0 kN/m2(3)板容重取0 kN/m3(4)恒活载分项系数均取1.0(5)活荷载准永久值系数取0.53. 计算原有设备时机房楼板的跨中最大弯矩值参数说明:(1)均布恒载标准值取1.0 kN/m2(2)均布活载标准值取 0.6 kN/m2(3)板容重取25 kN/m3(4)恒活载分项系数均取1.2(5)活荷载准永久值系数取0.53.计算所有设备荷载作用下机房楼板的跨中最大弯矩值参数说明:(1)均布恒载标准值取1.0 kN/m2(2)均布活载标准值取 0.6 kN/m2(3)板容重取25 kN/m3(4)恒活载分项系数均取1.2(5)活荷载准永久值系数取0.5五.承重傻瓜计算书主要计算参数说明:1.原设计楼面活荷载q0(kN/m2):e因北京TD基站房屋建设年限不明确,对于02年后建筑应取新规范,02年前建筑取旧规范。
一、普通办公用楼在建设时楼板承重在300-500kg 每平米;机房由于机柜和设备, 以及UPS 的分量往往比较大,通常标准己方的楼板承重在800- 1000kg 每平米.普通办公用楼可以在机房所处的楼层经形承重改造,普通有楼板碳纤维涂层、承重梁附加钢板、楼板上架设钢梁等方法来增大结构承重,从而满足机房建设的需要。
而普通的机房在装修上还会在楼板上额外架设不锈钢防静电地板和角钢散力架作为分散承重的手段。
按照〖GB/T 2887-2000〗《电子计算机场地通用规范》,计算机机房设备用房的楼板荷重应依设备分量而定,普通应大于或者等于800Kg/㎡。
所以要求机房内空调、UPS 及电池组等相关设备都要满足机房楼地面承重的要求,根据设备具体情况进行设计。
若需做钢架承重处理,则要求出详细的方案图及说明。
配电柜及新风机等设备设计需采用角钢焊接制作安装固定支架。
机房内设备密度较大,对建造楼板承重有特殊要求,在机房选址和设计时应该核实机房位置的建造承重.对于个别机房功能区间需考虑做楼板的承重加固,特殊是UPS 及电池、精密空调等大型设备,重量较大,应安装设备承重散力支架或者加固处理达到功能要求。
机房布局时要重点考虑大型设备的承重, 尽量把重型设备放置在机房的承重 梁上。
备注:重力学(牛顿定律)换算的关系, 1Kg=9.8N 1000N=1KN;因此, 1KN=1000÷9 。
8≈102.04K g 。
根据现场勘查,结合新设计机房平面图纸及机柜设备摆放,体现出机房内设 备密度较大,承重要求较高,对建造楼板承重也有特殊要求,考虑到现在的楼板 有效载荷不满足机房要求,建议对机房做承重加固措施1. 通过加固补强可以提高结构安全度、 减少事故隐患、 延长结构使用寿命。
2. 在对建造物进行承重评估鉴定后,应根据建造物实际情况进行加固方案选择和加固设计.2 娇龙技 术 要 求A 级B 级C 级不应低于乙类 不应低于丙类 不应低于丙类 组合值系数 Ψ=0 。
机房承重标准机房是一个重要的信息技术设施,用于存放和维护各种计算机设备和网络设备。
机房的承重标准是指机房地面所能承受的最大荷载,它直接关系到机房设备的安全运行和人员的安全。
因此,制定和遵守机房承重标准对于保障机房设备和人员安全至关重要。
首先,机房承重标准的制定需根据机房的具体情况来确定。
一般来说,机房承重标准应包括地面的承重能力、机柜的承重能力、地板的承重能力等内容。
地面的承重能力是指地面能够承受的最大荷载,它直接关系到机房设备的安全使用。
机柜的承重能力是指机柜能够承受的最大荷载,它直接关系到机柜内设备的安全使用。
地板的承重能力是指地板能够承受的最大荷载,它直接关系到机房人员的安全使用。
因此,机房承重标准的制定需充分考虑这些因素,以确保机房设备和人员的安全。
其次,机房承重标准的遵守需通过专业的检测和认证来实现。
一般来说,机房承重标准的检测和认证应由相关的技术部门或权威机构进行。
他们会通过对机房地面、机柜、地板等进行检测和认证,以确保其符合机房承重标准的要求。
只有经过检测和认证的机房承重标准,才能够保证机房设备和人员的安全。
最后,机房承重标准的遵守需要得到机房管理人员和机房使用人员的共同努力。
机房管理人员应加强对机房承重标准的宣传和培训,以提高机房使用人员的安全意识和遵守机房承重标准的能力。
机房使用人员应严格遵守机房承重标准的要求,不得随意改变机房设备的位置和布局,不得在机房内私自添加额外的设备,以确保机房设备和人员的安全。
综上所述,机房承重标准的制定和遵守对于保障机房设备和人员安全至关重要。
只有制定合理的机房承重标准,并通过专业的检测和认证来实现,同时得到机房管理人员和机房使用人员的共同努力,才能够确保机房设备和人员的安全。
希望各位机房管理人员和机房使用人员能够重视机房承重标准,共同努力,确保机房设备和人员的安全。
通信机房承载能力计算方法1、设备对机房地面产生的荷载估算设备对机房地面产生的荷载,可根据Network Equipment-Building System(NEBS) Requirements:Physical Protection(GR-63-CORE)提供的方法进行估算:1、机房墙壁2、周边设备3、待安装设备图1 设备布置计算用图q=P/AA=(W+c/2+d/2)×(D+e/2+f/2)式中q ——设备对地面产生的等效均布荷载,单位:牛顿/平方米(N/m2);P ——设备的重量,单位:牛顿(N);A ——设备的作用面积,单位:平方米(m2);W ——设备的宽度,单位:米(m);D ——设备的深度,单位:米(m);c、d、e、f ——设备周边走道的宽度, 单位:米(m)。
例:一台设备重量380公斤,机柜外形尺寸:高×宽×深=2200mm×600mm ×800mm,机柜四周均有走道,走道宽度均为800mm,计算该设备边的对地面产生的等效均布荷载。
P=380 kg=380×9.8=3724 NA=(0.6+0.8/2+0.8/2)×(0.8+0.8/2+0.8/2)=2.24 m2设备对地面产生的等效均布荷载q=P/A=3724/2.24=1662.5 N/m2=1.66 kN/m22、机房承载能力的判断与处理如果机房的承载许可荷载是Q(单位:牛顿/平方米),把计算得到的q与Q 进行比较:1)q <=Q,设备可以安全安装。
2)q > Q,机房承载能力不够。
机房承载能力不够的解决方法:(1)调整机房布置,增大走道宽度,降低设备对地面产生的等效均布荷载。
(2)与专业的建筑设计单位合作,提出机房加固方案,由专业的建筑施工单位施工,对机房进行加固。
Welcome To Download !!!欢迎您的下载,资料仅供参考!。
机房散力架承重计算【机房散力架承重计算】一、简介:机房散力架是机房中用于支撑各种设备的重要结构,其承重能力的计算是保证机房安全运行的重要设计环节。
本文将对机房散力架的承重计算方法进行简要介绍。
二、计算方法:1. 收集相关参数:a) 获得机房散力架的设计图纸,了解相关结构尺寸和材料信息。
b) 获取散力架上放置的设备和设备的重量数据。
c) 确定散力架的支撑方式和布置形式。
2. 材料承重计算:a) 根据设计图纸,计算散力架各构件截面积。
b) 根据材料的强度参数,计算出散力架各构件的承载能力。
c) 比对构件的承载能力与实际施加的载荷,确保安全系数在合理范围内。
3. 设备承重计算:a) 确定每种设备在散力架上的位置及重量。
b) 计算每个设备施加在散力架上的载荷分布情况。
c) 将设备载荷与散力架各构件的受力区域进行匹配,进行承重计算。
4. 整体稳定性计算:a) 根据散力架的结构形式,确定其整体稳定性的计算方法。
b) 考虑散力架的支撑方式,并结合受力区域的形式进行计算。
c) 比对计算结果与设计要求,确保散力架的整体稳定性。
5. 安全系数评估:a) 根据设计、规范或行业标准,确定所需的安全系数。
b) 将实际计算得到的结果与安全系数进行比较,评估散力架的承载能力是否满足要求。
c) 如有必要,进行适当的结构优化或增强,以提高散力架的承载能力。
三、注意事项:1. 所使用的计算方法应符合当地法规和行业标准。
2. 确保获取准确的参数数据,特别是设备重量和位置信息。
3. 结构稳定性计算需要考虑设备的动态载荷。
4. 属性使用的材料参数应符合相关标准,确保计算结果的可靠性。
5. 检查计算结果时,应考虑不同工况情况下的变化。
四、结语:机房散力架的承重计算是一个复杂而重要的工程环节。
专业的结构工程师应根据实际情况和设计要求,选择合适的计算方法和工具,确保散力架的承载能力满足要求,并为机房的安全运行提供保障。
数据中心机房承重标准数据中心机房承重标准数据中心机房是企业信息化建设的重要组成部分,其承重标准直接关系到机房设备的安全运行和数据的安全存储。
因此,制定合理的承重标准是非常重要的。
一、机房承重标准的定义机房承重标准是指机房地面承受的最大荷载,包括机房内设备、人员和其他物品的重量。
机房承重标准的制定应该根据机房的面积、高度、地面材料、设备类型和数量等因素进行综合考虑。
二、机房承重标准的制定1.机房地面承重标准机房地面承重标准应该根据机房的面积和高度进行综合考虑。
一般来说,机房地面承重标准应该在1000kg/m²以上。
如果机房内设备数量较多,应该适当提高承重标准。
2.机房设备承重标准机房设备承重标准应该根据设备类型和数量进行综合考虑。
一般来说,机房设备承重标准应该在500kg/m²以上。
如果机房内设备数量较多,应该适当提高承重标准。
3.机房人员承重标准机房人员承重标准应该根据机房的面积和高度进行综合考虑。
一般来说,机房人员承重标准应该在300kg/m²以上。
如果机房内人员数量较多,应该适当提高承重标准。
4.机房其他物品承重标准机房其他物品承重标准应该根据物品类型和数量进行综合考虑。
一般来说,机房其他物品承重标准应该在200kg/m²以上。
如果机房内其他物品数量较多,应该适当提高承重标准。
三、机房承重标准的实施机房承重标准的实施应该根据机房的实际情况进行综合考虑。
在实施机房承重标准时,应该注意以下几点:1.机房地面应该选用承重能力较强的材料,如钢筋混凝土地面或钢板地面。
2.机房内设备应该按照规定的位置进行摆放,避免过度集中在某一区域。
3.机房内人员应该按照规定的人数进行进出,避免过度拥挤。
4.机房内其他物品应该按照规定的数量进行摆放,避免过度堆放。
总之,机房承重标准的制定和实施是非常重要的,它关系到机房设备的安全运行和数据的安全存储。
因此,我们应该根据机房的实际情况进行综合考虑,制定合理的承重标准,并严格执行。
数据中心机房承重标准
数据中心机房承重标准是指机房内设备和设施所能承受的最大
重量限制。
在设计和建设机房时,必须考虑到机房内各种设备和设施的重量,以保证机房的安全性和稳定性。
通常情况下,机房的承重标准由两部分组成:地面承重和屋顶承重。
地面承重是指机房地面可以承受的最大荷载,包括设备、机柜、空调、电池组等,一般为1000kg/m。
而屋顶承重是指机房屋顶可以承受的最大荷载,包括空调、配电、管道等,一般为300kg/m。
此外,机房内设备和设施的分布、布局也会影响机房的承重标准。
例如,在机房内设置重量较大的设备时,需要考虑其重量分布均匀,以免造成局部地面或屋顶超载。
在实际建设机房过程中,必须严格按照承重标准进行设计、施工和验收,以确保机房的安全性和稳定性。
同时,机房管理人员也需要定期检查和维护机房内设备和设施,以保持机房的良好状态。
- 1 -。
机房楼板承重标准
一、机房类型和布局
1.1 机房类型:本标准适用于各类机房,包括但不限于数据中心、计算机房、服务器室等。
1.2 机房布局:机房布局应合理,设备布置应符合工艺流程和安全要求,同时考虑维护和操作方便。
二、楼板类型和结构
2.1 楼板类型:适用于现浇钢筋混凝土楼板、预制楼板等。
2.2 楼板结构:楼板结构应符合建筑结构设计规范,包括但不限于荷载、结构强度、刚度等要求。
三、承重标准值
3.1 根据机房类型和设备布置,楼板的活荷载标准值应符合现行国家标准《建筑结构荷载规范》的规定。
3.2 根据机房内设备的重量及运行状态,楼板的恒荷载标准值应按实际设备重量计算,并考虑其他必要的因素。
四、承重计算方法
4.1 根据楼板的类型和结构,应按照国家现行有关标准计算楼板的承重能力。
具体计算方法可参照《建筑结构荷载规范》等相关规范。
4.2 根据机房内设备的布置和重量分布,对楼板的荷载进行计算和分析,以确保楼板承重能力满足要求。
五、楼板加固措施
5.1 对于不满足承重标准的楼板,应采取加固措施以提高其承重能力。
加固措施可包括增加楼板厚度、增加钢筋、采用预应力混凝土等。
5.2 加固措施应根据具体情况进行设计,并按照相关规范进行施工和验收。
六、安全措施
6.1 机房建设应确保安全可靠,设备布置和线路敷设应符合防火、防爆、防雷、防静电等要求。
6.2 机房内应设置有效的通风系统,确保设备运行时产生的热量和废气能够及时排出。
同时,应考虑在设备故障或异常情况下,能够快速有效地排出有害气体。
电信建筑楼面等效均布活荷载6.2.1 电信建筑楼面等铲均布活荷载的标准值,应根据工艺提供的电信设备的重量、底面尺寸、安装排列方式以及建筑结构梁板布置等条件,按内力等值的原则计算确定。
根据当前有代表性电信设备的重量、排列方式及各种梁板布置计算确定的电信建筑楼面等效均布活荷载值列于本规范附录A。
6.2.2 工程建设时,结合电信设备密集安装和分散供电等发展趋势,考虑到将来可能发生的变化,应对各类机房楼面均布活荷载值进行协调统一,以提高机房的应变能力。
工程设计时,电信建筑机房楼面均布活荷载的取值,应符合下列原则:6.2.2.1 同一楼层内,应选取该楼层中占用面积最大的主要机房的楼面均布活荷载值,作为该层楼面活荷载的标准值。
但楼面活荷载大于该标准值的机房,应另行计算。
6.2.2.2 电信建筑楼面均布活荷载的标准值,可按表采用。
6.2.2.3 对于利用旧机房进行改造的工程,机房楼面活荷载可不受表或附录A表列荷载的限制,设计时,可根据所采用的电信设置的重量、底面尺寸、排列方式及原有机房建筑结构的梁板布置和配筋情况进行核算后确定。
表6.2.2.2 电信建筑楼面均布活荷载值注:(1)表列荷载适用于按单向板配筋的现浇板及板跨方向与机架排列方向(荷载作用面的长边)相垂直的预制板等楼面结构,按双向板配筋的现浇板亦可参照使用;(2)表列荷载不包括隔墙、吊顶荷载;(3)由于不间断电源设备较重,设计时也可按照该设备的重量、底面尺寸、排列方式等对设备作用处的楼面进行结构处理;(4)设计墙、柱、基础时,楼面活荷载值可采用本表中主梁的荷载值;(5)移动通信机房的荷载,没有考虑分散供电时蓄电池进入机房增加的荷重。
附录A 电信建筑楼面等效均布活荷载电信建筑楼面等效均布活荷载值,系根据目前已有的有代表性的通信设备的重量、排列方式及建筑结构的不同梁板布置,按内力(弯矩、剪力)等值的原则计算确定。
表A中的移动通信机房的数值,也适用于无线寻呼机房。
数据机房机房承重问题计算
我们在做一些机房工程的时候经常遇到机房承重的问题,尤其在一些比较高的楼层上面做机房是不是合适呢?机房称重符合要求吗?今天我们一起来探讨一下。
一,什么是机房承重?
众所周知,机房是电子设备运行的场所,而电子设备体积较大,并且非常厚重,所以机房要有较高的承重能力,满足设备的承重要求,但现在很多建筑并非为机房所建,其承重达不到机房要求,所以在建设机房之前就要考虑到承重问题,下面详解机房的承重标准,以及机房承重计算内容及计算方法。
一般办公用楼在建设时楼板承重在300-500kg每平米;机房由于机柜和设备,以及UPS的重量往往比较大,通常标准己方的楼板承重在800-1000kg每平米。
普通办公用楼可以在机房所处的楼层经形承重改造,一般有楼板碳纤维涂层、承重梁附加钢板、楼板上架设钢梁等方法来增大结构承重,从而满足机房建设的需要。
而一般的机房在装修上还会在楼板上额外架设不锈钢防静电地板和角钢散力架作为分散承重的手段。
民用楼房二楼以上承重荷载设计都是250-500kg/m2的负荷,办公用楼在建设时楼板承重在300-500kg每平米,机房由于机柜和设备,以及UPS的重量往往比较大,通常标准己方的楼板承重在800-1000kg每平米。
当设计成机房时,如果要符合机房规范,就要考虑在机柜下做散列承重支架,把承重支架底面接触面积增大一倍的方式来实现分散楼板承重力,当由于机柜、空调、UPS等设备重量较大,超过楼板荷载时,为了保证建筑物本身结构安全和出于一般机房抗震要求时,这时你需要对机柜、空调、UPS电池柜及精密空调制作承重散力架了,散力承重支架能分散楼板承重力满足楼板地面承载力设计值要求。
机房承重散力架加固一般用钢梁,根据设备位置加。
比如槽钢,角钢,支撑在两端承重结构梁(墙)上,具体要看实际需要承重情况了。
比如在机列位置贴地加两根横向贯通的50*50角钢,或者100*50槽钢,这列位置承重可以达5000~7000N。
二,机房承重计算依据:
⑴《混凝土结构设计规范》(GB 50010-2002)⑵《建筑结构荷载规范》(GBJ9-87),《建筑结构荷载规范》(GB50009-2001)⑶《预应力长向圆孔板图集》(京92G42),《预应力短向原孔板图集》(京92G41)三,建筑楼面等效均布活荷载计算筑楼面等铲均布活荷载的标准值,应根据工艺提供的电子设备的重量、底面尺寸、安装排列方式以及建筑结构梁板布置等条件,按内力等值的原则计算确定,根据当前有代表性电信设备的重量、排列方式及各种梁板布置计算确定的机房建筑楼面等效均布活荷载值:注:(1)表列荷载适用于按单向板配筋的现浇板及板跨方向与机架排列方向(荷载作用面的长边)相垂直的预制板等楼面结构,按双向板配筋的现浇板亦可参照使用;(2)表列荷载不包括隔墙、吊顶荷
载;(3)由于不间断电源设备较重,设计时也可按照该设备的重量、底面尺寸、排列方式等对设备作用处的楼面进行结构处理;(4)设计墙、柱、基础时,楼面活荷载值可采用本表中主梁的荷载值;(5)机房的荷载,没有考虑分散供电时蓄电池进入机房增加的荷重。
四,机房楼面等效均布活荷载机房建筑楼面等效均布活荷载值,系根据目前已有的有代表性的通信设备的重量、排列方式及建筑结构的不同梁板布置,按内力(弯矩、剪力)等值的原则计算确定,机房的数值,也适用于无线寻呼机房4
注:(1)表列荷载适用于按单向板配筋的现浇板及板跨方向与机架排列方向[荷载作用面的长边]相垂直的预制板等楼面结构,按双向板配筋的现浇板亦可参照使用;(2)表列荷载不包括隔墙、吊顶荷载;(3)由于不间断电源设备的重量较重,设计时也可按照电源设备的重量、底面尺寸、排列方式等对设备作用处的楼面进行结构处理;(4)搬运单件重量较重的机器时,应验算沿途的楼板结构强度;(5)设计墙、柱、基础时,表列楼面活荷载可采用与设计主梁相同的荷载。
五,机房预制板承重计算标准、计算内容(1)机房在原有设备荷载作用下的机房楼板跨中最大弯矩值;(理正工具箱计算)(2)机房新增设备后,在所有设备荷载作用下的机房楼板跨中最大弯矩值;(理正工具箱计算)(3)以上数据计算完毕后,相关数据代入《六所提供的理正异形板程序计算基站楼板承重傻瓜书》进行承重结论分析.
计算步骤
预制板承重计算相对于现浇板承重计算要复杂许多,在计算时必须严格遵守以下步骤,以保证预制板能达到承重的安全要求.(1)预制板计算前先需判明板长及板
宽.(2)预制板承重计算时,选择最危险板进行计算(基本为主要设备较多的单块预制
板).如有多块单板上主要设备个数相同时,多块板都需进行承重计算.(3)计算完毕后如果机房可靠等级为b级及b级以上级别,则此机房承重满足要求;如小于b级,则需更换设备位置,并在更换位置后对预制楼板再次进行核算,如还是达不到可靠等级,则需进行加固处理.(4)无法判定板的方向及板宽时,一般建议将电池进行“L”型摆放,板的尺寸按最不利来取值,通常是板长取最短边,板宽取900mm,再进行计算,如计算结果不满足承重要求,则需进行加固.
六,理正工具箱计算参数(1)预制板厚:短板(板长为1.8m-4.2m)板厚取130mm,长板(板长为4.5m-6.6m)板厚取185mm.(2)预制楼板尺寸取值:预制楼板计算宽度
=1200mm(宽板)或900mm(窄板),由现场查勘决定(判断结果直接影响计算结果),在没有确定板宽时取小值以保安全.预制楼板长度=实际测量墙距+300mm,(当板长不为整数时,取值按规定板长为3的倍数)(3)楼板的边界形式:短边采用简支方式,长边则采用自由方式.(4)作用的荷载形式:局部均载.计算所有设备荷载作用时机房楼板的跨中最大弯矩值参数说明(如有预留设备,则需先算原有设备荷载作用时机房楼板的跨中最大弯矩值,再算所有设备荷载作用时机房楼板的跨中最大弯矩值):(1)均布恒载标准值取1.0 kN/m2(2)均布活载标准值取0.6 kN/m2(3)短宽板(板宽为1200mm,板长为1.8m-4.2m)容重取1.97(查图集)/15.15kN/m3 短窄板(板宽为
900mm,板长为1.8m-4.2m)容重取16.1kN/m3 长宽板(板宽为1200mm,板长为4.5m-6.0m)容重取15.33kN/m3 长窄板(板宽为900mm,板长为4.5m-
6.0m)容重取15.46kN/m3 超长宽板(板宽为1200mm,板长为6.3m-6.6m)容重取15.62kN/m3 超长窄板(板宽为900mm,板长为6.3m-6.6m)容重取
16.12kN/m3长度范围大于了6.6m的预制板长则需参考全国预制板图集,进行计算.(4)恒活载分项系数均取1.2(5)活荷载准永久值系数取0.5
七,结构可靠性评定标准按以上步骤计算完毕后,按图集标准查得所计算预制板的允许弯矩设计值R(注意:R值必须是取板号尾数为.1的相应弯矩设计值),并将查得的设计值R与理正所计算的弯矩值进行γ0S进行对比.根据《民用建筑可靠性鉴定标准》第3.3.3条的规定,结构构件可靠性鉴定的评定标准为:a级可靠性符合鉴定标准a级的要求,即R/γ0S≥1.0,不影响整体的承载功能和使用功能,可不采取措施;b级可靠性略低于鉴定标准a级的要求,即1>R/γ0S≥0.9,但尚不显著影响整体的承载功能和使用功能,可能有少数或极少数构件应采取措施;c级可靠性不符合鉴定标准a级的要求,即0.9>R/γ0S≥0.85,显著影响整体的承载功能和使用功能,应采取措施,且可能有个别构件必须立即采取措施;d
级可靠性极不符合鉴定标准a级的要求,即0.85>R/γ0S,严重显著影响整体的承载功能和使用功能,必须立即采取措施,同时,不考虑新增设备。
八,设备参数表:九,网络机柜钢梁计算:钢梁两端置于框架梁上,网络机柜共7台重1500Kg,钢梁跨度3m和4m,选用冷弯薄壁型钢 2C160X70X20X3.0背对背截面。
钢梁底面离楼板面高度40mm。
几何数据及计算参数:跨中弯矩调整系
数: 1.00 支座弯矩调整系数: 1.00 由永久荷载控制时永久荷载分项系数gG1: 1.35 由可变荷载控制时永久荷载分项系数gG2: 1.20 可变荷载分项系数gQ: 1.40 可变荷载组合值系数yc: 0.70
可变荷载准永久值系数yq: 0.40。