最新地质灾害评估野外调查记录表
- 格式:doc
- 大小:51.00 KB
- 文档页数:13
地质灾害野外调查表标准化管理处编码[BBX968T-XBB8968-NNJ668-MM9N]附表1-2 斜坡稳定性调查表调查负责人:填表人:审核人:填表日期:年月日调查单位:附表2-1 滑坡(潜在滑坡)调查表附表2-2 滑坡(潜在滑坡)调查表调查负责人:填表人:审核人:填表日期:年月日调查单位:附表3-1 崩塌(潜在崩塌)调查表附表3-2 崩塌(潜在崩塌)调查表调查负责人:填表人:审核人:填表日期:年月日调查单位附表4-1 泥石流(潜在泥石流)调查表附表4-2 泥石流(潜在泥石流)调查表调查负责人:填表人:审核人:填表日期:年月日调查单位:附表5 泥石流沟严重程度(易发程度)数量化表附表6-1 地面塌陷(潜在地面塌陷)调查表附表6-2 地面塌陷(潜在地面塌陷)调查表调查负责人:填表人:审核人:填表日期:年月日调查单位:填表说明:1.此表按第一塌陷区填写一张。
同一调查点(村、组、矿山等)有多个分离的塌陷区者,应分别填写。
2.每一塌陷区的填写代表性陷坑1-3个;有2个以上陷坑者,须填写陷坑群体特征。
3.情况符合“□”后面文字内容者,在“□”中打“√”;其它描述用文字填写。
附表7-1 地裂缝调查表附表7-2 地裂缝调查表调查负责人:填表人:审核人:填表日期:年月日调查单位:填表说明:1.此表按第一裂缝区填写一张。
同一调查点(村、组、矿山等)有多个分离的裂缝区者,应分别填写。
2.每一裂缝区的填写代表性单缝1-3条;有2条以上裂缝者,须填写群缝(组合发育)特征。
3.情况符合“□”后面文字内容者,在“□”中打“√”;其它描述用文字填写附表8 地面沉降调查表调查负责人:填表人:审核人:填表日期:年月日调查单位:附表9 地质灾害隐患点防灾预案表。
附表1-1 斜坡稳定性调查表附表1-2 斜坡稳定性调查表调查负责人:填表人:审核人:填表日期:年月日调查单位:附表2-1 滑坡(潜在滑坡)调查表附表2-2 滑坡(潜在滑坡)调查表调查负责人:填表人:审核人:填表日期:年月日调查单位:附表3-1 崩塌(潜在崩塌)调查表附表3-2 崩塌(潜在崩塌)调查表调查负责人:填表人:审核人:填表日期:年月日调查单位附表4-1 泥石流(潜在泥石流)调查表附表4-2 泥石流(潜在泥石流)调查表调查负责人:填表人:审核人:填表日期:年月日调查单位:附表5 泥石流沟严重程度(易发程度)数量化表附表6-1 地面塌陷(潜在地面塌陷)调查表附表6-2 地面塌陷(潜在地面塌陷)调查表调查负责人:填表人:审核人:填表日期:年月日调查单位:填表说明:1.此表按第一塌陷区填写一张。
同一调查点(村、组、矿山等)有多个分离的塌陷区者,应分别填写。
2.每一塌陷区的填写代表性陷坑1-3个;有2个以上陷坑者,须填写陷坑群体特征。
3.情况符合“□”后面文字内容者,在“□”中打“√”;其它描述用文字填写。
附表7-1 地裂缝调查表附表7-2 地裂缝调查表调查负责人:填表人:审核人:填表日期:年月日调查单位:填表说明:1.此表按第一裂缝区填写一张。
同一调查点(村、组、矿山等)有多个分离的裂缝区者,应分别填写。
2.每一裂缝区的填写代表性单缝1-3条;有2条以上裂缝者,须填写群缝(组合发育)特征。
3.情况符合“□”后面文字内容者,在“□”中打“√”;其它描述用文字填写附表8 地面沉降调查表调查负责人:填表人:审核人:填表日期:年月日调查单位:附表9 地质灾害隐患点防灾预案表。
附录A(规范性附录)地质灾害野外调查表表A.1滑坡野外调查表项目名称:图幅名:图幅编号:名称地理位置省县(市)乡村组野外编号滑坡时间□古滑坡□老滑坡□新滑坡发生时间:年月日时坐标CGCS2000X:标高m坡顶统一编号Y:坡脚滑坡类型□崩塌□倾倒□滑动□侧向扩离□流动□复合滑体性质□岩质□碎石块□土质滑坡环境地质环境地层岩性地质构造微地貌地下水类型时代岩性产状构造部位地震烈度□陡崖□陡坡□缓坡□平台□孔隙水□潜水□裂隙水□承压水□岩溶水□上层带水自然地理环境降水量/mm水文年均日最大时最大洪水位/m枯水位/m滑坡相对河流位置□左□右□凹□凸原始斜坡坡高/m坡度/°坡形斜坡结构类型控滑结构面□凸形□凹形□平直□阶状类型产状滑坡基本特征外形特征长度/m宽度/m厚度/m面积/m2体积/m3坡度/°坡向/°平面形态剖面形态□半圆□矩形□舌型□不规则□凸形□凹形□直线□阶梯□复合结构特征滑体特征滑床特征岩性结构碎石含量/%块度/cm岩性时代产状□可辨层次□零乱体积百分比滑面及滑带特征形态埋深/m倾向/°倾角/°厚度/m滑带土名称滑带土性状地下水埋深/m露头补给类型□上升泉□下降泉□溢水点□降雨□地表水□人工□融雪表A.1(续)项目名称:图幅名:图幅编号:名称省县(市)乡村组滑坡基本特征土地使用□旱地□水浇地□草地□灌木□森林□裸露□建筑现今变形迹象名称部位特征初现时间□拉张裂缝□剪切裂缝□地面隆起□地面沉降□剥、坠落□树木歪斜□建筑变形□渗冒浑水影响因素地质因素□节理极度发育□结构面走向与坡面平行□结构面倾角小于坡角□软弱基座□透水层下伏隔水层□土体/基岩接触□破碎风化岩/基岩接触□强/弱风化层界面地貌因素□斜坡陡峭□坡脚遭侵蚀□超载堆积物理因素□风化□融冻□胀缩□累进性破坏造成的抗剪强度降低□孔隙水压力高□洪水冲蚀□水位陡降陡落□地震人为因素□削坡过陡□坡脚开挖□坡后加载□蓄水位变化□森林植被破坏□爆破振动□矿山采掘□渠塘渗漏□灌溉渗漏□废水随意排放主导因素□暴雨□地震□工程活动稳定性分析复活诱发因素□降雨□地震□人工加载□开挖坡脚□坡脚冲刷□坡脚浸润□坡体切割□风化□卸荷□动水压力□爆破振动目前稳定状况□稳定□较稳定□不稳定发展趋势分析□稳定□较稳定□不稳定已造成危害伤亡人数损坏房屋毁路(m)毁渠(m)其它危害直接损失(万元)间接损失(万元)户间诱发灾害灾害类型波及范围造成损失潜在危害威胁人数/人威胁财产/(万元)监测建议□定期目视检查□安装简易监测设施□地面位移监测□深部位移监测□避让□裂缝填埋□加强监测□地表排水□地下排水□削方减载□坡面防护□反压坡脚□支挡□锚固□灌浆□植树种草□坡改梯□水改旱□减少振动平面图剖面图填表人:审核人:填表日期:年月日表A.2崩塌野外调查表项目名称:图幅名:图幅编号:名称地理位置省县(市)乡村组野外编号斜坡类型□自然□人工□岩质□土质坐标CGCS2000X:标高m坡顶统一编号Y:坡脚崩塌环境地质环境地层岩性地质构造微地貌地下水时代岩性产状构造部位地震烈度□陡崖□陡坡□缓坡□平台□孔隙水□裂隙水□岩溶水地理环境降雨量/mm水文土地利用年均最大降雨量丰水位/m枯水位/m斜坡与河流位置□耕地□草地□灌木□森林□裸露□建筑日时□左岸□右岸□凹岸□凸岸崩塌基本特征外形特征坡高/m坡长/m坡宽/m坡度/°坡向/°坡面形态体积/m3□凸□凹□直□阶结构特征岩质岩体结构斜坡结构类型结构类型裂隙组数块度(长×宽×高)m3控制面结构全风化带深度/m卸荷裂缝深度/m 类型产状长度/m间距/m土质土的名称及特征下伏基岩特征名称密实度稠度时代岩性产状理深/m□密□中□稍□松地下水埋深/m露头补给类型□上升泉□下降泉□湿地□降雨□地表水□融雪□人工现今变形破坏迹象名称部位特征初现时间□拉张裂缝□剪切裂缝□地面隆起□地面沉降□剥、坠落□树木歪斜□建筑变形□冒渗混水表A.2(续)项目名称:图幅名:图幅编号:名称省县(市)乡村组可能失稳因素□降雨□地震□人工加载□开挖坡脚□坡脚冲刷□坡脚漫润□坡体切割□风化□卸荷□动水压力□爆破振动目前稳定程度□稳定□基本稳定□不稳定今后变化趋势□稳定□基本稳定□不稳定已造成危害伤亡人数损坏房屋毁路/m设渠/m其他危害直接损失/(万元)间接损失/(万元)户间诱发灾害灾害类型波及范围造成损失潜在危害威胁人数/人威胁资产/(万元)监测建议□定期目视检查□安装简易监测设施□地面位移监测防治建议□避让□裂缝填埋□加强监测□地表排水□地下排水□削方减载□坡面防护□反压坡脚□支挡□锚固□灌浆□植树种草□坡改梯□水改旱□减少振动崩塌示意图平面图剖面图填表人:审核人:填表日期:年月日表A.3泥石流野外调查表项目名称:图幅名:图幅编号:沟名野外编号统一编号沟口位置坐标CGCS2000X:省县(市)乡村组Y:水系名称泥石流沟与主河关系主河名称泥石流沟位于主河的沟口至主河道距离/m□左岸□右岸泥石流沟主要参数、现状及灾害史调查水动力类型□暴雨□冰川□溃决□地下水沟口巨石大小(m)ΦaΦbΦc泥砂补给途径□面蚀□沟岸崩滑□沟底再搬运补给区位置□上游□中游□下游降雨特征值(mm)H年max H年cp H日max H日cp H时max H时cp H10分钟max H10分钟cp沟口扇形地特征扇形地完整性(%)扇面冲淤变幅±发展趋势□下切□淤高扇长(m)扇宽(m)扩散角(°)挤压大河□河形弯曲主流偏移□主流偏移□主流只在高水位偏移□主流不偏地质构造□顶沟断层□过沟断层□抬升区□沉降区□褶皱□单斜地震烈度不良地质体情况滑坡活动程度□严重□中等□轻微规模□大□中□小人工弃体活动程度□严重□中等□轻微规模□大□中□小自然堆积活动程度□严重□中等□轻微规模□大□中□小土地利用(%)森林灌丛草地缓坡耕地荒地陡坡耕地建筑用地其它:防治措施现状□有□无类型□稳拦□排导□避绕□生物工程监测措施□有□无类型□雨情□泥位□专人值守威胁危害对象□城镇□村寨□铁路□公路□航运□饮灌渠道□水库□电站□工厂□矿山□农田□森林□输电线路□通讯设施□国防设施威胁人数/人威胁资产/(万元)灾害史发生时间(年/月/日)死亡/人大牲畜损失/头房屋/间农田/亩公共设施直接损失/(万元)全毁半毁全毁半毁道路/km桥梁/座泥石流特征容重/(t/m3)流量/(m3/s)泥位/m表A.3(续)填表人:审核人:填表日期:年月日表A.4不稳定斜坡野外调查表项目名称:图幅名:图幅编号:名称地理位置省县(市)乡村组野外编号斜坡类型□自然□人工□土质□岩质坐标CGCS2000X:标高(m)坡顶统一编号Y:坡脚斜坡环境地质环境地层岩性地质构造微地貌地下水类型时代岩性产状构造部位地震烈度□陡崖□陡坡□缓坡□平台□孔隙水□裂隙水□岩溶水地理环境降雨量(mm)水文土地利用年均最大降雨量丰水位/m枯水位/m斜坡与河流位置□耕地□草地□灌木□森林□裸露□建筑日时□左岸□右岸□凹岸□凸岸斜坡基本特征外形特征坡高/m坡长/m坡宽/m坡度/°坡向/°坡面形态□凸□凹□直□阶结构特征岩质土质岩体结构斜坡结构类型结构类型厚度/m裂隙组数/组块度(长×宽×高)/m3控制面结构全风化带深度/m卸荷裂缝深度/m 类型产状长度/m间距/m土的名称及特征下伏基岩特征名称密实度稠度时代岩性产状埋深/m□密□中□稍□松地下水埋深/m露头补给类型□上升泉□下降泉□湿地□降雨□地表水□雪□人工现今变形破坏迹象名称部位特征初现时间□拉张裂缝□剪切裂缝□地面隆起□地面沉降□剥、坠落□树木歪斜□建筑变形□冒渗混水表A.4(续)填表人:审核人:填表日期:年月日表A.5地面塌陷野外调查表项目名称:图幅名:图幅编号:名称地理位置省县(市)乡村组野外编号统一编号坐标CGCS2000X:标高(m)县(市)编号Y:发育特征陷坑单体坑号形状坑口规模(m2)深度(m)变形面积(m2)规模等级长轴方向充水水位深(m)水位变动(m)发生时间发展变化1□圆形□方形□短形□不规则形□巨型□特大型□大型□中型□小型□停止□趋增强□趋减弱23陷坑群体坑数分布、发育及发生发展情况分布面积(km2)排列形式长列方向坑口口径(m)坑的深度(m)□群集式□长列式最小最大最小最大始发时间盛发开始时间盛发截止时间停止时间发展变化□停止□趋增强□趋减弱伴生裂缝单缝特征缝号形态延伸方向倾向(°)倾角(°)长度(m)宽度(m)深度(m)性质1□直线□折线□弧线□拉张□平移□下错2群缝特征分布、发育及发生发展情况缝数分布面积(km2)间距(m)排列形式产状阶步指向缝的规模长(m)宽(m)深(m)□平行□斜列□环围□杂乱无章∠最小最大塌陷区地貌特征□平原□山间凹地□河边阶地□山坡□山顶成因类型□岩溶型塌陷□黄土塌陷□采空塌陷形成条件地质环境条件塌陷地层时代及岩性:岩层产状:断裂情况:溶洞发育情况:岩层总体发育程度:□强□弱塌顶溶洞埋深(m):地下水位埋深(m):塌陷土层结构及土性:□单层土性:厚度(m):□双层上部土性:厚度(m):下部土性:厚度(m):下伏基岩时代及岩性:地下水位埋深(m):塌陷岩土层时代及岩性:土层时代:土性:厚度(m):岩层时代:岩性:厚度(m):地下水位埋深(m):诱发动力因素□地震□其它振动□地面加载□水库蓄水□其它水位骤变□溶蚀剥蚀□深井抽水井位在塌陷区的方向:距离(m):抽水降深(m):日出水量(m3):□江河水位变化河边在塌陷区的方向:距离(m):水位变幅(m):□地面加载□振动□坑道挖掘顶板冒落□洞室顶部破碎岩土体地下水流强烈下泄矿层厚度(m):,开采时间:开采厚度(m):,开采深度(m):开采方法:工作面推进速度(m/d):采出量(m3):顶板管理方法:重复采动:□是□否采空区形态:采空区规模(m3):表A.5(续)项目名称:图幅名:图幅编号:灾害情况已有灾害损失潜在灾害预测毁田(亩):毁房(间):阻断交通:□铁路(m):□公路(m):□通讯(小时):陷坑发展预测潜在损害预测地面水源枯竭□河水流量减少(m3/s)□断流(m3/s):□井泉水流量减少(m3/s):□水位降低(m):□干枯新增陷坑(个):扩大陷区(km2):毁田(亩):毁房(间):地下井巷突水□水量增大(m3/S):□成灾损失(万元):□淹井损失(万元):出现新陷区(处):断路(小时):淹埋地面物资:面积(km2):其它:伤亡人数(人)直接损失(万元)威胁人数(人)威胁财产(万元)灾情等级□特大型□大型□中型□小型险情等级□特大型□大型□中型□小型危害对象□县城□村镇□居民点□学校□矿山□工厂□水库□电站□农田□饮灌渠道□森林□公路□大江大河□铁路□输电线路□通讯设施□国防设施□其它:危胁对象□县城□村镇□居民点□学校□矿山□工厂□水库□电站□农田□饮灌渠道□森林□公路□大江大河□铁路□输电线路□通讯设施□国防设施□其它:防治情况已采取的防治措施及效果今后防治建议遥感解译点□是□否勘查点□是□否测绘点□是□否防灾预案/群测群防点□是□否野外记录信息表A.5(续)调查单位:表A.6地裂缝野外调查表项目名称:图幅名:图幅编号:名称地理位置省县(市)乡村组野外编号县(市)编号坐标CGCS2000X:标高(m)统一编号Y:发育特征单缝特征缝号形态延伸方向倾向(°)倾角(°)长度(m)宽度(m)深度(m)规模等级性质移位填充物出现时间及活动性1□直线□折线□弧线□巨型□特大型□大型□中型□小型□拉张□平移□下错方向:距离:年月日□停止□趋增强□趋减弱23群缝特征缝数分布、发育情况发生发展情况面积(km2):间距(m):排列形式缝的规模始发时间盛发时间停止时间尚在发展情况□平行产状:阶步指向:长(m):至年月日年月日至年月日年月日□停止□趋增强□趋减弱□斜列产状:阶步指向:宽(m):至□环围圆心位置:深(m):至□杂乱无章规模等级□巨型□大型□中型□小型成因类型□地下开挖引起□抽排地下水引起□地震和构造活动引起□胀缩土引起形成条件地质环境条件裂缝区地貌特征:□山顶□山坡□山脚□平原裂缝与山脊、山坡、山脚或平原土坎的走向关系:□平行□横交□斜交裂缝(受裂)巨岩土层时代:岩性:受裂土层时间:土性:下伏层时间:岩性:受裂岩土层时代:岩性:胀缩土特征膨胀性:□强□中□弱,含水量(%):裂缝区构造断裂1组:走向倾向倾角2组:走向倾向倾角岩层中的主要断裂产状:土层中有无新断裂及其产状:主要构造断裂产状1组:走向倾向倾角2组:走向倾向倾角有无新的构造断裂及其产状:项目名称:图幅名:图幅编号:形成条件引发动力因素□地下洞室开挖□抽排地下水□地震□水理作用洞室埋深(m):洞室规模:长(m):宽(m):高(m):与裂缝区位置关系:开挖时间:开挖方式:开挖强度:□井□钻孔□坑道井深或坑道埋深(m):水位水量:日出水量:与裂缝区的位置关系:抽排水时间□始于年月日□止于年月日□仍在断续烈度:发生时间:年月日□断层活动活动断层的位置:产状:长度:性质:活动时间:活动速率:断距:□降雨,□水库水,□地表水,□地下水作用时间:水质(PH):□开挖卸荷作用开挖时间:方式:深度:□其它作用引起的干湿变化灾害情况已有灾害损失潜在灾害预测毁房(间):阻断交通(处):(小时):裂缝发展预测潜在损失预测伤亡人数(人)直接损失(万元)□缝数增多□原有裂缝加大□活动强度增加威胁毁房(间):威胁交通(处):威胁人数(人)威胁财产(万元)灾情等级□特大型□大型□中型□小型险情等级□特大型□大型□中型□小型危害对象□县城□村镇□居民点□学校□矿山□工厂□水库□电站□农田□饮灌渠道□森林□公路□铁路□大江大河□输电线路□通讯设施□国防设施□其它:危胁对象□县城□村镇□居民点□学校□矿山□工厂□水库□电站□农田□饮灌渠道□森林□公路□大江大河□铁路□输电线路□通讯设施□国防设施□其它:防治情况已采取的防治措施及效果今后防治建议遥感解译点□是□否勘查点□是□否测绘点□是□否防灾预案/群测群防点□是□否野外记录信息调查单位:表A.7地面沉降野外调查表项目名称:图幅名:图幅编号:名称野外编号室内编号发生时间地理位置省县(市、区)乡村组沉降类型坐标CGCS2000X:Y:经纬度经度:沉降中心位置行政区域纬度:经纬度经度:纬度:沉降规模沉降区面积(km2)年平均沉降量(mm)历年累计沉降量(mm)平均沉降速率沉降量(mm)地形地貌地质构造及运动情况第四系覆盖层岩性、厚度、结构、空间变化规律、水文地质特征与主要沉降层位沉降区地下水概况年开采量(m3/a)年补给量(m3/a)地下水埋深(m)年水位变化幅度(m)引发沉降原因、变化规律沉降现状及发展趋势主要危害及经济损失治理措施及效果调查负责人:填表人:审核人:填表日期:年月日表A.8采空区调查表项目名称:图幅名:图幅编号:名称(以矿命名)野外编号室内编号地理位置:省县(市)乡村社矿山中心地理坐标经度:纬度:是否关闭□是□否采空区发育特征序号拐点坐标CGCS2000分布形态(长x宽,面积)形成时间开采层位及采高顶、底板岩性最高、最低高程有无积水及积水量采空区连通情况123矿山概况(开采或关闭)矿山企业名称矿区地形地貌矿区构造(重点是采空区区域)矿区水文地质条件(主要含水层及地下水补给、排泄情况)开采情况开采矿种生产能力开采水平开采面积开采方法、回采顺序突水、充水情况顶板管理措施以往发生水害情况表A.8(续)调查单位:填表说明:1.此表按每一矿山填写一张。
地质灾害野外调查表————————————————————————————————作者:————————————————————————————————日期:ﻩ附表1-1 斜坡稳定性调查表名称地理位置省县(市) 乡村社野外编号斜坡类型□自然□人工□岩质□土质坐标(m)X:Y:标高(m)坡顶坡脚室内编号经度:°′″纬度:°′″周边交通情况斜坡环境地质环境地层岩性地质构造微地貌地下水类型时代岩性产状构造部位地震烈度□陡崖□陡坡□缓坡□平台□孔隙水□裂隙水□岩溶水地理环境降雨量(mm)水文土地利用年均最大降雨量丰水位(m)枯水位(m)斜坡与河流位置□耕地□草地□灌木□森林□裸露□建筑日时□左岸□右岸□凹岸□凸岸斜坡基本特征外形特征坡高(m) 坡长(m) 坡宽(m)坡度(°)坡向(°) 坡面形态□凸□凹□直□阶结构特征岩质岩体结构斜坡结构类型结构类型厚度裂隙组数块度(长×宽×高(m))控制面结构全风化带深度(m)卸荷裂缝深度(m) 类型产状长度(m) 间距(m)土质土的名称及特征下伏基岩特征名称密实度稠度时代岩性产状埋深(m) □密□中□稍□松地下水埋深(m)露头补给类型□上升泉□下降泉□湿地□降雨□地表水□融雪□人工现今变形破坏迹象名称部位特征初现时间□拉张裂缝□剪切裂缝□地面隆起□地面沉降□剥、坠落□树木歪斜□建筑变形□冒渗混水附表1-2斜坡稳定性调查表可能失稳因素□降雨□地震□人工加载□开挖坡脚□坡脚冲刷□坡脚浸润□坡体切割□风化□卸荷□动水压力□爆破振动目前稳定程度□稳定性好□稳定性较差□稳定性差今后变化趋势□稳定性好□稳定性较差□稳定性差已造成危害损坏房屋毁路(m) 毁渠(m)其它危害直接损失(万元)灾情等级户间潜在危害威胁人口(人)威胁财产(万元) 险情等级影响范围监测现状监测建议□定期目视检查□安装简易监测设施□地面位移监测□深部位移监测防治建议□群测群防□专业监测□搬迁避让□工程治理群测人员手机电话防灾预案□有□无村长手机电话主管单位主管单位地址报警方法值班电话预定避灾地点人员撤离路线示意图平面图剖面图人员撤离路线图调查负责人:填表人:审核人: 填表日期:年月日调查单位:附表2-1滑坡(潜在滑坡)调查表名称地理位置省县(市) 乡村社野外编号室内编号坐标(m)X:Y:标高(m)冠趾滑坡年代发生时间:□老滑坡□现代滑坡年月日时分经度:°′″纬度:°′″周边交通情况滑坡类型□滑动□侧向扩离□流动□复合滑体性质□岩质□碎块石□土质滑坡环境地质环境地层岩性地质构造微地貌地下水类型时代岩性产状构造部位地震烈度□陡崖□陡坡□缓坡□平台□孔隙水□潜水□裂隙水□承压水□岩溶水□上层滞水自然地理环境降水量(mm) 水文年均日最大时最大洪水位(m) 枯水位(m) 滑坡相对河流位置□左□右□凹□凸原始斜坡坡高(m)坡度(°)坡形斜坡结构类型控滑结构面□凸形□凹形□平直□阶状类型产状滑坡基本特征外形特征长度(m)宽度(m)厚度(m)面积(m2)体积(m3)规模等级坡度(°) 坡向(°)平面形态剖面形态□半圆□矩形□舌形□不规则□凸形□凹形□直线□阶梯□复合结构特征滑体特征滑床特征岩性结构碎石含量(%) 块度(cm) 岩性时代产状□可辨层次□零乱(体积百分比)滑面及滑带特征形态埋深(m) 倾向(°) 倾角(°) 厚度(m) 滑带土名称滑带土性状地下水埋深(m) 露头补给类型□上升泉□下降泉□溢水点□降雨□地表水□人工□融雪土地使用□旱地□水田□草地□灌木□森林□裸露□建筑现今变形迹名称部位特征初现时间□拉张裂缝□剪切裂缝□地面隆起□地面沉降□剥、坠落□树木歪斜□建筑变形□渗冒混水附表2-2 滑坡(潜在滑坡)调查表影响因素地质因素□节理极度发育□结构面走向与坡面平行□结构面倾角小于坡角□软弱基座□透水层下伏隔水层□土体/基岩接触□破碎风化岩/基岩接触□强/弱风化层界面地貌因素□斜坡陡峭□坡脚遭侵蚀□超载堆积物理因素□风化□融冻□胀缩□累进性破坏造成的抗剪强度降低□孔隙水压力高□洪水冲蚀□水位陡降陡落□地震人为因素□削坡过陡□坡脚开挖□坡后加载□蓄水位降落□植被破坏□爆破振动□渠塘渗漏□灌溉渗漏主导因素□暴雨□地震□工程活动稳定性分析复活引发因素□降雨□地震□人工加载□开挖坡脚□坡脚冲刷□坡脚浸润□坡体切割□风化□卸荷□动水压力□爆破振动目前稳定状况□稳定性好□稳定性较差□稳定性差已造成危害毁坏房屋(间)死亡人口(人)直接损失(万元)灾情等级发展趋势分析□稳定性好□稳定性较差□稳定性差潜在威胁威胁户数威胁人口(人)威胁资产(万元)险情等级影响范围监测现状防治现状监测建议□定期目视检查□安装简易监测设施□地面位移监测□深部位移监测防治建议□群测群防□专业监测□搬迁避让□工程治理隐患点□是□否群测人员手机电话防灾预案□有□无村长手机电话主管单位主管单位地址报警方法值班电话预定避灾地点人员撤离路线滑坡示意图平面图剖面图撤离路线图调查负责人:填表人:审核人: 填表日期: 年月日调查单位:附表3-1崩塌(潜在崩塌)调查表名称地理位置省市区街道野外编号斜坡类型□自然□人工□岩质□土质坐标X:Y:标高(m)坡顶室内编号经度:°′″纬度:°′″坡脚周边交通情况崩塌类型□倾倒式□滑移式□鼓胀式□拉裂式□错断式崩塌环境地质环境地层岩性地质构造微地貌地下水类型时代岩性产状构造部位地震烈度□陡崖□陡坡□缓坡□平台□孔隙水□裂隙水□岩溶水地理环境降雨量(mm) 水文土地利用年均最大降雨量丰水位(m)枯水位(m)斜坡与河流位置□耕地□草地□灌木□森林□裸露□建筑日时□左岸□右岸□凹岸□凸岸崩塌基本特征危岩体外形特征坡高(m) 坡长(m)坡宽(m)规模(m3) 规模等级坡度(°) 坡向(°)结构特征岩质岩体结构斜坡结构类型结构类型厚度裂隙组数块度(长×宽×高(m))控制面结构全风化带深度(m)卸荷裂缝深度(m) 类型产状长度(m) 间距(m)土质土的名称及特征下伏基岩特征名称密实度稠度时代岩性产状埋深(m) □密□中□稍□松地下水埋深(m)露头补给类型□上升泉□下降泉□湿地□降雨□地表水□融雪□人工现今变形破坏迹象名称部位特征初现时间□拉张裂缝□剪切裂缝□地面隆起□地面沉降□剥、坠落□树木歪斜□建筑变形□冒渗混水堆积体特征长度(m)宽度(m)厚度(m)体积(m3)坡度(°)坡向(°)坡面形态稳定性□凸□凹□直□阶□稳定性好□稳定性较差□稳定性差附表3-2 崩塌(潜在崩塌)调查表可能失稳因素□降雨□地震□人工加载□开挖坡脚□坡脚冲刷□坡脚浸润□坡体切割□风化□卸荷□动水压力□爆破振动目前稳定程度□稳定性好□稳定性较差□稳定性差今后变化趋势□稳定性好□稳定性较差□稳定性差已造成危害死亡人口(人)损坏房屋毁路(m) 毁渠(m)其它危害直接损失(万元)灾情等级户间影响范围潜在危害威胁人口(人)威胁财产(万元)险情等级监测现状防治现状监测建议□定期目视检查□安装简易监测设施□地面位移监测防治建议□群测群防□专业监测□搬迁避让□工程治理隐患点□是□否群测人员手机电话防灾预案□有□无村长手机电话主管单位主管单位地址报警方法值班电话预定避灾地点人员撤离路线示意图平面图剖面图撤离路线图调查负责人: 填表人:审核人:填表日期: 年月日调查单位附表4-1 泥石流(潜在泥石流)调查表沟名野外编号室内编号地理位置E:行政区位省地区(州)县(市)高程最大标高N:乡(镇)村最小标高水系名称坐标X:Y:周边交通情况泥石流沟与主河关系主河名称泥石流沟位于主河的沟口至主河道距离(m) 流动方向□左岸□右岸泥石流沟主要参数、现状及灾害史调查水动力类型□暴雨□冰川□溃决□地下水沟口巨石大小(m)ΦaΦbΦc 泥砂补给途径□面蚀□沟岸崩滑□沟底再搬运补给区位置□上游□中游□下游降雨特征值H年max H年cp H日maxH日cp H时max H时cpH10分钟max H10分钟cp沟口扇形地特征扇形地完整性(%) 扇面冲淤变幅±发展趋势□下切□淤高扇长(m)扇宽(m) 扩散角(°)挤压大河□河形弯曲主流偏移□主流偏移□主流只在高水位偏移□主流不偏地质构造□顶沟断层□过沟断层□抬升区□沉降区□褶皱□单斜地震烈度(度)不良地质体情况滑坡活动程度□严重□中等□轻微□一般规模□大□中□小人工弃体活动程度□严重□中等□轻微□一般规模□大□中□小自然堆积活动程度□严重□中等□轻微□一般规模□大□中□小土地利用(%)森林灌丛草地缓坡耕地荒地陡坡耕地建筑用地其它防治措施现状□有□无类型□稳拦□排导□避绕□生物工程监测措施□有□无类型□雨情□泥位□专人值守威胁危害对象□城镇□村寨□铁路□公路□航运□饮灌渠道□水库□电站□工厂□矿山□农田□森林□输电线路□通讯设施□国防设施威胁人口(人) 威胁财产(万元) 险情等级影响范围灾害史发生时间(年/月/日)死亡人口(人)牲畜损失(头)房屋(间)农田(亩)公共设施直接损失(万元)灾情等级全毁半毁全毁半毁道路(km)桥梁(座)泥石流特征冲出方量(104m3)规模等级泥位(m)附表4-2 泥石流(潜在泥石流)调查表泥石流综合评判1.不良地质现象□严重□中等□轻微□一般2.补给段长度比(%) 3.沟口扇形地□大□中□小□无4.主沟纵坡(‰)5.新构造影响□强烈上升区□上升区□相对稳定区□沉降区6.植被覆盖率(%)7.冲淤变幅(m) ±8.岩性因素□土及软岩□软硬相间□风化和节理发育的硬岩□硬岩9.松散物储量(104m3/km2)10.山坡坡度(°)11.沟槽横断面□V型谷(谷中谷、U型谷)□拓宽U型谷□复式断面□平坦型12.松散物平均厚(m)13.流域面积(km2)14.相对高差(m) 15.堵塞程度□严重□中等□轻微□无评分1 2 3 4 5 6 7 8 9 1总分易发程度□易发□中等□不易发泥石流类型□泥流□泥石流□水石流发展阶段□形成期□发展期□衰退期□停歇或终止期监测建议□雨情□泥位□专人值守防治建议□群测群防□专业监测□搬迁避让□工程治理隐患点□是□否群测人员手机电话防灾预案□有□无村长手机电话主管单位主管单位地址报警方法值班电话预定避灾地点人员撤离路线示意图(平面图,剖面图,撤离路线图)调查负责人: 填表人: 审核人:填表日期: 年月日调查单位:附表5泥石流沟严重程度(易发程度)数量化表序号影响因素权重量级划分严重(A)得分中等(B)得分轻微(C)得分一般(D)得分1崩塌滑坡及水土流失(自然和人为的)的严重程度0.159崩塌滑坡等重力侵蚀严重,多深层滑坡和大型崩塌,表土疏松,冲沟十分发育21崩塌滑坡发育,多浅层滑坡和中小型崩塌,有零星植被覆盖,冲沟发育16有零星崩塌、滑坡和冲沟存在12无崩塌、滑坡、冲沟或发育轻微12 泥沙沿程补给长度比(%) 0.118>60 16 60-30 12 30-10 8 <10 13 沟口泥石流堆积活动0.108河形弯曲或堵塞,大河主流受挤压偏移14河形无较大变化,仅大河主流受迫偏移11河形无变化,大河主流在高水偏,低水不偏7 无河形变化, 主流不偏 14河沟纵破(度,‰)0.090>12°(213)1212°-6°(213-105)96°-3°(105-52)6<3°(52)15区域构造影响程度0.075 强抬升区,六级以上地震区9 抬升区,4-6级地震区,有中小支断层或无断层7相对稳定区,4级以下地震区,有小断层5沉降区,构造影响小或无影响16 流域植被覆盖率(%) 0.067<10 9 10-30 730-60 5 >60 17 河沟近期一次变幅(m)0.062>2 8 2-1 6 1-0.2 4 <0.2 18 岩性影响0.054 软岩、黄土 6 软硬相间5风化和节理发育的硬岩4硬岩19 沿沟松散物贮量(104m3/km2)0.054>10 610-5 5 5-1 4 <1 110 沟岸山坡坡度度(‰)0.045>32°(625)632°-25°(625-466)525°-15°(466-286)4<15°(268)111产沙区沟槽横断面0.036V型谷、谷中谷、U型谷 5 拓宽U型谷 4 复式断面 3 平坦型 112 产沙区松散物平均厚度(m)0.036>10 5 10-5 4 5-13<1 113流域面积(km2)0.036 <5 5 5-10410-100 3 >100114流域相对高差(m) 0.030>500 4500-300 3300-100 3 <100 115河沟堵塞程度0.030严 4 中 3 轻 2 无 1附表6-1地面塌陷(潜在地面塌陷)调查表名称地理位置省(市、区)县(市、区)乡村组编号野外:坐标经度: X:标高室内纬度:Y:周边交通情况发育特征陷坑单体坑号形状坑口规模(m2)深度(m)变形面积(m2)规模等级长轴方向充水水位深(m)水位变动(m)发生时间发展变化1□停止□尚在发展23陷坑群体坑数分布、发育及发生发展情况分布面积(km2)排列形式长列方向坑口口径(m) 坑的深度(m)最小最大最小最大始发时间盛发开始时间盛发截止时间停止时间尚在发展□趋增强□趋减弱伴生裂缝单缝特征缝号形态延伸方向倾向(°)倾角(°)长度(m)宽度(m) 深度(m)性质群缝特征分布、发育及发生发展情况缝数分布面积(km2)间距(m)排列形式产状阶步指向缝的规模长宽深最小最大塌陷区地貌特征□平原□山间凹地□河边阶地□山坡□山顶成因类型□岩溶型塌陷□土洞型塌陷□冒顶型塌陷形成条件地质环境条件塌陷地层时代及岩性:岩层产状:断裂情况:溶洞发育情况:岩层总体发育程度□强,□弱塌顶溶洞埋深m塌陷土层结构及土性□单层土性: 厚度m□双层上部土性:厚度m下部土性: 厚度m下伏基岩时代及岩性:塌陷岩土层时代及岩性:土层时代:土性:厚度:m岩层时代:岩性:厚度: m地下水位埋深m 地下水位埋深m 地下水位埋深m引发动力因素□地震□其它振动□地面加载□水库蓄水□其它水位骤变□溶蚀剥蚀□深井抽水井位在塌陷区的方向距离m,抽水降深m,日出水量m3,□江河水位变化河边在塌陷区的方向距离m,水位变幅m□地面加载□振动□坑道挖掘顶板冒落□洞室顶部破碎岩土体地下水流强烈下泄矿层厚度m,开采时间开采厚度m,开采深度m开采方法工作面推进速度m/d采出量m3,顶板管理方法重复采动□是□否采空区形态采空区规模m3附表6-2 地面塌陷(潜在地面塌陷)调查表灾害情况已有灾害损失潜在灾害预测毁田亩,毁房间,阻断交通:□铁路、□公路、□通讯小时陷坑发展预测潜在损害预测地面水源枯竭:□河水流量减少m3/S,□断流m3/S□井泉水流量减少m3/S□水位降低m,□干枯新增陷坑个扩大陷区km2毁田亩毁房间地下井巷突水:□水量增大m3/S,□成灾,损失; □淹井损失:出现新陷区处断路小时淹埋地面物资:面积km2其它死亡人口(人) 直接损失(万元)威胁人口(人)威胁财产(万元)灾情等级:险情等级:防治情况已采取的防治措施及效果今后防治建议隐患点□是□否防灾预案□有□无群测人员手机电话村长手机电话主管单位主管单位地址报警方法报警信号值班电话预定避灾地点人员撤离路线示意图平面图剖面图人员撤离路线图调查负责人:填表人:审核人:填表日期:年月日调查单位:填表说明:1.此表按第一塌陷区填写一张。
地质灾害野外调查表(总17
页)
-CAL-FENGHAI.-(YICAI)-Company One1
-CAL-本页仅作为文档封面,使用请直接删除
调查负责人:填表人:审核人:填表日期:年月日调查单位:
调查负责人:填表人:审核人:填表日期:年月日调查单位:
调查负责人:填表人:审核人:填表日期:年月日调查单位
调查负责人:填表人:审核人:填表日期:年月日调查单位:
附表6-1 地面塌陷(潜在地面塌陷)调查表
调查负责人:填表人:审核人:填表日期:年月
日
调查单位:
填表说明:
1.此表按第一塌陷区填写一张。
同一调查点(村、组、矿山等)有多个分离的塌陷区者,应分别填写。
2.每一塌陷区的填写代表性陷坑1-3个;有2个以上陷坑者,须填写陷坑群体特征。
3.情况符合“□”后面文字内容者,在“□”中打“√”;其它描述用文字填写。
调查负责人:填表人:审核人:填表日期:年月
日
调查单位:
填表说明:1.此表按第一裂缝区填写一张。
同一调查点(村、组、矿山等)有多个分离的裂缝区者,应分别填写。
2.每一裂缝区的填写代表性单缝1-3条;有2条以上裂缝者,须填写群缝(组合发育)特征。
3.情况符合“□”后面文字内容者,在“□”中打“√”;其它描述用文字填写
调查负责人:填表人:审核人:填表日期:年月日调查单位:
附表9 地质灾害隐患点防灾预案表。
地质灾害调查无人机航测成果记录表、地质灾害野外核查记录表(一)地质灾害是自然灾害中的一种,对人类造成了极大的伤害。
在地质灾害调查工作中,无人机航测成果记录表和地质灾害野外核查记录表是不可或缺的工具。
下面我们来了解一下这两个表格的作用和具体内容。
一、地质灾害调查无人机航测成果记录表无人机航测成果记录表是地质灾害调查中用于记录无人机航拍所得成果的表格,主要包括以下几个方面:1.基础信息:记录调查日期、调查地点、航拍时间等信息。
2.地形地貌:对航拍区域的地形地貌特征进行详细描述,如地势高低、地形起伏、植被覆盖等。
3.灾害信息:对航测区域内的地质灾害进行分类记录,包括滑坡、崩塌、泥石流等灾害类型。
4.灾害范围:记录灾害发生区域的范围,有助于制定灾害防范措施和应急预案。
5.灾害影响:记录灾害对周边环境、人民生产生活的影响。
通过填写地质灾害调查无人机航测成果记录表,可以帮助地质工作者更全面地了解航测区域内的地质灾害情况,为后期的防灾减灾工作提供重要数据支持。
二、地质灾害野外核查记录表地质灾害野外核查记录表是地质工作者在现场进行地质灾害野外调查时用于记录野外调查结果和情况的表格,主要包括以下内容:1.基础信息:记录调查日期、调查地点、调查人员、天气等基本信息。
2.调查对象:对野外调查的地质灾害对象进行详细描述,如滑坡、崩塌、泥石流等。
3.调查情况:记录调查过程中发现的问题、调查的方法和技术等情况,对现场环境、气候条件进行描述。
4.调查结论:对调查结果进行综合分析和判断,给出合理的结论和建议。
通过填写地质灾害野外核查记录表,地质工作者可以更全面、更准确地了解区域内的地质灾害情况,为应急预案制定和防灾减灾工作提供重要数据支持。
总之,地质灾害调查无人机航测成果记录表和地质灾害野外核查记录表都是地质灾害调查中不可或缺的工具,能够有效帮助地质工作者更好地了解地质灾害情况,为灾害防范和减灾工作提供数据支持。
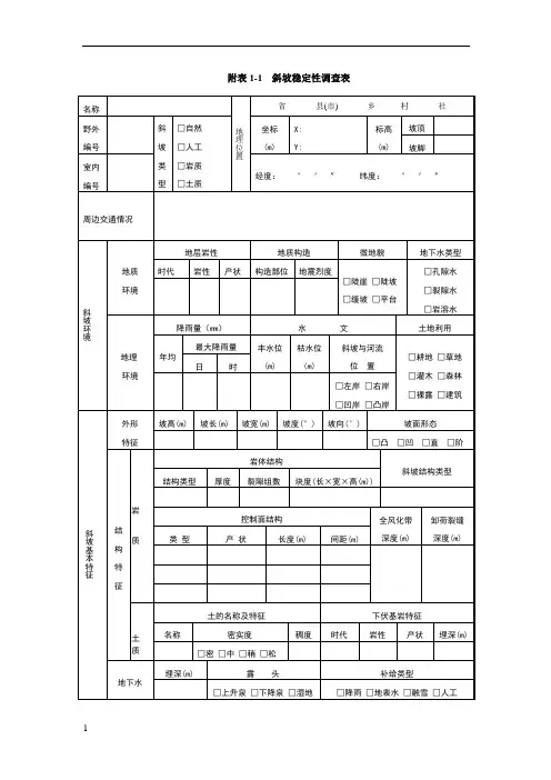
附表1-1 斜坡稳定性调查表
附表1-2 斜坡稳定性调查表
调查负责人:填表人:审核人:填表日期:年月日调查单位:
附表2-1 滑坡(潜在滑坡)调查表
附表2-2 滑坡(潜在滑坡)调查表
调查负责人:填表人:审核人:填表日期:年月日调查单位:
附表3-1 崩塌(潜在崩塌)调查表
附表3-2 崩塌(潜在崩塌)调查表
调查负责人:填表人:审核人:填表日期:年月日调查单位
附表4-1 泥石流(潜在泥石流)调查表
附表4-2 泥石流(潜在泥石流)调查表
调查负责人:填表人:审核人:填表日期:年月日调查单位:
附表6-1 地面塌陷(潜在地面塌陷)调查表
调查负责人:填表人:审核人:填表日期:年月日调查单位:
填表说明:
1.此表按第一塌陷区填写一张。
同一调查点(村、组、矿山等)有多个分离的塌陷区者,应分别填写。
2.每一塌陷区的填写代表性陷坑1-3个;有2个以上陷坑者,须填写陷坑群体特征。
3.情况符合“□”后面文字内容者,在“□”中打“√”;其它描述用文字填写。
附表7-1 地裂缝调查表
调查负责人:填表人:审核人:填表日期:年月日调查单位:
填表说明:1.此表按第一裂缝区填写一张。
同一调查点(村、组、矿山等)有多个分离的裂缝区者,应分别填写。
2.每一裂缝区的填写代表性单缝1-3条;有2条以上裂缝者,须填写群缝(组合发育)特征。
3.情况符合“□”后面文字内容者,在“□”中打“√”;其它描述用文字填写
调查负责人:填表人:审核人:填表日期:年月日调查单位:
附表9 地质灾害隐患点防灾预案表。
**县地质灾害详细调查项目遥感解译成果报告
附表二
2021年6月
1
地质灾害遥感调查记录表
遥感图像编号 GF1 地形图 编号
16
自然地理位置
**乡**村
遥
感 图 像
地 理 坐 标
N
38°16'2"N
X E
66°26'11"E Y
地质灾害类型
泥石流 是否威胁人员财产
是
遥感影像特征
泥石流堆积区的最低点为4237m ,物源区的最高点为4617
米,最高差约为380米,物源区呈漏斗型,流通区的沟床较为细直,沟槽较狭长,堆积区位于沟谷出口处,呈宽扇形,浅褐色调。
堆积区前缘有分散农户。
解 译 结 果
该点疑似为一小型规模泥石流,位于**乡**村,泥石流流域面积913915m 2
,主沟谷长约2089m ,堆积扇扩散角约35°,堆积扇半径约150m ,堆积扇面积约10000m 2
,体积约15000m 3
,沟口方向100°,威胁分散农户。
野外验证结果
该点验证为**乡**村**沟泥石流,位于**乡**村,坡向110°,体积18000m3,危险区面积118000m2,规模小型,威胁分散农户。
解译人解译时间2021年6月1日审核人解译点编号YG001
2。
附件1:县市地质灾害调查表
调查负责人:填表人:审核人:填表日期:年月日调查单位:四川省县人民政府
调查负责人:填表人:审核人:填表日期:年月日调查单位:四川省县人民政府
调查负责人:填表人:审核人:填表日期:年月日调查单位:四川省县人民政府
调查负责人:填表人:审核人:填表日期:年月日调查单位:四川省县人民政府
调查负责人:填表人:审核人:填表日期:年月日调查单位:四川省县人民政府
附表6 四川省地质灾害易发区群众避险搬迁安置工程
县(市)地质灾害隐患点搬迁安置户调查表
调查负责人:填表人:审核人:填表日期:年月日调查单位:四川省县人民政府
附表7A 四川省地质灾害易发区群众避险搬迁安置工程
县(市)地质灾害隐患点搬迁安置户选址调查表
附表7B 四川省地质灾害易发区群众避险搬迁安置工程
县(市)地质灾害隐患点搬迁安置户选址调查表
调查负责人:填表人:审核人:填表日期:年月日调查单位:四川省县人民政府
附表7C 四川省地质灾害易发区群众避险搬迁安置工程
县(市)地质灾害隐患点搬迁安置户选址调查表安置选址点野外编号:
县(市)地质灾害隐患点调(核)查汇总表
调查单位:填写人:审核人:填制时间:年月日
县(市)地质灾害隐患点搬迁安置户调查汇总表
调查单位:填写人:审核人:县(市)国土资源局(盖章):填制时间:年月日
附件2:防灾、避险明白卡
表1 崩塌、滑坡、泥石流等地质灾害
防灾工作明白卡
(此卡发至地质灾害防灾负责单位和负责人) 中华人民共和国国土资源部印制
表2 崩塌、滑坡、泥石流等地质灾害防灾避险明白卡。
地质灾害详细调查填表说明(比例尺1:50000)
前言
为规范湖南省地质灾害详细调查工作,指导1:5万地质灾害调查工作开展,结合《滑坡崩塌泥石流灾害详细调查规范》DD2008-02和《县(市)地质灾害调查与区划基本要求》实施细则(200710),制定本填表说明。
目录
一、地质环境野外调查表填表说明 (1)
二、不稳定斜坡野外调查表填表说明 (3)
三、滑坡野外调查表填表说明 (6)
四、崩塌野外调查表填表说明 (9)
五、泥石流野外调查表填表说明 (12)
六、地面塌陷野外调查表填表说明 (15)
七、地裂缝野外调查表填表说明 (18)
八、地面沉降野外调查表填表说明 (21)
九、地质灾害点调查复核表填表说明 (23)
十、地质灾害测量记录表说明 (24)
十一、地质灾害点工程治理复核表填表说明 (25)
十二、搬迁避让场址点信息表填表说明 (26)
十三、地质灾害遥感解译点信息表填表说明 (27)
十四、地质灾害防灾工作明白卡填表说明 (28)
十五、地质灾害防灾避险明白卡填表说明 (29)
十六、地质灾害隐患防灾预案表填表说明 (29)
附:地质灾害详细调查技术表格。