防洪防汛专项检查表
- 格式:doc
- 大小:60.50 KB
- 文档页数:3
防洪防汛、防台风(夏季)安全检查表
检查人员:检查时间:
检查
项目
序号检查内容依据检查结果整改要求
防洪防汛1
是否建立防洪防汛工作领导小组,落实
工作职责。
安全管理制度2
是否制定防洪防汛应急救援预案,并进
行演练。
安全管理制度3 是否对员工进行宣传、教育。
安全管理制度4
是否制定值班制度,明确值班人员及其
职责。
安全管理制度5
是否定期对房屋建筑、仓库、设备设施
等进行检查。
安全管理制度6
汛期前,是否对雨水、污水管道及
其他排污管道进行疏掏、清障和
维护。
安全管理制度
防台风
7
是否建立健全防台风指挥机构,及时做
好机构人员的调整和补充
安全管理制度8
是否宣传防台风工作的重要意义,克服
麻痹思想和侥幸心理,树立防大灾、抗
大灾的思想准备。
安全管理制度9
是否定期修订、补充“防台风抢险应急
预案”。
安全管理制度10
是否备足、储存好各类防台风抢险物
资、设备、运输车辆等,保证做到按需
调用。
安全管理制度。
建筑工地防洪防汛检查表
项目信息
- 项目名称:[填写项目名称]
- 项目地点:[填写项目地点]
- 项目负责人:[填写负责人姓名]
- 项目联系[填写联系电话]
检查日期:[填写检查日期]
现场情况检查
- 检查河道、水流情况,是否存在洪水风险:[填写情况] - 检查工地周边地势,是否容易积水:[填写情况]
- 检查工地排水系统,是否正常运行:[填写情况]
- 检查建筑结构是否能够承受洪水压力:[填写情况]
- 检查临时设施是否有防洪措施:[填写情况]
防洪措施检查
- 检查防洪墙、围挡是否完好:[填写情况]
- 检查排水系统是否通畅:[填写情况]
- 检查排水设备是否正常运行:[填写情况]
- 检查地势平整度,是否有积水点:[填写情况]
- 检查临时设施防水措施是否落实:[填写情况]
应急预案检查
- 检查是否制定了防洪应急预案:[填写情况]
- 检查应急预案是否与相关方沟通并落实:[填写情况] - 检查防洪设备是否齐备并易于使用:[填写情况]
- 检查工地人员是否接受了防洪培训:[填写情况]
其他情况备注
[填写其他需要备注的情况]
检查人员
- 检查人员姓名:[填写检查人员姓名]
- 检查人员职务:[填写检查人员职务]
- 检查人员签名:[填写检查人员签名]
结论
根据以上检查结果,建筑工地防洪防汛措施整体较为完备。
需要注意的是,继续关注河道水流情况、及时维修排水系统,以确保工地安全。
该检查表供项目管理人员参考,以便及时发现问题并采取相应措施,确保施工安全。
请及时处理并妥善保存该检查表。
___________________
[填写日期]。
防汛防台检查表
1. 检查水库、河道和堤防的情况,是否存在漏洞、破损或塌方现象。
2. 检查排水系统的状况,包括下水道、排水沟和排水泵站,是否通畅并能正常工作。
3. 检查市区内低洼地区的排水情况,是否存在积水现象,是否需要加强排水设施。
4. 检查建筑物和公共设施的排水系统,包括屋顶、天沟、雨水管道等,是否存在堵塞、损坏或漏水。
5. 检查自然水域的水位和流速,是否超出预警线或安全范围。
6. 检查河道和水库的泄洪能力,是否能及时有效地进行泄洪。
7. 检查陡坡、山区和山洪灾害易发区的情况,是否采取了相应的防灾措施。
8. 检查海域风浪监测系统的运行情况,是否能及时预警风浪灾害。
9. 检查相关单位和居民的防汛和防台意识,是否提前做好应急准备措施。
10. 检查气象部门的台风监测和预警系统,是否能及时准确地发布台风预警信息。
专项防洪防汛安全检查表一、物资准备情况1. 应急物资•☐物资种类:雨衣、橡胶鞋、手电筒、蜡烛、水、干粮、口罩、急救药品等•☐物资数量:计划数目、实际储备数目•☐物资储存情况:储存地点、保存状态是否合适2. 防护工具•☐防汛抢险大礼包:计划数目、实际储备数目•☐防汛卫士安全帽、防尘口罩、手套、橡胶鞋:数量、质量、配备情况3. 应急营地准备•☐计划安置点数量和位置•☐应急营地相关物资、设备和器材储备情况二、人员安排情况1. 安全生产小组组建情况•☐人员组成:班组长、班组员、巡视岗、监察员等•☐职责分工:人员职责明确、分工合理2. 安全隐患、风险评估•☐负责组织安全评估、制定应急救援方案•☐负责安排人员进行应急演练,检验应急救援方案3. 安全防护教育•☐建立安全教育培训制度•☐安排专门人员对一线救援队员进行骨干培训4. 全员防汛意识教育•☐制定救援应急预案•☐开展防汛宣传教育活动三、系统设备安全检查1. 防洪设备安全•☐检查河堤、水库、河道、排涝设施等防洪设施是否安全,有无损坏、漏水等问题•☐检查抗洪险工程的水位、流量等记录是否及时、准确2. 水利工程设备安全•☐检查电力设备、水泵设备是否正常,有无损耗•☐检查水闸、水库、堤防、堰坝等设备是否安全,有无任何问题3. 地质等特殊风险区域安全•☐检查特殊岩层、地质构造等对于洪水超标造成的危害•☐检查相关设施的运行、维护是否严谨,有无异常水位涌入等问题四、日常巡查问题记录1. 巡查情况简要记录•☐巡查内容:巡查区域、巡查内容、巡查时间•☐巡查情况:是否发现问题、处理情况、问题存在时限2. 线路电力设备相关情况记录•☐记录河道及流向安排•☐记录电力设施、通信设备、联网设备等情况3. 防汛物资储备和管理记录•☐记录防汛物资的储备、使用情况•☐记录防汛物资的更新、维护和管理情况五、后续改善措施1. 人员指标调整•☐增加、重新安排人员•☐重新制定救援方案和教育体系2. 设备安全改善•☐对河堤、水库、水闸等进行必要的维修•☐对设备进行完善的安全检查3. 监测体系升级•☐提升监测设备技术水平•☐增加关键监测点,提高监测精度以上就是专项防洪防汛安全检查表,定期进行该项检查,能从各个方面确保安全,避免安全风险。
学庄采油队防洪防汛专项检查表
采油站:井号:检查时间:年月日序号检查内容检查结果
1 抽油机基础是否下陷。
2 井场大门口及道路是否打防洪坝及缓冲坝。
3 活动房、柴油机房、生产罐处置位置是否在井场实方。
4 值班房、变压器、电杆、罐台、围墙地基是否下陷。
5 是否做好防洪应急物资的储备工作。
是否对井场的三池两槽进行清理,导水槽是否有积
6
土、杂草,排污坑、收油池液位是否较高。
7 护坡上方是否挖引排水沟。
8 井场及道路是否有塌方情况。
是否加强对沟畔管线的巡查力度,防止管线泄漏造成
9
污染。
10 线路接头是否完好、配电柜是否悬挂柜门是否完好。
整改要求:
整改结果:
值班人:检查人:。
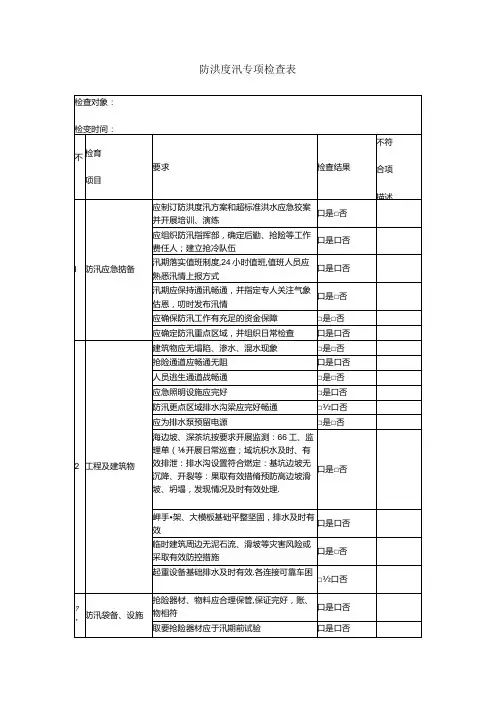
建筑工地防汛、防洪检查表(台账) XXXX工程项目防汛检查表检查单位:XXXXX工程施工项目部检查时间:年月日工程名称:序号检查项目检查主要内容及要求1 基坑积水及时、有效排泄;基坑边坡无沉降、开裂等现象;基坑边坡周边设置防护栏杆及警示标志。
明、暗排水沟、管道畅通;设施无明显损坏。
基坑边坡是否存在安全隐患:是□ 否□ 排水设施是否运行良好:是□ 否□2 深基坑毗邻砖砌围挡墙、挡土墙、大土堆、深基坑、高砌坡、大树、大型广告牌临近的临建房屋内人员必须全部撤离,不得住人;临建设施、离,不得靠近围挡墙堆放砂石、泥土等材料。
施工围挡、高边坡等是否存在隐患:是□ 否□3 临时用电除防汛抽水等设备和生活用电需要外,切断其余动力电。
临时用电是否存在隐患:是□ 否□4 抢险应急准备现场应有防汛应急预案或者应急措施;抽水泵、雨衣、电筒、铲、镐、沙土、草袋等抢险设备、物资以及人员应准备到位;应提前做好工地人员的撤离及安置工作,确保人员有序及时撤离。
应急设备、物资准备到位:是□ 否□5 管理人员在岗项目管理人员应在现场布置指挥防汛工作;应有防汛值班表;安排专人对深基坑、脚手架以及宿舍等进行不间断巡查和监控。
管理人员、值班人员是否到岗到位:是□否□以下是XXXX工程项目防汛检查表,检查时间为年月日,检查单位为XXXXX工程施工项目部。
序号一列检查项目,主要内容及要求一列为基坑积水及时、有效排泄;基坑边坡无沉降、开裂等现象;基坑边坡周边设置防护栏杆及警示标志。
明、暗排水沟、管道畅通;设施无明显损坏。
对应的两列为基坑边坡是否存在安全隐患和排水设施是否运行良好,分别填写是或否。
序号二列检查项目为深基坑毗邻砖砌围挡墙、挡土墙、大土堆、深基坑、高砌坡、大树、大型广告牌临近的临建房屋内人员必须全部撤离,不得住人;临建设施、离,不得靠近围挡墙堆放砂石、泥土等材料。
对应的两列为施工围挡、高边坡等是否存在隐患,分别填写是或否。
序号三列检查项目为临时用电,除防汛抽水等设备和生活用电需要外,切断其余动力电。