冷弯C型钢截面特性(钢结构设计手册(第三版))
- 格式:xls
- 大小:28.50 KB
- 文档页数:4
收稿日期:2023 ̄03 ̄23ꎮ基金项目:云南省科技厅科技计划资助项目(202003AC100001)ꎮ㊀∗通信作者:陶忠(1968 )ꎬ男ꎬ教授ꎬ博士ꎬ研究方向为结构工程㊁工程抗震ꎮE ̄mail:1660650127@qq.comꎮ陶忠ꎬ叶彩凤ꎬ皇甫双娥ꎬ等.冷弯薄壁卷边C形不锈钢梁的力学性能试验[J].南昌大学学报(工科版)ꎬ2024ꎬ46(1):21 ̄28.TAOZꎬYECFꎬHUANGFUSEꎬetal.Mechanicalpropertiestestingofcold ̄formedthin ̄walledflangedC ̄shapedstainlesssteelbeams[J].JournalofNanchangUniversity(Engineering&Technology)ꎬ2024ꎬ46(1):21 ̄28.冷弯薄壁卷边C形不锈钢梁的力学性能试验陶忠1ꎬ2∗ꎬ叶彩凤1ꎬ2ꎬ皇甫双娥1ꎬ2ꎬ燕钊1ꎬ2(1.昆明理工大学建筑工程学院ꎬ云南昆明650500ꎻ2.云南省抗震技术研究中心ꎬ云南昆明650503)㊀㊀摘要:为了研究冷弯壁薄卷边C形钢受弯构件的力学性能ꎬ以冷弯薄壁不锈钢梁为研究对象ꎬ重点研究加载条件㊁跨度对构件屈曲模式和受弯承载力的影响ꎮ结果发现:试件的加载条件和跨度对冷弯薄壁卷边C形钢受弯构件屈曲模式和极限承载力的影响显著ꎬ纯弯加载下的短梁极限承载力高达169.1kNꎬ破坏模式为畸变屈曲ꎬ其余试件破坏模式也为畸变屈曲ꎻ腹板V型加劲能够有效抑制腹板鼓曲的产生ꎬ提高试件的极限承载力ꎮ利用现有直接强度法修正公式的计算结果与试验结果进行对比ꎬ以验证公式的准确性ꎮ关键词:卷边C形不锈钢梁ꎻ加载条件ꎻ跨度ꎻ直接强度法中图分类号:TU391㊀㊀㊀㊀文献标志码:A㊀㊀㊀㊀文章编号:1006 ̄0456(2024)01 ̄0021 ̄08Mechanicalpropertiestestingofcold ̄formedthin ̄walledflangedC ̄shapedstainlesssteelbeamsTAOZhong1ꎬ2∗ꎬYECaifeng1ꎬ2ꎬHUANGFUShuange1ꎬ2ꎬYANZhao1ꎬ2(1.SchoolofCivilEngineeringꎬKunmingUniversityofScienceandTechnologyꎬKunming650500ꎬChinaꎻ2.YunnanEarthquakeEngineeringResearchInstituteꎬKunming650503ꎬChina)Abstract:Inordertostudythemechanicalpropertiesofcold ̄formedthin ̄walledC ̄shapedsteelbendingmembersꎬthecold ̄formedthin ̄walledstainlesssteelbeamwastakenastheresearchobjectꎬandtheinfluenceofloadingconditionsandspanonthebucklingmodeandbendingbearingcapacityofthecomponentswasmainlystudied.Theresultsshowedthattheloadingconditionsandspanofthespecimenweresignificantlyaffectedbythebucklingmodeandultimatebearingcapacityofthebendingmemberofthecold ̄formedthin ̄walledcrimpedC ̄shapedsteelꎬtheultimatebearingcapacityofshortbeamsunderpurebendingloadingwasupto169.1kNꎬthefailuremodewasdistortionbucklingꎬandthefailuremodeoftherestofthespecimenswasalsodistortionbuckling.Thecalculationresultsoftheexistingdirectstrengthmethodcorrectionformulawerecomparedwiththeexperimentalresultstoverifytheaccuracyoftheformula.Keywords:C ̄shapedstainlesssteelbeamwithcrimpededgeꎻloadingconditionsꎻspanꎻdirectstrengthmethod 钢结构是目前主要的建筑结构类型之一ꎬ被广泛应用于建筑结构和桥梁结构中ꎮ目前ꎬ随着空气污染的加重ꎬ钢结构的腐蚀速度越来越快ꎬ使得钢构件的承载力降低ꎮ与普通钢材相比ꎬ不锈钢中至少添加10.5%的铬Crꎬ钢材的耐腐蚀性可明显提高ꎬ是一种符合可持续发展的绿色环保㊁可循环利用的材料ꎮ开口冷弯薄壁构件破坏模式包括整体屈曲㊁局部屈曲㊁畸变屈曲以及3种屈曲模式的耦合(整体-局部相关屈曲㊁整体-畸变相关屈曲和局部-畸变相关屈曲)ꎮ近年来ꎬ文献[1 ̄5]对冷弯薄壁不锈钢梁的整体屈曲极限承载力进行了研究ꎬ但构件的研究截面主要集中在闭口和工字形ꎮNiu等[6 ̄7]对3种不锈钢材料C形截面组合成的工字梁开展了受弯试验研究ꎬ并以试验数据为依据进行数值模拟校验ꎮ探讨了材料屈服特性㊁柔度㊁截面及屈曲模态耦合等因素对构件极限承载力的影响ꎬ基于直接强度法提出了不锈钢梁整体-畸变相关屈曲承载力的计算公式ꎮ丁智霞[8]开展了12项卷边C形截面不锈钢试件材料力学性能试验ꎬ对6项强轴第46卷第1期2024年3月㊀㊀㊀㊀㊀㊀南昌大学学报(工科版)JournalofNanchangUniversity(Engineering&Technology)Vol.46No.1Mar.2024㊀弯曲和6项弱轴弯曲试件的局部屈曲承载力进行了试验研究ꎮRossi等[9]对C形截面不锈钢轴心受压构件开展了试验研究ꎬ通过对试验数据的整理ꎬ提出了直接强度法计算公式ꎬ即畸变-整体相关屈曲承载力的计算ꎮ关于冷弯薄壁不锈钢构件稳定承载力的研究较少ꎬ尤其是关于加劲后构件的承载力问题的研究更少ꎮ赵金友等[10]对无V型加劲㊁翼缘V型加劲和翼缘㊁腹板V形加劲高强冷弯薄壁槽钢展开了试验研究和有限元参数分析ꎬ发现试件加劲形式是影响受弯试件屈曲模式和承载力的重要因素ꎮ陶忠[11]进行了腹板纵向中间V型加劲卷边槽钢柱屈曲性能的理论分析和试验研究ꎬ提出新概念以统一薄板及薄壁板组构件屈曲问题ꎮ叶文华[12]利用直接强度法㊁有限条原理和遗传算法对V形加劲C形钢构件进行研究ꎬ发现V形交角为90ʎ时ꎬ加劲C形钢构件的极限承载力达到最大值ꎮ赵金友等[13]对翼缘V形加劲G550高强冷弯薄壁槽钢进行了受弯试验ꎮ结果表明ꎬ翼缘中部的V形加劲可以更好地提高部件的受弯承载力和稳定性ꎮ对于冷弯薄壁卷边C形不锈钢梁而言ꎬ试件受弯时截面弹性中和轴以上部分受压ꎬ屈曲变形主要产生于该部分ꎬ进而引起梁的失稳破坏ꎮ因此ꎬ开展冷弯薄壁卷边C形钢受弯构件力学性能试验研究是有必要的ꎮ本文基于奥氏体不锈钢022Cr19Ni10材料ꎬ针对冷弯薄壁卷边C形钢受弯构件在不同加载条件㊁不同跨度下的力学性能进行试验研究ꎬ为后续的理论分析提供较为可靠的数据ꎮ随后ꎬ利用修正后的直接强度法计算公式ꎬ与试验结果进行验算ꎮ1㊀试验概述1.1㊀试件的设计与编号图1㊀卷边C形截面参数定义Fig.1㊀DefinitionofparametersforrolledC ̄sections试件截面形式如图1所示(图中A表示剪心㊁O表示重心)ꎬ选取了3种板件ꎬ分别为非纯弯试验试件㊁纯弯试验短跨梁㊁纯弯试验长跨梁ꎬ共3组试验ꎬ每组试验都有2个完全相同的试件ꎮ其中ꎬ在纯弯试验下试件的跨度有2种ꎬ长度分别为1900mm和3400mmꎬ故将其区分为短跨梁和长跨梁ꎮ试件采用冷弯加工制作而成ꎬ试件名义厚度t=2mmꎮ因工厂倒角模具只有转角半径为2㊁5㊁10mm的规则ꎬ且试件的截面尺寸不大ꎬ故倒角半径r统一取为2mmꎮ试件的腹板高H=250mmꎬ翼缘宽度B=75mmꎬ卷边宽度a=20mmꎮV形加劲肋两板件间夹角为倒角ꎬ加劲肋宽度Bs=26mmꎬ高度Hs=13mmꎮ试件的编号原则如图2所示ꎮ试验前采用卷尺测量了试件的实际几何尺寸ꎬ试件编号及实测尺寸见表1ꎬ表1中L为试件的实际长度ꎮB H V a梁试件试件梁试件图2㊀试件编号原则Fig.2㊀Principleofspecimennumbering22 南昌大学学报(工科版)2024年㊀表1㊀试件实测几何尺寸Tab.1㊀Measuredgeometricdimensionsofspecimens试件编号H/mmB/mma/mmr/mmt/mmBs/mmHs/mmL/mmV0 ̄H250B75a20 ̄125277.520.82.32.128.814.82402.5V0 ̄H250B75a20 ̄225277.919.92.32.128.814.92398.0V1 ̄H250B75a20 ̄125376.620.72.32.229.013.71903.0V1 ̄H250B75a20 ̄225376.819.62.32.629.014.31901.5V2 ̄H250B75a20 ̄125176.120.62.32.029.013.53402.0V2 ̄H250B75a20 ̄225376.720.32.32.028.513.53399.01.2㊀材料力学性能试验图3㊀材性试验装置Fig.3㊀Materialpropertytestdevice试件采用奥氏体不锈钢022Cr19Ni10材料经冷弯加工制成ꎬ平板区的材料力学性能试验在昆明理工大学试验室完成ꎮ试验仪器为CSS44100型电子万能试验机(100kNꎬ0.5%)ꎬ采用引伸计(YJY ̄13)及应变采集仪记录实验数据ꎬ装置如图3所示ꎮ根据GB/T228.1 2021«金属材料㊀拉伸试验㊀第1部分:室温试验方法»[14]中的规定ꎬ试验加载速率控制为3mm s-1ꎮ将试件夹在电子万能试验机夹具中间ꎬ加紧后布置引伸计ꎬ按照规定速率进行加载ꎬ同时收集试件的材料属性ꎮ材性试验结果为:名义屈服强度σ0.2=316.7MPaꎬ抗拉强度σu=609.7MPaꎬ弹性模量E=189.0GPaꎬ伸长率δ=48.9%ꎮ为后续进行理论分析时ꎬ提供准确的数据ꎮ1.3㊀试验加载装置及测点布置对卷边C形钢受弯构件ꎬ其剪心位于截面外(如图2所示)ꎮ试验过程中ꎬ为使截面不发生扭转ꎬ将2个截面形式完全相同的试件背靠背拼成双C形截面(编号为A梁和B梁)ꎬ3048603410860806030250200图4㊀方矩管截面尺寸Fig.4㊀Dimensionsofsquareandrectangularsections使用M16高强度螺栓ꎬ将方矩管与2个C形截面构件拼接在一起ꎬ在试件支座处和加载处分别设置方矩管ꎬ然后进行强轴受弯试验ꎮ方矩管截面尺寸选择为Ѳ200mmˑ250mmˑ10mmꎬ如图4所示ꎮ如图5(a)所示为采用两点加载的纯弯试验示意图ꎬ为了防止两侧非研究区段对构件的影响ꎬ在两侧非研究区段的受压翼缘处用M10高强螺栓与盖板相连ꎮ图5(b)所示为采用跨中单点加载的非纯弯试验示意图ꎬ右支座与跨中加载点之间的区段视为非纯弯试验的研究区段ꎬ同时为了防止非研究区段的影响ꎬ在非研究区段的受压翼缘处也用M10高强螺栓与盖板相连ꎮ图5为试验的示意图ꎬ试验时荷载㊁位移和应变的数据通过采集仪进行采集ꎮA梁布置4个位移计ꎬ分别布置在受拉翼缘跨中位置(DS ̄1)㊁受拉翼缘加载点位置处(DS ̄3㊁DS ̄4)㊁受拉腹板处(DS ̄5)ꎬ用于测量试件跨中及2个加载点的竖向位移㊁侧向位移ꎮB梁布置2个位移计ꎬ分别在受拉翼缘跨中位置处(DS ̄2)㊁受拉腹板处(DS ̄6)ꎬ分别用于测定试件跨中截面的竖向㊁侧向的位移ꎬ测点布置如图5ꎮ在跨中截面卷边㊁上下翼缘㊁腹板处安置纵向应变片ꎬ并在受拉腹板处安置一个横向应变片ꎻ在加载点一侧截面的受压翼缘㊁腹板处安置横向应变片ꎻ在加载点另一侧截面的受压腹板处安置一个纵向应变片和一个横向应变片ꎻ用以观测试件受力过程中应变的变化状况ꎬ试件V1中轴处的应变片往研究区段偏移ꎬ距离跨中1/6ꎮ32 第1期㊀㊀㊀㊀㊀陶忠等:冷弯薄壁卷边C形不锈钢梁的力学性能试验P PM 1M 1位移计5(6)(a)纯弯试验示意图PM 2(b)非纯弯试验示意图图5㊀试验示意图Fig.5㊀Schematicdiagramofthetest2㊀试验结果2.1㊀屈曲模式冷弯薄壁卷边C形钢在非纯弯试验下ꎬ由于盖板与高强螺栓对翼缘发生屈曲的约束作用ꎬ构件畸变屈曲发生在研究区段ꎬ如图6(a)所示ꎻ冷弯薄壁卷边C形钢在纯弯试验下ꎬ由于短跨梁的研究区段很小ꎬ导致在受到荷载时梁的截面出现局部应力集中ꎬ使得该部位的应力超过材料的屈服极限ꎬ从而导致局部屈曲的发生ꎮ继续加载ꎬ构件发生畸变屈曲破坏模式ꎬ如图6(b)㊁(c)所示ꎻ纯弯试验长跨梁受压翼缘与卷边的交线不再保持原有的直线状态ꎬ构件出现畸变屈曲破坏模式ꎬ如图6(d)所示ꎮ2.2㊀抗弯承载力在试验前ꎬ通过有限元ABAQUS预估出试件的承载力ꎮ在正式加载时ꎬ首先ꎬ以力控制加载ꎬ按照1kN s-1的速率将荷载加载至预估承载力的50%ꎻ然后ꎬ以位移控制加载ꎬ采用1mm min-1的速率加载到极限承载力ꎻ最后ꎬ以1mm min-1的速率一直加载到试件承载力下降至极限承载力80%时ꎬ停止加载ꎮ表2为试件抗弯承载力对比表ꎬ可以看出ꎬ在相同截面下ꎬ纯弯试验的长跨梁抗弯承载力低于非纯弯试验和纯弯试验短跨梁ꎮ在不同的加载方式下ꎬ非纯弯试验下的试件抗弯承载力比纯弯试验下的试件高11.5%ꎻ在相同的加载方式下ꎬ对于不同跨度的试件进行比较ꎬ发现冷弯薄壁卷边C形不锈钢受弯构件短跨梁的抗弯承载力比长跨梁高121.9%ꎮ分析认为ꎬ在非纯弯试验中ꎬ除了有弯曲荷载外ꎬ还存在剪力ꎮ剪力的存在可能会导致梁的受力方式㊁试件发生变形特征的改变ꎬ从而影响梁的承载能力ꎬ使其抗弯承载力比纯弯试验的抗弯承载力 42 南昌大学学报(工科版)2024年㊀(a)畸变屈曲(非纯弯试验试件)(b)局部屈曲(纯弯试验短跨梁)(c)畸变屈曲(纯弯试验短跨梁)(d)畸变屈曲(纯弯试验长跨梁)图6㊀试件屈曲模式Fig.6㊀Specimenbucklingmode表2㊀试件抗弯承载力对比表Tab.2㊀Comparisontableofbendingbearingcapacityoftestpieces类型试件编号试验承载力/kN预估承载力/kN屈曲模式非纯弯试验试件V085.078.0D纯弯试验短跨梁V1169.1155.0D纯弯试验长跨梁V276.268.0D注:D表示畸变屈曲ꎮ高ꎻ卷边C形不锈钢受弯构件的抗弯承载力与梁的长度有关ꎬ短跨梁的长度相对较短ꎬ所以在承受相同弯曲力矩时ꎬ其受弯应力较小ꎬ且两端支承刚度相对较大ꎬ支承作用比较强ꎬ可以更好地限制梁的变形ꎬ从而增加了梁的强度和稳定性ꎮ2.3㊀荷载-挠度曲线图7(a)㊁(b)㊁(c)分别为非纯弯试验试件㊁纯弯试验短跨试件和纯弯试验长跨试件的荷载-跨中竖向挠度曲线ꎮ从图7可见ꎬ各构件位移计1与位移计2的荷载-跨中竖向挠度曲线几乎一致ꎬ表明试件通过背靠背连接ꎬ达到了受力同步㊁变形一致的效果ꎮ所有试件在加载初期整体处于弹性阶段ꎬ随着荷载的增加ꎬ荷载-跨中竖向挠度曲线不再呈线性变化ꎮ直至达到试件极限承载力ꎬ荷载才开始下降ꎬ从图中可以看出ꎬ此过程中竖向挠度发展速度越来越快ꎮ荷载下降至试件极限承载力80%时ꎬ停止试验ꎮ52 第1期㊀㊀㊀㊀㊀陶忠等:冷弯薄壁卷边C形不锈钢梁的力学性能试验W /mmW /mmW /mm F /k NF /k NF /k N 位移计1位移计2位移计1位移计2位移计1位移计2(a)V0 ̄H250B75a20(b)V1 ̄H250B75a20(c)V2 ̄H250B75a20图7㊀荷载-跨中竖向挠度曲线Fig.7㊀Load ̄spanverticaldeflectioncurve图8(a)㊁(b)㊁(c)所示分别为非纯弯试验试件㊁纯弯试验短跨试件和纯弯试验长跨试件的荷载-侧向挠度曲线ꎮ从图8可见ꎬ各构件变形情况几乎一致ꎬ表明通过背靠背连接的冷弯薄壁卷边C形梁可以共同受力ꎮ所有试件在加载初期处于弹性变形阶段ꎬ随着荷载逐渐增加ꎬ当荷载达到试件极限承载力80%左右时曲线出现拐点ꎬ此点应为畸变屈曲产生时所对应的荷载[15]ꎮ当达到极限承载力之后荷载开始下降ꎬ此阶段侧向挠度发展较快ꎮ荷载下降到极限承载力80%时ꎬ结束曲线绘制ꎮW /mmW /mmW /mm F /k NF /k N F /k N 位移计5位移计6位移计5位移计6位移计5位移计6(a)V0 ̄H250B75a20(b)V1 ̄H250B75a20(c)V2 ̄H250B75a20图8㊀荷载-侧向挠度曲线Fig.8㊀Load ̄lateraldeflectioncurve从图7㊁图8可以得出:1)冷弯薄壁卷边C形不锈钢梁通过背靠背连接ꎬ可以共同受力ꎬ达到了变形一致的效果ꎮ2)每个试件在加载初期均处于弹性阶段ꎬ随着荷载的增加ꎬ试件发生塑性变形ꎬ直到试件极限承受能力ꎬ荷载则减少到试件极限承受能力的80%ꎬ停止加载ꎮ3)纯弯试验下ꎬ短跨梁的承载力远高于长跨梁的承载力ꎬ而且所有荷载-跨中竖向挠度曲线的下降段较平缓ꎬ这是由于试验所选奥氏体不锈钢022Cr19Ni10具有强度高㊁延性好的特点ꎮ4)试件V0的极限承载能力高于试件V2的极限承载能力ꎬ其原因是:非纯弯试验中ꎬ弯矩和剪力之间可能存在交互作用ꎬ这种交互作用会影响试件的承载能力ꎬ进而导致试件的极限承载力增加ꎮ2.4㊀荷载-应变曲线图9给出了所有试件在受压翼缘和加劲处的荷载-应变曲线ꎮ观察发现:1)冷弯薄壁卷边C形不锈钢短梁在进行纯弯试验时ꎬ试件受压翼缘处的应变值先正后负ꎮ这是因为短梁的加载过程中ꎬ由于梁的长度较短ꎬ受力状态和应变分布会出现局部集中的情况ꎬ导致强烈的非均匀性和应变集中现象ꎮ2)试件V0和V2在加劲处为压应变ꎬ试件V1在加劲处为拉应变ꎬ分别表示鼓曲为向内向外鼓曲ꎬ与试验现象吻合ꎮ3)所有试件加劲处的拉压应变值均较小ꎬ可以有效地限制鼓曲的发展ꎮ4)在不同加载方式下ꎬ试件V0受压翼缘处的应变值小于试件V2受压翼缘处的应变值ꎬ且发生畸变屈 62 南昌大学学报(工科版)2024年㊀曲时的荷载较大ꎬ如图9(a)㊁(c)所示ꎮ在非纯弯试验中ꎬ由于加载方式的不同ꎬ弯矩分布变得不均匀ꎬ且试件同时受到弯矩和剪力的作用ꎬ试件的结构特性可以更好地发挥ꎬ使得试件的极限承载力有所提高ꎮ5)随着跨度的增加ꎬ受压翼缘处应变增大ꎬ且发生屈曲的荷载减小ꎬ如图9(b)㊁(c)所示ꎮ屈曲后试件的变形发展速度越来越快ꎬ长跨梁较短跨梁变形越明显ꎮ(a)V0 ̄H250B75a20(b)V1 ̄H250B75a20(c)V2 ̄H250B75a20图9㊀荷载-应变曲线Fig.9㊀Load ̄straincurve3㊀基于直接强度法的验算㊀㊀Schafer等[16]首次提出直接强度法ꎬ并在之后进一步提出了规范版的直接强度法条文ꎻ 北美冷弯型钢构件设计规范 (AISIS100 2001)将此方法列入附录1ꎬ澳大利亚/新西兰 冷弯型钢设计规范 (AS/NZS4600:2005)也将此方法列入其中ꎮ杜利[17]利用直接强度法经修正计算了卷边C形不锈钢梁畸变屈曲承载力ꎮ本文利用张骥[18]修正的一种基于直接强度法的V型加劲C形截面不锈钢梁畸变屈曲承载力计算公式验算试验结果ꎬ公式如下:Mnd=Myꎬλɤ0.6731λ-0.22λæèçöø÷Myꎬλ>0.673ìîíïïïï(1)式中:Mnd为C形不锈钢梁畸变屈曲承载力ꎻMy为试件受弯部分边缘屈服弯矩ꎻλ为畸变屈曲长细比ꎮ其中λ=1.052-0.21365x+1.0937wtæèçöø÷fE式中:x为翼缘加劲位置ꎻw/t为试件翼缘宽厚比ꎻE为不锈钢材料弹性模量ꎻf为不考虑安全系数的板件最大受压边缘应力ꎮ卷边C形不锈钢梁畸变屈曲承载力试验结果与计算结果对比见表3ꎮ对比结果发现ꎬ此公式不能准确预测卷边C形不锈钢梁畸变屈曲的承载力ꎬ平均偏差达到93.3%ꎮ表3㊀畸变屈曲承载力试验结果与计算结果对比Tab.3㊀Comparisonofultimatebearingcapacitytestresultsandcalculationresults试件编号Mtest/(kN m)Mnd/(kN m)ΔZ/%V0 ̄H250B75a2021.2539.5085.8V1 ̄H250B75a2021.1439.5086.8V2 ̄H250B75a2019.5039.50107.3㊀㊀注:Mtest为卷边C形不锈钢梁畸变屈曲承载力的试验结果ꎻMnd为卷边C形不锈钢梁畸变屈曲承载力使用式(1)的计算结果ꎻΔZ为卷边C形不锈钢梁畸变屈曲承载力的式(1)计算数据与试验结果的误差ꎮ4㊀结论㊀㊀1)对3组冷弯薄壁卷边C形不锈钢梁进行承载力试验ꎬ所有试件的破坏模式均为畸变屈曲ꎮ且V形加72 第1期㊀㊀㊀㊀㊀陶忠等:冷弯薄壁卷边C形不锈钢梁的力学性能试验82 南昌大学学报(工科版)2024年㊀劲有效地减少了试件的宽厚比ꎬ有效地限制了鼓曲的发展ꎮ2)加载条件与跨度是影响受弯试件承载能力的重要因素ꎮ在不同的加载条件下ꎬ试件在非纯弯试验下的极限承载力和刚度均比试件在纯弯试验下高ꎮ随着冷弯薄壁卷边C形不锈钢梁跨度的增大ꎬ试件的受弯极限承载力和刚度均减小ꎮ但是短跨梁在纯弯试验下会产生应力集中ꎬ导致强烈的非均匀性和应变集中现象ꎬ容易发生局部塑性变形㊁裂纹扩展㊁断裂等破坏ꎬ从而降低梁的强度和寿命ꎮ3)基于直接强度法进行验算ꎬ现有的不锈钢梁畸变屈曲承载力修正公式不能准确预测出试件的畸变屈曲承载力ꎬ直接强度法计算公式的修正有待进一步完善ꎮ参考文献:[1]㊀BURGANBAꎬBADDOONRꎬGILSENANKA.Structuraldesignofstainlesssteelmembers:comparisonbetweenEurocode3ꎬPart1.4andtestresults[J].JournalofConstructionalSteelResearchꎬ2000ꎬ54(1):51 ̄73.[2]HUANGYEꎬYOUNGB.Experimentalandnumericalinvestigationofcold ̄formedleanduplexstainlesssteelflexuralmembers[J].Thin ̄WalledStructuresꎬ2013ꎬ73:216 ̄228.[3]BREDENKAMPPJꎬVANDENBERGGJ.Thelateraltorsionalbucklingstrengthofcold ̄formedstainlesssteelbeams[C]//12thInternationalSpecialtyConferenceonCold ̄FormedSteelStructuresꎬOctober18 ̄19ꎬ1994.SaintLouisꎬMissouri:MissouriU ̄niversityofScienceandTechnologyꎬ1994.[4]MERWEPVDꎬWYKMVꎬBERGGJ.Lateraltorsionalbucklingstrengthofdoublysymmetricstainlesssteelbeams[C]//10thInternationalSpecialtyConferenceonCold ̄FormedSteelStructuresꎬOctober23 ̄24ꎬ1990.SaintLouisꎬMissouri:MissouriUniver ̄sityofScienceandTechnologyꎬ1990.[5]王元清ꎬ高博ꎬ戴国欣ꎬ等.焊接不锈钢工字形截面梁整体稳定性试验研究[J].建筑结构学报ꎬ2011ꎬ32(11):143 ̄148. [6]NIUSꎬRASMUSSENKJRꎬFANF.Distortional ̄globalinteractionbucklingofstainlesssteelC ̄beams:partI ̄experimentalinves ̄tigation[J].JournalofConstructionalSteelResearchꎬ2014ꎬ96:127 ̄139.[7]NIUSꎬRASMUSSENKJRꎬFANF.Distortional ̄globalinteractionbucklingofstainlesssteelC ̄beams:partⅡ ̄numericalstudyanddesign[J].JournalofConstructionalSteelResearchꎬ2014ꎬ96:40 ̄53.[8]丁智霞.考虑局部屈曲卷边C形截面不锈钢构件承载力研究[D].南京:东南大学ꎬ2017.[9]ROSSIBꎬJASPARTJPꎬRASMUSSENKJR.Combineddistortionalandoverallflexural ̄torsionalbucklingofcold ̄formedstain ̄lesssteelsections:experimentalinvestigations[J].JournalofStructuralEngineeringꎬ2010ꎬ136(4):354 ̄360.[10]赵金友ꎬ王钧ꎬ董俊巧.G550高强冷弯薄壁槽钢受弯构件力学性能与设计方法[J].土木建筑与环境工程ꎬ2016ꎬ38(5):99 ̄107.[11]陶忠.腹板中间Ⅴ型加劲卷边槽钢柱单波型和多波型相关屈曲性能分析和试验研究[D].西安:西安建筑科技大学ꎬ2000.[12]叶文华.工程中常用截面的冷弯钢构件的优化和设计[D].宁波:宁波大学ꎬ2018.[13]赵金友ꎬ高熙皓ꎬ饶敏ꎬ等.G550高强冷弯薄壁卷边槽钢受弯构件承载力直接强度法研究[J].建筑科学ꎬ2018ꎬ34(3):43 ̄48.[14]全国钢标准技术委员会.金属材料㊀拉伸试验㊀第1部分:室温试验方法:GB/T228.1 2021[S].北京:中国标准出版社ꎬ2021.[15]王子龙.腹板V形加劲的冷弯卷边槽钢轴压下局部和畸变屈曲分析[D].哈尔滨:哈尔滨工业大学ꎬ2006.[16]SCHAFERBWꎬPEKÖZTT.Directstrengthpredictionofcold ̄formedsteelmembersusingnumericalelasticbucklingsolutions[C]//14thInternationalSpecialtyConferenceonCold ̄FormedSteelStructuresꎬOctober15ꎬ1998.SaintLouisꎬMissouri:Mis ̄souriUniversityofScienceandTechnologyꎬ1998.[17]杜利.卷边C形截面不锈钢受弯构件畸变屈曲承载力研究[D].南京:东南大学ꎬ2019.[18]张骥.V型加劲C形截面不锈钢梁畸变屈曲承载力试验及模型化研究[D].昆明:昆明理工大学ꎬ2022.(责任编辑:邱俊明)。
c型钢理论重量表|常用C型钢的理论重量C型钢经热卷板冷弯加工而成,壁薄自重轻,截面性能优良,强度高,与传统槽钢相比,同等强度可节约材料30%。
C型钢广泛用于钢结构建筑的檩条、墙梁,也可自行组合成轻量型屋架、托架等建筑构件。
由于c型钢规格太多,下面只列出部分。
截面积和理论重量的计算方法可参考c型钢理论重量计算器型号尺寸(mm)(毫米) 截面积理论重量h高度b底边 a t厚度cm2(平方厘米) kg/m(公斤/米)C80 80 40 15 2 3.64 2.86 C100 100 50 15 2.5 5.5 4.32 C120 120 50 20 2.5 6.25 4.91 C120 120 60 20 3 8.04 6.31 C140 140 60 20 3 8.64 6.78 C160 160 70 20 3 9.84 7.72 C180 180 70 20 3 10.44 8.20 C200 200 70 20 3 11.04 8.67 C220 220 70 20 3 11.64 9.14 C240 240 100 20 3 12.24 9.61 C260 260 100 20 3 12.84 10.08 C280 280 100 20 3 13.44 10.55 C300 300 100 20 3 14.04 11.02c型钢截面如图所示,有一个红色长方形,两个绿色长方形,两个蓝色长方形组成。
h b-2*taab-2*t红色长方形面积=高×厚绿色长方形面积=(底-厚×2)×厚×2蓝色长方形面积=边×厚×2截面积=(高+(底-厚×2)×2+边×2)×厚钢材密度(比重)7.85克/立方厘米型钢截面特性查询及计算工具下载大家计算型钢截面积,苦于找不到计算方法,我也是在网上搜索了好久终于找到一个,不敢独享,现在贡献出来和大家分享。
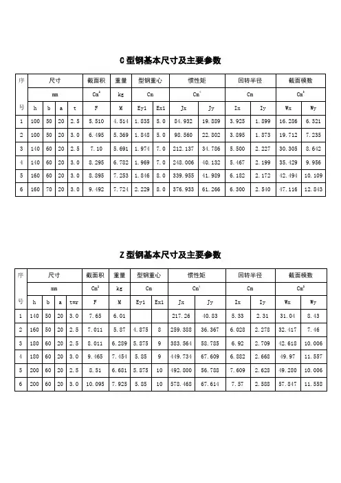
C型钢基本尺寸及主要参数Z型钢基本尺寸及主要参数C型钢基本尺寸及主要参数型号每米重(kg) 型号每米重(kg) C 80 × 50 × 20 × 2.25 3.886 C 180 × 60 × 20 × 3.0 8.007 C 80 × 50 × 20 × 2.50 4.318 C 180 × 70 × 20 × 3.0 8.478 C 80 × 50 × 20 × 2.75 4.749 C 180 × 80 × 20 × 3.0 8.949 C 80 × 50 × 20 × 3.00 5.181 C 200 × 50 × 20 × 2.5 6.673 C 100 × 50 × 20 ×2.25 4.239 C 200 × 60 × 20 × 2.5 7.065 C 100 × 50 × 20 × 2.50 4.710 C 200 × 70 × 20 × 2.5 7.458 C 100 × 50 × 20 × 2.75 5.181 C 200 × 80 × 20 × 2.5 7.850 C 100 × 50 × 20 × 3.00 5.652 C 200 × 50 × 20 × 3.0 8.007 C 120 × 50 × 20 × 2.25 4.592 C200 × 60 × 20 × 3.0 8.478 C 120 × 50 × 20 × 2.50 5.103 C 200 × 70 × 20 × 3.0 8.949 C 120 × 50 × 20 × 2.75 5.613 C 200 × 80 × 20 × 3.0 9.420 C 120 × 50 × 20 × 3.00 6.123 C 220 × 50 × 20 × 2.5 7.065 C 140 × 50 × 20 × 2.50 5.495 C 220 × 60 × 20 × 2.5 7.458 C 140 × 60 × 20 × 2.50 5.888 C 220 × 70 × 20 × 2.5 7.850 C 140 × 50 × 20 × 3.00 6.594 C 220 × 80 × 20 × 2.5 8.243 C 140 × 60 × 20 × 3.00 7.065 C 220 × 50 × 20 × 3.0 8.478 C 160 × 50 × 20 × 2.50 5.888 C 220 × 60 × 20 × 3.0 8.949 C 160 × 60 × 20 × 2.50 6.280 C 220 × 70 × 20 × 3.0 9.420 C 160 × 70 × 20 × 2.50 6.673 C 220 × 80 × 20 × 3.0 9.891 C 160 × 50 × 20 × 3.00 7.065 C 240 × 50 × 20 × 2.5 7.458 C 160 × 60 × 20 × 3.00 7.536 C 240 × 60 × 20 × 2.5 7.850 C 160 × 70 × 20 × 3.00 8.007 C 240 × 70 × 20 × 2.5 8.243 C 180 × 50 × 20 × 2.50 6.280 C 240 × 80 × 20 × 2.5 8.635 C 180 × 60 × 20 × 2.50 6.673 C 240 × 50 × 20 × 3.0 8.949 C 180 × 70 × 20 × 2.50 7.065 C 240 × 60 × 20 × 3.0 9.420 C 180 × 80 × 20 × 2.50 7.458 C 240 × 70 × 20 × 3.0 9.891 C 180 × 50 × 20 × 3.00 7.536 C 240 × 80 × 20 × 3.0 10.362钢材理论重量计算钢材理论重量计算的计量单位为公斤( kg )。
冷弯薄壁卷边C形不锈钢梁的力学性能试验
陶忠;叶彩凤;皇甫双娥;燕钊
【期刊名称】《南昌大学学报(工科版)》
【年(卷),期】2024(46)1
【摘要】为了研究冷弯壁薄卷边C形钢受弯构件的力学性能,以冷弯薄壁不锈钢梁为研究对象,重点研究加载条件、跨度对构件屈曲模式和受弯承载力的影响。
结果发现:试件的加载条件和跨度对冷弯薄壁卷边C形钢受弯构件屈曲模式和极限承载力的影响显著,纯弯加载下的短梁极限承载力高达169.1 kN,破坏模式为畸变屈曲,其余试件破坏模式也为畸变屈曲;腹板V型加劲能够有效抑制腹板鼓曲的产生,提高试件的极限承载力。
利用现有直接强度法修正公式的计算结果与试验结果进行对比,以验证公式的准确性。
【总页数】8页(P21-28)
【作者】陶忠;叶彩凤;皇甫双娥;燕钊
【作者单位】昆明理工大学建筑工程学院;云南省抗震技术研究中心
【正文语种】中文
【中图分类】TU391
【相关文献】
1.锈损冷弯薄壁C形钢梁受弯承载力试验研究
2.高强冷弯薄壁型钢卷边槽形截面轴压构件畸变屈曲控制试验研究
3.高强冷弯薄壁型钢卷边槽形截面轴压构件试验
研究及承载力分析4.高强冷弯薄壁型钢卷边槽形截面偏压构件试验研究及承载力分析5.纵向V型肋卷边C形不锈钢梁抗弯承载力试验研究
因版权原因,仅展示原文概要,查看原文内容请购买。
冷弯薄壁C型钢目录一、冷弯薄壁C型钢概述 (2)1.1 定义及特点 (2)1.2 应用领域 (3)二、冷弯薄壁C型钢材料 (4)2.1 主要材质 (5)2.2 加工工艺 (5)三、冷弯薄壁C型钢设计 (6)3.1 结构设计 (7)3.2 材料选择 (9)3.3 工艺流程 (9)四、冷弯薄壁C型钢生产设备 (10)4.1 制造设备 (12)4.2 加工设备 (13)五、冷弯薄壁C型钢的性能检测与评估 (14)5.1 材料性能检测 (15)5.2 工艺性能检测 (16)5.3 构件性能检测 (17)六、冷弯薄壁C型钢在建筑、桥梁等领域的应用案例 (18)6.1 建筑领域应用案例 (19)6.2 桥梁领域应用案例 (20)七、冷弯薄壁C型钢的发展趋势与创新 (22)7.1 技术发展趋势 (23)7.2 产品创新方向 (24)八、结论与展望 (25)8.1 冷弯薄壁C型钢的重要性 (26)8.2 未来发展前景 (27)一、冷弯薄壁C型钢概述冷弯薄壁C型钢是一种具有轻质、高强度、高刚度的新型建筑材料,广泛应用于建筑、钢结构、机械制造等领域。
它具有良好的抗压、抗弯、抗剪等力学性能,同时具有良好的抗震性能和抗火性能,是一种理想的结构构件材料。
冷弯薄壁C型钢的制造工艺主要包括切割、冲孔、卷边等工序,通过这些工序可以实现不同规格和尺寸的冷弯薄壁C型钢的生产。
随着科技的发展和市场需求的不断提高,冷弯薄壁C型钢的应用范围将进一步扩大,为建筑行业的发展提供更加优质的材料支持。
1.1 定义及特点冷弯薄壁C型钢是一种通过冷弯成型工艺制造的轻型经济断面钢材。
它采用热轧或冷轧方式,将钢板在一定温度下弯曲成特定的C 型截面。
这种钢材具有优良的力学性能和良好的工艺性能,广泛应用于建筑、桥梁、公路、铁路等领域。
强度高:冷弯薄壁C型钢具有优越的承载能力,由于其结构设计和材质选择,具有高强度特点,适用于多种承载要求。
重量轻:与传统的热轧型钢相比,冷弯薄壁C型钢的重量更轻,便于运输和安装,降低了整体工程成本。
冷弯薄壁型钢C型构件轴压受力机理闫亚光;苏霞;王志刚;彭婷【摘要】Steel structure is more widely used with the development of steel output and technique level. And the cold-formed is a important kind of steel. Cold-formed steel specimens are quite different from the hot-rolled steel members, especially the destroy mechanism under bending-shear load. Base on this, the mechanism of C-section specimen is researched by using FEM.%随着我国钢材产量的不断提高以及技术水平的不断进步,钢结构的应用越来越广泛,薄壁轻型钢结构是目前钢结构房屋发展的主要趋势之一.冷弯薄壁型钢构件在受力上与传统热轧钢结构构件有着很大的不同,尤其是在轴压和剪弯荷载作用下的机理存在的较大的差异.在此基础上,本文针对冷弯薄壁型钢C型构件弯剪受力机理展开分析,运用有限元软件进行数值验证.【期刊名称】《低温建筑技术》【年(卷),期】2012(034)003【总页数】3页(P65-67)【关键词】冷弯薄壁型钢;C型;剪弯;机理【作者】闫亚光;苏霞;王志刚;彭婷【作者单位】河北工程大学,河北邯郸056038;河北省电力公司,石家庄050021;中国新兴建设开发总公司,北京100039;中国建筑第五工程局有限公司福建分公司,福州350003【正文语种】中文【中图分类】TU391冷弯薄壁型钢最大的特点就是壁薄、宽厚比大,导致其在受力时,与传统热轧型钢有很大不同。
传统热轧型钢构件宽厚比较小,不易发生屈曲,而冷弯薄壁型钢构件宽厚比很大,极易在材料未进入屈服,甚至远不及屈服点时就发生局部屈曲,但这并不意味着破坏。
冷弯型钢1、范围适用于冷加工变形的冷轧或热轧钢板和钢带在连续辊式冷弯机组上生产的冷弯型钢。
2、相关标准2.1 产品标准GB/T 6725 冷弯型钢GB/T 714 桥梁用结构钢2.2 通用标准GB/T 228 金属材料室温拉伸试验方法GB/T 232 金属材料室温弯曲试验方法GB/T 700 碳素结构钢GB/T 1591 低合金高强度结构钢GB/T 2975 钢及钢产品力学性能试验取样位置及试样的制备3、取样方法每批从产品平板部分抽取一个纵向试样,具体取样方法参照碳素结构钢、低合金高强度结构钢或桥梁用结构钢中关于冷弯型钢取样的相关规定。
4、常规检测参数4.1 分类及代号冷弯型钢按产品截面形状分为:冷弯圆形空心型钢,也可简称为圆管,代号:Y冷弯方形空心型钢,也可简称为方管,代号:F冷弯矩形空心型钢,也可简称为矩形管,代号:J冷弯异性空心型钢,也可简称为异型管,代号:YI冷弯开口型钢,也可简称为开口型钢,根据截面形状代号分别为:JD(等边角钢)、JB(不等边角钢)、CD(等边槽钢)、CN(内卷边槽钢)、CW(外卷边槽钢)、Z(Z型钢)、ZJ(卷边Z型钢)。
4.2 力学性能冷弯型钢的屈服强度、抗拉强度、断后伸长率应符合下表1的要求。
其他钢级及特殊要求由供需双方协商确定。
对于断面尺寸≤60mm×60mm(包括等周长尺寸的圆及矩形冷弯型钢)及边厚比≤14的冷弯型钢产品,平板部分断后伸长率应不小于17%。
型钢的力学性能还应符合碳素结构钢、低合金高强度结构钢或桥梁用结构钢中关于冷弯型钢力学性能的相关规定,根据需方需求,经供需双方协议,也可按其他力学性能指标供货。
4.3试验结果修约按照低合金高强度结构钢或碳素结构钢相关的规定执行。
C型钢基本尺寸及主要参数Z型钢基本尺寸及主要参数C型钢基本尺寸及主要参数型号每米重(kg) 型号每米重(kg) C 80 × 50 × 20 × 2.25 3.886 C 180 × 60 × 20 × 3.0 8.007 C 80 × 50 × 20 × 2.50 4.318 C 180 × 70 × 20 × 3.0 8.478 C 80 × 50 × 20 × 2.75 4.749 C 180 × 80 × 20 × 3.0 8.949 C 80 × 50 × 20 × 3.00 5.181 C 200 × 50 × 20 × 2.5 6.673 C 100 × 50 × 20 ×2.25 4.239 C 200 × 60 × 20 × 2.5 7.065 C 100 × 50 × 20 × 2.50 4.710 C 200 × 70 × 20 × 2.5 7.458 C 100 × 50 × 20 × 2.75 5.181 C 200 × 80 × 20 × 2.5 7.850 C 100 × 50 × 20 × 3.00 5.652 C 200 × 50 × 20 × 3.0 8.007 C 120 × 50 × 20 × 2.25 4.592 C200 × 60 × 20 × 3.0 8.478 C 120 × 50 × 20 × 2.50 5.103 C 200 × 70 × 20 × 3.0 8.949 C 120 × 50 × 20 × 2.75 5.613 C 200 × 80 × 20 × 3.0 9.420 C 120 × 50 × 20 × 3.00 6.123 C 220 × 50 × 20 × 2.5 7.065 C 140 × 50 × 20 × 2.50 5.495 C 220 × 60 × 20 × 2.5 7.458 C 140 × 60 × 20 × 2.50 5.888 C 220 × 70 × 20 × 2.5 7.850 C 140 × 50 × 20 × 3.00 6.594 C 220 × 80 × 20 × 2.5 8.243 C 140 × 60 × 20 × 3.00 7.065 C 220 × 50 × 20 × 3.0 8.478 C 160 × 50 × 20 × 2.50 5.888 C 220 × 60 × 20 × 3.0 8.949 C 160 × 60 × 20 × 2.50 6.280 C 220 × 70 × 20 × 3.0 9.420 C 160 × 70 × 20 × 2.50 6.673 C 220 × 80 × 20 × 3.0 9.891 C 160 × 50 × 20 × 3.00 7.065 C 240 × 50 × 20 × 2.5 7.458 C 160 × 60 × 20 × 3.00 7.536 C 240 × 60 × 20 × 2.5 7.850 C 160 × 70 × 20 × 3.00 8.007 C 240 × 70 × 20 × 2.5 8.243 C 180 × 50 × 20 × 2.50 6.280 C 240 × 80 × 20 × 2.5 8.635 C 180 × 60 × 20 × 2.50 6.673 C 240 × 50 × 20 × 3.0 8.949 C 180 × 70 × 20 × 2.50 7.065 C 240 × 60 × 20 × 3.0 9.420 C 180 × 80 × 20 × 2.50 7.458 C 240 × 70 × 20 × 3.0 9.891 C 180 × 50 × 20 × 3.00 7.536 C 240 × 80 × 20 × 3.0 10.362钢材理论重量计算钢材理论重量计算的计量单位为公斤( kg )。
第五章 冷弯薄壁型钢第一节 截面特性及用途冷弯薄壁型钢是型钢的一个品种,采用6mm 以下的薄壁型钢板进行冷弯压制成形。
一、冷弯薄壁型钢以截面形式分类1.闭合截面如圆形、方形、长方形、三角形等。
2.开口截面如C 型、Z 型、槽型、Ω型、L 型。
冷弯薄壁型钢都在弯板机上成型,其特点在折角处都形成一个弧形。
二、冷弯薄壁型钢的机械力学性能1.机械力学性能采用Q235或Q345钢材冷弯成形Q235冷弯薄壁型钢的力学特性冷弯后的平均抗拉强度与原薄钢板之比 抗拉强度:%67.14%100559559641=⨯-%33.18%100562562665=⨯-就是说抗拉强度可以提高15%~18%,所以冷弯型钢在冷弯后强度可以提高,屈强比提高,韧性下降,塑性储备减少。
这里要特别指出的Q235的冷弯薄壁型钢的设计强度MPa f y 205=,不得利用冷弯后的强度提高值,同时冷弯薄壁型钢作为檩条、墙梁不是强度控制,而是挠度控制。
2.型钢的截面的特性 (1)截面计算假定杆件长度和截面的平均尺寸及杆壁的厚度属于不同等级,称为薄壁杆件。
a.设计仍为平面假定,但截面上的应力是均布应力;b.抗弯抗扭应力水平较低,容易局部失稳;c.抗剪计算相当繁锁的腹板验算,容易局部屈曲及剪力滞后效应。
(2)截面特性与一般截面同样,在x 、y 方向应具有的惯性矩,截面抗矩及回转半径处,因为开口薄壁杆件抗扭水平较低,但结构抗扭是不可避免的,为了较正确的反应开口薄壁杆件在受扭时杆件的安全,利用维利沙金法求出扇性惯矩w I 及最大扇性截面抵抗距max w W 来校核开口薄壁杆件的稳定性。
三、冷弯薄壁型钢的用途当提到冷弯薄壁型钢似乎只有用在檩条和墙梁上,因为是薄壁就想到钢材易锈蚀,使用年限很短,其实冷弯薄壁型钢用途较广泛,使用年限也可达到25年以上。
使用冷弯薄壁型钢时,业主和设计的工程师们应有一个价值观,使设计得到较佳的经济指标和合理的使用时效,这是设计工程师应具有的准则。
C型钢基本尺寸及主要参数Z型钢基本尺寸及主要参数C型钢基本尺寸及主要参数型号每米重(kg) 型号每米重(kg) C 80 × 50 × 20 × 2.25 3.886 C 180 × 60 × 20 × 3.0 8.007 C 80 × 50 × 20 × 2.50 4.318 C 180 × 70 × 20 × 3.0 8.478 C 80 × 50 × 20 × 2.75 4.749 C 180 × 80 × 20 × 3.0 8.949 C 80 × 50 × 20 × 3.00 5.181 C 200 × 50 × 20 × 2.5 6.673 C 100 × 50 × 20 ×2.25 4.239 C 200 × 60 × 20 × 2.5 7.065 C 100 × 50 × 20 × 2.50 4.710 C 200 × 70 × 20 × 2.5 7.458 C 100 × 50 × 20 × 2.75 5.181 C 200 × 80 × 20 × 2.5 7.850 C 100 × 50 × 20 × 3.00 5.652 C 200 × 50 × 20 × 3.0 8.007 C 120 × 50 × 20 × 2.25 4.592 C200 × 60 × 20 × 3.0 8.478 C 120 × 50 × 20 × 2.50 5.103 C 200 × 70 × 20 × 3.0 8.949 C 120 × 50 × 20 × 2.75 5.613 C 200 × 80 × 20 × 3.0 9.420 C 120 × 50 × 20 × 3.00 6.123 C 220 × 50 × 20 × 2.5 7.065 C 140 × 50 × 20 × 2.50 5.495 C 220 × 60 × 20 × 2.5 7.458 C 140 × 60 × 20 × 2.50 5.888 C 220 × 70 × 20 × 2.5 7.850 C 140 × 50 × 20 × 3.00 6.594 C 220 × 80 × 20 × 2.5 8.243 C 140 × 60 × 20 × 3.00 7.065 C 220 × 50 × 20 × 3.0 8.478 C 160 × 50 × 20 × 2.50 5.888 C 220 × 60 × 20 × 3.0 8.949 C 160 × 60 × 20 × 2.50 6.280 C 220 × 70 × 20 × 3.0 9.420 C 160 × 70 × 20 × 2.50 6.673 C 220 × 80 × 20 × 3.0 9.891 C 160 × 50 × 20 × 3.00 7.065 C 240 × 50 × 20 × 2.5 7.458 C 160 × 60 × 20 × 3.00 7.536 C 240 × 60 × 20 × 2.5 7.850 C 160 × 70 × 20 × 3.00 8.007 C 240 × 70 × 20 × 2.5 8.243 C 180 × 50 × 20 × 2.50 6.280 C 240 × 80 × 20 × 2.5 8.635 C 180 × 60 × 20 × 2.50 6.673 C 240 × 50 × 20 × 3.0 8.949 C 180 × 70 × 20 × 2.50 7.065 C 240 × 60 × 20 × 3.0 9.420 C 180 × 80 × 20 × 2.50 7.458 C 240 × 70 × 20 × 3.0 9.891 C 180 × 50 × 20 × 3.00 7.536 C 240 × 80 × 20 × 3.0 10.362钢材理论重量计算钢材理论重量计算的计量单位为公斤( kg )。
C型钢基本尺寸及主要参数Z型钢基本尺寸及主要参数C型钢基本尺寸及主要参数型号每米重(kg) 型号每米重(kg) C 80 × 50 × 20 × 2.25 3.886 C 180 × 60 × 20 × 3.0 8.007 C 80 × 50 × 20 × 2.50 4.318 C 180 × 70 × 20 × 3.0 8.478 C 80 × 50 × 20 × 2.75 4.749 C 180 × 80 × 20 × 3.0 8.949 C 80 × 50 × 20 × 3.00 5.181 C 200 × 50 × 20 × 2.5 6.673 C 100 × 50 × 20 ×2.25 4.239 C 200 × 60 × 20 × 2.5 7.065 C 100 × 50 × 20 × 2.50 4.710 C 200 × 70 × 20 × 2.5 7.458 C 100 × 50 × 20 × 2.75 5.181 C 200 × 80 × 20 × 2.5 7.850 C 100 × 50 × 20 × 3.00 5.652 C 200 × 50 × 20 × 3.0 8.007 C 120 × 50 × 20 × 2.25 4.592 C200 × 60 × 20 × 3.0 8.478 C 120 × 50 × 20 × 2.50 5.103 C 200 × 70 × 20 × 3.0 8.949 C 120 × 50 × 20 × 2.75 5.613 C 200 × 80 × 20 × 3.0 9.420 C 120 × 50 × 20 × 3.00 6.123 C 220 × 50 × 20 × 2.5 7.065 C 140 × 50 × 20 × 2.50 5.495 C 220 × 60 × 20 × 2.5 7.458 C 140 × 60 × 20 × 2.50 5.888 C 220 × 70 × 20 × 2.5 7.850 C 140 × 50 × 20 × 3.00 6.594 C 220 × 80 × 20 × 2.5 8.243 C 140 × 60 × 20 × 3.00 7.065 C 220 × 50 × 20 × 3.0 8.478 C 160 × 50 × 20 × 2.50 5.888 C 220 × 60 × 20 × 3.0 8.949 C 160 × 60 × 20 × 2.50 6.280 C 220 × 70 × 20 × 3.0 9.420 C 160 × 70 × 20 × 2.50 6.673 C 220 × 80 × 20 × 3.0 9.891 C 160 × 50 × 20 × 3.00 7.065 C 240 × 50 × 20 × 2.5 7.458 C 160 × 60 × 20 × 3.00 7.536 C 240 × 60 × 20 × 2.5 7.850 C 160 × 70 × 20 × 3.00 8.007 C 240 × 70 × 20 × 2.5 8.243 C 180 × 50 × 20 × 2.50 6.280 C 240 × 80 × 20 × 2.5 8.635 C 180 × 60 × 20 × 2.50 6.673 C 240 × 50 × 20 × 3.0 8.949 C 180 × 70 × 20 × 2.50 7.065 C 240 × 60 × 20 × 3.0 9.420 C 180 × 80 × 20 × 2.50 7.458 C 240 × 70 × 20 × 3.0 9.891 C 180 × 50 × 20 × 3.00 7.536 C 240 × 80 × 20 × 3.0 10.362钢材理论重量计算钢材理论重量计算的计量单位为公斤( kg )。
C型钢基本尺寸及主要参数Z型钢基本尺寸及主要参数C型钢基本尺寸及主要参数型号每米重(kg) 型号每米重(kg) C 80 × 50 × 20 × 2.25 3.886 C 180 × 60 × 20 × 3.0 8.007 C 80 × 50 × 20 × 2.50 4.318 C 180 × 70 × 20 × 3.0 8.478 C 80 × 50 × 20 × 2.75 4.749 C 180 × 80 × 20 × 3.0 8.949 C 80 × 50 × 20 × 3.00 5.181 C 200 × 50 × 20 × 2.5 6.673 C 100 × 50 × 20 ×2.25 4.239 C 200 × 60 × 20 × 2.5 7.065 C 100 × 50 × 20 × 2.50 4.710 C 200 × 70 × 20 × 2.5 7.458 C 100 × 50 × 20 × 2.75 5.181 C 200 × 80 × 20 × 2.5 7.850 C 100 × 50 × 20 × 3.00 5.652 C 200 × 50 × 20 × 3.0 8.007 C 120 × 50 × 20 × 2.25 4.592 C200 × 60 × 20 × 3.0 8.478 C 120 × 50 × 20 × 2.50 5.103 C 200 × 70 × 20 × 3.0 8.949 C 120 × 50 × 20 × 2.75 5.613 C 200 × 80 × 20 × 3.0 9.420 C 120 × 50 × 20 × 3.00 6.123 C 220 × 50 × 20 × 2.5 7.065 C 140 × 50 × 20 × 2.50 5.495 C 220 × 60 × 20 × 2.5 7.458 C 140 × 60 × 20 × 2.50 5.888 C 220 × 70 × 20 × 2.5 7.850 C 140 × 50 × 20 × 3.00 6.594 C 220 × 80 × 20 × 2.5 8.243 C 140 × 60 × 20 × 3.00 7.065 C 220 × 50 × 20 × 3.0 8.478 C 160 × 50 × 20 × 2.50 5.888 C 220 × 60 × 20 × 3.0 8.949 C 160 × 60 × 20 × 2.50 6.280 C 220 × 70 × 20 × 3.0 9.420 C 160 × 70 × 20 × 2.50 6.673 C 220 × 80 × 20 × 3.0 9.891 C 160 × 50 × 20 × 3.00 7.065 C 240 × 50 × 20 × 2.5 7.458 C 160 × 60 × 20 × 3.00 7.536 C 240 × 60 × 20 × 2.5 7.850 C 160 × 70 × 20 × 3.00 8.007 C 240 × 70 × 20 × 2.5 8.243 C 180 × 50 × 20 × 2.50 6.280 C 240 × 80 × 20 × 2.5 8.635 C 180 × 60 × 20 × 2.50 6.673 C 240 × 50 × 20 × 3.0 8.949 C 180 × 70 × 20 × 2.50 7.065 C 240 × 60 × 20 × 3.0 9.420 C 180 × 80 × 20 × 2.50 7.458 C 240 × 70 × 20 × 3.0 9.891 C 180 × 50 × 20 × 3.00 7.536 C 240 × 80 × 20 × 3.0 10.362钢材理论重量计算钢材理论重量计算的计量单位为公斤( kg )。