电脑桌椅设计说明书
- 格式:doc
- 大小:83.50 KB
- 文档页数:4
机房定制电脑桌、柜参数
一、尺寸要求:
电脑桌:
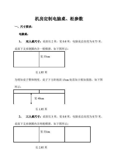
1、双人桌尺寸:桌面长2米,宽0.6米,电脑桌总高度为0.75米。
桌面下支承钢圈内含一根横撑,如下图所示:
宽55cm
长1.95米
为增加桌子整体刚度,桌子下方距地面15cm处需加5根加强筋。
如下图所示:
宽40cm
长1.95米
2、三人桌尺寸:桌面长3米,宽0.6米,电脑桌总高度为0.75米。
桌面下支承钢圈内含两根横撑,如下图所示:
宽55cm
长2.95米
为增加桌子整体刚度,桌子下方距地面15cm处需加6根加强筋。
如下图所示:
宽40cm
长2.95米
3、讲桌尺寸:桌面长2米,宽0.6米,电脑桌总高度为0.75米。
桌
面下方支撑圈及加强圈尺寸同双人电脑桌。
教师用电脑桌要求一
个主机位,除桌面外,电脑桌前面、左面、侧面封盖板。
(如下
图)
二、材料要求:
桌面材质及相关要求:桌面采用高密度防火板,板厚为1.8cm,颜色为浅蓝色。
钢架用钢管要求:电脑桌两端4个支撑采用40×40mm壁厚为1.2mm
的方形钢管,桌面下支承钢圈、其余竖立的4根支撑腿、下方两根长横梁及其它管材均为25×25mm壁厚为1.0mm的方形钢管。
所有钢管要求做防锈喷漆处理,钢管表面颜色为黑色。
参考图如下(电脑柜另配):
参考图如下:
电脑柜参数
尺寸:宽:50cm 高:70cm 深:38cm
板厚:0.5mm, 喷漆后板厚0.6mm
颜色:灰白色一柜一斗如上图。
‘书’适新型桌椅设计说明书(二组37号)学院:教育实验学院班级:实验1107班设计者:蔚琳静于航李冰晨‘书’适新型桌椅设计说明书设计者:蔚琳静,于航,李冰晨作品内容简介以目前各大高校教室中课桌存在的不同缺陷造成学生身体上的不适,使得养成不良学习姿势并且学习效率低为背景,以优化教室中的课桌椅,为学生学习提供更舒适的学习用具为目标。
本方案对教室中原有课桌椅进行优化,通过平行四边形机构、摇杆机构、六棱柱形销、压簧和扭簧实现桌椅的椅面、椅背、桌面及扶手的调节。
1 研制背景及意义桌椅是学生每天学习生活中用得最多的工具。
人因工程学指出长期使用一套与自身尺寸不相适应的桌椅会使人肌肉松弛,行动变得迟缓,而如果使用一套与自身尺寸相适应的课桌椅,则会减少学习疲劳,提高学习效率。
目前我国大多数高等院校都采用固定式课桌椅。
固定式课桌椅有着管理方便,美观等优点。
但固定式设计也使其不能很好的适应每一位学生的需要,如:由于考虑到学生的进出情况,传统的固定式课桌椅的设计都会留出足够的空间以利于行人进出。
但是这段空间使得学生身体靠在靠背上的时候根本不能进行书写,而当身体前倾进行书写的时候,又会使身体失去靠背的支撑,极易疲劳。
本作品主要着眼于改进高等院校传统课桌椅,为学生创造良好的学习环境。
因此,本作品的设计主要考虑到一下几点:为适应因身高不同对椅子高度的不同需要,本作品中椅子使用高度可调设计方案,使用者可根据自身需要对椅子高度进行调整,最大可调高度为100mm;为解决由于椅子和桌面空隙设计不合理造成的可能书写疲劳,本作品中桌面设计为可滑动的上下两层,使用者可根据不同需要对桌面宽度进行调整,进而保证在长时间的学习过程中可以通过靠背来环节身体疲劳;为满足学习和休息时对靠对角度的不同需要,本作品中椅子靠背部分设计为可在一定角度范围内旋转,该人性化的设计满足了使用者靠在椅子上休息和学习时的不同需要。
2设计方案为了实现桌椅各种调节功能,我们通过平行四边形机构实现椅面的高度可调且平稳,使用者通过摇杆机构来控制调节的高度,通过六棱柱形销来实现调节后的固定。
个性电脑桌人机学设计说明书前言在本学期期间我们学习了人机工程学这门课,学了人机工程学理论,就要懂得去运用它,为了锻炼运用人机工程学理论的能力,我们进行了此次人机工程学的课程设计。
电脑基本上是每家每户必备的电器,现代人的生活越来越离不开电脑了,无论是工作、学习还是娱乐,电脑都是不可或缺的工具。
因此不少用户在配置自己的电脑时,总是会认真细致地精挑细选,货比三家后选择合适自己的电脑。
但是却往往忽视了选择合适电脑桌的重要性。
不少人没有购买合适的电脑桌,只是随便的用家里的普通桌椅来代替,结果时间一长,经常感到腰酸脖子痛,身体疲劳、视力下降,所以说,配置一套合适自己的电脑桌非常有必要。
基于电脑桌如此重要,我特为自己设计一套适合自己的电脑桌。
个性电脑桌设计说明书目录一、题目及其概述 (3)二、调研与分析 (3)2.1调查 (3)2.2电脑作业的人机界面分析 (5)三、方案构思、多方案的提出与对比 (6)四、最终方案及设计说明 (9)4.1最终方案 (9)4.2主要人体尺寸 (10)4.3座椅设计 (10)4.4电脑桌设计 (12)4.5核算膝部活动空间f (13)4.6眼—视屏界面核算 (14)4.7总高度尺寸核算 (15)4.8效果图和尺寸图 (15)五、设计总结 (17)六、参考文献 (17)一、题目及其概述题目:个性电脑桌设计概述:虽然现在我还是学生,但由于我是学工业设计的,使用电脑很频繁,每天长时间使用电脑。
经常工作学习一段时间后,常常会觉得脖子肩膀发沉,腰酸背痛,为此,我想为自己设计一套个性化电脑桌椅,方便自己使用,使自己再工作和学习时更舒心,提高效率。
二、调研与分析2.1 调查为了调查清楚现有电脑桌的情况,我走访了电脑桌市场、学校综合楼、图书馆、学生宿舍,查看那里的电脑桌,进行实地调查,并且还进行上网、查阅书籍调查。
经过调查,我发现现有电脑桌存在很多人机学不合理的问题:(1)作业面的高度不合理,希望可调节高度(2)电脑桌幅面偏小,很多用户反映电脑桌幅面设计偏窄,使用空间不够。
多功能智能桌椅设计说明书设计者:万君华(长沙民政职业技术学院电子信息工程学院机电一体化专业12级)作品内容简介通过想象我们设计了一套多功能智能桌椅,椅子我们采用后背比较高的高背椅,并在两肩处设计两个弹性和韧性很好的胶片,包裹住两肩,帮助学生坐在椅子上能保持正确的坐姿,预防弯腰塌背,椅子能自行调节倾斜度,下课后有想好好休息下的同学可以把椅子调到倾斜度较低的角度,不仅休息质量更好,还能避免同学们趴在桌子上休息的时候造成脊椎的弯曲。
桌子桌面是可抽拉的,这样有利于在固定的坐姿上找到自己感觉舒服的桌面距离。
在未来教学模式中不再以单一书面讲课为主,所以桌面左上角镶嵌一块触摸屏电脑,用wifi 连接,但系统只规定学习、查资料和老师传输文件。
每套桌椅配备一个原理跟蓝牙耳机一样的眼罩,不仅在下课休息时能避免光线太强而影响休息,蓝牙眼罩还能用桌上的电脑播放轻音乐,使休息更舒适。
1 研制背景及意义随着时代的发展,教学水平和质量也迅速发展。
一个舒适的学习环境和全面的学习方法越来越影响孩子们的身心的成长和学习水平的提高。
目前很多学生因为早上上课起的早,晚上学习晚,导致上课时注意力不集中,下课时教室又太吵,而且趴在桌子上也休息不好,导致成绩越来越差。
目前市场上的桌椅普遍都不够人性化,并且还不能有效调整孩子的坐姿,甚至坐姿越来越差。
下面列举几点趴在桌上睡觉的坏处:1、趴在桌子上睡觉,多处神经会受压迫,特别是眼球会受到压迫,午睡后通常会出现暂时性的视力模糊,如果长时间这样,会造成眼压过高,视力受损,久而久之会使眼球胀大、眼轴增长,形成高度近视,同时也容易增加青光眼的发病率。
2、另外趴着睡觉,长期压迫手臂和脸部,会影响正常血液循环和神经传导,使两臂、脸部发麻甚至感到酸痛,时间长了会演变成局部性神经麻痹或使脸部变形。
2 设计方案2.1 齿轮控制椅子我们在内部设计了齿轮来调节椅背的倾斜度,并且可以啮合。
椅子的设计比较简单,椅子能向后倾斜的原理跟汽车可调节座椅的原理基本一致,可以拉座位下面的横杆,往前往后调座,椅背的调节在右侧有个扳手,往上一扳即可将椅背调高。
机械创新之电脑桌设计说明书1. 概述本文档旨在介绍一款创新的电脑桌设计,该设计以机械创新为核心,结合人体工学原理,提供更好的工作体验和舒适度。
本电脑桌设计具有可调节高度、工作角度和储物空间的特点,能够满足不同用户的需求。
本电脑桌的设计目标如下: - 提供可调节高度功能,以满足不同身高用户的需求。
- 提供可调节工作角度功能,以提供舒适的工作体验。
- 提供充足的储物空间,以便用户存放各类工作和生活用品。
- 提供稳固的结构和良好的承重能力,以保证桌面和储物空间的使用安全性。
- 设计简洁美观,易于搭配不同的工作环境。
3.1 可调节高度功能本电脑桌使用电动升降系统,用户可以轻松调节桌子的高度。
通过电动升降系统,桌面高度可在76cm至110cm之间自由调节,以适应不同身高用户的需求。
升降系统采用稳定的机械结构和电动驱动,保证了桌面的稳定性和安全性。
3.2 可调节工作角度功能为了提供更加舒适的工作体验,本电脑桌设计了可调节工作角度的功能。
用户可以根据自己的习惯和需求,调整桌面的倾斜角度。
倾斜角度可以在0°至40°之间自由调节,可固定在任何角度以满足不同用户的需求。
3.3 储物空间设计本电脑桌设计了多个储物空间,以满足用户存放不同物品的需求。
桌子的左侧设计了一个抽屉式储物柜,用户可以存放文件、文件夹、笔记本等办公用品。
桌子的右侧设计了一个开放式储物架,用户可以放置书籍、文具、收纳盒等物品。
此外,桌面上还设计了一个隐藏式储物格,用户可以放置笔记本电脑、手机等常用物品,使工作区整洁有序。
3.4 结构稳固为保证本电脑桌的承重能力和结构稳固性,桌子采用了高强度的金属材料作为支撑结构。
在桌腿的连接处,采用了加厚和加固的设计,以增加整个桌子的稳定性和承重能力。
3.5 设计美观本电脑桌以简洁和现代感为设计风格,采用了黑色和白色的组合,使整个桌子看起来简约大气。
桌子的边缘和角落采用了圆润设计,避免了角部对用户的伤害。
桌椅的设计及设计说明(文档4篇)
一、桌椅设计
1、整体外观
本桌椅采用经典简洁的设计风格,两者同款统一,几何形状,清新简约。
桌腿采用全
铅直线,桌腿底部平整抹平,可稳固安放;椅子采用多个几何图形和直线组合,营造出柔
和圆润的整体外观;采用坚硬的木质材料,边缘细致,容易打理,桌椅表面经过抛光处理,优雅光滑,显得利落;整体搭配一大布料,更加温馨添妆,并且拥有触摸舒适的纹理,使
整个空间更加活跃安静。
2、技术手段
本桌椅采用传统的工艺制作,采用薄膜处理涂层,膜层硬度高,耐磨性能好,不易褪色,在木制品表面施展出时尚和实用功效,节省生产成本;采用点焊技术,在一定张力下,采用电焊补强装配部分,强度更高,不易变形。
二、设计说明
1、家具设计理念
本桌椅设计以经典的几何形状以及清新的色彩,结合现代家具设计素养,体现出时尚
且简洁的书桌椅组合设计,采用百叶窗样式做成更好更适用于使用:一扇窗更轻松完成每
日工作,更加有逼格!
2、功能分析
本桌椅重点凸显功能性,在写字桌内设计多个抽屉,方便放置文具。
椅子采用具有几
何线条,金属连接与立柱做成,外部厚重耐磨,具有良好的弹性,确保长时间使用出富有
弹性的状态,材料以全木结构,几何精美的设计,使整个结构看起来十分严谨美观,畅通
便捷,更易于清理空间,使用更加舒适便捷。
学生电脑椅人机工程学设计说明学生电脑椅针对学生的电脑使用特点与休闲要求的功能转换进行的座椅设计,展现一种新的人机互动关系,新型的结构形式。
根据坐姿的生理形态和体压分布,对座椅的设计采用了人机工程学的方法进行分析,提出更符合人体生态曲线的座椅结构尺寸,以提高乘座的舒适性,适应人体的健康需要。
设计适用对象:在电脑前长时间学习工作的高校学生。
设计使用场合:高校宿舍。
设计背景:当前高校学生平均每天在电脑前学习和娱乐的时间超过五小时,可由于条件所限,学生所使用的电脑椅多是直棱直角的木制座椅或座凳。
这样的电脑椅不仅没有舒适感可言,长期使用还会造成脊骨移位乃至颈背酸痛和肌肉麻痹,若将头部移得太前,或手腕缺乏承托,还会对视力和头部不利(电脑辐射影响)。
因而一款适合学生用的电脑椅不仅要矫正坐姿、预防近视和驼背,还要为学生提供符合人机学原理的最舒适的人性化服务。
设计要点和思路:总体思路:首先要求使用者正确的坐姿,至少不能斜着坐,据说这样辐射量更大。
同时得昂首挺胸,以防腰部提早疲劳,造成脊柱向内弯曲。
上下臂保持大体垂直,大腿下侧不受压迫,脚平放在地板或脚踏板上。
座椅的设计更为重要,采用适当尺寸、结构和可以调节的设计,可以保证使用者调节座椅高度使得脚能平放在地板或脚踏板上;调节座椅靠背使其正好处于腰部凹处,使座椅起到符合人体解剖的支撑作用。
1电脑椅结构型式要最大可能和使用者各种操作活动相适应,保证在工作过程中保持身体舒适、稳定并能进行准确的控制和操作。
2座椅和高度和腰靠应当是可调节的,调节方式可以使无级的,每间隔20mm为一档的有机调节,调节范围40-50cm为宜。
座椅腰靠高度调节方式为165-210mm间的无级调节。
3座椅可调节部分的结构构造必须易于调节,必须保证在椅子使用过程中不会改变已调节好的位置并不得松动。
扶手应可以调整,当你办公时,可以略微张开,方便写字阅读;需要用电脑时,收缩回来,便于使用键盘鼠标;加上手臂长度不同,调整扶手高度,让这张椅子好似完全量身定做的。
产品设计说明产品设计说明一、产品名称:笔记本折叠电脑桌二、消费对象:大学生及一些软件工作人员三、设计背景:随着科技的发展,电脑已经成为了人们生活工作的必需品。
而电脑桌的需求也越来越多,桌椅样式也越发新颖多样,舒适宜人。
学习人机工程学之后,我们更关注舒适度的要求,从而从舒适的角度设计了这样一款桌椅,使之更符合人的各方面因素。
四、创意来源:现在的大学生一般买的都是笔记本电脑,使用起来不舒服,笔记本电脑不好收放。
五、设计原则:实用性、美观性、舒适性六、改进方案:把桌面分成两个部分,桌面盖上可以在桌子上看书,打开来就可以上网。
桌子的支撑臂是折叠类型的,可以随意调节桌子的高度,还可以躺在床上使用。
七、色彩搭配:改变了桌子色彩单一的木头,采用色彩多变亮丽的硬质塑料,支撑臂采用明亮的合金,使人心情愉悦。
八、产品材质:桌面采用硬质塑料,支撑折叠臂采用轻巧坚固的铝合金,其他连接部分采用了部分钢铁。
九、设计总结:本设计的桌子采用长方体与圆柱的组合,因为考虑到现在笔记本给已经越来越多的取代了台式机,有的时候并不会用到主机,便可以不放置主机盒。
对于支撑臂,高度可以随不同身高来调节,适应范围大大增加,而且底部的转轮,可以让人更放松,自由,没有约束感,缓解工作时的紧张情绪。
第二篇:产品设计说明书(规范) 500字特点,掌握产品使用方法和操作维护知识、保障使用安全的基本依据,是企业用户服务体系的组成部分。
一份好的产品说明书不仅体现出企业对产品质量的信心、对用户负责的态度,而且也是一个企业形象最好的展示。
根据产品自身的特点,产品说明书的内容各有侧重,篇幅有长有规律和要求(二)产品说明书结构与写作内容产品说明书由标题、正文和结尾3部分组成。
说明书》。
2.正文产品说明书的种类不同,以上内容可有详略不同。
3.结尾产品说明书的结尾要注明生产、销售企业名称、地址、联系电话等,以使消费者与厂家、商家取得联系。
(三)产品说明书的写作要求社会生活、生产中的产品繁多,各具特色,用户对产品的需求各异。
设计说明书第一章背景概括-----------------------------------------------------2第二章方案-----------------------------------------------------3第三章算-----------------------------------------------------4第四章新点--------------------------------------------------5第五章-----------------------------------------------------------6参照文件 --------------------------------------------------------------------6附:装置 -----------------------------------------------------------------------7部件 -----------------------------------------------------------------------7-10三 -----------------------------------------------------------------------10-13第一章背景概括中国桌展研究告中国桌展出的中,多状况不容,如构不合理、集中于力密集型品;技密集型品明落伍于达工国家;生因素决定性作用正在削弱;能源耗费大、出率低、境染重、自然源损坏力大;企体模偏小、技新能力单薄、管理水平落伍等。
从什么角度剖析中国桌的展状况?以什么方式价中国桌的展程度?中国桌的展定位和远景是什么?中国桌展与目前点关度怎样⋯⋯ 这样,都是桌展必面和解决的——中国桌展已到了岔口;中国桌生企急需展方向。
电脑桌椅设计说明书学号:090301002 姓名:常雪设计说明:随着科技的发展,电脑已经成为了人们生活工作的必需品。
而电脑桌椅的需求也越来越多,桌椅样式也越发新颖多样,舒适宜人。
学习人机工程学之后,我们更关注舒适度的要求,从而从舒适的角度设计了这样一款桌椅,使之更符合人的各方面因素。
调研与分析:现在的办公桌椅,大多还是直线型的,这样的设计显得比较呆板,容易让人紧张和压抑。
对于办公室这样工作的场合,有时候这样的设计虽然不是很舒适,但是可以渲染严谨、严肃的氛围,提高工作效率,让人集中注意力。
但是,对于居家的电脑桌椅,这样的感觉显然是不合适的,居家的装备近年来,各种舒适休闲的桌椅样式从出不穷,个性化也更加突出。
像有的椅子直接设计成半包围式,坐垫、扶手、靠背成毅整体圆弧行,在家里看电脑的时候可以直接半躺这,全身都比放松。
但是这样的椅子对男生或者有些在家里也同样需要办公的人群并不是很合适。
因此,一款美观大方、既轻松又可以多用的电脑桌椅可以满足大多数人的居家要求。
方案构思、多方案的对比与抉择;矩形的桌子太没有新颖性,因此考虑圆弧形的桌子,一开始的设计全是圆弧组成,样式比较漂亮,但是全圆弧的实用性太差,而且占用空间比较多,所以考虑将两者结合。
椅子的设计主要考虑高低要合适,最好能伸缩型的,而且可以转动的话也可以给起身啊、聊天啊什么的带来很大方便。
对本设计的说明:本设计的桌子采用矩形与圆弧的组合,同时具有两个方向的桌面,主要考虑将桌子摆放在靠窗的拐角处,让矩形的部分靠近窗户,电脑摆在圆形部分的一侧,这样可以让阳光斜射,采光较好,而且不至于直视太刺眼,当然,如果是傍晚或者清晨,在靠窗的桌子上看看书也是相当不错的,把窗户打开更可以得到清新的空气,解乏解困。
桌子下面放主机的盒子是可移动的,因为考虑到现在笔记本给已经越来越多的取代了台式机,有的时候并不会用到主机,便可以不放置主机盒。
桌子右上方加高的桌面可以用来放置饮料、水果、零食等吃的,或者可以放置花盆鱼缸什么的,方便或者美观。
可调节高度的办公桌商品说明书尊敬的用户:感谢您选择我们公司的可调节高度办公桌。
为了确保您能正确使用该产品并充分了解其功能和特点,我们特意编写了这份商品说明书。
请您仔细阅读以下内容。
一、产品概述可调节高度的办公桌是一种专为办公环境设计的多功能办公家具。
它采用了先进的电动升降机构,可以根据用户的个人需求灵活调节桌面的高度,从而提供一个舒适的工作空间。
二、主要特点1. 高度可调节:该办公桌采用了电动升降机构,通过按下按钮便可轻松实现高度的调节。
无论您是站立工作还是坐着工作,都能找到最适合自己的高度,从而减少颈椎、腰椎的压力并改善工作效率。
2. 强大的承重能力:我们的可调节高度办公桌采用了优质的材料和结构设计,确保其能够承受重物的压力。
即使您需要放置大型设备或文件,也能稳固地支撑,不易变形或损坏。
3. 宽敞的工作空间:该办公桌设计合理,桌面宽敞,提供足够的空间容纳您的电脑、文具、文件和其他办公用品。
无论是日常工作还是会议讨论,都能轻松满足您的需求。
4. 智能记忆功能:该办公桌还具备智能记忆功能,能够自动记住您最常用的高度设置。
只需一键操作,桌面便可迅速调整到您设定的高度,节省您的时间和精力。
5. 安全稳定:我们的办公桌采用了稳固的框架结构和防滑设计,确保在使用过程中不会出现晃动或滑动的情况,提供安全和可靠的工作环境。
三、使用方法1. 确保办公桌连接电源后,按下桌面上的升降按钮。
2. 请根据您的身高和工作需求,通过升降按钮调节桌面至最佳高度。
3. 调节完毕后,您可以开始享受舒适的工作体验。
四、注意事项1. 请勿在使用过程中过度施加力量,以免损坏升降装置和桌面。
2. 请勿将液体或易燃物品放置在办公桌上,以免对设备造成损坏或安全隐患。
3. 请定期检查办公桌的螺丝、电线等部件,确保其正常工作。
4. 请保持办公桌干净整洁,避免灰尘和污渍对设备造成损害。
五、售后服务我们公司一直致力于为用户提供优质的产品和服务。
如果您在使用中遇到任何问题或有任何建议,请随时联系我们的售后服务团队。
电脑桌设计说明设计报告书(Design Report)电脑桌设计说明设计背景1 宿舍空间分析我们学校的宿舍是八人间的宿舍,宿舍内的空间相对较小,而基本上每个人都有一台电脑,这样电脑桌就占用了宿舍内很大一部分空间,大学生选择电脑桌时考虑到的问题主要有空间问题、电脑桌的摆放问题、电脑桌的样式及舒适程度。
在八人间宿舍内怎样的电脑桌才会实用呢?才能更好的利用宿舍内的空间,下面是八人间宿舍内的平面俯视图:宿舍平面图可见宿舍内放上八台电脑桌是多么的拥挤,因此选择一个合适的电脑桌成为很多大学生所面临的首要问题。
2 舒适度分析■宿舍内空间狭小令人感到很不舒适,而在这样的狭小空间内上网,会造成坐姿不端正、操作姿势不合理,使身体某些部位的肌肉长时间处于静态施力的紧张状态,造成骨骼肌肉系统的疲劳损伤;同时还会引起视力下降。
■当人在操作电脑时,多是采取前倾的坐姿,这样人的腰背部就脱离了椅子的靠背,手臂离开了椅扶手,只剩下椅面支撑人的臀部,造成一种不稳定的状态。
人们一般采用手掌支撑的方式来保持身体稳定。
但这种支撑不但稳定性不好,很容易形成过度前倾,产生弯腰驼背的不良后果,而且需要腰部和背部的肌肉处于静态施力的紧张状态,从而加重了肌肉的负担,容易造成腰背肌劳损。
因此,许多计算机操作人员都承受着腰和背的疼痛,做为我们大学生更应该注意这些。
■操作电脑时由于缺乏对肘部的支撑,肘部处于悬肘操作的姿势,而上臂与前臂又需要保持一定角度的固定姿势,肩背部、手臂、手腕处的肌肉都处于一种静态施力的紧张状态,这就容易引起疲劳。
那么合理的电脑桌是什么样的呢?合理的电脑桌应改变传统的矩形模式,提供合理的肘部支撑。
2 电脑桌的人机分析电脑桌的设计要根据人机工程学的原理来进行设计,设计健康型电脑桌,需要用人体工程学的理论来指导,不但能够节省的空间还减少电脑桌对健康的负面影响,提高舒适性与抗疲劳性。
设计合理的电脑桌一定要熟悉人体的尺寸。
这样就加深了对人体尺寸的了解,对以后设计产品时有很大的好处。
学习桌设计说明
当今,人们生活追求简约,智能,家庭用品的选购力求简洁,少空间。
于是我设计了一款多功能学习桌,将学习常用的灯、电脑桌、挂图板、工具箱、进行了整合,化繁为简,实现了多功能一体桌椅组合,大大的节约了空间的占用问题,也减少了整理物品的工序,以便合理利用有效时间来学习。
多功能学习桌设计有以下几个特点:
1.造型新颖,美观大方,桌椅组合完整统一,侧面观看线条流畅,金属外框镶边,完美的视觉机理效果。
2.可翻盖设计。
桌面不打开时就是普通的桌子,当翻开桌面后,内部平台又是一张桌子,打开的桌面内侧面板带有磁力,可以使用磁力图钉挂图。
3.内部桌面右侧多功能收纳槽设计。
收纳槽的隔板可以变换位子,自己定义每个隔断的大小,凹槽内可以收纳书本、图纸、笔等常用学习工具。
4.内置台灯设计。
内部桌面左侧设计有内置台灯,不适应时候折叠在桌面里,表面与桌面一平,电源在
桌子后面,使用时只需要向上折叠处即可,出发前端开关便可以打开台灯,还可以旋转灯的角度。
5.内置笔记本桌面设计。
内部桌面中间部分设计了笔记本电脑桌面,不用时候与内部桌面一平,使用时向上旋转即可,后面有档位可以调节高度。
通过上述一系列功能组合制成的多功能学习桌,实现了一桌多用,化繁为简,节约空间,美观实用,是现代人所追求的智能家庭生活用品。
多功能电脑课桌设计说明书设计者:何凯、肖峰、赵刚、郎有盛、夏涛指导老师:王从曼、张春兰宁夏理工学院机械工程学院2014年3月多功能电脑课桌设计说明书设计者:何凯、肖峰、赵刚、郎有盛、夏涛指导老师:王从曼、张春兰(宁夏理工学院机械工程学院,宁夏753000)摘要:随着科技的发展,高科技元素必将更多的运用于课堂之上,电脑作为高科技的代表,必将更多的运用于课堂之上。
在未来的课堂中,人人拥有一台电脑已成为必然的趋势,电脑必将进入大学、中学、甚至于小学的平常教学中。
电脑的广泛性和互动性必将帮助老师提高教学效率,增加课堂的趣味性,提高学生的学习兴趣,会成为老师教学的好帮手,学生学习的好伙伴。
多功能电脑课桌将主要解决电脑在课堂之中的放置问题。
关键字:多功能、电脑桌、桌面角度调节、课桌高度调节作品设计简介本作品根据本届机械设计大赛的主旨而设计,属于“课堂教学用品”。
多功能电脑课桌总体尺寸为:大桌面长670mm,宽500mm;小桌面长400mm,宽300mm;课桌总体高度为700-760mm(高度可调节);桌腿间距离为540mm。
课桌主要机械结构为:通过丝杠调节大桌面角度,通过导槽打开小桌面,通过连杆机构调节笔记本放置架高度,通过螺栓螺母调节课桌高度。
通过一系列机械结构,多功能电脑课桌将实现诸多功能,具体如下:功能1 桌面角度可调节,满足不同下使用;功能2 课桌高度可调节,适应不同身高使用人群;功能3 大桌面表面设计较一般课桌表面积打,可供绘图使用;功能4 可进行普通书桌与笔记本用桌的使用切换;功能5 挡板挂钩可悬挂日常物品;功能6 抽屉可放置物品;功能7 另侧挡板设置小物品放置区,可放置水杯,笔袋等物品;1 研制背景及意义1.1 研制背景这是2012年3月9日青岛晚报的报道:昨天下午,在青岛19中小班化实验教室里,高一7班班主任李洪云边讲课边在电子白板上认真地写数学公式,台下30多名学生一个个从桌洞里掏出笔记本电脑或ipad“玩”了起来。
多功能电脑课桌设计说明书设计者:何凯、肖峰、赵刚、郎有盛、夏涛指导老师:王从曼、张春兰宁夏理工学院机械工程学院2014年3月多功能电脑课桌设计说明书设计者:何凯、肖峰、赵刚、郎有盛、夏涛指导老师:王从曼、张春兰(宁夏理工学院机械工程学院,宁夏753000)摘要:随着科技的发展,高科技元素必将更多的运用于课堂之上,电脑作为高科技的代表,必将更多的运用于课堂之上。
在未来的课堂中,人人拥有一台电脑已成为必然的趋势,电脑必将进入大学、中学、甚至于小学的平常教学中。
电脑的广泛性和互动性必将帮助老师提高教学效率,增加课堂的趣味性,提高学生的学习兴趣,会成为老师教学的好帮手,学生学习的好伙伴。
多功能电脑课桌将主要解决电脑在课堂之中的放置问题。
关键字:多功能、电脑桌、桌面角度调节、课桌高度调节作品设计简介本作品根据本届机械设计大赛的主旨而设计,属于“课堂教学用品”。
多功能电脑课桌总体尺寸为:大桌面长670mm,宽500mm;小桌面长400mm,宽300mm;课桌总体高度为700-760mm(高度可调节);桌腿间距离为540mm。
课桌主要机械结构为:通过丝杠调节大桌面角度,通过导槽打开小桌面,通过连杆机构调节笔记本放置架高度,通过螺栓螺母调节课桌高度。
通过一系列机械结构,多功能电脑课桌将实现诸多功能,具体如下:功能1 桌面角度可调节,满足不同下使用;功能2 课桌高度可调节,适应不同身高使用人群;功能3 大桌面表面设计较一般课桌表面积打,可供绘图使用;功能4 可进行普通书桌与笔记本用桌的使用切换;功能5 挡板挂钩可悬挂日常物品;功能6 抽屉可放置物品;功能7 另侧挡板设置小物品放置区,可放置水杯,笔袋等物品;1 研制背景及意义1.1 研制背景这是2012年3月9日青岛晚报的报道:昨天下午,在青岛19中小班化实验教室里,高一7班班主任李洪云边讲课边在电子白板上认真地写数学公式,台下30多名学生一个个从桌洞里掏出笔记本电脑或ipad“玩”了起来。
电脑桌椅设计说明书
学号:090301002 姓名:常雪
设计说明:
随着科技的发展,电脑已经成为了人们生活工作的必需品。
而电脑桌椅的需求也越来越多,桌椅样式也越发新颖多样,舒适宜人。
学习人机工程学之后,我们更关注舒适度的要求,从而从舒适的角度设计了这样一款桌椅,使之更符合人的各方面因素。
调研与分析:
现在的办公桌椅,大多还是直线型的,这样的设计显得比较呆板,容易让人紧张和压抑。
对于办公室这样工作的场合,有时候这样的设计虽然不是很舒适,但是可以渲染严谨、严肃的氛围,提高工作效率,让人集中注意力。
但是,对于居家的电脑桌椅,这样的感觉显然是不合适的,居家的装备近年来,各种舒适休闲的桌椅样式从出不穷,个性化也更加突出。
像有的椅子直接设计成半包围式,坐垫、扶手、靠背成毅整体圆弧行,在家里看电脑的时候可以直接半躺这,全身都比放松。
但是这样的椅子对男生或者有些在家里也同样需要办公的人群并不是很合适。
因此,一款美观大方、既轻松又可以多用的电脑桌椅可以满足大多数人的居家要求。
方案构思、多方案的对比与抉择;
矩形的桌子太没有新颖性,因此考虑圆弧形的桌子,一开始的设计全是圆弧组成,样式比较漂亮,但是全圆弧的实用性太差,而且占用空间比较多,所以考虑将两者结合。
椅子的设计主要考虑高低要
合适,最好能伸缩型的,而且可以转动的话也可以给起身啊、聊天啊什么的带来很大方便。
对本设计的说明:
本设计的桌子采用矩形与圆弧的组合,同时具有两个方向的桌面,主要考虑将桌子摆放在靠窗的拐角处,让矩形的部分靠近窗户,电脑摆在圆形部分的一侧,这样可以让阳光斜射,采光较好,而且不至于直视太刺眼,当然,如果是傍晚或者清晨,在靠窗的桌子上看看书也是相当不错的,把窗户打开更可以得到清新的空气,解乏解困。
桌子下面放主机的盒子是可移动的,因为考虑到现在笔记本给已经越来越多的取代了台式机,有的时候并不会用到主机,便可以不放置主机盒。
桌子右上方加高的桌面可以用来放置饮料、水果、零食等吃的,或者可以放置花盆鱼缸什么的,方便或者美观。
如果桌子上没有太多东西,可以考虑在拐角处加一个书架,看书就更方便了。
如果晚上休闲放松看电影的话,可以用肘部靠在桌子的圆弧处,比单纯坐姿,或者用手部支撑更舒适省力。
对于椅子,高度可以随不同身高来调节,适应范围大大增加,而且底部的转轮,可以让人更放松,自由,没有约束感,缓解工作时的紧张情绪。
最终电脑桌主要部分由原木制作,支撑部位由钢管制成,颜色不做改变,都为材料原色。
电脑椅子也为钢木结构,坐垫和靠背及扶手为皮质。
坐姿人体尺寸参考数据如下表:
设计小结:
总体设计按照人机工程原理,但是,由于时间紧张而且没有设计经验,所以图纸很不完整精确,例如,椅子圆角轮子等都没有做,细节都没有做好。
但是通过这次设计,让我更更深刻了解了人机工程学的意义,让我认识到设计者要考虑的不只是要按基本功能来设计,还要考虑人的身体及心理因素,给人更美更舒适的感觉。