2017年中考试题汇编——电压电阻
- 格式:doc
- 大小:288.02 KB
- 文档页数:13
2017年中考题电压电阻复习题2一、选择题:1、如图所示电路,电源电压不变,当滑动变阻器的滑片P向右滑动时,各电表示数的变化情况是A.A表变小、V1表变大,V2表变小B.A表变大、V1表变大,V2表变小C.A表变小、V1表变小,V2表变大D.A表变大、V1表变小,V2表变大2、已知甲、乙两灯的额定电压均为6 V,如图是甲、乙两灯电流随其两端电压变化的曲线。
现将两灯串联后接在某一电源两端,要使其中一个灯泡正常发光,并保证电路安全,则电路的工作电流和电源最大电压为A.0.5 A 12 VB.1.5 A 12 VC.1.5 A 8 VD.0.5 A 8 V3、某学习小组在一次实验中利用电压表和电流表测量出了多组数据,并记录如表中,请根据表中给出的数据,分析判断出他们实验时所使用的电路图可能是()U/V3.02.52.01.81.51.3I/A0.200.300.400.440.500.544、如图所示的电路中,R0为滑动变阻器,R1、R2为定值电阻,且R1<R2,E为电压恒定的电源。
当开关S闭合后,滑动变阻器的滑片P向右滑动时,流过三个电流表A0、A1、A2的电流将发生变化,其变化量的大小(绝对值)分别为ΔI0、ΔI1、ΔI2;电阻R0、R1、R2两端的电压也发生变化,其变化量的大小(绝对值)分别为ΔU0、ΔU1、ΔU2。
则下列说法中正确的是 ( )A.ΔU0>ΔU1>ΔU2B.ΔI0>ΔI1>ΔI2C.ΔU0=ΔU1>ΔU2D.ΔI0<ΔI1<ΔI25、小红测电阻RX的阻值,设计的电路如图所示,电源电压保持不变,其中R0是0~200 Ω的滑动变阻器,R是未知固定电阻。
她把开关S掷于a时,电压表计数为2.5 V,电流表读数为0.5 A;再把开关S掷于b,并调节R0,得到电压表读数减小0.7 V,电流表读数增加0.4 A。
最后小红得到RX的阻值为A.5 ΩB.3 ΩC.2 ΩD.1.75 Ω6、小兰设计了一种烟雾报警装置,其简化电路如图所示,电源电压保持不变,R0为定值电阻,R为光敏电阻,R的阻值随光照强度的减弱而增大,当电流表示数减小到某一值时,装置报警。
专题12 电路电流电压电阻一、选择题1.【2017•成都卷】小聪观察家里的冰箱,发现冰箱的灯在开冰箱门时亮,关冰箱门时灭;冰箱的压缩机则在需要制冷时才工作。
关于冰箱里的灯和压缩机的连接方式,下列判断正确的是()A. 一定是串联B. 一定是并联C. 有时是串联,有时是并联D. 不能判断是串联还是并联【答案】B【考点定位】用电器的连接方式及特点。
2.【2017•河南卷】如图所示,用皮毛摩擦过的橡胶棒接触验电器额金属球,验电器的金属箔张开,以下说法正确的是()A.摩擦过程中创造了电荷B.摩擦过的橡胶棒带正电荷C.经橡胶棒接触后的验电器带正电荷D.金属箔张开是由于同种电荷相排斥【答案】D【解析】摩擦起电现象是通过摩擦的方式是电荷发生了转移,而不是创造了电荷,故A错误;用丝绸摩擦过的橡胶棒得到电子,带负电,故B错误;摩擦过的橡胶棒得到电子带负电,接触后的验电器带负电,故C错误;用毛皮摩擦过的橡胶棒带负电,故用它去接触验电器的金属球时,验电器也带上负电,即验电器的金属球和两个金属箔片上都带上了负电,由于同种电荷相互排斥,故其两个金属箔片会张开,故D正确;故应选D。
【考点定位】摩擦起电的实质;正电荷与负电荷;电荷间的相互作用规律3.【2017•黄石卷】如图所示,将一节干电池和三只均标有“1.5V、0.5W”的小灯泡接入电路,当开关S1闭合、S2断开时,三只灯泡均能发光.若将开关S1、S2均闭合,则()A.只有灯泡L1熄灭B.三只灯泡均熄灭C.灯泡L2、L3熄灭,L1更明亮D.灯泡L3熄灭,L1、L2均更明亮【答案】C【考点定位】电路的三种状态4.【2017•黔西南卷】标有“6V 1.5W”的小灯泡,通过它的电流随两端电压变化的关系如右图所示。
若把这样的三只灯泡串联起来,接在12V的电源两端,灯泡的电阻和实际功率约为()A.24Ω 0.67W B.20Ω 0.96W C.24Ω 0.96W D.20Ω 0.8W【答案】D【解析】它的电流随两端电压变化的关系如右图所示,不成正比,这样的三只灯泡串联起来,接在12V的电源两端,则每只灯泡两端的电压为U=4V,由图知,通过的电流为I=0.2A,灯泡的电阻为R=U/I=4V/0.2A=20Ω,实际功率P=UI=4V×0.2A=0.8W。
电路 电流 电压 电阻一、填空题1.(2019黄浦二模)在电路中导体接通电源后,自由电荷在导体中定向移动形成电流。
对电流的形成过程,人们通常用图4(a )所示水流的形成过程来类比。
图4(a )中阀门打开后,水轮机两侧水压不同,在此压力作用下,水流形成,水轮机转动。
请类比分析图4(b )中电流形成,小灯发光的过程。
2.(2018青浦一模)一节新干电池的电压为______伏,金属导体中的电流是由自由电子的定向移动形成的,自由电子带______电(选填“正”或“负”),其定向移动方向与电路中的电流方向________(选填“一致”或“相反”)。
3.(2017浦东新区一模)导体两端的电压是导体中自由电荷做 移动的原因。
物理学规定电流是从电源的 ____极流出的。
4.(2019宝山一模)上海地区家用照明电路的电压为____伏。
电视机与电热水壶是_____的(选填“串联”或“并联”),它们正常工作时,通过电视机的电流______通过电热水壶的电流(选填“大于”、“等于”或“小于”)。
5.(2018松江一模)一节新干电池的电压为 伏;如图6所示,若要将一节干电池正确装入电池盒,应将图6(甲)中电池的A 端接到图6(乙)电池盒的 (选填“B”或“C”)接线柱;若用图6(丙)中电压表测一节干电池的电压,电压表应选择 伏的量程。
(a ) (b )图4AB水渠水轮机闸门甲乙电池小灯电键CD6.(2018浦东新区一模)一节新干电池的电压为 伏,手电筒、小型收音机等用电器经常采用几节干电池 (选填“串联”或“并联”)在一起进行供电。
家中空调、冰箱等用电器正常工作时的电压均为 伏。
7.(2019宝山一模)某导体两端的电压为6伏时,10秒内通过该导体横截面的电荷量为2库,通过该导体的电流为_____安;当它两端的电压降为3伏时,通过它的电流为_____安,它的电阻为_____欧。
8.(2018闵行一模) 某导体两端加上4.5伏电压后,通过它的电流为0.5安,则该导体的电阻为 欧。
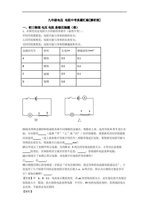
九年级电压电阻中考真题汇编[解析版]一、初三物理电压电阻易错压轴题(难)1.在探究决定电阻大小因素的实验中(温度不变):甲同学的猜想是:电阻可能与导体的材料有关;乙同学的猜想是:电阻可能与导体的长度有关;丙同学的猜想是:电阻可能与导体的横截面积有关。
金属丝代号材料长度/m横截面积/mm2A镍铬0.50.1B镍铬0.50.2C锰铜0.50.1D锰铜0.8(1)现有两种金属材料制成的各种不同规格的金属丝,规格如上表。
选用导线A和C进行实验,可以探究______(选填“甲”“乙”或“丙”)同学的猜想。
要想探究丙同学的猜想应该选用______(选上面表格中导线字母代号)两根导线进行实验。
要想探究电阻可能与导体的长度有关,则表格空白处应填______mm2;(2)小华设计了如图甲所示电路。
为判断a、b两点间导线电阻的大小,小华应注意观察______的变化,具体指明该方案存在的不足是:______,容易烧坏电流表和电源;(3)小刚设计了如图乙所示电路,该电路中灯泡的作用有哪些?①______,②______;(4)小刚想用图乙的电路进一步验证“在电压相同时,流过导体的电流跟电阻成反比”,于是选用了几个阻值不同的定值电阻分别先后接入a、b两点间。
你认为小刚的方案是否可行?请加以解释?______。
【答案】甲 A、B 0.1 电流表示数的变化若ab间导线电阻太小由灯泡亮度可直观比较阻值大小限流,防止烧毁电流表和电源不可行,ab间的电阻改变时,其两端的电压会改变,不能保证电压相同【解析】【分析】【详解】(1)[1]由表中所给条件知,导线A和C的长度、横截面积相同,导体的材料不同,故可以探究甲同学的猜想。
[2]要探究横截面积与导体电阻大小的关系,就要控制导体的材料、长度相同,横截面积不同,在表格中给的导线中,只有A、B符合条件。
[3]要探究长度与导体电阻大小的关系,就要控制导体的材料、横截面积相同,导体的长度不同,在表格中给的导线中,只有C、D符合条件,故表格空白处应填0.1mm2。
电压电阻一、选择题1. 在下边的电路中,闭合开关S,能用电压表丈量L 2两头电压的是()【答案】 C2.图甲为某可调节亮度台灯,图乙为其用于调光的电位器结构图, a、b、 c 是它的是三个接线柱, a 、 c 分别与弧形电阻丝的两端相连, b 与金属滑片相连,转动旋钮,滑片在弧形电阻丝上同向滑动即可调理灯泡亮度,以下剖析正确的选项是()A.电位器与灯泡并联B.电位器是经过改变接入电路中电阻丝的长度来改变灯泡亮度的C .若只将 a 、 c 接入电路,顺时针转动旋钮时灯泡变亮D .若只将 b 、 c 接入电路,顺时针转动旋钮时灯泡变暗【答案】 B3.(2016玉林)一段1 m 长的电阻丝,以下做法能使它的电阻增大的是()A.对折B.长度拉伸为本来的 2 倍C.剪掉一半D.表面涂上绝缘资料【答案】 B4.(2016鄂州)已知甲、乙两灯的额定电压均为 6 V,如图是甲、乙两灯电流随其两头电压变化的曲线。
现将两灯串连后接在某一电源两头,要使此中一个灯泡正常发光,并保证电路安全,则电路的工作电流和电源最大电压为()A.0.5 A 12 VB. 1.5 A 12 VC. 1.5 A 8 VD. 0.5 A 8 V【答案】 D5.( 2016 自贡)为节俭用电,小明老是顺手关掉家中临时不使用的家用电器,每多封闭一个家用电器,家庭电路里变大的物理量是()A.总电阻B.总电流C.总功率D.没法判断答案: A6.( 2016 台州)在番茄上相隔必定距离分别插入铜片和锌片,即为番茄电池。
将铜片、锌片与电压表相连,以下图。
以下说法正确的选项是()A.锌电极是番茄电池的正极B.番茄电池可将化学能转变为电能C.番茄电池形成通路后,电子将从铜电极流出D.将电压表直接接在该番茄电池上,会破坏电压表答案: B()7. ( 2016 成都)以下要素中,对导体电阻大小有决定作用的是A .导体能否接入电路B .导体两头的电压C.经过导体的电流D .导体的长度答案: D8.(2016天津)将一根金属导线平均拉长后,其电阻()A.变大B.变小C.不变D.没法判断答案: A9.( 2016 枣庄)某学习小组在一次实验中利用电压表和电流表丈量出了多组数据,并记录如表中,请依据表中给出的数据,剖析判断出他们实验时所使用的电路图可能是()U /VI/A答案: D10.(2016黔东南)以下科学方法中,表达错误的选项是()A.两个 5Ω的电阻串连与一个 10 Ω的电阻成效同样,运用了变换法B.依据增大摩擦力的方法想到减小摩擦力的方法,运用了逆向思想法C.研究杠杆均衡条件,运用了概括法D.在学习电压时,常比较水压来理解电压,运用了类比法【答案】 A11.(2016绥化)以下图,对于电流表和电压表的使用方法中正确的选项是( )【答案】 A12.( 2016 三明)小明的奶奶有顺手关灯的好习惯。
(物理)中考物理电压电阻真题汇编(含答案)含解析一、电压电阻选择题1.在图所示的电路中,电源电压保持不变。
闭合电键S,灯L正常发光,过了一段时间,观察到两电表指针向相反方向偏转。
若电路中只有一处故障,且只发生在电阻R或L上,则下列判断正确的是()A. 灯L一定断路B. 灯L一定短路C. 灯L一定不亮D. 电阻R可能断路【答案】C【解析】【解答】两电表指针向相反方向偏转,说明一个增大,一个减小;若灯L断路,则电压表示数变大,电流表示数减小;若灯L短路,则电压表示数为0,电流表示数变大;若电阻R断路,则电流表和电压表示数都变为0;综上所述,故障是灯L断路或短路,不管灯L断路或短路,灯都不会发光,C符合题意,ABD不符合题意.故答案为:C.【分析】根据电表的变化情况,可能断或断路,但灯泡都不亮.2.如图所示是一种自动测定油箱内油面高度的装置,电阻R与金属滑片P构成一个滑动变阻器,金属滑片P是杠杆的一端.下列说法正确的是:()A. 该电路中油量表既可以用电流表也可以用电压表改装B. 油面升高,滑动变阻器接入电路中的电阻减小C. R0和R在电路中是并联的D. 电路中的电流越小,油量表指示油面的高度值越大【答案】D【解析】【解答】A. 油量表和滑动变阻器是并联的,油量表是电压表。
A不符合题意。
B. 油面越高,浮子上升,滑片上移,滑动变阻器连入电路的电阻越大,电流越小。
B不符合题意。
C. R0和R在电路中是串联的。
C不符合题意。
D. 串联电路中电阻起分担电压的作用,电阻越大,分担的电压越大,油量表的示数越大,但是电流越小。
所以电路中的电流越小,油量表指示油面的高度值越大。
D符合题意。
故答案为:D.【分析】根据油面的升降分析滑动变阻器电阻的变化,从而推出电表的变化.3.下列教材中的探究实验,不需要控制电流一定的是()A. 探究导体电阻与长度的关系B. 探究通电导体产生的热量与电阻的关系C. 探究电功与电压的关系D. 探究电磁铁磁性强弱与线圈匝数的关系【答案】 A【解析】【解答】A、电阻与导体的长度、材料、横截面积和温度有关,与电流大小无关,探究与长度的关系,不用控制电流一定,A符合同意;B、由Q=I2Rt可知,通电导体产生的热量与电路中的电流、导体的电阻和通电时间有关,要探究热量与电阻的关系,需控制电流和通电时间一定,B不符合题意;C、由W=UIt可知,要探究电功与电压的关系,需使电流和通电时间一定,C不符合题意;D、电磁铁磁性强弱与电流大小和线圈匝数有关,要探究电磁铁磁性强弱与线圈匝数的关系,需控制电路中的电流相同,D不符合题意.故答案为:A.【分析】(1)控制变量法:在研究和解决问题的过程中,对影响事物变化规律的因素或条件加以人为控制,使其中的一些条件按照特定的要求发生变化或不发生变化,最终解决所研究的问题;(2)探究的物理量与电流及其他因素有关,探究过程中需控制电流一定,根据各项分析即可得出结论.4.如图所示的电路中,电源电压保持不变,闭合开关s,将滑动变阻器滑片向左移动时()A. 灯泡L1亮度不变、L2变亮B. 电流表示数不变,电压表示数变大C. 电流表示数变小,电压表示数不变D. 电流表、电压表示数均不变【答案】 B【解析】【解答】根据电路图判断是并联电路,滑片上连接电压表,所以滑片的移动不能改变电路中的电流或电压,但改变了电压表测量的范围,电压表测量的反应越大,电压表的示数越大,B符合题意,ACD不符合题意。
中考物理电压电阻题20套(带答案)一、电压电阻选择题1.下列说法中正确的是()A. 导体的电阻与其两端的电压有关B. 电功率大的用电器产生的热量多C. 电灯正常发光时,额定功率小的可能更亮D. 电流做功越快的用电器,其电功率一定越大【答案】 D【解析】【解答】解:A、导体的电阻是导体阻碍电流的性质,与导体两端的电压和通过的电流无关,故A错;B、电功率大的用电器做的功不一定多,并且消耗电能不一定全转化为内能,所以电功率大的用电器产生的热量不一定多,故B错;C、灯正常发光时,灯的实际功率等于额定功率,额定功率小的实际功率小,发光暗,故C 错;D、电功率是表示电流做功快慢的物理量,电流做功越快的用电器,其电功率一定越大,故D正确.故选D.【分析】利用下列知识分析判断:(1)导体的电阻是导体阻碍电流的性质,其大小与导体的长度、横截面积、材料有关,而与导体两端的电压和通过的电流无关(2)电功率大的用电器做的功不一定多,消耗电能不一定全转化为内能;(3)灯正常发光时,灯的实际功率等于额定功率,灯的亮度取决于灯的实际功率;(4)电功率是表示电流做功快慢的物理量.2.如图所示的电路,开关S闭合,正常工作一段时间后,电流表示数突然减小但不为零。
用电压表检测,当电压表接a、b两点时,电压表有示数;接b、c两点时,电压表无示数,则故障是()A. 开关S接触不良B. ac导线断路C. R1断路D. R2断路【答案】 B【解析】【解答】解:由电路图可知,开关S闭合,R1与R2并联,电流表测干路电流。
开关S闭合一段时间后,电流表示数突然减小,则电路故障为某处断路:当电压表接a、b两点时,电压表有示数,说明a到电源的负极与b到电源的正极之间是接通的;当电压表接b、c两点时,电压表无示数,说明c到电源的负极与b到电源的正极之间是断开的。
由上知a到电源的负极、b到电源的正极之间是接通的,Ac间导线出现了断路。
故答案为:B【分析】结合题意,电流表示数突然减小说明电路故障是断路,根据电压表的示数判定故障之处.3.在如图a的电路中,当闭合开关后,两个电压表指针偏转均为图b所示,则电阻R1和R2两端的电压分别()A. 1.2 V 4.8 VB. 6 V 1.2 VC. 1.2 V 6 VD. 4.8 V 1.2 V【答案】 D【解析】【解答】分析电路图是串联电路,V1测量电源电压,V2测量R2的电压,根据串联电路中总电压等于各用电器电压之和的规律,V1的示数要大于V2示数,所以选用0-15V读数,为6V,V2选用0-3V读数,为1.2V,则R1的电压为6V-1.2V-4.8V,D符合题意,ABC不符合题意。
2017全国中考物理真题汇编电压和电阻(精校版)一.选择题1.(2017·云南)小雅同学在做电学实验时,不小心将电压表和电流表的位置互换了,如图1所示,如果此时将开关闭合,则(D)A.两表都可能被烧坏B.两表都不会被烧坏C.电流表不会被烧坏D.电压表不会被烧坏,电流表可能被烧坏2.(2017·邵阳)如图2所示电路,电源电压为 5V,L1、L2发光时的电阻均为6Ω,电流表、电压表量程应分别选择(B)A.电流表(0~0.6A)、电压表(0~3V)B.电流表(0~0.6A)、电压表(0~15V)C.电流表(0~3A)、电压表(0~3V)D.电流表(0~3A)、电压表(0~15V)图1 图2 图3 图43. (2017·衡阳)如图3所示,闭合开关后两灯均能发光,则(B)A.甲为电流表,乙为电压表B.甲为电压表,乙为电流表C.甲、乙都为电流表D.甲、乙都为电压表4. (2017·柳州)如图4所示的电路中,开关S闭合时,电压表V、V1、V2的示数分别是U、U1、U2,关于它们的关系正确的是(D)A.U=U1=U2 B.U>U1+U2 C.U<U1+U2 D.U=U1+U25. (2017·贵阳)越来越多的家庭选择LED电灯作为照明光源,某广告中说道:“选择LED,你就是选择了节能”,其中“节能”体现了LED电灯的下列哪个优点(B)A.无紫外线辐射B.发光效率高C.使用寿命长D.对环境无污染6. (2017·郴州)随着技术的进步,LED常被用作光源或信号显示器,制作LED的关键材料是(D)A.绝缘体B.普通导体C.超导体D.半导体7. (2017·泰州)青少年科技创新材料中有一种变光二极管,电流从其P端流入时发红光,从其Q端流入时发绿光,奥秘在于其内部封装有一红一绿两个发光二极管,发光二极管具有单向导电性,其符号为,当电流从“+”极流入时二极管能通电且发光,当电流从“-”极流入时二极管不能发光,则该变光二极管的内部结构可能是下图中的(C)8. (2017·长沙)关于导体的电阻,下列说法中正确的是(C)A.导体导电说明它对电流没有任何阻碍作用B.导体的电阻越大,说明它对电流的阻碍作用越小C.相同条件下,铜导线比铁导线的导电性能好,说明导体的电阻与材料有关D.导体的电阻由它两端的电压和通过的电流决定9. (2017·镇江)电阻这一物理量的单位是(B)A.安培B.欧姆C.伏特D.瓦特10. (2017·徐州)使用调光时,旋动旋钮,滑片在弧形电阻丝上滑动,即可调节灯泡亮度,这是通过下列哪个因素改变电阻丝接入电路中电阻的(A)A.长度B.横截面积C.材料D.温度11. (2017·兰州)关于电压、电流和电阻,下列说法正确的是(C)A.导体的电阻由它两端电压和通过的电流决定B.电荷移动就能形成电流C.电路中有电流时它两端一定有电压D.电压的作用是电路中产生自由电荷12. (2017·广西)如图1所示,将一根铅笔芯通过两个夹子接入电路中,当只把右端夹子向左移时,铅笔芯接入电路的电阻变小,小灯泡变亮.导致铅笔芯接入电路的电阻变小的主要因素是(B)A.材料B.长度C.温度D.横截面面积13. (2017·长春)材料、横截面积均相同的两根电阻丝(温度相同),a的长度大于b的长度,则(C)A.a的电阻小于b的电阻B.a的电阻等于b的电阻C.a的电阻大于b的电阻D.无法判断a与b电阻的大小14. (2017·贺州)导体的电阻与下列哪个因素无关(D)A.导体的材料B.导体的粗细C.导体的长度D.导体两端的电压15. (2017·攀枝花)下列因素中,对导体电阻大小有决定作用的是(B)A.导体是否接入电路B.导体的长度C.通过导体的电流D.导体两端的电压16. (2017·北京)(多选)中国科技馆有一个“会发电的衣服”的展台,在展台中可以做模拟“发电纤维发电”的实验.实验过程及现象如下:踩动踏步机踏板,带动压电薄膜振动,使得一些与压电薄膜相连的小灯发光;增大踩动踏板的频率,压电薄膜振动得更剧烈,发光小灯的数量增加.则下列四个选项中,判断正确的是(ABC)A.压电薄膜振动时可以产生电压B.小灯发光说明振动的压电薄膜中产生了电流C.发光小灯的数量与踩动踏板的频率有关D.增大踩动踏板的频率,压电薄膜发电的总功率变小二填空题17. (2017·宜昌)将两片不同的金属片A、B浸在盐水中,这就是一个电池,该电池对外供电时,将化学能转化为电能,把金属片A、B分别用导线连接到电压表接线柱上,电压表的指针发生如图2所示的偏转,则金属片A是正(选填正、负)极.图1 图2 图318. (2017·安徽)如图3所示,电源电压保持不变,a是从电压表的负接线柱引出的导线接头.a与b处相接时,电压表示数为6.0V;使a与b处断开,然后与c处相接,闭合开关S后,电压表示数为4.5V,这时灯泡L2两端的电压为 1.5 V.19. (2017·天水)如图1所示,木块的长度为 2.70 cm;体温计的示数为37.3 ℃;电压表的读数为 2.8 V.图1 图220. (2017·河池)科学家发明一种由石墨烯制成的“排热被”,把它覆盖在电子元件上,能大幅度降低电子元件工作时的温度.这说明石墨烯具有良好的导热(选填“导电”或“导热”)性;用半导体材料制成的发光二极管具有单向导电的属性.21.(2017·北京)如图2所示的电阻箱的示数是2098 Ω.三实验题22. (2017·成都)在“探究串联电路的电压”实验中,小涵同学设计了如图所示的电路.(1)在连接电路中,开关应该处于断开(选填“闭合”或“断开”)状态.(2)根据如图连接好电路,闭合开关后,她发现两只灯泡都不亮,且电压表示数为0,若只有L1或L2中的一处发生故障,则故障是L2开路(选填“L1开路”、“L1短路”、“L2开路”、“L2短路”).(3)故障排除后,小涵选用不同的灯泡,完成了三次实验,并记录了数据.分析下表中的数据,可得出的结论为:串联电路两端的电压等于串联电路中各部分电路两端的电压之和.23. (2017·扬州)在“探究串联电路电压的特点”活动中.(1)如图所示,连接电路时,至少需要 6 根导线;实验中应选择规格不同(相同/不同)的小灯泡.(2)在测L1两端电压时,闭合开关,发现电压表示数为零,原因可能是L2断路(填出一种即可).(3)小芳保持电压表的B连接点不动,只断开A连接点,并改接到C连接点上,测量L2两端电压.她能否测出L2两端电压?不能,理由是正负接线柱反接了.(4)小明分别测出AB、BC、AC间的电压并记录在如下表格中,分析实验数据得出结论:串联电路总电压等于各部分电路两端电压之和.请对小明的做法进行评价:一次实验具有偶然性,改进方法是更换规格不同的灯泡进行多次实验.24. (2017·昆明)在研究导体电阻与哪些因素有关的实验中,小明采用了图中所示的电路.闭合开关,夹子P向左滑动时,电阻丝连入电路的长度变长,观察到电流表示数变小,灯的亮度变暗.小明在得出导体电阻与长度关系的同时,还得出”灯泡的亮度由电流大小决定“的结论.(1)你认为小明关于灯泡的亮度由电流大小决定的结论是错误的.(2)小丽用L1“6V3W“和L2”6V2W“的两个小灯泡及6V的电源等器材,设计如下实验来验证小明的结论是否正确,请你帮她将实验步骤填写完整:①将两个小灯泡串联,接到6V的电路中,则通过两灯的电流相等;灯L2两端的电压较大;可观察到灯L2较亮;②将两个小灯泡并联,接到6V的电路中,则两灯两端的电压相等;通过灯L1的电流较大,可观察到灯L1较亮.(3)由以上实验可以得出灯泡的亮度由实际功率决定.25. (2017·呼和浩特)导体电阻的大小与哪些因素有关呢?对于这个问题,小明想起课堂上老师把电压比作水压,把电流比作水流,于是他想:电阻也可以比作是水管对水流的阻力.他还想到水管内部粗糙程度、有无杂物和它的长短粗细都可能导致水管对水流的阻力不同,因此经过分析,他提出了以下几种猜想:猜想1:导体的电阻可能跟导体的材料有关;猜想2:导体的电阻可能跟导体的长度有关;猜想3:导体的电阻可能跟导体的横截面积有关:为了验证自己的猜想,实验室有如下表格中的7种电阻丝,则:(1)若要探究电阻跟横截面积的关系,可依次把如图中M、N跟电阻丝A、D (选填导线代号)的两端连接,闭合开关记下电流表示数,分析比较这两个金属丝电阻大小.(2)若依次把M、N跟电阻丝C、F的两端连接;闭合开关记下电流表示数,分析比较这两个金属丝的电阻大小,这时探究的是电阻跟导体的材料的关系.(3)在上面的实验中,电阻的大小并不能直接观察,而是通过电流表的示数反映出来的,电流表的示数越大,说明电阻丝的电阻越小.26. (2017·桂林)小禹在复习“探究导体的电阻与哪些因素有关”的实验时,产生了一些疑惑;实验中为什么选择不常见的镍铬合金作为研究的导体,而不选用常见的铜丝?难道选用钢丝会不利于探究?带着这些思考,小禹决定进行实验验证;(1)为了能够更好地反映出电阻的变化,小禹可以在如图所示的电路中接入电流表,且与研究导体串联.(2)连接电路时,开关必须处于断开状态.(3)实验中,选择一根带鳄鱼夹的导线,主要是为了方便改变接入导体的长度.(4)分别用铜丝、镍铬合金丝进行实验,记录实验结果于下表,对比实验记录,发现用铜丝作为研究导体,实验现象不明显.不明显之处是:铜丝电阻小,电流变化小.(5)通过实验,小禹解开了心中的疑惑,并进一步理解了滑动变阻器的原理及其在电学实验中的作用,如在图2所示的“探究电流与电阻的关系”实验中,将电阻R由5Ω换成10Ω后,滑动变阻器的滑片应该向上(选填“上”或“下”)端移动,以起到使电阻R两端电压保持不变的作用.27. (2017·北京)有一种用新型材料制成的电阻,小明通过实验探究该电阻大小与某个预想的因素是否有关.他将该电阻、电流表和开关串联起来,接在电源两端.先用冷风使电阻降温,闭合开关,观测电流表示数为I1,并记录,断开开关.再用热风使电阻升温,闭合开关,观测电流表示数为I2,并记录.他发现:I1<I2.则小明所探究问题的自变量是:电阻的温度.。
第十六章 《电压 电阻》第一节、电压1、用水压类比电压。
2、电压是形成电流的原因,电压使电路中的自由电荷定向移动形成了电流。
电源是提供电压的装置,通常有字母U 表示电压。
电压的单位:国际单位:伏特(volt ) ,简称伏(符号是V ) 常用单位:千伏(kV );毫伏(mV )。
换算关系: 1kV=1000V=103V 1mV=0.001V=10-3V 记住一些电压值:一节干电池1.5V 、一节蓄电池 2V家庭电压220V、安全电压不高于36V4、电压测量仪器:电压表 ,符号:使用规则:两要、一不 ①电压表要并联在电路中②电流从电压表的“正接线柱”流入,“负接线柱”流出,否则指针会反偏③被测电压不要超过电压表的最大量程,被测电压超过电压表的最大量程时,不仅测不出电压值,电压表的指针还会被打弯甚至烧坏电压表5、电压表的读数步骤:第一步,看量程、第二步,看最小分度值、第三步,读数。
6、实验室中常用的电压表有两个量程: ①0~3伏,每小格表示的电压值是0.1伏 ②0~15伏,每小格表示的电压值是0.5伏在预先不知道被测电压大约值的情况下,如果判定被测电压不会超出15 V ,可以先用最大测量值为15 V 的量程,如果测得的电压不超过3 V ,为提高读数的准确性,可以改用最大测量值为3 V 的量程进行测量。
1、电流表示数正常而电压表无示数: “电流表示数正常”表明主电路为通路,“电压表无示数”表明无电流通过电压表,则故障原因可能是:①电压表损坏;②电压表接触不良;③与电压表并联的用电器短路。
2、电压表有示数而电流表无示数“电压表有示数”表明电路中有电流通过,“电流表无示数”说明没有或几乎没有电流流过电流表,则故障原因可能是①电流表短路;②和电压表并联的用电器开路,此时电流表所在电路中串联了大电阻(电压表内阻)使电流太小,电流表无明显示数。
3、电流表电压表均无示数“两表均无示数”表明无电流通过两表,除了两表同时短路外,最大的可能是主电路断路导致无电流。
参考答案与解析1.解:由电路图可知,灯泡、滑动变阻器串联连接,电压表测灯泡两端的电压,电流表测电路中的电流.(1)闭合开关后,当滑片P在某一端点时,根据P=UI可知:灯泡两端的电压U L===3V;当滑片P移至中点时,由于滑动变阻器变小,电路中的电流变大,灯泡两端的电压变大,所以此时电灯泡两端的电压U L′=U L+2V=3V+2V=5V;由于灯泡正常发光时根据P=得:灯泡正常发光时的电阻R L===12.5Ω,故A错误;(2)当滑片P在某一端点时,滑动变阻器全部连入电路,根据串联电路电阻特点和I=可得:电源电压U=U L+IR=3V+0.3A×R﹣﹣﹣﹣﹣﹣﹣﹣﹣﹣﹣①当滑片P移至中点时,根据P=UI可知:电路中的电流I′===0.4A,根据串联电路电阻特点和I=可得:电源电压U=I′(R L+R)=0.4A(12.5Ω+R)﹣﹣﹣﹣﹣﹣﹣﹣﹣﹣﹣﹣②解①②可得:R=20Ω,故B正确;U=9V,故C错误;(3)当滑片P在最右端时,滑动变阻器全部连入电路,滑动变阻器消耗的功率P=I2R=(0.3A)2×20Ω=1.8W,故D错误.故选B.2.解:(1)由图知,R与变阻器串联,电压表测R 两端电压,电流表测电路中电流,当定值电阻最大R=20Ω,当电压预设值最小为1.5V 时,电路中电流最小:I最小=I R===0.075A,由串联电路特点和欧姆定律可得,此时变阻器接入电路中的电阻最大:R滑最大= = = =00Ω>20Ω,所以此预设电压值不正确,即A错误;当定值电阻最大R=20Ω,当电压预设值最小为1V 时,电路中电流最小:I最小=I R===0.05A,由串联电路特点和欧姆定律可得,此时变阻器接入电路中的电阻最大:R滑最大====100Ω>20Ω,所以此预设电压值不正确,即B错误;(2)电压预设值越大,电路中电流越大,变阻器两端电压越小,由欧姆定律可知,变阻器连入阻值越小,滑动变阻器阻值调节范围越小.故C正确;(3)实验电压预设值为2V时,当R=20Ω时,变阻器需连入阻值最大,此时电路中电流I===0.1A,此时变阻器连入电路的阻值:R===40Ω,故D错误.故选C.3.解:由电路图可知,灯泡L与滑动变阻器R x串联,电压表测R x两端的电压,电流表测电路中的电流.(1)由P=UI=可得,灯泡的电阻:R L===0Ω,由I=可得,电流表的示数为0.3A时,灯泡两端的电压:U L′=IR L=0.3A×0Ω=1.8V,因串联电路中总电压等于各分电压之和,所以,电源的电压:U=U x+U L′=2.7V+1.8V=4.5V;(2)灯泡的额定电流:I L===0.5A,因串联电路中各处的电流相等,且电流表量程为0~0.0A,滑动变阻器允许通过的最大电流为2A,所以,电路中的最大电流I大=0.5A,此时滑动变阻器接入电路中的电阻最小,此时滑动变阻器两端的电压:U x′=U﹣U L=4.5V﹣3V=1.5V,则滑动变阻器接入电路中的最小阻值:R x小===3Ω;(3)电压表的示数U x″=3V时,灯泡两端的电压:U L″=U﹣U x″=4.5V﹣3V=1.5V,此时电路中的电流:I小===0.25A,滑动变阻器接入电路中的电阻:R x大===12Ω<30Ω,所以,电路中的最小电流为0.25A,则电路的最小总功率:P小=UI小=4.5V×0.25A=1.125W.故答案为:4.5;3;1.125.4.解:(1)由P=UI得,小灯泡的额定电流:I===0.0A;(2)因串联电路中总电压等于各分电压之和,所以,灯泡正常发光时,定值电阻R0两端的电压:U0=U﹣U L=9V﹣0V=3V,因串联电路中各处的电流相等,所以,电路中的电流:I=0.0A,定值电阻R0的阻值:R0===5Ω;(3)当S接触c点时,调节R1的滑片至中点位置时R1=5Ω,电路中的电流为:I′=0.5A,电路的总电阻:R===18Ω,灯泡的电阻为:R L=R﹣R1﹣R0=18Ω﹣5Ω﹣5Ω=8Ω,灯泡的实际功率为:P L=I2R=(0.5A)2×8Ω=2W.答:(1)小灯泡的额定电流为0.0A;(2)定值电阻R0的阻值为5Ω;(3)当S接触c点时,调节滑片至中点位置,电路中的电流为0.5A,此时灯泡的实际功率为2W.5.解(1)依题意0~5min内,对应的功率为1100W,为加热状态,根据P=UI=,电路中电阻较小,故S1处于闭合状态(10﹣15min内,对应的功率为440W,电路中电阻较大,S1处于断开状态),R1此时的电功率P1=1100W由P=UI得,通过R1的电流I1==5A(2)30min内加热时间为10min+25min﹣15min=20min,保温时间为15min﹣10min)+(30min ﹣25min)=10min,由P=,得W=PtW=1.1kW×++0.44kW×+=0.44kW•+=1.584×100J;(3)依题意10~15min内,S1处于断开状态,R1与R2串联,此时电路总功率为P=440W,由(1),根据欧姆定律I=,电阻R1==44Ω,根据P=UI,此时电路中的电流:I==2A,根据串联电路电流的规律,通过R1的电流I1=I=2A由P=UI=I2R得:10~15min内R1的电功率:P1=I12R1=(2A)2×44Ω=170W.答:(1)0~5min内通过R1的电流为5A;(2)30min内电路消耗的电能为1.584×100J;(3)10~15min内R1的电功率为170W.0.解:(1)灯泡的额定功率:P L=U L I L=0V×0.8A=4.8W;(2)当开关接a时,R1与R2串联,因串联电路电流处处相等,且电阻R2阻值为R1的2倍,所以,R1与R2的电功率之比:===,则R2消耗的功率:P2=2P1=2×3W=0W,电路的总功率:P a=P1+P2=3W+0W=9W;当开关接b时,R1与L串联,由P=I2R可得,前后两种情况下R1的电功率之比:==()2==,解得:=,前后两种情况下电路的总功率之比:===,则开关接b时电路的总功率:P b=P a=×9W=4.5W,因总功率等于各电阻消耗功率之和,所以,开关接b时灯泡的实际功率:P L实=P b﹣P1′=4.5W﹣0.75W=3.75W.答:(1)灯泡的额定功率为4.8W;(2)当开关接b时,灯泡的实际功率为3.75W.7.解:(1)由P=UI可得,照明灯正常工作时的电流:I L===0.5A;(2)闭合开关S,将滑片P移至b端,变阻器接入电路中的电阻最大,由题可知,当R1两端电压低至0.5V时,控制开关自动启动照明系统,因串联电路中各处的电流相等,所以,电路中的电流:I===0.1A,电路中的总电阻:R总===45Ω,因串联电路中总电阻等于各分电阻之和,所以,R3的阻值:R3=R总﹣R1﹣R2=45Ω﹣5Ω﹣25Ω=15Ω,由表格数据可知,当R3=15Ω时,E0的值为2lx;(3)由表格数据可知,光照度与光敏电阻R3阻值的乘积不变,由第一组数据可知,光照度与光敏电阻R3阻值的乘积E×R3=0.5lx×00Ω=30lx•Ω,当E0=1.2lx时,此时光敏电阻的阻值:R3′==25Ω,因启动照明系统的条件不变(启动照明系统时,控制电路中的电流恒为0.1A),则控制电路中的总电阻不变,所以,R2接入电路的电阻:R2′=R总﹣R1﹣R3′=45Ω﹣5Ω﹣25Ω=15Ω;已知t=5min,则这段时间内R2消耗的电能:W2=I2R2′t=(0.1A)2×15Ω×5×00s=45J;(4)由前面分析可知,启动照明系统时,控制电路中的总电阻为45Ω不变,且光照度与光敏电阻R3阻值的乘积不变;所以,当滑动变阻器接入电路中的电阻为零时,光敏电阻R3阻值最大,此时光照度E0的值最小,光敏电阻的最大阻值:R3大=R总﹣R1=45Ω﹣5Ω=40Ω,因为E×R3=30lx•Ω,所以,E0小===0.75lx.答:(1)标有“0V 3W”字样的照明灯,正常工作时的电流为0.5A;(2)闭合开关S,将滑片P移至b端,则E0为2lx;(3)要使E0=1.2lx,则R2接入电路的电阻应调为15Ω,这段时间内R2消耗的电能为45J;(4)0.75.8.解:(1)当池内水位升高时,根据p=ρg+可知,水对压敏电阻R F的压强变大,由F=pS可知,水对R F的压力变大;(2)图1控制电路中,R、电磁铁、R F串联;根据图2可知,当水位升高时,压力敏感电阻的阻值会变大,由串联分压原理可知,R F两端的电压相应的会变大,所以电压表应并联在压力敏感电阻的两端,如下图所示:(3)根据图2可知,水位为0.5m时,R F=200Ω,此时控制电路的总电阻最小,所以电路中的电流最大,此时电路中的电流I=0.048A,由I=可得,电路中的总电阻:R总===250Ω,根据串联电路的电阻特点可得,电阻箱连入电路的电阻值:R=R总﹣R F=250Ω﹣200Ω=50Ω,根据题意可知,当电流达到I′=0.04A时,铁质开关K被释放,排水电路开始排水,此时控制电路中的总电阻:R总′===300Ω,此时R F的阻值:R F′=R总′﹣R=300Ω﹣50Ω=250Ω,由图2可知,此时的最高水位为1m;(4)当R的阻值调小时,由于控制电路中释放或吸上铁质开关的电流值不变,则控制电路对应的总电阻不变,由R F=R总﹣R可知,R F1和R F2的阻值都会增大,所以池内最高水位也会增大,但是最高和最低水位时,R F的对应的阻值差(R F1﹣R F2)却保持不变,由图象可知池内最高与最低水位的高度差△H 会增大,所以此方案不可行.故答案为:(1)大;(2)如上图;(3)所能控制的最高水位1m;(4)不可行;R的阻值调小时,R F1和R F2的阻值都会增大,所以池内最高水位也会增大,但是最高和最低水位时,R F的对应的阻值差(R F1﹣R F2)却保持不变,由图象可知池内最高与最低水位的高度差△H会增大.9.解:方法一:(1)当开关S转动至低档位置,电路处于低功率工作状态,两根电阻丝都发热,根据P=可知,电路电阻最大,则说明两电阻串联;开关S转动至高档位置,电路处于高功率工作状态,仅有一根电阻丝发热,根据P=可知,电路电阻最小,则另一根电阻丝被短路.由安全用电知识可知,开关接在火线和电阻丝之间,金属外壳接地线,如图所示:(2)电能表的指示灯闪烁132次,电阻丝消耗的电能:W==kW•+=1.32×105J.烤箱处于高档工作时间t=5min=300s,由W=t得,烤箱处于高档时电阻丝的阻值:R=t=×300s=110Ω.(3)当电烤箱处于低温档时,两电阻丝串联,电路总电阻:R总=R+R=110Ω+110Ω=220Ω,则电烤箱处于低温档时的电功率:P低===220W.当电烤箱处于高温档时,仅有一根电阻丝发热,则电烤箱处于高温档时的电功率:P高===440W.方法二:(4)开关S转动至抵档位置,电路处于低功率工作状态,根据P=可知,电路电阻最大,仅有一根电阻丝发热;开关S转动至高档位置,电路处于高功率工作状态,两根电阻丝都发热,根据P=可知,电路电阻最小,则说明两电阻并联;由安全用电知识可知,开关接在火线和电阻丝之间,金属外壳接地线,如图所示:(5)电能表的指示灯闪烁132次,电阻丝消耗的电能:W==kW•+=1.32×105J.烤箱处于低档工作时间t=5min=300s,由W=t得,烤箱处于高档时电阻丝的阻值:R=t=×300s=110Ω.(0)当电烤箱处于低温档时,仅有一根电阻丝发热,则电烤箱处于高温档时的电功率:P低′===440W.当电烤箱处于高温档时,两电阻丝并联,电路总电阻:R总′=R=×110Ω=55Ω,则电烤箱处于高温档时的电功率:P高′===880W.故答案为:方法一:(1)见上图;(2)1.32×105;110;(3)220;440;方法二:(1)见上图;(2)1.32×105;110;(3)440;880.。
初三物理电压电阻测试卷有答案一、选择题(共18道总分36分)1、超导现象是20世纪的重大发现之一,科学家发现某些物质在温度很低时,如铅在-266℃以下,电阻就变成零。
若常温下超导体研制成功,则超导体适合做A.电铬铁B.输电线C.滑动变阻器的线圈D.电炉丝2、在图所示的四个电路中,当闭合开关S后,小灯泡L1、L2都能正常发光,其中电压表可直接测出L2两端电压的电路图是A.B.C.D.3、如图,当开关S闭合后,灯泡L1,L2都发光,两个电表都有示数,工作一段时间后,突然灯泡L2熄灭,L1仍然发光,两个电表都无示数,该电路可能出现的故障是()A.电流表断路B.L2断路C.电压表短路D.L2短路4、上海世博会园区80%的夜景照明光源采用低碳节能的LED(发光二极管)照明技术。
制作LED灯的核心材料是:A、导体B、半导体C、绝缘体D、超导体5、小明同学在利用如图所示电路进行电学实验时,闭合开关,发现灯L1亮、灯L2不亮,电流表和电压表均有示数。
则故障原因是A.灯L1断路B.灯L1短路C.灯L2断路D.灯L2短路6、小明在一次野炊活动中,将中间剪得较窄的口香糖锡箔纸(可看做导体)接在干电池正负两极上,如图所示,锡箔纸较窄处最先燃烧.这是因为与长度相同的锡箔纸较宽处相比,较窄处()A.电阻较大B.电流较大C.电压较小D.电功率较小7、如图所示,选择合适的电表符号填入电路空缺处,要求:当开关S闭合后,灯泡L1和L2正常发光,则()A.甲为电流表,乙为电压表,丙为电流表B.甲为电流表,乙为电压表,丙为电压表C.甲为电压表,乙为电压表,丙为电流表D.甲为电压表,乙为电流表,丙为电流表8、如图6所示的电路中,闭合开关S,能用电压表测量L1两端电压的正确电路是()9、如图所示的电路,闭合开关S后,电灯L1、L2都不发光,且两电表的指针都不动.现将两电灯的位置对调,再次闭合开关时,发现两只灯泡仍不亮,电流表的指针仍不动,但电压表的指针却有了明显的偏转,该电路的故障可能是()A.电流表内部接线断了B.灯L1灯丝断了C.灯L2灯丝断了D.电流表和两个电灯都坏了10、如图所示电路,开关S闭合后,若L1灯丝突然烧断,会发生的现象()A.L1、L2、L3均熄灭,电压表、电流表示数均为零B.L1、L2均熄灭,L3仍然发光,电压表、电流表示数均变大C.除L1灯不亮外,其余一切照旧,无任何其它变化D.L1、L2、L3均熄灭,电压表示数变大,电流表示数几乎为零11、如图12所示,开关s闭合后,小灯泡不发光,电流表无示数.这时用电压表测得a、b两点间和b、c两点间的电压均为零,而a、d间和b、d间的电压均不为零,这说明()A.电源接线柱接触不良. B.开关的触片或接线柱接触不良c.电流表接线柱接触不良D.灯泡灯丝断了或灯座接触不良12、在如图所示的电路中,a、b、c、d为四个接线柱,闭合开关S后,灯泡L不亮;若用电压表接在b、d间,闭合开关S,电压表有明显示数;若将电流表接在b、c间,无论闭合还是断开开关S,电流表都有明显示数,且灯泡L发光.则故障一定是()A.灯泡断路B.灯泡短路C.电阻R短路D.电阻R断路13、如图所示,在"○"处可以连接电流表或电压表测量电路中的电流、电压,为使L1与L2串联,以下做法正确的是()A.a为电流表,b为电压表,c为电流表B.a为电压表,b为电压表,c为电流表C.a为电流表,b为电流表,c为电压表D.a为电流表,b为电流表,c为电流表14、光敏电阻的阻值随着光照的强弱而改变。
2017年中考物理分类专题训练题—电压与电阻
2017年中考物理分类专题训练题—电压与电阻
说明:
中考物理专题训练资料是有学而思在线名师精选历年中考题目编写和解析。
根据中考知识模块的分布,旨在让孩子用最少的时间突破最重要的得分重难点。
希望孩子们利用好,在中考中取得好成绩。
满分需要坚持,中考需要实战。
中考物理满分冲刺百日倒计时,100个必考易错点,100组精选好题目。
百日百题成就满分中考加入我们,互相鼓励,互相监督!一起做,不孤独!加
群请备注:中考网,点击加入:
扫码关注公众号,回复加群,进入群聊。
电压电阻中考经典题型带答案经典1一、电压电阻选择题1.甲、乙、丙三条相同材料制成的金属线的相关数据如下表所示,根据表中提供的数据,则下列判断正确的是()金属线长度/cm横截面积/mm2甲1010乙201丙300.1A. 金属丝甲电阻阻值最大B. 金属丝乙电阻阻值最大C. 金属丝丙电阻阻值最大D. 金属丝甲、乙、丙电阻阻值一样大【答案】 C【解析】【解答】由表中数据知,甲导体的长度最小,甲导体的横截面积最大,故导体甲电阻值最小,丙导体的长度最大,丙导体的横截面积最小,故导体丙电阻值最大,C符合题意,ABD不符合题意。
故答案为:C。
【分析】决定电阻大小的因素:导体的电阻是导体本身的一种性质,它的大小决定于导体的材料、长度、横截面积和温度.2.如图所示电阻箱的示数为()A. 260ΩB. 6200ΩC. 620ΩD. 9620Ω【答案】C【解析】【解答】解:电阻箱的示数:0×1000Ω+6×100Ω+2×10Ω+0×1Ω=620Ω.故选C.【分析】电阻箱的读数方法:用△所对的数字乘以下面的倍数,然后把他们相加,就可得出电阻箱的示数.3.在如图所示的电路中,电压表测量的是()A. 灯L1两端的电压B. 灯L2两端的电压C. 电源两端的电压D. 开关S两端的电压【答案】B【解析】【解答】解:本题中电压表画在左上角,好象是在电池的两端,离L2很远,其实电压表是并联在L2的两端的,测的是L2的电压.故选B.【分析】电压表的使用规则要求,电压表要与被测电路并联.4.下列关于导体电阻的说法中,正确的是()A. 粗导线的电阻一定比细导线的电阻小B. 导体中没有电流通过,导体就没有电阻C. 一根金属丝被均匀拉长后,它的电阻变大D. 电阻是导体本身的一种性质,任何情况下导体的电阻都不可能为零【答案】 C【解析】【解答】解:A、导体的电阻与导体的材料、长度和横截面积有关,只比较导线的粗细无法确定电阻的大小,A不符合题意;B、电阻是导体对电流的阻碍作用,是导体本身的一种属性;其大小与导体的材料、长度、横截面积、温度有关,而与导体两端的电压、通过的电流无关,B不符合题意;C、金属丝被均匀拉长后,长度变长,横截面积变小,电阻变大,C符合题意;D、电阻是导体的一种属性,其大小除与导体的材料、长度、横截面积有关外,还受温度影响,当温度足够低时,电阻会变为零,成为超导体,D不符合题意。
2017年中考试题汇编——电压电阻
一、选择题
1.(2017福建,10,3分)如图所示,闭合开关S1、S2,电路正常工作.现只将S2断开,则()A.电流表示数减小,电压表示数不变
B.电流表示数增大,电压表示数不变
C.电流变示数减小,电压表示数减小
D.电流表示数增大,电压表示数增大
【答案】A
2.(2017湖北宜昌,13,3分)两只小灯泡L1和L2连接在同一电路中,以下哪个特点可以确认两灯是并联的()
A.两灯亮度不同B.两灯两端的电压相等
C.通过两灯的电流相等D.通过两灯的电流不相等
【答案】D
3.(2017四川德阳,5,2分)在如图所示的电路中,闭合开关S后,两灯都不亮,电压表有示数,电流表无示数,则该电路故障可能是()
A.灯泡L1开路B.灯泡L2开路C.灯泡L2短路D.电流表短路
【答案】A
4.(2017四川宜宾,7,2分)(多选)如图,小敏在做“组成串联电路”的实验时,电路连好后,闭合开关,两灯均不亮,经检查,电路连接无误,老师告诉她是其中有一个小灯泡坏了,下面哪些方法能够检测出坏灯泡?()
A.用一根导线分别与两个灯泡并联
B.用一个电流表分别串联在图中的a、b、c三点
C.用一个电压表分别与两个灯泡并联
D.用一个小灯泡分别与两个灯泡并联
【答案】ACD
5.(2017四川内江,10,3分)某同学连接的电路如图所示,闭合开关后,无论怎样调节滑动变阻器,灯泡L1、L2都不亮.他用电压表进行电路故障检测,把电压表并联接在某亮点之间,测试结果如表所示,则可以判定电路总故障的是()
测试点a、b a、f a、e a、d
电压表有示数有示数有示数无示数A.灯泡L1短路B.灯泡L2短路C.de段开路 D.be段开路
【答案】C
6.(2017庆阳,2,2分)下列对四种仪器的操作和使用情况不正确的是()
A、使用前调节天平使横梁平衡
B、测量物体的长度时读数
C、测量水的温度
D、测蓄电池两极间的电压
【答案】A
7.(2017甘肃兰州,12,2分)关于电压、电流和电阻,下列说法正确的是()A.导体的电阻由它两端电压和通过的电流决定
B.电荷移动就能形成电流
C.电路中有电流时它两端一定有电压
D.电压的作用是电路中产生自由电荷
【答案】C
8.(2017江苏南京,9,2分)如图所示电路闭合开关,甲、乙两灯泡均发光,过一会儿,其中一个灯泡突然熄灭,但两电表指数仍明显偏转,造成此现象的原因可能时()
A.甲灯泡短路B.乙灯泡短路C.甲灯泡断路D.乙灯泡断路
【答案】C
9.(2017山东威海,8,2分)如图所示,电源电压保持不变,闭合开关S,灯不亮,电流表有示数,电压表没有示数.则电路的故障情况可能是()
A.灯L断路 B.灯L短路 C.电阻R断路D.电阻R短路
【答案】B
10.(2017北京,22,2分)中国科技馆有一个“会发电的衣服”的展台,在展台中可以做模拟“发电纤维发电”的实验.实验过程及现象如下:踩动踏步机踏板,带动压电薄膜振动,使得一些与压电薄膜
相连的小灯发光;增大踩动踏板的频率,压电薄膜振动得更剧烈,发光小灯的数量增加.则下列四个选项中,判断正确的是()
A.压电薄膜振动时可以产生电压
B.小灯发光说明振动的压电薄膜中产生了电流
C.发光小灯的数量与踩动踏板的频率有关
D.增大踩动踏板的频率,压电薄膜发电的总功率变小
【答案】ABC
11.(2017广东,5,3分)如图所示电路中,电源电压为4.5V,L1、L2是小灯泡,当开关S闭合时,电压表的示数为1.5V,忽略温度对灯丝电阻的影响,则()
A.L2两端的电压为1.5V
B.L1两端的电压为1.5V
C.L1与L2的灯丝电阻之比为2:1
D.通过L1与L2的电流之比为1:2
【答案】A
二、填空题
1.(2017山东枣庄,17,2分)如图,在烧杯中加入盐水,然后将连在电压表上的铜片和锌片插入盐水中,这样就制成了一个盐水电池.观察电压表的接线情况和指针偏转可知:锌片是盐水电池
的极,电池的电压为V.
【答案】负;0.6.
2.(2017四川成都,19,4分)如图所示,电源电压不变,闭合开关S,滑动变阻器的滑片P向左移动,总电阻,电压表示数.(两空都选择“变大”、“变小”或“不变”)
【答案】变小;变小.
3.(2017安徽,9,2分)如图所示,电源电压保持不变,a是从电压表的负接线柱引出的导线接头.a 与b处相接时,电压表示数为6.0V;使a与b处断开,然后与c处相接,闭合开关S后,电压表示数为4.5V,这时灯泡L2两端的电压为V.
【答案】1.5.
4.(2017湖北宜昌,22,3分)将两片不同的金属片A、B浸在盐水中,这就是一个电池,该电池对外供电时,将能转化为电能,把金属片A、B分别用导线连接到电压表接线柱上,电压表的指针发生如图所示的偏转,则金属片A是(选填正、负)极.
【答案】化学;正
5.(2017北京,34,2分)有一种用新型材料制成的电阻,小明通过实验探究该电阻大小与某个预想的因素是否有关.他将该电阻、电流表和开关串联起来,接在电源两端.先用冷风使电阻降温,闭合开关,观测电流表示数为I1,并记录,断开开关.再用热风使电阻升温,闭合开关,观测电流表示数为I2,并记录.他发现:I1<I2.则小明所探究问题的自变量是:.
【答案】电阻的温度.
6.(2017北京32.2)如图所示的电阻箱的示数是Ω.
【答案】2098
三、实验题
1.(2017山东青岛,18,2分)回归实验和探究(请将下列实验报告中的空缺部分填写完整):(1)用伏安法测量小灯泡的电阻:
装置小雨连接了如图所示的实验电路,其中有一处错误,请在错误的导线上打“×”,并重新画一根正确连接的导线.
图象请根据表中的数据,画出小灯泡的I﹣U图象.
次数U/V I/A R/Ω
1 1.0 0.18 5.6
2 2.0 0.24 8.3
3 3.0 0.26 11.5
方法用电压表和电流表测量电阻,运用的科学方法是
法.
问题讨论将实验中的小灯泡换成定值电阻,为了减小误差,应多次测量电压及电流的值,算出电阻,最后求出电阻的.
【答案】(1)原变阻器将上面两个接线柱接入了电路中,根据电路图应将变阻器滑片以左电阻丝连入电路中,如下左图所示:
先规定标度,由表中数据,根据描点法作图,如上右所示:
用电压表和电流表测量电阻,运用的科学方法是组合法;
将实验中的小灯泡换成定值电阻,为了减小误差,应多次测量电压及电流的值,算出电阻,最后求出电阻的平均值;
2.(2017江苏无锡,28,7分)在“探究串联电路电压的特点”活动中.
(1)如图所示,连接电路时,至少需要根导线;实验中应选择规格(相同/不同)的小灯泡.
(2)在测L1两端电压时,闭合开关,发现电压表示数为零,原因可能是(填出一种即可).(3)小芳保持电压表的B连接点不动,只断开A连接点,并改接到C连接点上,测量L2两端电压.她能否测出L2两端电压?,理由是.
(4)小明分别测出AB、BC、AC间的电压并记录在如下表格中,分析实验数据得出结论:串联电路总电压等于各部分电路两端电压之和.请对小明的做法进行评价:,改进方法是.
U AB/V U BC/V U AC/V
2.4 1.4
3.8
【答案】(1)6;不同;(2)L2断路;(3)不能;正负接线柱反接了;(4)一次实验具有偶然性;更换规格不同的灯泡进行多次实验.
3.(2017浙江丽水,11,8分)小科连接好如图1所示电路,闭合开关,按一定操作来测量“小灯泡的电阻”,获得实验数据如表:
实验次数 1 2 3 4
电压U/伏 2.5 2.0 1.5 1.0
电流I/安0.22 0.20 0.17 0.13
电阻R/欧11.36 ?8.82 7.69 (1)表中第2次实验时,小灯泡电阻为欧;
(2)将表中电流、电压数据转换为I﹣U图象(图2),正确的是;
(3)小科发现第3、4两次实验小灯泡不发光,出现这种现象的原因是;
(4)小君按小科的方法连接好电路,闭合开关后发现小灯泡不发光,电流表指针不偏转,电压表指针偏转,若此电路只有一处故障,你认为该故障是.
【答案】(1)10;(2)A;(3)小灯泡的实际功率太小;(4)小灯泡断路.
4.(2017重庆,18,8分)小张同学在做“测量小灯泡电阻”的实验中,所用器材如下:两节新干电池,标有2.5 V相同规格的小灯泡若干,两个滑动变阻器R1“10Ω 1A”、R2“20Ω 2A”,开关、导线若干.
(1)请你根据图甲,用笔画线代替导线,将图乙中的电路连接完整(要求:滑动变阻器滑片P右移灯泡变亮,且导线不交叉).
(2)闭合开关前,应将滑片于(选填“A”或“B”)端.正确连接电路后,闭合开关S,移动滑片P,小张发现小灯泡给终不亮,电流表指针几乎末偏转,电压表有示数,则故障原因可能是
A.小灯泡短路B.滑动变阻器短路C.小灯泡断路D.滑动变阻器断路
(3)排除故障后,移动滑片P,依次测得6组数据,如表一所示.其中第2次实验时电流表表盘如图丙,此时电路中的电流为A;第4次实验时灯泡电阻值为Ω.由表一中的数据可知,小张选用的滑动变器应是(选填“R1”或“R2”).
(4)小张将这6组数据算得的电阻值取平均值作为小灯泡的电阻,这种数据处理方式是(选填“合理”或“不合理”)的.
表一
实验次数 1 2 3 4 5 6
电压V/V 0.5 1.0 1.5 2.0 2.5 2.8
电流I/A 0.16 0.22 0.25 0.28 0.29。