特灵空调故障代码大全
- 格式:xls
- 大小:37.50 KB
- 文档页数:5
【优质】特灵中央空调故障代码-范文模板
本文部分内容来自网络整理,本司不为其真实性负责,如有异议或侵权请及时联系,本司将立即删除!
== 本文为word格式,下载后可方便编辑和修改! ==
特灵中央空调故障代码
导语:现如今的科技发展速度十分的迅速,但是科技产品的故障也是随之而来的,就算科技产品在世精密,出现故障也在所难免,但是这难不倒研发人员,他们也早已预见了可能会出现的故障,然后把机器内部出现的问题生成代码显示到屏幕上。
今天小编要说的既是特灵中央空调故障代码大全,特灵中央空调故障代码都代表什么意思呢,那下面就跟小编一起来看看特灵中央空调故障代码吧。
特灵中央空调故障代码
EE 线控器与室内机通讯异常,主板不做故障处理
E:00 线控器环境温度传感器故障,调用主板回风温度传感器,正常运行
E:01 制冷剂泄漏,内风机/辅热可运行,其它外设关闭
E:02 压缩机堵转,关闭压缩机/外风机,内风机可运行
E:03 室外盘管温度传感器故障,关闭压缩机/外风机,内风机可运行
E:04 室内盘管温度传感器故障,"定频机:关闭压缩机/外风机,内风机可运行;变频机:降频运行"
E:05 室内机环境温度传感器故障,"调用线控器温度传感器,正常运行。
E:00,E:05同时出现时停机"
E:06 室外机环境温度传感器故障 "定频机:在HEAT2/4规格,略过与之有关条件继续运行;变频机:降频运行 "
E:07 排气或压缩机顶部温度传感器故障,关闭压缩机/外风机
E:08 IPM模块保护关闭压缩机,外风机继续运行
E:09 室外机过压、欠压,电压正常后恢复
E:10 压缩机排气温度过高,关闭压缩机/外风机。
作为空调系统、服务与解决方案的世界先进品牌,特灵空调一直深受人们的喜爱。
但是在使用特灵空调过程中会常遇到一些故障,而判断故障直接的方法就是看空调显示屏上显示的代码是什么。
特灵空调故障代码,可以拨打特灵空调售后维修服务中心电话咨询,特灵空调售后维修服务中心会派离你家近的网点或经销商短时间之内上门维修,特灵空调售后维修服务中心竭诚为您服务。
特灵是全球先进的室内家居系统综合解决方案供应商,在美国,每两个家庭就有一个家庭使用特灵的产品,特灵致力于为客户提供节能的采暖、通风和空调系统服务,使用特灵空调的人数不胜数。
特灵空调有灵活的检验代码,我们只需根据代码提示就可以知道空调哪里出了问题。
特灵空调故障代码显示EE 线控器与室内机通讯异常,主板不做故障处理E:00 线控器环境温度传感器故障,调用主板回风温度传感器,正常运行E:01 制冷剂泄漏,内风机/辅热可运行,其它外设关闭E:02 压缩机堵转,关闭压缩机/外风机,内风机可运行E:03 室外盘管温度传感器故障,关闭压缩机/外风机,内风机可运行E:04 室内盘管温度传感器故障,"定频机:关闭压缩机/外风机,内风机可运行;变频机:降频运行"E:05 室内机环境温度传感器故障,"调用线控器温度传感器,正常运行。
E:00,E:05同时出现时停机"E:06 室外机环境温度传感器故障"定频机:在HEAT2/4规格,略过与之有关条件继续运行;变频机:降频运行"E:07 排气或压缩机顶部温度传感器故障,关闭压缩机/外风机E:08 IPM模块保护关闭压缩机,外风机继续运行E:09 室外机过压、欠压,电压正常后恢复E:10 压缩机排气温度过高,关闭压缩机/外风机E:11 室内、外机通讯异常,对应的室内机停止工作E:12 保留,未使用E:13 室外机EEPROM数据错误,系统停机E:14 相邻机无电源,关闭压缩机/外风机,制冷系统维修资料及电控系统维修资料特灵空调故障代码:室内机故障显示表A、线控器故障显示表(适用于KR(d)-*N/D(线控)机型)故障类别显示故障浮子开关异常E0室外机故障E1异运行故障E2液管温度传感器故障E3气管温度传感器故障E4室内机846芯片与808芯片通讯异常E5与电子膨胀阀盒通讯异常E7线控器与室内机控制板通讯异常E8室内外机通讯异常E9水温传感器异常EBB、遥控接收器室内机故障表示方法(适用于KR(d)-*N/D(遥控)机型)特灵空调故障代码:故障灯闪烁次数室内机故障内容定时灯闪1次液管温度传感器异常定时灯闪2次气管温度传感器异常定时灯闪3次环温温度传感器异常定时灯闪4次与室外机通讯异常定时灯闪5次与电子膨胀阀盒通讯异常定时灯闪6次室内机846芯片与808芯片通信异常定时灯闪8次电子膨胀阀强电板故障定时灯闪10次室内机PG风机异常定时灯闪11次浮子开关或水泵电机异常定时灯闪12次室内机EEPROM数据异常定时灯闪13次室内热过载定时灯闪14次室内机与线控器通讯异常特灵空调故障代码:室外机故障显示表A、线控器显示E1时,可检查室内机主板LED1或室外机主板LED1(KR-80W/(BP))、室外机主板LED(ALARMA或ALARMB(KR-120W/(BP)故障类别LED1闪烁次数室外机除霜温度传感器异常闪1次室外机环境温度传感器异常闪2次压缩机吸气温度传感器异常闪3次压缩机排气温度传感器异常闪4次室外机AC过电流保护闪6次室外机DC电压不足保护闪7次室外机功率模块过电流保护闪9次室外机EEPROM故障闪10次压缩机排气过热保护闪11次室外机857芯片与808芯片通讯异常闪12次室外机系统压力过高保护闪13次B、遥控接收器室外机故障表示方法故障灯闪烁次数室内机故障内容运行灯闪1次除霜温度传感器异常运行灯闪2次室外环温传感器异常运行灯闪3次回气温度传感器异常运行灯闪4次排气温度传感器温度异常运行灯闪5次蒸发温度传感器异常运行灯闪6次AC过电流保护运行灯闪7次DC电压不足保护运行灯闪9次DC电流保护(ARW)运行灯闪10次EEPROM故障运行灯闪11次排气过热保护运行灯闪12次857与846通讯不良运行灯闪13次压力开关运行灯闪14次高压压力传感器PD不良运行灯闪15次低压压力传感器PS不良C、KR-110W/(BP)、KR-140W/(BP)、KR-140W/(S)(BP)、KR-280W/(BP)外机电脑板LED灯显示故障代码出现故障时,室外机电脑板上的LED(ALARM)闪烁,闪烁的次数与检修代码相同。
特灵空调故障代码-特灵中央空调维修代码说明来源:舒适100网特灵是全球领先的室内舒适家居系统综合解决方案供应商,在美国,每两个家庭就有一个家庭使用特灵的产品,特灵致力于为客户提供高效节能的采暖、通风和空调系统服务,使用特灵空调的人数不胜数。
特灵空调有灵活的检验代码,我们只需根据代码提示就可以知道空调哪里出了问题。
特灵空调故障代码显示EE 线控器与室内机通讯异常,主板不做故障处理E:00 线控器环境温度传感器故障,调用主板回风温度传感器,正常运行E:01 制冷剂泄漏,内风机/辅热可运行,其它外设关闭E:02 压缩机堵转,关闭压缩机/外风机,内风机可运行E:03 室外盘管温度传感器故障,关闭压缩机/外风机,内风机可运行E:04 室内盘管温度传感器故障,"定频机:关闭压缩机/外风机,内风机可运行;变频机:降频运行"E:05 室内机环境温度传感器故障,"调用线控器温度传感器,正常运行。
E:00,E:05同时出现时停机"E:06 室外机环境温度传感器故障"定频机:在HEAT2/4规格,略过与之有关条件继续运行;变频机:降频运行"E:07 排气或压缩机顶部温度传感器故障,关闭压缩机/外风机E:08 IPM模块保护关闭压缩机,外风机继续运行E:09 室外机过压、欠压,电压正常后恢复E:10 压缩机排气温度过高,关闭压缩机/外风机E:11 室内、外机通讯异常,对应的室内机停止工作E:12 保留,未使用E:13 室外机EEPROM数据错误,系统停机E:14 相邻机无电源,关闭压缩机/外风机,制冷系统维修资料及电控系统维修资料特灵空调故障代码:室内机故障显示表A、线控器故障显示表(适用于KR(d)-*N/D(线控)机型)故障类别显示故障浮子开关异常E0室外机故障E1异运行故障E2液管温度传感器故障E3气管温度传感器故障E4室内机846芯片与808芯片通讯异常E5与电子膨胀阀盒通讯异常E7线控器与室内机控制板通讯异常E8室内外机通讯异常E9水温传感器异常EBB、遥控接收器室内机故障表示方法(适用于KR(d)-*N/D(遥控)机型) 特灵空调故障代码:故障灯闪烁次数室内机故障内容定时灯闪1次液管温度传感器异常定时灯闪2次气管温度传感器异常定时灯闪3次环温温度传感器异常定时灯闪4次与室外机通讯异常定时灯闪5次与电子膨胀阀盒通讯异常定时灯闪6次室内机846芯片与808芯片通信异常定时灯闪8次电子膨胀阀强电板故障定时灯闪10次室内机PG风机异常定时灯闪11次浮子开关或水泵电机异常定时灯闪12次室内机EEPROM数据异常定时灯闪13次室内热过载定时灯闪14次室内机与线控器通讯异常特灵空调故障代码:室外机故障显示表A、线控器显示E1时,可检查室内机主板LED1或室外机主板LED1(KR-80W/(BP))、室外机主板LED(ALARMA或ALARMB(KR-120W/(BP)故障类别LED1闪烁次数室外机除霜温度传感器异常闪1次室外机环境温度传感器异常闪2次压缩机吸气温度传感器异常闪3次压缩机排气温度传感器异常闪4次室外机AC过电流保护闪6次室外机DC电压不足保护闪7次室外机功率模块过电流保护闪9次室外机EEPROM故障闪10次压缩机排气过热保护闪11次室外机857芯片与808芯片通讯异常闪12次室外机系统压力过高保护闪13次B、遥控接收器室外机故障表示方法故障灯闪烁次数室内机故障内容运行灯闪1次除霜温度传感器异常运行灯闪2次室外环温传感器异常运行灯闪3次回气温度传感器异常运行灯闪4次排气温度传感器温度异常运行灯闪5次蒸发温度传感器异常运行灯闪6次AC过电流保护运行灯闪7次DC电压不足保护运行灯闪9次DC电流保护(ARW)运行灯闪10次EEPROM故障运行灯闪11次排气过热保护运行灯闪12次857与846通讯不良运行灯闪13次压力开关运行灯闪14次高压压力传感器PD不良运行灯闪15次低压压力传感器PS不良C、KR-110W/(BP)、KR-140W/(BP)、KR-140W/(S)(BP)、KR-280W/(BP)外机电脑板LED灯显示故障代码出现故障时,室外机电脑板上的LED (ALARM)闪烁,闪烁的次数与检修代码相同。
特灵天井机故障大全1.中央空调器使用的电源太低,当电压低于单相正常电压(220V)的10%,即198V或以下时,中央空调器中的制冷压缩机就难以启动起来。
2.室外主机脏,散热效果不好,清洗主机即可。
3.打开室外机,测量220伏出现到接线柱,关闭电源后,测量压缩机绕组阻值显示正常,说明启动电容已经没有充、放电迹象。
4.电源未接好或没电,电源导线插座接触不良,或者电源导线线径细或老化,会导致电源电低,造成中央空调压缩机不工作。
检查电路是否正常,此外可安装稳压器。
5.拔下管温传感器的引线插头,并将探头从蒸发器的检测孔抽出,以防止蒸发器温度传递到探头,影响测量结果。
使用万用表电阻挡,测量管温传感器阻值。
6.中央空调长时间不清洗导致太多的污垢堵塞,出现这个故障7.电压不稳定:如果说所住的房屋因为某种原因导致电压不是很稳定,那么在使用中央空调时,由于电压不稳定,也会出现故障。
8.将室内风机线圈供电插头插入室内机主板,使用万用表交流电压挡,测量室内风机公共端C和运行绕组R的引线电压。
9.电源未接好或没电,电源导线插座接触不良,或者电源导线线径细或老化。
10.拔下室内风机的线圈供电插头,使用万用表电阻挡,分3次测量3根引线阻值。
如果实测阻值符合RS=CR+CS,说明室内风机线圈阻值正常。
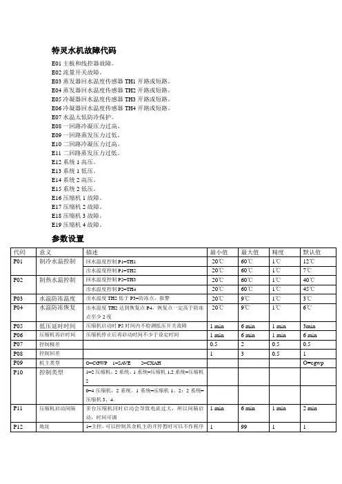
特灵空调故障代码:(1)新线控板故障代码:E01冷媒泄露E02高压保护同时制冷灯闪烁E03室外盘管温度探头缺失E04室内盘管温度探头缺失EO5室内回风温度探头缺失E06室外环境温度探头缺失(热水机故障代码)SE:回水感温线短路/开路SL:出水感温线短路/开路SD:板换感温线短路/开路OP:水泵过载OF:风机过载FL:水流量不足S1:除霜感温线短路/开路C1:压机1过载H1:压机1高压报警H2:电加热过载L1:压机1低压报警L2:存储器存取故障E3:制冷时出水温度太低E3:制热时板换高压保护(2)水源热泵故障代码:E1线控器通信故障E2线控器传感器故障E3集中控制器通信故障E4回风传感器故障E5盘管传感器故障E6进水传感器故障E7出水传感器故障E8水流量不足保护E9水满溢出故障E1制冷时进水温度过高E11制冷时进水温度过低E12制热时进水温度过高E13制热时进水温度过低E14制热时出水温度过低E15制冷时盘管温度过低E16制热时盘管温度过高E17制冷不良E18制热不良E19压力过高保护E20压力过低保护E21EEPROM故障(3)变频空调故障代码:E00线控器温传故障E01制冷剂泄漏EO2压缩机堵转E03室外盘管温度传感器故障E04室内盘管温度传感器故障。
特灵空调故障代码大全故障现象故障处理EE 线控器与室内机通讯异常主板不做故障处理E:00 线控器环境温度传感器故障调用主板回风温度传感器,正常运行E:01 制冷剂泄漏内风机/辅热可运行,园林椅,其它外设关闭E:02 压缩机堵转关闭压缩机/外风机,内风机可运行E:03 室外盘管温度传感器故障关闭压缩机/外风机,内风机可运行E:04 室内盘管温度传感器故障“定频机:关闭压缩机/外风机,内风机可运行;变频机:降频运行"E:05 室内机环境温度传感器故障"调用线控器温度传感器,正常运行。
E:00,E:05同时出现时停机"E:06 室外机环境温度传感器故障"定频机:在HEAT2/4规格,略过与之有条件继续运行;变频机:降频运行"E:07 排气或压缩机顶部温度传感器故障关闭压缩机/外风机E:08 IPM模块保护关闭压缩机,外风机继续运行E:09 室外机过压、欠压电压正常后恢复E:10 压缩机排气温度过高关闭压缩机/外风机E:11 室内、外机通讯异常对应的室内机停止工作E:12 保留,未使用E:13 室外机EEPROM数据错误系统停机E:14 相邻机无电源关闭压缩机/外风机5.1室内机故障显示表A、线控器故障显示表(适用于KR(d)-*N/D(线控)机型)故障类别显示故障:浮子开关异常B、遥控接收器室内机故障表示方法(适用于KR(d)-*N/D(遥控)机型)故障灯闪烁次数室内机故障内容定时灯闪1次液管温度传感器异常定时灯闪2次气管温度传感器异常定时灯闪3次环温温度传感器异常定时灯闪4次与室外机通讯异常定时灯闪5次与电子膨胀阀盒通讯异常定时灯闪6次室内机846芯片与808芯片通信异常定时灯闪8次电子膨胀阀强电板故障定时灯闪10次室内机PG风机异常定时灯闪11次浮子开关或水泵电机异常定时灯闪12次室内机EEPROM数据异常定时灯闪13次室内热过载定时灯闪14次室内机与线控器通讯异常希望能帮上你,,,,,特灵空调故障代码显示代码故障现象故障处理EE 线控器与室内机通讯异常主板不做故障处理E:00 线控器环境温度传感器故障调用主板回风温度传感器,正常运行E:01 制冷剂泄漏内风机/辅热可运行,其它外设关闭E:02 压缩机堵转关闭压缩机/外风机,内风机可运行E:03 室外盘管温度传感器故障关闭压缩机/外风机,内风机可运行E:04 室内盘管温度传感器故障"定频机:关闭压缩机/外风机,内风机可运行;变频机:降频运行"E:05 室内机环境温度传感器故障"调用线控器温度传感器,正常运行。
特灵空调关不了机是怎么回事呢?中央空调维修中心维修过程分析:中央空调开机后,短时间工作后,外机不运转故障现象:开机后,短时间工作后,外机不运转。
故障原因:该机自装机使用一段时间后,用户反映制冷效果不好,试机检查发现开机几分钟后,外机不运转,外机运转时测压力正常,工作电压电流无异常,停机后外机又开机,但运转几分钟后外机又停,故障检测有时报过冷保护,所以测内机管温阻值在25摄氏度时大约50kΩ,明显偏大。
且与原机传感器外形有差异,更换内机管温,试机后正常特灵空调常见的一些故障代码:EE 线控器与室内机通讯异常主板不做故障处理E:00 线控器环境温度传感器故障调用主板回风温度传感器,正常运行E:01 制冷剂泄漏内风机/辅热可运行,园林椅,其它外设关闭E:02 压缩机堵转关闭压缩机/外风机,内风机可运行E:03 室外盘管温度传感器故障关闭压缩机/外风机,内风机可运行E:04 室内盘管温度传感器故障"定频机:关闭压缩机/外风机,内风机可运行;变频机:降频运行"E:05 室内机环境温度传感器故障"调用线控器温度传感器,正常运行。
E:00,E:05同时出现时停机"E:06 室外机环境温度传感器故障"定频机:在HEAT2/4规格,略过与之有条件继续运行;变频机:降频运行E:07 排气或压缩机顶部温度传感器故障关闭压缩机/外风机E:08 IPM模块保护关闭压缩机,外风机继续运行E:09 室外机过压、欠压电压正常后恢复E:10 压缩机排气温度过高关闭压缩机/外风机E:11 室内、外机通讯异常对应的室内机停止工作E:12 保留,未使用E:13 室外机EEPROM数据错误系统停机E:14 相邻机无电源关闭压缩机/外风机闪电维修以家电、家居生活为主营业务方向,提供小家电、热水器、空调、燃气灶、油烟机、冰箱、洗衣机、电视、开锁换锁、管道疏通、化粪池清理、家具维修、房屋维修、水电维修、家电拆装等保养维修服务。
特灵空调故障代码-特灵中央空调维修代码说明来源:舒适100网特灵是全球领先的室内舒适家居系统综合解决方案供应商,在美国,每两个家庭就有一个家庭使用特灵的产品,特灵致力于为客户提供高效节能的采暖、通风和空调系统服务,使用特灵空调的人数不胜数。
特灵空调有灵活的检验代码,我们只需根据代码提示就可以知道空调哪里出了问题。
特灵空调故障代码显示EE 线控器与室内机通讯异常,主板不做故障处理E:00 线控器环境温度传感器故障,调用主板回风温度传感器,正常运行E:01 制冷剂泄漏,内风机/辅热可运行,其它外设关闭E:02 压缩机堵转,关闭压缩机/外风机,内风机可运行E:03 室外盘管温度传感器故障,关闭压缩机/外风机,内风机可运行E:04 室内盘管温度传感器故障,"定频机:关闭压缩机/外风机,内风机可运行;变频机:降频运行"E:05 室内机环境温度传感器故障,"调用线控器温度传感器,正常运行。
E:00,E:05同时出现时停机"E:06 室外机环境温度传感器故障"定频机:在HEAT2/4规格,略过与之有关条件继续运行;变频机:降频运行"E:07 排气或压缩机顶部温度传感器故障,关闭压缩机/外风机E:08 IPM模块保护关闭压缩机,外风机继续运行E:09 室外机过压、欠压,电压正常后恢复E:10 压缩机排气温度过高,关闭压缩机/外风机E:11 室内、外机通讯异常,对应的室内机停止工作E:12 保留,未使用E:13 室外机EEPROM数据错误,系统停机E:14 相邻机无电源,关闭压缩机/外风机,制冷系统维修资料及电控系统维修资料特灵空调故障代码:室内机故障显示表A、线控器故障显示表(适用于KR(d)-*N/D(线控)机型)故障类别显示故障浮子开关异常E0室外机故障E1异运行故障E2液管温度传感器故障E3气管温度传感器故障E4室内机846芯片与808芯片通讯异常E5与电子膨胀阀盒通讯异常E7线控器与室内机控制板通讯异常E8室内外机通讯异常E9水温传感器异常EBB、遥控接收器室内机故障表示方法(适用于KR(d)-*N/D(遥控)机型) 特灵空调故障代码:故障灯闪烁次数室内机故障内容定时灯闪1次液管温度传感器异常定时灯闪2次气管温度传感器异常定时灯闪3次环温温度传感器异常定时灯闪4次与室外机通讯异常定时灯闪5次与电子膨胀阀盒通讯异常定时灯闪6次室内机846芯片与808芯片通信异常定时灯闪8次电子膨胀阀强电板故障定时灯闪10次室内机PG风机异常定时灯闪11次浮子开关或水泵电机异常定时灯闪12次室内机EEPROM数据异常定时灯闪13次室内热过载定时灯闪14次室内机与线控器通讯异常特灵空调故障代码:室外机故障显示表A、线控器显示E1时,可检查室内机主板LED1或室外机主板LED1(KR-80W/(BP))、室外机主板LED(ALARMA或ALARMB(KR-120W/(BP)故障类别LED1闪烁次数室外机除霜温度传感器异常闪1次室外机环境温度传感器异常闪2次压缩机吸气温度传感器异常闪3次压缩机排气温度传感器异常闪4次室外机AC过电流保护闪6次室外机DC电压不足保护闪7次室外机功率模块过电流保护闪9次室外机EEPROM故障闪10次压缩机排气过热保护闪11次室外机857芯片与808芯片通讯异常闪12次室外机系统压力过高保护闪13次B、遥控接收器室外机故障表示方法故障灯闪烁次数室内机故障内容运行灯闪1次除霜温度传感器异常运行灯闪2次室外环温传感器异常运行灯闪3次回气温度传感器异常运行灯闪4次排气温度传感器温度异常运行灯闪5次蒸发温度传感器异常运行灯闪6次AC过电流保护运行灯闪7次DC电压不足保护运行灯闪9次DC电流保护(ARW)运行灯闪10次EEPROM故障运行灯闪11次排气过热保护运行灯闪12次857与846通讯不良运行灯闪13次压力开关运行灯闪14次高压压力传感器PD不良运行灯闪15次低压压力传感器PS不良C、KR-110W/(BP)、KR-140W/(BP)、KR-140W/(S)(BP)、KR-280W/(BP)外机电脑板LED灯显示故障代码出现故障时,室外机电脑板上的LED (ALARM)闪烁,闪烁的次数与检修代码相同。
特灵空调故障代码大全E01制冷剂泄漏E02压缩机堵转E03室外盘管温度传感器故障E04电流互感器故障E05室内回风温度传感器故障E06室外环境温度传感器故障E07排气或压缩机顶部温度传感器故障E07室外排气温传或压机顶部温传故障E09室外机过压欠压故障E10压缩机排气温度过高E11室内.外机通讯异常E12室外机阀控板通讯异常E13室内机盘管温度过高E14吸气温度传感器故障E15备用E16室内盘管进口温度传感器故障(制冷方向)E17室内盘管中间温度传感器故障E18室内盘管出口温度传感器故障E24不再控制面板上显示E25不再控制面板上显示E08模块故障E26不再控制面板上显示E27不再控制面板上显示E29不再控制面板上显示E30不再控制面板上显示E31不再控制面板上显示EE线控器于室内机通讯异常E00线控器环境温度传感器故障E08IPM模块保护E01制冷剂泄漏E02压缩机堵转E03室外盘管温度传感器故障E04室内盘管温度传感器故障E05室内机环境温度传感器故障E06室外机环境温度传感器故障E09室外机过压、欠压E10压缩机排气温度过高E11室内、外机通讯异常E12保留,未使用E13室外机EEPROM数据错误E14相邻机无电源E01过欠压保护E13出水温度传感器开路或短路E02E02缺相保护E14回水温度传感器开路或短路E03相序保护E15套管换热器冷媒出口温度过高E04排气压力传感器故障E16水侧防冻保护E05排气压力过高E17邻机无电源E06吸气压力过高E21IPM模块保护E07压力传感器检测精度故障E22变频压缩机过电流保护E08流量开关E23变频排气温度传感器开路或短路E09套管换热器冷媒出口温度传感器开路或短路(风冷系统为盘管出口温度)E24变频排气温度过高E10套管换热器冷媒入口温度传感器开路或短路(风冷系统为盘管入口温度)E25模块散热器温度传感器开路或短路E11吸气温度传感器开路或短路E26模块散热器温度过高E12室外环境温度开路或短路E27变频压缩机电流检测故障E00线控器温度传感器故障E46室内提水泵故障E41室内机回风温度传感器故障E47室内风扇反馈信号故障E42室内蒸发器中部温度传感器故障E49室内EEPROM读写故障E43室内蒸发器入口温度传感器故障E51接收不到室外机通讯E44室内蒸发器出口温度传感器故障E52室内地址冲突E01冷媒泄漏报警E04室内盘管探头缺失E02高压保护E05回风温度探头缺失E03室外盘管探头缺失E06室外温度探头缺失睡眠灯Tic传感器报警冷媒泄漏报警中速风Tic传感器缺失内盘温度传感器断路制冷灯Toc 传感器报警高压保护低速风Tr传感器缺失回风传感器断路高速风Toc传感器缺失外盘温度传感器断路制热灯Toc传感器功能室外机冬季制热除霜。
ILLUSION/INSIGHT 电控板规格与拨码 主控板除单冷型单独一种板子以外,冷暖型一共有八种软件规格,用一四位微开关上下拨动来定义其中任何一种: 1#:2#:3#:4#:主控板 P/N 规格(功能/大小)1=ON:小机化霜1=ON:大机化霜1=ON:(-5C 以下,强制IDF 配合AH 开)0=OFF:(-5C 以上,防冷风关IDF)1=ON:(-5C 以下, AH 开而锁HP) 0=OFF:(-7C 以下,HP/AH 共存)1010-8061-02CL 0000COOL11010-8061-03CL+WV 001 COOL21010-8061-03CL+HP (小)1000HEAT31010-8061-03CL+HP (大)0100HEAT31010-8061-03CL+HP+AH (小)1010HEAT11010-8061-03CL+HP+AH (大)0110HEAT11010-8061-03CL+HP+AH (小)1011HEAT21010-8061-03CL+HP+AH (大)0111HEAT21010-8061-03CL+HP+AH (小)1111HEAT4注:(1)若忽视芯片,主控板仅二种:单冷型(1010-8061-02)和冷暖型(1010-8061-03); (2)辅助加热AH仅为热水盘/辅助电加热的其中之一。
(3)使用说明见最后。
四位开关 ILLUSION/INSIGHT 线控器内部拨码功能•第1位:感温探头切换选择。
设置为ON,机组回风温度调用线控器回风探头温度值;设置为OFF,机组回风温度调用主板回风探头温度值。
(出厂状态设置为OFF)•第2位:该室内机是否是高优先级。
设置为ON ,本室内机开机时维高优先级;设置为OFF 时,本室内机无优先级功能。
此功能用于1拖6、1拖5的SB 系统上。
(出厂状态设置为OFF)。
ILLUSION/INSIGHT故障报警E01:冷媒泄漏报警E02:高压保护E03:Toc缺失异常报警E04:Tic缺失异常报警E05:To缺失异常报警E06:Toab缺失异常报警Impression1 4位室外机拨码(新)1位:ON : 标准系列(厚)内机 OFF:超薄系列(薄)内机2位:ON上机A系统,可独立运行 OFF:下机B系统,需上机有电(1to2TWD产品统一设置为OFF)3、4位,容量组合位:OFF ON 509(地址1)+518(地址2)组合OFF OFF 512(地址1)+512(地址2)组合ON ON 524(地址2)单机ON OFF 509(地址1)+524(地址2)组合注意:一拖二的第2位拨码设置为OFF。