电子线路基础数字电路实验6 移位寄存器
- 格式:doc
- 大小:3.39 MB
- 文档页数:7
实验六 移位寄存器及应用一、实验目的1、了解并掌握四位单向、双向移位寄存器的逻辑功能;2、熟悉移位寄存器的基本使用方法。
二、实验器材和仪器设备 1、实验仪器设备(1)DLC —1数字电子技术实验箱 (2)万用表2、实验器件:74LS194、74LS04、74LS20 等 三 实验原理1、在数字系统中能寄存二进制信号,并进行移位的逻辑部件称为移位寄存器。
根据移位输入和输出信号的方式有:串入串出、串入并出、并入串出、并入并出四种形式,按移位方向有左移、右移两种。
2、集成双向移位寄存器集成移们寄存器的种类很多,现以典型芯片74194为例来介绍其逻辑功能。
下图是74LS194芯片,它有16个引脚。
其功能真值表如表所示。
图5-3 四位双向移位寄存器74194引脚图R C :异步清零端; CP:时钟送数脉冲输入端; S 1S 0 :控制方式选择端, S R :右移串行输入数据端; S L :左移输入端。
Q 3:右移串行输出端;Q 0:左移串行输出端。
D 0-D 3:并行输入;Q 0-Q 3:并行输出。
表5-2 74194双向移位功能表........① 清0功能。
当CR =0时,双向移位寄存器置0。
Q 0-Q 3 都为0状态。
② 保持功能。
当CR =1、CP= 0或1 CR 、S 1S 0 =00时,双向移位寄存器保持原状态不变。
③ 并行送数功能。
当CR =1、S 1S 0 =11时,在CP 上升沿作用下,使D 0-D 3 端输入的数码d 0-d 3并行送入寄存器,显然是同步并行送数。
④ 右移串行送数功能。
当CR =1、S 1S 0 =01时,在CP 上升沿作用下,执行右移功能,D SR 端输入的数码依次送入寄存器。
⑤ 左移串行送数功能。
当CR =1、S 1S 0 =10时,在CP 上升沿作用下,执行左移功能,D SL 端输入的数码依次送入寄存器。
四、实验内容1.验证74LS194 双向移位寄存器的逻辑功能(70分)D 0、D 1、 D 2、D 3分别接数据开关K 1、K 2、K 3、K 4。
实验六移位寄存器一、实验目的1、掌握中规模4位双向移位寄存器逻辑功能及使用方法。
2、熟悉移位寄存器的应用—实现数据的串行、并行转换和构成环形计数器。
二、实验原理1、移位寄存器是一个具有移位功能的寄存器,是指寄存器中所存的代码能够在移位脉冲的作用下依次左移或右移。
既能左移又能右移的称为双向移位寄存器,只需要改变左、右移的控制信号便可实现双向移位要求。
根据移位寄存器存取信息的方式不同分为:串入串出、串入并出、并入串出、并入并出四种形式。
本实验选用的4位双向通用移位寄存器,型号为CC40194或74LS194,两者功能相同,可互换使用,其逻辑符号及引脚排列如图9—1所示。
图9—1 CC40194的逻辑符号及引脚功能其中D、D、D、D为并行输入端; Q、Q、Q、Q为并行输出端;SR为30223011 C为直接为操作模式控制端;为左移串行输入端;S、S右移串行输入端,SL R10无条件清零端;CP为时钟脉冲输入端。
CC40194有5种不同操作模式:即并行送数寄存,右移(方向由Q~Q),30左移(方向由Q~Q),保持及清零。
03C端的控制作用如表9—和l。
S、S R10—表9l2、移位寄存器应用很广,可构成移位寄存器型计数器;顺序脉冲发生器;串行累加器;可用作数据转换,即把串行数据转换为并行数据,或把并行数据转换为串行数据等。
本实验研究移位寄存器用作环形计数器和数据的串、并行转换。
(1)环形计数器把移位寄存器的输出反馈到它的串行输入端,就可以进行循环移位,如图9—2所示,把输出端Q和右移串行输入端S相连接,设初始状态QQQQ=1000,31R302则在时钟脉冲作用下QQQQ将依次变为0100→0010→0001→1000→……,如3201表9—2所示,可见它是一个具有四个有效状态的计数器,这种类型的计数器通常称为环形计数器。
图9—2电路可以由各个输出端输出在时间上有先后顺序的脉冲。
因此也可作为顺序脉冲发生器。
移位寄存器及其应用实验报告1. 背景在数字电路中,移位寄存器是一种常见的基本电路元件。
它可以将输入数据按照一定规则进行移位操作,并输出处理后的数据。
移位寄存器通常由触发器构成,分为串行移位寄存器和并行移位寄存器。
在实际应用中,移位寄存器常用于数据存储、数据传输、脉冲发生器等方面。
本实验旨在通过设计移位寄存器电路及其应用电路的实验,加深对移位寄存器工作原理的理解,掌握其应用。
2. 实验目的1.了解移位寄存器的基本原理;2.学会设计移位寄存器电路及其应用电路;3.掌握移位寄存器的应用方法。
3. 实验原理与方法3.1 移位寄存器原理移位寄存器将输入数据按照一定规则进行移位操作,并输出处理后的数据。
常见的移位规则包括:左移、右移、循环左移、循环右移等。
移位寄存器通常由触发器构成,触发器的状态决定了寄存器中存储的数据。
本实验主要探究两种常用的移位寄存器:串行移位寄存器和并行移位寄存器。
3.1.1 串行移位寄存器串行移位寄存器中,数据是按照位的顺序逐个进行移位的。
串行移位寄存器可以通过级联多个D触发器实现,每个D触发器的输出与下一个D触发器的输入相连。
3.1.2 并行移位寄存器并行移位寄存器中,数据的位同时进行移位。
并行移位寄存器可以通过级联多个D 触发器实现,每个D触发器的输入都与移位数据的对应位相连。
3.2 实验所用材料与方法3.2.1 材料•移位寄存器芯片•发光二极管(LED)•电路连接线3.2.2 方法1.实验预备:准备实验所需的移位寄存器芯片、LED和电路连接线。
2.按照移位寄存器原理,设计移位寄存器电路并进行布线连接。
3.使用示波器检查电路的正确性。
4.进行实验验证,观察移位寄存器的运行情况,并记录实验结果。
4. 实验结果与分析本实验设计了一个4位串行移位寄存器电路,并进行了验证实验。
首先,按照原理部分的描述,我们选择了一个基于D触发器的4位串行移位寄存器芯片。
通过连接四个D触发器,将其串联起来,即可构成一个4位的串行移位寄存器。
实验六 移位寄存器及其应用一、实验目的1、 掌握移位寄存器功能的测试方法2、 掌握4位双向移位寄存器的逻辑功能 二、实验仪器及设备1、 EEL-II 型电工电子实验台2、 集成器件74LS194 三、实验内容1、 在数字实验箱中插入74LS194,按图6.1接线V CC S 1S 0D SR A D SL B C D GNDQ A Q B Q C Q DCRCP逻辑电平显示器数 据 开 关+5v复位按钮SB单次脉冲74LS194图6.1 74LS194管脚排列图和逻辑功能测试图2、 接线完毕,检查无误后,进行基本功能测试 复位:CR =0,电路复位,Q A Q B Q C Q D =0000 保持:CR 非=1,S 1=S 0=0,Q A ~Q D 状态不变使CR =1,S 1、S 0(工作状态控制端)任意,CP=0或CP=1,则Q A ~Q D 状态也不变表6.1 74LS194双向4位移位寄存器功能表并行置数:置CR=1,S1=S0=10,数据输入端DCBA置为0101,输入单次脉冲,则Q D Q C Q B Q A=0101,如果改变DCBA数据,再按单次脉冲,新数据将置入。
右移位:置CR=1,S1=0,S0=1,D SR=1,D SL=*,输入单次脉冲,则Q A=1,Q B=Q An,Q C=Q Bn,Q D=Q Cn左移位:置CR=1,S1=1,S0=0,D SR=*,D SL=1,输入单次脉冲,则Q D=1,Q C=Q Dn,Q B=Q Cn,Q A=Q Bn3、循环右移应用如将上图中的D SR端接到Q D端,并将寄存器Q D~Q A置为1000,且满足右移条件,在寄存器会右移一个“1”,每4个时钟脉冲完成一次循环。
4、用74LS194组成8位移位寄存器原理如图6.2所示。
逻辑状态显示器图6.2 用74LS194组成8位移位寄存器原理图四、实验报告整理各项测试结果。
实验报告
一、实验名称:移存器功能测试
二、实验内容:
1、利用两块74HC(LS)74(四个触发器)构成一个单向的
移位寄存器
由于在MULTISIM中未找到双D触发器,如图1为用两
个D触发器代替双D触发器,连线大致相同。
图1
2、测试74HC(LS)194的功能
S S=00保持
(1)
10
图2 S S=01右移
(2)
10
图3
S S=10左移
(3)
10
图4
S S=11并行送数
(4)
10
图5
3、用两片74HC(LS)194做出模16的扭环计数器
利用两片74HC (LS )194级联,将第一片74HC (LS )194的Q 3输出端接到第二片74HC (LS )194的D 0,再按31SR D Q 将第二片Q 3输出端和高电平+5V 共同输入与非门74LS00,把与非门的输出接到第一片的SR D ,连接电路如图
6。
图6
三、注意事项
1、集成电路要轻插轻拔。
四、收获
1、 实际操作中,74LS74双列直插式元件每列为8个引脚,
和实验指导书中不同,应使每列的第8个引脚闲置;
2、 实验接线时,可采用按功能分块连线,比如先接输入、
输出端,再接控制端,最后接地和电源,既提高准确率又提高效率;
3、做实验之前应检查实验装置是否完好,我们试验中就遇
到一个LED不亮的情况,最后影响实验现象观察;
4、通过实验对 74LS194移存器的原理有了更进一步的了
解,对第三个实验部分电路稍作调整用可实现模为其他数的扭环计数器。
实验六移位寄存器一:实验目的1. 掌握移位寄存器的工作原理,逻辑功能2. 掌握集成移位寄存器74LS194的逻辑功能及应用二:实验器材74LS00 74LS74 74LS194 CD4008B三:实验原理寄存器用于寄存一组二值代码,它被广泛应用于各类数字系统和计算机中,一个触发器能储存1位二值代码,N个触发器组成的寄存器能储存N位二值代码。
移位寄存器除了具有存储代码功能以外,还具有移位功能。
所谓移位功能,是指寄存器里存储的代码能在移位脉冲的作用下依次左移或右移。
因此,移位寄存器不但可以用来寄存代码,还可以用来实现数据的串行---并行转换,数值的运算和处理。
四.实验内容(一)验证74LS194的逻辑功能,按功能表进行。
结论:74LS194的逻辑功能与实验结果相一致并且与逻辑功能表相符合.二)如图6.3所示,两个二制数A,B,分别存入74LS194(A),74LS194(B),现在要对它们进行按位相加,其和放入74LS194(A)中。
试采用全加器CD4008B和D触发器74LS74组成能实现上述要求的电路,输出用二极管指示。
有图知,满足其特性。
分析以上记录的真值表可知在预设的A为 1010,B为1001情况下,芯片U1用来对A进行移位处理、存放和显示输出结果,U2用来对B进行移位,U3为全加器,本题中设置为一位全加器,故其进位应为S2,全加器将本位的输出和用来控制A右移移位进去的数字,并用D锁存器来存储A、B全加所得和向高位的进位,并将进位结果参与下一次全加运算。
分析真值表可知,每来一个脉冲,A、B实现一次移位,全加器进行一次全加,锁存器存入所得进位数。
四个脉冲到来之后,输出结果即为A、B全加二进制结果,由表中数据得出A+B=10011,符合实验结果;之后由于B已经移出去了,实现的是A 中数与0000的全加的循环移位。
(三)设计二进制转换成十进制的数码转换电路,使上述电路在相加后可以完成用数码管显示相加结果。
↑武汉职业技术学院电信学院数字电子技术实验报告实训科目: 数字电子技术实验(五)实训名称: 移位寄存器及其应用实训专业:实训者、序号:实训时间: 2011-2012年第一学期实训指导教师: 黄老师武汉职业技术学院实验(训)项目单(Training item)编制部门:电子信息工程学院编制人:日期:项目编号五项目名称移位寄存器及其应用训练对象电信工程学院电子类学生学时 3 课程名称数字电子技术实验教材(1)数字电子技术、(2)电子技能实训训练目的(1)掌握移位寄存器74LS194的功能特性(2)学会测量并检测74LS194的功能状态(3)阅读该器件的功能表,能掌握用该器件实现其他逻辑功能1.实训设备和器件(1)实训设备:数字电路学习机1台、导线若干(2)实训器件:移位寄存器74LS194 1片(3)图片:2.实训电路图A:74Ls194功能的测试:3.内容及实训步骤: (1):检查实验器件的好坏(包括数字电路学习机、导线)。
(2):将74LS194以正确的方式插入到数字电路学习机的正确位置。
(3):对照74LS 的引脚图将集成块的16脚(Vcc )接电源正极、8脚(GND )接地。
将11脚(CP ) 10脚、9脚(M1、M0)、2脚、7脚(Dsr 、Dsl )以及3、4、5、6(D0----D3)连接到开关上, 用于输入高低电平,将1脚(CR 非)连接到脉冲信号上。
最后将15、14、13、12即输出端连接 到二极管上。
(4):参照功能表,依次验证74LS194的各种功能,填入表格。
4.训总结与分析CR 非 M1 M0 CP Dsr DslD0 D1 D2 D3 Q 0n+1 Q 1n+1 Q2n+1 Q3n+1 功能 0 X X X X X X X X X 0 0 0 0 清0 1 X X 1(0)X X X X X X Q0n Q1n Q2n Q3n 保持1 0 0 X X X X X X X Q0n Q1n Q2n Q3n 1 0 1 ↑ 1 00 0 0 01 0 0 0右移 进d1 0 1 ↑ 0 1 1 0 0 0 0 1 0 0 10 1↑ 1 1 0 0 0 0 1 0 0 0 1 0 1 ↑ 0 0 1 0 0 0 0 1 0 0 1 0 1 ↑ d X X X X X d Q0n Q1n Q2n1 1 0 ↑ 0 1 0 0 0 0 0 0 0 1 左移 进d 1 1 0 ↑ 0 0 1 1 1 1 1 1 1 0 1 1 0 ↑ 1 1 0 0 0 0 0 0 0 1 1 1 0 ↑ 1 0 1 1 1 1 1 1 1 0 1 1 0 ↑ X d X X X X Q1n Q2n Q3n d 1 1 1 ↑ X X 0 0 0 0 0 0 0 0 置数1 1 1 ↑ X X 0 0 0 1 0 0 0 1 1 1 1 ↑ X X 1 0 0 0 1 0 0 0 1 1 1 ↑ X X 1 1 1 11 1 1 111 1↑X Xd0 d1 d2 d3 d0 d1 d2 d3(上表中X 代表任意电平,1代表高电平,0代表低电平)分析:4位双向移位寄存器74LS194具有并行置入、保持、左移、右移和异步清零的功能。
实验报告课程名称:数字电路实验第 6 次实验实验名称:移位寄存器的应用实验时间: 2012 年 5 月 7 日实验地点:组号学号:姓名:指导教师:评定成绩:实验六移位寄存器应用一、实验目的:1.了解寄存器的基本结构。
2.掌握74LS194移位寄存器的逻辑功能。
3.学习中规模移位寄存器的应用。
二、实验仪器:三、实验原理:数据的存储和移动是数字信号的一种常见运作,能实现这种动作的是数据寄存器和移位寄存器,它们同计数器一样也是数字电路中不可缺少的基本逻辑器件。
数据寄存器有两类结构,一类是由多个钟控D锁存器组成的,另一类是由多个钟控D触发器组成的。
数据寄存器的数据的输入和输出都是并行的。
移位寄存器的结构也是由多个触发器级联的,其数据不仅可以存储,还可以左移或右移。
移位寄存器的数据的输入和输出都有串行和并行之分,数据的动作受公共时钟信号的控制,也就是同步工作的。
4位双向移位寄存器74LS194A为TTL双极型数字集成逻辑电路,外形为双列直插,它具有清除、左移、右移、并行送数和保持等多种功能,是一种功能比较全的中规模移位寄存器,图6-1是引脚排列图,逻辑符号如图6-2所示,74LS194A的功能表见表6-1。
功能M1 M0 CP R D D R d1 d2 d3 d4 D L Q1n+1 Q2n+1 Q3n+1 Q4n+1清零― ― ― 0― ― ― ― ― ― 0 0 0 0预置 1 1 ↑ 1― d1 d2 d3 d4 ― d1 d2 d3 d4右移0 1 ↑ 1d R― ― ― ― ― d R d1 d2 d3左移 1 0 ↑ 1― ― ― ― ― d L d2 d3 d4 d L保持0 0 ― 1― ― ― ― ― ― Q1n Q2n Q3n Q4n移位寄存器的最直接应用是数据的串/并转换,图6-3和图6-4就是简单的实例。
在图6-3中M1M0=01,表示数据可以右移,首先清零端输入一个负脉冲,使Q1Q2Q3Q4=0,在单脉冲CP的作用下,右移输入端D R依次串入数据,4个CP后就可在4个输出端Q1Q2Q3Q4得到并行数据。
移位寄存器实验心得(精品5篇)移位寄存器实验心得篇1以下是一篇移位寄存器实验心得:移位寄存器实验心得移位寄存器是数字电路中的一个基本组件,它可以在一个有限位的寄存器中存储数据,并可以通过移位操作将数据向左或向右移动。
在本次实验中,我们通过使用移位寄存器来实现一个简单的计数器,并通过对移位寄存器的操作来实现其他功能。
在实验中,我们首先使用了一个4位二进制移位寄存器来实现计数器。
我们通过输入不同的数值,并使用移位操作来控制计数器的计数方式。
通过观察实验结果,我们发现计数器的计数方式与我们所输入的数值和移位操作有关。
接着,我们使用移位寄存器来实现了一个简单的LED显示电路。
我们将移位寄存器中的数据通过一个数码管显示出来,从而实现了LED显示的功能。
在这个实验中,我们学习了如何将数字转换成二进制码,并将其存储在移位寄存器中,然后通过数码管将数据显示出来。
最后,我们使用移位寄存器来实现了一个简单的电子琴电路。
我们将移位寄存器中的数据通过一个电子琴模拟出来,从而实现了电子琴的功能。
在这个实验中,我们学习了如何将数字转换成二进制码,并将其存储在移位寄存器中,然后通过电子琴将数据模拟出来。
通过这次实验,我们不仅学习了移位寄存器的基本原理和操作方法,还加深了对数字电路的理解和认识。
同时,我们也学会了如何将理论知识与实际操作相结合,提高了我们的动手能力和解决问题的能力。
移位寄存器实验心得篇2在进行移位寄存器实验的过程中,我不仅对移位寄存器有了更深入的理解,还掌握了一些实际操作技巧。
以下是我对这次实验的心得体会。
首先,实验开始前,我对于移位寄存器的工作原理感到困惑。
但是在实验过程中,我逐渐明晰了其工作机制。
移位寄存器是一种具有存储功能的电子元件,可以将数据从高位移至低位或低位移至高位,从而实现数据的传递和存储。
这一过程让我对电子元件的工作原理有了更深入的了解。
在实验过程中,我遇到了一些问题,例如在编程时出现了错误。
但是,通过查阅相关资料和反复试验,我逐渐找到了解决问题的方法。
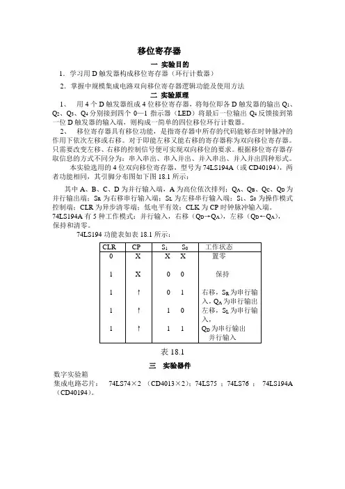
移位寄存器一实验目的1.学习用D触发器构成移位寄存器(环行计数器)2.掌握中规模集成电路双向移位寄存器逻辑功能及使用方法二实验原理1、用4个D触发器组成4位移位寄存器,将每位即各D触发器的输出Q1、Q2、Q3、Q4分别接到四个0—1指示器(LED)将最后一位输出Q4反馈接到第一位D触发器的输入端,则构成一简单的四位移位环行计数器。
2、移位寄存器具有移位功能,是指寄存器中所存的代码能够在时钟脉冲的作用下依次左移或右移。
对于即能左移又能右移的寄存器称为双向移位寄存器。
只需要改变左移、右移的控制信号便可实现双向移位的要求。
根据移位寄存器存取信息的方式不同分为:串入串出、串入并出、并入串出、并入并出四种形式。
本实验选用的4位双向移位寄存器,型号为74LS194A(或CD40194),两者功能相同,其引脚分布图如下图18.1所示:其中A、B、C、D为并行输入端,A为高位依次排列;Q A、Q B、Q C、Q D为并行输出端;S R为右移串行输入端;S L为左移串行输入端;S1、S0为操作模式控制端;CLR为异步清零端;低电平有效;CLK为CP时钟脉冲输入端。
74LS194A有5种工作模式:并行输入,右移(Q D→Q A),左移(Q D←Q A),保持和清零。
74LS194功能表如表18.1所示:CLR CP S1S0工作状态0 1 1 1 1 XX↑↑↑X X000 1101 1置零保持右移,S R为串行输入,Q A为串行输出左移,S L为串行输入,Q D为串行输出并行输入表18.1三实验器件数字实验箱集成电路芯片:74LS74×2 (CD4013×2);74LS75 ;74LS76 ;74LS194A (CD40194)。
图18.1四实验内容1.用74LS74组成移位寄存器,使第一个输出端点亮LED并使其右移循环。
顺序是FF1、FF2、FF3、FF4。
A) 1. 用两个74LS74按图18.2连接:图18.21. CP时钟输入先不接到电路中(单步脉冲源或连续脉冲源);1.连接线路完毕,检查无误后加+5V电源;2.观察4个输出端的LED应该是不亮的,如果有亮的话,应按清零端的逻辑开关,(给出一个低电平信号清零后,再将开关置于高电平)即将4个D触发器输出端的LED清零。
实验六 移位寄存器功能测试及应用--实验报告要求一. 实验目的(0.5分)1. 熟悉寄存器、移位寄存器的电路结构和工作原理。
2. 掌握中规模4位双向移位寄存器逻辑功能及使用方法。
3. 熟悉移位寄存器的应用。
二. 实验电路D0、D1 、D2 、D3为并行输入端;Q0、Q1、Q2、Q3为并行输出端;SR 为右移串行输入端,SL 为左移串行输入端;S1、S0 为操作模式控制端;R C 为直接无条件清零端;CP 为时钟脉冲输入端。
三图2 CC40194/74LS194逻辑功能测试图1 CC40194/74LS194的逻辑符号及引脚功能图3 环形计数器四. 实验原理(0.5分)1.移位寄存器是一个具有移位功能的寄存器,是指寄存器中所存的代码能够在移位脉冲的作用下依次左移或右移。
既能左移又能右移的称为双向移位寄存器,只需要改变左、右移的控制信号便可实现双向移位要求。
根据移位寄存器存取信息的方式不同分为:串入串出、串入并出、并入串出、并入并出四种形式。
本实验选用的4位双向通用移位寄存器,型号为CC40194或74LS194,两者功能相同,可互换使用。
74LS194有5种不同操作模式:即并行送数寄存,右移(方向由Q0-->Q3),左移(方向由Q3→Q0),保持及清零。
2.移位寄存器应用很广,可构成移位寄存器型计数器:顺序脉冲发生器;串行累加器;可用数据转换,即把串行数据转换为并行数据,或把并行数据转换为串行数据等。
本实验研究移位寄存器用作环形计数器和数据的串、并行转换。
(1)环行计数器把移位寄存器的输出反馈到它的串行输入端,就可以进行循环移位。
(2)实现数据、并行转换器a)串行∕并行转换器串行∕并行转换器是指串行输入的数码,经转换电路之后变换成并行输出。
b)并行∕串行转换器并行∕串行转换器是指并行输入的数码经转换电路之后,换成串行输出。
五. 实验内容与步骤(共1分)1.测试74LS194的逻辑功能(0.5分)(1)在实验箱上选取一个16P插座,按定位标记插好74LS194集成块。
电学实验报告模板实验原理移位寄存器是逻辑电路中的一种重要逻辑部件,它能存储数据,还可以用来实现数据的串行-并行转换、数据的运算和处理。
1.寄存器(1)D触发器图1 D触发器图1所示D触发器。
每来一个CLK脉冲,触发器都在该CLK脉冲的上升沿时刻,接收输入数据D,使之作为触发器的新状态。
D触发器的特性方程为(2)用D触发器构成并行寄存器图2 用D触发器构成并行寄存器图2所示为用D触发器构成四位并行寄存器。
为异步清零控制端,高电平有效。
当时,各触发器输出端Q的状态,取决于CLK上升沿时刻的D端状态。
2.移位寄存器(1)用D触发器构成移位寄存器图3 用D触发器构成4位串行移位寄存器图3所示为用D触发器构成的4位串行移位寄存器。
其中左边第一个触发器的输入端接收输入数据,其余的每一个触发器的输入端均与左边相邻的触发器的Q端连接。
当时钟信号CLK的上升沿时刻,各触发器同时接收输入数据。
四位寄存器的所存数据右移一位。
(2)双向移位寄存器74LS194图4 双向移位寄存器74LS194逻辑框图图4 所示为集成电路芯片双向移位寄存器74LS194逻辑框图。
为便于扩展逻辑功能,在基本移位寄存器的基础上增加了左右移控制、并行输入、保持和异步清零等功能。
74LS194的逻辑功能如表1所列。
表13.用移位寄存器构成计数器(1)环形计数器图5 环形计数器如果将移位寄存器的串行移位输出端接回到串行移位输入端,如图5所示。
那么,在时钟CLK的作用下,寄存器里的数据将不断循环右移。
例如,电路的初始状态为,则电路的状态转换图如图6所示。
可以认为,这是一个模4计数器。
图6 环形计数器状态转换图实验内容及步骤1. 用两片74LS74构成四位移位寄存器(1)74LS74引脚图图10 74LS74引脚图(2)用74LS74构成四位移位寄存器图11 用74LS74构成四位移位寄存器实验电路按照图11连接电路。
首先设置,使寄存器清零。
然后,设置,在CLK输入端输入单次脉冲信号当作时钟信号,通过输出端的发光二极管观察的状态,判断移位的效果。
实验6移位寄存器的应用设计移位寄存器是一种特殊的寄存器,可以在逻辑电路中用于完成各种功能。
它具有较低的建造成本和较高的可靠性,因此在数字系统中被广泛应用。
本文将介绍移位寄存器的基本原理和应用设计。
移位寄存器是一种能够向左或向右移位的寄存器。
根据移位方向的不同,可以分为左移寄存器和右移寄存器。
移位寄存器有一个数据输入端和一个数据输出端,还有一个时钟输入端。
在每个时钟脉冲到来时,输入端的数据会向寄存器的下一个位置移动,并从输出端输出。
移位寄存器有多种应用,在数字系统中的应用非常广泛。
以下是一些常见的应用设计。
1.数据存储器:移位寄存器可以用作数据存储器,在数字系统中存储各种类型的数据。
通过将数据输入到移位寄存器的数据输入端,并在需要时读取输出端的数据,可以实现数据的存储和读取操作。
2.并行-串行数据转换器:移位寄存器可以将并行输入数据转换为串行输出数据。
通过将并行数据输入到移位寄存器的不同位置,并按顺序读取输出端的数据,可以将并行数据转换为串行数据。
3.串行-并行数据转换器:移位寄存器还可以将串行输入数据转换为并行输出数据。
通过连续输入串行数据,并在每个时钟脉冲到来时从输出端读取数据,可以将串行数据转换为并行数据。
4.移位寄存器作为计数器:移位寄存器可以用作计数器,在数字系统中实现各种计数操作。
通过将初始值输入到移位寄存器的数据输入端,并在每个时钟脉冲到来时将寄存器的内容向左或向右移位,可以实现计数操作。
5.并行数据压缩器:移位寄存器可以用于压缩大量的并行数据。
通过将并行数据输入到移位寄存器,并在每个时钟脉冲到来时从输出端读取一部分数据,可以将大量的并行数据压缩为较少的串行数据。
移位寄存器的应用不仅限于上述几种设计,还可以根据具体需求进行更复杂的应用设计。
移位寄存器的灵活性和可编程性为数字系统的设计提供了很大的便利。
总之,移位寄存器是一种重要且应用广泛的数字电路元件。
它可以用于实现数据存储、数据转换、计数和压缩等功能。
移位寄存器实验报告篇一:移位寄存器实验报告移位寄存器实验报告(一)实验原理移位寄存器是用来寄存二进制数字信息并且能进行信息移位的时序逻辑电路。
根据移位寄存器存取信息的方式可分为串入串出、串入并出、并入串出、并入并出4种形式。
74194是一种典型的中规模集成移位寄存器,由4个RS触发器和一些门电路构成的4位双向移位寄存器。
该移位寄存器有左移,右移、并行输入数据,保持及异步清零等5种功能。
有如下功能表(三)实验内容1. 按如下电路图连接电路十个输入端,四个输出端,主体为74194. 2. 波形图参数设置:End time:2usGrid size:100ns 波形说明:clk:时钟信号;clrn:置0 s1s0:模式控制端 sl_r:串行输入端 abcd:并行输入 qabcd:并行输出结论:clrn优先级最高,且低有效高无效;s1s0模式控制,01右移,10左移,00保持,11置数重载;sl_r控制左移之后空位补0或补1。
3. 数码管显示移位(1)电路图(2)下载验证管脚分配:a,b,c,d:86,87,88,89 bsg[3..0]:99,100,101,102 clk:122 clk0:125 clrn:95 q[6..0]:51,49,48,47,46,44,43 s0,s1:73,72 sl_r:82,83 结论:下载结果与仿真结果一致,下载正确。
一、实验日志1.移位寄存器的实验真的挺纠结的,本来想用7449的,但是下载结果出现了错误,想到它在这个电路图中的功能比较单一,就自己写了一个my7449,终于对了。
五、思考题(1)简单说明移位寄存器的概念及应用情况?概念:移位寄存器是用来寄存二进制数字信息且能进行信息移动的时序逻辑电路。
根据移位寄存器存取信息的方式不同可以分为串入串出,串入并出,并入串出,并入并处4种形式。
应用:移位寄存器可以构成计数器,顺序脉冲发生器,串行累加器,串并转换,并串转换等。
实验六移位寄存器
一、实验目的
1、掌握中规模4位双向移位寄存器逻辑功能及使用方法。
2、熟悉移位寄存器的应用—实现数据的串行、并行转换和构成环形计数器。
二、实验原理
1、移位寄存器是一个具有移位功能的寄存器,是指寄存器中所存的代码能够在移位脉冲的作用下依次左移或右移。
既能左移又能右移的称为双向移位寄存器,只需要改变左、右移的控制信号便可实现双向移位要求。
根据移位寄存器存取信息的方式不同分为:串入串出、串入并出、并入串出、并入并出四种形式。
本实验选用的4位双向通用移位寄存器,型号为CC40194或74LS194,两者功能相同,可互换使用,其逻辑符号及引脚排列如图9—1所示。
图9—1 CC40194的逻辑符号及引脚功能
其中D0、D1、D2、D3为并行输入端; Q0、Q1、Q2、Q3为并行输出端;SR为右移串行输入端,SL为左移串行输入端;S1、S0为操作模式控制端;C R为直接
无条件清零端;CP为时钟脉冲输入端。
CC40194有5种不同操作模式:即并行送数寄存,右移(方向由Q0~Q3),左移(方向由Q3~Q0),保持及清零。
S1、S0和C R端的控制作用如表9—l。
表9—l
2、移位寄存器应用很广,可构成移位寄存器型计数器;顺序脉冲发生器;串行累加器;可用作数据转换,即把串行数据转换为并行数据,或把并行数据转换为串行数据等。
本实验研究移位寄存器用作环形计数器和数据的串、并行转换。
(1)环形计数器
把移位寄存器的输出反馈到它的串行输入端,就可以进行循环移位,如图9—2所示,把输出端Q3和右移串行输入端S R相连接,设初始状态Q0Q1Q2Q3=1000,则在时钟脉冲作用下Q0Q1Q2Q3将依次变为0100→0010→0001→1000→……,如表9—2所示,可见它是一个具有四个有效状态的计数器,这种类型的计数器通常称为环形计数器。
图9—2电路可以由各个输出端输出在时间上有先后顺序的脉冲。
因此也可作为顺序脉冲发生器。
图9—2环形计数器表9—2
如果将输出作与左移串行输入临,相连接,即可达左移循环移位。
(2)实现数据串、并行转换
①串行/并行转换器
串行/并行转换是指串行输入的数码,经转换电路之后变换成并行输出。
图9—3是用二片CC40194(74LS194)四位双向移位寄存器组成的七位申/并行数据转换电路。
图9—3 七位串行/并行转换器
电路中S0端接高电平1,S1受Q7控制,二片寄存器连接成串行输入右移工作模式。
Q7是转换结束标志。
当Q7=1时,S1为0,使之成为S1S0=01的串入右移工作方式,当Q7=0时,S1=1, S1S0=10则串行送数结束,标志着串行输入的数据已转换成并行输出了。
’
串行/并行转换的具体过程如下:
转换前,C R端加低电平,使1、2两片寄存器的内容清0,此时S1 S0=11,
寄存器执行并行输入工作方式。
当第一个CP脉冲到来后,寄存器的输出状态Q0~Q7为01111111,与此同时S1S0变为01,转换电路变为执行串入右移工作方式,串行输入数据由1片的S R端加入、随着CP脉冲的依次加入,输出状态的变化可列成下表9-3所示、
表9-3
由表9一3可见,右移操作七次之后,Q7变为0,S1S0又变为11。
说明串行输入结束。
这时,串行输入的数码已经转换成了并行输出了。
当再来一个CP脉冲时,电路又重新执行一次并行输入,为第二组串行数码转换作好了准备。
②并行/串行转换器
并行/串行转换器是指并行输入的数码经转换电路之后,换成串行输出。
图9—4是用两片CC40194(74LS194)组成的七位并行/串行转换电路,它比图9-3多了两只与非门G1和G2,电路工作方式同样为右移。
图9—4 七位并行/串行转换器
寄存器清“0”后,加一个转换起动信号(负脉冲或低电平)。
此时,由于方式控制S1S0为11,转换电路执行并行输人操作。
当第一个CP脉冲到来后,Q0Q1Q2Q3Q4Q5Q6Q7的状态为D0D1D2D3 D4D5D6D7,并行输入数码存入寄存器。
从而使得G1输出为1,G2输出为0,结果S1 S2变为01,转换电路随着CP脉
冲的加入,开始执行右移串行输出,随着CP脉冲的依次加入,输出状态依次右移,待右移操作七次后,Q0~Q6的状态都为高电平1,与非门G1输出为低电平,G2门输出为高电平,S1 S2又变为11,表示并/串行转换结束。
且为第二次并行输入创造了条件。
转换过程如表10—4所示。
表9—4
中规模集成移位寄存器,其位数往往以4位居多,当需要的位数多于4位时,可把几片移位寄存器用级连的方法来扩展位数。
三、实验设备及器件
l、十5V直流电源、2、单次脉冲源
3、逻辑电平开关
4、逻辑电平显示器
5、CC40194 ×2(74LS194)CC401 l(74LS00)CC4068{74LS30}
四、实验内容
l、测试CC40194(或74LS194)的逻辑功能按图9—5接线,C R、S1、S0、S L、S R、D0、D1、D2、D3分别接至逻辑开关的输出插口。
Q0、Q1、Q2、Q 3接至逻辑电平显示输入插口。
CP端接单次脉冲源,。
按表9—5所规定的输入状态,逐项进行测试。
图9—5 CC40194逻辑功能测试
(1)清除:令C R=0,其它输入均为任意态,这时寄存器输出Q0、Q1、Q2、
Q 3应均为0。
清除后,置C R=l。
(2)送数:令C R=S1=S0=l,送入任意4位二进制数,如D0D1D2D3=abcd,
加CP脉冲,观察CP=0、CP由0→1、CP由1→0三种情况下寄存器输出状态的变化,观察寄存器输出状态变化是否发生在CP脉冲的上升沿。
(3) 右移:清零后,令C R=l,S1=1,S0=0,由右移输入端S L进入二进制数码如0100,由CP端连续加4个脉冲,观察输出情况,记录之。
(4)左移:先清零或予置,再令C R=l,S1=0,S0=1,由左移输入端S L送入二进制数码如1111,连续加四个脉冲,观察输出端情况,记录之。
(5)保持:寄存器予置任意4位二进制数码abcd,令C R=l,S1=S0=0,
加CP脉冲,观察寄存器输出状态,记录之。
2、环形计数器。
自拟实验线路用并行送数法予置寄存器为某二进制数码(如0 100),然后进行右移循环,观察寄存器输出端状态的变化,记入表9—6中。
表9—5
表9—6
3、实现数据的串、并行转换
(1)串行输入、并行输出
按图9—3接线,进行右移串入、并出实验,串入数码自定:改接线路用左移方式实现并行输出。
自拟表格,记录之。
(2)并行输入、串行输出
按图9—4接线,进行右移并入、串出实验,并入数码自定。
再改接线路用左移方式实现串行输出。
自拟表格,记录之。
五、实验预习要求
1、复习有关寄存器及串行、并行转换器有关内容。
2、查阅CC40194、CC4011及CC4068逻辑线路。
熟悉其逻辑功能及引脚
排列。
3、对CC40194进行送数后,若要使输出端改成另外的数码,是否一定要
使寄存器清零?
4、使寄存器清零,除采用C R输入低电平外,可否采用右移或左移的方法?
可否使用并行送数法?若可行,如何进何操作?
5、若进行循环左移,图9—4接线应如何改接?
6、画出时两片CC40194构成的七位左移串/并行转换器线路。
7、画出用两片CC40194构成的七位左移并/串行转换器线路。
六、实验报告
1、分析表9—4的实验结果,总结移位寄存器CC40194的逻辑功能并写入表格功能总结一栏中。
2、根据实验内容2的结果,画出4位环形计数器的状态转换图及波形图。
3、分析串/并、并/串转换器所得结果的正确性。