班组建设考核细则(最新版)
- 格式:docx
- 大小:229.03 KB
- 文档页数:8
2023年班组建设考核细则一、考核目的和原则班组建设是企业管理中的一个重要环节,对于提高生产效率、增强员工凝聚力和团队合作意识都起到至关重要的作用。
为了确保班组建设的顺利进行和质量的提升,制定本考核细则。
考核目的在于评估班组的运行情况,发现问题并提出改进意见,进一步提高班组的绩效和效率。
考核原则包括全面、公正、客观和量化等,以确保考核的科学性和可行性。
二、考核内容及权重分配1. 生产线的管理和运行(30%)班组应能确保生产线的正常运行,合理安排生产任务,准时完成生产计划,并确保生产线的稳定和高效运行。
同时,还要注重生产线上的质量管理,确保产品质量达到要求。
2. 班组内部的沟通与协作(20%)班组成员之间的沟通与协作是班组能力提升的重要保证,应注重加强团队协作意识和沟通能力的培养,提高班组成员之间的关系和合作水平。
3. 安全生产(20%)班组应加强安全生产意识和培训,严格遵守安全规章制度,建立健全的安全管理制度,确保生产过程中的安全和环境保护。
4. 班组绩效(15%)班组应能按时、按质完成工作任务,提高工作效率和产出质量,确保绩效目标的达成。
同时,还要注重班组的创新能力和技术提升。
5. 人员管理(15%)班组应对成员进行合理的人员安排和管理,包括培训、考评和激励。
要注重发挥每个成员的优势和潜能,提高员工的工作积极性和满意度。
三、考核指标和评分方法1. 生产线的管理和运行指标:生产计划完成情况、生产线稳定性、生产线能力提升评分方法:根据生产计划的完成情况评定绩效的得分,按时完成计划得分为满分,未按时完成计划扣分;根据生产线稳定性评定绩效的得分,稳定性高得分高,稳定性低扣分;根据生产线能力提升评定绩效的得分,提升明显得分高,提升不明显扣分。
2. 班组内部的沟通与协作指标:团队协作意识、沟通能力、问题解决能力评分方法:通过班组成员的问卷调查、上级评价和自评等方式,评定团队协作意识、沟通能力和问题解决能力的得分。
班组建设考核细则一、背景班组建设是企业管理的重要环节之一,它关系到班组的协作效率、生产质量、员工士气等多个方面。
因此,为了提升班组的整体素质和业绩表现,制定一套科学有效的班组建设考核细则势在必行。
本文将针对班组建设的考核内容、标准和方法进行详细阐述,以期达到目标和期望。
二、班组建设考核内容(一)协作能力1. 任务分配:班组成员之间能够合理有效地分配任务,确保工作的平衡和高效完成。
2. 沟通能力:班组成员之间能够良好地沟通,包括信息的传递、问题的解决等。
3. 团队精神:班组成员之间能够积极合作,相互支持,共同面对工作中的挑战和困难。
(二)绩效表现1. 生产效率:班组成员能够按时完成工作任务,保证生产效率的高效运转。
2. 质量控制:班组成员能够保证产品或服务的质量达到标准要求,杜绝不合格品。
3. 安全意识:班组成员能够认真遵守安全操作规程,确保工作环境的安全。
(三)职业道德1. 自律能力:班组成员能够自觉遵守企业的各项规章制度,形成良好的职业行为习惯。
2. 诚信守法:班组成员能够坚持诚实守信的原则,不从事违法乱纪的行为。
3. 职业形象:班组成员能够保持良好的职业形象,包括仪表仪容、着装规范等。
三、班组建设考核标准(一)协作能力考核标准1. 任务分配:任务分配是否合理、是否符合班组成员的能力和特长。
2. 沟通能力:沟通是否清晰、准确,沟通方式是否得体。
3. 团队精神:班组成员之间的合作程度、相互支持程度等。
(二)绩效表现考核标准1. 生产效率:工作任务的完成情况、完成时间是否符合预定目标。
2. 质量控制:产品或服务的质量是否合格,质量问题的发生和处理情况。
3. 安全意识:是否存在安全事故和隐患,安全规程的遵守程度。
(三)职业道德考核标准1. 自律能力:是否遵守企业的各项规章制度,是否存在违规违纪行为。
2. 诚信守法:是否存在违法乱纪行为,是否遵守职业道德规范。
3. 职业形象:仪表仪容是否整洁规范,是否符合企业的形象要求。
煤矿班组建设考核评分细则一、考核目的二、考核内容1.班组人员编制情况:考核班组的编制人数是否符合规定,班组成员的专业技术能力是否合格。
2.班组组织管理:考核班组的组织结构是否合理,工作任务的分工是否明确,班组成员之间的协作配合情况。
3.班组岗位责任:考核班组成员对各自岗位职责的认知和履行情况,是否做到尽职尽责。
4.班组安全生产管理:考核班组的安全生产管理措施是否到位,是否进行安全隐患排查和整改,是否做好相关的安全教育和培训。
5.班组安全生产责任制:考核班组对安全生产责任制的贯彻执行情况,是否做好了相关的记录和报告工作。
三、考核方法考核评分细则可根据煤矿的实际情况进行设计,以下为一个简单的评分细则示例:1.班组人员编制情况(满分20分)-班组编制人数符合规定(10分)-班组成员的专业技术能力合格(10分)2.班组组织管理(满分30分)-班组的组织结构合理(10分)-工作任务的分工明确(10分)-班组成员之间的协作配合情况(10分)3.班组岗位责任(满分30分)-班组成员对各自岗位职责的认知情况(10分)-班组成员对各自岗位职责的履行情况(10分)-班组成员的工作积极性和责任心(10分)4.班组安全生产管理(满分10分)-班组安全生产管理措施到位(5分)-班组进行安全隐患排查和整改(5分)5.班组安全生产责任制(满分10分)-班组对安全生产责任制的贯彻执行情况(5分)-班组做好相关的记录和报告工作(5分)五、考核结果处理根据考核评分的结果,可以按照评分等级进行相应的奖励和惩罚措施。
评分等级可以根据设定的分值范围来确定,例如:-优秀等级:满分90分以上-良好等级:80-89分-合格等级:70-79分-不合格等级:70分以下根据不同的等级,可以给予相应的奖励,如班组之星称号、奖金或者文明生产先进单位的奖项等;同时,也可以对不合格等级的班组进行督促改进,并加强管理措施,确保安全生产的顺利进行。
以上是一个简要的煤矿班组建设考核评分细则,具体的评分细则可以根据煤矿的实际情况进行调整和完善。
班组建设考核细则范本一、背景介绍班组是组织中的基本单位,对于一个企业的发展和运营至关重要。
为了提高班组的整体素质和绩效,我们制定了班组建设考核细则,旨在明确对班组的要求和考核标准,激发班组成员的工作激情和团队合作精神。
二、班组目标1. 目标明确:班组应明确自身的工作目标和任务,并制定具体的实施计划,确保目标的实现。
2. 绩效优秀:班组应在规定的时间内完成工作任务,并达到或超过预期的绩效指标。
3. 团队凝聚力:班组成员之间应保持良好的沟通和合作,形成紧密的工作团队。
三、考核要素1. 工作目标的完成情况班组的工作任务主要基于企业或部门的整体目标,班组应根据自身职责和能力制定具体的工作目标。
考核时将综合考虑班组的工作量、质量、效益和创新能力等因素。
2. 工作效率与执行力班组应高效组织和执行各项工作任务,确保工作按时、按质量完成。
考核时将综合考虑班组的工作计划落实情况、工作进度控制、问题解决能力和工作方法的创新等因素。
3. 团队合作与协作能力班组成员应积极与他人合作,相互协作,共同完成工作任务。
考核时将综合考虑班组成员之间的沟通能力、协作能力、互助精神和团队凝聚力等因素。
4. 技能和知识的提升班组成员应根据工作需要不断学习和提升自身的专业知识和技能,并将其运用到实际工作中。
考核时将综合考虑班组成员的学习态度、学习效果、专业技能和工作能力的提升情况等因素。
5. 工作安全与环境保护班组应关注工作安全和环境保护,积极采取相应的措施,确保工作过程中的安全和环保要求得到落实。
考核时将综合考虑班组对工作安全的重视程度、安全操作的规范性、环保措施的有效性和环境保护意识等因素。
四、考核评价方法1. 定期考核:班组建设考核将按照一定的周期进行,例如每月、每季度或每年进行一次考核评价。
考核评价的结果将作为班组绩效考核的重要依据。
2. 综合评价:对于每个考核要素,将采用定量和定性相结合的方式进行评价,综合考虑班组的整体表现。
班组建设考评细则及要求班组建设是组织中的重要环节,对提高工作效率和创造良好工作氛围起着重要作用。
为了有效评估班组建设的成效,制定一套科学合理的考评细则及要求是必要的。
下面将就此展开阐述。
一、班组建设考评细则1.组织能力:班组负责人是否具备较好的组织能力,能够有序安排工作任务,合理分配人员,确保生产按时完成。
2.沟通协调:班组成员之间是否形成良好的沟通协调机制,能够及时反馈工作情况和问题,解决困难和纠纷。
3.领导能力:班组负责人是否具备较强的领导能力,能够引导团队成员积极参与工作,发挥他们的专业优势,提高工作效率。
4.团队合作:班组成员是否能够相互协作,共同解决问题,共同完成任务,形成良好的团队合作氛围。
5.安全管理:班组在工作过程中是否严格按照安全操作规程进行,严格遵守安全操作规定,确保工作安全。
6.培训培养:班组负责人是否能够积极关注员工的培养和发展,制定相应的培训计划和措施,提高团队成员的职业素养和技能。
7.创新能力:班组成员是否敢于尝试新的方法和创新思维,积极提出改进意见,推动工作的创新发展。
8.问题解决:班组成员是否能够及时有效地解决工作中出现的问题,不推诿扯皮,积极寻找解决方案。
二、班组建设考评要求1.考评制度:建立相应的考评制度,明确考评的时间、程序和方法。
2.具体指标:明确各项考评指标的具体要求和权重,便于评价班组建设的各个方面。
3.定期考核:每个季度对班组建设进行考核,评估班组在过去季度的工作表现,发现问题并及时改进。
4.考评结果公开:对班组建设的考评结果进行公开,让全体员工了解和参与评价,形成良好竞争氛围。
5.激励机制:对考评结果突出的班组和成员进行相应激励,例如给予奖金、荣誉称号、晋升机会等。
6.支持和帮助:对考评结果不理想的班组和成员提供相应的支持和帮助,如培训、提供资源等,帮助他们改进班组建设水平。
7.持续改进:根据考评结果,及时改进考核指标和方法,保持班组建设考评的科学性和针对性。
安全环保班组建设考核细则安全环保是企业发展的重要基础和保障,对于安全环保班组的建设考核,应该注重细节,完善制度,使其能够有效地发挥作用。
以下是一份关于安全环保班组建设考核细则的范例,供参考:第一章总则第一条为了加强安全环保班组的建设和管理,促进企业的可持续发展,制定本细则。
第二条安全环保班组建设考核是以组织能力、技术水平、安全环保管理等为主要内容的考核体系。
第三条安全环保班组建设考核应该科学、公正、合理、全面。
第二章考核内容第四条安全环保班组建设考核内容包括但不限于以下几个方面:1. 现场安全管理:包括安全生产责任制、安全操作规程、安全隐患排查整改等能力和管理水平。
2. 应急管理能力:包括应急预案制定与演练、灭火器使用及维护、事故复原能力等。
3. 安全文化建设:包括员工安全教育培训、安全宣传教育活动、员工安全意识等。
4. 环境保护管理:包括工艺流程控制、废水处理、废气治理、废物管理等。
5. 安全设施设备管理:包括安全设备检修、安全设施完好率、设备保养等。
第三章考核方法第五条安全环保班组建设考核应该采取多种方法相结合的方式进行,包括但不限于:1. 实地考察:对安全环保班组的现场管理情况进行巡查,包括场地整洁、安全设施设备完好、操作规程执行情况等。
2. 文件审查:对安全环保班组的相关文件资料进行审查,包括安全管理制度、应急预案、岗位责任书等。
3. 面试问答:通过面试问答的方式考察安全环保班组成员的安全知识、操作技能等。
4. 绩效考核:根据工作完成情况、安全环保指标达标情况等进行绩效考核。
第四章考核标准和评分方法第六条安全环保班组建设考核应该制定相应的考核标准,并采用评分方法进行评估和排名。
第七条考核标准应该具体明确,分值合理划分,重点突出。
第八条评分方法可以采用综合评价法、加权积分法等方式进行。
第九条考核结果应该及时公布,并进行反馈和总结。
第五章奖惩措施第十条对于考核成绩优秀、达到或超过目标的安全环保班组,应该给予相应的奖励和表彰。
安全环保班组建设考核细则范文一、考核目的安全环保是企业发展的基石,班组是企业安全环保管理的基本单位。
为了推动班组建设,强化安全环保意识,确保班组安全环保工作的有效开展,制定本考核细则。
二、考核内容1. 安全管理(1)班组成立安全小组,明确分工,制定安全制度和操作规程;(2)建立安全隐患排查制度,做好隐患的整改和记录;(3)定期组织安全培训,提高员工的安全意识和操作技能;(4)及时报告和处置安全事故和事故隐患;(5)检查和维护班组的安全设施设备,确保其正常使用。
2. 环境保护(1)严格遵守环保法律法规,落实环保责任;(2)制定并执行班组的环保管理制度;(3)进行环境保护宣传教育,提高员工的环保意识;(4)定期检查和维护环保设施设备,确保其正常运行;(5)监测和记录班组的环保指标,确保达到规定要求。
3. 安全环保考核指标(1)安全事故率(包括班组安全事故和事故隐患的数量和处理情况);(2)安全培训参与率(包括班组员工参加安全培训的情况);(3)安全设施设备运行状态(包括设施设备的巡检和维护情况);(4)环境指标达标率(包括班组环保设施的检查和运行情况、环保指标的监测和记录);(5)环保宣传教育开展情况(包括班组内部的环保宣传教育活动)。
三、考核方法1. 定期检查由企业安全环保部门组织人员对班组进行定期检查,检查内容包括但不限于安全管理、环境保护、安全设施设备的运行等方面。
2. 抽查核实企业安全环保部门可以不定期进行抽查核实,核实内容包括但不限于安全事故和事故隐患的整改情况、安全培训记录、环保指标的监测记录等。
3. 考核评分根据班组在各项考核指标上的表现,可以给予综合评分,作为班组建设的依据。
四、考核结果1. 考核结果公示将考核结果及时公示,以便班组成员了解自己的不足之处,并采取相应措施进行改进。
2. 考核结果反馈企业安全环保部门将考核结果反馈给班组负责人,并与其共同制定改进计划,确保问题的解决和迅速改进。
班组建设考核细则一、引言班组是企业组织架构中的重要一环,它是实现企业目标和使命的基本单位。
为了提高班组综合素质和工作能力,保证班组成员的凝聚力和团队合作能力,本文制定了班组建设考核细则,旨在客观评估班组的绩效和发展状况,以便为进一步改善和提升班组建设提供依据和方向。
二、班组建设考核指标1. 领导力班组长作为班组的核心领导者,应具备良好的领导能力和管理技巧,能够有效地指导和激励班组成员,推动班组目标的实现。
2. 团队协作班组成员应能够密切合作,相互协调,共同完成任务。
团队成员之间的沟通和协作应顺畅有效,能够充分发挥团队的力量和优势。
3. 任务完成质量班组应按时高质量地完成任务,达到预期目标。
任务完成质量是衡量班组工作能力和综合素质的重要指标。
4. 问题解决能力班组应具备解决问题的能力,能够及时发现问题,并采取有效的措施解决问题。
班组成员应具备分析问题、提出解决方案的能力。
5. 知识技能班组成员应具备必要的知识和技能,能够胜任所负责的工作岗位。
不断学习和提升自己的知识技能是班组成员的责任。
6. 班组文化建设班组应形成积极向上的文化氛围,营造和谐友好的工作氛围。
班组成员之间应互相尊重、支持和理解,共同努力为班组的发展做出贡献。
三、班组建设考核方法1. 个别面谈评估定期进行个别面谈,由上级领导与班组成员进行沟通和交流,了解班组成员的工作情况和问题,并对其进行评估。
评估内容应包括班组成员的工作态度、工作能力、团队合作等方面。
2. 班组成员互评班组成员之间进行互评,通过填写评估表对彼此进行评价。
评估表内容应包括合作态度、工作能力、对班组建设的贡献等方面。
互评结果应进行综合分析,为班组建设提供参考和改进的方向。
3. 绩效考核根据班组成员的任务完成情况和工作绩效,进行绩效考核。
考核内容应包括任务完成质量、工作态度、问题解决能力等方面。
绩效考核结果作为评估班组综合素质的重要依据。
四、班组建设考核结果的应用1. 绩效奖励根据班组建设考核结果,进行绩效奖励的分配。
班组建设考评细则一、目标和动力(总分:30分)1.班组目标:班组成员能够清晰掌握班组的目标和任务,并且在工作过程中能够对自身的工作进行有效的规划和协调。
(评分标准:10分)2.动力激励:班组成员之间能够有良好的沟通和合作氛围,激励队员积极主动地提出建议和解决问题。
(评分标准:10分)3.绩效评估:对班组成员的工作绩效进行定期考核,激励队员提高工作效率和质量。
(评分标准:10分)二、团队协作(总分:20分)1.沟通合作:班组成员之间有较高的沟通和合作能力,能够有效地解决工作中的问题和协调中的矛盾。
(评分标准:10分)2.信息共享:班组成员之间能够主动分享工作、经验和知识,提高团队整体的水平和效率。
(评分标准:10分)三、团队凝聚力(总分:20分)1.互信与支持:班组成员之间建立了良好的信任关系和支持体系,能够相互扶持,共同面对工作和困难。
(评分标准:10分)2.团队活动:班组定期开展团队活动,增强团队凝聚力,提升成员之间的归属感和认同感。
(评分标准:10分)四、创新能力(总分:20分)1.创新思维:班组成员能够有创新思维,勇于提出新的观点和解决问题的办法。
(评分标准:10分)2.创新实践:班组成员能够在工作实践中积极创新,提出并实施有效的改进措施和方法。
(评分标准:10分)五、责任担当(总分:10分)1.任务完成度:班组成员能够按时高质量完成任务,并且承担起个人职责。
(评分标准:10分)六、工作环境(总分:10分)1.安全环保:班组成员能够遵守安全生产规定,保证工作场所的环境和设备安全。
(评分标准:10分)以上是一份2024年班组建设考评细则,不同企业和组织可能会有所不同,具体细则可以根据实际情况进行调整和修改。
但总体来说,班组建设考评细则应该能够全面、准确地评估班组的绩效和工作情况,为班组建设提供有效的引导和改进意见。
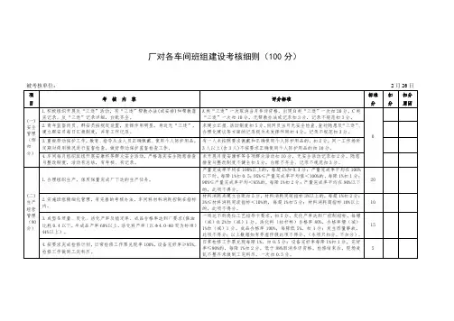
西来峰煤化工公司甲醇厂班组建设考核细则1
2
(一)各班组考核内容(60分)
3
(二)考核办法
4
1、每月对班组建设情况进行动态检查考评,每月进行评比奖励。
公司班5
组考核于每季度头一个月对上季度进行考核。
对各班组负责的班组建设内容考核占60分,采取按比例抽查一定数量的班组进行全面检查的形式进行,检查包6
7
括查资料与看现场相结合的形式进行。
8
2、经考核,低于40分(包括40分)为不合格班组,41-50分为合格班组,9
50-55为先进班组,55分以上为优秀班组。
10
3、考核中,对班组分步考核,同一扣分、加分因素不重复扣、加分。
11
4、考核中发现相同扣分因素反复出现的,可按评分标准累计扣分,扣分12
上限为所在大项分值。
13
5、考核中发现弄虚作假现象,一次扣5分。
6、考核中如遇特殊情况,由考核组现场平衡。
14
15。
2023年班组建设考核细则____年班组建设考核细则第一章总则为进一步加强班组建设,提高班组整体素质和工作效能,根据公司要求,结合实际情况,特制定本考核细则。
本细则适用于____年全年班组建设考核工作。
第二章考核指标1. 绩效考核指标(1)工作目标完成情况:评价班组在全年工作目标完成情况,包括产能、产量、质量、效益等方面的绩效表现。
(2)员工整体素质:评价班组员工的职业素养、业务能力、团队协作能力、学习进步等方面的表现。
(3)安全管理:评价班组在安全生产方面的表现,包括事故率、安全隐患整改等方面的指标。
(4)成本控制及资源利用情况:评价班组在成本控制和资源利用方面的表现,包括管理运营费用、原材料利用率等指标。
(5)环境保护:评价班组在环境保护方面的表现,包括废水、废气、固体废弃物排放等指标。
2. 考核标准和权重(1)工作目标完成情况:40%(2)员工整体素质:20%(3)安全管理:15%(4)成本控制及资源利用情况:15%(5)环境保护:10%第三章考核周期考核周期为一年,从____年1月1日至12月31日。
第四章考核流程1. 考核计划制定:每年1月份,由公司领导对全年班组建设考核工作进行计划制定,包括考核指标、标准和权重的确定。
2. 目标及计划制定:每个班组在考核计划下,结合实际情况,制定年度工作目标和计划。
3. 月度考核:每月评估班组在各项指标上的绩效表现,确定月度得分。
4. 季度考核:每个季度对班组的绩效进行全面评估,并根据季度得分,调整目标和计划。
同时,针对问题进行分析和解决。
5. 年度考核:在考核周期结束后,由公司领导对班组的全年工作进行综合评估,确定年度得分。
6. 考核结果公示和奖惩:根据年度得分,对班组进行排名,并公示在公司内部。
同时,对绩效突出的班组给予奖励,对绩效不佳的班组进行奖惩措施。
第五章考核奖励和惩处1. 考核奖励(1)年度绩效优秀奖:对年度绩效在公司内部排名前十的班组给予奖励,包括奖金、奖状等。
班组建设考核细则一、背景介绍随着企业管理的不断深化和发展,班组建设逐渐成为企业提高生产效率和经营管理水平的重要环节。
为了规范班组建设工作,提高班组成员的责任意识和合作精神,制定班组建设考核细则是非常必要的。
二、考核内容1.工作目标的完成情况:班组是否按时、高质量地完成所负责的工作任务。
2.工作效率的提升情况:班组是否通过学习提高工作技能,优化工作流程,提高工作效率。
3.团队协作的情况:班组成员之间是否能够互相支持、配合,形成良好的团队合作氛围。
4.班组凝聚力的增强情况:班组成员是否积极参与班组活动,增强集体荣誉感。
5.员工满意度的调查结果:通过调查问卷等方式了解班组成员对班组建设和班组长的评价。
三、考核方法1.定期评估:每季度进行一次班组建设考核,由班组长组织评估班组成员的工作表现和团队协作情况。
2.不定期考核:企业管理层可以随时对班组进行考核,如发现班组成员违反纪律、工作效率低下等问题。
3.员工满意度调查:每年至少进行一次员工满意度调查,以了解班组成员对班组建设的满意度。
四、考核标准1.工作目标的完成情况:根据工作任务的具体要求,评估班组完成工作目标的质量和效率。
工作目标的完成情况可以分为优秀、良好、一般和不合格四个等级。
2.工作效率的提升情况:评估班组成员通过学习、创新等方式提升工作效率的情况。
工作效率的提升情况可以分为快速提升、逐步提升、未提升三个等级。
3.团队协作的情况:根据班组成员之间的合作情况评估团队协作能力。
团队协作的情况可以分为团结协作、一般协作、不协作三个等级。
4.班组凝聚力的增强情况:评估班组成员是否能够积极参与班组活动,提高凝聚力。
班组凝聚力的增强情况可以分为高度凝聚、一般凝聚、无凝聚三个等级。
5.员工满意度的调查结果:根据员工满意度调查的具体结果评估班组建设情况。
五、奖惩措施1.优秀班组奖励:对于工作目标完成优秀、工作效率提升快速、团队协作团结协作、班组凝聚力高度凝聚、员工满意度调查结果满意的班组,给予相应的奖励,如奖金、奖状等。
班组建设考核细则(精选多篇)第一篇:班组建设考核细则关于转发鲁能大雁能源公司班组建设考核细则的通知公司所属各单位、机关各科办室:为进一步加强公司班组建设,强化安全基础管理工作,广泛推广“白国周班组管理法”,现将《鲁能大雁能源公司班组建设考核细则》转发给你们,请结合运销分公司班组建设细则,认真贯彻落实。
由工会、生产办、劳资科、安监科组成的联合检查小组,每季度对全公司班组建设工作进行一次检查验收评比公司,根据检查评比结果进行奖惩。
此通知附:1、鲁能大雁能源公司班组建设考核细则2、运销分公司班组建设奖惩办法运销分公司2014年4月30日运销分公司班组建设奖惩办法1、安全生产实行“一票否决”制,即班组出现一起人身伤害事故便取消全年评比资格,但不进行惩罚。
(只对本奖惩办法)。
2、检查评比总分90分以上的取前三名进行奖励,在当月效益工资中增加10%。
3、检查评比总分达不到90分的要进行惩罚;总分在90-80分的,扣当月效益工资10%;总分低于80分的,扣当月效益工资20%。
第二篇:班组建设考核评比细则一汽四环汽车内饰件公司班组考核细则注:总分:90分以上为优秀,70分以下为不合格三违:违章指挥、违章操作、违反劳动纪律出勤率=1-总请假天数/(班组人数×班组出勤天数)×100%第三篇:发电厂班组建设考核实施细则竹青背发电厂班组建设考核实施细则为不断提高班组员工的综合素质,从而全面提高企业的整体素质,根据事业部的指导办法特制定本细则。
采用总分100分评分方式进行评比,评分标准如下:一、交接班记录:(15分)1、内容a.b.c.d.e. 设备的运行、备用状态;设备运行的异常、缺陷情况;设备运行方式及设备检修的情况记录;开、停机及各类倒闸操作的发令人、发令时间;本班的工作内容,工作票、操作票的执行情况及己完成或未完工作交待;发生故障或事故的详细情况及故障或事故的处理情况记录;上级或有关部门的口头通知、交待。
班组建设考核细则(最新版)
Safety management is an important part of enterprise production management. The object is the state management and control of all people, objects and environments in production.
( 安全管理 )
单位:______________________
姓名:______________________
日期:______________________
编号:AQ-SN-0182
班组建设考核细则(最新版)
班组是企业的细胞,是企业各项工作的落脚点,班组工作是企业的基础工作,加强班组建设,对落实党的方针政策,搞好班组科学管理,增强企业活力,建设一支有理想、有道德、有文化、有纪律的职工队伍,保证企业各项生产任务的完成,推动企业升级,有十分重要的意义。
为了加强和规范班组建设与管理,建设适应新形势、新要求的班组,促进班组管理的科学化、规范化和精细化,夯实我公司基层班组安全生产管理基础,保证各项工作在班组中得到扎实有效开展,着力构建矿山安全生产长效机制,特制定本细则。
一、矿成立班组建设领导小组,领导小组成立综合考核组。
组长:
副组长:
成员:
二、考核评级办法
考核评定班组等级采用百分制,根据得分情况划分为以下四个等级:
考核评分在81-85分(含85分)为一星级班组;
考核评分在86-90分(含90分)为二星级班组;
考核评分在91-95分(含95分)为三星级班组;
考核评分在95分以上为明星级班组。
三、考核办法及要求
1、综合考核在班组建设领导小组的领导下开展工作,按安全、生产、机电、学习、综合五项内容考核,分项实行旬检与动态检查相结合的检查制度,月末一次性打出本月单项考核分,最后得出月考核分即定级分。
2、每月5日前由班组考核组组长负责召集考核组成员对各队进行全面的检查、验收、打分后将考核结果汇总,经分管领导审批。
月末在结算工作中奖罚兑现。
即每月的奖励与处罚均与班组成员工
资直接挂钩兑现。
3、在考核班组建设的同时对各队进行连带考核,即班组影响本队具体情况有:
1)不影响本队工资总额
凡本队全部班组考核分数在81分及以上,并按达标规划全部达标,且保持住已在星级。
2)影响本队工资总额
①班组建设未达到达标规划目标;
②达标但星级下滑班组超过本队班组总数30%时;
③出现81分以下班组。
遇有上述情况时,将根据得分情况扣减本队当月精神文明建设考核中班组建设所占2分的部分或全部分数。
4、各队必须高度重视班组建设工作,要相应成立班组建设考核小组,有专人负责班组建设的日常考核工作。
5、各单位要制定出全年班组建设规划,确定目标,充分发挥班组的基础作用,体现班组长责、权、利的统一,把班组建设考核结
果纳入班组长的业绩考核范围。
6、各队必须建立和完善如下管理制度:
(1)班前、班后会制度;(2)班组长随班工作制度;(3)安全质量标准化管理制度;(4)隐患排查治理制度;(5)班组和岗位安全评估制度;(6)事故报告和处理程序;(7)事故分析处理制度;(8)安全检查与奖罚制度;(9)班组学习培训制度;(10)岗位练兵、技能竞赛制度;(11)交接班制度;(12)现场安全文明生产制度;(13)安全举报制度;(14)员工安全权益维护制度;(15)安全绩效考核制度;(16)区队交接班、工程质量管理、师带徒及培训制度;(17)推行“手指口述”安全确认法制度;(18)安全管理合理化建议制度;(19)班组互保联保制度;(20)班组民主管理制度。
四、考核奖罚标准:
1、班组建设考核领导小组要对全矿所有班组的月末定级分进行审核审批,并且当月兑现奖罚。
每月比照达标规划进行考核奖罚。
奖罚标准如下:
①综采各队、掘进各队、抽放队奖罚标准:
明星级:考核分在95分以上,无轻伤及以上事故,工作进度创水平,工程质量达优良,班组无“三违”,奖励3000元;保持明星级班组每月奖励2000元;下滑到三星级班组不奖不罚;下滑到二星级罚款1000元。
下滑到一星级罚款1000元。
三星级:考核分在95分以上,不含95分,奖励2000元,保持三星级班组每月奖励1500元;下滑到二星级罚款1000元。
下滑到一星级罚款1000元。
二星级:考核分在90分以上,不含90分,奖励1000元,考核分在90-86分之间的不奖不罚,考核分在86分以下,不含86分,罚款1000元。
②机运队、机电队、装备队、通风队奖罚标准:
明星级:考核分在95分以上,无轻伤及以上事故,工程质量达优良,班组无“三违”,奖励2000元;保持明星级班组每月奖励1500元;下滑到三星级班组不奖不罚;下滑到二星级及以下罚款1000元。
三星级:考核分在95分以上,不含95分,奖励1500元,保持三星级班组每月奖励1000元;下滑到二星级及以下罚款600元。
二星级:考核分在90分以上,不含90分,奖励600元,考核分在90-86分之间的不奖不罚,考核分在86分以下,不含86分,罚款600元。
一星级:考核分在86分以上,不含86分,奖励500元,考核分在81-86分之间的不奖不罚,考核分在81分以下,不含81分,罚款500元。
2、对全年保持三星级班组的一次性奖励3000元,全年保持明星级的班组一次性奖励5000元。
对不按规划达标的班组一次性罚款3000元。
3、考核程序
各区队负责对本队班组建设进行日常检查、考核,矿按照第六项考核奖罚标准逐月考核兑现奖罚,矿对每季度公司考核奖罚结果要对应落实到各区队班组,矿每半年对各班组总结命名一次,并根据考核结果,择优在10月份前向公司申报明星级班组。
4、星级达标规划
矿内全部班组参与考核,力争明星级班组占全矿所有班组的
20%,(其中确保公司级3个),达到三星级的班组占50%,其余全部达到二星级。
XXX图文设计
本文档文字均可以自由修改。